Реферат: Стереотелевизионные системы
|
Название: Стереотелевизионные системы Раздел: Рефераты по радиоэлектронике Тип: реферат | |||||||||||||||||||||||||||||||||||||||||||||||||||||||||||||||||||||||||||||||||||||||||||||||||||||||||||||||||||||||||||||||||||||||||||||||||||||||||||||||||||||||||||||||||||||||||||||||||||||||||||||||||||||||||||||||||||||||||||||||||||||||||||||||||||||||||||||||||||||||||||||||||||||||||||||||||||||||||||||||||||||||||||||||||||||||||||||||||||||||||||||||||||||||||||||||||||||||||||||||||||||||||||||||||||||||||||||||||||||||||||||||||||||||||||||||||||||||||||||||||||||||||||||||||||||||||||||||||
| Введение. Стереотелевидение – телевидение, позволяющее передавать и воспроизводить электрическими средствами трехмерность окружающего нас пространства и, в частности, в красках (стереоцветное телевидение). Стереотелевидение базируется на стереоскопии – науке о зрительном восприятии трехмерности реального мира – и на колометрии - науке о цвете. При помощи стереоцветного телевидения реализуется новое качество телевидения – воспроизведение рельефности и цвета предметов, что ведет не только к повышению эмоционального воздействия на зрителя, но и к более эффективному использованию каналов связи. Стереотелевидение может принести большую пользу науке и народному хозяйству там, где требуется наибольшая наглядность и выразительность воспроизводимых объектов и событий и особенно там, где оператор не может присутствовать на месте событий. В настоящем дипломном проекте разрабатывается цветная стереотелевизионная телекамера, предназначенная для работы в комплексе с бинокулярным микроскопом и различными устройствами видеоконтроля и записи видеоизображений. 1. Особенности построения стереотелевизионных систем. Первые шаги в области создания и просмотра стереоскопических изображений восходят к 20-м годам, к таким первопроходцам в этой области, как Лоджи Берд (Logie Baird), Хамонд (Hammond) и Зворкин (Zwyorkin). Начало разработок стереотелевидения в СССР относится: черно-белого – к 1949 году (первое изображение получено в 1950-м году, а в 1952-м году выпущена первая промышленная установка) и цветного – к 1958-му году (первое изображение – 1959-й год). Стереоцветная установка ЛЭИС в 1962-м году демонстрировалась на ВДНХ в Москве и в 1964-м году – на советской выставке в Генуе, Италия. 1.1. Зрительный орган как система связи.
Конечным индикатором при телевизионной передаче является наш глаз, поэтому на каждом этапе развития телевизионной техники учитывалось то или иное свойство зрительного органа. И чем совершеннее становилась телевизионная система, тем глубже и полнее опирались при ее построении на возможности зрения. Наиболее полно это отразилось на стереоцветной системе, которая ближе всего подводит к условиям непосредственного наблюдения и опознания натуры. Зрительная система, как известно, обладает пространственной и временной разрешающей способностью., а также контрастной чувствительностью. Другими словами, пространство и движение мы воспринимаем дискретно. Телевизионные вещательные системы строятся на основе использования только временной дискретности зрения и пока не обеспечивают передачу привычной для глаза пространственной дискретности. Техника развития телевидения не имела целью слепое копирование зрительной системы. Но сопоставление на данном этапе процессов, происходящих в телевизионной и зрительной системах, может быть полезным. Если условно расчленить зрительную систему на функциональные узлы , то можно сопоставить ее с системой стереоцветного телевидения (рис. 1.1). Схематическое сопоставление систем бионической (зрительной) и кибернетической (телевизионной).
Рисунок 1.1 . Рассмотрим коротко основные функции, присущие отдельным ступеням кибернетической и бионической систем. 1. Преобразование оптического изображения в электрические сигналы . В телевидении, это совершается в передающей камере 1 путем того или иного вида развертки изображения и, по существу, является первичным кодированием изображения соответствующими электрическими сигналами. В зрительном анализаторе совершается развертка изображения, как и в передающей телевизионной камере, только в более совершенной форме. При рассматривании крупных объектов оба глаза синхронно совершают скачкообразные движения, переводя наше внимание от одной точки к другой. Кроме того, благодаря мелким движениям глаз по горизонтали и вертикали, выявляется основная информация об объекте. Такая дискретная развертка обеспечивает большую четкость деталей, нежели непрерывная, применяемая в телевидении. 2. Кодирование – трансформация первичной информации в сигналы, удобные для передачи. В черно-белом телевидении этот процесс отсутствует. В цветном и стереоцветном телевидении кодирование совершается особо рассчитанными электрическими матрицами. Кодированию подвергается информация каждого элемента изображения, причем кодовый сигнал должен нести информацию не только о яркости данного элемента, но и о его цвете. В зрительной системе световой поток от цветного объекта, падая на сетчатку, вызывает реакцию в соответствующих элементах колбочкового аппарата, что приводит к возникновению в ганглиозных клетках электрических импульсов определенной частоты. Таким образом, оптическое изображение, образуемое на сетчатке, кодируется частотой электрических импульсов, посылаемых разными порциями в высшие отделы анализатора 4 и 5. 3. Передача электрических сигналов . Зрительную систему можно рассматривать как идеальную систему связи, то есть передающую сообщения без ошибок со скоростью, определяемой пропускной способностью канала. Последнее, по Шеннону, определяется как C = DF log2 Pc +Pп / Pп = DF log2 ( 1 + Pc / Pп ), дв.ед. / сек., (1) где DF – полоса частот пропускания; Рс и Рп – соответственно, средние мощности полезного сигнала и помехи в виде «белого шума». Воспользуемся уравнением (1) для определения пропускной способности стандартного телевизионного канала при полосе частот в F=6 МГц и отношении сигнала к помехе y=25, требуемом для хорошего качества воспроизводимого изображения. Под величиной y здесь понимается отношение полного размаха видеосигнала (от уровня черного до уровня белого) к среднеквадратичному значению помех. В итоге: Сmax = 56 ´ 106 дв. ед. / сек. В цветном телевидении с уплотнением спектра частот яркостного сигнала и при квадратурной модуляции цветовой поднесу щей цветоразностными сигналами для систем NTSC и PAL: С = 19 ´ 106 дв. ед. / сек. Для цветной системы SECAM (модуляция цветовой поднесу щей цветоразностными сигналами через строку): С = 16 ´ 106 дв. ед. / сек. Для стереоцветной системы с квадратурной модуляцией, когда один кадр цветной стереопары передается в черно-белом виде с полосой 6 МГц, а другой в красках с полосой 1,5 МГц: С = 19 ´ 106 дв. ед. / сек. Пропускная способность зрительного анализатора на уровне сетчатки тоже составляет десятки миллионов двоичных единиц в секунду. Но по мере перехода к высшим отделам зрительного органа производится отбор полезной информации из всего потока сообщений, что приводит к весьма экономной форме их кодирования. Обращает на себя внимание тот факт, что пропускная способность зрительной системы ниже телевизионной, а канал передачи импульсов в миллионы раз сложнее. Видимо, последний используется более широко для обратных связей, то есть подачи разных команд от коры головного мозга. 4. Декодирование – преобразование кодовых сигналов в сигналы первичной информации. В телевидении для этого служат электрические матрицы, на выходе которых получаем первичные сигналы основных цветов R, G и B для левого и правого изображений. Как будет видно ниже, допустимо ограничиться сигналами R, G и B только для одного изображения стереопары, а для другого иметь только яркостный сигнал Y. В бионической системе кодовые сигналы преобразуются в энергию биологических процессов, создающих визуальное ощущение. Совершается это в одном из высших разделов зрительного органа. 5. Синтез изображения – превращение первичной информации в модель передаваемого объекта. Этот завершающий этап воспроизведения изображений в телевидении осуществляется приемным устройством. В бионической системе зрительные образы возникают в коре головного мозга и автоматически, в большей или меньшей степени, сохраняются в памяти. В телевидении же для сохранения изображения в необходимых случаях применяется дополнительный процесс – запись изображения. 1.2. Стереоэффект и некоторые свойства бинокулярного зрения.
Глубинное зрение, то есть способность воспринимать объемность предметов и их пространственное расположение, не является врожденным свойством человека. Оно достигается ранним жизненным опытом путем сочетания реакции осязания, зрительного восприятия и подсознательного глазомышечного двигательного акта. Объемность предметов и их пространственное расположение непосредственно могут восприниматься как при монокулярном зрении (одним глазом), так и при бинокулярном (двумя глазами). В первом случае главную роль играют физиологические факторы (зрительная память, ощущение различия в напряжении мышц при аккомодации и т.п.). Опираться на эти факторы при построении телевизионной системы, где глаз заменяется передающей трубкой, нельзя – необходимо прибегнуть к использованию свойств бинокулярного зрения, где основную роль играет глазной базис – расстояние между зрительными осями при рассмотрении удаленных предметов (рис. 1.2). Для разных людей он немного отличается, но в среднем составляет 65 мм. Угол a при пересечении зрительных осей называется углом конвергенции (сведения в одну точку). Каждому положению объекта соответствует определенный угол конвергенции, что сопровождается некоторой мускульной работой поворота глаз вокруг центров вращения. Сравнение в сознании мускульных напряжений, связанных с изменением угла конвергенции, дает представление о том, ближе или дальше расположен предмет. Бинокулярное наблюдение одиночных предметов.
Рисунок 1.2 . При смещении рассматриваемого объекта происходит не только конвергенция глаза, но и аккомодация, то есть изменение кривизны глазного хрусталика. Последнее обеспечивает резкость изображения предметов на сетчатке при различных расстояниях их от глаза. Достаточно малейшего смещения одной из проекций изображений с идентичных точек сетчатки, как в сознании возникает пространственное представление о рассматриваемых объектах. Принято, что невооруженным глазом рельефность предметов можно наблюдать на расстояниях, не превышающих одного километра. Для увеличения стереоскопической дальности или повышения стереоэффекта требуется, прежде всего, при прочих равных условиях, увеличение базиса наблюдения, что легко осуществить в телевидении путем разноса передающих трубок. 1.3. Способы передачи стереопары. Из рассмотрения простейших стереоприборов вытекает, что для искусственного воспроизведения стереоизображений необходимо иметь полученные с разных позиций два изображения и рассматривать одно левым глазом, другое – правым. В зависимости от поставленной задачи можно передать или одновременно оба кадра стереопары, или последовательно. Одновременная передача. При одновременной передаче могут наблюдаться два случая, в зависимости от требуемого базиса. Если поставленная задача требует большого базиса, необходимо иметь две передающие камеры, разнесенные на требуемое расстояние. Передача должна происходить или через два самостоятельных передатчика, или через один при наличии соединительных каналов. Обычно используют одну камеру с двумя передающими трубками. Последовательная передача. Последовательный способ передачи стереопары применяется в случае использования временного параллакса (при относительном движении камеры и объектива) или при проектировании левого и правого изображений на мишень одной передающей трубки. В последнем случае кадры стереопары можно расположить на мишени трубки, или рядом по горизонтали (последовательная передача по строкам), или рядом по вертикали (последовательная передача по полям или кадрам). При вертикальном расположении кадров площадь мишени используется более полно, но это требует специальной призменной приставки к горизонтально расположенным объективам [1, глава 4]. Последовательная передача стереопары требует удвоенной полосы частот по сравнению с обычным двухмерным телевидением. Принципы воспроизведения стереопары на приемной стороне освещены в книге под ред. П.В.Шмакова “Стереотелевидение” (М: Связь, 1968). Художественную передачу объемных изображений целесообразно обогащать стереофоническим изображением. 1.4. Методы деления изображений [2]. В зависимости от назначения системы стереоскопического телевидения методы деления изображений для правого и левого глаза могут быть двух видов: индивидуальные и групповые. Первый способ допускает наблюдение объемного телевизионного изображения только одним человеком, а второй позволяет одновременно наблюдать объемное изображение большому числу зрителей. Естественно, что для стереотелевизионного вещания применим только метод группового деления стереопары. В промышленных системах могут использоваться как индивидуальные, так и групповые методы деления. При групповом методе наблюдения используется поляризационный или цветовой способ разделения стереопары. Первый способ основан на явлении поляризации света. Лучи плоско поляризованного света обладают свойством свободно проходить через поляризационный фильтр, плоскость поляризации которого параллельна плоскости поляризации луча. Но такие лучи не проходят через поляризационный фильтр, если плоскости поляризации перпендикулярны. Таким образом, если перед экранами приемных трубок (рис. 1.3) 1 и 2 поставить поляризационные фильтры 3 и 4, плоскости поляризации которых ориентированы взаимно перпендикулярно, то разделение смешанной параллаксограммы (смешанная параллаксограмма представляет собой наложение одного изображения стереопары на другое) можно осуществить, если смотреть через очки с фильтрами 5 соответствующей поляризации. Смешанная параллаксограмма получается на полупрозрачном недеполяризующем зеркале 6. Поляризационный метод разделения стереопары для правого и левого глаза позволяет наблюдать не только черно-белые стереоскопические телевизионные изображения, но и стереоцветные. Очковый метод деления.
Рисунок 1.3. Поляризационные или цветные фильтры: 1 и 2 – приемные трубки, 3 и 4 – поляризационные фильтры, 5 – очки с поляризационными фильтрами, 6 – полупрозрачное зеркало. Недостатком поляризационного метода является необходимость соблюдать параллельность плоскостей поляризации поляроидов зрителя и приемных трубок. При наклоне головы зрителя более 4° значительно ухудшается стереоэффект из-за проникновения другого изображения. Однако специальной конструкцией очков можно избавиться и от этого недостатка. Если на рис. 3 поляризационные фильтры заменить цветными фильтрами, имеющими определенные спектральные характеристики, то каждый глаз зрителя будет видеть изображение, предназначенное только для него. Принцип разделения цветными фильтрами заключается в следующем: каждое черно-белое телевизионное изображение стереопары Кл и Кп окрашивается в один из спектральных цветов. Например, левое изображение в красный цвет, а правое – в зеленый. Перед глазами зрителей помещаются цветные светофильтры так, что правый глаз зрителя смотрит через зеленый фильтр и видит градации яркости только зеленого изображения, а левый глаз смотрит через красный фильтр и видит градации яркости только красного изображения. За счет бинокулярного смешения цветов зрители видят стереоскопическое телевизионное изображение, окрашенное в третий цвет. При использовании одноцветных приемных трубок (в дальнейшем – ПЗС-матриц) надобность в установке цветных фильтров перед экранами трубок отпадает. Недостатком данного метода разделения стереопары является невозможность наблюдать многоцветное стереоскопическое изображение. В разрабатываемой системе используется групповой метод деления стереопары, но принцип деления отличается от вышеописанных. В процессе формирования стереопары образуется видеосигнал, содержащий последовательность четных и нечетных полей двух кадров стереопары. Одна ПЗС матрица формирует сигналы первого и второго поля первого кадра стереопары, а вторая, соответственно, поля для второго кадра стереопары. Применяя при воспроизведении очки с жидкокристаллическими индикаторами (ЖКИ) и коммутируя ЖКИ с частотой полей, мы разделяем кадры стереопары для правого и для левого глаза соответственно. Данные системы воспроизведения являются стандартными и в данном проекте не рассматриваются. 1.5. Системы объемного телевидения. Многочисленные работы, проведенные проф. П.В.Шмаковым и его сотрудниками по изучению стереоэффектов в телевидении, показали: 1. Стереоэффект наблюдается не только при одинаковой четкости обоих изображений, но и при понижении четкости одного из кадров стереопары, причем воспринимаемая зрителем четкость определяется более качественным изображением. 2. Возможна передача одного кадра стереопары черно-белым, а другого – цветным. При этом эффект восприятия объема и цвета практически не ухудшается. 3. Полоса частот сигналов одного кадра, в том числе и яркостного, может быть значительно сокращена без заметного ухудшения изображения при условии, что яркостный сигнал другого кадра передается с полной полосой частот. Эти особенности зрения позволили предложить несколько систем объемного телевидения, использующих стандартный телевизионный канал [3], которые мы рассмотрим далее. Мелькание. При проектировании систем объемного телевидения возникает проблема рационального использования полосы частот канала передачи. В обычном телевидении требование отсутствия мельканий при необходимых яркостях изображения приводит к передаче 50 полей в секунду. В стереотелевидении предполагалось использовать возможность понижения частоты мельканий каждого изображения вдвое за счет попеременной смены полей левого и правого кадров. Такая возможность позволила бы сократить полосу частот вдвое, то есть привести к стандартной полосе частот двухмерного телевидения. Но исследования показали, что критическая частота мельканий остается неизменной как при монокулярном, так и при бинокулярном зрении при переменной смене полей. На основании этих опытов сделали вывод, что число кадров в системах объемного телевидения для отсутствия мельканий должно быть тем же самым, что и в системах обычных. Если, в идеальном случае, для передачи и воспроизведения цветного объемного изображения требуется шесть сигналов (три сигнала цветоделенных изображений для левого кадра стереопары и три – для правого), то в практике из шести сигналов необходимо и достаточно передавать только четыре: сигнал, несущий информации о яркости одного кадра стереопары, и три сигнала, несущих информацию о яркости и цветности другого кадра. При этом полоса частот для передачи цветного кадра может быть сокращена до 1,5 МГц, если черно-белый кадр передается со стандартной полосой частот. Исходя из этого, исследовательской лабораторией кафедры телевидения Ленинградского электротехнического института инженеров связи им. проф. М.А.Бонч-Бруевича под руководством проф. П.В.Шмакова разработана совместимая система цветного стереотелевидения, соответствующая системе NTSC (рис. 1.4). Схема системы цветного стереотелевидения (передающая часть).
Рисунок 1.4. 1 – камера, 2- коммутатор, 3 – пересчетное устройство, 4 – фильтр низкой частоты (ФНЧ), 5 – балансный модулятор, 6 – смесительное устройство, 7 – к передатчику, 8- полный синхросигнал, 9 – огибающая сигнала вспышки. На передающей стороне шесть сигналов левого и правого (л и п) кадров цветной стереопары от соответствующих датчиков поступают на матричные устройства, на выходе которых образуются яркостные сигналы этих кадров U¢ял U¢яп . Затем формируются цветоразностные сигналы правого кадра U¢кп U¢сп . Яркостный сигнал U¢ял левого кадра и сигналы правого кадра подаются на смесительное устройство, в котором получается полный сигнал стереоцветного изображения, согласно уравнению: U¢с = U¢ял + k1 U¢п . Описание данной системы взято из книги Г.Б.Богатова «Цветное телевидение» (Л: Наука, 1978). [4] Рассмотрим использовавшуюся в установке СЦТ ЛЭИС камеру 1 подробнее. В ее состав входят следующие основные узлы (рис. 5): а) блок разверток, б) фотоблок, в) блок оптических головок, г) блок управления камерой с механизмом изменения базиса съемки, д) две трубки бегущего луча с фокусирующими и отклоняющими системами. Блок-схема камеры СЦТ.
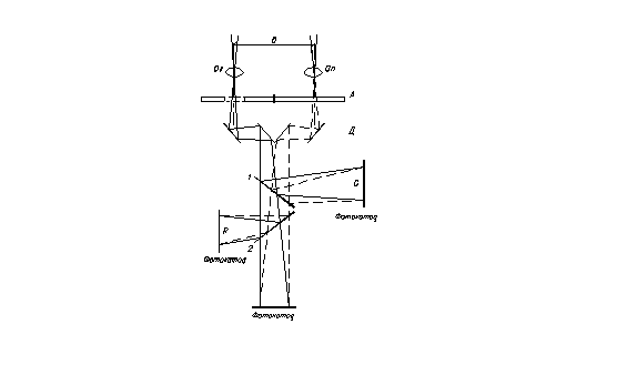
Рисунок 1.5. Блоки строчной и кадровой разверток были выполнены на типовых унифицированных узлах. Задающие части строчной и кадровой разверток являются общими для обеих трубок. Выходные каскады выполнены отдельно для каждой трубки. Кроме этого, в блоке разверток предусмотрены схемы стабилизации , фокусировки и защиты. В установке использовались фотоблоки двух типов: блоки, входящие в состав камеры, содержат по три фотоэлектронных умножителя, выносные – по шесть (два красных, два зеленых и два синих. В камере использовались две оптические головки с дистанционным приводом, снабженные двумя комплектами объективов с фокусными расстояниями 50 и 85 мм. Базис съемки мог меняться от 68 до 130 мм. Управление оптикой производилось дистанционно с пульта оператора. Для этого оптические головки имели электропривод, который управлял оптической фокусировкой, диафрагмированием и производил переключение объективов. Также с пульта управлялись фокусировка и ток луча в трубках. В камере были использованы две развертывающие трубки типа 6ЛК1Б с плоским экраном и люминофором из окиси цинка. Минимальный базис определялся размером трубок. Габариты камеры - 530´290´420 мм, вес – 45 кг. [1]. В то же время было предложено еще несколько систем образования и передачи (последовательной и одновременной) стереопары. Рассмотрим две схемы для последовательной передачи кадров стереопары как более прогрессивного метода. 1. Может быть использована одна трехтрубчатая цветная камера (рис. 1.6). Отличием ее от обычной камеры цветного телевидения является зеркальная стереонасадка Д и обтюратор А. Стереонасадка с двумя объективами Ол и Оп служит для создания стереопары, а обтюратор – для переменной коммутации светового потока от левого и правого изображений. В результате на выходах передающих трубок последовательно создаются сигналы цветовой информации от левого и правого кадров стереопары. Схема оптического узла стереоцветной камеры для одновременной передачи цветовой информации с последовательным чередованием левого и правого изображений стереопары.
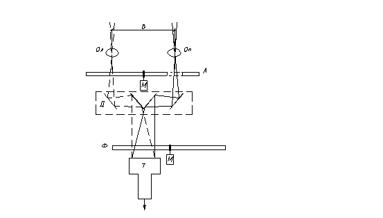
Рисунок 1.6: в – базис передачи, 1 и 2 – цветоделительные зеркала, R, G и B – цветоделенные изображения. Чтобы избежать механически вращаемого обтюратора, можно спроецировать оба кадра стереопары на фотокатоды трубок, расположив их рядом. Для этого объективы Ол и Оп необходимо расположить между стереонасадкой и цветоделительными зеркалами. В этом случае предъявляются более высокие требования к разрешающей способности трубок и линейности разверток. 2. Аналогичным способом для стереоцветной передачи можно использовать аппаратуру последовательной системы цветного телевидения. В качестве датчиков сигналов стереопары могут служить две камеры, разнесенные на необходимый базис передачи, с вращающимися дисками цветных светофильтров R, G и B или же одна камера, дополненная зеркальной стереонасадкой и обтюратором (рис. 1.7). В последнем случае камера будет выдавать последовательные сигналы цветовой информации поочередно от левого и правого изображений стереопары. Схема оптического узла стереоцветной камеры для последовательной передачи как цветовой информации, так и стереопары.
Рисунок 1.7: в – базис передачи, Д – стереонасадка, А – обтюратор, Ф – диск с цветными светофильтрами, М – двигатели, Т – передающая трубка. Далее описаны несколько методов создания стереоцветных систем, которые в той или иной мере были этапными в развитии стереовидения. Метод Пулфрича Метод Пулфрича базируется на постоянном движении, иначе эффект трехмерности пропадает. Требуются специальные очки с линзами, различающимися степенью затемнения. Движение должно происходить в одном направлении (слева направо), тогда глаз, снабженный более светлой линзой получает и обрабатывает зрительную информацию на долю секунды раньше другого. Этой разницы во времени оказывается достаточно, чтобы второе изображение чуть-чуть сместилось, и создалось впечатление глубины. Эффект может быть усилен путем подбора объекта съемки, окружающей обстановки и т.д. Причина, по которой такую технологию нельзя считать по-настоящему трехмерным телевидением, заключается в том, что объекты не сходят к вам с экрана, как это бывает в стереокино, а просто «расслаиваются», создавая впечатление глубины картинки. Кроме того, этот метод ненадежен, потому что некоторые люди смотрят такую программу и не видят стереоэффекта. LCD-shutters Простейшая стереосистема базируется на методе показа последовательных областей (полей), при котором оба изображения, чередуясь, но не переплетаясь как в чересстрочной развертке, проецируются на один и тот же экран (обычный телевизионный экран показывает подобные области с чересстрочным обновлением, чередующиеся 50 раз в секунду). Чтобы каждый глаз видел свою картинку, используются очки с раздельными жидкокристаллическими экранами-шторками (LCD-shutters). Можно сделать так, чтобы под воздействием электрического тока жидкие кристаллы становились то прозрачными, то непроницаемыми с той же частотой, с которой обновляется изображение на экране. Когда видимость одного глаза заблокирована, другой видит картинку и наоборот. Лентикулярные системы. Последняя новинка фирмы Sanyo — трехмерный экран, использует принцип двояковыпуклой (лентикулярной) линзы. Здесь уже не нужны никакие специальные очки. Двояковыпуклые линзы состоят из многочисленных рядов вертикальных линз, совсем как у гофрированного картона. Под них подкладывается несколько картинок, разделенных на полосы и уложенных с чередованием в вертикальном направлении. В зависимости от угла можно наблюдать серии вертикальных полос, составляющих целую, объемную картинку. В настоящее время фирма Sanyo занята производством серии экранов различных размеров, начиная с громадных 70-дюймовых и кончая переносными моделями размером от 4 до 10 дюймов. Наибольший эффект достигается на экранах больших размеров, но они пока предназначаются для коммерческих трехмерных игровых машин. Xenovision Гораздо более убедительной представляется технология автостереоскопического дисплея, продемонстрированная австралийской компанией Xenotech. Эта система проецирует два изображения, каждое для своего глаза, сквозь полупосеребренное зеркало, расположенное перед зрителем, а затем обратно, на отражающий экран. Проекторы расположены таким образом, что правая картинка проецируется на правый глаз, а левая — на левый. Фокус в том, чтобы каждый глаз видел только то изображение, которое для него предназначено, и для этого используется специальный материал, который отражает свет обратно, под углом 180° к поверхности. Если ваш глаз расположен фронтально к направлению луча, то он видит только отраженную картинку; второй глаз находится несколько в стороне от линии хода луча, и картинка на него не попадает. Но когда человек смотрит на экран, он не остается неподвижным (неизбежно ерзает и вертит головой). Для компенсации движения, система снабжена устройством слежения за положением глаз зрителя, состоящим из слабого источника инфракрасного излучения и миниатюрной камеры, направленной на лицо зрителя. Камера отмечает инфракрасные вспышки — очертания лица и отражения от роговицы — и посылает информацию компьютеру, который отслеживает положение и направление глаз зрителя. Если глаза меняют свое положение, то соответствующим образом меняется и положение проекторов и отражающего экрана, сохраняя неизменным тангенс угла наклона к линии зрения наблюдателя. Система Xenovision (тот же Xenotech) впервые была представлена в 1995 году на выставке корейской электроники Korean Electronics Show, где были продемонстрированы четыре дисплея размером 30 дюймов. С тех пор, где бы ни выставлялась эта система, она вызывает бурю восторгов. Вот список фирм, лицензировавших эту систему. Возглавляет этот список Samsung, первым купивший лицензию в 1994 году, за ней идут Carl Zeiss из Германии, Resources Corporation Berhad из Малайзии, Дом спецэффектов ETAB Data AB из Швеции, и совсем недавно к ним присоединилась крупная японская компания Tomen Corporation. Сейчас Xenotech разрабатывает дисплей для нескольких зрителей, опирающийся на тот же принцип. Но, по правде говоря, серьезные ограничения этого процесса — размер экрана, несколько проекторов, компьютерное слежение и т. д. — означают, что, как и большинство имеющихся 3D-технологий, идея Xenovision больше подходит для рынка развлечений и мультимедиа, чем для бытового телевидения. Описываемые выше системы, по сути двумерные, создают лишь иллюзию объемного изображения. Зародыш другой системы недавно был продемонстрирован в программе BBC «Мир завтра» (Tomorrow's World). У этой системы классное название — «3D Vоlumeric Display Technology Background». Сейчас она находится в стадии разработки в Военно-морском центре управления, контроля и наблюдения за океаном США (Naval Command, Control and Ocean Surveilance Centre, NCCSC). В ней с помощью вращающейся спирали генерируется изображение, которое можно рассматривать в трех измерениях. По сути дела это движущийся проекционный экран, который при каждом обороте дважды сканирует весь объем изображения».Спираль сканирует полностью весь столб, и по завершении полного оборота ни одна точка внутреннего пространства не остается не обновленной. Для создания на нем изображения используется лазерный сканер. Естественно, за всем за этим стоит проблема повышения вычислительных мощностей и проблема передачи набора трехмерных графических координат проектору, которые должны соответствовать перемещению спирали. Картинки, воспроизводимые этой системой, генерируются компьютером. Как будут сниматься и проектироваться изображения из реальной жизни, пока не ясно. Правда, эта система не нацелена на потребительский рынок, и ее применение скорее всего ограничится моделированием рельефов поверхностей или регулированием движения воздушного транспорта, 1.6. Требования, предъявляемые к системам стереоцветного телевидения. При создании стереоцветной системы следует стремиться к гармоническому сочетанию. Воспроизведения натуральной окраски, рельефности предметов и глубины пространства. Требования, предъявляемые к воспроизведению рельефности, будут различными в зависимости от назначения системы: для промышленных целей или для вещания. В промышленных установках пространственные формы и величинам объемного изображения должны соответствовать реальным объектам и при необходимости должны быть пропорционально уменьшены или увеличены во всех трех измерениях. Следовательно, в промышленных установках должно уделяться особое внимание идентичности разверток передающих и приемных трубок, чтобы обеспечить выполнение указанных выше требований. Для художественной передачи не обязательно точное воспроизведение объема, а в зависимости от замысла режиссера может быть несколько искажена перспектива для подчеркивания того или иного плана в пространстве, для привлечения внимания зрителя именно к этой части передаваемого изображения. Требования, предъявляемые к цветному стереотелевидению с точки воспроизведения цвета, аналогичные требованиям к соответствующим системам цветного телевидения. В некоторых промышленных системах качество цвета может быть несколько снижено, если это дает значительное упрощение аппаратуры [1]. 1.7. Телевидение и голография [5]. Стереоскопические системы являются базой для создания многоракурсных телевизионных систем, дающих возможность плавного бокового обзора (оглядывания) воспроизводимых изображений. Объемные изображения можно наблюдать без специальных очков с разных ракурсов, смещаясь относительно экрана внутри большой зоны пространства без потери стереоэффекта. Можно предполагать, что будущее телевидения – это голографическое телевидение, однако при реализации голографических телевизионных систем возникает много технических трудностей, связанных, в частности, с большой информационной емкостью голограмм и высокой удельной плотностью информации. 1.7.1. Способы получения голограмм. Голография основана на записи и последующем восстановлении волнового фронта рассеянного объектом света. Первый этап использует явление интерференции при взаимодействии двух когерентных пучков (рис. 1.8). Лазерным светом освещают объект и зеркало. Свет, отраженный объектом (предметный волновой фронт, предметный пучок) и зеркалом (эталонный волновой фронт, или опорный пучок, или когерентный фон), пересекается в определенной области пространства и взаимодействует между собой, образуя пространственное интерференционное поле, поле узлов и пучностей, максимумов и минимумов интенсивности. Запись голограммы.
Рисунок 1.8. Если в этом пространстве поместить фоточувствительную среду, то она зарегистрирует часть этого интерференционного поля. Такая светочувствительная среда после фотохимической обработки называется голограммой. В простейшем случае голограмма представляет собой чередование светлых и темных полос. Число интерференционных полос, то есть количество светло-темных пар линий на единицу длины голограммы, называется пространственной частотой. Отличие голографического процесса записи от обычного фотографирования заключается в том, что на голограмме записана не только амплитудная, но и фазовая информация, выраженная в виде чередования по определенному закону светлых и темных полос. Отсюда и происхождение слова «голография»: от греческих слов «олос» – полный – и «графо» – пишу, то есть запись полной информации. Голография была изобретена Дэннисом Габором. В 1947 году он предложил, а в 1948 году опубликовал однолучевую схему для голографирования полупрозрачных плоских объектов. В 1961 году Эммет Лейт и Юрис Упатниекс усовершенствовали исходную схему Габора, предложив свою двухлучевую (с наклонным опорным лучом) схему формирования плоских голограмм непрозрачных трехмерных объектов. Схема восстановления изображения с голограммы показана на рис. 1.9. Восстановление изображения с голограммы.
Рисунок 1.9. Более простой и перспективный метод получения цветных изображений основан на использовании объемных светочувствительных эмульсий при формировании трехмерных голограмм. Этот метод формирования трехмерных голограмм, наиболее полно отражающих оптические свойства объекта, разработал советский ученый Юрий Николаевич Денисюк в 1962 году. Для получения трехмерной голограммы объект освещают сквозь объемную светочувствительную эмульсию (рис. 1.10). Свет отражается от объекта (объектом является зеркало) и, возвращаясь назад, интерферирует с опорным пучком под углами, близкими к 180°. Получение трехмерных голограмм (а) и воспроизведение с них изображений (б).
а) б) Рисунок 1.10. Плоскости пучностей и, соответственно, плоскости почернения, располагаясь по биссектрисе угла Q между направлениями встречных пучков, будут почти параллельны плоскости голограммы и будут удалены друг от друга на расстояние: d = l / 2n sin Q/2, где n – показатель преломления светочувствительной эмульсии, а l - длина волны в воздухе. 1.7.2. Попытки построения голографических телевизионных систем. Практическая реализация голографической телевизионной системы встречает ряд весьма существенных трудностей. Одна из предложенных схем показана на рис. 1.11. Структурная схема голографической телевизионной системы.
Рисунок 1.11 . Передаваемая сцена освещается либо одним, либо несколькими взаимно когерентными лазерами. Свет, рассеянный объектами сцены совместно с опорным лучом, попадает на анализирующее устройство голографической телевизионной камеры, в которой картина интерференционных световых потоков преобразуется в последовательность электрических сигналов. Последние затем передаются по каналу связи. На экране приемного устройства из электрических сигналов формируется голограмма, которая при освещении ее лучом лазера восстанавливает передаваемый сюжет. Но при этом обязательным условием является наличие источников только когерентного излучения при освещении объекта, что ограничивает съемки рамками студии. Также требуется разрешающая способность голографической системы вдвое превышающая ныне существующую. В связи с этим работа разверток голографической телевизионной системы также должна быть повышена, что повлечет за собой увеличение требуемой полосы частот канала связи для передачи информации об изображении. Вопрос о путях построения голографических телевизионных систем до сих пор еще не решен. Развитие голографического телевидения будет идти, очевидно, в двух направлениях. Одно их них ставит своей целью совершенствование всех звеньев (передающее устройство, канал связи, приемное устройство) для создания голографических телевизионных систем. Второе направление заключается в построении промежуточных паллиативных систем, в которых новые качественные параметры пространственных изображений достигались бы не слишком дорогой ценой и которые поэтому могли бы быть реализованы в обозримом будущем. Ниже приводится один из вариантов схем построения многоракурсных систем (рис. 1.12). Схема построения многоракурсной телевизионной системы.
Рисунок 1.12 . Всю схему можно разделить на несколько частей, функции которых вполне определенные: съемка объекта, передача изображений, совмещение изображений и селекция ракурсов. Съемка объекта осуществляется путем размещения по дуге АБ нескольких передающих камер. Формирующих телевизионные двухмерные изображения, отличающиеся друг от друга только горизонтальным параллаксом. В статических системах, работающих не в реальном масштабе времени, можно использовать одну камеру, последовательно перемещая ее по дуге АБ на угловые интервалы Dy. В последнее время трудности, встречающиеся при создании практических систем голографического телевидения, послужили причиной расширения области исследований дифракционных систем, в которых используется не только когерентное: но также частично когерентное и некогерентное освещение. [6] Системы голографического телевидения, созданные на сегодняшний день, находят применение в различных сферах человеческой деятельности. В заключение приведем одну из схем оптической установки для создания голографических изображений в области медицины, разработанной в 1992 году (рис. 1.13) [7]. Оптическая установка для создания голографических изображений.
Рисунок 1.13 . 2. Разработка технических требований. 2.1. Метод формирования цветного стереоизображения.
В данном дипломном проекте разрабатывается метод формирования цветного стереоизображения при помощи двух ПЗС матриц, разнесенных на оптический базис ( 65 мм. ). Считывание сигналов производится поочередно с частотой 100 Гц таким образом, что в выходном видеосигнале имеется последовательность сигналов четных и нечетных полей двух кадров стереопары (рис. 2.14). Структура выходного сигнала.
Рисунок 2.14 . Горизонтальные драйверы обеих ПЗС матриц работают непрерывно, являясь при этом нагрузкой для одного тимминг-генератора, который вырабатывает импульсы считывания для матриц. Следовательно, при такой схеме включения, необходимо дополнительное усиление импульсов считывания, подаваемых через горизонтальные драйверы. Вертикальные драйверы работают поочередно и с удвоенной частотой (f = 100 Гц), таким образом увеличивается емкость нагрузки тимминг-генератора, что также необходимо учитывать при расчете схемы. Сигналы с ПЗС матриц обрабатываются в двух видеотрактах, а затем суммируются, образуя выходной компонентный сигнал с заданной амплитудой. 2.2. Выбор элементной базы. Данный дипломный проект базируется на уже существующей элементной базе, что существенно снижает стоимость разрабатываемой камеры. Матрица является основным компонентом в камере, поэтому выбор элементной базы будет определяться ею. Фаворитом в данной области является фирма SONY, которая одной из первых освоила серийный выпуск цветных матричных ПЗС. В большей степени сегодня распространены матрицы с диагональю 1/3 дюйма, следовательно, целесообразно выбрать матрицы именно такого габарита. Преимущества датчиков 1/3 дюйма также и в меньших габаритах, массе, уменьшении размеров и массы оптической системы. В техническом задании число пикселов матрицы определено как 430 тыс. Таким образом, можно выбрать стандартную цветную матрицу ICX059AK, которая отвечает всем нашим требованиям. Выбрав матрицу, мы можем сразу взять и стандартную элементную базу для нее: ICX059AK – CCD Area Image Sensor, 1/3 ², CCIR (датчик изображения на основе ПЗС матрицы) CXD1159Q – CCD sync signal generator – NTSC and PAL (генератор сигналов синхронизации для ПЗС матрицы.) CXD1265R - CCD timing pulse generator – NTSC, PAL, ETA and CCIR (тимминг-генератор .) 74AC04 (K1533ЛН1 – аналог) – горизонтальный драйвер CXD1267AN – CCD clock driver IC (вертикальный драйвер) CXA1390AR - CCD colour camera sample and hold colour separation (дискретизатор с запоминанием отсчетов цветового разделения в цветной камере) CXA1391R – CCD colour camera processor (видеопроцессор). CXA 1392R - кодер PAL . 2.3. Требования к сигналам. Поскольку для создания компонентного сигнала со стереоэффектом мы применяем две ПЗС матрицы типа ICX059AK, то, исходя из норм на критическую частоту мелькания (в данном случае – для каждого глаза) fкр = 48 Гц, необходимо, чтобы fп = 100 Гц – частота полей и, соответственно, fк = 50 Гц – частота кадров. Следовательно, при стандартизированном числе строк разложения fстр = 625 надо, чтобы частота задающего генератора строчной развертки была равна удвоенной стандартной: fген = fстр = 2´15625 = 31250 Гц В итоге надо сформировать следующие сигналы:
Коммутация матриц осуществляется импульсами с частотой полей. Управление осуществляется цифровыми сигналами TTL уровней (логический «0» – 0,4 В; логическая «1» – 2,4 В). Выходной сигнал размахом 1 В создается на нагрузке Rн = 75 Ом (эти величины стандартизированы). Питание комплекта микросхем осуществляется от источника питания нестабилизированного напряжения Uпит = 12 В. Температурные режимы камеры определяются требованиями для ПЗС матрицы: t°раб = - 10°С ¸ + 60°С t°хр = - 30°С ¸ + 80°С Данная камера может работать при влажности до 90%. 3. Разработка структурной схемы цветной стереотелевизионной камеры. Используя результаты исследований в области стереотелевидения и последние технические достижения, можно построить множество стереосистем с различными техническими характеристиками, в том числе и удовлетворяющие нашим. В данной разработке предлагается создать стереотелекамеру, используя в качестве основы комплект элементной базы для обычной цветной телекамеры фирмы SONY со следующими структурными изменениями: 1) в качестве датчиков стереопары используем две ПЗС матрицы цветного изображения со строчно-кадровым переносом зарядов, каждая из которых формирует сигнал изображения своего кадра – левого или правого; 2) учитывая изложенное в предыдущем пункте, необходимо применить две пары вертикальных и горизонтальных драйверов для ПЗС матриц; 3) полученные с ПЗС матриц два разных сигнала необходимо обрабатывать в двух одинаковых видеотрактах; 4) в качестве системы синхронизации и управления можно использовать один комплект, поскольку он должен обеспечивать синхронизацию и управление двумя идентичными видеотрактами. Система синхронизации состоит из синхрогенератора и тимминг-генератора. Эта система будет дополнена электронным коммутатором, поскольку управляющие сигналы для вертикальных драйверов необходимо подавать поочередно с частотой 100 Гц, чтобы обеспечить принцип образования стереопары; 5) на выходах I и II видеотрактов мы получаем компонентные сигналы, которые нам необходимо просуммировать. В этих целях мы используем сумматор; 6) наконец, все блоки нашей телекамеры необходимо запитывать от источника питания. Структурная схема цветной стереотелевизионной камеры приведена на рис. 3.15. Структурная схема цветной стереотелевизионной камеры.
Рисунок 3.15. 4. Разработка функциональной схемы. 4.1. Общие положения. При разработке функциональной схемы условимся, что будем использовать только зарубежную элементную базу. В данной разделе будет рассмотрена функциональная схема только одного видеотракта, поскольку второй является полностью идентичным. Также мы рассмотрим устройство функциональных узлов, которые не входят в базовый комплект цветной телекамеры SONY, но в нашей разработке они являются необходимыми. Этими узлами являются электронный ключ для коммутации управляющих сигналов для вертикальных драйверов и выходной сумматор. 4.2. Описание функциональной схемы видеотракта.
Видеосигнал с выхода ПЗС матрицы поступает одновременно на входы PG и DATA микросхемы CXA1390, упрощенная функциональная схема которой показана на рис. 4.16. Функциональная схема микросхемы CXA1390. CCD OUT
Рисунок 4.16. Входная часть этой микросхемы содержит схему ДКВ (CDS). Эта схема предназначена для выравнивания трехуровневого выходного сигнала с ПЗС матрицы. Трехуровневость получается в результате влияния импульсов сброса. На выходе схемы CDS получается широкополосный видеосигнал YH, который подается на управляемый усилитель схемы АРУ (AGC). Его усиление зависит от напряжения АРУ. Затем сигнал YH подается на выход микросхемы YH OUT и одновременно на схему разделения, которая построена на устройствах выборки-хранения (sample-and-hold ( S/H)). Разделение на два канала осуществляется путем выборки по разным импульсам XSHP и XSHD, поступающим на S/H. Данное разделение является предварительным и полученные в итоге сигналы можно описать как: n line (n + l) line (n + 2) line S1 : (Mg + Cy) / (G + Cy) / (Mg + Cy) / … S2: (G + Ye) / (Mg + Ye) / (G + Ye) / … Полученные сигналы S1 и S2 подаются соответственно на выходы S1 OUT и S2 OUT, а затем на входы микросхемы CXA1391 S1 IN и S2 IN соответственно. Одновременно сигналы S1 и S2 подаются на схему подавления цветности, туда же поступает и видеосигнал после схемы CDS. Основным элементом этой схемы является элемент ИЛИ (OR), на выходе которого образуется сигнал CS. Это управляющий сигнал для подавления цветности объектов, имеющих слишком большую яркость. Этот управляющий сигнал поступает на вход микросхемы CS OUT. Следующее звено в видеотракте – микросхема CXA1391, которая является видеопроцессором. Ее упрощенная функциональная схема приведена на рисунке 4.17. Функциональная схема микросхемы CXA 1391.
Рисунок 4.17. Входными сигналами для нее являются S1, S2, прошедший через фильтр нижних частот (ФНЧ, или LPF) и линию задержки (ЛЗ, или DL) широкополосный сигнал YH, а также управляющий сигнал CS. Таким образом, можно рассмотреть три тракта: 1) тракт обработки сигналов S1 и S2; 2) тракт обработки широкополосного сигнала яркости YH; 3) тракт обработки управляющего сигнала CS. Отдельным внутренним трактом является тракт образования сигнала вертикальной апертурной коррекции (VAP). Рассмотрим эти тракты по отдельности. 1. Тракт обработки сигналов S1 и S2 . Входная часть микросхемы CXA1391 является схемой предварительного выделения цветов, состоящей из сумматора и вычитателя. В результате этих действий с сигналами S1 и S2 получаются сигналы C0 и Y0: C0 = (S2 – S1) ´ 0,8 : (G + Ye) – (Mg + Cy) / (Mg + Ye) – (G + Cy) / …Y0 = (S2 + S1) / 2 : (G + Ye) + (Mg + Cy) / (Mg + Ye) + (G + Cy) / …, иначе сигналы C0 и Y0 можно расписать как: C0 = - (2B – G) / 2R – G / ... Y0 = 2R + 3G + 2B / 2R + 3G + 2B / …, следовательно, сигнал Y0 повторяется от строки к строке. Сигналы C0 и Y0 являются узкополосными, так как образованы они из узкополосных сигналов S1 и S2. Сигнал C0 содержит информацию о цвете, а сигнал Y0 – о яркости. Эти сигналы поступают на выходы микросхемы CXA1391 Y0 OUT и C0 OUT и затем подаются на микросхему CXL1517, на которой собраны линии задержки. Здесь сигналы задерживаются на длительность одной строки (1H-DL) и поступают снова в видеопроцессор. Упрощенная функциональная схема микросхемы CXL 1517 приведена на рисунке 4.18. Функциональная схема микросхемы CXL 1517.
Рисунок 4.18. Теперь они называются Y1 и C1. После усиления сигнал цветности C1 поступает на мультиплексор (MPX), куда также поступает сигнал C0. Поскольку (G + Ye) - (Mg + Cy) = - Cb и (Mg + Ye) – (G + Cy) = Cr, то можно записать сигналы C0 и C1 как C0: - Cb / Cr / -Cb / Cr / … C1: Cr / -Cb / Cr / -Cb / … На выходе MPX в результате коммутации чередующихся сигналов Cr и –Cb получаем сигналы Cr и –Cb, несущие информацию о красном и синем цветах соответственно: Cr / Cr / Cr / Cr / … -Cb / -Cb / -Cb / -Cb / … Далее сигналы Cr и –Cb поступают на матрицу первичных цветов. Также туда поступает узкополосный сигнал яркости Y, необходимый для матрицирования. Его образование будет рассмотрено далее. Y = 2R + 3G + 2B = (Cy + G) + (Ye + Mg) Cr = 2R – G = (Mg + Ye) – (G + Cy) -Cb = - (2B – G) = (Ye + G) – (Cy + Mg) На выходе матрицы первичных цветов образуются узкополосные сигналы основных цветов R, G и B. Матрицирование производится по следующему алгоритму: R 1 4 -1 Y G = 1/10 2 -2 -2 Cr B 1 -1 4 Cb Сигналы R, G и B усиливаются в усилителе баланса белого (WB) до необходимых значений и подаются на цветовой g-корректор с коэффициентами коррекции g = 0,45 для всех трех цветов. На выходе g-корректора получаются сигналы R - g, B - g и G - g. Затем все три сигнала поступают на матрицу цветоразностных сигналов MTX, где происходит образование двух цветоразностных сигналов R – Y и B – Y. Эти сигналы получаются по следующему алгоритму: R – Y 0,70 -0,59 -0,11 R = G B – Y -0,3 -0,59 0,59 BЭти сигналы подаются на выходы микросхемы R – Y OUT и B – Y OUT. 2. Тракт обработки широкополосного сигнала яркости YH . Сигнал YH со входа микропроцессора поступает на g-корректор (который является аналогичным g-корректору в тракте обработки сигналов цветности), а затем на DL на одну строку и LPF, находящиеся вне микросхемы CXA1391. Далее сигнал YH вновь попадает в микропроцессор, где, усилившись на усилителе GC, подается одновременно на выход YH OUT 1 и на сумматор, на который также поступает незадержанный сигнал YH. В результате суммирования получается сигнал YH2, который идет на выход микросхемы YH OUT 2. Теперь можно рассмотреть тракт вертикальной апертурной коррекции. Его основной частью является блок KNEE & VAP, на который подаются следующие сигналы: узкополосный сигнал Y0 – полученный в результате сложения сигналов S1 и S2, Y1 – задержанный сигнал Y0, Y2 – задержанный одну строку сигнал Y1 (рис. 4.19). Апертурная коррекция заключается в компрессии больших выбросов амплитуды сигнала. Для компрессии применяется операция экспонирования. Функциональная схема
Рисунок 4.19. Графически функцию KNEE можно отобразить так:
Рисунок 4.20. Чем больше амплитуда входного сигнала, тем сильнее он компрессируется. Выходной сигнал VCS подается одновременно на выход VAP OUT и на сумматор для подавления больших выбросов цветности. 3. Тракт обработки управляющего сигнала CS . Со входа микросхемы CS IN сигнал подается на сумматор, на втором входе которого находится сигнал VCS. Сумматор построен на логическом элементе И:
Рисунок 4.21. Выходной сигнал подается на выход CS OUT. Следующим функциональным блоком является микросхема CXA1592, на которой построен кодер PАL. Упрощенная функциональная схема этой микросхемы показана на рисунке 4.22. Функциональная схема микросхемы CXA1592.
Рисунок 4.22. Эта микросхема задействована частично, поскольку цветоразностные сигналы R-Y и B-Y не подаются на нее. Сигнал YH2 подается на микросхему CXA1592 одновременно на два входа, причем на один из них он поступает с задержкой. Это необходимо для реализации горизонтальной апертурной коррекции (HAP). YH1 поступает на вход микросхемы CXA1592 также с задержкой. Внутри микросхемы происходит суммирование сигналов YH1, YH2, который прошел через функциональный узел HAP, и сигнала VAP. Полученный в результате суммирования сигнал усиливается и проходит через функциональные узлы, где к нему замешиваются все необходимые синхроимпульсы, а затем через сумматор поступает на выход микросхемы CXA1592. Теперь мы рассмотрим функциональный блок электронного ключа. Построим электронный ключ на базе трех мультиплексоров SN74H257. Функциональная схема электронного ключа приведена на рисунке 4.23 [ 10 ]. Каждая из микросхем состоит из четырех двухвходовых селекторов-мультиплексоров с тремя состояниями на выходе. Каждый из четырех мультиплексоров имеет по два входа данных. Для их выбора служит вход выбора данных SED. На этот вход мы подаем импульсы с частотой 50 Гц с синхрогенератора. В момент: когда на вход SED подано напряжение низкого уровня, выбираются входы DN.0 одновременно всех четырех мультиплексоров, а когда на входе SED оказывается напряжение высокого уровня, тогда выбираются входы DN.1 всех четырех мультиплексоров одновременно. Информация на выход микросхемы передается без инверсии. На вход разрешения EZ подается напряжение высокого уровня, тем самым мы разрешаем проход данных на выходы D0 – D3. Функциональная схема электронного ключа на базе микросхемы SN74H257.
Рисунок 4.23. Применяемый в разработке сумматор выходных сигналов построен на двух корпусах микросхем CD4052. Эти микросхемы являются демультиплексорами, содержащими по 8 каналов коммутации цифровых и аналоговых сигналов, которые организованы как четырехканальный дифференциальный коммутатор (рис. 4.24) [ 13 ]. Этот демультиплексор управляется двухразрядным кодом (SEC и SED). На вход разрешения SED подается напряжение высокого уровня, а на вход разрешения SEC подается сигнал частотой 50 Гц с синхрогенератора. Когда на входе SEC находится напряжение с низким потенциалом, выбираются входы 3C и 3D, а когда с высоким - обеспечивается коммутация входов 4C и 4D. Функциональна схема демультиплексора CD4052.
Рисунок 4.24. Этот демультиплексор управляется двухразрядным кодом (SEC и SED). На вход разрешения SED подается напряжение высокого уровня, а на вход разрешения SEC подается сигнал частотой 50 Гц с синхрогенератора. Когда на входе SEC находится напряжение с низким потенциалом, выбираются входы 3C и 3D, а когда с высоким - обеспечивается коммутация входов 4C и 4D. 5. Разработка и расчет принципиальной схемы. В описании схемы электрической принципиальной будет рассмотрен только один видеотракт, поскольку второй является полностью идентичным. Также будут рассмотрены цепи синхронизации, которые являются общими для обоих видеотрактов, оконечные усилители и блок питания телекамеры. Видеосигнал с выхода ПЗС матрицы ICX059AK (микросхема D1) (ножка 8) поступает на затвор полевого транзистора 3SK133, включенного по схеме с общим стоком. Его нагрузкой является резистор R8. Напряжение видеосигнала, снимаемое с этого резистора, подается через разделительные конденсаторы C22 и C23 на входы микросхемы CXA1390AR (D9) (ножки 37 и 38), в которой производится первичное цветоделение и усиление видеосигнала. Первичное цветоделение осуществляется по импульсам выборки XSP1 и XSP2, подаваемым с тимминг-генератора (микросхема CXD1265R (D10)) на ножки 40 и 42 соответственно. При работе телекамеры в черно-белом режиме эти импульсы отсутствуют. Восстановление уровней сигналов осуществляется по импульсам выборки-хранения XSHP и XSHD, поступающих с тимминг-генератора на ножки 34 и 35 соответственно.
Импульсы XSH1 и XSH2, подаваемые на ножки 1 и 48 соответственно, служат в качестве напряжения выборки-хранения при черно-белом сигнале. Импульсы CLP1-CLP4 подаются на все микросхемы видеотракта (кроме CXL1517N (D13)) для восстановления уровня черного в видеосигнале. В микросхеме CXA1390AR задействована система подавления цветности, которая срабатывает при попадании в кадр объектов, имеющих чрезмерную яркость. Полученный в итоге сигнал коррекции CS поступает на выход микросхемы (ножка 10). Уровень этого сигнала поддерживается с помощью конденсатора С38 и может регулироваться подборочным резистором R18. Также в этой микросхеме предусмотрена система автоматической регулировки уровня (АРУ (AGC)) сигнала. Максимальная величина амплитуды видеосигнала, до которой будет срабатывать схема AGС, устанавливается подборочным резистором R16. Чувствительность AGC по сигналу коррекции CS устанавливается подборочным резистором R24. Широкополосный сигнал яркости YH, получаемый в микросхеме CXA1390AR, поступает на выход этой микросхемы (ножка 3). Полученные в результате предварительного разделения цветности сигналы S1 и S2 поступают через выходы микросхемы CXA1390AR (ножки 4 и 5 соответственно) на входы видеопроцессора (микросхема CXA1391R (D14)), туда же поступает через разделительный конденсатор С93 сигнал коррекции SH и сигнал YH, который предварительно задерживается на длительность t, подбираемую при настройке, и проходит через фильтр нижних частот (ФНЧ (LPF), расчет которого будет приведен далее). Входными ножками для этих сигналов являются соответственно 49, 48, 16 и 64 ножки. Из сигналов S1 и S2 методами, описанными в разработке функциональной схемы, получают два цветоразностных сигнала R-Y и B-Y. Необходимыми элементами для тих преобразований являются три линии задержки на одну строку, которые построены на отдельной микросхеме CXL1517N. Задерживаются: сигнал цветности C0, узкополосный сигнал яркости Y0 и он же задерживается еще на одну строку (Y1). Задержанные сигналы с выходов микросхемы CXL1517N (ножки 9, 11 и 14) проходят через эмиттерные повторители (ЭП), собранные на транзисторах BC205B, которые усиливают их по току и одновременно являются согласующими элементами (расчет ЭП будет приведен далее). Необходимым управляющим сигналом является импульсный сигнал ID, двойной строчной частоты, который поступает на ножку 41 с тимминг-генератора. Широкополосный сигнал яркости YH2 задействован в схеме горизонтальной апертурной коррекции HAP, которая находится в микросхеме CXA1592R (D24). Для образования сигнала YH2 необходимым элементом является линия задержки на одну строку, которая вынесена за пределы видеопроцессора. Линией задержки может быть, например, микросхема CXL5504 или любая линия задержки, аналогичная ей. Сигнал YH подается с ножки 4 на линию задержки, а затем пропускается через ФНЧ и возвращается в видеопроцессор на ножку 2. В результате полученные сигналы YH1 и YH2, который был образован в результате суммирования YH и YH1, подаются на выходы ножки 5 и 6 соответственно. Сигнал подавления цветности CS, который был просуммирован с сигналом VAP, полученным на выходе схемы вертикальной апертурной коррекции в видеопроцессоре, поступает на выход (ножка 24). Видеопроцессор содержит управляемые линии задержки. Потенциометром R35 можно регулировать время задержки сигналов С0 (цветности) и Y0 (узкополосного сигнала яркости). Потенциометром R36 регулируется время задержки сигналов основных цветов R, G и B и сигнала подавления цветности. Ниже приведена таблица с указанием подборочных резисторов и функций, выполняемых ими.
Таблица 5.1. Выходные сигналы R-Y и B-Y с ножек 19 и 20 видеопроцессора через разделительные конденсаторы C102 и С103 поступают на выходной сумматор, который коммутирует сигналы цветности и яркости с двух видеотрактов в один стереоканал. Сумматор построен на микросхемах CD4052 (D25 и D26). Цветоразностные сигналы R-Y и B-Y подаются на входные ножки микросхемы D26, 14 и 11 соответственно. Коммутация сигналов в сумматоре осуществляется с помощью импульсов управления частотой 50 Гц, которые поступают на управляющий вход SEC (ножки 10) с синхрогенератора, при этом второй управляющий вход оставлен открытым. С выхода сумматора (ножки 3 и 13) сигналы R-Y и B-Y подаются на ножки 3 оконечных усилителей, собранных на микросхемах AD8041 (D16-D17). Усилители охвачены 100-процентной отрицательной обратной связью (ООС). С выходов усилителей через разделительные конденсаторы С67, С68 и согласующие сопротивления R44 и R45 сигналы R-Y и B-Y подаются на контакты 2 и 3 выходного разъема X2. Резисторы R43, R44, R45 являются согласующими с выходными цепями, которые по заданию на дипломный проект имеют сопротивление R = 75 Ом. Соответственно, и эти резисторы имеют сопротивление 75 Ом. Сигнал YH2 с выхода микросхемы D14 подается через резистор R114 на входы микросхемы D24, которая является кодером PAL (ножки 33 и 35). Причем на 35-ю ножку сигнал YH2 подается с задержкой на 100 нс, необходимой для схемы горизонтальной апертурной коррекции HAP (располагающийся внутри микросхемы D24). Сигнал YH1 подается на вход микросхемы D24 (ножка 40) так же с задержкой на 100 нс, чтобы не произошло рассогласования во времени с сигналом YH2. Сигналы YH1 и YH2, прошедший через схему HAP, суммируются в кодере, где к ним также замешивается сигнал VAP, и в полученный в итоге сигнал замешиваются все необходимые синхроимпульсы. Суммирования с сигналами цветности не происходит из-за их отсутствия в кодере, поэтому на выходе микросхемы D24 (ножка 22) получается компонентный яркостный сигнал Y. Этот сигнал, как и цветоразностный, поступает на сумматор (микросхема D25, ножка 14), где суммируется с сигналом яркости второго видеотракта и затем подается на оконечный усилитель (D15), где усиливается до амплитуды 1 В. С выхода оконечного усилителя (ножка 6) через разделительный конденсатор С66 и согласующий резистор R43 сигнал яркости подается на контакт 1 выходного разъема X2. Сигнал подавления цветности CS заводится на вход микросхемы D24, ножка 15, но не используется, поскольку цветоразностные сигналы на микросхему D24 не заводятся. Рассмотрим теперь цепи сигналов синхронизации, о которых не упоминалось ранее. Сначала будут рассмотрены сигналы тимминг-генератора (микросхема D10), а затем синхрогенератора (микросхема D18). Задающий генератор собран на кварцевом резонаторе ZQ1 и входных цепях тимминг-генератора. Частота задающего генератора выбирается из расчета удвоенной стандартной и равна 56,75 МГц. Сигнал этой частоты подается на 64-ю ножку тимминг-генератора. С ножки 22 импульсы сброса RG подаются через горизонтальные драйверы на ПЗС матрицы. Туда же подаются импульсы H1, H2, LH1, необходимые для работы ПЗС матрицы, с ножек 26, 27 и 23 соответственно. С ножек 31, 30, 32, 33, 34 и 35 на ПЗС матрицы через электронный коммутатор и вертикальные драйверы подаются импульсы XV1, XV2, XSG1, XV3, XSG2, XV4 соответственно. Некоторые управляющие импульсы, как, например, BFG, XCK, CK и другие, могут быть заведены на соответствующие схемы, где они используются, но сами эти схемы не задействованы в работе телекамеры. Это обусловлено возможностью модернизации телекамеры в дальнейшем. Синхрогенератор собран на микросхеме CXD1159Q. На его входы (ножки 22 и 23) поступает частота задающего генератора (с ножки 63 микросхемы D10), из которой формируются синхроимпульсы частотой 50 Гц (SYNC), снимающиеся с ножки 17. На вход CLK1 (ножка 6) поступает частота 28,375 МГц с тимминг-генератора (ножка 57), из которой формируются задающие импульсы HD и VD, а также и некоторые импульсы для схем формирования окна и кодера PAL. 5.1. Расчет делителей напряжения. В телекамере широко применяются делители напряжения. При расчете делителей напряжения мы предполагаем, что все они будут идентичны и рассчитаны на выходное напряжение Uвых = 3 В при входном Uвх = 5 В. Расчет производится по формуле делителя напряжения: Uвых = Uвх (R2 / (R1 + R2)) В итоге получаем соотношение резисторов в делителе: R1 = 4 кОм R2 = 6 кОм 5.2. Расчет эмиттерного повторителя (ЭП). В качестве согласующих элементов после линии задержек в микросхемах D13, D19 используются эмиттерные повторители. Принципиальная схема эмиттерного повторителя приведена на рис. 5.25. Принципиальная схема эмиттерного повторителя.
Рисунок 5.25. Выбираем транзистор типа p-n-p: BC205VI. Eпит = 5 В – напряжение источника питания; Uкэ = 3 В – напряжение коллектор-база; Iэ = 3 мА – ток эмиттера. Произведем расчет сопротивления в цепи эмиттера по формуле: Rэ = (Епит – Uкэ ) / Iэ Ом; Rэ = (5 – 3) / 3 ´ 10-3 = 666,6 Ом » 667 Ом. В рабочей точке ток базы Iб рассчитывается через коэффициент передачи по току h21. h21 = 100. h21 = Iк / Iб » Iэ / Iб . В итоге получаем: Iб = Iэ / h21 = 3 ´ 10-3 / 100 = 30 ´ 10-5 А = 30 мкА. Выходное сопротивление ЭП рассчитывается по формуле: Rвых = m Iб / Iэ ; Rвых = 2 ´ 30 ´ 10-6 / 3-3 = 0,02 Ом. Входное сопротивление эмиттерного повторителя рассчитывается по формуле: Rвх = rб + (1 + h21 ) ´ Rэ ; где rб – сопротивление базы транзистора. Rвх = 10 + 101 ´ 667 = 67377 Ом » 67,38 кОм. 5.3. Расчет фильтра нижних частот (ФНЧ). В схеме применены фильтры нижних частот с полосой пропускания f = 13 МГц. Это удвоенная полоса обычного телевизионного сигнала. Рассчитываем ФНЧ с максимально плоской характеристикой, нагруженный только на выходе. Граничная частота полосы пропускания рассчитывается по формуле: wс = 2 p f, где f – полоса пропускания в герцах (Гц). В нашем случае фильтр рассчитывается на двойную полосу пропускания, поскольку частота полей составляет 100 Гц. wс = 2 ´ 3,14 ´ 13 ´ 106 = 81,64 ´ 106 рад/с. На частоте равной 1,5 wс коэффициент передачи должен быть на 20 дБ меньше чем в полосе пропускания. Поскольку нам неизвестно выходное сопротивление предыдущего каскада и нагрузка фильтра, примем: Ri » 1 Ом – выходное сопротивление предыдущего каскада (выход микросхемы CXL1517). Rн » 1000 Ом – сопротивление нагрузки ФНЧ.
1 / (1 + -w2n ) w = 1,5 w с = 10-2 ; n = 5,648. Выберем ближайшее большее целое число: n = 6. На входе фильтра включен источник напряжения, рассчитаем его внутреннее сопротивление по формуле: R = Ri / Rн = 1/1000 » 0. Поскольку на входе фильтра включен источник напряжения с r = 0 и n – четное, то используются табличные величины элементов для r = 0 и n = 6: c1 = 0,2588 l2 = 0,7579 c3 = 1,202 l4 = 1,553 c5 = 1,759 l6 = 1,553 Данные табличные значения пронормированы к Rн = 1 Ом. Для того чтобы получить сопротивление нагрузки равное 1000 Ом, необходимо все величины l умножить, а все величины c разделить на 1000. Чтобы граничную частоту привести к значению 81,64 ´ 106 рад/с, все величины l и c следует разделить на это число. Окончательно значения величин будут следующими: C1 = 3,17 пФ L2 = 9,28 мкГн C3 = 14 пФ L4 = 19 мкГн C5 = 21,55 пФ L6 = 19 мкГн Схема рассчитанного фильтра приведена на рис. 5.26. Схема ФНЧ.
Рисунок 5.26. 5.4. Расчет блока питания. Расчет блока питания производится исходя из мощности, потребляемой схемой. На вход блока питания извне подается напряжение питания +12 В через разъем X2. В схеме разрабатываемой телекамеры используются три разных напряжения: +5 В, +15 В и –9 В. Эти напряжения вырабатывает блок питания. Соответственно, расчет потребляемой мощности производится по трем цепям питания. 1) +5 В По справочным данным на микросхемы, мы имеем данные об их потребляемой мощности: CXA1390 – 600 мВт Þ 0,6 ´ 2 = 1,2 Вт CXA1391 – 690 мВт Þ 0,69 ´ 2 = 1,38 Вт CXA1592 – 500 мВт Þ 0,5 ´ 2 = 1 Вт CXD1265 – 500 мВт Þ 0,5 Вт CXD1159 – 250 мВт Þ 0,25 Вт CXL1517 – 350 мВт Þ 0,35 ´ 2 = 0,7 Вт На остальные элементы из справочных данных имеется информация о токах потребления Iпотр , следовательно, по закону Ома можно рассчитать потребляемую ими мощность. Рпотр = Iпотр ´ Uпит SN74AC04 – 40 мкА Þ 40 ´ 10-6 ´ 5 ´ 2 = 0,0004 Вт BC205B – 3 мА Þ 3 ´ 10-3 ´ 5 ´ 6 = 0,09 Вт SN74H257 – 80 мкА Þ 80 ´ 10-6 ´ 5 ´ 3 = 0,0012 Вт AD8041 – 50 мА Þ 50 ´ 10-3 ´ 5 ´ 3 = 0,75 Вт Светодиод BLINK-LEDS – 20 мА Þ 20 ´ 10-3 ´ 5 = 0,1 Вт Суммарная мощность по цепи питания +5 В составляет 6 Вт, тогда Iпотр å = 1,2 А, что не превышает предельных значений тока для выходного стабилизатора блока питания по цепи +5 В, собранного на микросхеме D22 (1,5 А). 2) Цепь –9 В и +15 В (рассматриваются вместе, поскольку микросхемы CXD1267 и ICX059 питаются обоими напряжениями): CXD1267 – 60 мВт Þ 0,06 ´ 2 = 0,12 Вт ICX059 – 300 мВт Þ 0,3 ´ 2 = 0,6 Вт Pпотр = (0,12 + 0,6) / 2 = 0,36 Вт Следовательно, Iпотр = 0,04 А. 3) Цепь +15 В CD4052 – 50 мкА Þ 50 ´ 10-6 ´ 15 ´ 2 = 0,0015 Вт 3SK133 – 2 мА Þ 2 ´ 10-3 ´ 15 ´ 2 = 0,06 Вт Pпотр = 0,0615 Вт Следовательно, Iпотр = 4,1 ´ 10-3 А. В итоге, можно сделать вывод, что суммарные токи потребления и, соответственно, мощности не превышают допустимых для стандартного блока питания, используемого в цветной видеокамере SONY, значит, можно его применить в качестве блока питания в нашей разработке. 6. Разработка конструкции. Все функциональные блоки телекамеры располагаются на двусторонней печатной плате размером 155´90 мм. Миниатюризация достигается за счет применения современной элементной базы фирмы SONY. Элементы схемы устанавливаются на обеих сторонах платы. Разводка цепей питания и общего производится проводниками по возможности более широкими, чем сигнальные цепи. Плата крепится пятью шурупами к основной части корпуса, которая имеет соединительные струбцины, так, чтобы выходной разъем, разъем питания, светодиод и выключатель попали в соответствующие вырезы корпуса. Плата закрывается верхней крышкой, которая скрепляется с нижней шестью винтами диаметром М3. Корпус выполнен из металла, окрашен в черный или белый цвет. Толщина стенок корпуса – 1 мм. В конструкции предусмотрены выключатель и светодиод, который загорается при включении питания. Выходной разъем X1 представляет собой стандартный разъем для подключения к компьютеру. При необходимости может поставляться переходник. Телекамера жестко крепится на бинокулярном микроскопе при помощи металлического соединителя и фиксирующей муфты. Конструкция телекамеры позволяет защитить электрическую схему от внешних воздействий, но различные динамические воздействия, а также повышенная температура и влажность могут вывести ее из строя, поэтому в руководстве по эксплуатации вводится пункт о бережном обращении с телекамерой. Телекамеры с механическими повреждениями корпуса и печатной платы в гарантийный ремонт не принимаются. 7. Расчет надежности. Надежность – это свойство прибора безотказно функционировать в течение заданного времени в определенных эксплуатационных условиях. Ориентировочный расчет надежности заключается в нахождении интенсивности отказов устройства l (рис. 7.27), времени безотказной работы Т, а также вероятности безотказной работы в течение времени t [19]. Зависимость интенсивности отказов устройства l от времени.
Рисунок 7.27. Первоначально для расчета надежности необходимо принять модель отказов электрорадиоэлементов. В радиоэлектронной аппаратуре моменты отказов формируют поток сл3ча6ых событий (поток отказов). Отказы, возникающие н6а этапе нормальной работы устройства, являются внезапными, не связанными со старением и износом. Поток внезапных отказов хорошо описывается моделью простейших отказов, для которой характерны свойства ординарности, стационарности и отсутствие последействия. Свойство ординарности заключается в невозможности появления двух и более отказов в единичном интервале времени про сравнению с вероятностью появления одного отказа и выполняется для первичных отказов. Стационарность потока характеризуется постоянством среднего числа отказов в единичном интервале вре6мени, а отсутствие последействия – независимостью появления отказов в единичном интервале времени от появления отказов во всех предшествующих интервалах t. Вероятность безотказной работы элемента рассчитывается по формуле: t Р (l) = exp {- ò l (t) в t}, 0 где l (t) – функция интенсивности отказов. Так как в период нормальной работы интенсивность отказов можно считать постоянной во времени, то выражение можно представить в виде: l (t) = const, P (l) = exp {- l t}. Дальнейший расчет производится при следующих допущениях: 1) все однотипные элементы равноценны; 2) поток отказов простейший; 3) все элементы работают в нормальном режиме; 4) отказ любого элемента ведет к отказу всей системы, то есть проектируемое устройство считаем последовательным с точки зрения надежности. Последовательное соединение элементов по надежности.
Рисунок 7.28. Учитывая независимость отказов элементов, вероятность безотказной работы устройства равна: N N Р (t) = П Pi (t) = П e-t l i = e-t S l i = e-t l , i=1 i=1 где Р (t) – вероятность безотказной работы i-го элемента; li – интенсивность отказа i-го элемента; N – количество элементов данного типа. Таким образом, расчет надежности устройства сводится к вычислению суммарной средней интенсивности отказов. Для системы, имеющей К типов элементов, получим: N lS = S Ni li , i=1 где lS - интенсивность отказов сей системы; Ni – число элементов одного типа. Данные расчетов интенсивности отказов элементов приведены в таблице 7.2. Расчет интенсивности отказов элементов.
Таблица 7.2. Общая интенсивность отказов устройства: lS = 1,072 ´ 10-4 час-1 . Время безотказной работы: Т = 1 / lS = 9323 часов. Зависимость вероятности безотказной работы Р (t) дана в таблице 7.3. Зависимость вероятности безотказной работы от времени.
Таблица 7.3. Как видно из таблицы, разрабатываемое устройство обладает удовлетворительной надежностью. Определяют общую интенсивность отказов коммутационные элементы, надежность же электронной части высока благодаря применению интегральных микросхем, безотказность которых приближена к безотказности одного элемента, а их реализуемые функции позволяют минимизировать число элементов в целом. 8. Технико-экономическое обоснование научно-технического проекта «Цветная стереотелевизионная камера» [17 ] . 8.1. Концепция.
Человечество всю историю своего развития стремилось к отображению и максимальной визуализации окружающего мира. С началом развития фотографии люди стремились к созданию как можно более естественных и «живых» изображений за счет освещения экспозиции и т.п. С появлением кино задача не изменилась, хотя шаг к более полному и точному отображению объектов был сделан. В 1950 году впервые было получено стереоизображение и разработаны первые методы получения и разделения стереопары. Эра стереовидения началась. И хоть основным по-прежнему остается обычное кино за счет дешевизны и простоты производства, но стереоизображения всегда неизменно привлекали людей. Разрабатываемая камера предназначена для использования в стереомикроскопии, хотя область применения подобных устройств гораздо шире. В связи с тем, что данная камера является частью системы, прямых аналогов которой найдено не было, уровень конкурентоспособности не рассчитывается. 8.2. Краткое техническое описание системы. Система состоит из стереомикроскопа, цветной стереотелевизионной камеры и соединителя, при помощи которого камера крепится к окулярам микроскопа. По функциональной схеме разрабатываемая камера мало отличается от аналогичных систем, но, в отличие от них, применяется современная элементная база фирмы SONY и оригинальный метод формирования стереоизображения. В качестве датчиков изображения используются две ПЗС матрицы, разнесенные на оптический базис (65 мм), считывание сигналов производится поочередно с частотой 100 Гц таким образом, что в выходном сигнале имеется последовательность сигналов четных и нечетных полей двух кадров стереопары (см. подробнее раздел «Разработка технических требований», пункт «Метод формирования цветного стереоизображения»). Таким образом, при подсоединении камеры при помощи соединителя к микроскопу, имеющему оптическую систему с формированием стереоизображения непосредственно для глаз, мы можем формировать видеоизображение наблюдаемого в микроскоп объекта, причем при воспроизведении данного изображения и применении нескольких комплектов стереоочков для наблюдения в качестве наблюдателей могут выступать одновременно несколько человек. Кроме этого, сформированное изображение можно транслировать или записывать, как любой другой видеосигнал, что является неоспоримыми достоинствами системы. 8.3. Рынок и план маркетинга. В настоящее время видеосистемы очень многообразны и разноплановы. Разрабатываемая система так же может быть применена в различных областях науки и сферах производства. Рынок потенциальных потребителей можно сегментировать следующим образом: 1) научно-исследовательские лаборатории и научно-исследовательские институты различных профилей; 2) медицинские учреждения (лаборатории); 3) производство, где необходимо наблюдение за обработкой или процессом в стереорежиме в местах, не доступных человеку; 4) сфера бытовой видеосъемки. В настоящее время подобная видеосистема может быть конкурентоспособной во всех вышеперечисленных областях. При выборе ценовой политики необходимо учитывать, что данная система ранее не находила широкого применения, особенно в производственных областях. Поэтому цена системы будет основываться на реальной стоимости ее производства. В данном проекте будет рассматриваться ценообразование только стереотелевизионной камеры. Для продвижения товара на рынке используется реклама в газетах, специальных изданиях и глобальной информационной сети Internet, для заинтересовавшихся лиц проводятся демонстрации. Осуществляется послепродажное обслуживание продукта, проводятся консультации по оптимизации использования продукта. Предоставляется гарантия на 1 год. 8.4. Производство. Цель данного подраздела – описание процесса производства новой продукции и оценка производственных ресурсов, требующихся для организации и производства продукции. Место расположения предполагаемого производства определяется исходя из: 1) возможности аренды на месте производственных помещений и необходимого технологического оборудования; 2) близости к потенциальным потребителям; 3) доступность для клиентов (незакрытые производства). В качестве места расположения производства могут выступать различные научно-исследовательские институты (НИИ), медицинские учреждения и производства, выпускающие различную радиоэлектронную аппаратуру (РЭА). Для организации технологического процесса сборки телекамер необходимо организовать или взять в аренду уже сформированный монтажный участок по сборке РЭА. Все комплектующие являются покупными или заказываются на других участках, что позволяет избежать механических операций, а также минимизировать стоимость основных средств. Для расчета числа рабочих мест и стоимости необходимого оборудования надо знать технологический цикл сборки, который представлен в таблице 8.4.. Технологический цикл сборки.
Таблица 8.4. 8.5. Организационный план работ по реализации проекта. В процессе разработки организационного плана работ определяется перечень мероприятий, прогнозируемый период их реализации и необходимые ресурсы. В качестве периода исполнения принят период равный одной неделе. Результаты разработки организационного плана работ сведены в таблицу 8.5, где также отражена трудоемкость проводимых работ. Организационный план работ.
Таблица 8.5. 8.6. Расчет себестоимости разработки. Определение затрат на разработку производится путем составления сметной калькуляции по следующим статьям расходов: 1) материалы и покупные полуфабрикаты; 2) основная заработная плата; 3) дополнительная заработная плата; 4) отчисления на социальные нужды; 5) расходы на служебные командировки; 6) прочие прямые затраты и накладные расходы. Рассмотрим все приведенные выше статьи расходов подробнее. 1. Материалы и покупные полуфабрикаты. При сборке устройства осуществляется монтаж печатной платы и пайка радиоэлементов, а также комплектация технической документацией, поэтому к используемым материалам относятся припой, флюс и бумага для принтера. Стоимость материалов на единицу изделия приведена в таблице 8.6. Расчет себестоимости материалов.
Таблица 8.6. Итого на изделие, включая транспортные расходы (10% от общей стоимости): Рм = 11 р. Расчет затрат на приобретение комплектующих представлен в таблице 8.7. Расчет затрат на приобретение комплектующих.
Таблица 8.7. Крепеж и прочие неучтенные изделия – в статье неучтенных расходов (5%). Итого: Рк = 2072 р. 3. Основная заработная плата. Расчет основной заработной платы рабочих сведен в таблицу 8.8. Основная заработная плата на единицу продукции.
Таблица 8.8. Итого Рзор =31,42 р. Основная заработная плата в период разработки и создания опытного образца рассчитывается по формуле: Рзор = Тсп Дсп + Тинж Динж , где Тсп и Тинж - соответственно, трудоемкость выполнения работ по реализации данной разработки главным специалистом и инженером, чел./нед. Рзор = 1890 + 5684 = 7574 р. 4. Дополнительная заработная плата. Размер дополнительной заработной платы участников разработки и производства определяется в виде процента от основной заработной платы по формуле: Рзд = Рзор (Нд /100), где Нд – норматив дополнительной заработной платы, устанавливаемый на конкретном предприятии, %. В нашем случае Нд = 20%, тогда Рзд = 31,42 ´ 0,2 » 6,3 р.– на единицу продукции. Рзд = 7574 ´ 0,2 » 1515 р.– на время разработки. 5. Отчисления на социальные нужды. Отчисления на социальные нужды определяются также в виде процентов от основной заработной платы по формуле: Рсн = (Рзор + Рзд ) ´ (Нсн / 100), где Нсн – суммарный норматив отчислений, устанавливаемых законодательством, %. Нсн = 39%. Рсн = 14,71 р. – на единицу продукции. Рсн = 3544,71 р. – на время разработки. 6. Расходы на служебные командировки. Расходов на служебные командировки нет. 7. Прочие прямые затраты и накладные расходы. В эту статью включаются расходы на приобретение специальной научно-технической информации на управление и хозяйственное обслуживание на всех этапах разработки. Величина этих расходов определяется в процентах к основной и дополнительной заработной плате по формуле: Рнр = (Рзор + Рзд ) ´ (Ннр / 100), где Ннр – процент накладных расходов, устанавливаемый предприятием, %. В нашем случае Ннр = 15%. Рнр = 5,658 р. – на единицу продукции. Рнр = 1363,35 р. – на время разработки. Помещения, в которых будет располагаться создаваемое предприятие, берутся в аренду вместе с необходимым технологическим оборудованием, следовательно, в калькуляцию накладных расходов можно внести затраты на арендную плату за предоставляемые производственные помещения, а также оборудование. На каждую операцию примем норму производственных помещений 4 м2 , а норму арендной платы за м2 площади в месяц – 60 р. Тогда арендная плата за помещения рассчитывается по формуле: Сарп = Тарп Sарп Рарп , где Тарп – время аренды (8,5 недель), Sарп – арендуемая площадь, Рарп – месячный тариф за м2 . Сарп = 2,38 ´ 24 ´ 60 = 3427 р. – на время разработки. Сарп = 0,02 ´ 24 ´ 60 = 28,8 р. – на единицу продукции. Арендная плата за предоставляемое технологическое оборудование и машинные часы (при работе с электронно-вычислительной машиной на этапах теоретических расчетов и моделирования) рассчитывается по формуле: Саро = Таро Раро , где Таро – время эксплуатации оборудования, Раро – тарифная ставка арендной платы (40 р. за один рабочий день). Саро = 66,64 ´ 40 = 2665,6 р. – на время разработки. Саро = 0,54 ´ 40 = 21,5 р. – на единицу продукции. В итоге, накладные расходы на аренду помещений и оборудования составят: на время разработки – 6092,6 р., на единицу продукции – 50,3 р. В случае договора на аренду с бартерным взаиморасчетом финансовые издержки по этим статьям сократятся примерно на 30%. В сумме статья калькуляции расходов на прямые затраты и накладные расходы составит: на время разработки – 7455,5 р., на единицу продукции – 56 р. На основании полученных данных в таблице 8.9 приведена калькуляция себестоимости разработки и себестоимости производства единицы продукции. Калькуляция себестоимости.
Таблица 8.9. 8.7. Прогноз финансовых показателей. Оценим финансовые затраты для трех вариантов прогноза выполнения разработки – оптимистического, реалистического и пессимистического. Оптимистический вариант прогноза предполагает, что система была быстро и хорошо воспринята на рынке и благодаря этому объем продаж вырос. Пессимистический вариант прогноза предполагает, что на рынке появились конкурентные продукты, так же ориентированные на данный сегмент, которые заняли более выгодное положение, чем наша разработка. В этом случае для укрепления позиций на рынке необходимо выделить дополнительные средства на рекламу, а также, возможно, снизить цену на товар. В результате предпринятых мер будет ожидаться увеличение объема продаж. Реалистический прогноз: система заняла устойчивую конкурентоспособную позицию на рынке и объем продаж вырос. Ожидаемые значения изменения объемов продаж по интервалам инвестиционного периода на основе пессимистического, оптимистического и реалистического прогнозов, произведенных в ходе маркетинговых исследований, приведены в таблице 8.10. Вследствие того, что жизненный цикл нашего рода продукции составляет 2-4 года, выберем интервал инвестиционного периода равный 3 месяцам. Ожидаемые объемы продаж.
Таблица 8.10. Из приведенных прогнозов можно сделать вывод, что производственные мощности предприятия не будут использоваться в полной мере только на производстве телекамер. Предполагается, что оставшееся рабочее время идет на освоение новых сегментов рынка, разработку и производство дополнительных устройств и блоков для модернизации системы в целом. Возможна организация дополнительного производства только телекамер или их узлов для поставки другим предприятиям, занимающимся, например, производством бытовой стереотелевизионной аппаратуры. 8.8. Определение потребности в начальном капитале. На основании прогнозных оценок объемов продаж системы определяется потребность в начальном капитале, необходимом для реализации проекта. Потребность в основном капитале формируется за счет средств, израсходованных на разработку комплекса – 22183,21 р. Затраты на разработку системы, а также на первоначальные запас материалов и рекламу предполагается покрыть за счет собственных средств предприятия. 8.9. Определение производственно-сбытовых издержек. Производственно-сбытовые издержки состоят из переменных и постоянных издержек. Они определяются на основе пессимистического варианта прогноза реализации комплекса. Переменные издержки рассчитываются на единицу продаваемой продукции, постоянные – на прогнозируемые объемы продаж в соответствующих интервалах инвестиционного периода. В состав переменных издержек входят: - издержки на приобретение материалов и комплектующих – 2083 р. - основная и дополнительная заработная плата – 37,72 р. - отчисления на социальные нужды – 14,71 р. - прямые затраты и накладные расходы – 56 р. Постоянные издержки, связанные с производством и сбытом продукции, включают в себя: - арендная плата за занимаемые помещения – 4320 р. за 1 инвестиционный период и 34560 р. за весь период производства. - арендная плата за эксплуатацию технологического оборудования – 3360 р. за 1 инвестиционный период и 26880 р. за весь период производства. - расходы на рекламу, которые составят 2000 р. на 1-ый инвестиционный период, с дальнейшим сокращением вложений на 500 р. на каждый последующий период. В связи с тем, что в ходе маркетинговых исследований было принято решение о бесплатном постпродажном обслуживании с целью привлечения потребителей, то целесообразно издержки на эти услуги включить в постоянные издержки. Можно предположить, что средние затраты времени на проведение этих работ составят на одну систему 5 часов. С учетом приведенной ранее часовой ставки оплаты труда, равной 7,5 р., дополнительной заработной платы и отчислений на социальные нужды, издержки на эту услугу на основе пессимистического прогноза сбыта составят, в расчете на единицу продукции –61 р., а на весь период производства – 4794 р. 8.10. Определение порога безубыточности пр огнозируемого производства. Объем продаж системы, обеспечивающий безубыточное производство, определяется на основании данных, полученных для пессимистического варианта прогноза. При этом производственно-сбытовые издержки составят 12786,5 р. Определяется величина покрытия постоянных издержек по формуле: Sпокр = Р – V C0 , где Р – рыночная цена системы, VC0 - переменные издержки на одну систему. Sпокр = 808,57 р. Минимальный объем продаж, достаточный для того чтобы покрыть валовые издержки и обеспечить безубыточность производства, определяется по формуле: Qтб = F C / Sпокр , где FС – сумма постоянных издержек по пессимистическому варианту прогноза за один период инвестиционных вложений и себестоимости разработки. Qтб = 31863,21 / 808,57 = 40 шт. Таким образом, можно сделать предварительный вывод, что начиная с 5-го интервала реализация системы на прогнозируемом сегменте рынка даже при прогнозируемом пессимистическом варианте прогноза объема продаж обещает быть безубыточным. 8.11. Определение текущих расходов и доходов по проекту. Текущие доходы и расходы определяются также на основании пессимистических прогнозных оценок, исходя из предположения, что если даже в этом случае доходы будут достаточным для обеспечения эффективности проекта, то реалистический вариант и, тем более, оптимистический принесут дополнительные доходы. Расчет доходов и расходов от реализации проекта приведен в таблице 8.11. Доходы и расходы от реализации проекта – пессимистический прогноз.
Таблица 8.11. 8.12. Прогноз движения денежной наличности. Прогноз движения денежной наличности производится на основании данных полученных в предыдущих расчетах. Поступления денежных средств от реализации принимаются на основании пессимистического варианта прогноза. Результаты расчетов по прогнозу движения денежной наличности сведены в таблицу 8.12. Прогноз движения денежной наличности.
Таблица 8.12. 8.13. Оценка экономической эффективности проекта. Рентабельность инвестиций ROI определяется по формуле: ROI = (1 / k Tинв ) ´ ПЧt = 0,24 = 24 % Интегральный экономический эффект определяется по формуле: Тинв NPV = - к + S Пч t + А t / ( 1 + r ) t + к 1 + / (1 + r ) Тинв t = 0 При ставке дисконтирования r = 10 % в год, и при длительности производственного цикла 3 месяца, мы имеем приведенную ставку дисконтирования r = 2,5 %, тогда интегральный экономический эффект будет равен: NPV = 41,37 тыс.р. 8.14. Выводы. Произведенные маркетинговые исследования и расчеты показали, что разработанная система будет иметь определенный спрос в пределах выбранных сегментов рынка. Расчеты показали, что при ориентации на пессимистический вариант прогноза производства, период возврата инвестиций составит около 1,5 лет, при общем периоде инвестиций равным 2 годам, с рентабельностью 24 % При более благоприятной ситуации на рынке и осуществлении реалистических и оптимистических оценок можно ожидать увеличения чистого денежного потока и, соответственно, рентабельности инвестиций. Таким образом, реализация проекта экономически целесообразна. 9. Разработка мероприятий по охране труда, окружающей среды и гражданской обороне (ГО). 9.1. Сведения о проектируемой телекамере. Разрабатываемая цветная стереотелевизионная камера предназначена для совместной работы с бинокулярными микроскопами и служит для создания компонентного цветного стереотелевизионного сигнала. Конструктивно телекамера представляет собой две соединенные разъемом печатные платы, устанавливаемые в типовом корпусе телекамеры. Элементной базой телекамеры являются полупроводниковые приборы малой мощности. Питающее напряжение 12 В подается на телекамеру через коммутационный разъем от внешнего источника питания, не входящего в состав разрабатываемой стереотелевизионной системы. В соответствии с «Правилами устройства электроустановок» (ПУЭ п. 1.1.3.) устройство относится к разряду электроустановок с напряжением до 1000 В и III классу защиты от поражения электрическим током. Ниже приведены мероприятия по охране труда при организации производства разрабатываемой телекамеры. 9.2. Электробезопасность. Одной из особенностей поражения электрическим током является отсутствие внешних признаков грозящей опасности, которые человек мог бы заблаговременно обнаружить с помощью органов чувств. Ток приводит к серьезным повреждениям центральной нервной системы и таких жизненно важных органов, как сердце и легкие. Поэтому второй особенностью воздействия тока на человека является тяжесть поражения. Третья особенность поражения человека электрическим током заключается в том, что токи промышленной частоты силой в 10-25 мА способны вызвать интенсивные судороги мышц. Степень поражения электрическим током во многом зависит от плотности и площади контакта человека с токоведущими частями. Окружающая среда (влажность и температура воздуха, наличие заземленных металлических конструкций и полов, токопроводящей пыли и др.) оказывает дополнительное влияние на условия электробезопасности. В производственных помещениях поддерживается микроклимат соответственно ГОСТ 12.1.005-88 (табл. № 1): полы являются токонепроводящими, воздухе отсутствует токопроводящая пыль, отсутствуют сырость, и возможность одновременного прикосновения к корпусам и заземленным металлическим конструкциям, следовательно в соответствии с ПУЭ п. 1.1.13 помещение относится к помещениям без повышенной опасности. При наладочных работах используются приборы, питающиеся от сети переменного тока 220В 50Гц с заземленной нейтралью. Сопротивление заземления не должно превышать 4 Ом. В приборах должно быть подключено защитное зануление согласно ГОСТ 12.1.030-81 ПУЭ 1.7.9. Все приборы и электроинструменты, используемые при сборке и настройке телекамеры относятся к установкам с напряжением до 1000 В. Для пайки элементов использовать паяльник, рассчитанный на напряжение 12В мощностью 15Вт; Монтаж и настройка может производиться персоналом имеющим вторую группу по технике безопасности в помещении с повышенной опасностью поражения электрическим током. Электробезопасность в производственных помещениях обеспечивается следующими защитными мерами : применение изоляции, недоступность токоведущих частей, применение малых напряжений, изоляция электрических частей от земли. 9.3. Пожарная безопасность. Согласно ОНТП 24-86 по взрывоопасности и пожарной опасности помещение относится к категории “В”. По взрывоопасности помещение относится к классу В – II a и по пожароопасности к классу П - II a. К этому классу относятся помещения, в которых опасные состояния не имеют места при нормальной эксплуатации, а возможны только в результате аварии или неисправностей. Причиной возникновения пожара при использовании электрооборудования является: электрические искры, дуги, короткое замыкание, перегрев приборов. В помещении для предотвращения пожара согласно ГОСТ 12.1.004-91 “Пожарная безопасность. Общие требования.” предусматриваются следующие меры: - применяются плавкие предохранители для защиты от короткого замыкания; - имеющиеся воспламеняющиеся материалы хранятся в специальном несгораемом шкафу; - в качестве индивидуального средства тушения пожаров предусматриваются углекислотные огнетушители ОУ-5; ОУ-8; - с работниками проводится инструктаж по пожарной безопасности; - разработан план эвакуации персонала в случае пожара. На этапе проектировки телекамеры согласно ГОСТ 17.0.88–71 из конструкции исключены легковоспламеняющиеся материалы. Возникновение пожароопасных ситуаций маловероятно также по причине малых потребляемых мощностей в телекамере. 9.4. Санитарно-гигиенические требования. Под метеорологическими условиями производственной среды согласно ГОСТ 12.1.005-88 понимают сочетание температуры, относительной влажности и скорости движения воздуха. Перечисленные факторы оказывают огромное влияние на функциональную деятельность человека, его самочувствие и здоровье, а также надежность работы средств измерения. Особенно большое влияние на микроклимат оказывают источники теплоты, существующие в помещении [ 18 ]. Для оценки метеорологических условий в основных и производственных помещениях производят измерение температуры, влажности, скорости движения воздуха, интенсивности теплового излучения. Результаты измерений сравнивают с нормативами. С целью создания нормальных условий для персонала установлены нормы производственного микроклимата (ГОСТ 12.1.005-88). Эти нормы устанавливают оптимальные и допустимые величины температуры, влажности и скорости движения воздуха для рабочей зоны производственных помещений с учетом избытка явного тепла, тяжести выполняемой работы и сезонов года. ГОСТ 12.1.005-88 устанавливает нормы и требования к показаниям микроклимата и допустимое содержание вредных веществ в воздухе рабочей зоны. Показателями, характеризующими микроклимат, являются: - температура воздуха; - относительная влажность; - скорость движения воздуха; - интенсивность теплового излучения. Оптимально допустимые показатели для воздуха рабочей зоны производственного помещения приведены в таблице 9.13. Оптимально допустимые показатели производственного климата.
Таблица 9.13. При монтажных работах используется оловянно-свинцовый припой ПОС-61 и канифоль, поэтому в целях уменьшения концентрации вредных веществ в воздухе, рабочее место радиомонтажника должно быть оборудовано принудительной вентиляцией ( согласно ГОСТ 12.1.005-88 концентрация свинца в помещениях не должна превышать 0,01 мг/м., а канифоли – 30 мг/м. ); Шум в помещении не должен превышать 75ДбА (ГОСТ 12.1.003-83). Интенсивность теплового облучения работающих от нагретых поверхностей оборудования осветительных приборов не должна превышать 70 ватт/м при величине облучения поверхности от 25% до 50% на постоянных рабочих местах. Общая освещенность рабочего места согласно СНиП II-4-79 должна быть не ниже 200 лк. Поскольку все операции по сборке и настройке телекамер производятся в одном помещении, то все вышеперечисленные показатели являются едиными. 9.5. Охрана окружающей среды. Общие положения. [ 8 ] . В результате развития научно-технического прогресса, постоянно увеличивающейся интенсивности пользования природных ресурсов человеком, а так же все более ощутимого воздействия результатов этой деятельности на окружающую среду, в последнее время остро встал вопрос о разработке мероприятий по охране природы, необходимых при проектировании и вводе в эксплуатацию новых устройств. При разработке новых устройств необходимо использовать последние достижения науки и техники, позволяющие осуществить безотходное производство или применять устройства и механизмы, обеспечивающие минимальное воздействие на окружающую среду. Такой подход базируется на рациональном размещении производительных сил, комплексном использовании природных ресурсов, внедрении новых технологий, нейтрализации вредных для природы и человечества побочных явлений хозяйственной деятельности. Мероприятия по охране окружающей среды. Разрабатываемая цветная стереотелевизионная камера предназначена для работы в комплексе с бинокулярным микроскопом и различными устройствами видеоконтроля и записи видеоизображений. В результате использования данного устройства, не возникает факторов, отрицательно влияющих на окружающую среду. Однако на этапах изготовления и утилизации могут возникать факторы, неблагоприятно влияющие на окружающую среду. На этапе производства это в первую очередь связано с необходимостью технологической операции травления при изготовлении печатных плат. Травление печатных плат заканчивается промывкой их в проточной воде. При этом в сточной воде увеличивается концентрация примесей солей меди и железа. Эта вода представляет особую опасность. Согласно нормативным требованиям предельно допустимые нормы содержания в водоемах меди составляет 0,1 мг / л, железа – 1 мг / л. [ 9 ]. Таким образом, сточная вода на предприятии, которое изготавливает печатные платы, должна подвергаться очистке, с этой целью возможно применение отстойников, конструкции которых выбирают исходя из требований производительности очистки. Очистку сточных вод можно проводить, так же, химическим методом, например переводом растворимых солей меди и железа в нерастворимые, а осажденные нерастворимые карбонаты – отфильтровывать. По истечении срока службы телекамеры подлежат утилизации. Основными направлениями ликвидации и переработки твердых отходов (кроме металлических отходов) является вывоз и захоронение на полигонах, сжигание, складирование и хранение на территории промышленного предприятия до появления новой технологии переработки их в полезные продукты (сырье). Наиболее рациональным методом ликвидации пластмассовых отходов является высокотемпературный нагрев без доступа воздуха (пиролиз), в результате которого из отходов пластмасс в смеси с другими отходами (дерево, резина и др.) получают ценные продукты: пирокарбон, горючий газ и жидкую смолу. Основной операцией первичной обработки металлотходов является сортировка, разделка и механическая обработка. Создаются специальные цеха для утилизации вторичных металлов. Защита окружающей среды – это комплексная проблема: наряду с природоохранными задачами она решает также и социально-экономическую задачу – улучшение условий жизни человека, сохранение его здоровья. Заключение. Итак, в ходе дипломного проектирования получены следующие результаты: обоснована структурная схема цветной стереотелевизионной камеры, рассмотрены возможности ее применения и модернизации, разработаны технические требования, разработана и обоснована функциональная схема телекамеры, произведены расчеты некоторых элементов цепей электрической схемы, произведен ориентировочный расчет надежности, произведено описание конструкции, определены мероприятия по технике безопасности и охране труда, произведено экономическое обоснование разработки цветной стереотелевизионной камеры. Данная разработка является перспективной в области создания стереотелевизионных систем на современной элементной базе. Таким образом, разработанный проект соответствует заданию на дипломное проектирование, а также техническим требованиям. Список литературы: 1. Стереотелевидение (черно-белое и цветное). Под ред. П.В. Шмакова. М: Связь, 1968. 2. Колин К.Т., Аксентов Ю.В., Колпенская Е.Ю. Телевидение. Издание 2-е, дополненное и переработанное. М: Связь, 1972. 3. Домбругов Р.М. Телевидение. Киев: Высшая школа, 1988. 4. Г.Б. Богатов. Цветное телевидение. Л: Наука, 1978. 5. Копылов П.М., Тачков А.Н. Телевидение и голография. М: Связь, 1976. 6. Световой спектр и коррелятор структуры изображения. Быковский Ю., Любченко А., Макрилов А. и др. М: изд-во МИФИ, 1993. 7. Electronic Imaging //1992 – август – вып. 2 – N3. (США). 8. Проблемы развития безотходных производств Б.Н. Ласкорин, Б.В. Громов, А.П. Цыганков, В.Н. Сенин. М.: Стройиздат 1985. 9. Кафаров В.В. Принципы создания безотходных химических производств М.: Химия 1984. 10. Логические ИС КР1533, КР1554. Справочник, ч.2. ТОО «Бином», 1993. 11. Альбац М.Е. Справочник по расчету фильтров и линий задержки. М.: государственное энергетическое издательство «Ленинград», 1963. 12. В.А. Федоренко, А.И. Шошин. Справочник по машиностроительному черчению. Л.: «Машиностроение», 1981. 13. В.Л. Шило. Популярные цифровые микросхемы. М.: «Радио и связь», 1987. 14. Аналоги отечественных и зарубежных транзисторов. Справочник. В.М. Петухов. М.: «Кубк-а», 1997. 15. Телевидение / Под ред. В.Е. Джаконии. М.: «Радио и связь», 1986. 16. Петропавловский В.А. и др. Телевизионные передающие камеры. М.: «Радио и связь», 1988. 17. Васильев А.В., Кноль А.И., Соколова Н.Д. Экономическое обоснование научно-технических проектов. Учебное пособие. СПб: ГЭТУ, 1995. 18. Харкевич А.А. Правила устройства электроустановок. М.: 1988. 19. Надежность технических систем. /Под ред. И.А. Ушакова. М.: «Радио и связь», 1985. 20. Методические указания по выполнению основных учебных документов. Учебное пособие в двух частях. /Под ред. В.И. Тимохина. Л.: ЛЭТИ, 1981. Содержание: Стр. Введение ……………………………………………………..…1 1. Особенности построения стереотелевизионных систем ………………………………………………….…….…2 1.1. Зрительный орган как система связи ………..………...2 1.2. Стереоэффект и некоторые свойства бинокулярного Зрения ……………………………………………………………..6 1.3. Способы передачи стереопары …………….…..………8 1.4. Методы деления изображений …………….……..…….9 1.5. Системы объемного телевидения ………………...…..11 1.6. Требования, предъявляемые к системам стереоцветного телевидения ……………………………………………….……..21 1.7. Телевидение и голография ……………………...…….22 1.7.1. Способы получения голограмм ……………….……...22 1.7.2. Попытки построения голографических телевизионных систем ………………………………………….26 2. Разработка технических требований …………..….……..29 2.1. Метод формирования цветного стереоизображения ……………………….…………………….29 2.2. Выбор элементной базы ……………………………...30 2.3. Требования к сигналам …………………………….…31 3. Разработка структурной схемы цветной стереотелевизионной камеры …………………………...……..33 4. Разработка функциональной схемы …………………..…35 4.1. Общие положения ………………………………...…..35 4.2. Описание функциональной схемы видеотракта ………………………………………………….….35 5. Разработка и расчет принципиальной схемы …………..46 5.1. Расчет делителей напряжения ……………………….51 5.2. Расчет эмиттерного повторителя (ЭП) …………..…52 5.3. Расчет фильтра нижних частот (ФНЧ) ……..………53 5.4. Расчет блока питания ……………………………..…55 6. Разработка конструкции …………………..…..……..…58 7. Расчет надежности ……………………………………...59 8. Технико-экономическое обоснование проекта .………63 8.1. Концепция ………………………………………..….63 8.2. Краткое техническое описание системы …………..63 8.3. Рынок и план маркетинга …………………………...64 8.4. Производство ………………………………………..65 8.5. Организационный план работ по реализации проекта ……………………………………….………………..67 8.6. Расчет себестоимости разработки ….………………68 8.7. Прогноз финансовых показателей ………………….73 8.8. Определение потребности в начальном капитале ……………………………………………………..…75 8.9. Определение производственно-сбытовых издержек ……………………………………………………….75 8.10. Определение порога безубыточности прогнозируемого производства ……………………………...76 8.11. Определение текущих расходов и доходов по проекту ……………………………………………………..77 8.12. Прогноз движения денежной наличности …………79 8.13. Оценка экономической эффективности ……………79 8.14. Выводы ……………………………………………….80 9. Разработка мероприятия по охране труда, окружающей среды и ГО ………………………………….…..81 9.1. Сведения о проектируемой телекамере …………….81 9.2. Электробезопасность …………………….…………..81 9.3. Пожарная безопасность ………………….…………..83 9.4. Санитарно-гигиенические требования .……….…….84 9.5. Охрана окружающей среды ………………………….86 Заключение ………………………………………..………....88 Список литературы …………………………………….……89 Содержание ……………………………………………….….91 Приложения |
|||||||||||||||||||||||||||||||||||||||||||||||||||||||||||||||||||||||||||||||||||||||||||||||||||||||||||||||||||||||||||||||||||||||||||||||||||||||||||||||||||||||||||||||||||||||||||||||||||||||||||||||||||||||||||||||||||||||||||||||||||||||||||||||||||||||||||||||||||||||||||||||||||||||||||||||||||||||||||||||||||||||||||||||||||||||||||||||||||||||||||||||||||||||||||||||||||||||||||||||||||||||||||||||||||||||||||||||||||||||||||||||||||||||||||||||||||||||||||||||||||||||||||||||||||||||||||||||||


















