Реферат: Управление цикловой автоматикой
|
Название: Управление цикловой автоматикой Раздел: Рефераты по радиоэлектронике Тип: реферат |
ИНИСТЕРСТВО ОБЩЕГО И ПРОФЕССИОНАЛЬНОГО ОБРАЗОВАНИЯ РОССИЙСКОЙ ФЕДЕРАЦИИ МОСКОВСКИЙ ГОСУДАРСТВЕННЫЙ ТЕХНОЛОГИЧЕСКИЙ УНИВЕРСИТЕТ «СТАНКИН»
ОТЧЕТПОЛабораторным работам № 3, 4ПО КУРСУУПРАВЛЕНИЕ ЦИКЛОВОЙ АВТОМАТИКОЙ Выполнил ст. гр. КС-9-8: Копычев Е.А. Москва 2000Задача № 1Имеются две автоматические линии. На пульте управления имеется шесть кнопок. Существует возможность управления линиями:
Задача № 2 Имеется реверсивный привод, управляемый тремя кнопками:
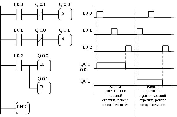
Вариант а): Напишите управляющую программу, которая разрешает реверсирование двигателя только через кнопку `Стоп`.
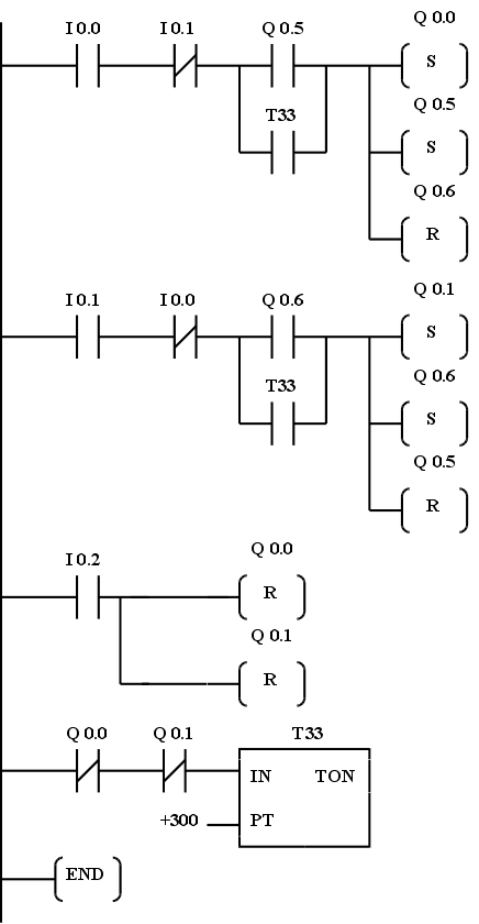
I 0.0 – кнопка включения двигателя по часовой стрелке; I 0.1 – кнопка включения двигателя против часовой стрелке; I 0.2 – кнопка выключения двигателя; Q 0.0 – светодиод, имитирующий работу двигателя по часовой стрелке; Q 0.1 – светодиод, имитирующий работу двигателя против часовой стрелке. Вариант б): Напишите УП в которой, реверс двигателя через кнопку `Стоп` был бы возможен только с истечением трехсекундной выдержки, а перезапуск в том же направлении осуществлялся без задержки после остановки кнопкой `Стоп`.
I 0.0 – кнопка включения двигателя по часовой стрелке; I 0.1 – кнопка включения двигателя против часовой стрелке; I 0.2 – кнопка выключения двигателя; Q 0.0 – светодиод, имитирующий работу двигателя по часовой стрелке; Q 0.1 – светодиод, имитирующий работу двигателя против часовой стрелке; Q 0.5 – светодиод, говорящий что до нажатия кнопки стоп двигатель вращался по часовой стрелке; Q 0.6 – светодиод, говорящий что до нажатия кнопки стоп двигатель вращался против часовой стрелки; T33 – таймер, осуществляющий задержку реверсирования двигателя. Диаграмма работы двигателя при реверсировании
Вариант
в): Напишите
УП управления
двигателем,
расширив условие
варианта
`б`
так, чтобы двигатель
можно было
реверсировать
без использования
кнопки `Стоп`:
двигатель
запускается
в другом н Задача № 3
М МОСКОВСКИЙ ГОСУДАРСТВЕННЫЙ ТЕХНОЛОГИЧЕСКИЙ УНИВЕРСИТЕТ «СТАНКИН»
ОТЧЕТПОЛабораторным работам № 1, 2ПО КУРСУУПРАВЛЕНИЕ ЦИКЛОВОЙ АВТОМАТИКОЙ Выполнил ст. гр. КС-9-8: Копычев Е.А. Москва 2000Лабораторная работа № 1Задача № 1 Напишите управляющую программу, в которой использовалась бы одна кнопка, при нажатии которой загорается лампочка.
Задача № 2 Построить схему RS – триггера.
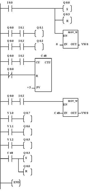
Лабораторная работа № 2 Задача № 1 Имеется робот. Он включается и выключается кнопкой с фиксацией. У робота есть датчик. Работу датчика имитирует любая кнопка. Датчик следит за тем, чтобы в рабочем пространстве робота не было людей. Если появится человек, то робот автоматически выключается и сигнализирует об этом. Работе робота соответствует включение любого светодиода, сигнализация организуется тоже посредством светодиода. Напишите УП для робота.
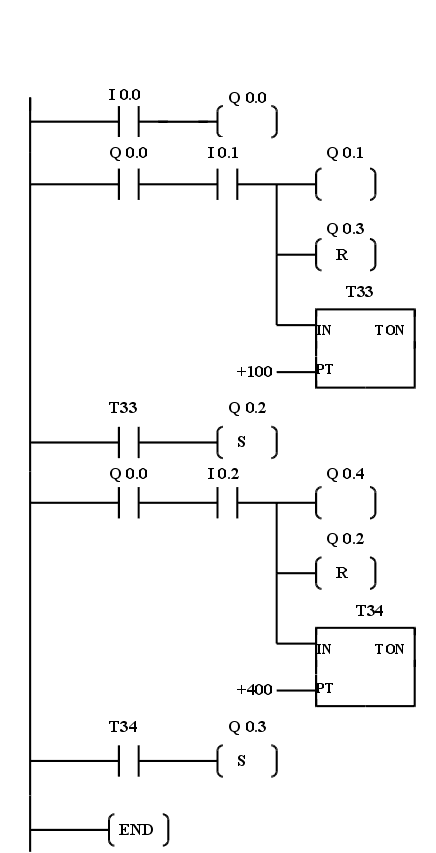
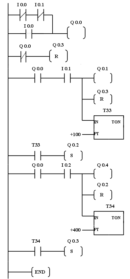
I 0.0 – кнопка включения робота; I 0.1 – кнопка, имитирующая датчик; Q 0.0 – светодиод, отражающий работу робота; Q 0.1 – светодиод сигнализации датчика. Задача № 2 Напишите УП для манипулятора, который работает по следующему циклу: подача заготовок с рабочего места `А` на рабочее место `Б` и назад – готовых деталей. На месте `А` манипулятор должен простоять 1 сек., пока его разгрузят и загрузят, на месте `Б` – 4 сек., пока будет обработана заготовка. Включается манипулятор и выключается одной кнопкой с фиксацией. Манипулятор узнает о том, что он дошел до места `А` или `Б` по двум конечникам, которые имитируются кнопками с фиксацией. Четыре светодиода должны отображать состояние манипулятора: нахождение на месте `А`, `Б`, движение от `А` к `Б` и от `Б` к `А`. Один светодиод индицирует включение манипулятора.
I 0.0 – кнопка включающая манипулятор; I 0.1 – кнопка имитирующая конечный выключатель `А`; I 0.2 – кнопка имитирующая конечный выключатель `Б`; Q 0.0 – светодиод, отражающий работу манипулятора; Q 0.1 – светодиод, сигнализирующий о нахождении манип. на месте `А`; Q 0.2 – светодиод, говорящий о движении манип. от места `А` к месту `Б`; Q 0.3 – светодиод, говорящий о движении манип. от места `Б` к месту `А`; Q 0.4 – светодиод, сигнализирующий о нахождении манип. на месте `Б`; T33 – таймер, осуществляющий задержку манип. на месте `А` на 1 сек.; T34 – таймер, осуществляющий задержку манип. на месте `Б` на 4 сек.;
|











