Реферат: ЭТПиМЭ
|
Название: ЭТПиМЭ Раздел: Рефераты по схемотехнике Тип: реферат | |||||||||||||||||||||||||||||||||||||||||||||||||||||||||||||||||||||||||||||||||||||||||||||||||||||||||||||||||||||||||||||||||||||||||||||||||||||||||||||||||||||||||||||||||||||||||||||||||||||||||||||||||||||||||||||||||||||||||||||||||||||||||||||||||||||||||||||||||||
| С О Д Е Р Ж А Н И Е Ч а с т ь 1 1.1. Упрощение логических выражений. 1.2. Формальная схема устройства. 1.3. Обоснование выбора серии ИМС. 1.4. Выбор микросхем. 1.4.1. Логический элемент ² ИСКЛЮЧАЮЩЕЕ ИЛИ ² . 1.4.2. Логический элемент ² 2 ИЛИ ² с мощным открытым коллекторным выходом. 1.4.3. Логический элемент ² 2 И ² с открытым коллектором. 1.4. 4 . Логический элемент ² 2 И ² с повышенной нагрузочной способностью. 1.4. 5 . Логический элемент ² НЕ ² 1.5. Электрическая принципиальная схема ЦУ. 1.6. Расчет потребляемой мощности и времени задержки. 1.6.1. Потребляемая мощность. 1.6.2. Время задержки распространения. Ч а с т ь 2 2.1. Расчет базового элемента цифровой схемы. 2.1.1. Комбинация: Х1 = Х2 =Х3 = Х4 = ² 1 ² . 2.1.2. Комбинация: Х1 = Х2 =Х3 = Х4 = ² 0 ² . 2.1.3. Любая иная комбинация. 2.2. Таблица состояний логических элементов схемы. 2.3. Таблица истинности. 2.4. Расчет потенциалов в точках. 2.4.1. Комбинация 0000. 2.4.2. Комбинация 1111. 2.4.3. Любая иная комбинация. 2.5. Расчет токов. 2.5.1 Комбинация 0000. 2.5. 2 Комбинация 1111. 2.6. Расчет мощности рассеиваемой на резисторах. 2.6.1. Комбинация 0000. 2.6.2. Комбинация 1111. Ч а с т ь 3 3.1. Разработка топологии ГИМС. 3.2. Расчет пассивных элементов ГИМС. 3.3. Подбор навесных элементов ГИМС. 3.4. Топологический чертеж ГИМС (масштаб 10:1). В А Р И А Н Т № 2
В ы х о д: ОК; ОС; или ОЭ. Рпот < 120 мBт tз.р. £ 60 нс
Ч а с т ь 1 1.1. Упрощение логических выражений.
1.3. Обоснование выбора серии ИМС. Учитывая, что проектируемое цифровое устройство должно потреблять мощность не превышающую 100мВт и время задержки не должно превышать 100 нс для построения ЦУ можно использовать микросхемы серии КР1533 (ТТЛШ) имеющие следующие технические характеристики: Напряжение питания: 5В10%. Мощность потребления на вентиль: 1мВт. Задержка на вентиль: 4 нс. 1.4. Выбор микросхем. 1.4.1. Логический элемент ² ИСКЛЮЧАЮЩЕЕ ИЛИ ² .
Параметры:
Епит = 5 В Iпот = 5,9 мА 1.4.2. Логический элемент ² 2 ИЛИ ² с мощным открытым коллекторным выходом.
Параметры:
Епит = 5 В I1 пот = 5 мА I0 пот = 10,6 мА
1.4.3. Логический элемент ² 2 И ² с открытым коллектором. D3 - KP1533 ЛИ2
Параметры:
Епит = 5 В I1 пот = 2,4 мА I0 пот = 4,0 мА
1.4.3. Логический элемент ² 2 И ² с повышенной нагрузочной способностью. D4 - KP1533 ЛИ1
Параметры:
Епит = 5 В I1 пот = 2,4 мА I0 пот = 4 мА
1.4. 5 . Логический элемент ² НЕ ² . D5 - KP1533 ЛН1
Параметры:
Епит = 5,5 В I1 пот = 1,1 мА I0 пот = 4,2 мА
С учетом выбранных микросхем внесем в формальную схему некоторые изменения (с целью минимизировать количество микросхем).
1.6.1. Потребляемая мощность. Pпот = Pпот D1 + Pпот D2 + Pпот D3 + Pпот D4 + Pпот D5 = 29.5 + 39 + 16 + 16 + 13.25 = 113.75 мВт 113.75 < 120 - Условие задания выполняется. 1.6.2. Время задержки распространения. Для расчета времени задержки возьмем самый длинный путь от входа к выходу. Например от входов х2 х3 до выхода y2 . Тогда: tз.р. = tз.р. D 5.2 + tз.р. D 2 .1 + tз.р. D3.2 = 9.5 + 10.5 + 34.5 = 54,5 мВт 54,5 < 60 - Условие задания выполняется. Ч а с т ь 2 2.1. Расчет базового элемента цифровой схемы.
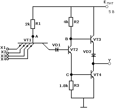
2.1.1. Комбинация: Х1 = Х2 =Х3 = Х4 = ² 1 ² . Если на все входы многоэмиттерного транзистора VT1 поданы напряжения логической ²1², то эмиттеры VT1 не получают открывающегося тока смещения (нет разности потенциалов). При этом ток, задаваемый в базу VT1 через резистор R1 , проходит от источника Eпит в цепь коллектора VT1 , смещенного в прямом направлении, через диод VD1 и далее в базу VT2 . Транзистор VT2 при этом находится в режиме насыщения (VT2 - открыт) в точке ² B ² Uб =0,2 В (уровень логического нуля). Далее ток попадает на базу VT4 и открывает VT4 на выходе схемы ²0². 2.1.2. Комбинация: Х1 = Х2 =Х3 = Х4 = ² 0 ² . Когда на входы многоэмиттерного транзистора VT1 поданы уровни логического нуля переходы база - эмиттер смещаются в прямом направлении. Ток, задаваемый в его базу через резистор R1 проходит в цепь эмиттера. При этом коллекторный ток VT1 уменьшается, поэтому транзистор VT2 закрывается. Транзистор VT4 также закрывается (т.к. VT2 перекрыл доступ тока к базе VT4 ). На выход, через открытый эмиттерный переход VT3 попадает уровень логической единицы - на выходе ²1². 2.1.3. Любая иная комбинация. Например: Х1 = 1; Х2 = 0; Х3 = 1; Х4 = 1 Когда хотя бы на один любой вход многоэмиттерного транзистора VT1 подан уровень логического нуля соответствующий (тот на который подан ²0²) ² В ² переход база-эмиттер смещается в прямом направлении (открывается) и отбирает базовый ток транзистора VT2 . Получается ситуация как в пункте 2.1.1. 2.2. Таблица состояний логических элементов схемы.
2.3. Таблица истинности. На выходе схемы появится уровень логической единицы при условии, что хотя бы на одном, но не на всех входах ²1². Если на всех входах ²1², то на выходе ²0².
2.4. Расчет потенциалов в точках. 2.4.1. Комбинация 0000. При подаче на вход комбинации 0000 потенциал в точке ² A ² складывается из уровня нуля равно 0,2 В и падения напряжения на открытом p-n переходе равном 0,7 В. Значит потенциал в точке ² A ² Uа = 0,2 + 0,7 = 0,9 В. Транзистор VT2 закрыт (см. п. 2.1.2.) ток от источника питания через него не проходит поэтому потенциал в точке ² B ² Uб = Eпит = 5 В. Транзистор VT2 и VT4 закрыт, поэтому потенциал в точке ² C ² Uс =0 В. Потенциал в точке ² D ² складывается из Епит = 5 В за вычетом падения напряжения на открытом транзис-торе VT3 равным 0,2 В и падения напряжения на диоде VD2 = 0,7 В. Напряжение Ud = 5 - ( 0,2 + 0,7 ) = 4,1 В. 2.4.2. Комбинация 1111. При подачи на вход комбинации 1111 эмиттерный переход VT1 запирается, через коллекторный переход протекает ток. На коллекторный переход VT1 подают напряжение равным 0,7 В. Далее 0,7 В подают на диоде КD1 и открытом эмитторном переходе транзистора VT2 , а также на открытом эмиттерном переходе транзистора VT4 . Таким образом потенциал в точке ² a ² Ua = 0,7 + 0,7 + 0,7 + 0,7 =2,8 В. Потенциал в точке ² C ² Uс = 0,7 В. (Падение напряжения на эмиттерном переходе VT4 ). Потенциал в точке ² B ² напряжение базы складывается из потенциала на коллекторе открытого транзистора VT2 = 0,2 В и падения напряжения на коллекторном переходе транзистора VT3 = 0,7 В. Напряжение Uб = 0,2 + 0,7 = 0,9 В. Потенциал в точке ² D ² напряжение Ud = 0,2 В. (Напряжения на коллекторном переходе открытого эмиттерного перехода VT4 ). 2.4.3. Любая иная комбинация. При подачи на вход любой другой комбинации содержащей любое количество нулей и единицу (исключая комбинацию 1111) приведет к ситуации аналогичной п.3.2.1. 2.5. Расчет токов. 2.5.1 Комбинация 0000. 2.5. 2 Комбинация 1111. 2.6. Расчет мощности рассеиваемой на резисторах. 2.6.1 Комбинация 0000. PR1 = IR1 × U R 1 = 1,025 × (5-0,9)=4,2 мВт PR 2 = IR 2 × U R2 = 0 мВт PR 3 = IR 3 × U R 3 = 0 мВт 2.6.2 Комбинация 1111. PR1 = IR1 × U R 1 = 0,55 × (5-2,8) = 1,21 мВт PR 2 = IR 2 × U R2 = 2,05 × (5-0,9) = 8,405 мВт PR 3 = IR 3 × U R 3 = 0,38 × 0,7 = 0,266 мВт Сведем расчеты в таблицу.
Ч а с т ь 3 3. Разработка топологии ГИМС. В конструктивном отношении гибридная ИМС представляет собой заключенную в корпус плату (диэлектрическую или металлическую с изоляционным покрытием), на поверхности которой сформированы пленочные элементы и смонтированы компоненты. В качестве подложки ГИМС используем подложку из ситала, 9-го типоразмера имеющего геометрические размеры: 10х12 мм (см[2] стр.171; табл. 4.6). Топологический чертеж ГИМС выполним в масштабе 10:1. 3.1. Расчет пассивных элементов ГИМС. Для заданной схемы требуется 3 резистора следующих номинальных значений: R1 = 4 кОм R2 = 2 кОм R3 = 1,8 кОм Сопротивление резистора определяется по формуле: , где: RS - удельное поверхностное сопротивление материала. - длина резистора. b - ширина резистора. Для изготовления резисторов возьмем пасту ПР - ЛС имеющую RS =1 кОм . Тогда: =2 мм b = 0,5 мм R1 = 1000 × ( 2 / 0,5 ) = 4 кОм =1 мм b = 0,5 мм R2 = 1000 × ( 1 / 0,5 ) = 2 кОм =2,25 мм b = 1,25 мм R3 = 1000 × ( 2,25 / 1,25 ) = 1,8 кОм Сведем результаты в таблицу.
3.2. Подбор навесных элементов ГИМС. Для данной схемы требуется: 1) один 4-х эмиттерный транзистор. 2) три транзистора n-p-n. 3) два диода. Геометрические размеры навесных элементов должны быть соизмеримы с размерами пассивных элементов: 1) В качестве 4-х эмиттерного транзистора использован транзистор с геометрическими размерами 1х4 мм и расположением выводов как на рис.1.
2) В качестве транзистора n-p-n используем транзистор КТ331. Эксплутационные данные: Umax кэ = 15 В Umax бэ = 3 В I к max = 20 мА 3) В качестве диодов использован диод 2Д910А-1
Эксплутационные данные: U об р = 5 В I пр = 10 мА Проверим удовлетворяет ли мощность рассеивания на резисторах максимальной мощности рассеивания для материала из которого изготовлены резисторы, а именно для пасты ПР-1К у которой P0 = 3 Вт/см2 . Для R1 P1 max = 4,2 мВт SR1 =× b = 2 × b = 2 × 0,5 = 1 мм2 Необходимо чтобы P0 ³ P1 max , т.е. условие выполняется. Для R2 P2 max = 8,4 мВт SR2 =× b = 2 × b = 1 × 0,5 = 0,5 мм2 Необходимо чтобы P0 ³ P2 max , т.е. условие выполняется. Для R3 P3 max = 0,26 мВт SR2 =× b = 2 × b = 2,25 × 1,25 = 2,82 мм2 Необходимо чтобы P0 ³ P3 max , т.е. условие выполняется. 3.3. Топологический чертеж ГИМС (масштаб 10:1). |




D1 - KP1533
ЛП 5
D2 - КР1533ЛЛ4











