Реферат: Операционный усилитель
|
Название: Операционный усилитель Раздел: Рефераты по технологии Тип: реферат | ||||||||||||||||||||||||||||||||||||||||||||||||||||||||||||||||||||||||||||||||||||||||||||||||||||||||||||||||||||||||||||
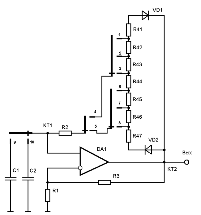
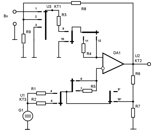
Лабораторная работа №2 Операционный усилитель Цель работы: Ознакомиться с основными характеристиками операционных усилителей, исследовать некоторые устройства построенные на ОУ Оборудование:Установка ЛСЭ-1МОсцилограф С1-73Цифровой вольтметр В7-16Собираем схему УПТ. коммутаторы: 4,10,11,10. Используем в качестве входного сигнала напряжение источника постоянного тока G1. Плавно изменяя Uвх снимаем показания и строим график передаточной характеристики KUoc =-R6/R1= -5 Собираем схему компаратора . комутаторы: 3,4,6,9,12. Опорное напряжение равно нулю, т. к. неинвертирующий вход подключен к “земле”, в качестве входного сигнала используем напряжение источника постоянного тока G1. Снимаем показания и строим график передаточной характеристики . Так же для компаратора с гистерезисной характеристикой, комутаторы: 2,4,6,9,12. Uср. = 4,62 (R7/R7+R6) = 4,2в Uотп = -3,04(R7/R7+R6) =-2,75в Uг = Uср. - Uотп =1,4в Вывод: Графики передаточных характеристик далеки от идеальных, видимо, неуравновешенны плечи источника питания ОУ.Расчётные данные так же отличаются от экспериментальных.Например для УПТ KUoc =-5 следовательно при UВХ =1в UВЫХ =-5в при UВХ –1в, UВЫХ = 5в на деле это не так UВЫХ = -3,03в и 4,56в. передаточная характеристика компаратора нестабильна в районе порога переключения, поэтому значение Uвых = 0 при U вх = 0 условно (гистерезисный компаратор свободен от этого недостатка) Собираем схему мультивибратора . комутаторы: 2,8,5. комутаторы 9 или 10 t1,1 = (R2+R41+R42+R43+R44+R45+R46) C1 = 6.75mS tu1,1 = t1,1 ln(1+(2R1/R3) = 7.41mS t2,1 = (R2+R47) C1 = 1.005mS tu2,1 = t2,1 ln(1+(2R1/R3) =1.103mS
КТ3 КТ2 КТ1 t1,2 = (R2+R41+R42+R43+R44+R45+R46) C2 = 2.115 mS tu1,2 = t1,2 ln(1+(2R1/R3) = 2.31 mS t2,2 = (R2+R47) C2 = 0.3149 mS tu2,2 = t2,2 ln(1+(2R1/R3) = 0.34 mS f2 =1/t1,2 +t2,2 = 0.38 кГц Таблица 1. передаточная характеристика инвертирующего У.П.Т.
Таблица 2. передаточная характеристика компаратора
Таблица 3. передаточная характеристика гистерезисного компаратора
Передаточная характеристика гистерезисного компаратора Передаточная характеристика компаратора
Передаточная характеристика У.П.Т.
мультивибратор
УПТ и компаратор
Передаточная характеристика гистерезисного компаратора
Передаточная характеристика компаратора
|
f1
=1/t1,1
+t2,1
= 0.12кГц






