Реферат: Измерения параметров электромагнитных волн на сверхвысоких частотах
|
Название: Измерения параметров электромагнитных волн на сверхвысоких частотах Раздел: Рефераты по физике Тип: реферат | ||||||||||||||||||||||||||||||||||||||||||||||||||||||||||||||||||||||||||||||||||||
| Министерство общего и профессионального образования Российской Федерации. Орский Гуманитарно-Технологический Институт Кафедра общей физики. КУРСОВАЯ РАБОТА Измерения параметров электромагнитных волн на сверхвысоких частотах. Выполнил: студентка физико-математического факультета группы 4Б Бессонов Павел Александрович . Научный руководитель: к. ф.-м. н. доцент Абрамов Сергей Михайлович . Орск. 1998г. Содержание Стр 1. Основные понятия 3 2. §1. Измерение мощности 3 3. 1. Общие сведения 3 4. 2. Калориметрические измерители мощности 3 5. §2. Измерение частот 8 6. 1. Основные характеристики частотомеров 8 7. 2. Резонансные частотомеры 8 8. 3. Гетероидные частотомеры 13 9. §3. Измерение полного сопротивления 15 10. 1. Общие сведения 15 11. 2. Поляризационные измерители полных сопротивлений 51 12. 3. Панорамные измерители КСВ и полного сопротивления 17 ОСНОВНЫЕ ПОНЯТИЯ В диапазоне СВЧ, как правило, измеряют мощность, частоту и полное сопротивление устройств. Важными также являются измерения фазового сдвига, напряженности поля, добротности, ослабления мощности волны, амплитудно-частотного спектра и др. Чтобы определить указанные величины в широких интервалах их изменения, требуется использовать различные методы и радиоизмерительные приборы. Различают прямые и косвенные измерения. Прямые измерения применяют в тех случаях, когда измеряемая величина доступна непосредственному сравнению с мерой или может быть измерена приборами, проградуированными в выбранных единицах. Прямые измерения выполняют либо методом непосредственной оценки, когда измеряемую величину определяют по показаниям проградуированного прибора, либо методом сравнения, когда измеряемую величину определяют сравнением ее с мерой данной величины. Косвенные измерения состоят в замене измерений данной величины другими, связанными с искомой известной зависимостью. Основными характеристиками радиоизмерительных приборов являются: диапазон измеряемых величин; диапазон частот, в котором прибор может применяться; чувствительность по измеряемому параметру, представляющая собой отношение приращения показаний прибора к вызвавшему его приращению измеряемой величины; разрешающая способность, определяемая как минимальная разность двух значений измеряемых величин, которую может различить прибор; погрешность; потребляемая мощность.
§1. ИЗМЕРЕНИЕ МОЩНОСТИ. 1. Общие сведения Уровни мощностей, подлежащие измерениям, различаются более чем на двадцать порядков. Естественно, что методы и приборы, используемые при таких измерениях, весьма разнообразны. Принцип действия подавляющего большинства измерителей мощности СВЧ, называемых ваттметрами, основан на измерении изменений температуры или сопротивления элементов, в которых рассеивается энергия исследуемых электромагнитных колебаний. К приборам, основанным на этом явлении, относятся калориметрические и терморезисторные измерители мощности. Получили распространение ваттметры, использующие пондеромоторные явления (электромеханические силы), и ваттметры, работающие на эффекте Холла. Особенность первых из них - возможность абсолютных измерений мощности, а вторых - измерение мощности независимо от согласования ВЧ-тракта. По способу включения в передающий тракт различают ваттметры проходящего типа и поглощающего типа. Ваттметр проходящего типа представляет собой четырехполюсник, в котором поглощается лишь небольшая часть общей мощности. Ваттметр поглощающего типа, представляющий собой двухполюсник, подключается на конце передающей линии, и в идеальном случае в нем поглощается вся мощность падающей волны. Ваттметр проходящего типа часто выполняется на основе измерителя поглощающего типа, включенного в тракт через направленный ответвитель.
2. Калориметрические измерители мощности Калориметрические методы измерения мощности основаны на преобразовании электромагнитной энергии в тепловую в сопротивлении нагрузки, являющейся составной частью измерителя. Количество выделяемого тепла определяется по данным изменения температуры в нагрузке или в среде, куда передано тепло. Различают калориметры статические (адиабатические) и поточные (не адиабатические). В первых мощность СВЧ рассеивается в термоизолированной нагрузке, а во вторых предусмотрено непрерывное протекание калориметрической жидкости. Калориметрические измерители позволяют измерять мощность от единиц милливатт до сотен киловатт. Статические калориметры измеряют малый и средний уровни мощности, а поточные - средние и большие значения мощности. Условие баланса тепла в калориметрической нагрузке имеет вид
где P-мощность СВЧ, рассеиваемая в нагрузке; Т и Т0 -температура нагрузки и окружающей среды соответственно; с , m - удельная теплоемкость и масса калориметрического тела; k -коэффициент теплового рассеяния. Решение уравнения представляется в виде
где τ =с m / k - тепловая постоянная времени. В случае статического калориметра время измерения много меньше постоянной τ и мощность СВЧ в соответствии с формулой 1 будет:
Здесь скорость изменения температуры в нагрузке измерена в град•с-1 ,m -в г, c - в Дж•(г•град)-1 , Р - в Вт. Если с имеет размерность кал•(г•град)-1 , то
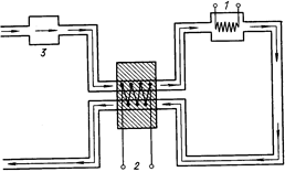
Основными элементами статических калориметров являются термоизолированная нагрузка и прибор для измерения температуры. Нетрудно рассчитать поглощаемую мощность СВЧ по измеренной скорости повышения температуры и известной теплоемкости нагрузки. В приборах используются различные высокочастотные оконечные нагрузки из твердого или жидкого диэлектрического материала с потерями, а также в виде пластинки или пленки высокого сопротивления. Для определения изменения температуры применяют термопары и различные термометры. Рассмотрим статический калориметр, в котором снижены требования к термоизоляции и отпадает необходимость в определении теплоемкости т c калориметрической насадки (рис. 1 ). В этой схеме используется метод замещения. В ней для калибровки прибора 4 , измеряющего повышение температуры при рассеянии измеряемой мощности, подводимой к плечу 1 , используется известная мощность постоянного тока или тока низкой частоты, подводимая к плечу 2. Предполагается, что температура насадки 3 изменяется одинаково при рассеянии равных значений мощности СВЧ и постоянного тока. Статические калориметры позволяют измерять мощность несколько милливатт с погрешностью менее ±1%.
Основными элементами поточного калориметра являются: нагрузка, где энергия электромагнитных колебаний превращается в тепло, система циркуляции жидкости и средства для измерения разности температур входящей и выходящей жидкости, протекающей через нагрузку. Измеряя эту разность температур в установившемся режиме, можно рассчитать среднюю мощность по формуле
где υ - расход калориметрической жидкости, см3 •с-1 ; d -плотность жидкости, г•см-3 ; Δ T - разность температур, К; с, кал•(г•град)-1 . Поточные калориметры различают по типу циркуляционной системы (открытые и замкнутые), по типу нагрева (прямой и косвенный) и по методу измерения (истинно калориметрические и замещения). В калориметрах открытого типа обычно применяют воду, которая из водопроводной сети поступает сначала в бак для стабилизации давления, а далее в калориметр. В калориметрах замкнутого типа калориметрическая жидкость циркулирует в замкнутой системе. Она постоянно накачивается насосом и охлаждается до температуры окружающей среды перед очередным поступлением в калориметр, В этой системе используются в качестве охлаждающих жидкостей кроме дистиллированной воды раствор хлористого натрия, смесь воды с этиленгликолем или глицерином. При прямом нагреве ВЧ-мощность поглощается непосредственно циркулирующей жидкостью. При косвенном нагреве циркулирующая жидкость используется только для отбора тепла от нагрузки. Косвенный нагрев позволяет работать в более широком диапазоне частот и мощностей, поскольку функции переноса тепла отделены в нем от функции поглощения ВЧ-энергии и согласования нагрузки.
Схема истинно калориметрического метода представлена на (рис. 2 .). Измеряемая ВЧ-мощность рассеивается в нагрузке 1 и прямо или косвенно передает энергию протекающей жидкости. Разность температур входящей в нагрузку и выходящей из нее жидкости измеряют с помощью термоблоков 2. Количество жидкости, протекающее в системе в единицу времени, измеряют расходомером 3. Естественно, что поток жидкости при таких измерениях должен быть постоянным. Погрешности измерений ВЧ-мощности в рассмотренной схеме связаны с рядом факторов. Прежде всего формула 4 не учитывает передачу тепла, существующего между различными частями калориметра, и потерю тепла в ВЧ-нагрузке и трубопроводах. Различными конструктивными приемами можно уменьшить влияние этих факторов. Неравномерность скорости течения калориметрической жидкости, появление пузырьков воздуха приводят к погрешности при определении скорости потока жидкости и изменению ее эффективной теплоемкости. Для уменьшения этой погрешности применяют уловители пузырьков воздуха и добиваются равномерности течения жидкости с помощью регулятора потока и других средств. Схема измерений, реализующая метод замещения, отличается от рассмотренной тем, что в ней последовательно с СВЧ-нагрузкой вводится дополнительный нагревательный элемент, рассеивающий мощность низкочастотного источника тока. Заметим, что при косвенном нагреве мощность СВЧ-сигнала и мощность низкочастотного тока вводятся в одну и ту же нагрузку и потребность в дополнительном нагревательном элементе отпадает. Возможны два способа измерений по методу замещений - калибровки и баланса. Первый из них состоит в измерении такой мощности низкой частоты, поданной в нагревательный элемент, при которой разность температур жидкости на входе и выходе такая же, как и при подаче СВЧ-мощности. При балансном способе сначала устанавливается какая-либо разность температур жидкости при подаче мощности низкой частоты Р1 , затем подается измеряемая ВЧ-мощность Р, а мощность низкой частоты уменьшается до такого значения Р2 , чтобы разность температур осталась прежней. При этом Р=P1 -Р2 .
Погрешности измерений, связанные с непостоянством скорости потока жидкости в течение цикла измерений, можно избежать, если на входе и выходе нагрузки 1 (рис. 3 ) и нагревательного элемента 2 предусмотреть термочувствительные резисторы R1 , R2, R3, R4 , соединенные по мостовой схеме. При условии идентичности термочувствительных элементов баланс моста будет наблюдаться для любой скорости потока жидкости. Измерения ведутся балансным способом. Рассмотренные поточные калориметры применяют для абсолютных измерений прежде всего больших уровней мощностей. В сочетании с калиброванными направленными ответвителями они служат для градуировки измерителей средней и малой мощности. Имеются конструкции поточных калориметров и для непосредственных измерений средних и малых мощностей. Время измерений не превышает нескольких минут, а погрешность измерений может быть доведена до 1-2% Среди калориметрических ваттметров для измерения мощности непрерывных колебаний, а также среднего значения мощности импульсно-модулированных колебаний отметим приборы МЗ-11А, МЗ-13 и МЗ-13/1, которые перекрывают диапазон измеряемых мощностей от 2 кВт до 3 МВт на частотах до 37,5 ГГц. §2. ИЗМЕРЕНИЕ ЧАСТОТЫ 1. Основные характеристики частотомеров Одной из важнейших задач измерительной техники является - измерение частоты или длины волны колебаний. Частота связана с длиной волны соотношением: Измерения частоты и длины волны по своей природе различны: первое основано на измерении времени, а второе - на измерении: длины. Обычно в качестве основной величины выбирают частоту, поскольку значение ее не зависит от условий распространения и, что не менее важно, существуют эталоны частоты высокой точности, с которыми можно сравнивать измеряемые частоты. Основными характеристиками приборов, используемых для измерения частоты я длины волны, являются: относительная погрешность, чувствительность, диапазон измеряемых частот и надежность работы. Под относительной погрешностью прибора понимают отношение разности измеренной и образцовой частот к значению образцовой частоты. По точности все приборы разбиваются на три группы: малой точности с относительной погрешностью более 0,1%, средней точности с погрешностью (0,01-0,1)% и высокой точности с погрешностью менее 0,01%. Чувствительность прибора характеризуется минимальной мощностью сигнала, подводимого к частотомеру, при которой возможен отсчет частоты.
2. Резонансные частотомеры
Резонансные частотомеры обычно содержат следующие Элементы (рис. 4 ): объемный резонатор 2, элементы связи 1, элемент настройки 3, индикатор 5 с усилителем 4 или без него. Связь входной линии и индикаторного устройства с резонатором выбирают на основе компромисса между величиной нагруженной добротности резонатора и чувствительностью прибора. Настройку частотомера на определенную частоту измеряемых колебаний проводят путем измерения геометрических размеров резонатора. При этом размеры резонансной длинны волны или частоты определяют по положению настроечных органов в момент резонанса, который определяют по индикаторному устройству. В качестве индикаторов чаще всего применяют микропараметр постоянного тока, а при изменении частоты модулированных колебаний – осциллограф или измерительный усилитель. Различают два способа включения частотомера – с индикацией настройки по максимуму тока прибора (проходная схема) и минимуму тока (поглотительная или абсорбционная, схема). Первая схема, получившая наибольшее распространение, изображена на (рис. 5) . Резонатор с элементами связи и устройством перестройки по частоте показан на (рис. 5.а ), эквивалентная схема его – на (рис. 5,б ). При расстроенном резонансе частотомера показание индикаторного прибора равно нулю. В момент резонанса через прибор протекает максимальный ток (см. рис. 5.в ). В некоторых случаях полезна вторая схема включения резонансного частотомера - с индикацией по минимуму тока при. резонансе. Устройство такого резонатора изображено на (рис. 6а ), эквивалентная схема - на (рис. 6б ). На частотах отличных от резонансной входное сопротивление параллельно включенного контура мало и, будучи трансформированным в цепь. детектора через отрезок длиной λ/4, не вносит заметных изменений в основную цепь. Вследствие этого через индикаторный прибор частотомера на соответствующую частоту измеряемых колебаний проводят путем изменения геометрических размеров резонатора. При этом значение резонансной длины волны или частоты определяют по положению настроечных органов в момент резонанса, который отмечают по индикаторному устройству. В качестве индикаторов чаще всего применяют микроамперметр постоянного тока, а при измерении частоты модулированных колебаний - осциллограф или измерительный усилитель. Различают два способа включения частотомера - с индикацией настройки по максимуму тока прибора (проходная схема) и минимуму тока (поглотительная, или абсорбционная, схема). Первая схема, получившая наибольшее распространение, изображена на (рис. 2 ). Резонатор с элементами связи и устройством перенастройки по частоте показан на (рис. 2а ), эквивалентная схема его - на (рис. 26 ). При расстроенном резонаторе частотомера показание индикаторного прибора равно нулю. В момент резонанса через прибор протекает максимальный ток (см. рис. 2в ).
В некоторых случаях полезна вторая схема включения резонансного частотомера – с индикацией по минимуму тока при резонансе. Устройство такого резонатора изображено на (рис. 3а ) эквивалентная схема – на (рис. 3б ). На частотах отличной от резонансной входное сопротивление параллельно включенного контура мало и, будучи трансформированным в цепь детектора через отрезок длинной λ/4, не вносит заметных изменений в основную цепь. В следствии этого через индикаторный прибор проходит значительный ток. При настройке контура на частоту колебаний внешнего СВЧ-источника его входное сопротивление резко возрастает, цепь детектора оказывается шунтированной малым сопротивлением и ток через прибор значительно уменьшается (рис. 3в ). Скорость изменения показаний прибора при изменении настройки вблизи резонанса зависит как от собственной добротности резонатора, так и от коэффициента связи резонатора с линией. При измерении частоты непрерывных колебаний стремятся обеспечить максимально возможную собственную добротность резонатора. Большую добротность имеют резонаторы с большими размерами. Однако размеры их не должны быть чрезмерными, иначе появляются нежелательные колебания высших видов, затрудняющие выделение рабочего вида колебаний. Подавить паразитные колебания можно выбором соответствующей конструкции и определенного расположения элементов связи, а также применением щелей или других элементов с сильным затуханием для волн нежелательных видов. Рассмотрим конструктивные особенности резонансных частотомеров, Они в основном различаются по типу колебательных систем. На (рис. 7 ) показаны устройства резонаторов с элементами связи и настройки, наиболее часто применяемые в резонансных частотомерах. На (рис. 7а ) приведена конструкция резонатора в виде четвертьволнового отрезка коаксиальной линии. Связь резонатора с ВЧ-генератором и измерительным прибором осуществляется посредством петель, расположенных в боковой стенке. Резонатор настраивается при изменении длины центрального проводника. Шкала микрометра, связанного с центральным проводником, градуируется в длинах волн или снабжается градуировочной кривой. ВЧ-контакт между внутренним проводником и торцевой стенкой резонатора образуется при помощи емкости. Противоположный конец резонатора закрыт металлической крышкой. Из-за емкостного краевого эффекта у свободного конца центрального проводника резонансная длина получается несколько меньше λ/4. Частотомеры коаксиального типа применяют преимущественно в диапазоне длин волн 3-300 см. Диапазон настройки частотомеров с подвижным центральным проводником составляет 2:1. Погрешность частотомеров коаксиальной конструкции составляет (0,05-0,1)% и зависит от конструктивных особенностей прибора и точности калибровки.
На более высоких частотах СВЧ-диапазона используют резонансные частотомеры в виде цилиндрических объемных резонаторов. Большую широкополосность и высокую добротность имеют резонаторы, возбуждаемые на колебаниях вида НО 011 и НО 111 . В случае резонаторов на колебаниях вида НО 011 для изменения длины цилиндра можно применить бесконтактную торцевую пластину (см. рис. 7,б ), так как линии токов колебания этого вида имеют вид окружностей в поперечном сечении цилиндра. Наличие зазора необходимо для устранения других видов колебаний, линии токов которых проходят через зазор. Поле этих колебаний, возбуждаемое в пространстве за пластиной, поглощается в специальном поглощающем слое. Наиболее опасными являются колебания вида ЕО 111 , имеющие ту же резонансную частоту, что и НО 011 . Для ее подавления кроме перечисленных выше мер большое значение имеют выбор и расположение элементов связи учитывающие различие в конфигурации полей колебаний вида НО 011 и ЕО 111 ,. В рассматриваемом случае элемент связи представляет собой узкую щель, прорезанную по образующей цилиндра и вдоль узкой стенки подводящего волновода. Повышенные требования предъявляются к тщательности изготовления резонатора, поскольку даже небольшая асимметрия может привести к возбуждению колебаний вида ЕО 111 и к снижению добротности резонатора, достигающей в 10-см диапазоне волн 50000. Конструкция резонатора, работающего на колебаниях вида НО 111 , изображена на (рис. 7в ). Нагруженная добротность его может составлять 15000, что достигается увеличением объема резонатора. Поскольку колебание вида НО 111 является основным, сравнительно простыми мерами можно освободиться от паразитных видов колебаний, не сужая значительно диапазон перестройки частот. Длину резонатора изменяют перемещением поршня, который, в отличие от предыдущего случая, должен быть обязательно электрически связан с боковой поверхностью цилиндра при помощи дроссельного соединения, как это указано на рисунке. Погрешность широкодиапазонных частотомеров с цилиндрическими резонаторами в диапазоне длин волн 1-15 см составляет (0,01-0,05)%. Однако в узком диапазоне частот можно получить погрешность 0,005%, а разность частот может быть измерена с погрешностью до 0,001% номинальной частоты. Погрешность измерения частоты резонансным частотомером зависит от точности настройки его в резонанс, от совершенства механической системы и градуировки, а также от влияния влажности и температуры окружающей среды. Точность настройки в резонанс зависит от нагруженной добротности резонатора Qн погрешности индикаторного устройства:
где Δ f -расстройка частоты, при которой амплитуда тока в А раз меньше, чем амплитуда тока при резонансе. Чтобы уменьшить Δ f / f 0 , нужно выбирать А возможно более близкой к единице, т. е. необходимо иметь точный индикаторный прибор, отмечающий малые изменения тока. Так, если А= 1,02, то Δ f / f 0 = 1/ 10 Q н и при Q н =5000 получается Δ f / f 0 =2·10-5 . В резонансных частотомерах с высокой добротностью определенную погрешность вносит механическая неточность настройки вследствие люфтов в приводе, ненадежности контактов между подвижными частями резонатора и т. п. Чем на больший частотный диапазон рассчитаны частотомеры, тем больше погрешность измерений, связанная с неточностью считывания показаний. Эту погрешность можно рассчитать по формуле
где Δl -погрешность определения положения элемента настройки, обычно соответствующая цене одного деления и равная 0,5-10 мкм. Для того чтобы эта погрешность была одной и той же во всем рабочем диапазоне частот, необходимо иметь df / dl пропорциональное f 0 . Резонансные частотомеры обычно градуируют путем сравнения их показаний с показаниями образцового прибора при различных частотах. Приемлемая точность получается в случае, если погрешность образцового частотомера совместно с погрешностью метода раз в пять меньше погрешности градуируемого прибора. Изменение диэлектрической проницаемости воздуха, вызванное непостоянством его температуры и влажности, приводит к изменению резонансной частоты частотомера, а следовательно, и к погрешности измерений. В нормальных условиях эта погрешность достигает 5•10-5 . При изменении температуры окружающей среды меняются геометрические размеры резонатора, и это, в свою очередь, приводит к погрешности в измерении частоты. Погрешность от этой причины вычисляется по формуле Δ f / f 0 =- αkΔT (8) где α-линейный температурный коэффициент расширения материала резонатора; k -коэффициент, зависящий от конструкции резонатора. Для цилиндрических резонаторов (k =1), изготовленных из меди, изменение температуры на 1°С дает погрешность в частоте 2•10-5 . В таблице указаны основные параметры некоторых резонансных частотомеров в режиме непрерывной генерации (НГ) и импульсной модуляции (ИМ). Погрешность измерений у всех приведенных приборов 0,05%. В последней колонке дано сопротивление коаксиального входного элемента или сечение прямоугольного волновода. Рассмотренные в таблице приборы состоят из резонатора, переменного аттенюатора на 10 дБ, усилителя и индикатора. В частотомерах Ч2-31—Ч2-33 в качестве резонансной системы используются цилиндрические резонаторы, возбуждаемые на колебаниях вида НО 112 а в других частотомерах - резонаторы коаксиального типа. Резонаторы включены по проходной схеме. Параметры резонансных частотомеров
3. Гетеродинные частотомеры. Наиболее точными измерителями частоты являются приборы, основанные на сравнении частоты исследуемого сигнала с частотой высокостабильного источника. Различают методы сравнения частот: нулевые биения, интерполяционный генератор и последовательное уменьшение частоты.
На линейный элемент-смеситель (рис. 8 ) подаются ВЧ-сигнал с неизвестной частотой fx и сигнал с частотой f оп от опорного источника. На выходе смесителя получаются сигналы с этими же частотами, а также их гармоники и сигналы с частотами биений. Так как амплитуды гармонических составляющих невелики, а следовательно, невелики и сигналы их разностной частоты, то для индикации удобно использовать сигнал с частотой биений f б = f х – f оп =0 . Отсюда и название метода-метод нулевых биений. На выходе нелинейного элемента включается индикатор, например телефон, пропускающий только сигналы звуковой частоты. Если плавно изменять частоту опорного генератора, то при f х - f оп <15000 Гц в телефоне появляется тон разностной частоты, который понижается три сближении f х и f оп . На (рис. 9 ) показан характер изменения f б при фиксированной неизвестной частоте f х и перестраиваемой частоте f оп . При f б <16 Гц человеческое ухо перестает воспринимать низкие частоты, и погрешность вследствие этого может достичь 32 Гц. Для уменьшения погрешности следует воспользоваться «вилочным» отсчетом: запоминают на слух некоторый тон биений, например соответствующий частоте f оп1 . Затем отмечают частоту f оп2 , при которой в телефоне прослушивается тот же тон биений. Искомая частота f х есть среднее арифметическое отмеченных частот. В реальных условиях в смесителе вырабатываются одновременно и гармонические составляющие основных сигналов, поэтому нулевые биения отмечают при равенстве частот гармоник nf х =m f оп , где n , т=1,2,3 ... Чтобы исключить в этом случае погрешность в выборе гармоники, нужно предварительно каким-либо способом, например резонансным, ориентировочно измерить неизвестную частоту. Если измеряемая частота лежит за пределами диапазона частот опорного генератора, то ее измеряют методом биений между гармоническими составляющими и сигналом основной частоты. Так, если f х << f оп , то поочередно настраивают опорный генератор на нулевые биения с любыми двумя соседними гармоническими составляющими измеряемой частоты: f оп1 =п f х и fоп2 =(п±1) f х . Отсюда
Если fx 1 >>fоа , то настраивают опорный генератор на такие две частоты fоп1 и fоп2 , чтобы fx =m fоп1 и fx =(m±1)fоп2 . Тогда
Поскольку трудно сделать опорный генератор с плавной перестройкой и высокой стабильностью частоты, то прибегают к интерполяционному методу. В этом случае в схему 1 наряду с интертюляционным генератором, частоту которого можно плавно менять, вводят образцовый генератор с фиксированной сеткой частот. Процедура измерений состоит в следующем. Последовательно настраивают интерполяционный генератор на нулевые биения с измеряемым сигналом частоты fx и с соседними гармоническими составляющими опорной частоты образцового генератора т fx и (m+1)fоп по обе стороны от частоты fx . Отсчеты по шкале интерполяционного генератора будут соответственно αх , α1 , α2. В этом случае
Точность измерений тем выше, чем меньше разность частот между соседними гармониками образцового генератора, линейнее шкала настройки интерполяционного генератора и выше его разрешающая способность. Когда разность частот f х - f оп больше предельной частоты измерителя звуковой частоты, можно применять двойное гетеродинирование, используя схему 2 . Измерения по такой схеме более точны, поскольку проще создать измеритель частоты с высокой стабильностью и повышенной точностью измерений, используя интерполяционный генератор с небольшим диапазоном перестройки частоты. Погрешности гетеродинных частотомеров определяются, прежде всего, погрешностями кварцевого и интерполяционного генераторов. Так, кварцевые генераторы имеют относительную частотную погрешность ±10-8 –10-9 . Интерполяционный генератор вносит дополнительную погрешность, обусловленную изменением частоты генератора за время измерений, неточностью градуировки шкалы и погрешностью отсчета. В результате погрешность таких частотомеров составляет ±5•10-6 . Следует заметить, что указанное значение погрешности получается лишь после продолжительного прогрева прибора (до 1–1,5 ч). §3. ИЗМЕРЕНИЕ ПОЛНОГО СОПРОТИВЛЕНИЯ 1. Общие сведения Вопросы измерения полного сопротивления узлов или элементов ВЧ-тракта возникают всякий раз, когда приходится решать. задачи согласования, находить параметры эквивалентных схем или рассчитывать частотные характеристики устройств СВЧ.
В основе определения полного сопротивления нагрузки лежит связь его с коэффициентом стоячей .волны и положением минимума напряжения в линии. Наибольшее распространение получило определение полного сопротивления по данным измерения КСВ и положения минимума стоячей волны с помощью измерительной линии. Соответствующая функциональная схема представлена на (рис. 10 ). Устройство, полное сопротивление которого необходимо измерить, подсоединяют к генератору СВЧ через измерительную линию. Промышленностью выпускаются измерительные линии, перекрывающие частотный диапазон от 0,5 до 37,5 ГГц. Портативными приборами для определения полных сопротивлений на основе измерения КСВ и фазы являются измерители поляризационного типа. Эти приборы отличаются широкополосностью и высокой точностью. Перекрываемый ими частотный диапазон простирается от 0,02 до 16,67 ГГц. Существуют приборы, обеспечивающие полуавтоматическое панорамное измерение КСВ в функции частоты. Эти приборы позволяют значительно сократить время на согласование устройств, а также наблюдать и измерять амплитудно-частотные характеристики четырехполюсников. Они перекрывают диапазон частот от 0,02 до 16,67 ГГц. В этой главе рассмотрен принцип действия прибора, позволяющего определять значения полного сопротивления исследуемых устройств как функции частоты непосредственно по круговой диаграмме полных сопротивлений, нанесенной на экран электроннолучевые трубки. Приборы этого вида перекрывают диапазон частот от 0,11 до 7ГЦ. 2. Поляризационные измерители полных сопротивлений Поляризационный измеритель полных сопротивлений состоит из отрезков прямоугольного 7 и цилиндрического 6 волноводов, причем цилиндрический волновод расположен под прямым углом к широкой стенке прямоугольного волновода (рис. 11 ). Связь между волноводами осуществляется через три щели 8 одинаковых размеров, расположенные на равном расстоянии от центра цилиндрического волновода. Принцип работы поляризационного измерителя состоит в следующем. Электромагнитная Н□ 10 - волна, распространяющаяся от генератора в сторону нагрузки, возбуждает в цилиндрическом волноводе HO 11 -волну с круговой поляризацией. Достигается это выбором расположения и размеров щелей: две щели, расположенные поперек широкой стенки волновода, находятся в максимуме составляющей поля Нх , а третья щель - в максимуме составляющей поля Нz . Эти щели возбуждают в цилиндрическом волноводе две HO 11 -волны, взаимно перпендикулярные в пространстве и сдвинутые по фазе на угол π/2. Последнее является следствием сдвига во времени на π/2 компонент поля Xх и Нz в прямоугольном волноводе. Поскольку выбором размеров щелей можно добиться равенства амплитуд возбуждаемых волн, то волна в цилиндрическом волноводе будет обладать круговой поляризацией.
Если изменять направление распространения волны в прямоугольном волноводе, то в цилиндрическом волноводе возбуждается волна со встречным направлением вращения поля. Очевидно, при наличии в прямоугольном волноводе отраженной волны в цилиндрическом будут две HO 11 -волны с противоположными направлениями круговой поляризации. В результате суперпозиции этих волн образуется волна с эллиптической поляризацией, которая несет необходимую информацию о величине КСВ и положении минимума стоячей волны в прямоугольном волноводе. КСВ равен отношению главных осей эллипса, величины которых соответствуют сумме и разности амплитуд падающей и отраженной волн. Таблица 1 Параметры измерительных линий
3начит, вращающаяся вокруг волновода диодная камера 2 с зондом 1 воспроизводит распределение напряженности поля в прямоугольном волноводе, причем полный оборот камеры соответствует перемещению зонда в прямоугольном волноводе на длине волны λв . Положение меньшей из осей эллипса однозначно связано с положением минимума поля в прямоугольном волноводе, т. е. с фазой коэффициента отражения. Измерение фазы коэффициента отражения заключается в отсчете по лимбу 5 положения диодной камеры, при котором индикаторный прибор показывает минимальное значение. Поворот диодной камеры осуществляется с помощью вращающегося сочленения 3. Отсчетная шкала “фаза” представляет собой полуокружность, разбитую рисками на 180 равных частей, так что цена каждого деления шкалы соответствует 2° измеряемого фазового угла. Точность отсчета фазы коэффициента отражения с использованием нониуса составляет ±20. Для начальной калибровки прибора по фазе относительно измерительного фланца нет необходимости пользоваться короткозамыкателем, а достаточно воспользоваться шкалой “частота” 4, жестко связанной с диодной камерой и способной поворачиваться относительно шкалы “фаза”. Шкала “частота” рассчитана так,. что при установке рабочей частоты диодная камера поворачиваются на угол, равный соответствующему изменению фазы волны между измерительным фланцем и плоскостью симметрии прибора. Таблица 2 Параметры поляризационных измерителей
Поляризационный измеритель позволяет определять полное сопротивление и при высоком уровне мощности СВЧ. Для этого в приборе предусмотрена замена диода диодной заглушкой, которая имеет такие же размеры. Между поляризационным измерителем и внешней диодной камерой размещают переменный аттенюатор, регулировкой которого добиваются на диоде уровня мощности в пределах, соответствующих квадратичному участку характеристики. В качестве индикаторного устройства при работе с поляризационными измерителями предпочтительно пользоваться измерительными усилителями. Параметры поляризационных измерителей даны в табл. 2 . 3. Панорамные измерители КСВ и полного сопротивления Панорамный измеритель КСВ состоит из генератора качающейся частоты (свип-генератора), измерителя отношения напряжений с направленным ответвителем и осциллографического прибора (рис. 12 ). Принцип работы прибора заключается в выделении сигнала, пропорционального мощности отраженной волны и в последующем измерении отношения мощностей отраженной и падающей волн, которое равно квадрату модуля коэффициента отражения.
Для реализации этого принципа следует включить два направленных ответвителя с диодными камерами между генератором и нагрузкой так, чтобы сигнал с квадратичного детектора одной диодной камеры был пропорционален падающей мощности Рп ( f ), а сигнал с детектора другой камеры был пропорционален отраженной от нагрузки мощности Ро ( f ) . Эти сигналы через усилители подаются на измеритель отношений, на выходе которого получается напряжение, пропорциональное квадрату коэффициента отражения от нагрузки:
После усиления это напряжение поступает в канал вертикального отклонения осциллографа. К горизонтальным пластинам осциллографа подводится напряжение от генератора, выполняющего функцию модулятора частоты генератора СВЧ. В результате на экране трубки наблюдается кривая зависимости квадрата коэффициента отражения от частоты (кривая 1 на рис. 13 ). Для калибровки КСВ на некоторых частотах используют электронный коммутатор, который попеременно подает в канал вертикального отклонения либо усиленное выходное напряжение измерителя отношений, либо образцовое напряжение. В результате на экране на фоне кривой 1 видна светящаяся визирная линия 2. Меняя образцовое напряжение, добиваются совмещения визирной линии с интересующей точкой кривой 1. Значение КСВ в этой точке отсчитывают по шкале прибора, проградуированного в величинах КСВ, а частоту определяют с помощью встроенного частотомера. Сложности в практической реализации схемы связаны с необходимостью применения свип-генератора с линейным изменением частоты в диапазоне свипирования, а также одинаковых или подобных переходных характеристик обоих направленных ответвителей и одинаковых или подобных характеристик диодных камер во всем рабочем диапазоне частот. Обычно в качестве свип-генератора применяют ЛОВ. Линейное изменение частоты в диапазоне свипирования достигается подачей на замедляющую систему лампы периодических импульсов экспоненциальной формы. В другом варианте панорамного измерителя КСВ сигнал с диодной камеры ответвителя, пропорциональный амплитуде отраженной волны в тракте, подается непосредственно на вертикальные пластины осциллографа. Точность измерений теперь уже зависит от постоянства мощности свип-генератора во всем диапазоне свипирования. Для стабилизации изменений мощности сигнала, неизбежно имеющих место при частотной модуляции, в генераторе предусмотрен автоматический регулятор мощности. Часть ответвленной падающей мощности подается на вход схемы автоматического регулирования, где происходит ее сравнение с опорным напряжением. Вырабатываемый схемой сигнал ошибки поступает на первый анод ЛОВ (стабилизация с внутренним управлением) или на электрически управляемый аттенюатор (внешняя стабилизация), благодаря чему обеспечивается постоянный уровень мощности в полосе частот. Таблица 3. Параметры автоматических панорамных измерителей КСВ и ослабления.
Панорамные измерители могут работать в режиме амплитудной модуляции импульсным напряжением прямоугольной формы с частотой 100 КГц. Наряду с периодической перестройкой частоты с разными периодами и с остановкой свипирования на выбранной частоте с автоматическим отсчетом возможна и ручная перестройка частоты при помощи частотомера со следящей установкой измеряемой величины. Панорамные измерители КСВ позволяют измерять и ослабления, вносимые четырехполюсниками. Измерение ослабления сводится к определению отношения мощностей выходного и входного сигналов четырехполюсника. Автоматические панорамные измерители КСВ и ослаблений, выпускаемые промышленностью, перекрывают частотный диапазон от 0,02 до 16,66 ГГц. Основные параметры некоторых из них приведены в табл. 3. В таблице А-ослабление, установленное по шкале аттенюаторов. Вход ВЧ-мощности у первых трех приборов коаксиальный, а у остальных - волноводный. Другим типом автоматических измерителей являются панорамные измерителя полных сопротивлений и измерители комплексных коэффициентов передачи. Результаты измерений представляют в полярных или прямоугольных координатах на экране осциллографа 1В виде зависимости полного сопротивления исследуемого объекта в функции частоты. Прибор состоит из трех блоков: свип-генератора, датчика полных сопротивлении и индикатора (рис. 14 ). Датчик полных сопротивлений представляет собой ВЧ-узел с четырьмя измерительными головками, с выхода которых снимаются НЧ-напряжения. Головки располагаются на расстоянии λв /8 друг от друга.
Установим связь между сигналом на выходе квадратичного детектора измерительной головки и коэффициентом отражения в линии. Запишем напряжение на первом зонде в виде
где ψ=2kz z-ψн ; z - расстояние между зондами и нагрузкой; ψн и |Г| -фаза и модуль коэффициента отражения от нагрузки. Представим напряжение на первом зонде так:
Тогда ток, проходящий через детектор с квадратичной характеристикой:
где b - постоянная величина. Ток через детектор, связанный с третьим зондом и отстоящий от первого на расстояние λв /2, равен
Соответственно токи через второй и четвертый детекторы
Измерительные головки должны быть настроены так, чтобы
а на выходе другого вычитателя, связанного .со второй и четвертой; измерительными головками, сигнал представится в виде
где k и k ’- постоянные. После усиления в соответствующих усилителях постоянного тока эти сигналы, сдвинутые по фазе на 90°, подаются на горизонтальные и вертикальные пластины осциллографа. Амплитуды их регулируются так, чтобы обеспечить равное отклонение луча в обоях направлениях. Значит, при изменении фазы коэффициента отражения на 360°, луч вычертит на экране окружность радиуса,. соответствующего модулю коэффициента отражения. Если частота генератора меняется по линейному закону во времени, то меняется и комплексный коэффициент отражения от измеряемого объекта, т.е. меняются |Г|=F(f) и ψн =F(f). Луч вычерчивает кривую, радиальное отклонение которой пропорционально |Г|, а азимутальное положение соответствует ψн . Точность измерения полного сопротивления в диапазоне частот зависит от идентичности четырех индикаторных устройств и стабильности выходной мощности частотно-модулированного генератора при изменении частоты. Автоматический измеритель полных сопротивлений РК.4-10 рассчитан на диапазон частот 0,11-7 ГГц с пределами измерений фазового сдвига 0-360°, модуля коэффициента передачи 60 дБ и КСВ 1,02-2. Погрешность измерения фазового сдвига 3°, фазы коэффициента отражения 10°, КСВ 10% (при КСВ ≤2) ЛИТЕРАТУРА: 1. Лебедев И.В. Техника и приборы СВЧ. М., Высшая школа, т. I, 1970, т, II, 1972. 2. Советов Н.М. Техника сверхвысоких частот. М., Высшая школа, 1976. 3. Коваленко В.Ф. Введение в технику сверхвысоких частот. М., Сов. радио, 1955. 4. Фельдштейн А.Л., Явич Л.Р. Справочник по элементам волноводной техники. М. –Л., Госэнергоиздат,1963. 5. Красюк Н.П., Дымович Н.Д. электродинамика и распространение радиоволн. М., Высшая школа, 1947. 6. Вайнштейн Л.А. Электромагнитные волны. М., Сов. радио, 19557 7. Маттей Д.Л., Янг Л.Е., Джонс М.Т. Фильтры СВЧ, согласующие цепи и цепи связи: Пер. с англ. М., Связь, 1971. |
||||||||||||||||||||||||||||||||||||||||||||||||||||||||||||||||||||||||||||||||||||







(6)


(11)




