Реферат: Навчальний експеримент у системі вивчення фізики в середній школі
|
Название: Навчальний експеримент у системі вивчення фізики в середній школі Раздел: Рефераты по физике Тип: реферат | |||||||||||||||||||||||||||||||||||||||||||||||
| Раздел: методика физики ФИО: Гугл Александр Название: НАВЧАЛЬНИЙ ЕКСПЕРИМЕНТ У СИСТЕМІ ВИВЧЕННЯ ФІЗИКИ В СЕРЕДНІЙ ШКОЛІ Вид работы: реферат Сдавлся: КПИ, 1999 г. § 1. Система шкільного експерименту з фізикиНавчальний експеримент у школі є основою вивчення фізики. Без перебільшення можна сказати, що якість знань і практичиа підготовка учнів з фізики перебувають у прямій залежності від якості фізичного експерименту. Шкільний фізичний експеримент підводить учнів до розуміння сучасних фізичнпх методів дослідження, виробляє у них практнчні вміння і навички. Під системою навчального експерименту розуміють сукупність взаємопов’язаних предметів навчального обладнання, методів і методичних прийомів, що відповідають домінуючій концепції навчання і виховання. Пройшовши тривалнй шлях розвитку, шкільний фізичний експеримент перетворився з окремих дослідів у струнку снстему навчального експерименту, яка охоплює такі його види: 1) демонстраційпі досліди, виконувані вчителем; 2) фронтальні лабораторні роботи; 3) роботи фізичного практикуму; 4) експериментальні задачі; 5) позакласні досліди, Усі ці види шкільного фізичного експерименту підпорядковані загальній меті навчання і виховання. Проте, крім цієї загальної мети, кожен вид навчального експерименту має більш вузьке цільове призначення, свої особливості в методиці і техніці проведення експерименту. § 2. ЗМІСТ І ЗНАЧЕННЯ ДЕМОНСТРУВАНЬ 3 ФІЗИКИПід демонструваннями з фізики розуміють покази фізичних явищ і зв’язків між ними. Демонстрування звичайно поділяють на дві групи: демонстрування самих фізичних явищ і демонстрування засобів унаочнення (моделей, плакатів, слайдів та ін.). Обидві ці групи демонструвань взаємно доповнюють одна одну, але основою для педагогічного процссу є перші з них, тобто демонстрування дослідів. Демонстрування дослідів — активний цілеспрямований процес, у ході якого вчитель керує відчуттямп та сприйманнями учнів і на їх оспові формує певні поняття й переконання. Метод і завдання демонструвань можуть бути різними. Здебільшого їх застосовують при розв’язуванні таких дидактичних завдань: а) створення початкових уявлень про фізичні явища (наприклад, демонстрування механічних рухів, теплової дії струму); б) формування фізичних понять; в) встановлення функціональних залежностей між величинами (демонстрування залежності опору провідників від температури, залежиість прискорення тіла від його маси та ін.); г) підведення учнів до розуміння сучасних фізичних методів до-слідження (осцилографічного, стробоскопічного, спектрального та ін.); д) показу практичного застосування фізичних законів в інших науках і техніці; е) розкриття принципів, покладених в основу деяких технологічних процесів (електрофарбування, електроіскрова обробка матеріалів, міднення та ін.); є) показу в мініатюрі природних явищ (грім, блискавка, північне сяйво, райдуга); ж) формування практичних умінь і навичок у поводженні з фізичною апаратурою. Демонстрування дослідів завжди пов’язане з відповідними поясненнями вчителя. У зв’язку з цим важливого значення набуває доцільне поєднання класного експерименту із словом учителя. Відомий педагог професор Л. В. Занков визначив чотири форми поєднання слова вчителя і демонстраційного експернменту. І ф о р м а. Учні дістають навчальну інформацію, спостерігаючи дослід, у процесі проведення якого вчитель дає відповідні вказівки і пояснення, спрямовуе в бажаному напрямі розумову діяльність учнів. ІІ ф о р м а. Учитель, спираючись на спостереження учнями наочних об’єктів і на наявні у них знання, веде їх до усвідомлення і формування таких зв’язків у явищах, яких учні самостійно не можуть побачити в процесі сприймання. ІІІ форма. Відомості про об’єкт, що вивчається, учні дістають від вчителя, а засоби унаочнення і досліди є підтвердженням або конкретизацією словесних повідомлень. ІV ф о р м а. Спираючись на відомості, одержувані учнями в процесі спостереження, учитель повідомляє про такі зв’язки між явищами, які безпосередньо учнями не спостерігаються, або робить висновок, об’єднуючи, узагальнюючи окремі результати спостережень. Експериментально встановлено, що більш міцні й свідомі знання дають І і ІІ форми поєднання демонструвань і слова вчителя. Тому цим формам слід надавати перевагу над іншими при проведенні демонстраційного експерименту з фізики. § 3. ОСНОВНІ ВИМОГИ ДО ДЕМОНСТРАЦІЙНИХ ДОСЛІДІВ 3 ФІЗИКИДемонстраційний дослід передає інформацію в основному за допомогою зорових образів, тому забезпечення доброї видимості під час демонструвань — одна з найважливіших вимог до нього. Ігнорування цієї вимоги, як правило, приводить до порушення дисципліни і втрати учнями інтересу до питань, що розглядаються на уроці. Потрібна видимість забезпечується відповідним конструюванням приладів, розміщенням їх, а також застосуванням деяких спеціальних заходів і прийомів, вироблених практикою викладання (про це мова йтиме далі). Не менш важливою вимогою до демонстраційного експернменту є наочність його. Під «наочністю» розуміють чітку й зрозумілу постановку досліду. Для цього слід складати найбільш прості установки, використовувати уже знайомі учням прилади. Учитель завжди повинен намагатися досягти потрібного результату найпростішими засобами. Кожне демонстрування має бути переконлнвим, не викликати сумнівів у достовірності здобутих результатів. Тому, проводячи демонстраційний дослід, треба повністю виключати або зводити до мінімуму різні побічні явища, які можуть відвертати увагу учнів від основного. Для цього інколи доводиться проводити додаткові досліди. Наприклад, проводячи досліди з тілами різних мас, треба пасамперед переконати учнів у тому, що тіла справді мають різну масу. Психологічні дослідження показують: чим сильнішою буде дія досліду на органи чуттів, тим міцніше він запам’ятовується. Тому демонстраційні досліди мають бути достатньо емоційними для збудження в учнів почуттів «здивованості», «захоплення», «незвичності», тобто почуттів, необхідних для виникнення проблемної ситуації. Одним з найважливіших факторів педагогічного процесу є раціональне використання часу. Вчителеві завжди потрібно стежити, щоб темп виконання досліду відповідав темпу сприймання учнями демонстраційного матеріалу. Значно зекономити час на уроці можна в процесі попередньої підготовки досліду вчителем. Наприклад, тривалість кипіння води при зниженому тиску можна значно скоротити, якщо воду брати не холодну, а заздалегідь підігріту. Важливою методичною вимогою до демонстраційних дослідів є їх надійність. Невдале демонстрування завжди порушує нормальний хід уроку, підриває авторитет учителя і призводить до дезорганізації роботп в класі. Надійності дослідів добиваються ретельною підготовкою їх, багаторазовою перевіркою, вибором найбільш вдалих приладів і деталей. Проведення дослідів має сприяти естетнчному вихованню учнів. Критерієм естетичності досліду є насамперед якість створення по-трібних ефектів для правильного формування уявлень про виучуване явище. Проведення будь-якого досліду повинне здійснюватись при суворому дотриманні правил техніки безпеки. § 4. ФРОНТАЛЬНІ ЛАБОРАТОРНІ РОБОТИ І ФІЗИЧНІ ПРАКТИКУМИПрограмами з фізики для середньої школи значна частина навчального часу відводиться на самостійне виконання учнями лабораторних робіт. При вивченні окремих питань програми учні під безпосереднім керівництвом учителя внконують фронтальні лабораторні роботи. Особливістю їх є те, що всі учні класу одночасно виконують ту саму роботу. Це полегшує працю вчителя на уроці, даючи йому можливість оперативно керувати діяльністю учнів, конт-ролювати хід виконання роботи на кожному її етапі. Залежно від змісту і складності фронтальної лабораторної роботи на виконання її може бути відведено від 5 до 45 хв. Наприклад, при вивченні фізики в 7 класі лабораторна робота «Одержання зображень магнітних полів» може бути виконана всього за кілька хвилин, а на виконання роботи «Визначення ефективності установки з електричним нагрівником» потрібно відвести цілий урок. Одним з видів навчального експерименту є фізичні практикуми, до яких включаються складніші лабораторні роботи, які можуть бути проведені в кінці великих розділів. Особливістю фізичних практикумів є те, що при проведенні їх учні одночасно виконують різні роботи. Фізичні практикуми, як і фронтальні лабораторні роботи, учні виконують індивідуально або групами (2—3 учні) залежно від конкретних умов школи, укомплектованості її фізичного кабінету. Виконуючи фронтальні лабораторні работи, учні досліджують чи розглядають одне або невелику кількість споріднених питань. Якщо проводяться фізичні практикуми, то в них треба включати ширше коло питаиь, які стосуються всього розділу або навіть різних розділів. Кількість вказаних у програмах лабораторних робіт, як і де-монстраційних дослідів, є обов’язковою. Але вчителеві дається право залежно від умов школи, рівня підготовки учнів певного класу, методики вивчення матеріалу, якої дотримується вчитель, замінювати лабораторні роботи рівноцінними їм або більш ефективними. Обов’язковими є також організаційні форми проведення лабораторних робіт: передбачені програмами фронтальні роботи повинні виконуватись фронтально. Бажано, звичайно, розширити кількість фронтальних лабораторних робіт, якщо для цього є відповідне об-ладнання і роботи органічно вплітаються в процес вивчення того чи іншого матеріалу. Особливо це слід робити при вивченні тих розділів, в яких кількість фронтальних робіт, передбачених програмами, незначна. Важливою вимогою програм є обов’язкове використання часу, що відводиться на фізичні практикуми, за прямим призначенням. У програмах подано перелік робіт фізичного практикуму і вказується час, відведений на виконання їх. Наприклад, у 9-му класі на виконання робіт практикуму відведено 16 годин і є перелік 19 робіт. Учитель може вибрати для проведення 8 робіт, розрахованих на 2 години кожна, а може поставити 16 одногодинних робіт. Зрозуміло, що список таких робіт учитель може дещо розширити, якщо для цього є відповідне обладнання й оригінальні дидактичні ідеї. У більшості шкіл фізичні практикуми проводять наприкінці навчального року, але при відповідному обладнанні фізичних кабінетів такі практикуми логічно проводити після вивчення великих розділів програми. У 9 класі, наприклад, один практикум доцільно виконати наприкінці вивчення питань молекулярної фізики, а другий—наприкінці вивчення електродинаміки. У 10 класі один практикум можна провести після вивчення теорії коливань, а другий — після вивчення оптики, атомної і ядерної фізики, Це дасть можливість тісніше пов’язати фізичні практикуми з вивченням певного кола питань, їх узагальненням і закріпленням. Основна мета лабораторних робіт: ознайомити учнів з експе-риментальним методом дослідження фізичних явищ; формувати розуміння принципів вимірювання фізичних величин, оволодіти способами і технікою внмірювань, а також методами аналізу похибок. § 5. РОЛЬ ЕКСПЕРИМЕНТУ В ПРОЦЕСІ ВИВЧЕННЯ ФІЗИКИ В ШКОЛІНавчальний фізичний експеримент — одна з найважливіших ділянок у системі оволодіння матеріалом фізики. Аналіз дидактичних можливостей навчального експерименту показує, що він може бути використаний на різних етапах вивчення матеріалу та з різною дидактичною метою. Розглянемо основні етапи оволодіння учнями навчальним матеріалом і, виходячи з цього проаналізуємо можливості навчального фізичного експерименту. Найефективнішим є так званий евристичний метод вивчення матеріалу, коли значну частину необхідних висновків учні роблять самостійно, використовуючи дані навчального експерименту (демонстраційного, фронтального, експериментальних. задач тощо). Основні етапи діяльності вчителя і учнів на уроці-можна показати схематично. На схемі ми показуємо не тільки послідовні етапи вивчення матеріалу, а й зазначаємо основних виконавців тієї або іншої навчальноі роботи. Це допомагає чіткіше уявити роль учителя в кожний момент уроку, відповідно готуватнсь до цього. Зрозуміло, що найбільших успіхів досягають ті вчителі, які вміють організувати процес навчання, ефективно керувати пізнавальною діяльністю учнів. Схема організації навчальної діяльності при евристичному методі вивчення матеріалу
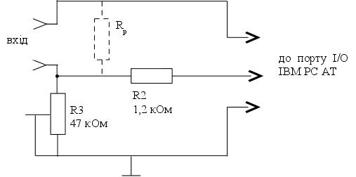
Під керівництвом учителя учні повинні самостійно відшукати мак-симально можливу кількість інформації, яку потрібно засвоїти. Ще К. Д. Ушинський вказував на необхідність саме такої організації навчального процесу: «Якщо навіть припустити, що учень зрозуміє думку, пояснену йому вчителем, то і в такому випадку думка ця ніколи не вляжеться в голові його так міцно і свідомо, ніколи не стане такою повною власністю учня, як тоді, коли він сам її виробить» (Ушинский К. Д. Собрание сочинений, т. 10. М.Л., Изд-во АПН, 1950, с. 422). § 6. ЗМІСТ І ЗАВДАННЯ ПРАКТИКУМУ з методики і техніки шкільного ФІЗИЧНОГО ЕКСПЕРИМЕНТУПрактикум з методики і техніки шкільного фізичного експерименту має на меті ознайомити студентів з основним обладнанням фізичного кабінету середньої школи та методикою і технікою постановки різних видів навчального експерименту: демонстраційних дослідів, фронтальних лабораторних робіт, фізичних практикумів і експериментальних задач. Структура і зміст завдань практикуму підпорядковані педагогічній концепції, згідно з якою найбільший педагогічний ефект від практикуму можна дістати тоді, коли студенти оволодіватимуть необхідними вміннями і навичками застосовувати різні види навчального експерименту в їх єдності. У зв’язку з цнм роботн практикуму (за винятком робіт з вивчення основного обладнання фізичного кабінету) включають у себе завдання з різнпх видів навчального експерименту під час вивчення того чи іншого питання шкільного курсу фізики. Передбачений програмою час для практикуму з методики і техніки шкільного фізичного експерименту дає змогу включити до робіт практикуму тільки найбільш складні демонстраційні досліди, а також окремі лабораторні роботи, роботи фізичних практикумів і експериментальні задачі, які найбільшою мірою дають змогу зрозуміти студентам специфіку цих видів навчального експерименту. У процесі виконання робіт практикуму кожен студент повинен оволодіти такими знаннями, уміннями і навичками: 1. Знати призначення і правила експлуатації основного обладнання з фізики для середньої школи. 2. Умітн складати установки за схемамн і описами, вміщеними в цьому посібнику та в інших виданнях, на які в описах робіт практнкуму зроблено посилання. 3. Оволодіти методикою і технікою виконання різних видів шкільного фізичного експерименту з дотриманням основних дидактичних вимог до них. 4. Уміти супроводжувати досліди чіткими, вичерпними і короткими поясненнями на рівні, доступному для учнів відповідного класу. 5. Оволодіти навичками в дотриманні правил техніки безпеки під час проведення всіх видів навчального експернменту. § 7. Засоби НІТ у навчальному фізичному експерементіСтрімке збільшення потоку наукової інформації у період технічного прогресу людства потребує своєчасного адекватного відбиття в навчальному процесі. Використання засобів нових інформаційних технологій (НІТ) сприяє не лише покращенню емоційного сприйняття, а й підвищенню інформативності навчального матеріалу, його наочності та доступності. Фізика за своєю основою є експериментальною наукою. Шкільний фізичний експеримент тісно пов’язаний з теоретичним навчанням. Навчальний експеримент передбачає: висунення теоретичної гіпотези, яка вимагає практичного підтвердження, розробку методу дослідження, постановку експерименту, спостереження за його ходом, зняття фізичних пара-метрів, їх систематизацію, аналіз та узагальнення і формулювання висновків щодо проведеної роботи. Зважаючи на універсальність, комп’ютерну техніку можна використати на всіх етапах проведення експерименту. Це відкриває нові, перспективні підходи щодо отримання експериментальних даних. Ефективність застосування ЕОМ в експериментально-дослідній роботі зумовлюється такими чинниками: висока точність результатів та їх достовірність, оскільки програмні засоби уможливлюють застосування методів, що знижують нагромадження похибок під час округлення та обчислення проміжних величин; скорочення кількості складних, дорогих і унікальних приладів; підвищення якості та інформативності дослідження за рахунок ретельнішої обробки даних; збільшення кількості об’єктів, що контролюються; підвищення емоційного впливу; скорочення циклів дослідження на основі прискорення підготовки і проведення експерименту, оперативного використання результатів аналізу, зменшення часу обробки та систематизації даних. Комп’ютеризація експерименту розширює обізнаність учнів з досліджуваним фізичним явищем, формує навички і надає їм впевненості під час використання сучасних експериментальних методів, ознайомлює з передовими засобами пізнання, видами контролю за технологічними процесами на виробництві, дає змогу по-новому розглядати методику постановки шкільного експерименту. Сучасні персональні комп’ютери (ПК) уможливлюють використання ЕОМ у дослідній роботі з підключенням відповідних допоміжних пристроїв у ролі засобів контролю, реєструючих приладів, приладів візуального відбиття та ін. На екрані графічного дисплея можна формувати систему шкал вольт-, ампер-і ватметрів та багатьох інших вимірювальних приладів, що реєструють певні параметри досліджуваних об’єктів. В експериментально-дослідній роботі проміжпою ланкою між ЕіОМ і об’єктом дослідження є датчики та перетиорюючі пристрої. Як правило, датчики сприймають інформацію в аналоговому вигляді (температура, тиск, освітленість, вологість, напруга та ін.), яку перш ніж «подати» до комп’ютера, необхідно перетворити в цифрову форму. Під час роботи з групою датчиків програми забезпечують періодичне опитування стану кожного з них. Після обробки експериментальних даних ЕОМ направляє результати в необхідному для аналізу вигляді на пристрої виводу. Для використання апаратних засобів ЕОМ, опрацювання сигналів, що надходять, і виведення результатів у зручній для сприйняття формі створюють відповідні програмні засоби обробки та дослідження сигналів. Такі програми можуть бути спеціалізовані — призначені для дослідження конкретного фізичного об’єкта, або універсальні — для забезпечення певного виду експериментів. Програмні засоби, призначені для забезпечення сприйняття іиформації про зміну параметрів фізичних величин та їх характеристик від датчиків та перетворюючих пристроїв для її наступної обробки в цифровому вигляді, збереження та реєстрації на засобах виводу, відносять до експериментально-дослідних. Питання комп’ютеризації експериментально-дослідної роботи неодноразово порушу-валися в наукових та навчально-методичних виданнях, але специфіка підходу щодо застосування та їх інформативність недостатні для використання в шкільній практиці. Виконання таких робіт у навчальному процесі забезпечує розроблений пакет педагогічних програмних засобів (ППЗ) «F(t)». Він призначений для демонстрації і дослідження зміни фізичних величин з часом та експлуатації ПК типу ІВМ РС як осцилограф. ППЗ «F(t)» забезпечує візуалізацію часових змін характеристик фізичних величин, що досліджуються за допомогою датчиків резистивного типу (фото-, термо-, магніто- і га-зорезистори та ін.) та перетворювачів, підключених до аналогово-цифрового порту вводу ЕОМ ІВМ РС і сумісних з ними. Інструментальна похибка у вимірюваннях та розрахунках на основі рекомендованого пакету програм не перевищує 5 %. Дослідження проводять у системі з реальним масштабом часу. ППЗ «F(t)» дає змогу оцінити відхилення електричних характеристик датчика фізичної величини і побудувати графічну залежність зміни її па-раметрів з часом на екрані ди-плея (типу EGA або VGA). Пакет «F(t)» передбачає повний і посторінковий перегляд досліджуваного процесу апрок-симованої графічної залежності й проведення його функціонального дослідження на основі диференціювання та інтегрування функції з обчис-ленням площі криволінійної трапеції та знаходженням абсолютних екстремумів функції. У пакеті реалізована можливість кросування функції для визначення її значень у будьякий момент часу дослідження. Для покращення психологічного сприйняття, інформативності та слухового контролю передбачено звуковий супровід експериментального процесу. Враховуючи невеликі розміри дисплея, що впливає на погіршення демонстраційних характеристик ПК, а також проблеми підключення ЕОМ з EGA та VGA дисплеями до побутових телевізорів, у пакеті передбачена можли-вість виведення відеоінформації з підвищеним контрастом. Програма забезпечує вивід результатів дослідження на друкуючий пристрій для отримання твердої копії утвореної графічної залежності та даних її аналізу. Основним робочим файлом пакета, який забезпечує отримання даних та керування експериментальним процесом є f(t).ехе. Інформація про досліджуваний процес за умовчанням заноситься у файли даних f(t).dat та атрибутів f(t).аtг для подальшої обробки та збереження в бібліотеці експериментальних даних. За необхідності користувач має змогу створити або викликати з бібліотеки даних (каталог ОАТА) для дослідження свій файл з будьяким іншим іменем, що відповідає вимогам та синтаксису операційної системи MS DOS. До пакета також входять допоміжні файли з довідковою і технічною інформацією для користувачів f(t).doc і f(t).shm, в яких описано призначення та можливості ППЗ «F(t)», його особливості, функціональні клавіші, схеми узгодження та ін. Датчики під’єднують через стандартний аналогово-цифровий порт вводу/виводу ЕОМ ІВМ РС за допомогою узгоджувального пристрою (мал. 1.). Для отримання інформащї щодо стану датчиків звертаються до порту за адресою 0201h.
Наочність та інформативність споглядання ходу демоистраційного експерименту забезпечується безпосереднім спостереженням використаного обладнання і засобів, а також результатів обробки експериментальних даних у графічному та цифрознаковому вигляді на дисплеї ЕОМ і копії, отриманої на друкуючому пристрої. Передбачено збереження експериментальних результатів та функціональної залежності, добутих під час досліджень, у бібліотеці даних для наступного використания для актуплізації опорних знань, на уроках узагальнення набутих знань, умінь та навичок, а також під час повторения навчального матеріалу. Такий комп’ютеризований підхід до проведення шкільного фізичного експерименту розширює обізнаність учнів з досліджупаними явищами, надає їм впевненості під час використання сучасних експериментальних засобів, ознайомлює з персдовими способами пізнання, новими інформаційними, навчальними технологіями, сучасними методами контролю за технологічішми процесами на виробництві, перспективними методами наукових досліджень, навчає розрізняти реальні та ідеальні об’єкти фізики, створює умови оновлення методики та техніки постановки шкільиого демонстраційного експерименту з фізики. § 8. Приклад навчального фізичного експериментуДля ілюстрації вище сказаного пропонується навчальний фізичний експеримент демонстраційнодослідного характеру, що забезпечує вивчення механічних коливальних процесів та сприяє засвоєнию знань з таких розділів фізики, як акустика, радіотехніка, електроніка, хвильова оптика, фізика атома і ядра. Проведення й постановка відомих традиційних експсримептів для вивчення механічних коливань з використанням самописців, пісочниць, крапельниць з метою дослідження закономірностей коливальних рухів мають низку недоліків, пов’язаних в основному з необхідністю виготовлення численних вузькоспеціалізованих, принципово відмінних пристроїв. Використання засобів сучасної електронної техніки дає змогу удосконалити деякі класичні навчальні експерименти. Розглянемо графічні способи демонстрування залежності координати тіла фізичного маятника від часу з використанням ком’ютерної техніки. Прилади та обладнання: штатив з лапкою і муфтою; фізичний маятник (масивне тіло на тонкому металічному стержні — шпиці); з’єднувальні провідники; змінний резистор (47 кОм); узгоджувальний пристрій (мал. 1), комп’ютер ІВМ РС АТ з інстальованим пакетом ППЗ F(t). Підготовка демонстрації. Механічно жорстко з’єднують стержень фізичного маятника з віссю змінного резистора, корпус якого закріплюють у лапці штатйва так, щоб маятник міг здійснювати коливальні рухи. Для зменшення впливу тертя та забезпечення точності експериментальних даних змінний резистор має бути функціональної групи А (з лінійною залежністю опору від кута повороту). Рекомендований тип змінного резистора — ПТП 1, ПЛ П 1 або інші подібні. Для забезпечення навчальних якостей експерименту слід передбачити можливість зміни маси маятника, а також його довжини в межах від 0,2 до 1,5 — 2 м. Стержень можна виготовити зі стального дроту діаметром 1 — 2 мм. Контакти змінного резистора з’єднують гнучкими, скрученими між собою провідниками з вхідними клемами узгоджуиального пристрою (мал. 1). Потім цей пристрій з’єднують з портом вводу-виводу комп’ютера ІВМ РС АТ. Розта-шування компонентів демонстраційної установки повинно забезпечувати одночасне спостереження коливань маятника й експериментальної графічної залежності на екрані дисплея. Хід експерименту. Вмикають комп’ютер і активізуюгь ППЗ «F(t)». Входять у розділ меню «Make date of process» і згідно з передбаченими ППЗ розділами вводять основні характеристики досліджуваного процесу: 1. Максимально можливе амплітудне значения зміщення маятника Х (см), що передбачається зафіксувати в процесі дослідження. Значення зміщення можна спостерігати по осі ординат. 2. Час одного раунду t (с), що фіксується по осі абсцис. За часом одного раунду визначають час, необхідний для проходження променем робочої частини екрана зліва направо. Дані, відображені на біжучому екрані (сторінці), зберігатимуться в пам’яті. Тривалість одного раунду вибирають такою, щоб можна було детально розглянути зміну параметрів, оскільки ППЗ передбачає роботу в реальному масштабі часу. 3. Літерне позначення досліджуваної величини, що реєструється на осі ординат і в подальшому використовується для опису функціональної залежності її зміни з часом «F(t)». Після вводу характеристик процесу на екрані дисплея з’являються осі координат із заданими величинами, а також біжучі параметри, що ха-рактеризують хід експериментального процесу: час дослідження, миттєве значення досліджуваної величини, номер робочої сторінки та ін. Комп’ютер переходить до режиму реєстрації і збереження даних від датчика, їх обробки і виводу результатів на екран дисплея в графічному вигляді. Для демонстрування графічної залежності координати фізичного маятника від часу використовують маятник з якомога більшою довжиною стержня (для збільшсння періоду коливань) і масою вантажу (для зменшення впливу сили тертя). На початку експерименту відхиляють маятник від положення рівноваги і спостерігають синхронні зміщения електронного проме-ня на екрані ЕОМ. Повторюють спостереження для різних значень зміщення маятника. Звертають увагу на те, що під час збільшення миттєвого зміщення маятника спостерігається відповідне більше відхилення електронного променя. На основі цього доходять висновку, що відхилення променя змінюється про-порційно зміщенню маятника від положення рівноваги, тобто його миттєвому зміщенню. Зміщують маятник від положення рівноваги на невеликий кут і відпускають. У процесі дослідження спостерігають за коливанням маятника і одночасним віддзеркаленням графічної залежності на екрані дисплея. Експери-мент повторюють, змінюючи довжину маятника (стержня). Доходять висновку про залежність періоду коливань від довжини маятника. В разі потреби відтворюють копію графічної залежності на друкуючому пристрої (мал. 2).
Під час розгляду затухаючих коливань масу вантажу маятника слід зменшити. Виводять маятник з положення рівноваги і, спостерігаючи за його коливаннями і функціональною залежністю на екрані дисплея, звертають увагу учнів на те, що коливання з часом припиняються. Крім того, слід звернути увагу на те, що з часом зменшується лише амплітуда коливань , а не їх період, як іно-ді помилково думають учні. Для спостереження затухаючих коливань збільшують масу маятника, надають йому можливість здійснювати вільні коливаиня, які відбуватимуться протягом тривалішого часу. За графіком коливань доходять висновку про обернену експоненціальну залежність зміни амплітуди коливань з часом (мал. 5). Після закінчення роботи аналізують результати дослідження, користуючись даними, що зберігалися на запамтовуючих пристроях комп’ютера. При цьому використовують розділи меню «Page of process» для посторінкового перегляду досліджуваного процесу або «Show the whole process» для одночасного спостереження всієї залежності на екрані. Покращення де-монстраційних та інформаційних якостей можна досягнути, скориставшись сервісними функціями ППЗ «F(t)»: задіяти кросування функції, вивести координатну сітку, відтворити зображення в чорнобілому режимі з підвишеною контрастністю для спостереження у великих аудиторіях, задіяти аудіосупровід та ін. Подібний аналіз доцільно проводити з використанням копій, які отримано за допомогою друкуючого пристрою. ЗаключенняУ даній роботі була розглянута методика та техніка проведення навчального експерименту у системі вивчення фізики в середній школі. Були розглянуті рекомендації студентам, які проходять практику викладання фізики в школі щодо навчального експерименту. На прикладі була продемонстрована схема проведення навчального експерименту з використанням сучасних методів учбового дослідження. Добре висвітлено, що навчальний експеримент у всіх його формах є важливою частиною учбового процесу.
Список використаної літератури
Зміст
|

