Реферат: Освещение в видеосъёмке
|
Название: Освещение в видеосъёмке Раздел: Рефераты по физике Тип: реферат |
| Освещение Неправильное освещение может стать причиной, по которой трудно узнать человека на экране. Любительские и профессиональные кадры при одинаково точно подобранной композиции часто отличаются именно качеством света. Диапазон яркости, воспринимаемый человеческим глазом, значительно превосходит диапазон световой чувствительности любой камеры, и изображение, записанное на видеопленку, может существенно отличаться от того, что мы видим. Поэтому надо стремиться к ровному освещению сцены, избегая чрезмерных контрастов, особенно при съемке людей. Требования к освещению возрастают для кадров, которые в дальнейшем предполагается использовать для нелинейного монтажа. При оцифровке на больших темных участках изображения могут появиться шумы квантования в виде хаотично мерцающих светлых точек — «снега», а пересвеченные места теряют четкость, «растекаются». Положение еще больше ухудшается, если такие кадры дополнительно обрабатываются программами монтажа с применением всевозможных видеоэффектов. Для нелинейной видеообработки больше подходят достаточно светлые и ровные (мягкие) кадры, без больших однотонных участков. В отраженном, например, от облаков, потолка или стен ненаправленном свете изображение получается очень мягким, без теней. При рассеянном (диффузном) свете, например от солнца сквозь облака или туман, от светильника с рассеивающим экраном, тени становятся полумягкими. Узко направленный солнечный свет в ясный день или свет от рефлектора дает глубокие тени и жесткий контраст даже при незначительном отклонении луча от оптической оси объектива. Дополнительная подсветка или рассеяние света от предметов окружения, облаков или специальных отражающих экранов смягчает освещение. Для устранения излишней засветки применяются поглощающие экраны, с их помощью повышают контрастность определенных участков изображения. Контрастность освещения определяется отношением яркости (в экспозиционных числах) эталонной серой поверхности на свету к яркости ее в тени. Так как видеофильмы просматривают при дневном освещении, контраст на лицах людей не желательно делать больше 2,5–3, причем соотношение яркостей самого светлого и самого темного участков кадра не должно превышать 30 единиц. Контрастность 2 и менее — мягкая светотень, бывает в пасмурную погоду. Хорошо прорисовывается общая форма и цвет предметов как на свету, так и в тени, но изображение выглядит плоско, мелкий рельеф поверхности (фактура) только угадывается. При таком свете лица людей кажутся моложе, так как сглаживаются морщины, становится малозаметной бугристость кожи, убираются тени под глазами. Чтобы стали более выразительными плоские лица, требуется повысить контраст до 3, использовать свет от «солнца в молоке». Для ровного освещения нескольких объектов и при съемке в больших помещениях лучше использовать непрямой (отраженный) или сильно рассеянный свет, а чтобы избежать теней от одного человека на другом, надо применить несколько источников света. Контрастность 4 — глубокая светотень, на природе бывает в малооблачную погоду, когда солнце над горизонтом стоит под углом 30–60°. Изображение получается объемным, можно различить форму и цвет объекта как на свету, так и в тени. При таком освещении очень выразительными будут выглядеть пейзажи. Отчетливо прорисовывается фактура поверхности. При контрасте более чем 5:1 в тенях исчезают детали, изображение на свету растекается. Контрастность 8:1 и более — сильный контраст, получается при ярком солнце в зените. Тень черная, без цвета и формы, на свету не видно деталей. Такое освещение не пригодно для обычной съемки, так как реалистическое изображение превращается в гравюру. Но яркими силуэтами и бликами на черном фоне можно передать атмосферу ночных съемок, для чего используют мощный узконаправленный боковой свет. Это единственный способ показа сцены в темном чулане или в подземелье. Красивое небо лучше снимать над светлыми отражающими и блестящими поверхностями, например над песком, снегом, водой, иначе контраст получится чрезмерным. Вода при высоком солнце (более 42° над горизонтом) становится темной1, при низком — искрится, приобретает цвет неба. Степень контрастности кадров придает сцене определенное настроение, этим свойством освещения широко пользовались еще на заре кинематографии. Цвет несколько сглаживает эффект, но его всегда можно приглушить. Мягкое изображение в теплых темных тонах без прорисовки деталей можно использовать в романтических сценах. Пониженный контраст при светлых тонах или рассеянная светящаяся воздушная дымка навевают лирическое настроение, в них есть элемент некоторой недосказанности. Повышением контрастности, глубокими тенями можно подчеркнуть драматизм момента. На контрастность изображения влияет направление главного источника света. Восприятие объема и формы предметов зависит в некоторой мере и от того, в какую сторону падает тень. Фронтальное освещение (прямой свет со стороны камеры, например от низкого солнца) убирает тени, фактура предметов почти не просматривается. При таком свете трудно передать глубину сцены, пространство становится плоским. Лица людей плохо узнаваемы. Фронтальное освещение подходит только для дальних планов, где не требуется прорисовка деталей. Фронтально-боковой верхний свет (из-за спины оператора сбоку и сверху) с углами направлений сверху вниз и сбоку к оси объектива по 30–60° является наиболее универсальным, контраст умеренный, можно снимать людей. Боковое освещение образует темные тени, подчеркивает объем предметов и фактуру поверхностей, контраст повышенный. Тени от объектов с криволинейной формой приобретают плавные переходы. Боковое освещение подходит для пейзажной съемки (рис. 1). Наибольший контраст и эффект объемности проявляется при свете, перпендикулярном к оси объектива. Встречно-боковой свет дает яркие блики на предметах, привносит легкость и воздушность. В глубоких тенях не видно деталей. Такой свет можно использовать для создания определенного настроения.
Рис. 1. Ледник при боковом освещении Контровое (встречное) освещение желательно направлять снизу, чтобы в объектив не попадали прямые лучи. Оно дает очень глубокие тени. Объект изображается своим силуэтом. При выборе экспозиции по свету вокруг предметов образуется мягкий ореол, а при выборе экспозиции по тени на контуре объекта появляется четкая светлая кайма. Полупрозрачные предметы светятся изнутри. Для съемки блестящих и сверкающих объектов встречный свет лучше направлять параллельно их поверхности. Так, водная рябь или гладь красиво смотрится при низком встречном солнце. Верхнее освещение дает короткие тени, вызывает ощущение жары. Самостоятельное применение такого света крайне ограниченно, требуется, по крайней мере, дополнительная фронтальная подсветка. Спектр излучения источника света характеризуется его цветовой температурой. Ее значение численно равно температуре, до которой необходимо нагреть абсолютно черное тело, чтобы оно стало излучать свет такого же спектрального состава, как и характеризуемый источник. Смещение в красную область спектра означает понижение, а в синюю — повышение цветовой температуры. В качестве эталона белого света на телевидении принято значение 6500 °К. Человеческий глаз хорошо различает цвета и днем, и при свете ламп, хотя объективно окраска предметов изменяется в зависимости от оттенка источника освещения и цвета поверхности. Белые детали приобретают цвет источника света, а цветные так изменяют свою окраску, что иногда бывает трудно заранее предугадать результат. Мозг корректирует восприятие, поэтому даже в сложных условиях освещенности мы можем и не заметить цветовых искажений. Измерение цветовой температуры источника света в видеокамере основано на сравнении интенсивности красной и синей составляющих спектра излучения. Для автоматической установки баланса белого в памяти видеокамер заложены параметры многих источников света. Но при смешанном освещении или освещении источником света с прерывистым спектром излучения в работе автоматики могут появиться ошибки, и тогда белые поверхности уже не будут отображаться на экране белым цветом, а на всем изображении появится цветной оттенок. Даже если баланс белого установлен правильно, цветовые характеристики освещения все же изменяют контраст и насыщенность изображения. Во-первых, поверхности, окрашенные в цвета, противоположные цветовому смещению источника света, выглядят темнее, чем при белом освещении, их цвет становится менее насыщенным. Так, под лампами накаливания теряют яркость голубые и синие части предметов, а под люминесцентными лампами дневного света (цветовая температура до 7500 °К) — красные, оранжевые и желтые поверхности. Синее смещение освещения делает губы человека почти черными, и лицо становится излишне драматичным. Во-вторых, поверхности, окрашенные в цвета, подобные цветовому смещению источника света, на экране становятся светлее, чем окружение. По этой причине прямое освещение лампами накаливания (цветовая температура 2500–3200 °К) делает лицо белого человека плоским и маловыразительным, так как губы осветляются и «расплываются». Классический набор источников света При съемке в студии количество осветительных приборов может достигать десятка. Освещением на съемочной площадке управляют светотехники, которым на другие дела просто не остается времени. Даже на природе естественные источники освещения часто дополняются искусственным светом. В любительской практике не все из нижеперечисленного легко использовать в одиночку, поэтому в случаях, когда одним источником света обойтись невозможно, желательно взять себе помощника по свету. Наиболее сложным делом является подсветка движущихся объектов. Главные источники света обеспечивают минимально необходимые условия съемки. К ним относится основной (рисующий) свет и дополнительное освещение Основной (ключевой, рисующий) свет предназначен для прорисовки общей формы объекта. При съемке на природе его источником может быть солнце. Свет прямой, наиболее интенсивный. Для обычной и самой продолжительной съемки ключевой свет надо направлять на переднюю часть объекта (лицо героя) сверху и сбоку (лучше слева) под углами азимута и высоты равными 45±15°. При другом положении солнца снимать людей с масштабом крупнее общего плана не желательно. Дополнительные источники света используют для освещения теневых участков сцены, то есть для уменьшения контрастности изображения. При имитации природного освещения их спектральный состав может быть слегка смещен в холодные тона — в сторону цвета голубого неба. К дополнительным источникам света относится заполняющий, выравнивающий, фоновый и отраженный свет. Заполняющий свет , равномерный и рассеянный, приходит со стороны камеры параллельно оптической оси, служит для подсветки теней, отбрасываемых деталями предмета на его поверхность. Это может быть свет, отраженный от больших светлых экранов, например от стены. На малых расстояниях источником заполняющего света станет встроенная в камеру осветительная лампа с подходящей спектральной характеристикой. Интенсивность света выбирается такой, чтобы контраст изображения получился в пределах 2–4 ступеней экспозиции. Выравнивающий свет , рассеянный или направленно-рассеянный, направляется на переднюю поверхность объекта сверху под углом 30–60° и сбоку с теневой (противоположной основному освещению) стороны под углом 0–60°, применяется как дополнение для заполняющего света. Источником выравнивающего света могут служить облака или потолок и часть стены. Фоновый свет подсвечивает задний план, придавая сцене глубину. В больших помещениях во избежание обратной тональной перспективы применение дополнительной подсветки фона обязательно. Источником фонового света на природе может являться небо. При съемке людей яркость фона надо делать выше яркости теней на лице, но ниже яркости его освещенной части. Рефлексный (отраженный от снега, песка, потолка, стен и т. д.) свет приобретает окраску. Он смягчает тени на выпуклых или плоских частях предмета, позволяет дополнительно подчеркнуть объем объекта и передать особенности окружения. Имитируя с помощью компьютера соответствующие цветные рефлексы, можно подогнать архивные кадры к колориту текущей обстановки. Вспомогательные источники света придают кадру особую выразительность и настроение. Применение специфической подсветки вызывает определенные затруднения, поэтому вместо моделирующего света и световых эффектов легче использовать подходящий видеофильтр уже на этапе компьютерного монтажа. Моделирующий свет , создавая «рефлексы» и блики на неярких участках объекта («зайчики» на темных волосах, черных деталях одежды), подчеркивает форму объекта. Моделирующий свет узким пучком направляют на затененную переднюю сторону объекта снизу и сбоку. Вместо активных источников можно использовать зеркальные поверхности. Световые эффекты в виде ярких бликов или движущихся теней различной окраски и яркости позволяют имитировать свет от свечи или горящей спички, солнечные зайчики от колышущейся воды и т. п. Такая имитация дает результат лучше, чем съемка при недостаточном натуральном освещении, когда неизбежно появляются шумы в виде «снега». Эффекты создаются с помощью прожекторов, подвижных зеркал и цветных масок. Встречный свет (контражур) предназначен для создания яркой контурной линии или нимба вокруг объекта путем подсветки его сзади и снизу. Толщина ореола зависит от выбора экспозиции и положения источника света. Чем меньше выдержка и диафрагма, тем тоньше получится светлая кайма. Сам источник надо располагать под таким углом, чтобы его свет не попадал в объектив прямо. Контражур по интенсивности должен превосходить основной свет, его избыточность компенсируется увеличением бокового света. Встречное освещение вполне возможно осуществить при съемке ограниченно подвижных объектов. Для съемки при встречном свете хорошо использовать бленду для объектива (насадку-козырек). Она уберет неинформативную засветку кадра — вуаль и светлые вертикальные полосы, увеличит цветовую насыщенность. Бленда особенно необходима при использовании широкоугольной насадки на объектив. Природное освещение В ясную погоду основными источниками света являются солнце и небо. Спектральный состав прямого солнечного света зависит от положения нашего светила относительно горизонта, так как атмосфера поглощает коротковолновые (сине-фиолетовые) лучи больше, чем красные. По мере подъема над горизонтом солнце из красного становится в зените бело-желтым, цветовая температура повышается с 2200 °К до 5700 °К. Цвет неба зависит от многих факторов и изменяется от голубого до синего, цветовая температура соответственно увеличивается от 104 до 3 ґ 104 °К. Тени, которые освещаются преимущественно голубым небом, кажутся холоднее светов (освещенных участков) под желтым солнцем. Синие тени и желтые света дополнительно увеличивают контраст изображения. Днем в пасмурную погоду и при солнце в дымке разница в окрашивании света и тени мало заметна (цветовая температура около 5500 °К и 7000–8500 °К соответственно). Солнце на рассвете или при закате стоит над горизонтом под углом 0–6° и дает резкий контраст светотени. Освещены только вертикальные поверхности предметов, прямой солнечный свет окрашивает их в красный цвет, тени черные, другие цвета приглушены. Такое положение солнца подчеркивает рельеф местности и подходит для съемки пейзажей, тихой глади воды при встречном свете. Для съемки людей крупным планом подобное освещение непригодно, особенно неприемлем боковой свет из-за чрезмерного контраста. Вечер — хорошее время для съемки городских пейзажей, так как при еще достаточном свете на улице уже зажигаются окна домов. Низкое солнце (13–15° над горизонтом) утром, вечером или зимним днем дает резкое отличие в освещении горизонтальных и вертикальных поверхностей. На свету предметы окрашиваются в оранжево-желтые оттенки, а тени — в синие (цветовая температура солнца — 2500–3500 °К, неба — более 15 000 °K). Контраст высокий, цветопередача искажена. Освещенная часть лица приобретает золотистый теплый оттенок. В крупных планах полезна подсветка встроенной лампой для выравнивания освещенности теневой части до уровня яркости неба и коррекции ее цветности. Для съемки дальних планов больше подходит утреннее освещение, а не вечернее, так как воздух после жаркого дня становится менее прозрачным. Низкое солнце в пасмурную погоду не дает теней и для съемки едва ли пригодно. Универсальным освещение бывает, когда солнце светит под углом 30–60°, свет белый, цветовая температура — около 55 000 °K. В это время освещенность горизонтальных и вертикальных поверхностей примерно одинаковая, и цветопередача освещенных участков наиболее удачная. Тени голубые, в нужных местах их можно смягчить отражающими белыми экранами на подставках. Можно снимать и людей, и пейзажи. Солнце в зените мало пригодно для съемки, так как освещаются в основном горизонтальные поверхности. Но только такое естественное освещение и бывает в лесных чащах, глубоких карьерах, дворах-колодцах. Здесь требуется фронтальная подсветка и подсветка снизу, удовлетворительные результаты получаются при съемке на светлом песке или на снегу. В солнечный день под сенью деревьев образуется множество световых пятен и бликов, из-за чего контраст становится запредельным. По этой причине снимать в парке или в лесу лучше пасмурным днем или при солнце в дымке. Место для съемки желательно выбрать на поляне, чтобы в кадр попал хотя бы небольшой участок неба. Дневное «солнце в молоке» (небесная дымка), высокие перистые облака или яркое пятно вместо солнца за сплошными неплотными облаками — идеальное освещение для съемки. Свет и тень белеют, значит, получаются и наилучшая цветопередача, и мягкая светотень. Освещенность в это время уменьшается в два раза, и светочувствительная матрица видеокамеры дает наилучшее разрешение, ведь избыточная освещенность матрицы приводит к растеканию электрических зарядов фотоэффекта и, следовательно, к потере четкости изображения. Рваное предгрозовое небо, когда из-за темных туч пробивается яркое солнце, может стать отличным, но непредсказуемым освещением для разворачивания драматичных событий. Пейзажи приобретают внутреннюю напряженность. Солнце за плотной тучей при голубом небе дает тусклый и рассеянный свет, в котором исчезают тени, предметы становятся плоскими. Такое освещение не слишком хорошо для съемки. Пасмурный день не дает теней, контрастность очень низкая, цветовая температура более 6500 °К, цвета блекнут. Изображение получается плоским, необходимы дополнительные средства для подчеркивания объема и формы предметов. Освещение подходит для съемки людей крупным планом, но при этом желательна боковая направленная подсветка, особенно для плоских лиц, нужны цветовые контрасты. Яркая теплая подсветка встроенным осветителем даст эффект съемки при заходящем солнце. Особенности окружения Источниками света являются не только солнце, небо и осветительные приборы, но также естественные и искусственные отражающие поверхности. Снег и песок, светлые стены зданий, облака и потолок рассеивают падающий на них узконаправленный свет, ослабляют глубину теней и смягчают контрастность. Кадры получаются очень мягкими, если люди освещены только отраженным светом. Таким образом, отражающие и поглощающие особенности окружения могут полностью изменить характер освещения сцены. Чтобы уменьшить контрастность бокового или верхнего освещения при съемке на природе, вместо специального источника выравнивающего света легче применить не потребляющий энергию светоотражающий переносной прибор, например обтянутый изнутри белой тканью зонт. Надо учесть, что рассеянный свет исходит от источника, размеры которого соизмеримы с расстоянием до освещаемого объекта, вполне достаточно подсветить только лицо человека. Снежный покров отражает до 80 % света, и для прорисовки лиц полностью отпадает необходимость в нижней подсветке. Для подчеркивания рельефа местности надо снимать при низком боковом солнце. В пасмурную снежную погоду необходимо исключить белый фон, иначе кадр получится блеклым (рис. 2). На морозе снег искрится и против солнца появляется розовая снежная дымка. При ярком высоком солнце, дающем слишком жесткий контраст, можно снимать на теневой стороне улицы в отраженном от домов противоположной стороны свете. Когда в кадр попадет освещенный прямым солнечным светом участок, может нарушиться баланс белого, изображение теневой стороны улицы приобретет синеватый оттенок. Цветные отражающие поверхности окрашивают окружающие предметы, а блестящие и зеркальные поверхности дают блики на темных элементах, это неразрывно связывает изображение объекта с обстановкой. Цветной оттенок могут дать песок, светлые стены домов, скалы и т. п., при съемке людей этого надо избегать. Но, с другой стороны, на этапе компьютерного монтажа бывает полезно «подкрасить» вставляемые архивные кадры для согласования обстановки.
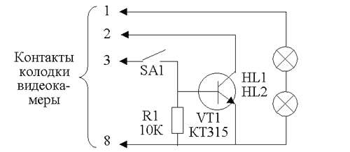
Рис. 2. Снег и пасмурная погода. Полностью отсутствуют тени, без перспективы кадр получился бы слишком плоским Избыточный рефлекс (отраженный свет) делает изображение слишком мягким, и следовательно — плоским. Малоконтрастное основное освещение от потолка, плотных облаков требует боковую узконаправленную подсветку, подчеркивающую объемность за счет теней. Темные поверхности углубляют тени, увеличивают контраст и одновременно уменьшают общий уровень освещенности. Сильными естественными поглотителями света являются черная земля, хвойные растения, тоннели и т. д. С помощью поглощающего экрана, например черного зонта, можно убрать лишнюю засветку на лице, такой экран пригодится также при съемке малоконтрастных объектов. Можно изготовить универсальный отражатель-поглотитель, обтянув черный зонт изнутри белой тканью. Кстати, этот зонт пригоден для использования и по прямому назначению — спасет от дождя и солнца, он также заменит бленду, играя роль козырька. Мельчайшие капельки и кристаллики воды в воздухе рассеивают свет синей части спектра, красные лучи при этом почти не преломляются. Это приводит к тому, что в зависимости от расстояния до объекта контрастность, цветовая насыщенность и тональность изображения существенно изменяются. Легкая воздушная дымка усиливает тональную перспективу, получается синяя даль. Туман и густая снежная пыль на все изображение накладывают белую вуаль, прорисовываются только ближние планы в пастельных тонах, а в контровом свете появляется воздушное розовое свечение. Туман в долинах лучше снимать сверху при встречно-боковом солнце. Дождь смягчает цвета, и в зависимости от расстояния сначала уменьшается насыщенность синего, потом красного цветов. Контрастность во время дождя низкая. Блеск мокрых поверхностей подчеркивает объем и форму предметов. Благодаря лужам не требуется нижняя подсветка. При съемке против солнца появляются блики, они особенно впечатляют в дальних планах и пейзажах. Пыль и смог уменьшают видимость, воздух становится темно-серым, солнце краснеет. Такие условия едва ли пригодны для съемки. Единственное, что вам может помочь — это поляризационный светофильтр… или отпуск: над морем пыли не бывает. Смешанное освещение, например подсветка предметов лампами накаливания в условиях природного освещения, оправданно лишь при красном солнце на закате или восходе, тогда еще возможен баланс белого. Если вы производите съемку в помещении, освещенном лампами накаливания, то находящиеся близко к окну предметы окрасятся дневным светом в синие тона, ведь спектр ламп накаливания смещен в сторону красного цвета, поэтому вы должны всегда стоять спиной к окну. При съемке в тени надо следить, чтобы прямое солнце не попадало в кадр, это также может нарушить баланс белого. Не забывайте, что установленный баланс белого сохраняется и после выключения камеры. Первая съемка в новом месте всегда должна начинаться с коррекции баланса белого. В некоторых камерах можно задавать предварительные установки типа освещения, например «солнечно» (съемка на улице в ясный день), «облачно» (съемка на улице в пасмурный день), «лампы накаливания» (съемка в помещении с включенными лампами накаливания), «лампы дневного света» (съемка в помещении с включенными лампами дневного света). Съемка на монохромном фоне с включенной автоматической балансировкой белого может плавно привести к окрашиванию кадра в тон, дополнительный цвету фона. Осветительные приборы Для видеосъемки можно применять как обычные осветительные лампы, так и специальные киноосветительные приборы. Это связано с тем, что современные видеокамеры имеют довольно высокую чувствительность и даже с автоматическим балансом белого обеспечивают точную цветопередачу в широком диапазоне цветовых температур источника света. Но все же предпочтение следует отдавать кварцевым галогенным лампам, которые на протяжении всего срока эксплуатации (минимум 100 часов, качественные лампы — до 1000 часов) обеспечивают стабильность светового потока и высокую светоотдачу (25–30 лм/Вт), их цветовая температура мало зависит от колебаний напряжения питания и равна 3200 °К. Колба обычной осветительной лампы накаливания со временем теряет прозрачность, что в конце срока службы (до 2000 часов) может привести к уменьшению светового потока в два с лишним раза (начальная светоотдача не превышает 15–18 лм/Вт). Цветовая температура таких ламп довольно низка и при колебаниях питающего напряжения в рабочем диапазоне изменяется от 2200 до 2800 °К. Это приводит к тому, что плохо прорисовываются детали изображения, окрашенные в голубые и синие цвета. Поэтому обычное освещение жилых помещений лучше дополнить специальной подсветкой от галогенной лампы. Люминесцентные лампы широко используются для освещения общественных сооружений, так как имеют очень высокую светоотдачу (30–50 лм/Вт). Спектр их излучения носит прерывистый характер, но можно условно определить цветовую температуру ламп ЛД — 6500 °К, ЛЦД — 6000 °К, ЛХБ — 5000 °К, ЛБ — 3600 °К, ЛТБ — 2800 °К. По санитарным нормам общая освещенность производственных помещений не должна быть ниже 80 лк, что приближается к оптимальной освещенности для съемки (100 лк). Как видим, репортаж о деятельности коллег по работе можно сделать и без дополнительных осветительных приборов, правда, в этом случае освещение получится малоконтрастным. Требуемая мощность осветительного прибора зависит от площади помещения, его оформления (поглощающих свойств потолка, стен, мебели, пола), светоотдачи применяемой лампы и конструктивных особенностей самого светильника (его коэффициента отдачи, степени рассеяния светового потока). Прямой направленный свет дает слишком высокий контраст и утомляет героев фильма, поэтому в домашних условиях свет лучше направить в потолок и на часть стены. Оценим, достаточным ли будет освещение комнаты площадью 20 м2 от направленного в белый потолок светильника с галогенной лампой мощностью 500 Вт и общей 50-процентной отдачей. Допустим, что дополнительно освещена верхняя полоса стены шириной 0,5 м и периметром 10 м, это вполне реальные числа. Полукиловаттная галогенная лампа дает световой поток, равный 500 Вт ґ 30 лм/Вт = 15 000 лм, а с учетом минимального коэффициента отдачи светильника 50 % получим минимум 7500 лм. Средняя освещенность потолка площадью 20 м2 и верхней части стены площадью 5 м2 получается 7500 лм/(20м2 + 5м2) = 300 лк. Если хотя бы треть световой энергии отразится от потолка, то мы получим необходимую для видеосъемки освещенность 100 лк. В нашем случае хватило бы и 200 Вт, так как от белого потолка отражается 3/4 светового потока. Встроенная в камеру лампа помогает убирать с лица персонажа ненужные тени, возникающие при верхнем или контровом освещении. Лампу можно заменить маломощным (3–7 Вт) осветителем, который нетрудно изготовить самостоятельно. Если для осветителя выбрать совместимый с видеокамерой аккумулятор, то в дороге у вас появится резервный источник питания. Для литиевых аккумуляторов с номинальным напряжением 7,2 В нужны 2 (или 3) последовательно соединенные криптоновые лампочки, рассчитанные на напряжение 3,6 В (или 2,4 В соответственно), дающие более высокую цветовую температуру и имеющие более высокий коэффициент полезного действия, чем обычные лампочки для карманного фонаря. Рефлектор (или несколько) можно изготовить из половинки круглой погремушки, обклеенной изнутри алюминиевой фольгой. Свет надо сфокусировать, так как узкий луч, освещающий только лицо, энергетически более выгоден. Некоторые видеокамеры фирмы SONY оснащены колодкой для навески и подключения дополнительного оборудования, в том числе и осветителей, питаемых от камеры и требующих повышенной емкости аккумуляторных батарей. Для получения суммарной емкости и тока отдачи можно использовать две параллельно соединенных батареи, при этом функцию infoLITHIUM обязательно должна поддерживать только та из них, которая непосредственно подсоединяется к камере. Схема подключения самостоятельно изготовленного осветителя приведена на рис. 3
Рис. 3. Схема осветителя, подключаемого к колодке дополнительного оборудования видеокамер фирмы SONY В автомобиле не лишними станут галогенные 12-вольтовые лампы со встроенным рефлектором, питаемые от прикуривателя, не помешает и преобразователь напряжения бортовой сети для питания камеры и зарядки батарей. В дороге очень полезно иметь с собой несколько узконаправленных, небольших по мощности аккумуляторных осветителей на штангах или штативах со струбцинами. В чужом доме бывает трудно найти сетевой удлинитель, да и галогенная 220-вольтовая 200- или 500-ваттная лампа со струбциной для крепления на трубе отопления встречается не в каждой квартире. |


