Реферат: Расчет циклона для очистки воздуха
|
Название: Расчет циклона для очистки воздуха Раздел: Рефераты по экологии Тип: реферат | ||||||||
| МОСКОВСКАЯ ГОСУДАРСТВЕННАЯ АКАДЕМИЯ ПРИБОРОСТРОЕНИЯ И ИНФОРМАТИКИ
Кафедра «Экология и безопасность жизнедеятельности»
ОТЧЕТ по практическому занятию по дисциплине «Экология» на тему : « Расчет циклона для очистки воздуха»
г. Углич 1999 г. ВВЕДЕНИЕ Различные производственные процессы могут загрязнять атмосферный воздух взвешенными твердыми или жидкими частицами, которые делятся на пыль, дым и туман. Для улавливания взвешенных частиц применяется различная аппаратура, в составе которой значительное место занимают циклонные аппараты, которые являются наиболее аппаратурой для сухого механического пылеулавливания. ИСХОДНЫЕ ДАННЫЕ Вид пыли: пыль красителей. Дисперсный состав пыли: Lg sM =0.4, dM =8 мкм; Количество очищаемого газа : Q=1.3 м2 /с; Плотность частиц: r=1910 кг/м3 ; Вязкость газа: m=22.1*106 H*c/м2 . ВЫБОР ТИПА ИСПОЛЬЗУЕМОЙ АППАРАТУРЫ Исходя из исходных данных (дисперсного состава пыли) находим ближайшее значение Lg sM из [1,табл. 2 с.43] и по нему выбираем тип циклона. Конический циклон СДК-ЦН-33 со следующими параметрами: оптимальная скорость WОПТ =2 м/c; дисперсный состав пыли Lg s=0.364; d50 =2.31 мкм. РАСЧЕТ ИСПОЛЬЗУЕМОЙ АППАРАТУРЫ 1. Диаметр циклона
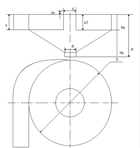
где в - диаметр циклона, м; Q - производительность циклона, м3 /c; WОПТ - оптимальная скорость, м/c. В соответствии с типом циклона по его диаметру определяем геометрические размеры циклона которые приведены в долях внутреннего диаметра: hТ =0.535(481 мкм); HЦ =0.535(481 мкм); НК =0.3(270 мкм); d=0.334(300 мкм); dl=0.334(300 мкм); a=0.535(481 мкм); ha=0.25(225 мкм). Полученное значение диаметра округляем до ближайшего типового значения D=900 мкм. По выбранному диаметру циклона определяем действительную скорость газа в циклоне
где W - действительная скорость газа, м/c; n - число циклонов. Для проведения оценки эффективности очистки газов в циклоне сначала необходимо рассчитать диаметр частиц
где в - диаметр циклона, м; DT - диаметр типового циклона(DT =0.6 м); r - плотность частиц, кг/м3 ; rТ - плотность частиц для типового циклона(rТ =1930 кг/м3 ); m - вязкость газа, Н*с/м2 ; mТ - вязкость газа для типового циклона(mТ =22.2*10-6 Н*с/м2 ; W действительная скорость газа, м/с; WТ действительная скорость газа для типового циклона(WТ =3.5 м/с). Далее определяется параметр X
где dM и Lg sM - дисперсный состав пыли (см. исходные данные); Lg s дисперсный состав пыли для данного типа циклона (см. параметры конического циклона СДК-ЦН-33). По значению параметра X определяем значения нормальной функции распределения Ф(X)[1,рис.3,с.49] Ф(X)»0.89. Теперь определяем эффективность очистки газов в циклоне
где h - эффективность очистки; Ф(X) - значение нормальной функции распределения параметра. Схема конического циклона представлена на рис.1. Схема конического циклона
D - внутренний диаметр циклона; Н - высота циклона; hT - высота выхлопной трубы; НЦ - высота цилиндрической части; НК - высота конуса цилиндра; d - внутренний диаметр выхлопной трубы; dl - внутренний диаметр выпускного отверстия; a - высота входного патрубка; hВ - высота внешней части выхлопной трубы; Рис. 1 ЗАКЛЮЧЕНИЕ Проведенный расчет параметров циклона, который предназначен для очистки воздуха от пыли красителей, дает максимально оптимальную эффективность очистки атмосферы, что очень важно на производстве лакокрасочной продукции. СПИСОК ИСПОЛЬЗОВАННЫХ ИСТОЧНИКОВ: 1.Сборник расчетных работ по выполнению практических занятий. Учебное пособие. Под ред. Гетия И.Г.- М.; 1997 г. |


