Реферат: Свинец и экология
|
Название: Свинец и экология Раздел: Рефераты по экологии Тип: реферат | ||||||||||||||||||||||||||||||||||||||||||||||||||||||||||||||||||||||||||||||||||||||||||||||||||||||||||||||||||||||||||||||||||||||||||||||||||||||||||||||||||||||||||||||||||||||||||||||||||||||||||||||||||||||||||||||||||||||||||||||||||||||||||||||||||||||||||||||||||||||||||||||||||||||||||||||||||||||||||||||||||
2. Введение. Загрязнение окружающей среды свинцом и его соединениями является для России наиболее острым и опасным. Свинец поставляет цветная металлургия, в том числе 94 % этого металла выбрасывается в атмосферу 5 предприятиями. Это Среднеуральский медеплавильный завод, АО “Святогор” – Красноуральский медеплавильный завод, Кировоградский медеплавильный комбинат, АО "Динополиметалл", завод "Электроцинк". Как видим, главные отравители воздуха свинцом находятся на территории Свердловской области, и эти предприятия привносят в атмосферу России 68,7 % всех свинцовых выбросов. Однако, основным источником загрязнения атмосферного воздуха свинцом в РФ является автотранспорт, использующий свинецсодержащий бензин. автомобильный парк выбрасывает ежегодно в атмосферу 10 млрд. абсолютно смертельных доз свинца или в весовых единицах 250 килотонн металла. Так общее количество свинца, выбрасываемое в воздух в результате сгорания топлива в двигателях, в 1997 году составляло 301 килотонну, или примерно две-три смертельные дозы на человека в год. Не малую роль в загрязнении свинцом играют отработанные аккумуляторы, отравляющие почву и воду соединениями свинца. Столь масштабное загрязнение окружающей среды доказывает немаловажный факт: воды рек выносят в год 17-18 тыс. т. свинца, что примерно в 200 раз меньше количества выплавляемого металла. Свинец влияет на нервную систему человека, что приводит к снижению интеллекта, вызывает изменение физической активности, координации слуха, воздействует на сердечно-сосудистую систему, приводя к заболеванию сердца. Это оказывает негативное влияние на состояние здоровья населения и в первую очередь детей, которые наиболее восприимчивы к свинцовым отравлениям. В России постепенно увеличивается численность людей, имеющих профессиональный контакт со свинцом. Случаи хронической свинцовой интоксикации зафиксированы в 14 отраслях промышленности. Среди профессиональных интоксикаций свинцовая занимает первое место, причем имеет место тенденция к её увеличению. Среди рабочих, пострадавших от воздействия свинца, около 40 % составляют женщины. Для них свинец представляет особую опасность, так как этот элемент обладает способностью проникать через плаценту и накапливаться в грудном молоке. Как правило, наиболее высокая концентрация свинца в атмосферном воздухе наблюдается в зимний период, что связано с дополнительными выбросами в атмосферу продуктов сжигания топлива. Неблагоприятные метеорологические условия в этот период года также способствуют накоплению свинца в нижних слоях атмосферы. В нашем городе эта тема наиболее актуальна, так как автомобильный парк города с каждым годом увеличивается, следовательно увеличивается и количество свинца в окружающем воздухе и почве. Цель моей работы изучить основные источники загрязнения окружающей среды свинцом, и влияние элемента на живую природу. Я перед собой поставила следующие задачи:
3. Свинец (82207,2Pb) 3.1. Распространение в природе. Почвы 1-10 мг/кгПоверхностные воды 1-60 мкг/л Морская вода 0,01-0,05 мкг/л Атмосфера 0,0006 мкг/м3 3.2. Физические свойства. Свинец – пластичный, мягкий металл. Температура плавления +327,40С, температура кипения +17250С, плотность – 11,34 г/см3, цвет – синевато-серый. Хорошо поддаётся литью, ковке, пайке и прокатке. 3.3. Химические свойства. На воздухе свинец быстро покрывается тонким слоем оксида, защищающего его от дальнейшего окисления. Вода сама по себе не взаимодействует со свинцом, но в присутствии воздуха свинец постепенно разрушается водой с образованием гидроксида свинца (II): 2Pb+O2+2H2O=2Pb(OH)2 Однако при соприкосновении с жесткой водой свинец покрывается защитной пленкой нерастворимых солей (главным образом сульфата и основного карбоната свинца), препятствующего дальнейшему действию воды и образованию гидроксида. При нагревании свинец взаимодействует с большинством неметаллов: Pb+Cl2=t=PbCl2 Так же, при высокой температуре свинец взаимодействует с водными растворами щелочей: Pb0+4KOH+2H2O=K4[Pb+2(OH)6]+H2 Таблица 1. Растворимость свинца в некоторых веществах.
Для свинца характерны степени окисления +2 и +4. Значительно устойчивы и многочисленны соединения со степенью окисления свинца +2. Перевод Pb(II) в Pb(IV) возможен лишь при электролитическом окислении или действием наиболее сильных окислителей (Cl2, белильная известь и др.) при нагревании в щелочной среде. Например: Pb(CH3COO)2+Cl2+4KOH=PbO2+2KCl+3KCH3COO+2H2O Соединение свинца (IV) легко переходят в соединения свинца (II), следовательно соединение свинца (IV) являются сильными окислителями. Таблица 2. Некоторые соединения свинца.
Все растворимые соединения свинца ядовиты. Соли, отвечающие несуществующей в свободном состоянии свинцовой кислоте H2PbO3, называются плюмбатами. Например, при сплавлении диоксида свинца с оксидом кальция образуется плюмбат кальция CaPbO3: CaO+PbO2=CaPbO3 При сплавлении Pb(OH)2 с сухими щелочами получаются соли, называемые плюмбитами: Pb(OH)2+2NaOH=Na2PbO2+2H2O 3.4. Применение. Легкоплавкий, удобный в переработке, свинец широко применяется в наши дни. Из свинца изготавливают оболочки кабелей, электроды аккумуляторов, аноды, используемые при хромировании; им покрывают изнутри сосуды предназначенные для хранения серной кислоты, также изготовляют змеевики холодильников и другие ответственные части аппаратуры. Свинец идет на изготовление боеприпасов и на выделку дроби. Он входит в состав многих сплавов, например сплавов для подшипников, типографского металла. Свинец хорошо поглощает рентгеновское и радиоактивное излучение, и его используют для защиты от излучения при работе с радиоактивными веществами. Применяют для получения тетраэтилсвинца (ТЭС) и других соединений свинца. 4.Источники загрязнения окружающей среды свинцом. 4.1.1. Получение свинца. 1)Восстановительный обжиг. Обогащенный флотацией галенит обжигают на воздухе для удаления серы и образующийся оксид свинца (II) восстанавливают коксом или чаще – монооксидом углерода в шахтных печах: 2PbS+3O2=2PbO+2SO2 PbO+CO=Pb+CO2 В результате получают черновой свинец, из которого выделяют медь, серебро, железо, олово, мышьяк и сурьму, висмут остается вместе со свинцом. Особо чистый свинец получают электролитическим рафинированием с использованием фторосиликатного электролита. 2)Окислительный обжиг. Особенно чистую руду PbS подвергают частичному окислению до PbO, а затем смесь прокаливают: PbS+2PbO=3Pb+SO2 3)Из солей свинца с помощью электролиза. 4)Взаимодействие солей свинца с цинком: Pb(NO3)2+Zn=Zn(NO3)2+Pb или восстановление оксида свинца (II) током водорода: PbO+H2=Pb+H2O. 4.1.2. Загрязнение окружающей среды в процессе получения свинца. При процессах производства свинца и его сплавов в атмосферу выбрасывается значительное количество свинцовой пыли. Свинец, содержащийся в этой пыли, вовлекается в биологический круговорот, негативно воздействуя при этом на все живое. 4.2.1. Несомненно, огромный вклад в загрязнение окружающей среды свинцом превносят Химические источники тока. Аккумулятор – устройство для накопления энергии с целью её последующего использования. Рассмотрим принцип действия свинцового (кислотного) аккумулятора. Готовый к употреблению свинцовый аккумулятор состоит из решётчатых свинцовых пластин, одни из которых заполнены диоксидом свинца, а другие – металлическим губчатым свинцом. Пластины погружены в 35-40 % раствор H2SO4; при этой концентрации удельная электрическая проводимость раствора серной кислоты максимальна. При работе аккумулятора – при его разряде – в нем протекает окислительно-восстановительная реакция, в ходе которой металлический свинец окисляется: Pb+SO42-=PbSO4+2e-, а диоксид свинца восстанавливается: PbO2+SO42-+4H++2e-=PbSO4+2H2O. Электроны, отдаваемые атомами металлического свинца при окислении, принимаются PbO2 при восстановлении; электроны передаются от одного электрода к другому по внешней цепи. Таким образом, металлический свинец служит в свинцовом аккумуляторе анодом и заряжен отрицательно, а PbO2 служит катодом и заряжен положительно. Во внутренней цепи(в растворе H2SO4) при работе аккумулятора происходит перенос ионов. Ионы SО42- движутся к аноду, а ионы Н+ - к катоду. Направление этого движения обусловлено электрическим полем, возникающим в результате протекания электродных процессов: у анода расходуются анионы, а у катода – катионы. В итоге раствор остается электронейтральным. Если сложить уравнения, отвечающие окислению свинца и восстановлению PbO2, то получится суммарное уравнение реакции, протекающей в свинцовом аккумуляторе при его работе (разряде): Pb+PbO2+4H++2SO42-=2PbSO4+2H2O. ЭДС заряженного свинцового аккумулятора равна 2 В. По мере разряда аккумулятора материалы его катода (PbO2) и анода (Pb) расходуются. Расходуется и серная кислота. При этом напряжение на зажимах аккумулятора падает. Когда оно становится меньше значения, допускаемого условиями эксплуатации, аккумулятор вновь заряжают. Для зарядки аккумулятор подключают к внешнему источнику тока. При этом ток протекает через аккумулятор в направлении, обратном тому, в котором он проходил при разряде аккумулятора. В результате этого электрохимические процессы на электродах “обращаются”. На свинцовом электроде теперь происходит процесс восстановления: PbSO4+2e-=Pb+SO42- т.е. этот электрод становится катодом. На электроде из PbO2 при зарядке идет процесс окисления: PbSO4+2H2O=PbO2+4H++SO42-+2e- следовательно, этот электрод является теперь анодом. Ионы в растворе движутся в направлениях, обратных тем, в которых они перемещались при работе аккумулятора. Складывая два последние уравнения, получим уравнение реакции, протекающей при зарядке аккумулятора: 2PbSO4+2H2O=Pb+PbO2+4H++2SO42-. Нетрудно заметить, что этот процесс противоположен тому, который протекает при работе аккумулятора; при зарядке аккумулятора в нем вновь получаются вещества, необходимые для его работы. Свинцовый аккумулятор используется как автономный источник электрической энергии, главным образом применяется в транспорте. 4.2.2. Свинцовый аккумулятор – загрязнитель окружающей среды. Опасности для человека, окружающей среды возникают преимущественно на этапе утилизации отработавших аккумуляторов. По-прежнему много батарей после использования выбрасывается в мусоропроводы. По экспертным оценкам, на свалках, транспортных площадках и других местах на всей территории России в настоящее время находится до 1 млн. т свинца в отработавших свой срок аккумуляторах. При существующем положении с их переработкой эта величина возрастает на 50-60 тыс. т ежегодно. На свалках или установках для компостирования аккумуляторы разлагаются, при этом в почву и подземные воды попадает большое количество свинца. При рециклинге также происходит загрязнение окружающей среды, особенно пылью, содержащей свинец. При изготовлении свинцовых аккумуляторов образуются значительные количества пылевидных частиц, содержащих соединения свинца. Как видно, свинцовые аккумуляторы привносят немалый вклад в загрязнение окружающей среды. Помимо свинцового аккумулятора широко применяются и многие другие виды аккумуляторов. В среднем на каждый кв. метр приходится по одному аккумулятору; очевиден процесс массового загрязнения окружающей среды тяжелыми металлами, концентрированными электролитами и другими вредными химическими соединениями. 4.3. Выбросы автотранспорта – основной источник загрязнения окружающей среды ионами свинца. Без сомнения, наиболее важным источником загрязнения в Свердловской области является автомобильный транспорт, использующий этилированный бензин. Численность автомобильного парка Свердловской области увеличилась в 1997 году более чем на 5 % и превысило 1 млн. единиц, при этом опережающими темпами растет число легковых автомашин (на 10-12 % в год). В городах Екатеринбурге, Каменск-Уральском, Первоуральске, Верхней Пышме, Нижнем Тагиле, Берёзовском выбросы автотранспортных средств составляют 30-70 % от общего объема выбросов загрязняющих веществ в атмосферу. Автотранспорт вносит значительный вклад в загрязнение атмосферы свинцом. Таблица №3. Выбросы некоторых загрязняющих веществ от автомобильного транспорта по городам области в 1997 году (в тоннах).
Самое большое количество свинца и окиси углерода выбрасывается автомобилями городов Екатеринбурга, Нижнего Тагила и Первоуральска. Наблюдается тенденция роста уровня загрязнения атмосферного воздуха по свинцу в крупных городах области. На передвижные источники загрязнения приходится свыше 70 % суммарных выбросов свинца. Высокими остаются уровни загрязнения воздушного бассейна городов диоксидом азота, формальдегидом, оксидом углерода. В целом область значительно загрязнена свинцом. Общая площадь загрязненных сильной степени земель составляет более 68 тыс. га. Очевиден стабильный вклад автотранспорта в загрязнение окружающей среды городов Свердловской области свинцом. Так каким же образом свинец попадает в двигатели внутреннего сгорания и рассеивается автомобилями вдоль автомагистралей. 4.3.1. Получение бензинов при крекинге нефтепродуктов. Основным процессом переработки нефти является фракционная перегонка – термическое разделение нефти на составные части (фракции). Таблица №4. Основные фракции нефти.
В результате отгона фракций остается мазут. От прямой перегонки нефти отличают ее крекинг, т.е. термическое или каталитическое расщепление высших углеводородов (УВ) с образованием соединений меньшей молекулярной массы. Таким путем из высококипящих фракций нефти получают дополнительно наиболее ценные низкокипящие фракции – главным образом моторные бензины, т.е. целевым продуктом крекинга является бензиновая фракция с высоким октановым числом. Процесс крекинга происходит с разрывом углеродных цепей и образованием более простых предельных и непредельных УВ, например: C16H34=C8H18+C8H16. Образовавшиеся вещества могут разлагаться далее: C8H18=C4H10+C4H8 C4H10=C2H6+C2H4. Различают два основных вида крекинга. Таблица №5. Термический и каталитический крекинг.
4.3.2. Состав бензина. Бензин, полученный в результате перегонки нефти, состоит в основном из УВ (предельных 25-61 %, непредельных 13-45 %, нафтеновых 9-71 %, ароматических 4-16 %). При полном его сгорании образуются углекислый газ, вода и выделяется тепло. Для одного из компонентов бензинов – октана эта реакция выглядит следующим образом: C8H18+12,5O2+47N2=8CO2+9H2O+47N2+5062 kДж/моль. В состав бензина могут входить примеси – серо-,азот- и кислослородсодержащие соединения. Большая часть этих соединений удаляется из бензина при его очистке. 4.3.3. Октановое число. Автомобильный бензин представляет собой горючее с низкими детонационными характеристиками. Детонацией называют такой характер горения, при котором воспламенение горючей смеси происходит в нескольких точках цилиндра или по всему объему сразу. При этом возникают очень высокие пики давления и двигатель может быть поврежден. Детонационные характеристики количественно определяются так называемым октановым числом, которое принято равным нулю для н-гептана, весьма подверженного детонации, и равным 100 для изооктана (2,2,4-3метилпентан) – углеводорода, стойкого к детонации. Если конкретное топливо и смесь н-гептана с изооктаном имеют одинаковые детонационные свойства, то содержание последнего (в % по объему) определяет октановое число рассматриваемого топлива. Например, бензин с октановым числом 76 детонирует также, как смесь 24 % н-гептана с 76 % изооктана. Чем выше октановое число, тем лучше эксплуотационные качества бензина. В основном с помощью тетраэтилсвинца (ТЭС) и увеличивают октановое число. Механизм антидетонационного действия алкилов свинца до конца не установлен. Очевидно, тетраэтилсвинец, поступает в цилиндр в виде паров вместе с топливной смесью, и вследствие возрастания температуры распадается с образованием частиц твердого оксида свинца. Эти частицы блокируют активные атомы кислорода, которые инициируют реакцию, приводящую к взрыву. Дибром – и дихлорэтаны действуют как раскислители и, вступая во взаимодействие с оксидом свинца, образуют летучий хлорбромид свинца, выносящийся из цилиндров отработавшими газами. Недостатки применения ТЭС – негативное действие на всю биосферу, более быстрый износ двигателя и невозможность применения каталитической системы очистки отработавших газов вследствие её отравления антидетонатором. Вот почему, несмотря на все достоинства ТЭС, применение его нежелательно, как и нежелательно применение самого бензина, потому что выхлопные газы, образовавшиеся в результате сгорания топлива, оказывают негативное влияние на всю биосферу Земли. 4.3.4. Воздействие отработавших газов автомобиля на живые организмы сводится к следующему:
5. Влияние ионов свинца на живую природу. 5.1. Влияние на организм человека. Общий характер действия. Токсическое действие свинца. В природе свинец встречается повсеместно, но жизненно необходимым он не является. За последние десятилетия уровень концентрации в природе все более повышается вследствие антропогенных нагрузок. Главным источником, из которого свинец попадает в организм человека, служит пища, наряду с этим важную роль играет вдыхаемый воздух, а у детей также заглатываемая ими свинецсодержащая пыль. Вдыхаема пыль примерно на 30-50 % задерживается в легких, значительная доля её всасывается током крови. Всасывание в желудочно-кишечном тракте составляет в целом 5-10 %, у детей – 50 %. Дефицит кальция и витамина Д усиливает всасывание свинца в желудочно-кишечном тракте. В среднем за сутки организм человека поглощает 26-42 мкг свинца. Это соотношение может варьировать. Около 90 % общего количества свинца в человеческом теле находится в костях, у детей – 60-70 %. Биологический период полураспада в костях – около 10 лет. Количество свинца, накопленного в костях, с возрастом увеличивается, и в 30-40 лет (фаза насыщения) у лиц, по роду занятий не связанных с загрязнением свинца, составляет 80-200 мг. Особую опасность представляет свинец для женщин, так как этот элемент обладает способностью проникать через плаценту и накапливаться в грудном молоке. Острые свинцовые отравления встречаются редко. Таблица №6. Симптомы свинцовых отравлений.
Для диагностики загрязнения организма свинцом служит анализ крови. Концентрация свинца в крови не должна превышать 15 мкг/100 мл, у беременных и детей – 7 мкг/100 мл. Уже при концентрации свинца в крови 50-60 мкг/100 мл в поведении человека появляются признаки депрессии, агрессивности, а также ухудшения общего самочувствия. Вероятно, существуют связи между свинцовым загрязнением, приобретенным человеком до рождения и /или в раннем детстве, и снижением уровня его интеллекта, способности к обучению, нарушением двигательных процессов и поведения (сверхактивность). Наиболее выражены изменения психоневрологического статуса у детей, проживающих вблизи аккумуляторных и металлургических заводов. Свинец активно влияет на синтез белка, энергетический баланс клетки и её генетический аппарат. Многие факты говорят в пользу денатурационного механизма действия. Свинец нарушает синтез порфиринов и гема , угнетая ряд ферментов, учавствующих в обмене порфиринов. Свинец подавляет также активность SH- содержащих ферментов, холинэстеразы в мембранах эритроцитов. Свинец вызывает заметное отклонение в липоидном обмене – повышается содержание общего и не связанного с белками холестирина. Считают, что свинец предрасполагает к развитию атеросклероза. Не стоит забывать, что дети более чувствительны к свинцу, чем взрослые. Одним словом, свинец – яд, действующий на все живое, но вызывающий изменения особенно в нервной системе, крови и сосудах. Все соединения свинца действуют в общем сходно; разница в токсичности объясняется в основном неодинаковой растворимостью их в жидкостях организма, в частности в желудочном соке; но и труднорастворимые соединения свинца подвергаются в кишечнике изменениям, в результате чего их растворимость и всасываемость сильно повышаются. Свинцовые белила, сульфат и окись свинца токсичнее других соединений. 5.2. Влияние ионов свинца на почву и растения. Вследствие глобального загрязнения окружающей среды свинцом, он стал вездесущим компонентом любой растительной и животной пищи и кормов. Растительные продукты в целом содержат больше свинца, чем животные. Причины летнего листопада – высокое содержание свинца в воздухе. Но, концентрируя свинец, деревья тем самым очищают воздух. В течении вегетативного периода одно дерево обезвреживает соединения свинца, содержащиеся в 130 л. бензина. Наименее восприимчивым к свинцу является клен, а наиболее восприимчивы орешник и ель. Сторона деревьев, обращенная к автомобильным магистралям, на 30-60 % “металличнее”. Хвоя ели и сосны обладает свойствами хорошего фильтра по отношению к свинцу. Она его накапливает и не обменивает с окружающей средой. Накопление свинца ведут интенсивно грибы, мхи и лишайники и доводят его концентрацию до 64,76 частей на миллион соответственно. А вот более знакомые нам овес и клевер уже при концентрации свинца 50 частей на миллион начинают замедлять рост и урожайность снижается. Исследователи изучили процесс накопления свинца в почве. Из атмосферы в почву свинец попадает чаще всего в форме оксидов, где постепенно растворяется, переходя в гидроксиды, карбонаты или форму катионов. Атмосфера. поступление металла в почву с газопылевыми выбросами
PbO П Почвенный растворочва
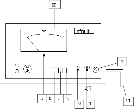
Миграции грунтовых вод Если почва прочно связывает свинец, это предохраняет от загрязнения её грунтовые и питьевые воды, растительную продукцию. Но тогда сама почва постепенно становится все более зараженной и в какой-то момент может произойти разрушение органического вещества почвы с выбросом свинца в почвенный раствор. В итоге такая почва окажется непригодной для сельскохозяйственного использования. Общее количество свинца, которое может задержать метровый слой почвы на 1 гектаре, достигает 500-600 тонн. Такого количества свинца даже при очень сильном загрязнении в обычной обстановке не бывает. Почвы песчаные, малогумусовые устойчивы против загрязнения; это значит, что они слабо связывают свинец, легко отдают его растениям или пропускают через себя с фильтровыми водами. Установлено, что в слое глубиной до 5 см свинец накапливается более интенсивно, чем медь, молибден, железо, никель и хром. И это печально, поскольку из всего этого ряда свинец – самый ядовитый. Ученые изучали почву и растительность в районах расположения свинцово-цинкового завода и завода по производству аккумуляторов. И, конечно же, свинец в почве обнаружили в количествах, превышающих раз в 40-50 среднее. При такой “подкормке” растения “свинцевеют”. Отмечено интересная особенность растений – различных своих частях накоплять различное количество свинца. Например, салат и сельдерей в листьях накапливают значительно больше свинца, чем в корнях, а морковь и одуванчик – наоборот. Отмечено активное накопление свинца в капусте и корнеплодах, причем именно в тех, которые повсеместно употребляются в пищу; например, отмечают большое содержание свинца в картофеле. Выявили интересную особенность репчатого лука. Оказалось, что на фоновых участках он содержит свинца всего 0,07 частей на 1 млн. частей сухого вещества. На придорожных участках его концентрация гораздо меньше, но степень возрастания этой концентрации десятикратная. Так что и у репчатого лука “свинцовые фильтры” не вполне надежны. Но вот, что особенно странно: зеленый лук и ежа сборная оказались самыми устойчивыми к накоплению свинца из всех изученных растений; содержание свинца в них не превышало 4 частей на 1 млн. Водное растение эйхорния, которое преимущественно произрастает в Америке, удивило ученых своим свойством жадно поглощать всяческую “химию”, в частности свинец. Эйхорния оказалась великолепным работником по очистке водоема от химических соединений, причем работает она очень быстро. Это объясняется тем, что у эйхорнии длинные, разветвленные корни. Заметим, что поглощая большие количества свинца, сама эйхорния остается здоровой. Оказалось, что и после насыщения ядами эйхорния может быть полезна. Её подвергают газификации и получают газ, по свойствам близкий к природному. А из золы извлекают металлы: свинец, ртуть, кадмий. Но, пожалуй, рекордсменом среди растений по стойкости к соединениям свинца являются дрожжи. Биологи утверждают, что дрожжи могут поглощать огромные количества свинца в виде уксуснокислой соли – до 15 тысяч частей на миллион частей веса дрожжей – без всякого угнетения обмена веществ. Так может быть дрожжи помогут в борьбе с загрязнением солями свинца? Хлористый и йодистый свинец угнетают брожение. Однако, повторяю, дрожжи – рекордсмен по “свинцовостойкости”. Увы! Этим замечательным свойством обладают не все растения. В ничтожном количестве свинец необходим живым организмам. Растительность суши вовлекает в биологический круговорот ежедневно 70-80 тыс. т свинца. Содержание его в растениях обычно не значительные: примерно 1-2 тысячных долей % от веса золы. Верхний порог концентраций свинца для растений пока не установлен. Воды рек выносят в год 17-18 тыс.т свинца, что примерно в 200 раз меньше количества выплавляемого металла. Техногенное рассеяние свинца происходит интенсивно. 6. Экспериментальное определение содержания оксида углерода (II) в отработавших газах автомобилей. 6.1. Общие требования. Выпускная система автомобиля должна быть исправна. Перед измерением двигатель должен быть прогрет не ниже рабочей температуры охлаждающей жидкости. Средства измерения, в данном случае газоанализатор “Infralit 2Т”, должны соответствовать требованиям настоящего стандарта. 6.2. Требования безопасности. 1)Помещение, предназначенные для измерения содержания окиси углерода в отработавших газах автомобилей, должны быть оборудованы принудительной или естественной вентиляцией, обеспечивающей санитарно-гигиенические требования к воздуху в зоне измерений. 2)Уровень шума в зоне проведения измерений должен соответствовать определенному ГОСТу. 3)Уровень вибрации в зоне проведения измерений также должен соответствовать определенному ГОСТу. 4)При измерениях должны быть приняты меры безопасности, исключающие самопроизвольное движение автомобиля. 6.3. Методы подготовки. 6.3.1. Подготовка прибора к работе. Подключить прибор к электросети 220 В. соединить шлангом газозаборный зонд с отделителем конденсата. Соединить шлангом отделитель конденсата с входом прибора. На газозаборный зонд надеть термостойкий шланг. Заполнить сборник отделителя конденсата водой. К выходному штуцеру присоединить шланг для отвода газа, выходящего из прибора, от места измерения. 6.3.2. Регулировка прибора. Перед включением прибора необходимо проверить механическую установку нуля. При отклонениях выполняют коррекцию регулятором (Н). Нажатием на кнопку сетевого выключателя (В) включают прибор. Через 20-30 минут, нажатием на кнопку выключателя насоса (Г) в прибор подается чистый воздух. Проверяют электрическую точку нуля. При отклонениях коррекцию выполняют регулятором электрической установки нуля (Т). Для индикации прибора нажимают кнопку выключателя для контроля чувствительности (Ч). Если показания выше или ниже красной маркировки на шкале прибора, то выполняют коррекцию регулятором чувствительности (М). Отключить все выключатели, кроме сетевого. Прибор готов к работе. Принцип действия газоанализатора основан на испускании инфракрасного излучения и его приеме. Поток излучения сначала преобразуется в электрический сигнал, затем в сигнал, поступающий на показывающий прибор. И Н – механическая настройка нулевой точки для индикатора. В – сетевой выключатель. Г – выключатель для подающего газового насоса. Ч – выключатель для контроля чувствительности. Т – электрическая настройка нулевой точки. М – регулятор чувствительности, мелкий. Ш – шнур для сетевого подключения. Ф – защитный фильтр. 6.3.3. Подготовка автомобиля к проверке. Устновить рычаг переключения передач в нейтральное положение. Затормозить автомобиль стояночным тормозом. Заглушить двигатель. Установить пробоотборный зонд газоанализатора в выпускную трубу автомобиля на глубину не менее 300 мм от среза. Полностью открыть воздушную заслонку карбюратора. Запустить двигатель. Увеличить частоту вращения вала двигателя до nпов и работать на этом режиме не менее 15 секунд. 6.4. Определение содержания окиси углерода в отработавших газах. Установить минимальную частоту вращения вала двигателя и, не ранее чем через 30 с., измерить содержание окиси углерода. Установить повышенную частоту вращения вала двигателя, равную nпов и, не ранее чем через 30 с, измерить содержание окиси углерода. Измеряют фактическую величину содержания окиси углерода в отработавших газах. После проведения замера вынимают газозаборный зонд и через 30 с отключают насос прибора (Г). После проведения измерений прибор отключается от сети. 6.5. Содержание окиси углерода в отработавших газах автомобилей должно быть в пределах значений, установленных предприятием – изготовителем, но не выше приведенных в таблице №7. Таблица №7.
6.6. Результаты проверок автомобилей на содержание оксида углерода (II) в отработавших газах автомобилей.
График содержания СО в отработавших газах. 6 По результатам проверки содержания окиси углерода в выхлопных газах автомобилей можно сделать следующие выводы:
6.8. Влияние оксида углерода (II) на организм человека. СО вытесняет О2 из оксигемоглобина [ОНb] крови, образуя карбоксигемоглобин [COHb], содержание О2 может снижаться с 18-20 % до 8 % (аноксимия), а разница между содержанием НbО в артериальной и венозной крови уменьшается с 7-8 % до 2-4 %. Способность вытеснять О2 из соединения с гемоглобином объясняется гораздо более высоким сродством последнего к СО, чем к О2. Кроме того в присутствии СО в крови ухудшается способность НbО к диссоциации, а отдача О2 к тканям происходит только при очень низком парциальном давлении и его в тканевой среде. При острых отравлениях в соответствии с концентрацией СО и О2 во вдыхаемом воздухе через некоторое время в крови устанавливается равновесие: определенный процент Нb оказывается связанным с СО, остальная часть с О2. Равновесие между концентрацией СО в крови и в воздухе достигается в течение довольно длительного времени – тем раньше, чем больше минутный объем дыхания. Когда содержание СО во вдыхаемом воздухе и в растворе в жидкой части крови уменьшается, начинается отщепление СО от СОНb и обратное выделение его через легкие. Диссоциация СОНb происходит в 3600 раз медленнее, чем НbО. СО способна оказывать непосредственное токсическое действие на клетки, нарушая тканевое дыхание и уменьшая потребление тканями О2. СО нарушает фосфорный обмен; нарушение азотистого обмена вызывает азотемию, изменение содержания белков плазмы, снижение активности холинэстеразы крови и уровня витамина В6. Угарный газ влияет на углеводный обмен, усиливает распад гликогена в печени, нарушая утилизацию глюкозы, повышая уровень сахара в крови. Поступление СО из легких в кровь обусловлено концентрацией СО во вдыхаемом воздухе и длительностью ингаляции. Выделение СО происходит главным образом через дыхательные пути. Больше всего при отравлении страдает ЦНС. При вдыхании небольшой концентрации (до 1 мг/л) – тяжесть и ощущение сдавливания головы, сильная боль во лбу и висках, головокружение, дрожь, жажда, учащение пульса, тошнота, рвота, повышение температуры тела до 38-40 С. Слабость в ногах свидетельствует о распространении действия на спинной мозг. 7. Способы борьбы с массовым загрязнением ионами свинца. Рекомендации по защите биосферы от вредного влияния ионов свинца.
Дооборудование автотранспортных средств с целью замены этилированного бензина альтернативными видами топлива. Интересной альтернативой бензину представляется метиловый спирт, полностью сгорающий до углекислого газа и воды. До недавнего времени метанол использовался главным образом для производства различных органических производных, однако в настоящее время все более заметна роль в производстве моторных топлив. В Германии и других странах 7-15 % метилового спирта добавляют к бензину с целью экономии последнего. Полная же его замена метиловым спиртом сдерживается необходимостью конструкционных изменений в двигателе и ещё недостаточными объемами промышленного выпуска подобного горючего, доступность которого определится технологическими успехами в производстве водорода из воды. Если же в качестве углеродсодержащего компонента удастся использовать углекислый газ, избыток которого накапливается в атмосфере, то технология производства метанола существенно удешевится. Как топливо будущего рассматривается и гидразин, достоинства которого определяются неисчерпаемостью и дешевизной сырья: азот из воздуха и водород из воды. К недостаткам следует отнести канцерогенность самого гидразина и выделение им аммиака при разложении. Водородное топливо. В наши дни очень серьезно обсуждается эта проблема. Двигатель не будет подвержен большим конструкционным изменениям .Водородное топливо в 10 раз калорийнее бензина, а в атмосферу выбрасываются только пары воды. Если оно будет применено, то, по-видимому, не раньше, чем истощится природное органическое топливо и будут созданы термоядерная и солнечная энергетики, способные обеспечить дешевой энергией технологию разложения воды. Автомобильное газовое топливо, топливо для автомобильных двигателей, бывает двух видов: сжиженный газ, компримированный газ. Сжиженный газ состоит из пропана или смеси пропана с бутаном. Эти УВ, находящиеся при комнатной температуре и нормальном давлении в газообразном состоянии, под давлением сжижаются и могут закачиваться в специальные баллоны. Сжиженный газ получают при добыче нефти и природного газа и производят также на нефтеперегонных заводах. Компримированный (сжатый) - природный газ метан. Ученые всего мира расценивают ХХ1 век как “эпоху метана” прежде всего потому, что это экологически чистое (основными продуктами сгорания являются углекислый газ и вода) и надежное топливо и, что особенно важно, его запасы значительно превышают запасы нефти. Имеющиеся в России запасы природного газа позволяют сохранить достигнутый уровень его добычи в течение минимум двух столетий. Широкое использование сжатого природного газа в качестве моторного топлива и массовое переоборудование автотранспорта города позволит резко снизить количество вредных токсичных выбросов:
Техническое устройство газобаллонного оборудования практически исключает возгорание автомобиля при самых невероятных автомобильных авариях или при неумелой эксплуатации, потому что компримированный природный газ легче воздуха, а баллоны достаточно прочны. Установка газобаллонного оборудования не приводит к потере возможности работать на бензине. Заправленный бензином бак можно держать в резерве. Таблица №8. Достоинства и недостатки жидкого и сжатого газа, как вида топлива для автомобильных двигателей.
Автомобильное газовое топливо не ядовито и не загрязняет почву и подземные воды. Благодаря высокому октановому числу и простому составу оно наилучшим образом подходит для карбюраторных двигателей и находит все большее применение. Электромобиль. Первый электромобиль, использовавший энергию гальванических элементов, был создан в 1837 году. Изобретение свинцовых аккумуляторов дало толчок электромобильному буму, но, достигнув апогея, этот бум к началу нашего века сошел почти на нет, проиграв в соревновании с автомобилем. Аккумулятор, способный обеспечить энергий небольшой отрезок пути и нуждающийся в регулярной подзарядке, не выдержал конкуренции с двигателями внутреннего сгорания. И тем не менее, возможно, мы будем свидетелями нового электромобильного бума. Особенно перспективен электромобиль – экологически чистый транспорт – в городских условиях, где загазованность воздуха максимальна а, дистанции перевозок сравнительно невелики. Уже созданы и испытаны в реальных городских условиях электромобили, имеющие запас хода 100-150 км. Для города чаще всего этого вполне достаточно. Главная задача – создание более энергоемких аккумуляторов. Известно много перспективных разработок, среди которых наиболее многообещающая – натрий-серный аккумулятор, способный обеспечить пробег 500 км с одной подзарядкой, которую можно проводить в ночное время, когда нагрузка электросети минимальна. Замена двигателя внутреннего сгорания электромотором возможна различными путями, нелегкими и длительными. К 2000 г США планирует иметь 8,6 млн электромобилей. Число кажется солидным, но если иметь в виду, что общий автопарк страны к тому времени приблизится к 200 млн. автомобилей, то очевидно, что и к началу века электромобиль еще не будет серьезным конкурентом автомобилю. Да, автомобиль победил электромобиль в экономическом, энергетическом и техническом соревновании, но он не выдержал экологического “испытания”. Ставить крест на автомобиле ещё рано, но кажется, что пик использования бензинового двигателя внутреннего сгорания уже позади. Постепенно будут изменяться химический состав топлива, а также принципы преобразования энергии. Человечество добьется экологически чистого транспорта. Это неизбежно.
1) Создание мощностей по переработке вторичного свинцового сырья. 2) Реабилитация территорий, загрязненных свинцом. Существует несколько способов выведения свинца из пищевой цепи путем введения в почвы некоторых веществ. Предложены специальные ”антисвинцовые” препараты. Так, в Японии запатентовано средство для обработки почв, содержащее меркапто-8-триазин он связывает свинец и другие тяжелые металлы и выводит их из биологического круговорота. В Германии предложено в тех же целях вносить в почву хелатные смолы. И в нашей стране ведутся широкие поиски активных химических средств. Так, на кафедре ботаники Московского лесотехнического института получен ряд составов, включающих азотнокислый торий, пятиокись ванадия, азотнокислой кобальт и некоторые другие соединения. Эти составы названы адаптогенами. Они помогают растениям “приспособиться” к воздействию повышенных концентраций вредных веществ. Адаптогены уже прошли широкую проверку и показали свою высокую эффективность. Отмечено благоприятное действие и неорганического фосфора на жизненный цикл “освинцованных” растений. 3) Замена антидетонатора ТЭС более “чистыми” соединениями, но не уступающими по свойствам ТЭС. Возможны несколько путей повышения октанового числа бензина без помощи тетраэтилсвинца. Одним из таких путей заключается в применении антидетонаторов, не уступающих или по крайней мере приближающихся по свойствам к ТЭС, но не обладающих его отрицательными качествами. Достойными соперниками ТЭС оказались некоторые карбонилы металлов. Таблица №9. Реальные соперники тетраэтилсвинца.
4) Совершенствование автомагистралей, внедрение рациональных схем движения в черте города. Организация строгого контроля качества работы ДВС по экологическим параметрам. Количество автомобилей на планете растет, оно уже превзошло полумиллиардный рубеж. Объем же газообразных выбросов увеличивается чуть ли не в геометрической прогрессии, потому что загруженность дорог и особенно улиц городов автомобилями приводит к снижению скоростей, машины часто останавливаются и трогаются с места, двигатели работают без нагрузки (холостой ход). А именно в этих режимах наблюдается повышенное выделение в окружающую среду вредных веществ. Таблица №10. Мероприятия по снижению загрязнения атмосферного воздуха выбросами автомобильного транспорта на 1997-1999 гг по городу Нижний Тагил.
8. Заключение. В процессе работы над рефератом
Остается надеяться, что здравый смысл возобладает над индустриальным азартом и удастся остановить массовое загрязнение окружающей среды свинцом, негативно влияющим на биохимические процессы живых организмов. 9. Литература.
Станцо В.В. “Педагогика” 1990 г.
1.Содержание 2. Введение 3. Свинец (82207,2 Pb) 3.1. Распространение в природе 3.2. Физические свойства 3.3. Химические свойства 3.4. Применение 4. Источники загрязнения окружающей среды свинцом 4.1.1. Получение свинца 4.1.2. Загрязнение окружающей среды в процессе получения свинца 4.2.1. Химические источники тока 4.2.2. Свинцовый аккумулятор – загрязнитель окружающей среды 4.3. Выбросы автотранспорта – основной источник загрязнения окружающей среды ионами свинца 4.3.1. Получение бензинов при крекинге нефтепродуктов 4.3.2. Состав бензина 4.3.3. Октановое число 4.3.4. Воздействие отработавших газов автомобиля на живые организмы 5. Влияние ионов свинца на живую природу 5.1. Влияние на организм человека. Общий характер действия. Токсическое действие свинца 5.2.Влияние ионов свинца на почву и растения 6. Экспериментальное определение содержания оксида углерода (II) в отработавших газах автомобилей 6.1. Общие требования 6.2. Требования безопасности 6.3. Методы подготовки 6.3.1. Подготовка прибора к работе 6.3.2. Регулировка прибора 6.3.3. Подготовка автомобиля к проверке 6.4.Определение содержания окиси углерода в отработавших газах 6.5. Содержание окиси углерода в отработавших газах 6.6. Результаты проверок автомобилей на содержание оксида углерода (II) в отработавших газах автомобилей 6.7.Выводы 6.8. Влияние оксида углерода (II) на организм человека 7. Способы борьбы с массовым загрязнением ионами свинца 8. Заключение 9. Литература 2 стр. 3-4 стр. 4-6 стр. 4 стр. 4 стр. 4-5 стр. 5-6 стр. 6-11 стр. 6 стр. 6 стр. 6-7 стр. 7-8 стр. 8-9 стр. 9-10 стр. 10 стр. 10-11 стр. 11 стр. 11-15 стр. 11-13 стр. 13-15 стр. 15-18 стр. 15 стр. 15 стр. 15 стр. 15 стр. 15-16 стр. 16 стр. 16 стр. 16-17 стр. 17 стр. 17-18 стр. 18-19 стр. 19-24 стр. 24 стр. 25 стр.
Г Свинец и экология. Реферативно-экспериментальная работа по экологии Автор: Савин Владимир Александрович МОУ №40 ученик 10 А класса. Преподаватель: Поликарпова Татьяна Алексеевнапреподаватель химии МОУ №40 II категории Научный руководитель: Юшкова Ирина КонстантиновнаДоцент НТГПИг. Нижний Тагил. 1999 г. |
||||||||||||||||||||||||||||||||||||||||||||||||||||||||||||||||||||||||||||||||||||||||||||||||||||||||||||||||||||||||||||||||||||||||||||||||||||||||||||||||||||||||||||||||||||||||||||||||||||||||||||||||||||||||||||||||||||||||||||||||||||||||||||||||||||||||||||||||||||||||||||||||||||||||||||||||||||||||||||||||||

Pb3(CO3)2(OH)2

орУпрО
администрации
г. Нижний Тагил