Реферат: Расчёт мостового сооружения
|
Название: Расчёт мостового сооружения Раздел: Рефераты по технологии Тип: реферат | ||||||||||||||||||||||||
Размеры и монтажный вес балок по типовым проектам Инв. №710/5
Размеры поперечного профиля автодорожных мостов СНиП 2.05.03–84
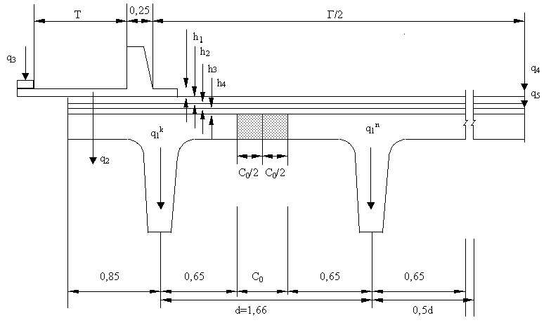
9. Вычисление постоянных нагрузок на 1 погонный метр главной балки. Нормативная постоянная нагрузка на 1 погонный метр балки от ее собственного веса и веса стыка, объединяющего соседние балки, кН/м.Для крайней балки:
Для любой промежуточной балки:
где
d – расстояние между осями балок, м С0 – ширина стыка между соседними балками, м
Рис. 12.1 Схема к определению постоянной нагрузки на крайнюю и промежуточную балки. Нормативный вес 1 погонного метра типовых железобетонных блоков тротуаров пониженного типа (Инв. № 384/42) q2 = 6,7 кН/м при ширине тротуара Т=1,5м Нормативный вес 1 погонного метра типовых металлических перил (Инв. № 384/42) q3 = 0,42 кН/м Нормативный вес 1 погонного метра асфальтобетонного покрытия шириной Г кН/м
где h1 – толщина покрытия (0,07 – 0,08м) 1 – удельный вес асфальтобетона (23 кН/м3) Г – габарит моста, м Нормативный вес 1 погонного метра трехслойного основания под покрытие шириной Г кН/м.
где h2 – толщина защитного слоя бетона (0,4м); h3 – толщина слоев гидроизоляции (0,01м); h4 – толщина выравнивающего слоя бетона (0,03м); 2 –удельный вес защитного слоя бетона (23,5кН/м3); 3 –удельный вес слоя изоляции (15кН/м3); 4 –удельный вес выравнивающего слоя бетона (23,5кН/м3); Примечание: Поперечный уклон на мосту рекомендуется создавать установкой балок на подферменники разной высоты или приданием уклона ригелю опоры. 9.1 Суммарная постоянная нормативная нагрузка на 1 погонный метр балки.
Расчетная
постоянная
нагрузка получается
умножением
постоянной
нормативной
нагрузки на
соответствующие
коэффициенты
надежности
по нагрузке,
(
Для крайней балки, кН/м:
где
10. Определение коэффициентов динамичности и коэффициентов поперечной установки. Очевидно, что временная нагрузка, находящаяся на пролетном строении моста (А-II, НК-80, толпа на тротуарах), не одинаково нагружает каждую балку пролетного строения. Кроме того, при движении она создает дополнение к статической динамическую нагрузку. При расчетах балок пролетных строений мостов динамическое воздействие временной нагрузки учитывается коэффициентом динамичности (1+), а неравномерность нагружения балок – коэффициентом поперечной установки (). Коэффициент поперечной установки показывает, какая часть всей временной нагрузки приходится на конкретную балку пролетного строения. В практике проектирования мостов применяют несколько методов вычисления коэффициента поперечной установки. При пролетных строениях из балок без диафрагм для определения коэффициента поперечной установки можно применять метод упругих опор. Этот метод предполагает, что балки пролетного строения являются упруго проседающими опорами, а плита балок рассматривается как многопролетная (поперек пролетного строения) неразрезная балка. Распределения временной нагрузки между балками зависит от жесткости балок и плиты, пролета балок и плиты.
Для автомобильной нагрузки А-II:
где - длина загружения линии влияния принимается равной расчетному пролету (l) балки при определении изгибающего момента в середине пролета балки. Для колесной нагрузки НК-80:
(для промежуточных значений - по интерполяции) Для толпы на тротуарах:
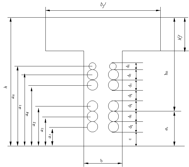
Вначале необходимо вычислить геометрические характеристики поперечного сечения балки в середине пролета. Для этого фактическое сечение балки заменяем расчетными (рис.13.1)
Рис. 13.1 Схема к определению геометрических характеристик балки: а – фактическое сечение балки; б – расчетное сечение балки. Расчетная толщина ребра балки:
Расчетная ширина плиты балки на стадии эксплуатации.
Ширина плиты
балки (
где hп – фактическая толщина плиты балки, см
Если эта
величина будет
больше или
равна расстоянию
между осями
балок ( где d – расстояние между осями балок (166 см) Свес плиты, считая от конца вута, см
где Расчетная толщина плиты с учетом вутов, см:
где 1,
2,
3,
4
– площади участков
плиты, приводимые
к равновеликой
площади прямоугольника
шириной, равной
Для балок по типовым альбомам 710/1 и 710/5 (рис. 13.1)
При этом
ширина свесов
плиты не должна
быть больше
шести ее толщин,
т.е.
Площадь поперечного расчетного сечения балки, см2:
где h1
– высота ребра
балки ( h – полная высота балки, см Статический момент сечения балки относительно оси I-I проходящей через верхнюю грань плиты, см3:
Расстояние с верха балки до центра тяжести сечения, см:
Момент инерции сечения балки относительно оси II-II (рис.3.1) проходящей через его центр тяжести, см:
Момент инерции сечения плиты, шириной один метр, см4:
где bпл=100 см Для вычисления давлений на главную балку от единичной силы, перемещаемой поперек пролетного строения от одной крайней главной балки до другой, по которым в зависимости от коэффициента , характеризующего отношение жестокостей главной балки и плиты главных балок в пролетном строении, находят ординаты давлений на одну из главных балок.
где d – расстояние между осями главных балок, м; l – расчетный пролет главной балки, м; Ординаты давлений на главную балку в масштабе откладывают под схемой пролетного строения и концы ординат соединяют прямыми линиями, и таким образом строят линию влияния давлений на главную балку.
В таблицах
/7/ ординаты давлений
на главную
балку обозначают
буквой с цифрами
индексами (
Ординаты
линии влияния
под левой и
правой консолями
пролетного
строения (
где dк, d – расстояние между осями главных балок и длина консоли плиты крайних балок. Примечание. Для пролетных строений из балок по типовым альбомам инв. 710/1 и 710/5, dк=0,85м, d=1,66 м.
При вычислении
Величины
ординат
При вычислении
Например, в пролетном строении, имеющим 7 балок и присвоении крайней левой балке номера «ноль» для вычисления ординаты линии влияния под левой консолью индексы n и r будет иметь следующие значения: Для крайней балки №0
Найденные ординаты откладываются под соответствующими консолями и их концы соединяются прямой линией с концами уже построенной линии влияния. Далее над линией влияния в пределах ширины пролетного строения устанавливается временная нагрузка с соблюдением требований СниП 2.05.03-84 по установке временных нагрузок по ширине моста, т.е. автомобильная нагрузка А-II одна или две полосы может быть установлена на мосту с соблюдением и без соблюдения полосы безопасности, нагрузка НК-80 только с соблюдением полосы безопасности и только на одной полосе движения. Ордината линии влияния под равнодействующей временной нагрузки будет равна коэффициенту поперечной установки для данной нагрузки. Например: Пользуясь линией влияния для крайней балки №0, найти КПУ для временных нагрузок. Для НК-80
Для толпы на одном тротуаре (левом)
Для автомобильной равномерной части нагрузки А – II, установленной без соблюдения полосы безопасности. Для автомобильной равномерной части нагрузки А – II, установленной без соблюдения полосы безопасности для тележки А – II.
Для автомобильной равномерной части нагрузки А – II, установленной c соблюдения полосы безопасности. Для автомобильной равномерной части нагрузки А – II, установленной c соблюдения полосы безопасности для тележки А – II.
11. Расчетные усилия в сечениях главной балки
Расчетную
временную
нагрузку на
главную балку
получают умножением
нормативной
нагрузки на
соответствующие
коэффициенты
надежности
на нагрузке
(
Коэффициенты
надежности
по нагрузке
( Для нагрузки НК–80 ________________________________1,0; Для нагрузки от толпы на тротуаре приучете совместно с другими нагрузками_________________1,2; Для равномерной части нагрузки А–II __________________1,2;
Для тележки
нагрузки А–II
___________________________
где - длина загружения линии влияния одного знака При расчете элементов пролетных строений автодорожных мостов (главные балки, диафрагмы) должны рассматриваться три основные сочетания постоянных и временных нагрузок (СниП 2.05.03-84 п.2.12): Первое – постоянная нагрузка плюс НК-80; Второе – постоянная нагрузка плюс А-II (один или два ряда) без соблюдения полосы безопасности; Третье – постоянная нагрузка плюс А-II с соблюдением полосы безопасности и плюс толпа на тротуарах. При этом число полос нагрузки, размещаемой на мосту, не должно превышать установленного числа полос движения. Расстояние между осями смежных полос нагрузки должны быть не менее 3,0м. При многополосном движении в каждом направлении и отсутствии разделительной полосы на мосту ось крайней (внутренней) полосы нагрузки каждого направления не должна быть расположена ближе 1,5м и от осевой линии или линии, разделяющей направления движения. При этом на мосту размещается столько полос движения, сколько их поместится над линией влияния давлений на главную балку одного знака. 11.1 Расчетный изгибающий момент в середине пролета главной балки. При вычислении изгибающего момента удобно пользоваться линией влияния моментов для расчетного сечения, загруженной действующими равномерно распределенными и сосредоточенными нагрузками (рис. 14.1).
Рис.1 4.1 Схема
к определению
изгибающего
момента в середине
пролета балки:
а – расчетная
схема балки;
б – линия влияния
изгибающего
момента в середине
пролета балки
и ее загружение;
l
– расчетный
пролет балки,
Изгибающий
момент в середине
пролета балки
Первое загружение – постоянная нагрузка плюс НК – 80
где
Второе загружение – постоянная нагрузка плюс нагрузка А – II без соблюдения полосы безопасности (одна или две и более поло, но не больше общего числа полос движения)
Третье загружение
– постоянная
нагрузка, плюс
А – II
с соблюдением
полосы безопасности
и плюс толпа
на одном или
двух тротуарах.
qТО – 3,92 – 0,0196=3,92-0,19621,3=3,50, но не менее 1,96кН/м2 – равномерная нагрузка на один м2 тротуара от толпы; – длина загружения линии влияния, =l ; Т – ширина тротуара в метрах.
Из трех значений
момента (
При выполнении курсового проекта расчет по прочности сводится к определению количества растянутой арматуры, ее размещение в ребре балки и вычислению несущей способности балки при заданных геометрических размерах поперечного сечения.
Вначале
необходимо
назначить класс
бетона и арматуры,
которые будут
использованы
для изготовления
рассчитываемой
балки. Выписать
их основные
характеристики,
указать расчетный
пролет балки
(l),
основные размеры
расчетного
сечения ( Далее предварительно назначаем расстояние от низа балки до центра тяжести растянутой арматуры (Qs), равным 10 – 15 см. Вычисляем далее рабочую высоту сечения балки, см
где h – высота балки, см Требуемую площадь сечения растянутой арматуры, определяем по формуле, полагая, что высота сжатой зоны бетона будет равна расчетной высоте плиты балки.
где Rs – расчетное сопротивление арматуры для первой группы предельных составлений Для армирования ребра балки рекомендуется применять арматуру диаметром 28 или 32 мм. Площадь поперечного сечения одного стержня (А1) принимают по таблицам или вычисляют как для круга диаметром, равным номинальному диаметру арматуры. Требуемое число стержней принятого диаметра (d) будет равно:
Полученное число стержней округляем до большего ближайшего четного числа, принимаем 12 штук. В ребре балки принятую арматуру размещают обычно в два ряда по ширине ребра (симметрично относительно продольной оси балки) и в несколько рядов по высоте балки. Обычно вертикальные ряды арматуры объединяют сваркой в два плоских каркаса. В случае расположения арматуры в таких каркасах более чем в три ряда по высоте необходимо через каждые три ряда устраивать просвет, равные диаметру арматуры. Просветы образуют установкой арматурных коротышей (длиной, равной шести диаметрам арматуры, 6d) в местах отгибов, а также через 1м по длине каркаса. Толщина защитного слоя бетона с боков и от низа ребра балки должна быть не менее 3 см. Принятое число стержней располагаем в ребре балки, объединив их в два плоских каркаса.
Рис.
15.1. Схема к определению
центра тяжести
арматуры и
рабочей высоты
сечения балки:
а1
– а2
– расстояние
от низа балки
до центра тяжести
стержней;
с=3 см – защитный слой бетона. После размещения арматуры уточняем положение ее центра тяжести, см.
где
Далее
из уравнения
равновесия
внутренних
усилий (
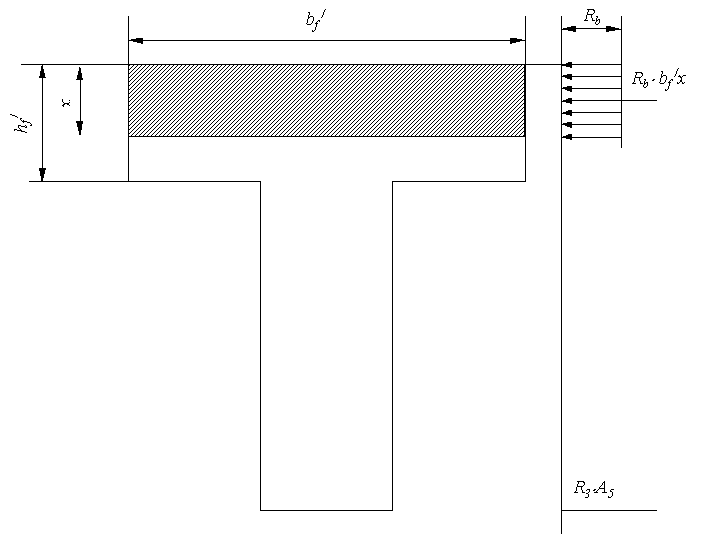
где Rb – призменная прочность бетона для предельных состояний первой группы. Здесь дальше может быть два случая расчета таврового сечения.
Первый
случай – когда
Рис.15.2. Схема к расчету балки таврового сечения.
Если
Для
i–го
ряда:
Для
i+1
ряда: и т.д. до последнего ряда арматуры. Далее с учетом снижения расчетного сопротивления арматуры (Rs) i–го и вышележащих рядов с умножением его на соответствующие коэффициенты ma6 , необходимо еще раз уточнить положение центра тяжести арматуры. Это удобнее сделать, если на коэффициенты ma6 умножить площади поперечного сечения арматуры соответствующих рядов. Уточненная площадь сечения всей арматуры (Аs, y) будет равна:
Уточненное положение центра тяжести арматуры:
Полезная высота сечения балки, см
Высота сжатой зоны бетона (с учетом ma6). Находим из уравнения равновесия внутренних сил, см.
Относительная высота сжатой зоны бетона:
Граничная относительная высота сжатой зоны бетона:
где 1=Rs=365МПа – для ненапрягаемой арматуры, МПа 2=500 МПа – предельное напряжение в арматуре сжатой зоны, зависящее от предельной сжимаемости бетона.
Если
Если
При
Второй
случай расчета
(
В
случае если
Дальше повторяют все этапы расчета как для первого случая. Окончательно несущую способность уже как для таврового сечения балки находят по формуле:
Если
Если
это условие
не выполняется
и
Количество арматуры в ребре балки определялось для сечения в середине пролета, где действует максимальный изгибающий момент. К опорам в разрезных балках момент уменьшается до нуля. В этом случае всю рабочую арматуру доводить до опоры нецелесообразно. При изготовлении конструкций в целях экономии стали, часть арматуры обрывают в пролете или отгибают, а сжатую зову бетона и таким образом используют ее для восприятия поперечных сил. При отгибе или обрыве арматуры необходимо доводить до опоры не менее 1/3 принятого количества стержней и не менее двух. Стержни, обрываемые или отгибаемые в пролете, должны заходить за место теоретического обрыва (отгиба) в сторону опоры на величину заделки арматуры. Для арматуры класса А – II при классе бетона В 30 и выше ls должна составить не менее 22d и 25d при классе бетона В 20 – B 27,5 (d – номинальный диаметр арматуры). Для арматуры класса А – III длину заделки ls следует увеличивать соответственно на 5d. Места теоретического отгиба (обрыва) арматуры определяются при проектировании конструкции по эпюре расчетного момента.
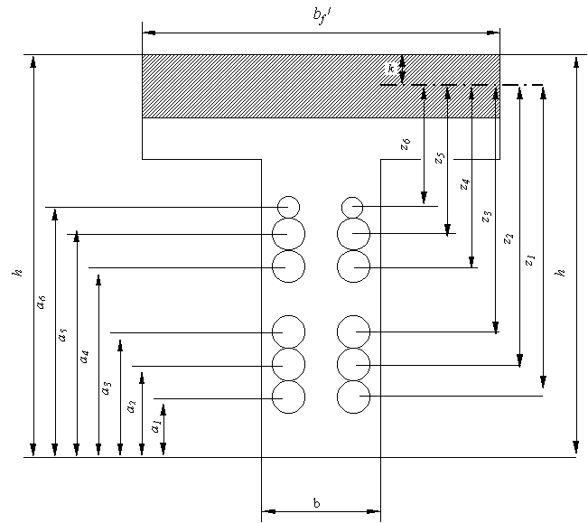
Полагая, что
балка нагружена
равномерно
распределенной
нагрузкой по
всему пролету,
эпюра изгибающих
моментов будет
параболической.
Ордината параболы
в середине
пролета балки
будет равна
расчетному
изгибающему
моменту
где х – расстояние от опоры до расчетного сечения, м l – расчетный пролет балки, м
При
С помощью вычисленных моментов (Мх) строят эпюру действующих расчетных изгибающих моментов, откладывая их в масштабе на чертеже.
В таком же
масштабе откладывают
моменты М1
– М5.
Они будут равны
произведению
площади поперечного
сечения стержня
(
Для рядов
арматуры, лежащей
ниже
Точки пересечения линии расчетных изгибающих моментов с линией несущей способности балки (2) без двух стержней верхнего ряда, далее без двух стержней четвертого ряда и без двух стержней третьего ряда будут местами теоретического отгиба (обрыва) соответствующих стержней.
Места фактического отгиба (обрыва) стержней намечают на фасаде ребра балки, отступя от места теоретического отгиба на величину заделки (l3). горизонтальный и вертикальный масштабы фасада балки должны быть одинаковыми. Стержни отгибают в сжатую зону бетона под углом 30 - 60 (45) к продольной оси балки. На участках длиной 2h0 от опорного сечения любое сечение, перпендикулярное продольной оси, должно пересекать не менее одного наклонного стержня. Если это условие не выполняется, необходимо в таком сечении установить дополнительные наклонные стержни.
Рис. 15.3 Схема к вычислению изгибающих моментов М1 – М5. Концы отгибаемых стержней в балках пролетных строений мостов обычно приваривают к монтажным продольным стержням в сжатой зоне бетона. Дополнительные наклонные стержни должны прикрепляться к продольным рабочим стержням односторонним сварным швом длиной 12d (двухсторонним – 6d) и высотой не менее 4 мм. К одному стержню арматуры допускается приварить с каждого конца балки не долее двух наклонных стержней. По рисунку определяется расстояние от оси опирания балки до начала отгибов стержней, которое должно быть воспроизведено при проверке несущей способности балки по поперечной силе.
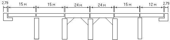
а) Номер продольного профиля №4 б) Геологические данные: супеси до отметки – 5, далее глина с гравием. в) Габарит и ширина тротуаров: Г-10+2*1,5 г) Размеры продольного профиля: а=17, b=0,8 д) Число судоходных пролетов: 2 е) Судоходный габарит: Ширина – 20, 20м Высота по середине –3,5м Высота у опор – 1м ж) Класс рабочей арматуры балки: А-II з) Класс бетона: В-35 и) Номер балок (См. схему): к) Длина балки: 12,7м л) Расчетная глубина промерзания: 1,2b=1,2*0,8=0,96м м) Глубина общего размыва: 0,5b=0,5*0,8=0,4м н) Глубина местного размыва: 1,2b=1,2*0,8=0,96м о) Толщина льда: 0,4b=0,4*0,8=0,32м п) Отметки уровня вод и ледохода: УМВ=2b=2*0,8=1,6м УВВ=6b=6*0,8=4,8м РСУ=4,5b=4,5*0,8=3,6м УВЛ=5b=5*0,8= 4м р) Отверстие моста: 5,5a=5,5*17=93,5м с) Временные нагрузки: А -I I ; НК-80 т) Продольный уклон моста в сторону низкого берега: 1%
Рис. 1.1 Продольный профиль мостового перехода а=17м, b=0,8м
Рис.1.2 Размер судоходного габарита.
Длина моста зависит от высотного положения пролетного строения моста и ширины отверстия моста.
Для перекрытия судоходных пролетов применяем балки из предварительно напряженного железобетона. По типовому альбому Инв.№384/46 с полной длиной балок: Lпол=24м при высоте балок hбал=1,2м Lпол=24м при высоте балок hбал=1,2м Для перекрытия пойменных пролетов принимаем балки с каркасной арматурой по типовому альбому Инв.№710/5 Полная длина балок lпол= 12м; 15м; Высота балок соответственно hбал=0,9м; 0,9м; 2.1.1 Определение отметки низа пролетного строения моста из условия обеспечения судоходства. Учитывая, что мост имеет общий продольный уклон равный 1% в сторону правого берега, в точке А в судоходном габарите (рис.2.1)
где d – диаметр столба промежуточной опоры (1,66м).
Рис.2.1 Схема к определению отметки низа пролетного строения из условия обеспечения судоходства.
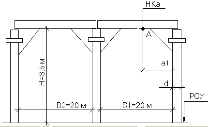
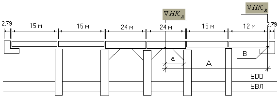
где Н – высота судоходного габарита (3,5м) 2.1.2 Определение отметки низа конструкции пролетного строения из учета пропуска высокой воды и высокого ледохода в точке А, в правом судоходном габарите.
Рис.2.2 Схема к определению отметки низа конструкции пролетного строения из условия пропуска высокой воды и высокого ледохода. 2.1.2.1 Из условия пропуска высокой воды.
где h1 – возвышение низа пролетного строения над уровнем высокой воды. h1 =0,5м 2.1.2.2 Из условия пропуска высокого ледохода.
где h1 – возвышение низа пролетного строения над уровнем высокого ледохода. h2=0.75м
Из полученных
трех значений
строения принимаем
наибольшее:
отметка низа
конструкции
пролетного
строения в
точке А,
2.1.3. Определение отметки верха пролетного строения в коренном русле в точке А.
Рис.2.3 Схема к определению отметки верха балки в точке А.
Рис. 2.4 Схема к определению требуемой длины моста. Определение возвышения верха балки над уровнем высокой воды
Требуемая длина моста
где l0 – отверстие моста по заданию х – длина открылков, зависит от длины береговых пролетов
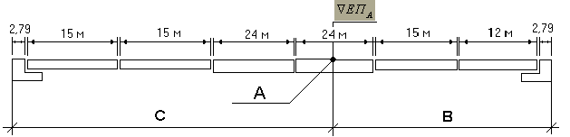
Учитывая, что в коренном русле перекрыт пролет балкой полной длины Lпол=109,58м оставшаяся длина моста, которую необходимо перекрыть и разбить на пролеты будет равна.
где б=0,05м зазор между торцами балок
Рис.2.5 Схема к определению принятой длины моста
пролетном строении моста. 3.1 Количество балок с каркасной ненапрягаемой арматурой по типовому альбому Инв.№710/5 .
где Г – габарит моста (10м) Т – ширина тротуаров (1.5м) dк – длина свеса полки крайней балки (0,85м) d – расстояние между осями балок (1,66м) Принимаем 8 балок с каркасной ненапрягаемой арматурой по типовому альбому Инв.№710/5 . 3.2 Количество балок с предварительно напряженной арматурой по типовому альбому Инв.№384/46. dк=1,04м , d=2,5м
Принимаем 6 балок с предварительно напряженной арматурой в пролетном строении моста по типовому альбому Инв.№384/46. 3.3 Проверка величины свисания тротуарного блока над крайней балкой с каркасной ненапрягаемой арматурой.
Необходимо
выполнение
условия:
3.4 Свисание тротуарного блока над крайней балкой с предварительно напряженной арматурой.
Необходимо
выполнение
условия:
х=-0,34м , что меньше 0,65м, следовательно условие выполняется.
Рис. 3.1 Схема к определению количества балок в пролетном строении моста.
Рис. 4.1 Схема к определению длины ригеля опоры №4
Расстояние между осями балок d1=1,66
арматурой с расстояниями между осями балок d2=2,5 по типовому альбому Инв.№384/46
Принимаем длину ригеля Вриг=14,1м из условия установки 8 балок с каркасной ненапрягаемой арматурой по типовому альбому Инв.№ 710/5. 5. Определение отметки низа пролетного строения в береговом пролете в точке В.
Рис.5.1 Схема к определению отметки низа конструкции пролетного строения моста в береговом пролете и проверки условия пропуска высокой воды и высокого ледохода.
где hб,12 – высота балки длиной 12м
i – продольный уклон моста
5.1.1 Проверка обеспечения пропуска высокой воды в береговом пролете.
Необходимо
выполнение
условия
5.1.2 Проверка обеспечения пропуска высокого ледохода в береговом пролете.
Так как
6. Определение отметок верха ригеля и насадки опоры моста.
Рис. 6 Схема к распределению отметок верха ригеля и насадки опор моста.
где hпф – высота подферменника (0,15)
Проверка:
Рис. 7.1 Схема к определению отметки ездового полотна в точке А. h1 – выравнивающий слой (0.03м) h2 – слой гидроизоляции (0,01м) h3 – защитный слой из мелкозернистого бетона (0,04м) h4 – асфальтобетонное покрытие (0,08м) h5 – возвышение верха балки по оси моста над крайней балкой
Рис. 7.2 Схема к определению отметок ездового полотна в начале и конце моста. с – расстояние от точки А до начала моста (75,16м) в– расстояние от точки А до конца моста (35,74м) Определение отметки ездового полотна в начале моста:
Определение отметки ездового полотна в конце моста:
|
||||||||||||||||||||||||







, но не менее
1,0


















где q11
и Р11
– соответственно
равномерная
часть нагрузки
А – II
и давление
одной оси тележки
А – II





























































