  
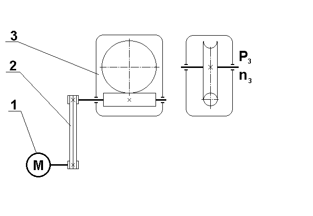
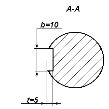
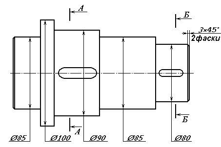
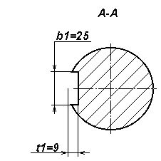
 тверской политехнический ТЕХНИКУМ 1 9 9 7 г о д  ? ? ? ? ? ? ? ? ? ?  ??????? в ы п о л н и л с т у д е н т г р у п п ы 3 П 1 ???????? ?????? Раздел 1 “????????” 1.1 Общие сведения о редукторе 1.2 Описание проектного редуктора Раздел 2 “????????? ?????” 2.1 Выбор электродвигателя 2.2 Расчет передачи редуктора 2.3 Предварительный расчет валов 2.4 Расчет открытой передачи 2.5 Подбор подшипников 2.6 Расчет шпонок 2.7 Уточненный расчет валов 2.8 Тепловой расчет редуктора Раздел 3 “??????????????? ?????” 3.1 Конструирование деталей передачи редуктора 3.2 Конструирование корпуса редуктора 3.3 Конструирование подшипниковых узлов 3.4 Выбор посадок 3.5 Выбор смазки Раздел 4 “??????????????? ?????” 4.1 Краткое описание сборки редуктора | | | | | | | | | | | | ТМ.КП.РЧ.304.000.ПЗ. | | Изм | Лист | № докум. | Подп. | Дат | | | Разраб. | Самсонов А. | | 97 | | Лит. | Лист | Листов | | Проверил | Стратонитский | | | СОДЕРЖАНИЕ | | У | | 1 | | | Рук. | | | | расчетно-пояснительной записки | | | Н.контр. | | | | курсового проекта | ТПТ гр.-2П1 | | Утвердил | | | | | | | ????? ????????? ???????? ??? 59. ??????? № 49  1-???????????????? 2-?????-???????? ???????? 3-???????? ????????? ???????? ????:P=4.5 ??? ; n=30 ??/??? | | | | | 97 | | Лист | | | | | | ТМ.КП.РЧ.304.000.ПЗ. | 2 | | Изм | Лист | Ном. докум. | Подп. | Дат | | | | Раздел 1 Введение 1.1 Общие сведения о редукторах (П-2.1 стр-9) Редуктором называют механизм, состоящий из зубчатых или червячных передач, выполненный в виде отдельного агрегата, и служащий для пе- редачи вращения от вала двигателя к валу рабочей машины. Кинематическая схема привода может включать,помимо редуктора, отк- рытые зубчатые передачи, цепные или ременные передачи. Назначение редуктора - понижение угловой скорости и соответствен но повышение вращающего момента ведомого вала по сравнению с веду- щим. Механизмы для повышения угловой скорости, выполненные в виде отдельных агрегатов, называют ускорителями или мультипликаторами. Редуктор проектируют либо для привода определенной машины, либо по заданной нагрузке и передаточному числу без указания конкретного назначения. Редукторы классифицируют по следующим признакам: типу передачи, (зубчатые, червячные или зубчато-червячные), числу ступеней (односту- пенчатые, двухступенчатые), типу зубчатых колес (цилиндрические, ко- нические, коническо-цилиндрические), относительному расположению валов редуктора в пространстве (горизонтальные, вертикальные), осо- бенностями кинематической схемы (развернутая, соосная, с раздвоенной ступенью). Возможности получения больших передаточных чисел при малых габа- ритах обеспечивают планетарные и волновые редукторы. 1.2 Описание проектируемого редуктора (стр 18-22) Червячный редуктор применяется для передачи движения между валами, оси которых перекрещиваются . По относительному положению червяка и червячного колеса раз- личают три основные схемы червячных редукторов: с нижним, верхним и боковым расположением червяка. Искусственный обдув ребристых корпусов обеспечивает более бла гоприятный тепловой режим работы редуктора.Выход вала колеса редуктора с боковым расположением червяка в зависимос-ти от назначения компоновки привода может быть сделан вверх или вниз. При нижнем расположении червяка условие смазыва-ния, зацепления лучше, при верхнем хуже, но меньше вероятнос-ть попадания в зацепления металлических частиц-продуктов зноса Передаточные числа червячных редукторов обычно колеблются в пределах U=8-80 (см. ГОСТ 2144-76) Так как К.П.Д. червячных редукторов невысок, то для передачи больших мощностей и в установках, работающих непрерывно, проектировать их нецелесообразно. Практически червячные ре- дукторы применяют для передачи мощности, как правило, до 45 кВт и в виде исключений до 150 кВт. | | | | | 97 | | Лист | | | | | | ТМ.КП.РЧ.304.000.ПЗ. | 3 | | Изм | Лист | Ном. докум. | Подп. | Дат | | | Раздел 2 Расчетная часть 2.1 Выбор электродвигателя, кинематический и силовой расчет Исходные данные: Частота вращения вала барабана:30об/мин Мощность на валу барабана:Р=4.5 кВт Количество передаточных звеньев привода: 2 Количество пар подшипников: 2 Количество валов: 3 Коэффициент учитывающий потери в одной паре подшипников:0.99 Параметры 1-го вала Параметры цилиндрического редуктора Максимальное передаточное число звена Umax = 4 Минимальное передаточное число звена Umin = 2 К.П.Д. звена 0.7 Параметры 2-го вала Параметры червячной передачи. Umax =40 Umin =8 К.П.Д.=0.7 Требуемая мощность электродвигателя: Выбираем асинхронный 132M2 у которого мощность 3 кВт Диапазоны частот вращения вала электродвигателя 480-4800об/мин Величина скольжения: 0.023 Фактическая частота вращения Действительное передаточное число:97.6999 Разбиваем действительное передаточное число между звеньями и получаем Uред = 30 , Uрем=3.26 Вал 1 Передаточное число 1 К.П.Д. 1 Число пар подшипников на валу-0 Частота вращения вала 2931 об/мин Мощность на валу 9.37013912 кВт Вращающий момент на валу 30.54371261 Н*м Вал 2 Передаточное число 3.26 К.П.Д. 0.95 Число пар подшипников на валу1 Частота вращения вала 900 об/мин Мощность на валу 8.81261539 кВт Вращающий момент на валу 93.55217743 Н*м Вал3 Передаточное число 30 К.П.Д. 0.7 Число пар подшипников на валу 1 Частота вращения вала 30.089об/мин Мощность на валу 4.5 кВт Вращающий момент на валу 1944.9498Н*м | | | | | 97 | | Лист | | | | | | ТМ.КП.РЧ.304.000.ПЗ. | 4 | | Изм | Лист | Ном. докум. | Подп. | Дат | | | | Уточненное значение межосевого растояния aw=304 Расчетная скорость скольжения Vs=6.058 м/с Корректируем допускаемое контактное напряжение [н]=152 Н/мм`2 2.2 Расчет передачи редуктора Т.к. к проектируемой передаче не предъявляется особых требований принимаем : 1- Материал для червяка среднеуглеродистая конструкционная сталь 45 с термообработкой HRC 45 2- Червячное колесо изготавливаем сборным: венец из бронзы марки А9ЖЗЛ, а центр из серого чугуна СЧ18, ориентируясь на скорость скольжения Vs=5 м/с, выбираем допускаемое контактное напряжение [н]=155 Н/мм2 По табл. 4.8 стр. 66 выбираем допускаемое напряжение [-1F]=75 H/мм2 ориентируясь на неограниченный срок передачи принимаем коэффициент долговечности K FL=0.543 Допустимое напряжение на изгиб [ F]=40.72 Н/мм`2 Число зубьев z1=1 Число зубьев червячного колеса z2=30 Коэффициент диаметра червяка q=10 Момент на валу червячного колеса M3=1944.95 Н*м Коэффициент нагрузки К=1.2 Межосевое расстояние aw=273.59 мм Уточненное межосевое расстояние aw=273 мм Модуль m=13.679 мм Уточненный модуль 16 мм (по ГОСТу) По ГОСТу принимаем основные параметры червяка (стр.56 таб.4.2): Делительный диаметр червяка d1=128 мм Диаметр вершин витков червяка da1=160мм Диаметр впадин витков червяка df1=89.5999мм Длина нарезной части b1=204.8мм Уточненная длина нарезной части b1=245 мм Максимальная ширина венца b2=120 мм По ГОСТу принимаем основные параметры червячного колеса Делительный диаметр червячного колеса d2=480мм Диаметр вершин зубьев червячного колеса da2=512мм Диаметр впадин зубьев червячного колеса df2=441.6мм Максимальный диаметр червячного колеса d aм2=544мм Угол подъема (стр.57 таб. 4.3) =54300=5.7166 Частота вращения червяка n2=900 об/мин | | | | | 97 | | Лист | | | | | | ТМ.КП.РЧ.304.000.ПЗ. | 5 | | Изм | Лист | Ном. докум. | Подп. | Дат | | | Коэффициент трения f=0.024 (стр.59 таб.4.4) Угол трения p`=1.3 Уточненное значение К.П.Д. редуктора =0.7726 Выбираем 8-ую степень точности Коэффициент динамической нагрузки Kv=1.4 (стр.65 таб.4.7) Коэффициент диформации червяка =108 (стр64. Таб.4.6) Вспомогательный коэффициент х0.6 (стр.65) Расчетное контактное напряжение н=146.802 Н/мм`2 Вывод: контактная выносливасть обеспечена, т.к. н<[н] Эквивалентное число зубъев zv=30 Коэффициент формы зуба YF=2.1 (стр.63 таб.4.5) Расчетное напряжение на изгиб F=7.702 Н/мм`2 Вывод: прочность зубьев червячного колеса обеспечена, т.к. F<[F] 2.3 Предварительный расчет валов Вращающий момент на ведущем валу передачи М2=93 Н*м Допустимое касательное напряжение [ ]=20 H/мм`2 Диаметр выходного конца ведущего вала db1=28.598мм Уточненный диаметр выходного конца ведущего вала db2=32мм Вращающей момент на ведомом валу передачи M3 =1944.9 Н*м Диаметр выходного конца ведомого вала db2=78.635 мм Уточненный диаметр db2=80 мм Диаметр ведомого вала под уплотнение: dу2=85 мм Диаметр ведущего вала под уплотнение: dу1 =35 мм Диаметр ведомого вала под подшипник: dn2=85 мм Диаметр ведущего вала под подшипник: dn1=35 мм Диаметр впадин витков червяка df1=90 мм Диаметр технологической ступени ведущего вала: dT1= 62 мм Диаметр под червячное колесо: dp2=90 мм Диаметр буртика ведомого вала: dб=100 мм Ведущий вал:   | | | | | 97 | | Лист | | | | | | ТМ.КП.РЧ.304.000.ПЗ. | 6 | | Изм | Лист | Ном. докум. | Подп. | Дат | | | | Неуказанные радиусы скругления равны: радиус ведущого вал:r=1мм радиус ведомого вал:r=2мм Ведомый вал:   2.4 Расчет ременной передачи Расчетная передоваемая мощность Р=9.37 кВт Синхроннаячастота вращения вала 2931 об/мин Передаточное отношение U=3.26 Скольжение ремня 0.01 Сечение клиновидного ремня (стр.134 рис.7.3) А Вращающий момент Т=30.528 Н*м Диаметр меньшего шкива (стр.132 табл.7.8) 100мм Диаметр большего шкива 322.74 мм Уточненный диаметр большего шкива 355мм Уточненное значение передаточного числа U=3.58 Высоту сечения ремня 8 мм (стр.131 таб. 7.7) Меж осевое растояние 258.25-455 мм Уточненное межосевое растояние 300 мм Расчетная длина ремня L=1368.899 мм Округление по стандарту L=1320 мм Уточненное значение межосевого растояния Ар=299.99999999 мм Угол обхвата меньшего шкива =131.55 | | | | | 97 | | Лист | | | | | | ТМ.КП.РЧ.304.000.ПЗ. | 7 | | Изм | Лист | Ном. докум. | Подп. | Дат | | | Мощнасть, передоваемая одним клиновым ремнем 1.76 Коэффициент учитывающий число ремней в передаче Cz =0.9 (4 - ремня) Коэффициент учитывающий влияние угла обхвата C = Коэффициент учитывающий Cz = Коэффициент Cz = Силы деыствующие на цепь: Окружная сила От центробежной силы От провисания Расчетная нагрузка на вал: Коэффициент запаса прочности цепи | | | | | 97 | | Лист | | | | | | ТМ.КП.РЧ.304.000.ПЗ. | 8 | | Изм | Лист | Ном. докум. | Подп. | Дат | | | Раздел 2 Вал 4 Передаточное число: Момент на ведущем валу передачи: Частота вращения ведущего вала: Выбор материала: Материал для шестерни и зубчатого колеса выбираем ст.45 с термообработкой: для шетерни улучшение, степень твердости рабочей поверхности зубьев , для колеса нормализация, степень твердости рабочей поверхности зубьев . Коэффициент долговечности 1, так как срок службы неограничен Кнl = 1 Коэффициент нагрузки К= 1,2 Расчетное допускаемое контактное напряжение:[G]h = H/мм Определение допустимых напряжений на изгиб: Первый множитель коэффициента безопасности: [S]F Второй множитель коэффициента безопасности: [S]F Допустимое напряжение на изгиб [G]F1 Допустимое напряжение колеса [G]F2 2.2 Расчет передачи редуктора Межосевое растояние aw=273.59 мм Уточненное межосевое растояние 273 мм Модуль m=13.679 По ГОСТу принемаем основные параметры червяка (стр.56 таб.4.2): Делительный диаметр червяка Диаметр вершин витков червяка Диаметр вершин зубьев колеса Ширина шестерни Ширина колеса число зубьев шестерни Коэффициент ширины венца Минимальный нормальный модуль зацепления Mmin = Максимальный нормальный модуль зацепления Mmax = Число зубьев колеса Косинус угла наклона зубьев Уточненный угол наклона зубьев Коэффициент ширины шестерни по диаметру Окружная скорость колес В зависимости от окружной скорости принимаем степень точности Момент на ведомом валу Первый множитель коэффициента нагрузки: Второй множитель коэффициента нагрузки: Третий множитель коэффициента нагрузки: Контактное напряжение Контактная выносливость передачи обеспечена Динамический коэффициент: Коэффициент влияния межосевого растояния: Коэффициент наклона цепи: Регулировочное напряжение цепи (регулировка периодическая) Коэффициент способа смазки (смазывание переодическое) Коэффициент переодичности работы Коэффициент эксплуатации Допустимое давление в шарнирах Шаг цепи Шаг однорядной цепи Принимаем шаг ближайший больший нагрузка Масса Площадь опорной поверхности шарнира Скорость цепи Окружная сила Давление в шарнирах цепи Допустимое давление для принятой цепи Уточненное межосевое растояние цепной передачи Для свободного провисания цепи предусмотреть уменьшение межосевого растояния на 0.4% Диаметр ролика цепи Делительный диаметр окружности звездочек Силы действующие в зацеплении Окружная сила Радиальная сила Осевая сила Проверяем зубья на выносливость по напряжениям изгиба: Первый множитель коэффициента нагрузки Второй множитель коффициента нагрузки Эквивалентное число зубьев шестерни Эквивалентное число зубьев колеса Взависимости от эквивалетного числа: зубьев шестерни, учитывающего форму шестерни зубьев колеса, учитывающего форму колеса Напряжение изгиба для колеса Выносливость зубьев на изгиб обеспечен 2.3 Расчет открытой передачи Исходные данные: Момент на ведущей звездочке Передаточное число цепной передачи Частота вращения вала ведомой звездочки Фактическое передаточное число цепной передачи Диаметры наружных окружностей звездочек Силы деыствующие на цепь: Окружная сила От центробежной силы От провисания Расчетная нагрузка на вал: Коэффициент запаса прочности цепи: 2.5 Расчет шпонок 2.5.1 Вращающий момент на валу Диаметр вала в месте установки шпонки: Ширина шпонки Высота шпонки Глубина шпоночного паза Длина шпонки Шпонка призматическая с круглыми торцами. Расчетное напряжение смятия шпоночного соединения 2.5.2 Вращающий момент на валу Диаметр вала в месте установки шпонки Ширина шпонки Высота шпоночного паза Глубина шпоночного паза Длина шпонки Шпонка призматическая с круглыми торцами. Расчетное напряжение смятия 2.5.3 Вращающий момент на валу Диаметр вала в месте установки шпонки Ширина шпонки Глубина шпонки Глубина шпоночного паза Высота шпоночного паза Длина шпонки Шпонка призматическая с круглыми торцами. Расчетное напряжение смятия Ведущей вал: Определение продольных размеров вала: l1= b1+2y+2x+B b1 - ширина шестерни y = - зазор между торцом x = 8 - 12 мм В - ширина подшипника Ведомый вал: 2.6 Выбор подшипников 2.6.1. Радиальная сила: Ft= H Окружная сила: Ft = H Осевая сила : Fa = H Делительный диаметр шестерни: в = Rx1 = H Rx2 = H Ry1 = H Ry2 = H Опора 1: R1 = H Опора 2: R2 = H Выбираем подшипник по более нагруженной опоре: R1 = H Подшипник в = в = В = С = Н Со = Н Отношение осевой силы Fa к статической грузоподъемности Отношение осевой силы Fa к радиальной нагрузке: Рr = ; x = ; y = Коэффициент, учитывающий характер нагрузки на подшипник Температурный коэффициент: Kt = Коэффициент учитывающий взаимное движение колец подшипника: V = Эквивалентная нагрузка: Рэ = H Частота вращения вала: n = об/мин. Расчетная долговечность: Lh = миллиона оборотов; Расчетная долговечность: Lh = часа; 2.6.2. Расчет ведомого вала Радиальная сила: Fr = H Окружная сила: Ft = H Осевая сила: Fa = H Нагрузка на вал от цепной передачи: Fb = H Делительный диаметр окружности зубчатого колеса: в = Частота вращения вала: n = об/мин. Составляющая нагрузка на вал от цепной передачи: Fbx = Fby = H Расстояние между опорами вала: L2 = Расстояние от звездочки цепной передачи до ближайшего подшипника: L3 = Реакции опор а) в горизонтальной плоскости: Rx3 = Н Rx4 = H б) в вертикальной плоскости: Ry3 = H Ry4 = H сумма реакций: Pr3 = H Pr4 = H Суммарная реакция наиболее нагруженной опоры: Pr = H Подшипник в = (внутренние кольцо подшипника) в = (наружное кольцо подшипника) В = 20 мм (ширина подшипника) С = 35100H C = 19800H (статическая грузоподъемность) Отношение осевой силы Fa к статической грузоподъемности Со: Fa/Co l = Отношение осевой силы Fa к радиальной нагрузке Pr4: Fa/Pr4 X = Y = Температурный коэффициент: Коэффициент учитывающий взаимное движение колес подшипника Эквивалентная нагрузка Расчетная долговечность 2.7 Уточненный расчет валов Предел прочности [G]w По нормальным напряжениям: По касательным напряжениям: Расчет ведомого вала. Диаметр под сечением: Ширина шпонки: Глубина паза вала: Момент сопротивления кручению: Момент сопротивления изгибу: Крутящий момент в сечении: Изгибающий момент в сечении: Амплитуда и средние напряжения касательных напряжений: Амлетуда нормальных напряжений изгиба: Коэффициент запаса прочности по нормальным напряжениям: Коэффициент запаса прочности по касательным напряжениям: Результирующий коэффициент запаса прочности: Раздел 3 Конструкторская часть 3.1 Конструирование зубчатого колеса Диаметр ступицы зубчатого колеса: Длина ступицы: Толщина обода колеса: Толщина диска зубчатого колеса: Диаметр центровой окружности: Дотв. До - внутренний диаметр обода Диаметр отверстий: 3.2 Конструирование корпуса редуктора. Межосевое растояние: Толщина стенки крышки: Толщина верхнего пояса (фланца) корпуса: Толщина нижнего пояса (фланца) корпуса: Толщина ребер основания корпуса: Толщина ребер крышки корпуса: Диаметр болтов фундаментных: Диаметр болтов у подшипников: Диаметр болтов соединяющих основание корпуса с крышкой: Винты крепления крышек подшипников: Наименьший зазор между поверхностью колеса и стенкой корпуса: 3.3 Выбор посадок зубчатые колеса и зубчатые муфты на валы. мазеудерживающие кольца. стаканы под подшипники качения в корпус. шкивы и звездочки. уплотнения. внутренние кольца подшипников качения на валы. наружные кольца подшипников качения в корпусе. 3.4 Выбор смазки Смазывание зацепления осуществляется окунанием зубчатых колес в масло, заливаемое в внутрь корпуса. Назначаем сорт масла по таблицам 10.8 и 10.10. (страница 253, курсовое проектирование деталей машин). Вязкость масла: Эту вязкость удовлетворяет масло Для смазки подшипников приминяем ластичный смазочный материал - пресс - солидол ГОСТ 4366 - 76 Раздел 4 Технологическая часть 4.1 Краткое описание сборки редуктора. Перед сборкой внутреннию полость корпуса редуктора тщательно очищают и покрывают маслостойкой краской. Сборку производят в соответствии со сборочным чертежем редуктора, начиная с узлов валов: на ведущей вал насаживают шпонку и напрессвывают зубчатое колесо до упора в бурт вала; затем надевают мазеудерживающие кольца и устанавливают шарикоподшипники, предварительно нагретые в масле. Собранные валы укладывают в основание корпуса редуктора и надевают крышку корпуса, покрывая предварительно поверхности стыка крышки и корпуса спиртовым лаком. Для центровки устанавливают крышку на корпус с помощью двух конических штифтоф; затягивают болты, крепящие крышку корпуса. После этого в подшипниковые камеры закладывают пластичную смазку, ставят крышки подшипников с комлектом металических прокладок для регулировки. Перд постановкой сквозных крышек в проточке закладывают войлочные уплотнения, пропитанные горячим маслом. Проверяют проворачиванием валов отсутствие заклиневания подшипников (валы должны проворачиваться от руки) и закрепляют крышки винтами. Затем ввертывают пробку маслоспускного отверстия с прокладкой и жезловой маслоуказатель. Заливают в корпус масло и закрывают смотровое отверстие крышки с прокладкой из технического картона; закрепляют крышку болтами. Собранный редуктор обкатывают и подвергают испытанию на стенде по программе, устанавливаемой техническими условиями. |