В последнее
время вопросы
охраны труда
получили
дальнейшее
совершенствование
и углубление.
Правительством
принято решение
об улучшении
работы по охране
труда и предупреждению
заболеваний
рабочих и
служащих путем
технического
усовершенствования
и широкого
внедрения
новых, более
совершенных
механизмов,
автоматов,
радиоэлектроники,
телемеханики
и компьютеризации,
улучшающих
условия труда
человека.
Работа
по управлению
экскаватором
- погружателем
анкерных
стержней,
является
напряженной
и утомительной.
Качество и
безопасность
выполнения
работы зависит
от многих
факторов. К
ним относятся:
освещение;
шум;
вибрация;
метеорологические
условия;
вредные
вещества в
воздухе рабочей
зоны;
санитарно-бытовое
обслуживание;
Для
создания
нормальных
условий работы
машиниста
предусматривается
необходимое
освещение
(в ночное время),
|
|
|
|
|
|
|
|
|
|
|
|
ДП.
ПАС 32. 00. 00.000 |
| Изм. |
Лист |
№ докум. |
Подп. |
Дата |
|
| Разраб. |
Санин |
|
|
|
Лит. |
Лист |
Листов |
| Пров. |
Стариков |
|
|
|
|
|
|
1 |
7 |
|
|
|
|
БЖД |
ТФ |
| Н. контр. |
Иванов |
|
|
|
гр.
СДМ 92 |
| Утв. |
Закирзаков |
|
|
|
|
обзор
и звуковая
сигнализация.
Осветительные
приборы должны
освещать рабочую
зону и зону
передвижения
машины рассеяным
светом, не
оказывающим
ослепляющего
воздействия.
Освещенность
экскаватора
в ночное время
равна 80 лк.
Предельно
допустимый
уровень шума
в кабине экскаватора
и вибрация
на рабочем
месте машиниста
не превышает
значений
действующих
норм и правил
ГОСТ 12.1.012-78. С целью
снижения шума
в кабине экскаватора
тщательно
подгоняют
соприкасающиеся
части кабины,
обивают внутренние
панели звукопоглощающими
материалами.
Для уменьшения
вибрации
применяют
виброизоляцию,
исключающую
резонансные
явления, а также
производят
балансировку
движущихся
деталей машины.
Конструкция
и внутренние
размеры кабины
обеспечивают
машинисту
свободный
вход в зимней
одежде, удобные
действия рычагами
и педалями,
соответствуют
требованиям
эргономики.
В кабине экскаватора
предусмотрены
вентиляция
и отопление,
создающие
микроклимат.
Температура
поддерживается
в пределах
от +15 до +27°С.
внутри кабины
установлен
отопитель
типа О-30, работающий
независимо
от двигателя.
Стекла кабины
в условиях
Севера обдувают
теплым воздухом
или делают
двойное остекленение
и помещают
в проеме стекол
влагопоглотитель.
|
|
|
|
|
|
|
Лист |
|
|
|
|
|
ДП.
ПАС 32. 00. 00.000 |
2 |
| Изм. |
Лист |
№ докум. |
Подп. |
Дата |
|
|
Основные
меры безопасности
при работе
на экскаваторе.
К работе
на экскаваторе
допускаются
лица не моложе
18 лет, прошедшие
специальную
техническую
подготовку,
проверку
теоретических
и практических
навыков, а также
хорошо изучившие
правила техники
безопасности.
Запрещается
работать 1
человеку на
экскаваторе.
Работа
разрешается
только на
исправном
экскаваторе
- погружателе
анкерных
стержней
Привлечение
посторонних
лиц к управлению
машины строго
воспрещается.
Все
ремонтные
работы проводят
только при
полной остановке
агрегата.
Пребывание
в рабочей зоне
(до 3-х метров)
экскаватора
- погружателя
анкеров посторонних
лиц воспрещается.
Перед
запуском
двигателя
убедиться,
что все рычаги
управления
находятся
в нейтральном
положении.
Запрещается
сходить с
экскаватора
или садиться
в него во время
его движения.
|
|
|
|
|
|
|
Лист |
|
|
|
|
|
ДП.
ПАС 32. 00. 00.000 |
3 |
| Изм. |
Лист |
№ докум. |
Подп. |
Дата |
|
|
9.При
работе (погружении
анкеров) в ночное
время на участке
работы должны
быть подвешены
фонари.
Перевозка
экскаватора
(погружателя)
на всех видах
транспорта
разрешается
только с соблюдением
надежного
крепления.
Запрещается
производить
ремонт под
экскаватором
при включенном
двигателе.
При работе
погружателя
рабочая зона
должна быть
свободной
от посторонних
предметов.
Запрещается
демонтаж
элементов
гидропривода,
находящегося
под давлением.
В случае
временного
прекращения
работы или
ремонта рабочий
орган должен
быть выглублен,
а погружатель
- экскаватор
перемещен
на расстояние
не менее 10 метров
от края траншеи,
где протянут
трубопровод.
При хранении
горюче-смазочных
материалов
необходимо
следить за
выполнением
противопожарных
мероприятий
и правил.
Экскаватор
должен быть
укомплектован
медицинской
аптечкой.
.
|
|
|
|
|
|
|
Лист |
|
|
|
|
|
ДП.
ПАС 32. 00. 00.000 |
4 |
| Изм. |
Лист |
№ докум. |
Подп. |
Дата |
|
|
Машинист
должен носить
спецодежду
без развевающихся
пол и иметь
при себе рукавицы.
17. Необходимо
строго придерживаться
правил техники
безопасности.
|
|
|
|
|
|
|
Лист |
|
|
|
|
|
ДП.
ПАС 32. 00. 00.000 |
5 |
| Изм. |
Лист |
№ докум. |
Подп. |
Дата |
|
|
|
Расчет
экскаватора
на устойчивость
(поперечную
устойчивость
погружателя
анкерных стержней
при движении
по уклону).
Расчет
производиться
для наиболее
неблагоприятного
положения
экскаватора
при его транспортном
передвижении
с поперечным.
Коэффициент
устойчивости:
Ку
= Муд
, где
Мопр
Муд
- момент удерживающий.
Мопр
- момент опрокидывающий;
Муд=
Gтр
cosa
·
d + Gр.об.
cosa
; где
Gтр
- вес погружателя
анкерных
стержней.
Gр.об.
- вес рабочего
оборудования.
Расчетная
схема

|
|
|
|
|
|
|
|
Лист |
|
|
|
|
|
|
ДП. ПАС 32. 00. 00.000
|
6 |
|
Изм. |
Лист |
№ докум. |
Подп. |
Дата |
|
|
|
d
- плечо
действия
удерживающих
сил;
a
- уклон.
Решим
систему:
Муд
= 13 cosa
·
3,2 + 9 cosa
·
3,2 = 28,5 cosa;
М опр
= 13 sina
+ 9 ·
5,4 = 31,2
sina.
tga
= 31,2
sina
= 1,03 => a
= arctg 1,03 = 18°
28,5
cosa;
Вывод:
Таким
образом при
угле наклона
экскаватора-погружателя
анкерных смещений
a>18°
может
произойти
опрокидывание.
Для уклона
a>10°:
Ку
= 28,5
cos 10°
= 4,6
31,2
sin
10°
|
|
|
|
|
|
|
|
Лист |
|
|
|
|
|
|
ДП. ПАС 32. 00. 00.000
|
7 |
|
Изм. |
Лист |
№ докум. |
Подп. |
Дата |
|
|
БЖД
|
Конструкторская
часть.
1. Технология
строительства
магистральных
трубопроводов.
- Общая
технология.
Линейное
строительство,
к которому
относится и
строительство
трубопроводов,
обладает одной
важной особенностью
- разнообразием
и изменчивостью
характера
местности
вдоль трассы
трубопроводов,
требующих
применения
различных
технологических
схем и технологии
строительства.
Это изменение
может быть
настолько
существенным,
что требует
полного технического
переоснащения
строительных
подразделений,
выполняющих
определенный
вид работ.
Все
многообразие
природных
условий разделено
на шесть групп:
освоение
равнины;
освоение
пустыни;
освоение
болота;
вечномерзлых
грунтов;
гор;
водных
преград.
Каждая
из этих групп
требует применения
особой технологии
строительства,
специальной
техники, без
которой
|
|
|
|
|
|
|
|
|
|
|
|
ДП.
ПАС 32. 00. 00.000 |
| Изм. |
Лист |
№ докум. |
Подп. |
Дата |
|
| Разраб. |
Санин |
|
|
|
Лит. |
Лист |
Листов |
| Пров. |
Закирзаков |
|
|
Конструкторская |
|
|
|
1 |
|
|
|
|
|
часть |
ТФ |
| Н. контр. |
Иванов |
|
|
|
гр.
СДМ 92 |
| Утв. |
Закирзаков |
|
|
|
|
строительство
становится,
если не невозможным,
то, совершенно
не технологичным.Следует
отметить, что
на болотах,
вечномерзлых
грунтах и в
пустынях в
некоторых
условиях возможно
применение
тех же технологических
схем, что и на
освоенных
равнинах.
Например,
промерзшие
болота можно
рассматривать,
как равнину,
сложенную
на некоторую
глубину мерзлым
грунтом, однако,
в осенне-летний
период работа
обычной технике
на них практически
невозможна.
В летний период
и вечномерзлые
грунты оттаивают,
что делает
их непроходимыми.
Поэтому отнести
эти равнинные
местности к
освоенным и
пригодным
для круглогодичной
работы равнинам
нельзя.
Рассмотрим
основные элементы
линейной
технологии
строительства:
Подготовка
трассы.
Под
подготовкой
трассы понимается
приведение
ее в такое
состояние,
при котором
возможно
осуществление
всех остальных
технологических
операций.
Подготовка
проводится
вдоль всей
трассы в полосе,
ширина которой
нормируется
строительными
нормами СН
452-73. При подготовке
трассы к работе
основных
строительных
подразделений
наиболее важными
являются три
вида работ:
вырубка
леса, если он
имеется в полосе
отвода;
создание
начального
профиля трассы;
устройство
проезда вдоль
трассы.
Рытье
траншеи экскаватором.
Рытье
траншеи экскаватором
производится
роторными
или
|
|
|
|
|
|
|
Лист |
|
|
|
|
|
ДП. ПАС 32. 00. 00.000
|
|
| Изм. |
Лист |
№ докум. |
Подп. |
Дата |
|
|
ковшовыми
экскаваторами
периодического
действия. В
плотных грунтах
наиболее
эффективным
является рытье
роторными
экскаваторами.
Траншея,
подготавливаемая
роторным
экскаватором,
имеет ровно
спланированное
дно, что исключает
сосредоточенные
участки давления
на изоляцию
трубы и способствует
лучшему сохранению
изоляции при
укладке трубопровода.
Монтаж
и сварка трубопровода.
Сварка
трубопровода
вдоль трассы
может выполняться
как до рытья,
так и вслед
за рытьем.
Трубопровод
в условиях
равнинной
местности
монтируется
из секций,
состоящих
из двух - четырех
труб, свариваемых
на трубосварочных
базах (ТСБ) и
доставляемых
к месту монтажа
плетевозами.
Сварка трубопровода
из одиночных
труб осуществляется
в исключительных
случаях, когда
по каким-либо
обоснованным
причинам доставка
секций труб
к месту работ
невозможна.
Сварка секций
непосредственно
на трассе
производится
по двум схемам:
стыки
свариваются
ручной электродуговой
сваркой
сварочно-монтажной
бригадой на
участке длиной
300-350 метров (8-9 секций);
трубопровод
наращивается
из секций
методом контактной
сварки с помощью
специального
оборудования.
Изоляционно-укладочные
работы.
Применяют
три схемы
изоляционно-укладочных
работ:
схема
изоляции стыков
и укладка из
труб с заводской
изоляцией;
раздельная
схема изоляции
и укладки.
|
|
|
|
|
|
|
Лист |
|
|
|
|
|
ДП. ПАС 32. 00. 00.000
|
|
| Изм. |
Лист |
№ докум. |
Подп. |
Дата |
|
|
Общим
для всех схем
является
перемещение
трубопровода,
находящегося
на бровке траншеи
с помощью
трубоукладчиков
на дно траншеи.
При этом трубопровод
изгибается
как в вертикальном,
так и в горизонтальном
направлениях.
Напряженное
состояние
труб при этом
должно быть
таким, чтобы
в них имели
место только
упругие деформации.
Засыпка
трубопровода.
Траншея,
с уложенным
в нее трубопроводом,
засыпается,
как правило
бульдозером.
При этом грунт
не должен
содержать
крупных комков,
особенно в
зимний период.
Если такого
грунта нет,
то для засыпки
привозят мягкий
грунт.
- Способы
закрепления
трубопроводов.
В настоящее
время в отечественной
практике
трубопроводного
строительства
в условиях
обводненной
и заболоченной
местности
применяются
различные
типы железобетонных
пригрузов;
анкерные
устройства;
нетканные
синтетические
материалы и
т.д. Трубопроводы
больших диаметров
обладают
повышенной
плавучестью
и поэтому
балластировка
их одиночными
грузами требует
значительного
расхода железобетона.
Учитывая
значительную
стоимость и
трудоемкость
балластировки
трубопроводов
утяжеляющими
грузами область
их применения
целесообразно
ограничить
следующими
участками
переходов
трубопроводов:
через
глубокие болота;
через
болота, в основании
траншеи которых
залегают грунты
повышенной
прочности
или грунты,
не обеспечивающие
расчетной
несущей способности
анкера;
|
|
|
|
|
|
|
Лист |
|
|
|
|
|
ДП. ПАС 32. 00. 00.000
|
|
| Изм. |
Лист |
№ докум. |
Подп. |
Дата |
|
|
через
незамерзающие
болота, водоотлив
из которых
невозможен
при производстве
работ в зимнее
время.
В настоящее
время для
балластировки
трубопроводов
применяются
утяжеляющие
грузы различных
конструкций.
Седловидные
железобетонные
грузы используют
для балластировки
трубопроводов
диаметром
от 273 до 1420 мм, при
переходе через
болота с мощностью
торфа не превышающей
1 - 1,5 метра, при
соблюдении
условий, обеспечивающих
их устойчивое
положение
на трубопроводе
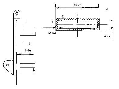
(смотри рис.
1). Главным недостатком
является то,
что центр тяжести
конструкции
расположен
выше оси трубопровода.
Это приводит
к тому, что при
смещении груза
в плоскости,
перпендикулярной
к оси трубопровода,
положение
равновесия
нарушается
и груз опрокидывается.
Недостатком
также является
малое сопротивление
изгибающим
напряжениям
и деформациям
в самом узком
месте - вершине
седла.
Утяжелитель
типа УБО (см.
рис.2) представляет
собой два
железобетонных
блока со скосами,
соединенными
между собой
двумя силовыми
поясами. Скосы
на блоках
выполнены
для обеспечения
возможности
установки
их на трубопровод
в минимальные
по габаритам
траншеи. Груз
типа УБО применяется
для балластировки
трубопроводов
на переходах
через болота
различных
типов и малые
водостоки,
вогнутых и
выпуклых кривых
и прямолинейных
участках,
прилегающих
к ним; на углах
поворота в
горизонтальной
плоскости и
участках выхода
трубопровода
на поверхность.
Утяжелитель
седловидный
самозакрепляющийся
УСС.
Состоит
из седловидного
железобетонного
П-образного
блока с проемами
в опорах, в
каждом из
которых смонтирован
|
|
|
|
|
|
|
Лист |
|
|
|
|
|
ДП. ПАС 32. 00. 00.000
|
|
| Изм. |
Лист |
№ докум. |
Подп. |
Дата |
|
|
железобетонный
прижимной
элемент с
криволинейной
поверхностью,
контактирующей
с трубопроводом
(см. рис.3). Груз
может применяться
для балластировки
трубопроводов,
прокладываемых
в условиях
обводненной
и заболоченной
местности,
а также на
переходах
через малые
водные преграды.
К недостаткам
этого типа
утяжелителей
относятся:
трудоемкость
изготовления;
необходимость
дополнительной
изоляции,
покрывающей
при монтаже;
сложность
навески грузов
УСС.
Утяжелитель
клиновидный
болотный (см.
рис.4) УБК.
Можно
использовать
для балластировки
трубопроводов
взамен седловидных
грузов на
переходах
через болота
с мощностью
торфа, не превышающей
глубины траншеи.
Клиновидный
груз обладает
повышенной
устойчивостью
на трубопроводе.
При установке
на изоляционный
трубопровод
полимерного
покрытия, оно
не нарушается.
Технология
и трудоемкость
клиновидных
грузов как
на трубопроводных
грузах, при
этом используется
тоже серийновыпускаемое
промышленностью
грузоподъемное
оборудование.
Наряду
с железобетонными
пригрузами
стали применяться
и полимерно-контейнерные
балластировочные
устройства
ПБКУ (см. рис.5).
Устройства
ПБКУ могут
применяться
для балластировки
трубопроводов
диаметром
до 1 420 мм на обводненных,
заболоченных
и периодически
затопляемых
участках
строительства
с грунтами
минерального
основания,
применение
которых в
качестве
грунтового
заполнителя
полостей ПБКУ
позволяет
создать необходимую
балластировочную
|
|
|
|
|
|
|
Лист |
|
|
|
|
|
ДП. ПАС 32. 00. 00.000
|
|
| Изм. |
Лист |
№ докум. |
Подп. |
Дата |
|
|
нагрузку
на трубопровод.
Одним
из наиболее
экономичных
способов
обеспечения
устойчивого
положения
трубопроводов
на проектных
отметках является
закрепление
их анкерными
устройствами.
Рис.6.
Винтовое анкерное
устройство
(ВАУ) состоит
из:
силового
пояса;
тяги
анкера;
винтового
анкера.
ВАУ
применяются
для закрепления
трубопроводной
нитки, прокладываемой
наземно, в
насыпях и
подземно на
заболоченных
и периодически
затопляемых
участках с
устойчивыми
подстилающими
грунтами,
обеспечивающими
закрепление
в них винтовых
анкеров и
установку
анкерных
устройств.
Сварные
анкера раскрывающегося
типа АР-401 (см.рис.7).
Способ
основан на
использовании
прочностных
свойств и
продольной
жесткости
самого трубопровода,
позволяющих
балластировать
его сосредоточенными
нагрузками
в несколько
десятков тонн.
Закрепление
трубопровода
выстреливаемыми
анкерами.
Способ
предложен
для использования
его в минеральных
грунтах. Сущность
основана на
том, что анкеры
с прикрепленными
к ним тягами
выстреливаются
в грунт гарпунно-китобойной
пушкой с трактора
или автомобиля.
Тяги анкеров
после подтягивания
приваривают
к силовому
поясу, под
который предварительно
укладывают
прокладку
из бризола
и футеровочный
мат.
|
|
|
|
|
|
|
Лист |
|
|
|
|
|
ДП. ПАС 32. 00. 00.000
|
|
| Изм. |
Лист |
№ докум. |
Подп. |
Дата |
|
|
Все
вышеупомянутые
способы балластировки
с помощью
анкерных
устройств,
да и сами анкерные
устройства,
имеют один
серьезный
недостаток
- они почти или
полностью
не приемлемыми
в условиях
вечной мерзлоты.
До недавнего
времени балластировку
трубопроводов
производили
в основном
железобетонными
пригрузами.
Но карта месторождений
распространяется
все дальше
на север и,
естественно,
доставлять
на трубопроводные
линии пригрузы
большой массы
становится
все дороже,
неэкомично.
Поэтому в
последнее
время назрела
необходимость
использовать
в условиях
вечной мерзлоты
более современные
и экономически
эффективные
способы балластировки
трубопроводов.
Закрепление
трубопровода
с помощью машины
МБШ-321.
Этот
способ основан
на том, что в
предварительно
вырытую скважину
глубиной не
менее трех
метров погружается
стержневой
анкер со "шляпкой"
диаметром
равным диметру
скважины
("шляпкой"
вниз). После
чего скважина
с погруженным
анкером засыпается
грунтом (мягким)
с водой. Вода
- это эффект
объемного
расширения,
что позволяет
анкеру прочно
сидеть в грунте.
В остальном
технология
закрепления
почти такая
же как и у ВАУ-1.
Вывод.
Основными
преимуществами,
способствующими
широкому
внедрению
анкерных
устройств в
трубопроводное
строительство
являются:
быстрота
их доставки
и установки;
возможность
заглубления
анкера без
нарушения
грунта;
|
|
|
|
|
|
|
Лист |
|
|
|
|
|
ДП. ПАС 32. 00. 00.000
|
|
| Изм. |
Лист |
№ докум. |
Подп. |
Дата |
|
|
незначительный
собственный
вес по сравнению
с развиваемой
удерживаемой
силой;
небольшая
стоимость.
Рис. 1

Рис. 2

|
|
|
|
|
|
|
Лист |
|
|
|
|
|
ДП. ПАС 32. 00. 00.000
|
|
| Изм. |
Лист |
№ докум. |
Подп. |
Дата |
|
|
Рис. 3

Рис. 4

|
|
|
|
|
|
|
Лист |
|
|
|
|
|
ДП. ПАС 32. 00. 00.000
|
|
| Изм. |
Лист |
№ докум. |
Подп. |
Дата |
|
|
Рис. 5

Рис. 6

|
|
|
|
|
|
|
Лист |
|
|
|
|
|
ДП. ПАС 32. 00. 00.000
|
|
| Изм. |
Лист |
№ докум. |
Подп. |
Дата |
|
|
Рис. 7.

Рис. 8.

|
|
|
|
|
|
|
Лист |
|
|
|
|
|
ДП. ПАС 32. 00. 00.000
|
|
| Изм. |
Лист |
№ докум. |
Подп. |
Дата |
|
|
Особенности
предлагаемого
анкерного
закрепления.
2.1. Примерная
технология
производства
работ при
использовании
стержневых
анкеров.
Технология
рассчитана
на комплекс
работ по закреплению
трубопровода
в вечно-мерзлых
грунтах стержневыми
анкерами.
За исходное
положение
принято:
применяемый
анкер - стержневой,
стальной;
диаметром
до 32 мм;
длиной
до 6 метров.
заглубление
анкеров в грунт
производиться
с помощью
гидравлического
экскаватора
ЭО-4124А, к стреле
которого
непосредственно
и подвешен
погружатель
анкерных
стержней.
работы
ведутся в одну
смену;
до начала
работ погружателя
трубопровод
сварен в нитку,
заизолирован
и уложен в
траншею.
Технология
работ по монтажу
включает:
разметку
мест установки
анкерных
устройств;
раскладку
комплектов
вдоль закрепляемого
участка;
погружение
(с одновременным
кручением)
анкеров в грунт;
укладку
на трубопровод
прокладок,
футеровочного
мата и силового
пояса;
приварку
силового пояса
к стержням
погружаемых
анкеров;
изоляцию
мест соединения
пояса со стержнем.
|
|
|
|
|
|
|
Лист |
|
|
|
|
|
ДП. ПАС 32. 00. 00.000
|
|
| Изм. |
Лист |
№ докум. |
Подп. |
Дата |
|
|
- Предлагаемая
конструкция
устройства
(погружателя).
Погружатель
анкерных стержней
предназначен
для погружения
в вечномерзлых
водонасыщенных
грунтах стержневых
анкеров, применяемых
при закреплении
магистральных
нефте- газопроводов
на проектных
отметках в
районах севера
Западной Сибири,
при температуре
окружающего
воздуха от
минус 60 до плюс
45 °С.
Климатическое
исполнение
погружателя
ХЛ, категория
размещения
I
по ГОСТ 15150-69.
Погружатель
представляет
собой навесное
оборудование
к экскаватору
ЭО-4124 и состоит
из механизма
погружения,
ограждения
и управления.
Механизм
погружения
в свою очередь
состоит из
рамы с направляющими,
вращателя,
цилиндра подач,
верхнего и
нижнего зажимов.
Вращатель
представляет
собой одноступенчатый
редуктор,
состоящий
из корпуса,
в котором
установлены
вал - шестерня,
колесо зубчатое
на пустотелом
валу. Для монтажа
колеса в корпусе
предусмотрен
люк, закрываемый
крышкой. На
корпусе предусмотрено
посадочное
место для
стакана, в
котором крепится
гидромотор.
Для заливки
и слива масла
установлены
пробки.
На сварной
раме закреплены
две направляющие,
по которым
перемещается
вращатель с
установленным
на нем гидромотором.
На верхней
плите рамы
и на тихоходном
валу вращателя
через штангу
установлены
зажимы. Вращатель
перемещается
по направляющим
под действием
гидроцилиндра,
один конец
|
|
|
|
|
|
|
Лист |
|
|
|
|
|
ДП. ПАС 32. 00. 00.000
|
|
| Изм. |
Лист |
№ докум. |
Подп. |
Дата |
|
|
которого
закреплен
на раме, а другой
на вращателе.
Зажим
предназначен
для удержания
погружаемого
стержня при
движении
вращателя
вверх.
Зажим,
установленный
на верхней
плите рамы
механизма
погружения,
представляет
собой корпус,
установленный
на подшипниках
качения, в
котором по
подвижной
посадке установлена
втулка со
шпоннами, имеющая
пазы под обжимные
рамки. С торца
корпуса вставлена
пружина, одним
концом опертая
во втулку, а
другим в стакан.
Зажим
предназначен
для передачи
крутящего
момента и осевого
усилия погружаемому
стержню от
вращателя
(нижний зажим
(цанга)).
Нижний
зажим крепится
к штанге и имеет
аналогичную
конструкцию
зажима верхнего,
только сдвоенного
через промежуточный
корпус.
Управление
включает
гидрооборудование
базовой машины
(экскаватор
4124А), дополнительно
установленного
гидрооборудования,
которое запитывается
от секции
управления
4124А.24.03.000. трехсекционного
гидрораспределителя.
При включении
рукоятки секции
управления
подается рабочая
жидкость в
гидромотор
и через дроссель
и гидроклапан
в распределитель
и далее либо
в поршневую,
либо штоновую
полость гидроцилиндра.
Дроссель должен
быть отрегулирован
на подачу 40
л/мин, а гидроклапан
- на давление
100 кг·с/см2.
Запрещается
подавать давление
в сливной канал!
Для этого
необходимо
на секции
установить
ограничитель.
На механизме
погружения
имеется механизм
реверсирования.
Он устанавливается
на раме погружателя
около крепления
стрелы с механизмом
погружения
(погружателем)
и
|
|
|
|
|
|
|
Лист |
|
|
|
|
|
ДП. ПАС 32. 00. 00.000
|
|
| Изм. |
Лист |
№ докум. |
Подп. |
Дата |
|
|
Механизм
реверсирования.

1
- тяга;
2 - опора; 3,4 - упора;
5 пружина;
6 - основание;
7 - распределитель;
8 - рама.
|
|
|
|
|
|
|
Лист |
|
|
|
|
|
ДП. ПАС 32. 00. 00.000
|
|
| Изм. |
Лист |
№ докум. |
Подп. |
Дата |
|
|
состоит
из тяги (прикреплена
вертикально
на раме), упоров
и пружин. При
достижении
вращателем
нижнего крайнего
положения,
упор, установленный
на механизме
реверсирования
через упор
(на тяге), действует
на тягу, перемещая
ее вниз, происходит
переключение
рукоятки
распределителя
и вращатель
начинает
двигаться
вверх. В верхнем
крайнем положении
упор вращателя
воздействует
через верхний
упор (их два
на тяге: вверху
и внизу) на тягу,
перемещая
ее вверх. Происходит
переключение
рукоятки
распределителя
и вращатель
начинает
двигаться
вниз. Перемещая
по тяге упоры,
устанавливают
необходимый
ход вращателя.
2.3. Подготовка
погружателя
к работе.
Подготовить
экскаватор
к работе в
соответствии
с ее эксплуатационной
документацией.
Проверить
надежность
крепления
узлов и деталей
погружателя.
Проверить
уровень масла
во вращателе,
наличие консистентной
смазки на
трущихся
поверхностях.
Проверить
работу всех
узлов и механизмов
погружателя:
перемещение
вращателя
по направляющим
должно быть
без рывков
и заеданий;
в конечных
положениях
вращателя
должно происходить
переключение
рукоятки
распределителя
механизма
реверсирования.
5. Выявленные
неисправности
- устранить.
|
|
|
|
|
|
|
Лист |
|
|
|
|
|
ДП. ПАС 32. 00. 00.000
|
|
| Изм. |
Лист |
№ докум. |
Подп. |
Дата |
|
|
- Порядок
работы погружателя
анкерных
стержней.
Во время
работы необходимо
выполнять
все требования
раздела "БЖД".
Установить
погружатель
в горизонтальное
положение.
Пропустить
анкерный
стержень через
ограждения
и механизм
погружения
так, чтобы он
вышел из нижнего
зажима на 5-10
мм.
Погружатель
привести в
вертикальное
положение,
наведя на точку
погружения
стержня. Расстояние
от торца нижнего
зажима до уровня
грунта должно
быть 50 мм, при
нижнем крайнем
положении
вращателя.
Дать
сигнал машинисту
для включения
соответствующего
распределителя
на погружение
стержня, при
этом вести
наблюдение
за ходом погружения.
При этом дать
сигнал на
выключение
распределителя
при выходе
конца погружаемого
стержня из
нижнего зажима.
Для
изменения
скорости
погружения
анкерного
стержня - регулировку
производить
дросселем
гидросистемы
погружателя.
Усилие
подачи регулировать
гидроклапаном
давления
гидросистемы
погружателя.
После
окончания
работы погружатель
установить
в горизонтальное
положение
и опустить
на землю.
|
|
|
|
|
|
|
Лист |
|
|
|
|
|
ДП. ПАС 32. 00. 00.000
|
|
| Изм. |
Лист |
№ докум. |
Подп. |
Дата |
|
|
Расчет
параметров
оборудования
погружателя.
3.1. Расчет
передачи.
Гидромотор
с экскаватора
210.25.13.21;
Крутящий
момент при
номинальном
давлении
rn
= 160 кг/см2;
Мвкр
= 26 кг·м;
Число
оборотов на
входном валу:
n
= 1 500 об/мин.
Рекомендуемое
передаточное
число:
i
= 3.
Из соотношения
по ГОСТу из
ряда чисел
зубьев выбираем
для шестерни
и колеса:
число
зубьев шестерни
Z1
= 24;
число
зубьев колеса
Z2
= 72.
Рекомендуемый
модуль:
m
= 4.
Рекомендуемый
угол профиля:
a
= 4.
Находим
делительный
диаметр шестерни
и колеса:
шестерни
- d1=
Z1
·
m = 24 ·
4 = 96 мм;
колеса
- d2
= Z2
·
m = 72 ·
4 = 288 мм.
|
|
|
|
|
|
|
Лист |
|
|
|
|
|
ДП. ПАС 32. 00. 00.000
|
|
| Изм. |
Лист |
№ докум. |
Подп. |
Дата |
|
|
Межосевое
расстояние:
a
= (Z1
+ Z2)
·
m = (24
+ 72).
·
4 = 192 мм
2
2
Диаметр
вершины зубьев
шестерни и
колеса:
шестерни
- da1
= d1
+ 2 ·
m = 96 + 2 ·
4 = 104 мм;
колеса
- da2
= d2
+ 2 ·
m = 288 + 2 ·
4 = 296 мм.
Выбираем
материал:
сталь
40 Х ГОСТ 4543-57.
Термическая
обработка -
нормализация.
Твердость:
НВ
= 243 ё
271 кг/мм2;
RC
= 24 ё
27 кг/мм2.
Вид
заготовки:
поковка.
Расчет
зубьев шестерни
на выносливость
по напряжением
изгиба приводится
в следующем
пункте.
|
|
|
|
|
|
|
Лист |
|
|
|
|
|
ДП. ПАС 32. 00. 00.000
|
|
| Изм. |
Лист |
№ докум. |
Подп. |
Дата |
|
|
- Расчет
зубьев на
выносливость
по напряжениям
изгиба.
Если
наибольшие
контактные
напряжения
сдвига в зубьях
возникают в
тот момент,
когда они
зацепляются
в полюсе, то
наибольшие
напряжения
изгиба возникают
тогда, когда
зубья находятся
в начале или
конце зацепления.
В этих случаях
нормальное
давление
передается
на вершину
одного из зубьев.
mn
- опасное
сечение;
РТ
- распорная
сила;
РТ
= Р ·
tg a.

|
|
|
|
|
|
|
Лист |
|
|
|
|
|
ДП. ПАС 32. 00. 00.000
|
|
| Изм. |
Лист |
№ докум. |
Подп. |
Дата |
|
|
Опасным
сечением mn
будет являться
такое сечение,
при котором
ВС (m'm'')
=>
XЇ,
то есть принимает
минимальное
значение Х
= Хmin.
Обозначим
расстояние
от опасного
сечения mn
до точки приложения
силы Р через
h.
Тогда уравнение
прочности
при изгибе
запишется
так:
Ph
= WЧ
g
Ч
sим
;
или
2 Мрш
·
h =
b ·
a2
·
g
·
sим
dш
·
Kз
6
где g
- коэффициент,
учитывающий
моменты сопротивления
вследствии
износа (коэффициент
износа).
Если
выразить размеры
a
и h
через шаг
зубчатого
зацепления,
то получим:
2 Мрш
·
d2
·
t = b
·
a12
·
t2
·
g
·
sим
dш
·
Kз
6
делим
все уравнение
на a1
·
t и
обозначим
a1
= Jm
- коэффициент
формы зуба.
6·a2
Если
выразить dm
и t
через
модуль m
получим:
sим
= 0,64 Мрш
Ј
[sи]ш
;
ZmJmb
m2g
|
|
|
|
|
|
|
Лист |
|
|
|
|
|
ДП. ПАС 32. 00. 00.000
|
|
| Изм. |
Лист |
№ докум. |
Подп. |
Дата |
|
|
где
Jm
= 0,125
- 0,684
= 0,0765
24
g
= 1 - коэффициент
износа для
закрытой
передачи.
Мрш
= 26 кгс ·
м - расчетный
момент на валу.
Тогда,
подставив
значение,
получим:
sим
= 0,64 ·
2 600/ 24 ·
0,08 ·
4 ·
42
·
1 = 98,7117 кг/см.
Допускаемое
напряжение
изгиба находим
по эмпирической
формуле:
[sи]ш
= 0,125 ·
(sпч
+ sт)
+ 2 500 ;
aк
где
sпч
= 78
кг/мм2
- предел прочности
для ст. 40Х.
sт
= 50
кг/мм2
- предел текучести
для ст. 40Х.
aк
- коэффициент,
зависящий
от типа нарезаемого
инструмента,
равный 1,6.
Подставив
значения, получим
[sи]ш
:
[sи]ш
= 0,125 ·
(780 + 500) + 250
= 165,2139 кг/см
1,6
Находим
коэффициет
запаса:
К3
= [sи]ш
= 165,21
= 1,67
sиш
98,71
|
|
|
|
|
|
|
Лист |
|
|
|
|
|
ДП. ПАС 32. 00. 00.000
|
|
| Изм. |
Лист |
№ докум. |
Подп. |
Дата |
|
|
- Расчет
сечения плит.

Wx
=
b ·
a2
·
(3 ·
b
+1) = 0,8
·
62
·
(3 ·
45
+1) = 225,6 см3
3
a
3 6
Wy
= 0,8
·
452
·
(3 ·
6
+ 1) = 756 см3
3
45
Wkp
= 45 ·
6 ·
0,8 = 216 см3.
Принимаем
Р = 6 000 кг
·
с,
тогда
момент изгибающий:
Мизг
= Р
·
40 = 6 000
·
40 = 240 000 кг
·с
·
см;
Тизг
= Мизг
=
240 000 =
1 063,8 кг
·с/см2
Wx
225,6
|
|
|
|
|
|
|
Лист |
|
|
|
|
|
ДП. ПАС 32. 00. 00.000
|
|
| Изм. |
Лист |
№ докум. |
Подп. |
Дата |
|
|
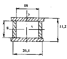
- Расчет
сечения редуктора
(расчет на одну
направляющую).

a
= 11,2; a1
= 8.
b
= 20,4; b1
= 18.
Wx
= b·a3
-b1
·
a13
= 20,4
·
11,23
- 18 ·
83
= 289 см3
6
·
а 6
·
11,2
Wy
= a
·
b3
- a1
·
b13
= 11,2
·
20,43
- 8 ·
183
=
395 см3
6
·
b
6 ·
20,4
Найдем
изгибающий
момент:
Мизг
= 6 000
·
30 = 180 000 кг
·с
·см;
Тизг
= Мизг/Wx
= 180 000/289 = 622,8 кг
·с/см2
.
|
|
|
|
|
|
|
Лист |
|
|
|
|
|
ДП. ПАС 32. 00. 00.000
|
|
| Изм. |
Лист |
№ докум. |
Подп. |
Дата |
|
|
Wkp
=
19,2 ·
9,6 ·
1,2 = 110 см3
- момент сопротивления
кручению.
Мкр
= 14
·
6 000 = 84 000 кг
·с;
Ткр
= 84 000/210 = 763,6 кг
·с/см2.
|
|
|
|
|
|
|
Лист |
|
|
|
|
|
ДП. ПАС 32. 00. 00.000
|
|
| Изм. |
Лист |
№ докум. |
Подп. |
Дата |
|
|
- Расчет
экскаватора
на устойчивость
при погружении
анкерных
стержней.
Расчетная
схема.

Из расчетной
схемы видно,
что при погружении
анкерных
стержней, т.е.
при включении
цилиндра подачи
возникает
реакция Р,
которая в
сущности равна
усилию развиваемой
гидроцилиндром,
и которое
пытается
опрокинуть
экскаватор.
Составим
уравнение
опрокидываемого
момента :
МА
= G
·
1,5 + P·7
=> P = G·1,5
= 2 300 ·
1,5/7 »
»
5 000 кгс.
Где G
- собственный
вес машины
с повешанным
оборудованием
для погружения
стержней.
Действия
стальных
гидроцилиндров
не учитываем,
так как они
не принимают
участия в
погружении.
|
|
|
|
|
|
|
Лист |
|
|
|
|
|
ДП. ПАС 32. 00. 00.000
|
|
| Изм. |
Лист |
№ докум. |
Подп. |
Дата |
|
|
Расчет
экскаватора
на устойчивость
(поперечную
устойчивость
погружателя
анкерных стержней
при жвижении
по уклону).
Расчет
производиться
для наиболее
неблагоприятного
положения
экскаватора
при его транспортном
передвижении
с поперечным.
Коэффициент
устойчивости:
Ку
= Муд
, где
Мопр
Муд
- момент удерживающий.
Мопр
- момент опрокидывающий;
Муд=
Gтр
cosa
·
d + Gр.об.
cosa
; где
Gтр
- вес погружателя
анкерных
стержней.
Gр.об.
- вес рабочего
оборудования.
Расчетная
схема

|
|
|
|
|
|
|
Лист |
|
|
|
|
|
ДП. ПАС 32. 00. 00.000
|
|
| Изм. |
Лист |
№ докум. |
Подп. |
Дата |
|
|
d
- плечо
действия
удерживающих
сил;
a
- уклон.
Решим
систему:
Муд
= 13 cosa
·
3,2 + 9 cosa
·
3,2 = 28,5 cosa;
М опр
= 13 sina
+ 9 ·
5,4 = 31,2
sina.
tga
= 31,2
sina
= 1,03 => a
= arctg 1,03 = 18°
28,5
cosa;
Вывод:
Таким
образом при
угле наклона
экскаватора-погружателя
анкерных смещений
a>18°
может
произойти
опрокидывание.
Для уклона
a>10°:
Ку
= 28,5
cos 10°
= 4,6
31,2
sin
10°
|
|
|
|
|
|
|
Лист |
|
|
|
|
|
ДП. ПАС 32. 00. 00.000
|
|
| Изм. |
Лист |
№ докум. |
Подп. |
Дата |
|
|
- Определение
расхода масла.

Скорость
подачи масла:
u
= 4-5 м/мин = 400-500 см/мин.
Найдем
площадь поперечного
сечения объема:
F
=
p
·
d2
= p
·
82
= 50,3
см2
4 4
V
= F·S
= 50,24 ·
50 = 50,3 см3.
Для
дросселя:
Q
= F·V
= 0,5 ·
50 = 25 л/мин.
Усилие
гидроцилиндра:
Р = r
·
F
= 160 ·
50,3 »
8 000 кг·с.
Так как
усилие гидроцилиндра
превышает
величину ранее
расчитанной,
то ставим
гидроклапан,
что позволит
уменьшить
давление в
гидравлической
схеме с r
= 160 кг/см2
до r
= 100 кг/см2.
|
|
|
|
|
|
|
Лист |
|
|
|
|
|
ДП. ПАС 32. 00. 00.000
|
|
| Изм. |
Лист |
№ докум. |
Подп. |
Дата |
|
|
- Расчет
зажима.

Мкр
= 7 800 кг ·
с ·см
- крутящий момент
погружателя;
Р = 5 000 кг·с
- усилие, передаваемое
гидроцилиндром
подачи.
Р
= sin
8°
= 0,139 => R = P
= 5
000
= 35 971 кг·с
R
0,139 0,139
Rпр
®
cos
8°
=
Pпр
= 0,985
=>
R
Pпр
= 0,985 ·
28 735 = 35 600 кг ·с.
|
|
|
|
|
|
|
Лист |
|
|
|
|
|
ДП. ПАС 32. 00. 00.000
|
|
| Изм. |
Лист |
№ докум. |
Подп. |
Дата |
|
|
Необходимо,
чтобы момент
создаваемый
силой трения
был больше
момента от
силы Р ( см. схему).
Мкр
= 7 800 кг ·
с·см,
иначе зажим
не сработает.
Fтр
= Рпр
·
f = 28 304
·
(0,15ё0,2)
= 5 340ё7
120 кг
·
с - что выше, чем
Мкр
= 7 800 кг ·
с
·
см от силы Р.
|
|
|
|
|
|
|
Лист |
|
|
|
|
|
ДП. ПАС 32. 00. 00.000
|
|
| Изм. |
Лист |
№ докум. |
Подп. |
Дата |
|
|
Конструкторская
часть
|
|
|
|
|
|
|
|
|
|
|
|
|
ДП.
ПАС 32. 00. 00.000
|
|
Изм.
|
Лист
|
№ докум.
|
Подп.
|
Дата
|
|
|
Разраб.
|
Санин
|
|
|
|
Лит.
|
Лист
|
Листов
|
|
Пров.
|
Черняев
|
|
|
Расчет
экономической
|
|
|
|
|
|
|
|
|
|
|
ТФ
|
|
Н.
контр.
|
Иванов
|
|
|
эффективности
|
гр.
СДМ 92
|
|
Утв.
|
Закурзаков
|
|
|
|
|
Расчет
экономической
эффективности
применения
в строительстве
магистральных
трубопроводов
на
вечномерзлых
грунтах погружателя
анкерных
стержней.
1.
Выбор базисного
варианта.
В
настоящее
время в строительстве
трубопроводов
не существует
специальной
техники для
заглубления
стержневых
анкеров. Поэтому
за базисный
вариант для
сравнения
при расчете
ТЕО выбираем
способ установки
анкерных стержней
бригадой
монтажников
в предварительно
пробуренные
скважины
высокопроизводительной
бурильной
машиной МБШ-321,
применяемой
при строительстве
трубопроводов
на севере
Западной Сибири.
Применение
ПАС-32 дает
значительное
сокращение
затрат ручного
труда и народнохозяйственный
эффект - от
применения
одной машины
450 млн. руб., полученные
в результате
расчета.
2.
Определение
капитальных
затрат по базовой
технике (БТ)
и новой технике
(НТ).
Капитальные
затраты по
БТ и НТ включают
в себе затраты
на создание,
производство,
доставку и
монтаж техники
у потребителя:
|
|
|
|
|
|
|
|
|
|
|
|
ДП.
ПАС 32. 00. 00.000
|
|
Изм.
|
Лист
|
№ докум.
|
Подп.
|
Дата
|
|
|
Разраб.
|
Санин
|
|
|
|
Лит.
|
Лист
|
Листов
|
|
Пров.
|
Черняев
|
|
|
Расчет
экономической
|
|
|
|
1
|
16
|
|
|
|
|
|
ТФ
|
|
Н.
контр.
|
Иванов
|
|
|
эффективности
|
гр.
СДМ 92
|
|
Утв.
|
Закурзаков
|
|
|
|
|
Эк
= Зсп
kт
;
где
Зсп
- затраты на
создание и
производство
техники, равные
оптовой цене,
(руб).
kт
- коэффициент,
учитывающий
затраты на
доставку техники
потребителю.
Зсп1
= 360 млн. руб.
Зсп2
= 220 млн. руб.
kт1
=
kт2
-
1,3
- для районов
севера Западной
Сибири,
тогда
Зк1
=
360 млн. руб. • 1,3 =
468 млн. руб.
Зк2
=
220 млн. руб • 1,3 =
286 млн. руб.
3.
Определение
годовой
производительности
БТ и НТ.
На
основании
эксплуатационных
показателей
1996 года минимальное
эксплуатационное
время установки
одного анкера
составляет:
150
• 8
= 0,37 часа; тогда
эксплуатационная
1628
• 2 производительность
бригады
составит
1
= 2,7 анкера в час;
0,37
Годовая
производительность
бригады составит:
П
год
= 2,7 • 1 200 = 3 240 анкеров
в год, или 1 620 пар
анкеров.
Годовая
производительность
ПАС-32 на основании
данных отдела
испытаний
составит (из
расчета времени
|
|
|
|
|
|
|
Лист
|
|
|
|
|
|
ДП.
ПАС 32. 00. 00.000
|
2
|
|
Изм.
|
Лист
|
№ докум.
|
Подп.
|
Дата
|
|
|
заглубления
одного анкера
- 8 мин):
П
год
=
60
• 0,65 • 1 200 • 0,75 =
4 387 анкеров в
год, или
8
2
193,5 пар анкеров.
Превышение
производительности
НТ над базовой
составит:
b
=
4
387
= 1,354.
3
240
Определение
эксплуатационных
затрат потребителя,
приходящихся
на час работы
машины.
Расчет
дополнительных
показателей
экономической
эффективности.
Затраты
на заработную
плату (Sзпi).
Заработная
плата персонала,
обслуживающего
машины, определяются:
Sзпi
= kpi
•
l
•
SБ
•
Стi
,
где
i
= 1
k
pi
- районный
коэффициент
к заработной
плате.
kpi
и
kpi
= 1,7.
l
= 1,25 = коэффициент,
учитывающий
премии экипажа
строительных
машин.
Стi
-
часовая тарифная
ставка i-го
разряда (руб/час).
Машины
МБШ-321 и ПАС-32
обслуживаются
машинистами
VI
|
|
|
|
|
|
|
Лист
|
|
|
|
|
|
ДП.
ПАС 32. 00. 00.000
|
3
|
|
Изм.
|
Лист
|
№ докум.
|
Подп.
|
Дата
|
|
|
разряда.
Ст
= 10.600 руб.
Зарплата
каждого машиниста
в час составит:
SЗп1
= SЗп2
= 10.600 руб. • 1,7 • 1,25 = 22.525
руб.
4.1.1.
Определение
экономии трудовых
затрат.
Годовые
затраты труда
по вариантам
определяем
по формуле:
r
i
= T Ti
•
(Бi
+ r pi)
+ n пi
•
r пi
;
где
Б - количество
обслуживающего
персонала
по вариантам,
чел.
Б1
= 2 ; Б2
= 1 ;
r
pi
- трудоемкость
ТО и ТР, приходящаяся
на 1 машино-час,
человеко-часов;
n
пi
-
количество
перебазировок
техники за
год;
r
пi
-
трудоемкость
одной перебазировки.
Так
как все машины,
(БТ и НТ), и условия
перебазировок
одинаковые,
то затраты
средств и труда
на них будут
одинаковы.
Поэтому в расчет
показатели
n
пi
и
r
пi
не
включаем.
Тогда
годовые затраты
по вариантам
составлят:
r1
= 1 200 •
(5 + 0,51)
= 6 612 человеко-часов.
r2
= 1 200 •
(1 + 0,74) = 2 088 человеко-часов.
То
же в человеко-днях:
r1
= 6
612
= 806,3 ; r2
=
2
088
= 254,6 .
8,2
8,2
|
|
|
|
|
|
|
Лист
|
|
|
|
|
|
ДП.
ПАС 32. 00. 00.000
|
4
|
|
Изм.
|
Лист
|
№ докум.
|
Подп.
|
Дата
|
|
|
Экономия
по затратам
труда определяется
по формуле:
DR
= r1
(B2/B1)
-
r2
;
Tраб.
где
Траб
- годовой фонд
рабочего времени
одного производственного
рабочего в
часах (1860 часов)
и составит:
DR
= 6
612 · 1,354 -
2 088
= 3,7 человек,
1
860
или
6 612 · 1,354 -
2 088
= 837 человеко-дня;
8,2
где
8,2 - продолжительность
рабочей смены,
часов.
Затраты
на топливо
(STi).
Затраты
на топливо
для машин с
ДВС определяется:
STi
=
WTi
·
ЦТ
;
где
WТi
- часовой
расход топлива
(кг/час).
Расход
топлива в час
определяем
по формуле:
WTi
= 1,03 · 10-3
· Nен
· ден
· kN
·
kдв
·
kдв
·
kдм
· kС
,
где
NЕН1
= 160 л. с. ; NЕН2
= 130 л. с. (из табл.1).
дЕН1
=
дЕН2
= 175 г/л.с.ч. - удельный
расход топлива
при номинальной
мощности,
(г/л.с.ч.).
kдв,
kдм
- коффициенты
использования
двигателя,
соотвественно
по времени
и мощности.
kДВ1
= kДВ2
=
0,8 ; kДМ1
=
kДМ2
= 0,9 (таб.1).
kN
- коэффициент,
учитывающий
изменение
расхода топлива
в зависимости
от степени
использования
двигателя
по мощности.
|
|
|
|
|
|
|
Лист
|
|
|
|
|
|
ДП.
ПАС 32. 00. 00.000
|
5
|
|
Изм.
|
Лист
|
№ докум.
|
Подп.
|
Дата
|
|
|
kN
= kN2
= 1,02
;
kC1
= kC2
=
1,35
- первичный
коэффициент
к расходу
энергоресурсов
для машин,
работающих
в районах
Крайнего Севера
(зона "Г").
Часовой
расход топлива
составит:
WT1
= 1,03 ·
10-3
·
160 ·
175 ·
1,02 ·
0,8 ·
0,9 ·
1,35.
WT2
= 1,03 ·
10-3
·
130 ·
175·
1,02 ·
0,8 ·
0,9 ·
1,35.
WT1
= 28,6
кг/час ; WТ2
= 23,2 кг/час.
ЦТ1
= ЦТ2
= 1.400 руб. - стоимость
1 кг дизтоплива
с учетом
транспортно-заготовительных
ресурсов для
зоны "Г".
Затраты
на дизельное
топливо за
час работы
машины составят:
ST1
= 28,6 ·
1.400
руб.
= 40.040 руб.
ST2
= 23,2
· 1.400 руб. = 32.480 руб.
Экономия
топлива.
Экономия
топлива в год
определяется
по формуле:
DW
= WГ1
·
B2/B1
–
WГ2
;
где
WГ
-
годовой расход
топлива сравниваемых
машин,
WГ
= WT
·
TГ
;
где
WT
- часовой
расход топлива
сравниваемых
машин, кг/час;
WT1
= 28,6 кг/час;
WT2
= 23,2
кг/час;
тогда
WГ1
= 28,6 · 1 200 = 34 320 кг;
WГ2
= 23,2 · 1 200 = 27 840 кг.
|
|
|
|
|
|
|
Лист
|
|
|
|
|
|
ДП.
ПАС 32. 00. 00.000
|
6
|
|
Изм.
|
Лист
|
№ докум.
|
Подп.
|
Дата
|
|
|
|
Экономия
топлива в год
составляет:
DW
= 34 320 · 1,354 – 27 840 = 18 629,3 кг
= 18,3 тонны в год.
Таблица
1.
Исходные
данные.
|
|
№№п.
|
Наименование
|
Условное
обозначение
|
Значение
показателя
МБШ-321
ПАС-32
|
|
1.
2.
3.
4.
5.
6.
7.
8.
9.
|
Завод
изготовитель
Масса,
кг
Глубина
бурения, м
Диаметр,
мм
Длина
анкера, м
Диаметр
анкера, м, »
ср.
Установленная
мощность дв.,л.с.
Сред.технич.производительн.при
разработке
мерзл. грунта,
анк/ч.
Количество
обслуживающего
персонала,
чел
Разряд
обслуживающего
персонала
Срок
службы, год
|
G
h
Ж
l
Ж
NДВ
т.ч.
Б
ТСЛ
|
Тюменьгазстроймаш
19,5
3,2
100
4
30
160
5,5
5
1чел
Ш-
1чел
8
|
-
19,3
-
-
6
30
130
7,5
2
тоже
8
|
|
|
|
|
|
|
Лист
|
|
|
|
|
|
ДП.
ПАС 32. 00. 00.000
|
7
|
|
Изм.
|
Лист
|
№ докум.
|
Подп.
|
Дата
|
|
|
|
№№п.
|
Наименование
|
Условное
обозначение
|
Значение
показателя
МБШ-321
ПАС-32
|
|
10.
11.
12.
13.
14.
15.
16.
17.
18.
19.
20.
21.
22.
23.
24.
|
Средний
ресурс до капит.
ремонта
Оптовая
цена, млн. руб.
Продолжительность
пребывания
техники в кап.
ремонте, дней
То
же, в текущем
ремонте, дней
То
же, в техобслуживании
ТО-2, дней
Количество
текущих ремонтов
за межремонтный
цикл
То
же, ТО-2
То
же, ТО-1
Трудоемкость
текущего ремонта,
чел.-часов
То
же, ТО-2
То
же, ТО-1
Коэфф.
использования
двигателя
во времени
Коэфф.
использования
двигателя
по мощности
Периодичность
ТР, мото-часов
То
же, ТО-2
То
же, ТО-1
|
Тр
(ч)
ЦОП
dкр
dтр
dТО-2
dТО-1
аТР
аТО-2
аТО-1
ZТР
ZТО-2
ZТО-1
kДВ
kДМ
tТР
tТО-2
tТО-1
|
6
000
360,0
13
7
0,8
0,2
5
19
75
430
17
4
0,8
0,9
960
240
60
|
8
290
220,0
20
9
0,7
0,2
8
27
108
640
9
4
0,8
0,9
960
240
60
|
|
|
|
|
|
|
Лист
|
|
|
|
|
|
ДП.
ПАС 32. 00. 00.000
|
8
|
|
Изм.
|
Лист
|
№ докум.
|
Подп.
|
Дата
|
|
|
|
№№п.
|
Наименование
|
Условное
обозначение
|
Значение
показателя
МБШ-321
ПАС-32
|
|
25.
26.
27.
28.
29.
30.
31.
32.
|
Норма
амортизационных
отчислений
на капремонт,
%
То
же, на полное
восстановление
Продолжительность
работы машин
в году, машин-час
Емкость
гидросистемы,
дм3
Продолжительность
смены, час
Способы
перевозки
Дальность
перевозки,
км
Периодичность
смены масла
в гидросистеме
|
Акр
Рн
Тг
Vr
tсм
LТ
|
4,0
0,0961
1
200
130
8
трейлер
100
1
раз в сезон
|
7,0
0,0961
1
200
400
8
собст.
ход.
100
1
раз в сезон
|
|
|
|
|
|
|
Лист
|
|
|
|
|
|
ДП.
ПАС 32. 00. 00.000
|
9
|
|
Изм.
|
Лист
|
№ докум.
|
Подп.
|
Дата
|
|
|
Затраты
на смазочные
материалы.
Расчитываются
по формуле:
SСМ
=Е · SТi
; где Е = 0,2 - коэффициент
перехода от
затрат на топливо
к затратам
на смазочные
материалы.
И
составлят:
SСМ1
= 0,22 · 40.040 руб. = 8.809 руб.;
SСМ2
= 0,22 · 32.480 руб. = 7.146 руб.;
4.4.Затраты
на масло для
гидросистем
(SМГi).
Затраты
на масло для
гидросистем
определяем
по формуле:
SМГi
= uГi
·
gM
·
ЦМГ1
·
kд
;
ТГ
где
uГ1
= 130 - емкость
гидросистем
машины МБШ-321;
uГ2
= 400 - емкость
гидросистем
машин ПАС-32
(дм3).
gМ1
= gМ2
= 0,865 - объемная
масса гидравлического
всесезонного
ВМГЗ, кг/дм3.
ЦМГ1
=
ЦМГ2
= 7.800 руб. - оптовая
цена масла
гидравлического
с транспортно-заготовительными
расходами
10% от оптовой
цены;
kд
= 1,5 - коэффициент,
учитывающий
дозаправку
масла в гидросистему;
ТГ1
=
ТГ2
= 1 200 - годовой фонд
рабочего времени
машин (БТ и НТ).
Затраты
на масло для
гидравлических
систем МБШ-321
и ПАС-32:
|
|
|
|
|
|
|
Лист
|
|
|
|
|
|
ДП.
ПАС 32. 00. 00.000
|
10
|
|
Изм.
|
Лист
|
№ докум.
|
Подп.
|
Дата
|
|
|
SМГ1
= 130
· 0,865 · 7.800 · 1,5
= 1.095 руб./час;
1
200
SМГ2
= 400
· 0,865 · 0,78 · 1,5
= 3.373 руб./час.
1
200
4.5.
Затраты на
текущий ремонт
и техобслуживание
(SЭРi)
строительных
машин.
Затраты
на текущий
ремонт состоят
из затрат на
зарплату
ремонтным
рабочим и затрат
на материалы
и запасные
части и определяются
по формуле:
SЭРi
= SЭРЗПi
+ SЭРМi
;
Затраты
на заработную
плату ремонтным
рабочим определяем
по формуле:
SЭРЗПi
=
Ср·
kp·
lp·
rp
;
где
Ср
= 7.550 руб. - среднечасовая
зарплата
ремонтных
рабочих.
=
1,2 - коэффициент,
учитывающий
премии;
rp
- трудоемкость
ТО и ТР, (чел.-часов/машино-часов).
rp
= Sm
ai
·
ri
·
kтр
; где
i=1
Тцi
m
- количество
То и ТР;
ai
- количество
видо ТО и ТР
за межремонтный
цикл;
ri
-
трудоемкость
видов ТО и ТР,
(человеко-часов);
Тц
- продолжительность
межремонтного
цикла в часах
рабочего времени,
час.
|
|
|
|
|
|
|
Лист
|
|
|
|
|
|
ДП.
ПАС 32. 00. 00.000
|
11
|
|
Изм.
|
Лист
|
№ докум.
|
Подп.
|
Дата
|
|
|
ТЦ1
=
6
000
= 8 000 машино-часов;
0,75
ТЦ2
=
8920
= 11 053 машино-часов
0,75
kтр
= 1,35 - поправочный
коэффициент
к трудоемкости
ТО и ТР для
машин, работающих
в зоне "Г" Крайнего
Севера Тюменской
области.
По
машине МБШ-321:
ТО1
= 75; rТО1
=
4 чел.-час.
ТО2
= 19; rТО2
=
17 чел.-час.
ТР
= 5 ; rтр
=
430 чел.-час.
ТСО
= 1; rСО
= 40 чел.-час.
ПАС-32:
ТО1
= 108; rТО1
=
4 чел.-час.
ТО2
= 27; rТО2
=
9 чел.-час.
ТР
= 8; rтр
=
640 чел.-час.
ТСО
= 1; rСО
= 32 чел.-час.
Тогда
трудоемкость
ТО и ТР составит:
по
машине МБШ-321
rр1
=
(5·
430 + 19 · 17 + 75 · 4
+ 1·
40 )
·
1,35 = 0,51
8
000 1 200
чел.-час./маш.-час.
По
машине ПАС-32:
rр1
=
(8·
640 + 27 · 9 + 108 · 4
+ 1·
32 )
·
1,35 = 0,75
11
053 1 200
чел.-час./маш.-час.
|
|
|
|
|
|
|
Лист
|
|
|
|
|
|
ДП.
ПАС 32. 00. 00.000
|
12
|
|
Изм.
|
Лист
|
№ докум.
|
Подп.
|
Дата
|
|
|
Затраты
на зарплату
ремонтным
рабочим составят:
SЭРЗП1
= 7.550
· 1,2· 1,7· 0,51 = 7.850 рублей/час.
SЭРЗП2
=
7.550 · 1,2 · 1,7· 0,74 = 11.390 рублей/час.
Затраты
на зарплату
ремонтным
рабочим составят:
SЭРм1
= 7.550
· 1,2· 1,35 · 0,51 = 6.230 руб.;
SЭРм2
= 7.550 · 1,2 · 1,35· 0,74 = 9.050 руб.;
где
1,35 - коэффициент
перехода от
зарплаты
ремонтных
рабочих к
затратам на
ремонтные
материалы и
запчасти.
1,2
- поправочный
коэффициент
к затратам
на ремонтные
материалы и
запчасти для
зоны "Г".
Полные
затраты на
техобслуживание
и текущий ремонт
составит:
SЭР1
=
7.850 + 6.230 = 14.080 рублей;
SЭР2
= 11.390
+
9.050 = 20.440 рублей.
Затраты
на износ сменной
оснастки (Sосн).
Затраты
на износ шнекового
бура и перок
расчитываем
исходя из срока
службы шнека
и перок, потребности
их на годовую
программу и
стоимости.
Срок
службы шнека,
по данным
периодических
испытаний,
составляет
200-400 шпуров глубиной
3,2 м, срок службы
перок составляет
20-60 шпуров глубиной
3,2 м.
Годовые
затраты на
износ шнеков
и перок составляет:
3240
·
99.600 · 3240
·
104.000 = 19.380.000 руб.
300
40
|
|
|
|
|
|
|
Лист
|
|
|
|
|
|
ДП.
ПАС 32. 00. 00.000
|
13
|
|
Изм.
|
Лист
|
№ докум.
|
Подп.
|
Дата
|
|
|
Затраты
на 1 машино-час:
=
16.510 руб.
1
200
4.7.
Затраты на
капитальный
ремонт техники
(SКРi).
Затраты
на капитальный
ремонт определяются
в соответствии
с нормами
амортизационных
отчислений
от капитальных
затрат по
формуле:
SКРi
=
ЗКi
· АКРi
· kКРi
;
100
·
ТГi
где
ЗКРi
- капитальные
затраты на
технику, млн.
рублей;
ЗК1
= 46,8 ; ЗК2
= 28,6 ;
АКРi
-
норматив
амортизационных
отчислений
на капитальный
ремонт, %.
АКР1
=
10,0 ;
АКР2
= 20,0 ;
kКР
= 1,6 - коэффициент
повышающий,
к нормам
амортизационных
отчислений
при использовании
машин в районах
Крайнего Севера
(зона "Г").
Тогда
затраты на
один машино-час
составляют:
SКР1
=
46,8
· 10 · 1,6
= 62 тыс. руб.
100
· 1 200
SКР2
=
28,6
· 20 · 1,6
= 68,4 тыс. руб.
100
· 1 200
|
|
|
|
|
|
|
Лист
|
|
|
|
|
|
ДП.
ПАС 32. 00. 00.000
|
14
|
|
Изм.
|
Лист
|
№ докум.
|
Подп.
|
Дата
|
|
|
|
Таблица
2.
Сводные
текущие затраты.
|
|
|
Статьи
затрат
|
Машина-эталон
МБШ-321
|
Новая
машина
ПАС-32
|
|
Заработная
плата обслуживающего
персонала,
тыс. руб.
Затраты
на топливо,
тыс. руб.
Затраты
на смазочные
материалы,
тыс. руб.
Затраты
на масло для
гидросистемы,
тыс. руб.
Затраты
на ТО и ТР, тыс.
руб.
Затраты
на износ сменной
оснастки, тыс.
руб.
Затраты
на капитальный
ремонт, тыс.
руб.
Всего
затрат, тыс.
руб
|
22,5
40
8,8
1,1
14,1
16,5
62
165
|
22,5
32,5
7,1
3,3
20,4
-
68,4
134,2
|
|
|
|
|
|
|
Лист
|
|
|
|
|
|
|
ДП.
ПАС 32. 00. 00.000
|
15
|
|
|
Изм.
|
Лист
|
№ докум.
|
Подп.
|
Дата
|
|
|
|
Годовые
эксплуатационные
затраты.
165.000
· 1 200 = 198.000.000 рублей
(МБШ-321);
·
1 200 = 161.000.000 рублей
(ПАС-32).
6.
Приведенные
затраты.
Z
= S + EH
·
K руб.
(5.31.)
где
К - капиталовложение;
ЕН
- нормативный
коэффициент
от внедрения
новой техники.
Для
БМ Z'
= 198 + 0,15 ·
468 = 268,2 млн.
руб.
Для
Н.М
Z'' = 161 + 0,15 ·
286 = 203,9 млн.
руб.
Годовой
экономический
эффект
составляет:
Э
= Z1
–
Z2
= 268,2 –
203,9 = 64,3 млн.
руб.
За
срок службы
7 лет:
ЭАР
=
Э · n
= 64,3 · 7 = 450 млн. руб.
|
|
|
|
|
|
|
Лист
|
|
|
|
|
|
ДП.
ПАС 32. 00. 00.000
|
16
|
|
Изм.
|
Лист
|
№ докум.
|
Подп.
|
Дата
|
|
|
|
Формат
|
Зона
|
Поз.
|
Обозначение
|
Наименование
|
Кол.
|
Прим
|
|
|
|
|
|
|
|
|
|
|
|
Документация |
|
|
|
|
|
|
|
|
|
| А1 |
|
|
ДП.ПАС.32.00.00.000СБ |
Сборочный
чертеж |
|
|
| А1 |
|
|
ДП.ПАС.32.00.00.000ГЗ |
Гидросхема |
|
|
|
|
|
|
|
|
|
|
|
|
|
Сварочные
единицы |
|
|
|
|
1. |
ДП.ПАС.32.01.00.000 |
Механизм
повреждения |
|
|
|
|
2 |
ДП.ПАС.32.02.00.000 |
Ограждение |
|
|
|
|
3 |
ДП.ПАС.32.03.00.000. |
Экскаватор |
|
|
|
|
|
|
ЭО4124 |
|
|
|
|
4 |
ДП.ПАС.32.04.00.000. |
Стержень
анкерный |
|
|
|
|
|
|
|
|
|
|
|
|
|
|
|
|
|
|
|
|
|
|
|
|
|
|
|
|
|
|
|
|
|
|
|
|
|
|
|
|
|
|
|
|
|
|
|
|
|
|
|
|
|
|
|
ДП.
ПАС 32. 00. 00.000 СБ |
| Изм. |
Лист |
№ докум. |
Подп. |
Дата |
|
| Разраб. |
Санин |
|
|
|
Лит. |
Лист |
Листов |
| Пров. |
Закирзаков |
|
|
|
|
|
|
1 |
1 |
|
|
|
|
Сборочный
чертеж |
ТФ |
| Н. контр. |
|
|
|
|
гр.
СДМ 92 |
| Утв. |
|
|
|
|
|
|
Формат
|
Зона
|
Поз.
|
Обозначение
|
Наименование
|
Кол.
|
Прим
|
|
|
|
|
|
|
|
|
|
|
|
Документация |
|
|
|
|
|
|
|
|
|
| А1 |
|
|
ДП.ПАС.32.01.00.000СБ |
Сборочный
чертеж |
|
|
|
|
|
|
|
|
|
|
|
|
|
Сборочные
единицы |
|
|
|
|
1. |
ДП.ПАС.32.01.01.000 |
Вращатель |
1 |
|
|
|
2. |
ДП.ПАС.32.01.02.000 |
Гидроцилиндр |
1 |
|
|
|
3. |
ДП.ПАС.32.01.03.000 |
Рама |
1 |
|
|
|
4. |
ДП.ПАС.32.01.04.000 |
Зажим |
1 |
|
|
|
5. |
ДП.ПАС.32.01.05.000 |
Зажим |
1 |
|
|
|
6. |
ДП.ПАС.32.01.06.000 |
Направляющая |
1 |
|
|
|
7. |
ДП.ПАС.32.01.07.000 |
Штанга |
1 |
|
|
|
|
|
|
|
|
|
|
|
|
Детали |
|
|
|
|
|
|
|
|
|
|
|
14 |
ДП.ПАС.32.01.00.001 |
Ось |
1 |
|
|
|
|
|
|
|
|
|
|
|
|
|
|
|
|
|
|
|
ДП.
ПАС 32. 01. 00.000 |
| Изм. |
Лист |
№ докум. |
Подп. |
Дата |
|
| Разраб. |
Санин |
|
|
|
Лит. |
Лист |
Листов |
| Пров. |
Закирзаков |
|
|
Механизм |
|
|
|
1 |
4 |
|
|
|
|
погружения |
ТФ |
| Н. контр. |
|
|
|
|
гр.
СДМ 92 |
| Утв. |
|
|
|
|
|
|
Формат
|
Зона
|
Поз.
|
Обозначение
|
Наименование
|
Кол.
|
Прим
|
|
|
15. |
ДП.ПАС.32.01.00.002. |
Ось |
1 |
|
|
|
|
|
|
|
|
|
|
|
|
|
|
|
|
|
|
|
|
|
|
|
|
|
|
|
|
|
|
|
|
|
|
|
|
|
|
22. |
|
Шайба упорная
40 |
2 |
СТП2-84 |
|
|
23. |
|
Шайба упорная
130 |
2 |
СТП2-84 |
|
|
|
|
|
|
|
|
|
25. |
|
Планка стопорная
15 |
2 |
СТП2-84 |
|
|
26 |
|
Планка стопорная
65 |
2 |
СТП2-84 |
|
|
|
|
|
|
|
|
|
|
|
|
|
|
|
|
|
|
|
|
|
|
|
|
|
Стандартные
изделия |
|
|
|
|
|
|
|
|
|
|
|
32 |
|
Болты ГОСТ
7798-70 |
|
|
|
|
|
|
М6-8дх16.58.016 |
4 |
|
|
|
|
|
|
|
|
|
|
|
|
|
|
Лист |
|
|
|
|
|
ДП.
ПАС 32. 01. 00.000 |
2 |
| Изм. |
Лист |
№ докум. |
Подп. |
Дата |
|
|
|
Формат
|
Зона
|
Поз.
|
Обозначение
|
Наименование
|
Кол.
|
Прим
|
|
|
34. |
|
М16-8дґ40.58.016
|
8 |
|
|
|
|
|
|
|
|
|
|
36. |
|
Шайба 16т.65т.016 |
4 |
|
|
|
|
|
ГОСТ 6402-70 |
|
|
|
|
|
|
|
|
|
|
|
|
|
|
|
|
|
|
|
|
|
|
|
|
|
|
|
|
|
|
|
|
|
|
|
|
|
|
|
|
|
|
|
|
|
|
|
|
|
|
|
|
|
|
|
|
|
|
|
|
|
|
|
|
|
|
|
|
|
|
|
|
|
|
|
|
|
|
|
|
|
|
|
|
|
|
|
|
|
|
|
|
|
|
|
|
|
|
|
|
|
|
|
|
|
|
|
|
|
|
|
|
|
Лист |
|
|
|
|
|
ДП.
ПАС 32. 01. 00.000 |
3 |
| Изм. |
Лист |
№ докум. |
Подп. |
Дата |
|
|
|
Формат
|
Зона
|
Поз.
|
Обозначение
|
Наименование
|
Кол.
|
Прим
|
|
|
38. |
|
Масленка
1.2.46 |
2 |
|
|
|
|
|
ГОСТ 19853-74 |
|
|
|
|
|
|
|
|
|
|
|
|
|
|
|
|
|
|
|
|
|
|
|
|
|
|
|
Прочие изделия |
|
|
|
|
|
|
|
|
|
|
|
42. |
|
Гидромотор |
1 |
с экс |
|
|
|
|
210.25.13.21 |
|
кава |
|
|
|
|
|
|
тора |
|
|
|
|
|
|
ЭО4124 |
|
|
|
|
|
|
|
|
|
|
|
|
|
|
|
|
|
|
|
|
|
|
|
|
|
|
|
|
|
|
|
|
|
|
|
|
|
|
|
|
|
|
|
|
|
|
|
|
|
|
|
|
|
|
|
|
|
|
|
|
|
|
Лист |
|
|
|
|
|
ДП.
ПАС 32. 01. 00.000 |
4 |
| Изм. |
Лист |
№ докум. |
Подп. |
Дата |
|
|
|
Формат
|
Зона
|
Поз.
|
Обозначение
|
Наименование
|
Кол.
|
Прим
|
|
|
|
|
|
|
|
|
|
|
|
Докуметация |
|
|
|
|
|
|
|
|
|
|
|
|
ДП.ПАС.32.01.01.000 СБ |
Сборочный
чертеж |
|
|
|
|
|
|
|
|
|
|
|
|
|
Сборочные
единицы |
|
|
|
|
|
|
|
|
|
|
|
1. |
ДП.ПАС.32.01.01.100 |
Корпус |
1 |
|
|
|
2. |
ДП.ПАС.32.01.01.200 |
Стакан |
1 |
|
|
|
3. |
ДП.ПАС.32.01.01.300 |
Шестерня |
1 |
|
|
|
4. |
ДП.ПАС.32.01.01.400 |
Маслоуказатель |
1 |
|
|
|
|
|
|
|
|
|
|
|
|
|
|
|
|
|
|
|
|
|
|
|
|
|
|
|
|
|
|
|
|
|
Детали |
|
|
|
|
|
|
|
|
|
|
|
10. |
ДП.ПАС.32.01.01.001 |
Колесо |
1 |
|
|
|
|
|
|
|
|
|
|
|
|
ДП.
ПАС 32. 01. 01.000 |
| Изм. |
Лист |
№ докум. |
Подп. |
Дата |
|
| Разраб. |
Санин |
|
|
|
Лит. |
Лист |
Листов |
| Пров. |
Закирзаков |
|
|
Вращатель |
|
|
|
1 |
4 |
|
|
|
|
|
ТФ |
| Н. контр. |
|
|
|
|
гр.
СДМ 92 |
| Утв. |
|
|
|
|
|
|
Формат
|
Зона
|
Поз.
|
Обозначение
|
Наименование
|
Кол.
|
Прим
|
|
|
11. |
ДП.ПАС.32.01.01.002 |
Вал |
1 |
|
|
|
12. |
ДП.ПАС.32.01.01.003 |
Крышка |
2 |
|
|
|
13. |
ДП.ПАС.32.01.01.004. |
Прокладка |
2 |
|
|
|
14. |
ДП.ПАС.32.01.01.005 |
Прокладка |
4 |
|
|
|
15. |
ДП.ПАС.32.01.01.006. |
Крышка |
1 |
|
|
|
16. |
ДП.ПАС.32.01.01.007 |
Прокладка |
2 |
|
|
|
17. |
ДП.ПАС.32.01.01.008. |
Крышка |
1 |
|
|
|
18. |
ДП.ПАС.32.01.01.009. |
Крышка |
1 |
|
|
|
19. |
ДП.ПАС.32.01.01.010. |
Прокладка |
1 |
|
|
|
20. |
ДП.ПАС.32.01.01.011. |
Пробка |
1 |
|
|
|
21 |
ДП.ПАС.32.01.01.012. |
Прокладка |
2 |
|
|
|
22 |
ДП.ПАС.32.01.01.013 |
Кольцо |
1 |
|
|
|
23 |
ДП.ПАС.32.01.01.014. |
Упор |
4 |
|
|
|
|
|
|
|
|
|
|
|
|
|
|
|
|
|
|
|
|
|
|
|
|
|
|
|
|
|
|
|
|
|
|
|
|
|
|
|
|
Стандартные
изделия |
|
|
|
|
|
|
|
|
Лист |
|
|
|
|
|
ДП.
ПАС 32. 01. 01.000 |
2 |
| Изм. |
Лист |
№ докум. |
Подп. |
Дата |
|
|
|
Формат
|
Зона
|
Поз.
|
Обозначение
|
Наименование
|
Кол.
|
Прим
|
|
|
|
|
|
|
|
|
|
|
|
Болты ГОСТ
7798-70 |
|
|
|
|
28. |
|
М8 - 8дґ16.58.016
|
10 |
|
|
|
29. |
|
М8 - 8дґ20.58.016
|
20 |
|
|
|
30. |
|
М12 - 8дґ30.58.016
|
17 |
|
|
|
|
|
|
|
|
|
|
|
|
|
|
|
|
|
|
|
|
|
|
|
|
|
|
Шайбы ГОСТ
6402-70 |
|
|
|
|
34. |
|
8.65Г.016 |
30 |
|
|
|
35 |
|
12.65Г.016 |
17 |
|
|
|
|
|
|
|
|
|
|
|
|
|
|
|
|
|
|
|
|
|
|
|
|
|
|
|
|
|
|
|
|
|
|
|
|
|
|
|
|
|
|
|
|
|
|
|
|
|
|
|
|
|
|
|
|
|
|
|
|
|
|
|
Лист |
|
|
|
|
|
ДП.
ПАС 32. 01. 01.000 |
3 |
| Изм. |
Лист |
№ докум. |
Подп. |
Дата |
|
|
|
Формат
|
Зона
|
Поз.
|
Обозначение
|
Наименование
|
Кол.
|
Прим
|
|
|
37. |
|
Манжета I
1-75ґ100-1
|
1 |
|
|
|
|
|
ГОСТ 8752-79 |
|
|
|
|
38 |
|
Манжета I
1-85ґ110-1
|
2 |
|
|
|
|
|
ГОСТ 8752-79 |
|
|
|
|
|
|
|
|
|
|
|
40. |
|
Масленка
1.2.46 |
2 |
|
|
|
|
|
ГОСТ 19253-74 |
|
|
|
|
|
|
|
|
|
|
|
42. |
|
Подшипник
7217 |
2 |
|
|
|
|
|
ГОСТ 333-71 |
|
|
|
|
43 |
|
Подшипник
115 |
2 |
|
|
|
|
|
ГОСТ 8338 - 75 |
|
|
|
|
|
|
|
|
|
|
|
|
|
|
|
|
|
|
45 |
|
Шпонка
22ґ14ґ50
|
1 |
|
|
|
|
|
ГОСТ 23360-78 |
|
|
|
|
|
|
|
|
|
|
|
47. |
|
Штифт 212ґ20.20Х
|
2 |
|
|
|
|
|
Хим. окс. пр.
ГОСТ 12207-79
|
|
|
|
|
|
|
|
|
Лист |
|
|
|
|
|
ДП.
ПАС 32. 01. 01.000 |
4 |
| Изм. |
Лист |
№ докум. |
Подп. |
Дата |
|
|
|
Формат
|
Зона
|
Поз.
|
Обозначение
|
Наименование
|
Кол.
|
Прим
|
|
|
|
|
|
|
|
|
|
|
|
Документация |
|
|
|
|
|
|
|
|
|
| А1 |
|
|
ДП.ПАС.32.01.02.000 СБ |
Сборочный
чертеж |
|
|
|
|
|
|
|
|
|
|
|
|
|
Сборочные
единицы |
|
|
|
|
|
|
|
|
|
|
|
1. |
ДП.ПАС.32.01.02.100 |
Поршень |
1 |
|
|
|
2. |
ДП.ПАС.32.01.02.200 |
Корпус |
1 |
|
|
|
3. |
ДП.ПАС.32.01.02.300 |
Штуцер |
2 |
|
|
|
|
|
|
|
|
|
|
|
|
Детали |
|
|
|
|
|
|
|
|
|
|
|
4. |
ДП.ПАС.32.01.02.001 |
Крышка |
1 |
|
|
|
5. |
ДП.ПАС.32.01.02.002 |
Направляющая |
1 |
|
|
|
6. |
ДП.ПАС.32.01.02.003 |
Втулка |
1 |
|
|
|
7. |
ДП.ПАС.32.01.02.004 |
Проушина |
1 |
|
|
|
8. |
ДП.ПАС.32.01.02.005 |
Втулка |
4 |
|
|
|
|
|
|
|
|
|
|
|
|
ДП.
ПАС 32. 01. 02.000 |
| Изм. |
Лист |
№ докум. |
Подп. |
Дата |
|
| Разраб. |
Санин |
|
|
|
Лит. |
Лист |
Листов |
| Пров. |
Закирзаков |
|
|
Гидроцилиндр |
|
|
|
1 |
3 |
|
|
|
|
|
ТФ |
| Н. контр. |
|
|
|
|
гр.
СДМ 92 |
| Утв. |
|
|
|
|
|
|
Формат
|
Зона
|
Поз.
|
Обозначение
|
Наименование
|
Кол.
|
Прим
|
|
|
9. |
ДП.ПАС.32.01.02.006 |
Шайба |
1 |
|
|
|
10. |
ДП.ПАС.32.01.02.007 |
Грязесъемник |
1 |
|
|
|
11. |
ДП.ПАС.32.01.02.008 |
Кольцо защитное |
1 |
|
|
|
12. |
ДП.ПАС.32.01.02.009 |
Шток |
|
|
|
|
|
|
|
|
|
|
|
|
|
|
|
|
|
|
|
|
|
|
|
|
|
|
|
|
|
|
|
|
|
|
|
|
|
|
|
|
|
|
|
|
|
|
|
|
|
|
|
|
|
|
|
|
|
|
|
|
|
|
|
|
|
|
|
|
|
|
|
|
|
|
|
|
|
|
|
|
|
|
|
|
|
|
|
|
|
|
|
|
|
|
|
|
|
|
|
|
|
|
|
|
|
|
|
|
|
|
|
|
|
Лист |
|
|
|
|
|
ДП.
ПАС 32. 01. 02.000 |
2 |
| Изм. |
Лист |
№ докум. |
Подп. |
Дата |
|
|
|
Формат
|
Зона
|
Поз.
|
Обозначение
|
Наименование
|
Кол.
|
Прим
|
|
|
|
|
Стандартные
изделия |
|
|
|
|
|
|
|
|
|
|
|
|
|
Винты ГОСТ
1476-84 |
|
|
|
|
|
|
В.М6-6дґ12.14Н.016
|
1 |
|
|
|
|
|
В.М6-6дґ14.14Н.016
|
2 |
|
|
|
|
|
Гайка ВМ
27ґ1,5.05.016
|
2 |
|
|
|
|
|
ГОСТ 11871-80 |
|
|
|
|
|
|
Кольцо 1А47 |
4 |
|
|
|
|
|
ГОСТ 13941-68 |
|
|
|
|
|
|
Кольца ГОСТ
9833-73 |
|
|
|
|
|
|
ГОСТ 18829-73 |
|
|
|
|
|
|
030-035-30-2-4 |
1 |
|
|
|
|
|
070-080-58-2-4 |
|
|
|
|
|
|
Манжеты
ГОСТ 14896-84 |
|
|
|
|
|
|
50ґ40-2
|
1 |
|
|
|
|
|
80ґ65-2
|
2 |
|
|
|
|
|
Кольцо защитное
1-80-1
|
2 |
|
|
|
|
|
ГОСТ 14896-84 |
|
|
|
|
|
|
Подшипник
1-ШС30
ГОСТ 3635-78
|
2 |
|
|
|
|
|
|
|
Лист |
|
|
|
|
|
ДП.
ПАС 32. 01. 02.000 |
3 |
| Изм. |
Лист |
№ докум. |
Подп. |
Дата |
|
|
|
Формат
|
Зона
|
Поз.
|
Обозначение
|
Наименование
|
Кол.
|
Прим
|
|
|
|
|
|
|
|
|
|
|
|
Документация |
|
|
|
|
|
|
|
|
|
| А1 |
|
|
ДП.ПАС.32.01.03.000 СБ |
Сборочный
чертеж |
|
|
|
|
|
|
|
|
|
|
|
|
|
Сборочные
единицы |
|
|
|
|
|
|
|
|
|
|
|
1. |
ДП.ПАС.32.01.03.100 |
Плита |
1 |
|
|
|
2. |
ДП.ПАС.32.01.03.200 |
Плита |
1 |
|
|
|
3. |
ДП.ПАС.32.01.03.300 |
Кронштейн |
1 |
|
|
|
4. |
ДП.ПАС.32.01.03.400 |
Кронштейн |
1 |
|
|
|
|
|
|
|
|
|
|
|
|
|
|
|
|
|
|
|
Детали |
|
|
|
|
|
|
|
|
|
|
|
7. |
ДП.ПАС.32.01.03.001 |
Втулка |
2 |
|
|
|
8. |
ДП.ПАС.32.01.03.002 |
Балка |
2 |
30 кг |
|
|
|
|
Швеллер 20
ГОСТ 8240-72 |
|
|
|
|
|
|
|
|
|
|
|
|
|
ДП.
ПАС 32. 01. 03.000 |
| Изм. |
Лист |
№ докум. |
Подп. |
Дата |
|
| Разраб. |
Санин |
|
|
|
Лит. |
Лист |
Листов |
| Пров. |
Закирзаков |
|
|
Рама |
|
|
|
1 |
2 |
|
|
|
|
|
ТФ |
| Н. контр. |
|
|
|
|
гр.
СДМ 92 |
| Утв. |
|
|
|
|
|
|
Формат
|
Зона
|
Поз.
|
Обозначение
|
Наименование
|
Кол.
|
Прим
|
|
|
|
|
Вст3 - I
ГОСТ 535
|
|
|
|
|
|
|
L
|
|
|
|
|
|
|
L
= 1610±1,85
мм
|
|
|
|
|
9. |
ДП.ПАС.32.01.03.003 |
Заглушка |
2 |
1,4 кг |
|
|
|
|
Лист Б-ПН-6,0
ГОСТ 19903-74 |
|
|
|
|
|
|
Вст3 ГОСТ
14637-79 |
|
|
|
|
|
|
В=150±0,5мм;
L=198±0,57мм
|
|
|
|
|
10. |
ДП.ПАС.32.01.03.004 |
Фланец |
1 |
|
|
|
|
|
|
|
|
|
|
|
|
|
|
|
|
|
|
|
|
|
|
|
|
|
|
|
|
|
|
|
|
|
|
|
|
|
|
|
|
|
|
|
|
|
|
|
|
|
|
|
|
|
|
|
|
|
|
|
|
|
|
|
|
|
|
|
|
|
|
|
|
|
|
|
|
|
|
|
|
|
|
|
|
Лист |
|
|
|
|
|
ДП.
ПАС 32. 01. 03.000 |
2 |
| Изм. |
Лист |
№ докум. |
Подп. |
Дата |
|
|
|
Формат
|
Зона
|
Поз.
|
Обозначение
|
Наименование
|
Кол.
|
Прим
|
|
|
|
|
|
|
|
|
|
|
|
Документация |
|
|
|
|
|
|
|
|
|
| А2 |
|
|
ДП.ПАС.32.01.04.000 СБ |
Сборочный
чертеж |
|
|
|
|
|
|
|
|
|
|
|
|
|
Детали |
|
|
|
|
|
|
|
|
|
|
|
1. |
ДП.ПАС.32.01.04.001 |
Втулка |
2 |
|
|
|
2. |
ДП.ПАС.32.01.04.001 |
Пружина |
2 |
|
|
|
3. |
ДП.ПАС.32.01.04.001 |
Ролик |
6 |
|
|
|
|
|
|
|
|
|
|
|
|
|
|
|
|
|
6. |
ДП.ПАС.32.01.04.001 |
Корпус |
1 |
|
|
|
7. |
ДП.ПАС.32.01.04.001 |
Корпус |
1 |
|
|
|
8. |
ДП.ПАС.32.01.04.001 |
Стакан |
1 |
|
|
|
9. |
ДП.ПАС.32.01.04.001 |
Кольцо |
1 |
|
|
|
|
|
|
|
|
|
|
|
|
|
|
|
|
|
|
|
|
|
|
|
|
|
|
ДП.
ПАС 32. 01. 04.000 |
| Изм. |
Лист |
№ докум. |
Подп. |
Дата |
|
| Разраб. |
Санин |
|
|
|
Лит. |
Лист |
Листов |
| Пров. |
Закирзаков |
|
|
Зажим |
|
|
|
1 |
2 |
|
|
|
|
|
ТФ |
| Н. контр. |
|
|
|
|
гр.
СДМ 92 |
| Утв. |
|
|
|
|
|
|
Формат
|
Зона
|
Поз.
|
Обозначение
|
Наименование
|
Кол.
|
Прим
|
|
|
|
|
|
|
|
|
|
|
|
|
|
|
|
|
|
|
Стандартные
изделия |
|
|
|
|
|
|
|
|
|
|
|
13. |
|
Шпонка 12ґ8ґ28
|
|
|
|
|
|
|
ГОСТ 23360-78 |
4 |
|
|
|
|
|
|
|
|
|
|
|
|
|
|
|
|
|
|
|
|
|
|
|
|
|
|
|
|
|
|
|
|
|
|
|
|
|
|
|
|
|
|
|
|
|
|
|
|
|
|
|
|
|
|
|
|
|
|
|
|
|
|
|
|
|
|
|
|
|
|
|
|
|
|
|
|
|
|
|
|
|
|
|
|
|
|
|
|
|
|
|
|
|
|
|
|
|
|
Лист |
|
|
|
|
|
ДП.
ПАС 32. 01. 04.000 |
2 |
| Изм. |
Лист |
№ докум. |
Подп. |
Дата |
|
|
|
Формат
|
Зона
|
Поз.
|
Обозначение
|
Наименование
|
Кол.
|
Прим
|
|
|
|
|
|
|
|
|
|
|
|
Документация |
|
|
|
|
|
|
|
|
|
| А2 |
|
|
ДП.ПАС.32.01.05.000 СБ |
Сборочный
чертеж |
|
|
|
|
|
|
|
|
|
|
|
|
|
Детали |
|
|
|
|
|
|
|
|
|
|
|
1. |
ДП.ПАС.32.01.05.001 |
Корпус |
1 |
|
|
|
2. |
ДП.ПАС.32.01.05.002 |
Стакан |
1 |
|
|
|
3. |
ДП.ПАС.32.01.05.003 |
Втулка |
1 |
|
|
|
4. |
ДП.ПАС.32.01.05.004 |
Пружина |
1 |
|
|
|
5. |
ДП.ПАС.32.01.05.005 |
Ролик |
3 |
|
|
|
6. |
ДП.ПАС.32.01.05.006 |
Кольцо |
1 |
|
|
|
7. |
ДП.ПАС.32.01.05.007 |
Прокладка |
2 |
|
|
|
8. |
ДП.ПАС.32.01.05.008 |
Крышка |
2 |
|
|
|
|
|
|
|
|
|
|
|
|
|
|
|
|
|
|
|
Стандартные
изделия |
|
|
|
|
|
|
|
|
|
|
|
|
|
ДП.
ПАС 32. 01. 05.000 |
| Изм. |
Лист |
№ докум. |
Подп. |
Дата |
|
| Разраб. |
Санин |
|
|
|
Лит. |
Лист |
Листов |
| Пров. |
Закирзаков |
|
|
Зажим |
|
|
|
1 |
2 |
|
|
|
|
|
ТФ |
| Н. контр. |
|
|
|
|
гр.
СДМ 92 |
| Утв. |
|
|
|
|
|
|
Формат
|
Зона
|
Поз.
|
Обозначение
|
Наименование
|
Кол.
|
Прим
|
|
|
12. |
|
Болт
М8-8дґ20.58.016
|
|
|
|
|
|
|
ГОСТ 7798-70 |
12 |
|
|
|
13. |
|
Шайба
8.65Г.016 |
|
|
|
|
|
|
ГОСТ 6402-70 |
12 |
|
|
|
14. |
|
Кольцо 1Б75 |
|
|
|
|
|
|
ГОСТ 8752-70 |
2 |
|
|
|
15. |
|
Манжета
1-75ґ100-1
|
|
|
|
|
|
|
ГОСТ 8752-70 |
2 |
|
|
|
16. |
|
Подшипник
115 |
|
|
|
|
|
|
ГОСТ 8338-75 |
2 |
|
|
|
17 |
|
Шпонка 12ґ8ґ28
|
|
|
|
|
|
|
ГОСТ 23360 -78 |
2 |
|
|
|
|
|
|
|
|
|
|
|
|
|
|
|
|
|
|
|
|
|
|
|
|
|
|
|
|
|
|
|
|
|
|
|
|
|
|
|
|
|
|
|
|
|
|
|
|
|
|
|
|
|
|
|
|
Лист |
|
|
|
|
|
ДП.
ПАС 32. 01. 05.000 |
2 |
| Изм. |
Лист |
№ докум. |
Подп. |
Дата |
|
|
Литература.
1. Анурьев
В. И. “Спарвочник
конструктора
машиностроителя”.
1-3 т., М., Машиностроение.
2. Абрамов
Н. Н. “Курсовое
и дипломное
проектирование
по дорожно-строительным
машинам”. М.,
“Высшая школа”.
3. Атаманюк
В. Г. “Гражданская
оборона”.
4. Ветров
Ю. А. “Машины
для землеройных
работ”. Киев,
“Высшая школа”,
1981 г.
5. Гоберман
Л. А., Степанян
К. В. “Строительные
и дорожные
машины”. Атлас
конструкций.
6. Гоберман
Л. А. и др. “Теория,
конструкция
и расчет строительных
и дороржных
машин”. М.,
Машиностроение,
1979 г.
7. Чернавский
В. П. “Детали
машин”. М., “Высшая
школа”.
8. Иванов
Н. Н. “Детали
машин”. М., “Высшая
школа”.
9. Эйдинов
М. С. “Расчет
зубчатых и
червячных
передач”. М.,
Машиностроение,
1961 г.
10. Худобин
Л. В. “Руководство
к дипломному
проектированию
по технологии
машиностроения,
металлорежущим
станкам и
|
|
|
|
|
|
|
Лист |
|
|
|
|
|
ДП.
ПАС 32. 00. 00.000 |
1 |
| Изм. |
Лист |
№ докум. |
Подп. |
Дата |
|
|
инструментам”.
Для ВУЗов. М.,
Машиностроение,
1986 г.
11. “Методические
указания по
дипломному
проектированию
для специльности
0511 (организационно-экономический
раздел). ТюмИИ,
1984 г.
|
|
|
|
|
|
|
Лист |
|
|
|
|
|
ДП.
ПАС 32. 00. 00.000 |
2 |
| Изм. |
Лист |
№ докум. |
Подп. |
Дата |
|
|
ГОСУДАРСТВЕННЫЙ
КОМИТЕТ РОССИЙСКОЙ
ФЕДЕРАЦИИ
ПО ВЫСШЕМУ
ОБРАЗОВАНИЮ
Тюменский
Государственный
нефтегазовый
университет
.........................................................транспортный.........................
факультет
Кафедра
..................строительные
и дорожные
машины..........................
Пояснительная
записка
к дипломному
проекту на тему
Приспособление
для погружения
анкерных стержней
в вечномерзлый
грунт______________________________________
________________________________________________________
Дипломник:
Санин
Руководитель:
Закирзаков
Консультанты:
Черняев
Стариков
проект допущен
к защите в гэк
Зав. кафедрой
г. Тюмень,
1997 г.
Содержание.
Введение.
Конструкторская
часть.
Технология
строительства
магистральных
трубопроводов.
Общая
технология.
Способы
закрепления
трубопроводов.
Особенности
предлагаемого
анкерного
закрепления
трубопровода.
Примерная
технология
производства
работ при
использовании
анкерных
стержней.
Предлагаемая
конструкция
устройства.
Подготовка
погружателя
к работе.
Порядок
работы.
Расчет
параметров
оборудования
погружателя.
Расчет
передачи
одноступенчатого
редуктора
вращателя
погружателя
анкерных
стержней.
Расчет
зубьев на
выносливость
по напряжениям
изгиба.
Расчет
сечения плит
рамы погружателя.
Расчет
сечения редуктора
вращателя.
Расчет
экскаватора
на устойчивость
при погружении
анкерных
стержней.
|
|
|
|
|
|
|
Лист |
|
|
|
|
|
ДП.
ПАС 32. 00. 00.000 |
1 |
| Изм. |
Лист |
№ докум. |
Подп. |
Дата |
|
|
Расчет
экскаватора
на опрокидывание
при движении
по уклону - в
разделе БЖД.
Определение
расхода масла.
Расчет
зажима.
Экономическая
часть.
Выбор
базисного
варианта.
Определение
экономического
эффекта.
Расчет
лимитной цены.
Расчет
дополнительных
показателей
экономической
эффективности.
Таблица
исходных данных.
Определение
капитальных
затрат по
базовой технике
и новой технике.
Определение
годовой
производительности
базовой и новой
техники.
Определение
эксплуатационных
затрат потребителя,
приходящихся
на час работы
машины.
Таблица
сводных часовых
текущих затрат.
БЖД.
Вводная
часть.
Основные
меры безопасности
при работе
на экскаваторе
- погружателе
анкерных
стержней.
Расчет
погружателя
на устойчивость
при движении
по уклону.
|
эфф
|
|
|
|
|
|
Лист |
|
|
|
|
|
ДП.
ПАС 32. 00. 00.000 |
2 |
| Изм. |
Лист |
№ докум. |
Подп. |
Дата |
|
|
Список
литературы.
Приложение.
|
|
|
|
|
|
|
Лист |
|
|
|
|
|
ДП.
ПАС 32. 00. 00.000 |
3 |
| Изм. |
Лист |
№ докум. |
Подп. |
Дата |
|
|
Введение.
Современные
экономические
условия поставили
ряд проблем
отрасли строительства
предприятий
нефтяной и
газовой промышленности:
ускорение
темпов, ликвидация
сезонности
и повышение
качества
трубопроводного
строительства.
Комплексное
решение этих
проблем может
быть выполнено
на основе
системного
анализа и зависит
прежде всего
от принятия
оптимальных
проектных
решенний,
принятия новых
материалов
и конструкций,
повышения
уровня механизации,
разработки
и внедрения
более современной
технологии
производства
работ, а также
прогрессивных
форм организации
строительства
мощных трубопроводных
систем.
Строительство
трубопроводов
в обводненной
и заболоченной
местности
требует
дифференцированного
подхода к
принимаемым
техническим
и технологическим
решениям в
зависимости
от природно-климатических
характеристик
региона, а также
анализа существующих
методов оценки
пересекаемых
трубопроводами
болот.
Особое
место в решении
задач ускоренного
строительства
трубопроводов
в обводненных
и заболоченных
местах и районах
занимают вопросы
обеспечения
продольной
устойчивости
трубопроводов.
|
|
|
|
|
|
|
|
|
|
|
|
ДП.
ПАС 32. 00. 00.000 |
| Изм. |
Лист |
№ докум. |
Подп. |
Дата |
|
| Разраб. |
Санин |
|
|
|
Лит. |
Лист |
Листов |
| Пров. |
Закирзаков |
|
|
|
|
|
|
|
|
|
|
|
|
ВВЕДЕНИЕ |
ТФ |
| Н. контр. |
Иванов |
|
|
|
гр.
СДМ 92 |
| Утв. |
Закирзаков |
|
|
|
|
Современный
ввод в эксплуатацию
основных газовых
магистралей
стал возможен
в значительной
степени благодаря
применению
для закрепления
трубопроводов
на проектных
отметках
различных
анкерных
устройств,
что резко
повлияло на
объем железнодорожных
и автомобильных
перевозок
утяжеляющих
железобетонных
грузов.
В настоящее
время основными
задачами этого
направления
являются
дальнейшее
повышение
надежности
работы средств
балластировки
и закрепления
газопроводов,
снижение их
материалоемкости
и транспортных
расходов, а
также дальнейшее
повышение
темпов работ.
Для
осваеваемых
нефтегазоносных
районов страны
характерны
суровые климатические
условия, значительная
удаленность
вооружаемых
водопроводов
от транспортных
коммуникаций,
большая обводненость
и заболоченность
территорий.
Сооружаемые
мощные трубопроводные
системы транспортируют
нефть и газ
из заболоченных
районов севера
Западной Сибири
в центральные
и западные
районы.
Для
различных
регионов подход
к решению
круглогодичного
строительства
и к определению
методов балластировки
должен быть
различным.
Так, для заболоченных
территорий
Западной Сибири
с суровыми
климатическими
условиями,
проблема
круглогодичного
строительства
может быть
в основном
решена организованно,
а также за счет
продления
зимнего строительства.
Основные
показатели
характера
заболоченности
территории
Западной Сибири
составляют:
|
|
|
|
|
|
|
Лист |
|
|
|
|
|
ДП.
ПАС 32. 00. 00.000 |
2 |
| Изм. |
Лист |
№ докум. |
Подп. |
Дата |
|
|
заболоченность
территории
(%) - 12-52;
частота
болот (шт/100 км)
- 26-91;
длина
относительно
сухих участков
(км) - 5-35;
процент
относительно
сухих участков
(%) - 0-58.
На основе
анализа данных
можно сделать
вывод, что
наличие сухих
мест (участков)
на территории
Западной Сибири
очень мало,
и поэтому
строительство
в основном
ведется в зимний
период. В таких
условиях особое
внимание
необходимо
уделять изоляции
и балластировке
трубопроводов.
|
|
|
|
|
|
|
Лист |
|
|
|
|
|
ДП.
ПАС 32. 00. 00.000 |
2 |
| Изм. |
Лист |
№ докум. |
Подп. |
Дата |
|
|
ТЮМЕНСКИЙ
ГОСУДАРСТВЕННЫЙ
НЕФТЕГАЗОВЫЙ
УНИВЕРСИТЕТ
Кафедра
_______строительные
и
____дорожные
машины
Утверждаю:
зав. кафедрой
______________
"____" __________________1997 г.
Задание
по дипломному
проектированию
Студенту
________Санину
Игорю Валерьевичу
_
Тема проекта
утверждена
приказом по
институту от
"_____" ___________________________1997 г.
№________)
___________________________________________________________________________
_______________________________________________________________________________________
_______________________________________________________________________________________
Срок сдачи
студентом
законченного
проекта "_____"
________________________________1997 г.
Исходные
данные к проекту
____________________________________________________________
____________________Материалы
по преддипломной
практике________________________________
_______________________________________________________________________________________
___________________Диаметр
стержня 32
мм_______________________________________________
___________________Длина
стержня 6
м____________________________________________________
_______________________________________________________________________________________
_______________________________________________________________________________________
Содержание
расчетно-пояснительной
записи (перечень
подлежащих
разработке
вопросов)
_______________________________________________________________________________________
___________________Расчет
передачи,
конструктивных
размеров, по
напряженем
изгиба;__________
___________________Расчет
зажимов. Васчет
на устойчивость
при работе
гидроцилиндра__________
___________________подач;
расчет на
устойчивость
экскаватора
при движении
по уклону__________
___________________определение
расхода масла;
Расчет сечений
плит рамы, расчет
сечения_______
___________________редуктора.
Расчет экономической
эффективности
разрабатываемой___________
___________________техники.
Разработка
технологии
механической
обработки
пальца.____________.
____________________________________________________________________________________________________________________________________________________________________________________________________________________________________________________________________________________________________________________________________________________________
Перечень
графического
материала (с
точным указанием
обязательных
чертежей)
________________
______________1 лист
- Общий вид
погружателя
анкерных
стержней____________________________
______________2 лист
- механизм
погружения_______________________________________________
______________3 - 4. лист -
Вращатель
_____________________________________________________
______________5 лист -
Гидроцилиндр
подачи.,_____________________________________________
______________6 лист
- Рама механизма
погружения._________________________________________
______________7 лист
- Зажим (верхний
и нижний, 2ґА2
формата)_____________________________
______________8 лист - Корпус
редуктора.__________________________________________________
______________9 лист
-_Гидросхема._______________________________________________________
_____________10 лист
-_Таблицы_результатов
расчета экономической
эффективности
погружателя
анкерных
стержней.______________________________________________________________________
Консультанты
по проекту (с
указанием
относящихся
к ним разделов
проекта)
__________________
_______________________________________________________________________________________
______________Закирзаков
- конструкторский
раздел_________________________________________
______________Черняев
- экономический
раздел____________________________________________
______________Стариков
- БЖД.__________________________________________________________
_________________________________________________________________________________________________________________________________________________________________________________________________________________________________________________________________________________________________________________________________________________________________________________________________________________________________________________________________________________________________________________________________________________________________________________________________________________________________
_______________________________________________________________________________________
Дата выдачи
задания "_____"
____________________ 1997 г.
Руководитель
Задание принял
к исправлению
"_____" _____________________ 1997 г.
_______________________________________________________________________________________
(подпись студента)
ПРИМЕЧАНИЕ:
1. Это задание
прилагается
к зачетному
проекту и вместе
с проектом
представляется
в ГЭК.
2. Кроме задания
студент должен
получить от
руководителя
календарный
график работы
над проектом
на весь период
проектирования
(указанием
сроков выполнения
и трудоемкости
отдельных
этапов). |