Реферат: Ткачество
|
Название: Ткачество Раздел: Рефераты по технологии Тип: реферат | |||||||||||||||||||||||||||||||||||||||||||||||||||||||||||||||||||||||||||||||||||||||||||||||||||||||||||||||||||||||||||||||||||||||||||||||||||||||||||||||||||||||||||||||||||||||||||||||||||||||||||||||||||||||||||||||||||||||||||||||||||||||||||||||||||||||||||||||||||||||||||||||||||||||||||||||||||||||||||||||||||||||||||||||||||||||||||||||||||||||||||||||||||||||||||||||||||||||||||||||||||||||||||||||||||||||||||||||||||||||||||||||||||||||||||||||||||||||||||||||||||||||||||||||||||||||||||||||||||||||||||||||||||||||||||||||||||||||||||||||||||||||||||||||||||||||||||||||||||||||||||||||||||||||||||||||||||||||||||||||||||||||||||||||||||||||||||||||||||||||||||||||||||||||||||||||||||||||||||||||||||||||||||||||||||||||||||||||||||||||||||||||||||||||||||||||||||||||||||||||||||||||||||||||||||||||||||||||||||||||||||||||||||||||||||||||||||||||||||||||||||||||||||||||||||||||||||||||||||||||||||||||||||||||||||||||||||||||||||||||||||||||||||||||||||||||||||||||||||||||
Кинематический расчёт. По кинематической схеме машины МШБ-9/140 сделан расчёт при частоте вращения вала электродвигателя 1700 об/мин и при передаточном числе передаточных механизмов 1,116 и 3,15. Определение частоты вращения и окружной скорости рабочих органов машины. Расчёт частоты вращения (об/мин) и линейной скорости (м/мин) первого тянульного вала:
где
Расчёт частоты вращения (об/мин) и линейной скорости (м/мин) отжимных валов:
где
Расчёт частоты вращения (об/мин) и линейной скорости (м/мин) сушильных барабанов:
где
Расчёт частоты вращения (об/мин) и линейной скорости (м/мин) второго тянульного вала:
Расчёт частоты вращения (об/мин) и линейной скорости (м/мин) выпускного вала:
где
Определение вытяжек. Частные вытяжки устанавливают при помощи уравнительных механизмов. Частная вытяжка в зоне первый тянульный вал – отжимные валы:
Частная вытяжка в зоне отжимные валы – сушильный барабан:
Частная вытяжка в зоне сушильный барабан – второй тянульный вал:
Частная вытяжка в зоне второй тянульный вал – выпускной вал:
Общая вытяжка:
Расчёт уравнительного механизма. Передаточное отношение уравнительного механизма определяется по формуле:
где
где
где
где
Диапазон регулирования уравнительного механизма (%) можно определить по формуле:
где
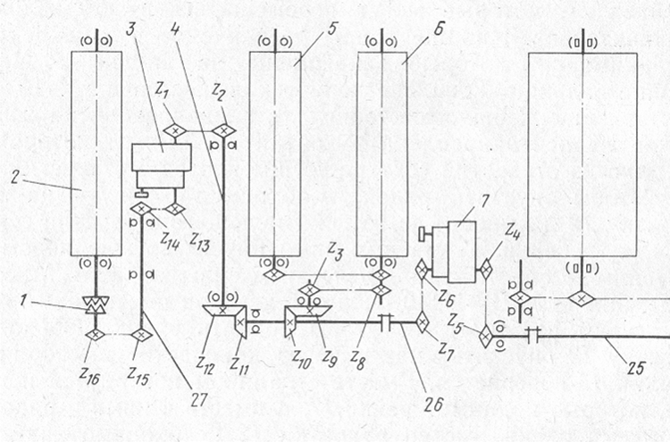
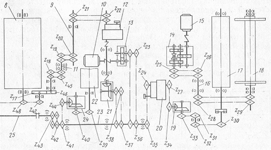
Кинематическая схема шлихтовальной машины МШБ-9/140
Технологическая схема шлихтовальной барабанной машины МШБ-9/140
Барабанная машина МШБ-9/140. Шлихтовальная барабанная машина предназначена для шлихтования хлопчатобумажной, вискозной штапельной и льняной основной пряжи, а также пряжи из смесей хлопкового и льняного волокон с химическими. Основные нити, сматываясь со сновальных валов 1, соединяются на стойке 2, огибают направляющие ролики 3 площадки обслуживания 4, проходят направляющий ролик 5, ролик-датчик натяжения основы 6 и огибают мерильный вал 7. Пряжа со сновальных валов 1 сматывается под определённым натяжением тянульным валом 8. Тянульный вал имеет принудительный привод от мажорного вала с помощью цепной передачи и обеспечивает подачу основы в клеильный аппарат с минимальным натяжением. Малое натяжение основы обеспечивается уравнительным механизмом УМ-3, установленным между отжимными и тянульными валами. Минимальное натяжение основы способствует лучшему пропитыванию нитей основы шлихтой. Основа после тянульного вала огибает направляющий ролик 9 и погружающим роликом (воробой) 10 опускается в шлихтовальный раствор. После погружения в шлихту основа проходит между двумя парами отжимных валов 11, получающих движение от мажорного вала машины через цепную передачу. Далее основа, огибая направляющий ролик 12, направляется на сушильные барабаны 18, которые приводятся в движение от двигателя мажорного вала через цепные передачи. После сушильных барабанов основа огибает направляющий ролик 14, выходит из-под шатра, огибает направляющий ролик 15, направляется двумя роликами 16, расположенными под площадкой обслуживания 17, огибает ролик18, ролик-датчик 19, ролик 20 и поступает на второй тянульный вал 21. Второй тянульный вал 21 разделяет зону вытягивания сушильные барабаны – выпускной вал на две: сушильные барабаны – второй тянульный вал и второй тянульный вал – выпускной вал (две частные вытяжки). Такое конструктивное решение позволило регулировать натяжение основы на небольших участках шлихтовальной машины. Второй тянульный вал обрезинен и вместе с двумя роликами 20 и 22, которые увеличивают угол обхвата поверхности тянульного вала основой, представляет тянульную установку. Далее основа огибает ролик 22, разделяется ценовыми прутками 23 в горизонтальном направлении, проходит зигзагообразный рядок 24, огибает мерильный вал 25, выпускной вал 26, ролик-датчик 27, рассеивающий ролик 28 и навивается на ткацкий навой 29. На машине установлено четыре уравнительных механизма, с помощью которых можно регулировать натяжение основы, а следовательно, и вытяжку пряжи. Один механизм УМ-3 расположен под клеильным аппаратом машины и регулирует натяжение основы на участке первый тянульный вал – отжимные валы. Второй механизм, расположенный у клеильного аппарата, регулирует натяжение основы на участке отжимные валы – сушильные барабаны. Третий механизм расположен под ценовым полем выпускной части и регулирует натяжение основы на участке сушильные барабаны – второй тянульный вал. Четвертый уравнительный механизм, расположенный у выпускной части машины, регулирует натяжение пряжи в ценовом поле на участке второй тянульный вал – выпускной вал. Партионная сновальная машина. Партионная сновальная машина предназначена для снования пряжи с бобин на сновальные валы при большой скорости. По сравнению со снованием на ленточных машинах при сновании на партионных машинах обеспечивается большая равномерность натяжения основных нитей, лучшая форма и строение навоя, сокращаются затраты труда и снижается стоимость обработки в ткачестве. Нити с бобин 1, расположенных на сновальной рамке 2, проходят между двумя направляющими прутками 3 и через рядок 4, огибают мерильный валик 5 и навиваются на сновальный вал 6, который получает движение от электродвигателя 7 через клиноременную передачу 8. Уплотнение основных нитей осуществляется укатывающим валом 9. Рядок 4, распределяя равномерно основные нити между фланцами сновального вала, позволяет навивать основные нити параллельно друг другу. Кинематическая схема машины. От электродвигателя 5 постоянного тока клиноременной передачей движение передается сновальному валу 2. Укатывающий валик получает движение благодаря трению о сновальный вал. Сновальный вал располагается между пинолями 9 и 4, которые при закреплении сновального вала или перед его съемом могут получить движение в осевом направлении от электродвигателя 3. Движение от электродвигателя к пинолям передается посредством червячных передач, зубчатых передач и червячно-винтовых передач. Пиноли соединяются со сновальным валом с помощью шипов на концах пинолей и соответствующих пазов в муфтах дисков сновального вала. Зажим и разъединение пинолей со сновальным валиком производится до пробуксовки муфты на валу электродвигателя 3. От мерильного вала 7 движение передается зубчатыми передачами тахогенератору 6 и десятичному счетчику 8. Рядок совершает возвратно-поступательное движение на определенное расстояние, что обеспечивает рассеивание витков пряжи на сновальном вале, предотвращая врезание их в нижние слои и способствуя получению правильной цилиндрической намотки. Возвратно-поступательное движение рядку передается от механизма вращения сновального вала с помощью червячной передачи и кривошипно-шатунной передачи угловому рычагу, который и сообщает движение рядку. Механизм съема наработанного сновального вала и подачи к пинолям пустого приводится в действие от реверсивного электродвигателя 1 с помощью червячной пары, однозаходного червяка, который поворачивает зубчатый сектор, находящийся на валу 10. Электродвигатель 1 включается с помощью одной из двух кнопок: под действием одной из них производится подъем пустого вала, под действием другой – опускание полного сновального вала. На машине имеется механизм поддерживания постоянства линейной скорости снования по мере увеличения диаметра намотки сновального вала. Это осуществляется при помощи тахогенератора. При незначительном увеличении диаметра намотки основы на сновальном вале, естественно, увеличивается линейная скорость нитей, а так как мерильный вал вращается за счет трения о него нитей то и его частота вращения увеличивается. На одном валу с мерильным валиком находится тахогенератор. Он соединен с электродвигателем 5. Электрический ток, вырабатываемый тахогенератором, увеличивается; проходя через магнитный усилитель, он размагничивает усилитель пропорционально силе тока. Так как мощность электродвигателя 5 постоянна, это приводит к уменьшению напряжения, подаваемого на обмотку электродвигателя и снижению частоты вращения шкива электродвигателя. Причем уменьшение частоты вращения шкива электродвигателя происходит пропорционально увеличению диаметра намотки сновального вала. Таким образом, при увеличении диаметра намотки основы на сновальный вал его частота вращения уменьшается, за счет чего обеспечивается постоянство линейной скорости снования. Однако при работе машины все же наблюдаются отклонения от постоянства линейной скорости из-за нечёткой работы механизмов машины. Скорость снования устанавливается с помощью рукоятки переменного сопротивления. Машина оснащена стрелочным указателем скорости снования. От мерильного вала 7 при помощи трехступенчатой зубчатой передачи движение передается десятичному счетчику длины снования. Счетчик рассчитан на максимальную длину основы 100000 м. Длина нити измеряется механическим путем – счетчиком, связанным с измерительным валом, вращающимся за счёт трения о движущиеся нити. В процессе снования, особенно при пуске и останове машины, наблюдается проскальзывание нитей по поверхности мерильного вала, вследствие чего возникает разница между фактической длиной нитей, навитых на сновальный вал, и показанием счетчика. Это увеличивает выход мягких концов в шлихтовании и формирование неполных основ при доработке партии. Особенно эта неточность работы сновальных машин очевидна при изготовлении основ с просновками. При наматывании на сновальный вал пряжи установленной длины машина автоматически выключается. Кинематический расчёт. Максимальная частота вращения сновального вала:
где
Частота вращения вала электродвигателя для привода сновального вала:
где 0,98 – коэффициент проскальзывания клиноременной передачи.
Чтобы установить
закон изменения
частоты вращения
сновального
вала
Определим
частоту вращения
вала
где
Производительность партионной сновальной машины (кг/ч):
где
Шпулярник партионной сновальной машины. Определяем количество сновальных валиков:
Определяем число нитей на каждом сновальном валике:
Определяем количество повторений частного раппорта на всех сновальных валиках:
Определяем количество повторений частного раппорта на одном сновальном валике:
Фрагмент раппорта узора. Кинематическая схема партионной сновальной машины СП-140.
Технологическая схема машины СЛ-250-Ш.
Ленточная сновальная машина. Машина СЛ-250-Ш предназначена для ленточного снования шерстяной и хлопчатобумажной пряжи с конических бобин крестовой намотки с последующим перевиванием нитей на ткацкий навой. Нити основы, сходящие с конических бобин 1, неподвижно установленных на бобинодержателях завозных секций сновальной рамки 2, проходят через натяжные приспособления – тормозки 3, закрепленные на стойках сновальной рамки, а затем через контактные крючки 4 механизма контроля наличия нитей, размещенного в передней части сновальной рамки по обеим её сторонам. По выходе из сновальной рамки нити основы проходят через направляющие валы 5, делительный рядок 6, рядок суппорта 7, огибают мерильный вал 8 и направляющие валы 9 и наматываются на сновальный барабан 10. Благодаря применению в сновальной рамке завозных секций сокращаются затраты времени на операцию перезаправки бобин. Поле того как бобины срабатываются, нити между бобинами и нитенатяжителями обрывают, завозные секции выдвигают по рельсам из сновальной рамки, а на их место завозят запасные секции с установленными заранее бобинами. Таким образом, перезаправка машины сводится к смене секций и связыванию концов нитей основы. Натяжные приспособления служат для создания необходимого натяжения нитей при навивании их на сновальный барабан. Механизм контроля нитей электрического действия осуществляет автоматический останов машины в случае обрыва одной или нескольких нитей. Делительный рядок является направляющим органом и одновременно разделяет нити на группы для прокладки между ними делительных шнурков (цен). В связи с этим в делительном рядке сделана пропайка зубьев и, кроме того, он снабжен подъемным устройством. Рядок суппорта служит для равномерного распределения нитей по ширине ленты и смещения ленты вдоль образующей сновального барабана во время наматывания ее на барабан. Мерильный вал соединен с десятичным счетчиком зубчатой передачей. При наработке первой ленты (в начале снования) включается десятичный счетчик и одновременно с ним – счетчик числа оборотов сновального барабана. В конце наработки первой ленты счетчик числа оборотов сновального барабана приводит в действие механизм останова машины. Остальные ленты снуются по показаниям только этого счетчика. Благодаря наличию двух счетчиков обеспечивается возможность наматывания лент одинаковой длины. При работе с одним счетчиком получить все ленты одинаковой длины невозможно вследствие разной величины скольжения нитей по мерильному валу и различного числа случаев пуска и останова машины при наработке лент. Делительный рядок 6, рядок суппорта 7, мерильный вал 8 с десятичным счетчиком и направляющие валы 9 закреплены на столике механизма суппорта 11. При навивании ленты столик механизма суппорта 11 со всеми деталями, закрепленными на нём, посредством ходового винта 12 равномерно перемещается вдоль направляющих 13, благодаря чему обеспечивается соответствующее смещение слоев ленты и создается правильная форма её сечения. В зависимости от линейной плотности пряжи и плотности ленты величина скорости перемещения суппорта изменяется. Периметр сновального барабана 10 равен 4 м. При своём вращении барабан сообщает пряже принудительное поступательное движение. Сновальный барабан вращается также принудительно от отдельного привода. Когда на сновальный барабан будет навито заданное число лент, необходимое для образования одной основы, ленты перевивают на ткацкий навой. Для выполнения этой операции на машине имеется перевивочный станок 16, представляющий собой вторую половину сновальной машины. В процессе перевивки нити сматываются со сновального барабана 10 и, пройдя через направляющие валы 14, навиваются на ткацкий павой 15. Направляющие валы 14 служат для направления основы на ткацкий навой и являются дополнительной зоной для создания натяжения нитей. В основном заданная величина натяжения нитей основы при перевивке их на ткацкий навой создаётся путем торможения сновального барабана 10 колодочным тормозом. В процессе перевивки основы на ткацкий навой перевивочный станок 16 равномерно перемещается вдоль барабана под действием ходового винта. Это перемещение по величине равно перемещению суппорта, но направлено в противоположную сторону. Перемещение перевивочного станка необходимо для правильной укладки нитей основы относительно фланцев ткацкого навоя. Ткацкий навой вращается от отдельного привода. Шпулярник ленточной сновальной машины. Определяем количество лент:
Определяем число нитей в каждой ленте:
Определяем количество повторений раппорта на всех лентах:
Определяем количество повторений раппорта в одной ленте:
Число нитей в каждой ленте:
Количество лент:
Технологическая схема партионной сновальной машины СП-140.
Процесс перематывания.
Н Для перематывания пряжи с мотка 2 его натягивают на специальный держатель 1. Функцию натяжного устройства выполняет груз 11, который с помощью хомутика надет на ступицу мотовила. В процессе перематывания пряжи моток вращается вместе с мотовилом. Нить с мотка огибает пруток 8, проходит контрольно-очистительный прибор, нитеводитель и наматывается на мотальную паковку 10. Пруток 5 является баллоноограничителем и предназначен для улучшения условий сматывания нити с прядильного початка. Натяжной прибор создает необходимое натяжение нити в зоне наматывания. Контрольно-очистительный прибор контролирует пряжу по толщине и очищает её от сора и пуха. Нитеводитель сообщает нити возвратно-поступательное движение вдоль оси мотальной паковки. Мотальная паковка получает принудительное вращательное движение и вследствие этого наматывает на себя нить. Мотальная машина М-150-2. Все механизмы приводятся в движение от двух электродвигателей 1 мощностью 4,0 кВт каждый и среднего электродвигателя 2 мощностью 0,6 кВт. Электродвигатели 1 приводят в движение мотальные валы 4 и мотальные барабанчики 6, а электродвигатель 2 – эксцентриковые валы 8 для механизма электропрерывателя, ленточный транспортер 5 для доставки освободившихся от пряжи пустых патронов в ящики. Кулачковая муфта 7 служит для выключения механизма самоостанова и мотальных барабанчиков 6 при проведении чистки и обмашки одной стороны машины. Частоту вращения мотальных барабанчиков 6 можно изменить с помощью вариатора скорости 3 и проконтролировать тахометром, который установлен сбоку машины. Расчёт мотальной машины М-150-2. Определяем натяжение при перематывании (8-10% от разрывной нагрузки):
Определяем диаметр контрольно-очистительной шпули для х/б пряжи, если линейная плотность Т=32 текс.
где
Кинематическая схема мотальной машины М-150-2.
Мотальный автомат АМК-150-3. В состав мотальной головки 1 входит мотальный барабанчик 23, получающий движение от индивидуального электродвигателя 20 с помощью клиноременной передачи 30. Диаметр мотального барабанчика у малого торца бобины 90 мм, у большого 100 мм, длина 173 мм. Изменение линейной скорости перематывания осуществляется перестановкой ремня барабанчика в одно из четырех положений коробки передач привода. Нить 3, сматываясь с початка 2, проходит через баллоноограничитель 4, зажимное устройство 6, нитенатяжитель10, нитеочиститель 35 со шкалой 34, крючок 16 самоостанова при обрыве нити и наматывается мотальным барабанчиком 23 на бобину 24, находящуюся на бобинодержателе 28. Баллоноограничитель 4 служит для уменьшения натяжения нити при перематывании и количества слетов нити с початка 2. Расстояние между вершиной прядильного початка 2 и баллоноограничителем регулируется посредством передвижения его в пазах кронштейна 5 и устанавливается равным 70 мм. Зажимное устройство служит для предотвращения выпадания из баллоноограничителя 4 оборванного конца нити. При обрыве нити от крючка 16 самоостанова включается электромагнит 9 и своим сердечником притягивает плоскую пружину 8, которая перекрывает щель, прижимая нить к упору 7. Чёткость работы механизма зажима нити проверяют в подготовительных операциях перед пуском машины в работу. С этой целью включают главный выключатель силовой станции автомата и выключатель 33 на дверце 36 мотальной головки. Нитенатяжитель предназначен для регулирования натяжения нити в процессе перематывания и создания определенной плотности намотки пряжи на бобине. Натяжение движущейся нити создается за счёт воздействия подвижных пальцев 11, закрепленных на рычаге 43 нитенатяжителя, относительно неподвижных элементов нитенатяжителя 10. Натяжение нити регулируется смещением грузов 39 на рычаге 38. Для уменьшения колебаний подвижных пальцев 11 и снижения дополнительных динамических нагрузок на нить имеется масляный амортизатор, состоящий из цилиндра 42, заполненного маслом, поршня 41, укрепленного на штоке 40, и рычагов 37 и 43. Плотность намотки пряжи на бобине 24 зависит также от давления бобины на мотальный барабанчик 23. Силу прижима бобины можно регулировать двумя грузами 25 на бобинодержателе и положением конца пружины 17 на толкателе 18. Технологическая схема мотального автомата АМК-150-3.
Мотальный автомат Аутосук (ЧСФР). Каждая мотальная головка мотального Аутосук имеет магазин 3 для четырёх початков. При дорабатывании рабочий початок автоматически снимается с початкодержателя 1 и отправляется на конвейер, а из магазина 3 по направляющему лотку устанавливается запасной початок 2. Нить, сматываясь с початка, поступает в баллоноограничитель 4 пруткового типа. Баллоноограничитель устанавливается на расстоянии 35-40 мм от конца патрона, и его можно использовать при перематывании нитей с левой и правой круткой. Затем нить попадает в пред варительный чиститель 5, предназначенный для задержания слетов и больших прядильных пороков. Если эти пороки не устранить, то попадание их в контрольный прибор приведет к отказу автоматики при включении автоматического цикла. Разводка предварительного чистителя устанавливается равной 3-4 диаметрам нити. Далее нить попадает в гребенчатый нитенатяжитель 9, имеющий сменные грузовые шайбы, и контрольную щель 13 с метрической шкалой для установки необходимой разводки. Между предварительным чистителем 5 и нитенатяжителем имеются контрольная вилочка 6 для контроля наличия нити в нижней зоне автомата, сопло 7 подвижного отсоса для обнаружения, удержания и передачи оборванного конца нити с прядильного початка к узловязателю 8 и неподвижное сопло 11, улавливающее нить при ее обрыве в верхней зоне. Затем нить проходит между лезвиями ножниц 12 и через щуп 14, контролирующий наличие нити. В этой же зоне установлено сопло 10 неподвижного подсоса, удерживающее концы нитей, идущих от запасных прядильных початков, которые находятся в магазине. Для парафинирования твердым парафином пряжи, используемой в трикотажном производстве, установлен парафинер 15. Мотальным барабанчиком 16 пряжа наматывается на конический патрон, образуя бобину 19. Если на барабанчик 16 наматывается пряжа в виде жгута, то срезка его осуществляется ножом 17. Бобина удерживается приклоном 21, имеющим на передних концах два зажима. Приклон можно устанавливать под различным углом относительно оси О1 для установки цилиндрического или конусного патрона. При увеличении диаметра бобины приклон 21 поворачивается относительно оси О2 вверх и через тягу 23, стержень 26 перемещает поршень 28 в гидравлическом цилиндре 31. Приклон мотальной головки оснащен компенсирующим устройством, позволяющим поддерживать постоянную плотность намотки на бобине и состоящим из планки 22, двуплечего рычага 24, вращающегося на оси О3, крючка подвески 25, в которую ввернут регулировочный винт 27 с пружиной 30. Опытным путем определяют необходимое натяжение пружины, при котором плотность намотки соответствует заданной. Координация работы всех механизмов мотальной головки осуществляется с помощью 17 кулачков, закрепленных на кулачковом валу 34. Автоматическое отыскание конца нити на бобине 19 осуществляется за счет обратного (реверсивного) вращения бобины роликом 29 от главного вала 33 после торможения фрикционом мотального барабанчика 16, который приводится в движение клиноременной передачей от электродвигателя 32. Барабанчик совершает в обратном направлении 6-7 оборотов, что соответствует отмотанной длине нити 1-1,5 м. Одновременно соплом 18 пневмосистемы конец нити транспортируется к узловязателю 8 типа URA-4 – URA-7 (цифры 4 и 7 указывают длину в миллиметрах концов нитей в узле после связывания). Процесс связывания узла происходит за 230° поворота кулачкового вала, что по времени соответствует 4 с, а весь процесс образования узла совершается за 10,8-16,8 с в зависимости от места обрыва нити. Если обрыв нити произошел в верхней зоне контрольного прибора, конец улавливается соплом 11 и контрольная вилочка 6 не передает сигнала на смену початка. Сопло 10 удерживает нити с запасных початков, а подвижное сопло 7 подает нить в зону узловязателя в случае, если первая попытка связывания прошла неудачно. Если перематываемая нить оборвалась в нижней зоне или сработался початок, контрольная вилочка 6 действует на рычаг, который включает механизм смены початка. Початок соскальзывает с початкодержателя 1 и попадает на транспортер автомата, а полная паковка из магазина поступает на початкодержатель, и связывание возобновляется. Если при второй попытке узел не образуется, электродвигатель выключается и загорается сигнальная лампочка на панели управления автоматом. Тогда устранить неполадку нужно вручную, т.е. заправить нить, ввести ручкой 20 бобину 19 в соприкосновение с барабанчиком 16 и включить головку. Технологическая схема мотального автомата Аутосук (ЧСФР).
СПИСОК ЛИТЕРАТУРЫ
СНОВАНИЕ ШЛИХТОВАНИЕ ПЕРЕМАТЫВАНИЕ ПОДГОТОВКА УТОЧНЫХ НИТЕЙ МОСКОВСКИЙ ГОСУДАОСТВЕННЫЙ ТЕКСТИЛЬНЫЙ УНИВЕРСИТЕТ ИМ. А.Н.КОСЫГИНА Кафедра ткачества ОТЧЁТ ПО ПРАКТИКЕ Выполнил студент гр.: // Проверил: /Акимов Г.И./ МОСКВА 2002 г. Уточно-перемоточный автомат УА-300-3М. Нить сходит с бобины 1, установленной на 6обинодержателе, проходит через кольцо 8 баллоноограничителя, двухзонный шайбовый нитенатяжитель 7, глазок 2 сигнального крючка 3 механизма самоостанова при обрыве нити, глазок водка нитераскладчика 5 и наматывается на вращающуюся шпулю 4. Заправку можно проводить и следующим образом. После глазка 2 нить заправляется через дополнительный передний глазок 6, глазок водка нитераскладчика 5 и наматывается на шпулю 4. Такую заправку обычно используют при перематывании льняной, хлопчатобумажной и шерстяной пряжи от 50 текс и ниже. В автомате автоматизированы следующие операции: останов ведущего шпинделя при обрыве нити или при смене шпули, замена наработанного початка пустой шпулей с закреплением конца нити у её основания, отрезание нити, образование резервной намотки, включение и выключение мотального механизма при смене шпуль, подача пустых шпуль из бункера. Связывание концов нити при её обрыве, смена бобин, загрузка бункера пустыми шпулями выполняются вручную. Привод автомата осуществляется от индивидуального электродвигателя с раздельной передачей движения к мотальным головкам и к механизмам автоматики. Раскладка нити на шпуле осуществляется водковым нитераскладчиком, образующим крестовую намотку с дифференциальной раскладкой. Кинематическая схема автомата дает возможность в широких пределах регулировать диаметр намотки шпули, длину резервной намотки, скорость и натяжение нити, применять шпули различной длины. Технологическая схема уточно-перемоточного автомата УА-300-3М.
|
|||||||||||||||||||||||||||||||||||||||||||||||||||||||||||||||||||||||||||||||||||||||||||||||||||||||||||||||||||||||||||||||||||||||||||||||||||||||||||||||||||||||||||||||||||||||||||||||||||||||||||||||||||||||||||||||||||||||||||||||||||||||||||||||||||||||||||||||||||||||||||||||||||||||||||||||||||||||||||||||||||||||||||||||||||||||||||||||||||||||||||||||||||||||||||||||||||||||||||||||||||||||||||||||||||||||||||||||||||||||||||||||||||||||||||||||||||||||||||||||||||||||||||||||||||||||||||||||||||||||||||||||||||||||||||||||||||||||||||||||||||||||||||||||||||||||||||||||||||||||||||||||||||||||||||||||||||||||||||||||||||||||||||||||||||||||||||||||||||||||||||||||||||||||||||||||||||||||||||||||||||||||||||||||||||||||||||||||||||||||||||||||||||||||||||||||||||||||||||||||||||||||||||||||||||||||||||||||||||||||||||||||||||||||||||||||||||||||||||||||||||||||||||||||||||||||||||||||||||||||||||||||||||||||||||||||||||||||||||||||||||||||||||||||||||||||||||||||||||||||






мм,


а
шпуледержателе
7 установлен
прядильный
початок 6. Сматываемая
с початка нить
проходит
направляющий
пруток 5, натяжной
прибор 4,
контрольно-очистительный
прибор 3, нитеводитель
9 и наматывается
на мотальную
паковку 10.


