Реферат: Управление водродным компрессором, цех4 ЗАО Каустик
|
Название: Управление водродным компрессором, цех4 ЗАО Каустик Раздел: Рефераты по технологии Тип: реферат | ||||||||||||||||||||||||||||||||||||||||||||||||||||||||||||||||||||||||||||||||||||||||||||||||||||||||||||||||||||||||||||||||||||||||||||||||||||||||||||||||||||||||||||||||||||||||||||||||||||||||||||||||||||||||||||||||||||||||||||||||||||||||||||||||||||||||||||||||||||||||||||||||||||||||||
СОДЕРЖАНИЕ Введение 1 Литературный обзор 2 Техническая характеристика и расчетная часть 2.1 Описание режимов работы установки 2.2 Анализ недостатков существующей схемы управления 2.3 Требования к электроприводу и автоматики 2.4 Выбор рода тока и величины питающей сети 2.5 Выбор системы электропривода, методов, регулирования скорости и торможения 2.6 Расчёт мощности и выбор электродвигателя компрессора 2.7 Внесения изменения в схему управления компрессором 2.8 Проверочный расчёт выбранного электродвигателя по нагреву и перегрузке 2.9 Выбор аппарата защиты и автоматике, плавких вставок, нагревателей тепловых реле и автоматических выключателей, пускателей и трансформаторов 2.10 Выбор сечения проводов и питающих кабелей 2.11 Описание запроектированной схемы 2.12 Устройство и проверка заземления на установке 2.13 Расчёт электрического освещения методом коэффициента использования светового потока 2.14 Характеристика помещения и оценка зрительных работ 2.15 Выбор освещённости, системы освещения и источников света 2.16 Выбор типа светильников, их размещение и высота подвеса 2.17 Расчёт мощности и выбор ламп 2.18 Выбор схемы питания, типа осветительных щитков 2.19 Расчёт и выбор сечения питающей и распределительной сети 2.20 Аварийное освещение 2.21 Проверочный расчёт электрического освещения точечным методом 2.22 Составление сводной таблицы светотехнического расчёта 3 Организационно – технологическая часть 3.1 Организация ремонта электрооборудования 3.2 Система планово – предупредительного ремонта (ППР) и составление его графика 3.3 Подсчёт количества рабочих (ремонтников) для выполнения работ, предусмотренных графиком ППР 3.4 Описание технологии ремонта и расчет потребностей в основных ремонтных изделиях, материалах, инструменте для ремонта двигателя 4 Экономическая часть 4.1 Технико-экономический выбор варианта электропривода (электродвигателя) производственных механизмов 4.2 Смета на электрооборудования производственного механизма 4.3 Расчёт доходов на содержания и эксплуатацию электрооборудования 5 Охрана труда 5.1 Мероприятия по технике безопасности при монтаже (или эксплуатации) электрооборудования 5.2 Составления инструкций по эксплуатации электрооборудования водородного компрессора 5.3 Составление ведомости специального инвентаря и принадлежностей по технике безопасности при монтаже (или эксплуатации) электрооборудования 5.4 Противопожарные мероприятия 6 Заключение (вывод) 7 Литература
|
||||||||||||||||||||||||||||||||||||||||||||||||||||||||||||||||||||||||||||||||||||||||||||||||||||||||||||||||||||||||||||||||||||||||||||||||||||||||||||||||||||||||||||||||||||||||||||||||||||||||||||||||||||||||||||||||||||||||||||||||||||||||||||||||||||||||||||||||||||||||||||||||||||||||||
| Тип двигателя | Мощность, кВт | КПД, % | cosj | Iн , А | ||
| 4АЗМО – 630/60002УХЛ4 | 630 | 95,7 | 0,88 | 1 | 5,3 | 72 |
2.7 Внесение изменения в схему управления компрессором
Исходя из недостатков схемы управления изменить её можно поставив вместо масленого выключателя вакуумный. Так как, вакуумный выключатель имеет ряд таких достоинств, которых нет у масленого выключателя, это: малые размеры, в момент разрыва контактов не образуется электрическая дуга, малый ход подвижного контакта 5 – 6мм и другие.
2.8 Проверочный расчёт выбранного электродвигателя по нагреву и перегрузке
Для проверки электродвигателя по нагреву должно соблюдаться условие согласно /4, с.185/ по формуле
, (4)
где tmax – максимальная установившаяся температура превышения;
tдоп – допустимое превышение температуры для изоляции двигателя.
Допустимое превышение температуры tдоп , ° С, определили согласно /4, с.185/ по формуле
, (5)
где qдоп
– предельно
допустимое превышение температуры ,
электроизоляционных материалов применяемых при
изготовлении электрических машин, ° С;
q0 – температура окружающей среды, ° С.
Предельно допустимое превышение температуры электроизоляционных материалов применяемых при изготовлении электрических машин, приняли согласно /5, с.185, таблица 5.14/
qдоп =155° С.
Температуру окружающей среды, приняли
q0 =40° С,
.
Максимальную установившеюся температуры превышения определили согласно/4, с.185/ по формуле
, (6)
где DРт – мощность тепловых потерь, Вт
А – теплоотдача, Дж/(С×с).
Теплоотдачу определили согласно /4, с.184/ по формуле
, (7)
где С – теплоёмкость двигателя;
Тн – постоянная времени нагрева
Постоянную нагрева двигателя, приняли
Тн =2000с.
Мощность тепловых потерь определили согласно /4, с.184/ по формуле
, (8)
где Рном – номинальная мощность электродвигателя, кВт;
h - КПД электродвигателя.
Коэффициент полезного дей
ствия электродвигатели приняли
h=0,91,
.
Теплоёмкость двигателя определили согласно /5,с.127/ по формуле
, (9)
где Q – количество теплоты, Дж;
Т1 – температура двигателя перед работой, К;
Т2 – конечная температура двигателя, К.
Температуру двигателя перед работой приняли равной
Т1 =313К.
Конечную температуру двигателя приняли равной
Т2 =338К.
Количество теплоты определили согласно /5, с.127/ по формуле
, (10)
где m – масса двигателя, кг;
с – удельная теплоёмкость, Дж/кг×К.
Массу двигателя взяли равной
m=2660кг.
Удельную теплоёмкость, с изоляцией F, для стали взяли равной
с=460Дж/кг×К,
,
,
,
,
tдоп =115>81,1=tmax .
2.9 Выбор аппаратов з
ащиты и автоматики, плавких вставок, нагревателей тепловых реле и автоматических выключателей, пускателей и трансформаторов
Автоматические выключатели обеспечивают одновременно функции коммутаций силовых цепей и защиты электроприёмника, а также, от перегрузки и коротких замыканий. Аппараты имеют тепловой расцепитель и, как правило, электродинамический расцепитель. Автоматы, как правило, снабжаются дугогасящими устройствами в виде фибровых пластин либо дугогасящих камер. Автоматы используются для коммутации и защиты цепей электроустановок различного назначения. Они устанавливаются в шкафах отходящих линий комплектных трансформаторных подстанций. Автоматы выпускают на переменные напряжения от 220 до 660В и постоянные – от 110 до 440В с ручным и электродвигательным приводом.
Автоматы выбирают по их номинальному току. Уставки токов расцепителей определяют по следующим соотношениям:
Для силовых одиночных электроприёмников:
Ток уставки теплового расцепителя IТ , А определили согласно /3, с 140/
, (11)
где Imax – расчётная максимальная токовая нагрузка, А.
Расчётную максимальную токовую нагрузку определили согласно /5, с 168/
(12)
где Рmax – расчётная максимальная нагрузка, кВт;
Uнл
– минимальное линей
ное напряжение, В;
сos j - коэффициент мощности нагрузки.
Коэффициент мощности нагрузки принимаем согласно /3, с 168/
cosj=0,85,
,
,
.
Масляные выключатели предназначены для включений и отключений высоковольтных сетей под нагрузкой, а также при коротких замыканиях в высоковольтных сетях и электроприёмниках. Разрыв цепи и гашение дуги в этих выключателях происходит в масле.
Масляный выключатель выбрали согласно /3, с 158, таблица 10,1/ ВМЭ-6-200-4.
Таблица 2 – Техническая характеристика масленого выключателя.
| Тип выключателя | Номинальное напряжение, кВ | Номинальный ток, А | 4 – секундная термическая стойкость, кА | Номинальный ток отключения, кА | Тип привода |
| ВМЗ-6-200-4 | 6 | 200 | 4 | 4 | ПМ-300 |
Для цепей управления автоматический выключатель выбрали согласно /7, с 148, таблица 30.6/ марки АП-50 на напряжение 220В двухполюсный с номинальным током 50А.
Контакторы переменного и постоянного тока являются коммутационными аппаратами с самовозвратом. В контакторах не предусмотрены защиты, присущие автоматам. Контакторы обеспечивают большое число включений и отключений при дистанционном управлении ими. Контакторы имеют главные (силовые) контакты и вспомогательные или блок – контакты, предназначенные для организации цепей управления и блокировки. Контактор выбрали на постоянное напряжение 220В марки согласно /3, с143, таблица 9.2.2/ КП1на номинальный ток 20А.
2.10 Выбор сечения проводов питающих кабелей
Сечение проводов и кабелей выбирается с учётом следующих требований:
1) провода, кабели не должны наг
реваться сверх допустимой температуры при протекании по ним расчётного тока нагрузки;
2) отклонение напряжения на зажимах электроприёмников не должно превышать -2,5+5% для осветительной нагрузки и ±5% для силовой;
3) провода и кабели должны обладать достаточной для данного вида сети механической прочностью;
4) отклонения напряжения из-за кратковременного отклонения нагрузки должны соответствовать значениям, установленным ГОСТ 13109-67;
5) аппараты защиты должны обеспечивать защиту всех участков сети от коротких замыканий;
6) для некоторых видов сетей выбор сечения проводов осуществляется по
экономической плотности тока.
Кабель выбрали согласно /10, с 35, таблица.1.3.20/ марки СБГ сечением 95мм2 с длительно допустимым током 210А.
Кабель проверяли согласно /3, с 168/ с учётом выбранного масляного выключателя. Перегрева кабеля не произойдет, если выполняется условие
,
,
1,05³1.
Перегрева двигателя не произойдёт.
2.11 Описание запроектированной схемы управления
Электродвигатель компрессора включается масленым выключателем ВМП - 10, с дистанционного пульта управления, с операторной, и местного пульта, не посредственно кнопкой у компрессора.
Масленый выключатель включается двумя соленоидами: включения YA1 и отключается YA2.
Чтобы подготовить цепи управления к работе, необходимо подать на них напряжение, включением автоматических
выключателей SF1 и SF2. В цепях управления установлен переключать SA1, который позволяет управлять электродвигателем компрессора, как дистанционно, так и с местного пульта управления. Если переключатель SA1 стоит в положении «дистанционно», то при нажатии на кнопку SB4, тем самым мы подаём напряжение на катушку контактора КМ1 (контакт КИП К25:1 при нормальной работе замкнут). Он при этом срабатывает и замыкаются вспомогательные контакты КМ1 и соленоид YA1 включается, нормально – замкнутые контакты Q при этом размыкаются, а нормально – разомкнутые контакты Q замыкаются и электродвигатель компрессора включается. Одновременно с замыканием контактов Q, масленого выключателя, в цепях сигнализации загорается лампа HL2, красного цвета, которая сигнализирует о том, что электродвигатель запущен. Таким же образом можно запустить электродвигатель компрессора с местного пульта управления кнопкой SB1:2 предварительно передвинув подвижный контакт переключателя SA1 в положение «местное управление».
Остановить компрессор как дистанционно, так и с местного пульта управления. В дистанционном режиме электродвигатель компрессора останавливают нажатием на кнопку SB1, тем самым мы подаём на соленоид отключения YA2 напряжение. Он отключается и размыкает контакты Q и электродвигатель останавливается. Одновременно с размыкание контактов Q, в цепях управления, в цепях сигнализации контакт Q также размыкается и загорается лампа HL1, зелёного цвета, которая будет сигнализировать о остановке электродвигателя компрессора. Таким же образом можно остановить электродвигатель компрессора с местного щита управления, нажатием кнопки SB2:2.
В водородном компрессоре предусмотренные следующие виды защит: максимальная токовая защита, от минимального напряжения, максимальная токовая защита с выдержкой времени (защита от перегрузки), защита от замыкания на землю.
Максимальная токовая защита:
При возрастание тока на одной из фаз А или С в
ключается контакт токового реле КА1 или КА2 и через катушку указательного реле КН1, напряжение пойдёт на соленоид YA2, масленого выключателя, который отключит его. Одновременно с отключение масленого выключателя в цепях сигнализации замкнётся вспомогательный контакт указательного реле КН1, при этом загорится лампа HL3 и на указательном реле выпадет блинке, который будет указывать о неисправности.
Защита от минимального напряжения:
При падении напряжение в сети, катушка KL3 промежуточного реле, замкнёт в цепях управления контакт KL3, который в свою очередь, через контакт Q масленого выключателя, отключит соленоид YA2 и электродвигатель компрессора остановится.
Максимальная токовая защита с выдержкой времени (защита от перегрузок):
При замыкание одного из контактов КА1 или КА2, напряжение пойдёт через катушку указательного реле КН2 на катушку промежуточного реле КL1, которая в свою очередь замкнёт контакт KL1 и отключит соленоид YA2, следовательно электродвигатель компрессора отключится от сети. При этом в цепях сигнализации загорится лампа HL3, через контакт КН2. Она будет сигнализировать о остановке электродвигателя.
Защита от замыканий на землю:
При замыкание на землю катушка токового реле КА3 получит питание от трансформатора тока ТА3, тем самым замкнётся контакт КА3 этого реле, который подаст напряжение на катушку промежуточного реле KL1, через катушку указательного реле КН3 и замкнётся контакт KL1, который отключит соленоид YA2 и масленый выключатель. Электр
одвигатель компрессора начнёт останавливаться. В цепях сигнализации загорится лампа HL3, через контакт КН3.
Кроме этого, в схеме предусмотрено отключение электродвигателя компрессора по технологическим параметрам: минимальное давление водорода на всасе компрессора, превышения уровня вибрации роторов, максимальная температура подшипников компрессора, редуктора, электродвигателя, минимальное давления масла в маслосистеме, максимальная температура водорода на нагнетании компрессора, снижение давления наддува электродвигателя.
2.12 Устройство и проверка заземления на установке
Для обеспечения безопасности к металлическим частям электрооборудования станков, машин. Конструкций и другие, по которым нормально не протекает электрический ток, указанные части согласно ПУЭ, должны быть заземлены.
Заземлению подлежат электрооборудования, приводы аппаратов, вторичные обмотки измерительных трансформаторов, каркасы электроконструкци и металлические кабельные конструкций.
В электроустановках с напряжением выше 1000В, с малыми токами замыкания на землю, если заземляющее устройство одновременно используется и для установок напряжением до 1000В, сопротивление его в любое время года должно быть
, (13)
где 125В – допустимое по условиям безопасности напряжение на
заземлителях;
Iз – расчётный ток замыканий на землю, А.
.
В качестве естественных заземлителей применяются водопроводные трубы и свинцовые оболочки кабелей.
При нескольких кабелях в траншеях сопротивление растекания
Rк
, Ом, определили согласно /9, с.337/ по формуле
, (14)
где R1 – сопротивление оболочки одного кабеля, Ом;
n – число кабелей.
Сопротивление одного кабеля приняли согласно /9, с.336 таблица 10-1/
R1 =1,5Ом,
.
Получилось, что сопротивление растекания тока естественного больше необходимой величины сопротивления заземляющего устройства, установленного ПУЭ, то следует воспользоваться искусственными заземлителями, в виде труб и уголков.
Выбирали в качестве искусственного трубу диаметром 2¢¢ (50,8мм), длиной 2,5м, забитых на глубину 0,7м от поверхности земли.
Сопротивление искусственного заземлителя Rи , Ом, определили согласно /9, с.337/ по формуле
, (15)
где Rк – сопротивление растекания, Ом.
.
Сопротивление одиночного стержня определили согласно /9, с.337/ по формуле
, (16)
где r - удельное сопротивление грунта, Ом×см;
Кс – коэффициент сезонности.
Удельное сопротивление грунта приняли согласно /9, с.336/
Кс =2×104 .
Коэффициент сезонности приняли согласно /9, с.337/
.
По всему периметру помещения получи
лось 16 заземлителей.
Сопротивление стрежневых заземлителей Rс , Ом, определили согласно /9, с.338/ по формуле
, (17)
гдеRс1 – сопротивление одиночного стержневого заземлителя, Ом;
hc – коэффициент использования для стержневых заземлителей.
Коэффициент использования для стержневых заземлителей приняли согласно /9, с. 337/.hc =0,64
.
Так как 8,2>0,375 проверяли сопротивление протяженных заземлителей Rп , Ом, согласно /9, с.337/ по формуле
, (18)
где l – длина трубы, м;
t – глубина заложения трубы, м;
в – наружный диаметр трубы, мм.
.
Сопротивление вертикальных и горизонтальных заземлителей R, Ом, определили согласно /9, с.337/ по формуле
, (19)
.
Выбранные системы заземления удовлетворяют условиям описанные в данном разделе.
2.13 Расчёт электрического освещения методом коэффициента использования светового потока
Светотехнический расчет заключается в
следующем: выбор типа светильника, высоты его подвеса, размещение светильников по помещению, определение светового потока, мощности лампы и осветительной установки. Светотехнический расчёт производится несколькими методами: методом коэффициента использования, методом удельной мощности и точечным методом.
Метод использования светового потока применяется для расчёта общего равномерного освещения горизонтальных поверхностей.
Для определения коэффициента использования оцениваются коэффициенты отражения поверхностей помещения согласно /10, с. 125, таблица 12.5/
Коэффициент отражения от потолка приняли
rп =70%.
Коэффициент отражения от стен приняли
rп =50%.
Коэффициент отражения от рабочей поверхности приняли
rп =30%
Индекс помещения определили согласно /10, с.330/ по формуле
, (20)
где А – длина помещения, м;
В – ширина помещения, м.
.
2.14 Характеристика помещения, оценка зрительных работ
Тип помещения – водородное отделение цеха №4 ЗАО «Каустик».
Условия среды – взрывоопасное.
Размеры помещения – А=54м, В=24м, Н=7м.
В помещение водородного отделени
я зрительная работа связана с общим наблюдением за ходом технологического процесса, выполнение ремонтно-наладочных работ. Принимаем что фон в помещении светлый, контраст объекта с фоном средний. По /10, с.87, таблица 4.1/ выбираем плоскость нормирования освещенности Г; номинальная освещенность 75Лк; показатель ослеплённости не более 60%; коэффициент пульсации не более 20%; высота рабочей поверхности 0,8м.
Технологическе оборудование расположено равномерно по площади помещения. Выбираем равномерную общую систему освещения.
Учитывая, что в помещении выполняются зрительная работа средней точности, различение цветов не требуется и высота более 6м, принимаем в качестве источника света лампу ДРЛ.
2.15 Выбор освещённости, системы освещения и источника света
В настоящее время действует СНиП 25-05-95 «Естественное и искусственное освещение». Эти нормы охватывают естественное и искусственное освещение промышленных предприятий, работ на открытом воздухе и др. Нормы промышленного освещения построены на основе классификации работ по определённым количественным признакам.
Таблица 3 – Наименование освещённости на рабочих поверхностях в производственном помещении.
| Характеристика зрительной работы | Размер объекта | Разряд работы | Подразряд работы | Контраст объекта с фоном | Фон | Освещённость Е, Лк |
| Средней точности | От 0,3 до 0,5 | III | Г | Средний | Светлый | 75 |
Систему освещения выбираем – общую равномерную.
2.16 Выбор типа светильников, их размещение и высоте подвеса
С учётом требований к светораспределению, условиям среды, экономичности по /11, с.240, таблица 12.3/ выбираем
светильник РСП05.
Таблица 4 – Основные данные светильника.
| Тип светильника | Мощность лампы, Вт | Степень защиты | Светораспределение | КПД, % | Способ установки |
| РСП05 | 400 | IP54 | Д | 65 | На крюк |
От правильности выбора светильников зависит экономичность освещения, его качество.
Высота подвеса – это есть расстояние от рабочей поверхности до центра источника света.
Высоту подвеса светильника над рабочей поверхностью h, м определили согласно /10, с.330/ по формуле
, (20)
где Н – высота помещения, м;
hс – свес, т.е. расстояние от потолка, м;
hр – высота рабочей поверхности от пола, м.
Высоту свеса светильника приняли
hс =1м.
Высоту рабочей поверхности от пола приняли
hр =0,8м,
.
Расстояние между светильниками L, м определили согласно /10, с.330/ по формуле
, (21)
где l - наивыгоднейшее отношение расстояний между светильниками и рас чётной высоте подвеса све
тильника.
Наивыгоднейшее отношение расстояний между светильниками и рас чётной высоте подвеса светильника приняли
l=1,4 – 1,8,
.
Расстояние между светильниками приняли
L=8м.
Наибольшая равномерность освещения имеет место при размещении светильников по углам квадрата. Поэтому принимаем такое размещение светильников в производственном помещении.
Расстояние
, м, от стен до крайнего ряда светильников определили согласно /10, с.330/ по формуле
, (22)
.
Расстояние от стен до крайнего ряда светильников приняли
l=3м.
Количество светильников по длине помещения па ,шт, определили согласно /10, с.330/ по формуле
, (23)
где А – длина помещения, м;
.
Количество светильников по ширине помещения пb шт определили согласно /10, с.330/ по формуле
, (24)
где В – ширина помещения, м;
.
Общее количество светильников шт в
помещении определили согласно /10, с.330/ по формуле
, (25)
.
2.17 Расчёт мощности и выбор ламп
По /10, с.130, таблица 5.55/ находим коэффициент использования светового потока.
Коэффициент использования светового потока приняли
.
Световой поток одной лампы Фрасч , Лм, определили согласно /10, с.330/ по формуле
, (26)
где Е – нормируемая освещённость цеха;
kз - коэффициент запаса, для открытого пространства 1,3;
S – освещаемая площадь, м2 ;
z – поправочный коэффициент, учитывающий неравномерность освещаемой поверхности
Поправочный коэффициент, учитывающий неравномерность освещаемой поверхности приняли
z=1,15.
Освещённость принимаем согласно /10, с.103/
Е=75Лк,
.
По световому потоку выбираем лампу, поток которой не отличается от расчётного потока более чем на минус 10 ¸ плюс 20 процентов. Данные занесли в таблицу.
Таблица 5 – Технические данные лампы ДРЛ
| Тип лампы | Мощность Вт | Напряжение сети, В | Срок службы, ч | Световой поток, Лм |
Длина мм | Диаметр мм |
| ДРЛ400 | 400 | 220 | 10000 | 23500 | 152 | 368 |
Фактическую освещённость определили со
гласно /10, с.330/ по формуле
, (27)
где ФЛ – световой поток одной лампы, Лм;
.
Мощность осветительной установки определили согласно /10, с.332/ по формуле
, (28)
где N – количество ламп, шт;
РЛ – мощность одной лампы, Вт;
.
2.18 Выбор схемы питания, типа осветительных щитков
Все светильники распределили 3 группы. В каждой группе – 7 ламп мощностью 400Вт, и мощность группы 2,8кВт.
По количеству групп выбрали щиток освещения. Данные занесли в таблицу.
Таблица 6 – Данные щитка освещения
| Тип щитка | Тип вводного автомата | Тип линейных автоматов | Количество линейных автоматов | Степень защиты | Способ установки |
| ЩО41-5102 | А3110 | АЕ2443 | 6 | IP54 | На стене |
Рабочий ток групповой линии определили по формуле
, (29)
где, N – количество ламп в одной групповой линии, шт;
РЛ – мощность лампы, Вт;
UС – напряжение сети, В.
.
Линейный автомат выбирали /3, с.142/, на номинальный ток 25А.
Согласно /10, с.201/ определили ток уставки Iуст , А, расцепителя автомата групповой линии
, (30)
где Iр
– рабочий ток групповой л
инии, А.
.
Вводной автомат выбирали по /3, с.142/, на номинальный ток 25А.
Определили место расположения щитка освещения
Щиток освещения, от которого начинаются групповые осветительные сети, располагается в помещении, удобном для обслуживания и с нормальными условиями среды.
Помещение взрывоопасное, щиток освещения расположен в коридоре, перед входом.

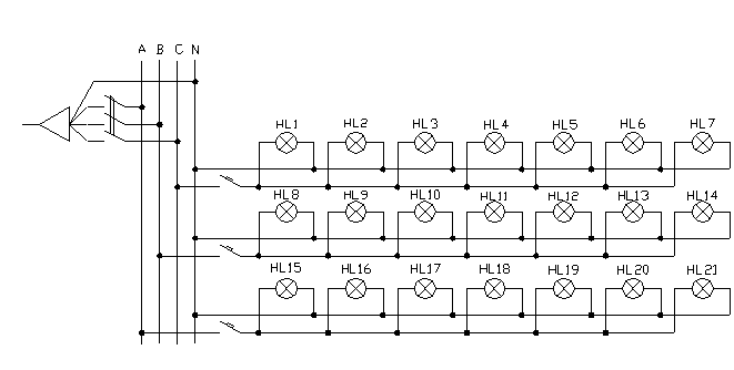
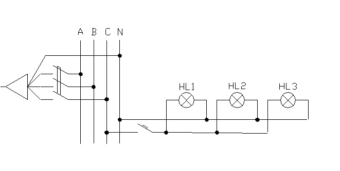
Рисунок 1 – Схема подключения ламп к щитку рабочего освещения

Рисунок 2 – Схема подключения
ламп к щитку аварийного освещения

Рисунок 3 – Схема расположения освещения и щитков
2.19 Расчёт и выбор сечений питающей и распределительной сети
Момент нагрузки М1 , кВт×м, определили согласно /10, с.330/ по формуле
, (31)
где Рл1 – мощность групповой линии, кВт;
L1 – длина кабеля, м.
.
Сечение провода Sрасч1
, мм2
, опр
еделили согласно /10, с.330/ по формуле
, (32)
где С – коэффициент для двухпровдной линии;
DU – подение напряжения в группой линии, %.
Коэффициент для двухпровдной линии приняли
С=12,5.
Подение напряжения в группой линии приняли
DU=2,5
.
После расчёта подения напряжения в групповой линии выбрали провод ПРТО 4
2мм2
с допустимым током 50А согласно /10, с.292, таблица 11.1/.
Проверку на нормируемое отношение между допустимм током проводника и номинальным током аппарата защиты осуществили по /10, с.280, таблица 10.2/
, (33)
где Iд – допустимый ток, А;
Iз – номинальный ток аппарата защиты, А.
,
Необходимое условие выполняется, перегрева кабеля не произойдёт.
Длину кабеля от щита освещения к распределительному пункту цеха приняли
L2 =25м.
Момент нагрузки М2 , кВт×м, определили согласно /10, с.331/ по формуле
, (34)
где Росв
– мощность осветительн
ой установки, кВт;
Ргр – мощность групповой линии, кВт.
.
Необходимое сечение Sрасч2 , мм2 , определили согласно /10, с.331/ по формуле
, (35)
Коэффициент для четырёх проводной линии приняли
С=77,
![]()
Кабель для запитки щита освещения от распределительного пункта цеха выбрали марки ВРГ 6
4мм2
с допустимым током 38А.
Проверку на нормируемое отношение между допустимым током проводника и номинальным током аппарата защиты осуществили по формуле /33/
![]()
Необходимое условие выполняется, перегрева кабеля не произойдёт.
2.20 Аварийное освещение
Освещенность от источников аварийного освещения определили согласно /10, с.331/ по формуле
, (36)
где Ен – нормируемая освещённость по цеху, Лк.
.
Необхомый световой поток определили согласно /10, с.333/ по формуле
, (37)
где S – пощадь помещения, м2 .
![]()
Таблица 7 – Технические характеристика лампы накаливания.

| Мощность, Вт | Тип лампы | Напряжение, В | Световой поток, Лм | Срок службы, ч | Длина, мм | Диаметр, мм |
| 200 | Г | 220 | 2800 | 1000 | 81 | 175 |
Необходимое количество ламп nав определили согласно /10, с.333/ по формуле
, (38)
где Фл – световой поток лампы, Лм.
.
К установке прииняли 3 лампы. Лампы подключения через щиток аварийного освещения запитанный от другого ввода, чем общее освещение.
По /10,с.314, таблице 11.17/ выбрали щиток аварийного освещения
Таблица 8 – Данные щитка аварийного освещения.
| Тип щитка | Тип вводного автомата | Тип линейного автомата | Количество автоматов | Степень зашиты | Способ установки |
| ЩО31-21 | А3114 | АЕ-1031-11 | 6 | IP54 | На стене |
Необходимый ток уставки автомата Iуст , А, определили согласно /10, с.333/ по формуле
, (39)
![]()
По расчётному току уставки выбрали автомат с комбинированным расцеителем с Iуст =6А.
Необходимое сечение аварийной групповой сети определили согласно /10, с.333/ по формуле
, (40)
Момент нагрузки М3
, кВт×м, определи
ли согласно /10, с.333/ по формуле
, (41)
где Рав – мощность аварийного освещения, кВт.
Длину от щита аварийного освещения до последней лампы приняли
L=30м,
,
.
По /10, с.292, таблице 11.1/ выбрали двухжильный провод ПРТО с Sн =1,5мм2 .
2.21 Проверочный расчёт электрического освещения точечным методом
Наметили на плане расположения светильников контрольные точки:
А – с оптимальными условиями освещения;
В – с худшими условиями освещения.
Произвели измерения расстояний от контрольных точек до ближайших светильников (d).
По кривым пространственных изолюкс для выбранного светильника согласно /10, рис. 6-1 – 6-33, стр.177-192/ в зависимости от h и в определили условную освещённость, создаваемую каждым светильником в контрольной точке. Результаты занесли в таблицу.
Таблица 9 – Условная освещённость в контрольной точке
| Точка | Номер светильника | d, м | Условная освещённость | |
| Одного светильника | Всех светильников | |||
| 1 | 2 | 3 | 4 | 5 |
Продолжение таблиц
ы 9
| 1 | 2 | 3 | 4 | 5 | |
| А | 2;3;9;10 12;9 |
6 12;9 |
1,5 0,15 |
6 0,15 |
|
| Sе=6,15 | |||||
| В | 5;6 12;13 |
3,9 9,3 |
3 0,5 |
6 1 |
|
| Sе=7 | |||||
Рисунок 4 – Схема расположения точек А и В для расчёт точечным методом
Для точки с наименьшей освещённостью определили фактическую освещённость
, (42)
где m - коэффициент учёта освещённости от удалённых светильников;
Коэффициент учёта освещённости от удалённых светильников приняли
m=1,0
.
Освещённость в точки с худшими условиями превышает нормируемую освещённость.
2.22 Составление сводной таблицы светотехнич
еского расчёта
Таблица 10 – Сводная таблица светотехнического расчёта
| Наименование объекта | Водородное отделение |
| Размеры помещения | Длина=54м Ширина=28м Высота-Н=7м |
| Площадь | 1296м2 |
| Среды | Взрывоопасная |
| Нормируемая освещенность | 75Лк |
| Система освещения | Общая равномерная |
| Высота подвеса | 1м |
| Тип светильника | РСП05 |
| Тип лампы | ДРЛ400 |
| Количество светильников | 21шт. |
| Количество ламп | 21шт. |
| Щиток рабочего освещения | ЩО41-5102 |
| Щиток аварийного освещения | ЩО31-21 |
| Автоматический выключатель на вводе в щит ЩО41 | А3110 |
| Автоматический выключатель на групповой линии щита ЩО41 | АЕ2443 |
| Провод | 40м |
| Кабель | 25м |
3 ОРГАНИЗАЦИОННО – ТЕХНОЛОГИЧЕСКАЯ ЧАСТЬ
3.1 Организация ремонта электрооборудования
На предприятиях применяют централизованную, децентрализованную или смешанную систему организации ремонта.
При централизованной системе ремонт электрооборудования выполняют специализированные ремонтные службы, подчиненные главному энергетику предприятия. Обслуживание работающего электрооборудования, уход за ним и мелкий ремонт выполняет персонал, подчиненный также главному энергетику или начальникам соответствующих производственных подразделений (цехов, пролетов, участков).
Децентрализованная система характерна отсутствием специальных ремонтных служб. Все ремонтные работы выполняет персомиктроремонтных мастерских или бригад, находящихся в административном подчинении у начальников производственных подразделений, а в оперативно-техническом подчинении — у главного энергетика предприятий.
Смешанная система организации ремонта электрооборудования отличается тем, что в производственных подразделениях имеются не только свои электроремонтные мастерские и бригады, выполняющие небольшие по объему и сложности ремонтные работы, но и специализированные ремонтные службы, выполняющие большие по объему и сложности работы. Для крупных промышленный предприятии с мощным электрохозяйством наиболее приемлемой, прогрессивной и экономически выгодной является централизованная система ППР электрооборудования.
Положением о ППР электрооборудования промышленных предприятий ряда отраслей промышленности предусмотрено выполнение нескольких видов ремонтов (текущего и капитального, среднего и капитального или текущего, среднего и капитального). Наиболее прогрессивной системой является выполнение для большей части электрооборудования, двух видов ремонта – текущего и капитального.
При текущем ремонте заменяют небольшие детали, устраняют мелкие дефекты, регулируют механизмы электрооборудования и обеспечивают его нормальную работу. До очередного планового ремонта. К текущему ремонту относятся такие работы, как: чистка электрооборудования, восстановление небольших участков повреждений изоляции обмоток электрических машин, перезарядка предохранителей с заменой плавкой вставки, обработка обгоревших контактов аппаратов, промывка подшипников электродвигателей, смена, износившихся щеток, подтягивание креплений электрооборудования, и т. п. В процессе выполнения текущих ремонтов проверяют состояние изоляции обмоток электрических машин и электромагнитов, отключающих аппаратов, а также производят различные профилактические испытания с целью выявления и своевременного устранения имеющихся неисправностей в электрооборудовании. Текущие ремонты выполняют, как правило, без разборки электрооборудования, используя кратковременные остановки производственного оборудования.
При капитальном ремонте восстанавливают или заменяют отдельные базисные части и детали электрооборудования. К капитальному ремонту относят, например, перемотку роторной или статорной обмотки электродвигателей, перезаливку подшипников скольжения электродвигателя и т. п.
3.2 Система планово – предупредительного ремонта и составление его графика
На промышленных предприятиях эксплуатацию электроустановок осуществляют в основном на базе системы ППР. Сущность системы ППР заключается в том, что помимо повседневного ухода за электроустановками их через определённый промежуток времени подвергают периодическим осмотрам, проверкам, испытаниям и различным видам ремонта.
3.3 Подсчёт количества рабочих (ремонтников) для выполнения работ, предусмотренных графиком ППР
По данным ЗАО «Каустик» ремонты
- внутренний осмотр ТО-1
- ежемесячный осмотр ТО-2
- полугодовой осмотр ТО-3
Трудозатраты на проведение технических осмотров составляют:
ТО-1 – 29,06 чел/час;
ТО-2 – 58,11 чел/час;
ТО-3 – 87,17 чел/час.
Для водородного компрессора в течение года
ТО-1 проводиться 12 раз;
ТО-2 проводиться 10 раз;
ТО-3 проводиться 2 раза.
Трудозатраты на водородный компрессор за годовой период определили по формуле
, (43)
где Т1 – трудозатраты на проведение ТО-1, чел/час;
Т2 - трудозатраты на проведение ТО-2, чел/час;
Т3 - трудозатраты на проведение ТО-3, чел/час.
Водородное отделение цеха №4 ЗАО «Каустик» состоит из 2 компрессоров одинаковой мощности. Количество трудозатрат на обслуживание водородного отделения определили по формуле
, (44)
где n – количество обслуживаемых компрессоров, шт.
![]()
Для подсчёта количества электромехаников по обслуживанию компрессоров максимально возможный фонд рабочего времени приняли 214 дней. Учитывая, что цех является вредным производством, продолжительность смены 6 часов, при пятисменном графике.
Списочную численность рабочих определили по формуле
(45)
где Т – трудозатраты на обслуживание всего участка цеха, чел/час;
Fм – максимально возможный фонд рабочего времени, час;
Тсм – продолжительность смены, час.
![]()
Для работ предусмотренных графиком ППР приняли 2 (человека) электромеханика.
3.4 Описание технологии ремонта и расчёт потребностей в основных ремонтных изделиях, материалах, инструменте для ремонта двигателя.
Обмотки статоров. Изготовление обмотки статора начинают с заготовки отдельных катушек на шаблоне. Для правильного выбора размера шаблона необходимо знать основные размеры катушек, главным образом размеры их прямолинейной и лобовой частей.
Длину прямолинейной части катушки определить нетрудно, более ложным является определение точной длины лобовой части, зависящей не только от шага обмотки, но и от конструкции ремонтируемой машины.
Размеры катушек обмотки ремонтируемых машин могут быть определены замером старой обмотки. Однако при этом способе не всегда удается получить точные данные, а в случае сильного повреждения и тем более полного отсутствия обмотки он вообще неприменим.
Уточнение размеров вылета лобовых частей пробной катушки по месту необходимо для обеспечения минимально допустимого зазора между лобовыми частями новой обмотки и подшипниковыми щитами ремонтируемой, машины. Это следует делать до пропитки и сушки обмотки. Попытка изменить подбивкой величину вылета лобовых частей уже пропитанной и высушенной обмотки в аксиальном или радиальном направлении недопустима, так как это приведет к нарушению монолитности обмотки и повреждению ее изоляции.
Катушки всыпных обмоток наматывают на простых или универсальных шаблонах с ручным или механическим приводом.
Для ручной намотки катушек на шаблоне предварительно разводят обе части колодок шаблона на расстояние, определяемое размерами обмотки, и закрепляют их в вырезах диска, насажанного на вал. Один конец обмоточного провода закрепляют на шаблоне и, вращая рукоятку, наматывают требуемое число витков катушки.
Число витков в намотанной катушке показывает счетчик, установленный на раме станка и связанный с валом. Окончив намотку одной катушки, переносят провод в соседний вырез шаблона и наматывают следующую катушку. Катушки желательно наматывать из одного отрезка медного провода диаметром 1,81мм (не более) или алюминиевого диаметром 2,26мм (не более): применение проводов больших размеров усложнит их укладку в пазы, повредит собственную изоляцию и вылеты пазовых коробочек. При отсутствии проводов, требуемых диаметров катушки наматывают двумя параллельными проводами, эквивалентными требуемому по суммарному сечению.
Не рекомендуется применять более трех параллельных проводов во избежание их перекрещивания и повреждения изоляции при уплотнении катушки в пазу. Возможность замены проводов должна быть проверена расчетом.
Ручная намотка катушек на простом шаблоне требует больших затрат труда и времени. Чтобы ускорить процесс намотки, а также уменьшить число паек и соединений, применяют механизированную намотку катушек на станках со специальными шарнирными шаблонами, позволяющими последовательно наматывать все катушки, приходящиеся на одну катушечную группу или на всю фазу.
Для намотки катушечной группы на шарнирном шаблоне с механическим приводом заводят конец провода в шаблон и включают станок. Намотав требуемое число витков, станок автоматически останавливается. Для съема намотанной катушечной группы станок оборудован пневматическим цилиндром, который через тягу, проходящую внутри полого шпинделя, действует на шарнирный механизм шаблона. При этом головки шаблона сдвигаются к центру, и освободившаяся катушечная группа легко снимается с шаблона.
Катушки двухслойной обмотки укладывают в пазы сердечника группами так, как они были намотаны на шаблоне. Укладку катушек производят следующим образом. Провода распределяют в один слой и вкладывают стороны катушек, прилегающие к пазу; другие стороны этих катушек оставляют не вложенными в пазы до тех пор, пока не будут вложены нижние стороны катушек во все пазы, охватываемые шагом обмотки. Следующие катушки укладывают одновременно с нижними и верхними сторонами. Между верхними и нижними сторонами катушек в пазах устанавливают изоляционные прокладки из электрокартона, согнутые в виде скобочки, а между лобовыми частями — из лакоткани или листов картона с наклеенными на них кусками лакоткани.
При выполнении обмоточных работ наряду с обычными инструментами (молотками, ножами, пассатижами и др.) применяют и специальные инструменты: фибровая пластинка, фибровый язык, оборотный клин, угловой нож, выколотка, топорик, ключи для гнутия роторных стержней.
Станины и подшипниковые щиты. Ремонт станин и подшипниковых щитов заключается в заварке трещин, приварке отломанных деталей и восстановление изношенных посадочных поверхностей.
Трещины в чугуне заваривают бимателлическим электродами преимущественно в горячем состоянии ацителекислородным пламенем. Также можно заварить в холодном состоянии медными и биметаллическими электродом, а также сваркой стальным электродами стальных шпилек, ввёрнутых в чугун на резьбе.
Отломанные детали приваривают также при ремонте. Чаще всего приходиться приваривать лапы станин и борты подшипниковых щитов. Лапы станин ломаются из – за сильного чрезмерного крепления их болтами к неровному основанию, борта подшипников – при неправильных методах разборки машины, когда щит отделяют от станины не отжимая болтами или ударами молотка по надставке, а вбивая зубило встык между торцом станины и бортом щита.
Изношенные посадочные поверхности подшипниковых щитов чаще всего приходится восстанавливать в местах посадки подшипников качения. Подшипниковый щит растачивают до большого диаметра и запрессовывают в него стальную втулку, которую затем растачивают до нужного размера. Если невозможно расточить место посадки подшипника в подшипниковом щите до требуемого размера, изношенные посадочные места восстанавливают методом металлизации. В подобных случаях при ремонте иногда прибегают к увеличению диаметра подшипника до диаметра расточки.
Подшипники. Повреждения или выхода из строя подшипника требует немедленного останова машины, польку может привести к серьёзной аварии, потребующей её капитального ремонта.
Подшипники качения. При ремонте электродвигателя с подшипниками качения обычно ограничиваются осмотром и промывкой подшипников и закладкой в них основной пропорции смазки.
Подшипники заменяют на новые при наличии следующих неустранимых повреждений: сколов или трещин на кольцах, сепараторах или шариках (роликах); забоин или вмятин на поверхностях дорожек качения и сепараторах; признаков шелушения дорожек подшипника; царапин или глубоких рисок, расположенных поперек пути качения шариков (роликов); чётких отпечатков шариков (роликов) на дорожках качения.
Подшипники скольжения. Повреждения подшипников скольжения износ по внутреннему диаметру и торцам, растрескование, выкраивание и др. износ по внутреннему диаметру и торцам является наиболее частым повреждением.
Ремонт подшипников скольжения состоит из следующих операций: выплавка строй заливки, ремонта вкладыша, подготовка его сплава и заливки, заливка и охлаждение.
Балансировка роторов. Для обеспечения работы электродвигателя без вибраций после ремонта роторов в сборе со всеми вращающимися частями, двигатель подвергают балансировке.
Различают статическую и динамическую балансировку.
Статическая балансировка производится на двух призматических линейках, точно выверенных по горизонтали. Хорошо сбалансированный ротор остаётся в неподвижным, находясь в любом положении относительно своей горизонтальной оси.
При динамической балансировке место расположение груза определяют по величине биения при вращение ротора. Динамическую балансировку производят на специальном балансировочном станке.
Чтобы определить место неуравновешенности, один из подшипников закрепляют неподвижно, тогда второй при вращении начинает вибрировать.
4 ЭКНОМИЧЕСКАЯ ЧАСТЬ
4.1 Технико-экономический выбор варианта электропривода (электродвигателя)
При выборе типа электродвигателя иногда вызывает значительные трудности, так как во многих случаях могут удовлетворительно работать различные двигатели. При равных условиях, двигатель также рассматривают с точки зрения экономичности.
Экономичность, является основным условием проектирования, при одинаковых технико-экономических требований к электродвигателю. Решающей характеристикой той или иной системы, всегда является производительность механизма. Другими важными характеристиками является: стоимость самого двигателя, капитальные затраты на ремонт, коэффициент полезного действия, характеризующий величину потерь электроэнергии, ежегодные эксплуатационные расходы. Сравнивая эти показатели, выбираем вариант электродвигателя, который удовлетворяет требованиям, то есть был бы экономичнее и с лучшими техническими характеристиками.
Сравнение производили по технико-экономическим показателям между асинхронным электродвигателем с короткозамкнутым ротором водородного компрессора, который рассчитывали и который стоит на рабочем месте. Данные электродвигателей занесли в таблицу 12.
Таблица 12 – Технические характеристики электродвигателей
| Тип электродвигателя | Номинальная мощность, Рн , кВт | Коэффициент полезного действия, h, % | Коэффициент мощности, cosj |
| 4АЗМП-630/6000УХЛ4 | 630 | 95,7 | 0,88 |
| 4АЗМО – 630/60002УХЛ4 | 630 | 95,7 | 0,88 |
Расчётные затраты З, руб., определили согласно // по формуле
, (43)
где рн – нормативный коэффициент эффективности;
К – капитальные затраты, руб;
С – сумма ежегодных эксплуатационных расходов, руб.
Нормативный коэффициент эффективности приняли
Рн =0,15.
Капитальные затраты по двум выбранным вариантам электродвигателей занесли в таблицу 13.
Таблица 13 – Капитальные затраты электродвигателей
| Тип электродвигателя | Количество | Стоимость, руб. | Монтаж | Полная стоимость, руб. | ||
| Ед. | Всего | % | руб. | |||
| 4АЗМП-630/6000УХЛ4 | 1 | 550000 | 550000 | 10 | 55000 | 605000 |
| 4АЗМО – 630/60002УХЛ4 | 1 | 600000 | 600000 | 10 | 6000 | 606000 |
Сумму ежегодных эксплуатационных расходов С, руб., определили согласно // по формуле
, (44)
где СА – амортизационные отчисления, руб;
СП – стоимость потерь потребляемой электроэнергии, руб;
СР – стоимость ремонта электрооборудования, рую;
СЗ – стоимость обслуживания электрооборудования, за год нормальной
эксплуатации, руб.
Амортизационные отчисления СА , руб, определили согласно // по формуле
, (45)
где Ф – полная стоимость оборудования, руб;
А – амортизация, %.
![]()
![]()
Стоимость потерь потребляемой электроэнергии электропривода СП , руб, определили согласно // поформуле
, (46)
где DА – потери электроэнергии, кВт;
w - стоимость 1кВт×час, руб.
Стоимость 1кВт×час приняли
w=0,8руб.
Потери электроэнергии DА, кВт, определили согласно // по формуле
, (47)
где Рн – номинальная мощность электродвигателя, кВт;
h - коэффициент полезного действия загрузки по мощности;
Кз – коэффициент загрузки по мощности;
Т – действующий фонд времени, ч.
Коэффициент загрузки по мощности принимали согласно //
Кз =0,8.
Действующий фонд времени при работе в одну смену и полезного фонда рабочего времени 214 дней принимали согласно //
Т=5136
![]()
![]()
![]()
![]()
Стоимость ремонта электрооборудования определили согласно // по формуле
, (48)
![]()
![]()
Стоимость обслуживания определили согласно // по формуле
, (49)
![]()
![]()
![]()
![]()
![]()
![]()
Результаты расчётов экономических показателей по каждому варианту электродвигателей занесли в таблицу.
Таблица 14 – Технико-экономические показатели электродвигателей
| Тип двигателя | Стоимость потерь, СП , руб. | Расчётные затраты, З, руб. | Коэффициент полезного действия, % | Номинальная мощность, Рн , кВт | Коэффициент мощности, cosj |
| 4АЗМП-630/6000УХЛ4 | 15326 | 268715 | 95,7 | 630 | 0,88 |
| 4АЗМО – 630/60002УХЛ4 | 15326 | 268980 | 95,7 | 630 | 0,88 |
Наиболее оптимальным вариантом по технико-экономическим сравнениям является вариант 1.
4.2 Смета на электрооборудование производственного механизма
Смета является основным документом, по которому определяется стоимость электроустановки. При составлении сметы необходимо исходить из ведомости комплектных устройств, материалов, покупных изделий и т.п.
Таблица 15 – Смета не электрооборудование водородного компрессора.
| Обозначение | Наименование | Кол | Цена, руб. | Стоимость, руб |
| 1 | 2 | 3 | 4 | 5 |
| Q | Масленый выключатель ВМЗ-6-200-4 | 1 | ||
| ТА1, ТА2 | Трансформатор тока ТНЛ 10-0,5/Р | 2 | ||
| ТА3 | Трансформатор тока ТЗЛ | 1 | ||
| SF | Автоматический выключатель АП50-2М | 2 | 244 | 488 |
| КМ | Контактор КМВ-521 | 1 | 9600 | 9600 |
| КА1, КА2 | Реле тока РТ83 | 2 | 470 | 940 |
Продолжение таблицы 15
| 1 | 2 | 3 | 4 | 5 |
| КА3 | Реле тока РТ40 | 1 | 105 | 105 |
| КL | Реле промежуточное РП – 23 | 3 | 470 | 1410 |
| КН | Реле указательное | 3 | 470 | 1401 |
| R | Резистор ПЭ-50 | 3 | 50 | 150 |
| М | Электродвигатель 4АЗМП-630/6000УХЛ4 | 1 | 550000 | 605000 |
| HL | Арматура сигнальная АС – 220 | 3 | 50 | 150 |
4.3 Годовой расход электроэнергии на освещение.
Годовой расход электроэнергии на освещение водородного отделения Эосв , кВт×час, определили согласно // по формуле
, (50)
где N – количество ламп, шт;
Рл – мощность лампы, Вт;
Т – время горения, час.
Время горения лампы Т, час, определили согласно // по формуле
, (51)
где 365 – число дней в году;
tсм – продолжительность смены.
![]()
![]()
Годовой расход электроэнергии на освещения водородного отделения составляет 18396кВт×час.
5 ОХРАНА ТРУДА
5.1 Мероприятия по технике безопасности при монтаже (или эксплуатации) электрооборудования
Методы и способы безопасного производства электромонтажных и пусконаладочных работ определяются в ППР, которые разрабатывают для каждого объекта.
На все виды электромонтажных и пусконаладочных работ разрабатывают и утверждают в установленном порядке инструкции по безопасным методам труда. Это относится и к работам в условиях производства не предусмотренным настоящими правилами, действующими инструкциями.
Все лица, участвующие в электромонтажном и наладочном производстве, нарушившие требования правил ТБ, несут персональную ответственность в зависимости от степени и характера нарушения в дисциплинарном, административном или уголовном порядке.
Нахождение посторонних лиц, а также работников в нетрезвом состоянии на территории монтажной площадки, производственных, санитарно-бытовых помещениях и на рабочих местах запрещается.
Электромонтажному и наладочному персоналу независимо от тарифного разряда, квалификации и группы по электробезопасности запрещается производить какие-либо работы, относящиеся к эксплуатации электроустановок на строительной площадке. Подключение (и отключение) кабелей и проводов к этим электроустановкам разрешаете только после специального допуска со стороны персонала, эксплуатирующего эти установки, в соответствии с указаниями настоящих Правил.
Провода и кабели, проложенные на высоте менее 2,5м должны быть защищены от механических повреждений.
Металлические строительные леса, полки и лотки для прокладки кабелей и проводов, рельсовые пути электрических грузоподъемных кранов и транспортных средств, корпуса оборудования, машин и механизмов с электроприводом или электрическими аппаратами должны быть заземлены сразу после установки их на место, до начала каких-либо других работ.
При монтаже электрических сетей и аппаратов должны быть приняты меры, исключающие случайную подачу в них напряжения, в том числе путем обратной трансформации напряжения.
При необходимости подачи напряжения для опробования или испытания электрических цепей и аппаратов, в том числе для опробования сетей освещения на световой эффект, другие работы на данной электросети должны быть прекращены, а персонал, не занятый на этих работах, выведен из опасной зоны. Все переключения и замену оборудования при опробовании и испытаниях необходимо производить после снятия напряжения и принятия мер, исключающих его случайную подачу.
В электромонтажной и пусконаладочной организациях должно быть назначено лицо, ответственное за электрохозяйство, обязанное обеспечить его безопасную эксплуатацию в соответствии с ПТЭ и ПТБ. Этот специалист должен иметь группу по электробезопасности не ниже IV в электроустановках напряжением выше 1000В.
Распаковка и расконсервация подлежащего монтажу оборудования должны производиться в зоне, указанной в ППР, на стеллажах или подкладках высотой не менее 100мм.
Крупногабаритные детали аппаратов, машин и механизмов на междуэтажных перекрытиях необходимо размещать в строгом соответствии с указаниями ППР.
Освобождать грузоподъемные, удерживающие монтируемое оборудование, можно лишь после установки прокладок и окончательного крепления оборудования на опорах и фундаментах.
Крепление подъемных приспособлений к строительным конструкциям разрешается в местах, указанных в ПНР и согласованных со строительной организацией.
Крепление оборудования и его отдельных элементов временными проволочными подвесками, болтами меньшего, чем требуется, диаметра, а также другими случайными крепежными материалами запрещается.
Перед распаковкой частей машин мастер (прораб) обязан указать порядок распаковки ящиков, особенно снятия бандажей и стяжных болтов. Если чертежа упаковки нет, необходимо в обшивке вырезать лаз и осмотреть крепление внутри упаковки.
При установке и фиксации контрольными шпильками крышек подшипниковых и лобовых щитов электрических машин проверять совпадение отверстий пальцами запрещается. Следует остерегаться попадания пальцев в места разъема щита. Определять совпадение отверстий соединяемых частей машин можно только с помощью монтажных приспособлений. Разгрузку и транспортирование к месту монтажа трансформаторов следует производить по специально разработанному ППР.
При выполнении такелажных работ следует пользоваться заводскими инструкциями и типовыми технологическими картами.
5.2 Составление инструкций по эксплуатации электрооборудования водородного компрессора
Государственное образовательное учреждение
Стерлитамакский химико-технологический техникум
Инструкция по охране труда
ИОТ 49.1.2003
г. Стерлитамак 2003
Государственное образовательное учреждение
Стерлитамакский химико-технологический техникум
«Согласованно» «Утверждаю»
Председатель профкома Директор СХТТ
______Е.А.Спиридонов ______ Р.А.Даминиев
Инструкция по охране труда
ИОТ 49. 1. 2003
Раздел 1 Общие положения
Настоящая инструкция устанавливает правила поведения на производстве, требования безопасности выполнения работ электромонтера по ремонту электрооборудования.
Электромонтерам по ремонту электрооборудования выдают согласно отраслевым нормам одежду: костюм; ботинки кожаные; рукавицы; куртка утепленная; валенки; брюки ватные; не промокаемы плащ.
Спецодежда должна регулярно подвергаться стирке в прачечной объединения, брать домой, и стирать ее в домашних условиях запрещается.
Спецодежда, спецобувь и средства защиты, пришедшие в негодность до истечения установленного срока, в случаях не зависящих от работника, ремонтируются или заменяются. Замена осуществляется на основании акта списания, составленного администрацией цеха.
Необходимо соблюдать следующие гигиенические требования:
- не применять для мытья рук бензин, керосин, различные растворители;
- не принимать пищу на рабочем месте;
- содержать спецодежду и средства индивидуальной защиты в чистоте и отдельно от домашних вещей.
При возникновении пожара на электрооборудование электромонтер должен сообщить диспетчеру, а при не возможности ликвидации пожара своими силами вызвать пожарную команду; отключить присоединения, на которых возник пожар и заземлить, принять меры препятствующие распространения пожара; по прибытию пожарной команды, необходимо проинструктировать их о месте пожара, объеме и характера пожара, о действующей части электроустановки; заземлить пожарную машину и выдать средства защиты.
Для оказания первой (доврачебной) помощи, электромонтер должен уметь:
- быстро и правильно оценить ситуацию, действовать в экстремальных условиях;
- освобождать пострадавших от травмирующих факторов;
- оценивать состояние пострадавшего, определять вид необходимой первой медицинской помощи;
- останавливать кровотечение путем наложения жгута, а также повязки;
- оказывать помощь при поражении электрическим током, при утомление, при острых отравлениях;
- использовать подручные средства при оказании при оказании первой медицинской помощи;
- правильно осуществлять весь комплекс экстренной реанимационной помощи;
- уметь применять способу искусственного дыхания и не прямого массажа сердца;
- пользоваться аптечкой первой помощи.
Режим работы электромонтера по обслуживанию электрооборудования 8ч. с часовым перерывом на обед, выходной день суббота и воскресенье.
Раздел 2 Требования безопасности перед началом работ
Осмотреть и подготовить спецодежду и спец обувь, выданные согласно межотраслевым нормам и требованиям ТБ.
Проверить исправность средств защиты:
- отсутствие внешних повреждений;
- указателей напряжения с помощью специальных приборов или приближением к токоведущим частям, заведомо находящихся под напряжением;
- отсутствие порывов ткани предохранительных поясов, исправность замка;
Необходимо проверить наличие и исправность находящегося на рабочем месте инструмента.
Раздел 3 Требования безопасности во время работы
Работы в действующих электроустановках должны производиться по наряду или распоряжению. Запрещается самовольное проведение работ, а также расширение рабочих мест и объема задания, определенных нарядом и распоряжением.
Запрещается приближаться к находящимся под напряжением, не огражденным токоведущим частям.
При ремонте электрооборудования запрещается снимать плакаты, ограждения и знаки безопасности.
При приближении грозы должны быть прекращены все работы.
В темное время суток участок работы, рабочие места, проезды, подходы к ним должны быть освещены.
Измерение сопротивления изоляции мегомметром необходимо выполнять на отключенных токоведущих частях после снятия остаточного заряда путем предварительного заземления их.
Электродвигатель должен быть не медленно (аварийно) отключен от сети в следующих случаях:
- при несчастных случаях с людьми;
- появление дыма или огня из электродвигателя, а также пусковой аппаратуры и устройств возбуждения;
- поломке приводного механизма, появление не нормального стука;
- при резком увеличении вибрации подшипников агрегата;
- при нагреве подшипников сверх допустимой температурой, установленной в инструкции завода - изготовителя.
Если работа на электродвигателе или приводимом им в движение механизме связана с прикосновением к токоведущим и вращающимся частям, электродвигатель должен быть отключен с выполнением предусмотренных настоящими Правилами технических мероприятий, предотвращающих его ошибочное включение. При этом у двухскоростного электродвигателя должны быть отключены и разобраны обе цепи питания обмоток статора.
Работа, не связанная с прикосновением к токоведущим или вращающимся частям электродвигателя и приводимого им в движение механизма, может производиться на работающем электродвигателе.
Не допускается снимать ограждения вращающихся частей работающих электродвигателя и механизма.
При работе на электродвигателе допускается установка заземления на любом участке кабельной линии, соединяющей электродвигатель с секцией РУ, щитом, сборкой.
Если работы на электродвигателе рассчитаны па длительный срок, не выполняются или прерваны на несколько дней, то отсоединенная от него кабельная линия должна быть заземлена также со стороны электродвигателя.
В тех случаях, когда сечение жил кабеля не позволяет применять переносные заземления, у электродвигателей напряжением до 1000 В допускается заземлять кабельную линию медным проводником сечением не менее сечения жилы кабеля либо соединить между собой жилы кабеля и изолировать их. Такое заземление или соединение жил кабеля должно учитываться в оперативной докумешацин наравне с переносным заземлением.
Перед допуском к работам на электродвигателях, способных к вращению за счет соединенных с ними механизмов (дымососы, вентиляторы, насосы и др.), штурвалы запорном арматуры (задвижек, вентилей, шиберов и т.п.) должны быть заперты на замок. Кроме того, приняты меры по затормаживанию poторов электродвигателей или расцеплению соединительных муфт
Необходимые операции с запорной арматурой должны быть согласованы с начальником смены технологическою цеха, участка с записью в оперативном журнале.
Со схем ручного дистанционного и автоматического управления электроприводами запорной арматуры, направляющих аппаратов должно быть снято напряжение.
На штурвалах задвижек, шиберов, вентилем должны быть вывешены плакаты «Не открывать! Работают люди», а на ключах, кнопках управления электроприводами запорной apматуры «He включать! Работают люди».
На однотипных или близких по габариту электродвигателях, установленных рядом с двигателем, на котором предстоит выполнить работу, должны быть вывешены плакаты «Стой! .Напряжение» независимо от того, находятся они в работе или остановлены.
Работы по одному наряду на электродвигателях одного напряжения, выведенных в ремонт агрегатов, технологических линий, установок могут проводиться на условиях, предусмотренных п. 2.2.9 настоящих Правил. Допуск на все заранее подготовленные рабочие места разрешается выполнять одновременно, оформление перевода с одного рабочего места на другое не требуется. При этом опробование или включение в работу любого из перечисленных в наряде электродвигателей до полного окончания работы на других не допускается.
Порядок включения электродвигателя для опробования должен быть следующим:
производитель работ удаляет бригаду с места работы, оформляет окончание работы и сдает наряд оперативному персоналу;
оперативный персонал снимает установленные заземления, плакаты, выполняет сборку схемы.
После опробования при необходимости продолжения работы на электродвигателе оперативный персонал вновь подготавливает рабочее место и бригада по наряду повторно допускается к работе на электродвигателе.
Работа на вращающемся электродвигателе без соприкосновения с токоведущими и вращающимися частями может проводиться по распоряжению.
Обслуживание щеточного аппарата на работающем электродвигателе допускается по распоряжению, обученному для этой цели работнику, имеющему группу III, при соблюдении следующих мер предосторожности:
- работать с использованием средств защиты лица и глаз, в застегнутой спецодежде, остерегаясь захвата ее вращающимися частями электродвигателя;
- пользоваться диэлектрическими галошами, коврами;
- не касаться руками одновременно токоведущих частей двух полюсов или токоведущих и заземляющих частей.
Кольца ротора допускается шлифовать на вращающемся электродвигателе лишь с помощью колодок из изоляционного материала.
В инструкциях по охране труда соответствующих организаций должны быть детально изложены требования к подготовке рабочего места и организации безопасного проведения работ на электродвигателях, учитывающие виды используемых электрических машин, особенности пускорегулирующих устройств, специфику механизмов, технологических схем и т.д.
Допуск к работе на коммутационном аппарате разрешается после выполнения технических мероприятий, предусмотренных настоящими Правилами и обеспечивающих безопасность работы, включая мероприятия, препятствующие ошибочному срабатыванию коммутационного аппарата.
Подъем на находящийся под рабочим давлением воздушный выключатель разрешается только при проведении наладочных работ и при испытаниях. Подъем на отключенный воздушный выключатель с воздухонаполненным отделителем, когда отделитель находится под рабочим давлением, не допускается во всех случаях.
Перед подъемом на воздушный выключатель для испытания или наладки следует:
- отключить цепи управления;
- заблокировать кнопку местного управления или пусковые клапаны путем установки специальных заглушек либо чаперсть шкафы и поставить около выключателя проинструктированного члена бригады, который допускал бы к оперированию выключателем (после подачи оперативного тока) только одного определенного работника по указанию производителя работ. Во время нахождения работников на воздушном выключателе, находящемся под давлением, необходимо прекратить все работы в шкафах управления и распределительных шкафах. Выводы выключателя напряжением 220кВ и выше действующих подстанций для снятия наведенного напряжения должны быть заземлены.
Перед допуском к работе, связанной с пребыванием людей внутри воздухосборников, следует:
закрыть задвижки на всех воздухопроводах, по которым может быть подан воздух, запереть их приводы (штурвалы) на цепь с замком и вывесить на приводах задвижек плакаты «Не открывать! Работают люди»;
выпустить из воздухосборников воздух, находящийся под избыточным давлением, оставив открытыми спускной дренажный вентиль, пробку или задвижку;
отсоединить от воздухосборников воздухопроводы подачи воздуха и установить на них заглушки.
Нулевые показания манометров на выключателях и воздухосборниках не могут служить достоверным признаком отсутствия давления сжатого воздуха.
Перед отвинчиванием болтов и гаек на крышках люков и лазов воздухосборников производителю работ следует лично убедиться в открытом положении спускных задвижек, пробок или клапанов с целью определения действительного отсутствия сжатого воздуха.
Спускные задвижки, пробки (клапаны) разрешается закрывать только после завинчивания всех болтов и гаек, крепящих крышки люков (лазов).
Во время отключения и включения воздушных выключателей при опробовании, наладке и испытаниях присутствие работников около выключателей не допускается.
Команду на выполнение операций выключателем производитель работ должен подать после того, как члены бригады будут удалены от выключателя на безопасное расстояние или в укрытие.
Для пробных включений и отключений коммутационного аппарата при его наладке и регулировке допускается при несданном наряде временная подача напряжения в цепи оперативного тока, силовые цепи привода, а также подача воздуха на выключатели.
Установку снятых предохранителей, включение отключенных автоматов и открытие задвижек для подачи воздуха, а также снятие на время опробования плакатов безопасности должен осуществлять оперативный персонал.
Операции по опробованию коммутационного аппарата может осуществлять производитель работ, если на это получено разрешение выдавшего наряд и подтверждено записью в строке «Отдельные указания» наряда, либо оперативный персонал по требованию производителя работ.
После опробования, при необходимости продолжения работы на коммутационном аппарате, оперативным персоналом должны быть выполнены технические мероприятия, требуемые для допуска бригады к работе.
В электроустановках, не имеющих местного оперативного персонала, повторного разрешения для подготовки рабочего места и допуска к работе после опробования коммутационного аппарата производителю работ не требуется.
Раздел 4 Требования безопасности в аварийных ситуациях
В случаях возникновения ситуаций, опасных для продолжения работы (аварийный режим) необходимо прекратить работу и немедленно покинуть опасную зону. При отравлении от вдыхания ацетилена, паров бензина, природных газов необходимо вынести пострадавшего на свежий воздух, уложить, приподнять ноги, растереть, утеплить. Дать горячий чай, кофе, нашатырный спирт на ватке.
При отравлении свинцом, необходимо промыть желудок теплой водой.
При пищевых отравлениях, необходимо промыть желудок водой с марганце кислым калием или активируемым углем.
Постоянно контролировать общее состояние пострадавшего.
Раздел 5 Требования безопасности по окончанию работ
После окончания рабочего дня или после окончания работы, необходимо привести в порядок рабочее место, убрать инструмент, приборы приспособления. Промасленную ветошь, бумагу, отходы, производства необходимо убрать в специальную урну. Бригада должна быть удалена с рабочего места.
При перерыве в работе в связи с окончание рабочего дня производитель работ должен сдать наряд допускающему, а в случае его отсутствии оставить наряд в отведенном для этого места. Плакаты, ограждения и флажки не снимаются. В электроустановках без местного дежурного персонала производителю работ разрешается по окончанию рабочего дня оставить наряд у себя.
После полного окончания работы производитель работ должен удалить бригаду с рабочего места, снять установленные бригадой временные ограждения, плакаты, заземления, закрыть дверь электроустановки на замок, оформить в наряде полное окончание работ своей подписью.
После окончания рабочей смены следует вымыть руки. Рабочую одежду необходимо снять и оставить в отведенном для него месте.
Сообщить руководителю о всех неисправностях и недостатках, замеченных вовремя и принятых мерах к их устранению, с оформлением в журнале дефектов.
5.3 Составление ведомости специального инвентаря и принадлежностей по технике безопасности при монтаже (эксплуатации) электрооборудования
Персонал, обслуживающий электроустановки, должен быть снабжен всеми необходимыми защитными средствами, обеспечивающими безопасность обслуживания этих электроустановок.
Защитными средствами называют такие приборы, аппараты и приспособления, которые служат для защиты персонала, работающего вблизи находящихся под напряжением частей электротехнических установок.
Защитные средства делятся на две группы:
1) средства коллективной защиты, которые предназначены для защиты персонала от поражения током высокого напряжения. К ним относят переносные указатели напряжения и токоизмерительные клещи, переносные ограждения и временные защитные заземления;
2) индивидуальные защитные средства, предохраняющие от воздействия дуги, продуктов горения и механических повреждений. К ним относят: защитные очки, брезентовые рукавицы, противогазы.
Электрозащитные средства подразделяют на основные и дополнительные. Основными называют такие защитные средства, изоляция которых надежно выдерживает рабочее напряжение установки. С их помощью можно касаться токоведущих частей, находящихся под напряжением. Дополнительные защитные средства сами по себе не могут при определенном напряжении предохранять от поражения током. Они усиливают действие основного защитного средства и обеспечивают защиту от напряжения прикосновения, шагового, а также от ожогов электрической дугой.
Электрозащитные средства нужно использовать по их прямому назначению в электроустановках напряжением не выше того, на которое защитные средства рассчитаны.
Для оперативной работы, производства измерений, очистки изоляции от пыли, установки габаритников и разрядников используют изолирующие штанги. Они могут быть универсальными, т.е. имеющими сменные головки, предназначенные для выполнения различных функций.
Изолирующие клещи применяют для операций с предохранителями, надевания и снятия изолирующих колпаков и других аналогичных работ.
Диэлектрические перчатки предназначены для работы в электроустановках только при условии изготовления их в соответствии с требованиями ГОСТа. Перчатки, предназначенные для других целей (химические и др.), применять как защитное средство при работе в электроустановках не допускается.
Диэлектрические боты и галоши, кроме выполнения функции дополнительного защитного средства, являются защитным средством от шагового напряжения в электроустановках любого напряжения.
Диэлектрические коврики применяют в качестве дополнительного защитного средства при работах на закрытых электроустановках любого напряжения, при операциях с приводами разъединителей и выключателей и пускорегулирующей аппаратурой. Диэлектрические коврики являются изолирующим средством лишь в сухом состоянии.
Изолирующие подставки применяют при проведении операций мс предохранителями, пусковыми устройствами электродвигателей, приводами разъединителей и выключателей в закрытых электроустановках любого напряжения.
Инструмент с изолированными рукоятками применяют в электроустановках напряжением до 1000 В.
Токоизмерительные клещи предназначены для измерения переменного тока в одиночных проводниках без нарушения их целостности.
Указатели напряжения являются переносными приборами, действие которых основано на свечении неоновой лампы при протекании через нее емкостного тока.
Защитными очками пользуются в следующих случаях:
а) при смене предохранителей
б) при резке кабелей и вскрытии муфт на кабельных линиях, находящихся в эксплуатации
в) при пайке, сварке (на проводах, шинах, кабелях и др.), варке и разогревании мастик и заливке им кабельных муфт, вводов и т.п.
г) при работе с электролитом и обслуживании аккумуляторной батарея
д) при проточке и шлифовке колец и коллекторов.
е) при заточке инструмента и прочих работах, связанных с опасностью повреждения глаз.
Переносные заземления являются наиболее надежным защитным средством при работе на отключенном электрооборудовании, на кабельной или воздушной линии электропередачи в случае ошибочной подачи на них напряжения. С помощью специальных проводников и зажимов они замыкают токоведущие части накоротко, одновременно замыкая их. При ошибочном включении такой короткозамкнутой и заземленной линии на напряжение безопасность людей, работающих с токоведущими частями электроустановки, обеспечивается автоматическим отключением электроустановки с помощью выключателя или в результате перегорания плавких предохранителей.
Одним из важнейших условий безопасного выполнения работ является обязательное ограждение опасной зоны. Опасные зоны могут быть постоянными и временными. К постоянным относят опасные зоны действия некоторых машин и механизмов.
Основными индивидуальными средства защиты в электроустановках напряжением свыше 1кВ относятся:
- изолирующие штанги всех видов;
- изолирующие и измерительные клещи;
- указатели напряжения
- диэлектрические перчатки;
- изолированный инструмент.
Индивидуальные дополнительные средства защиты – изолирующие индивидуальные средства защиты, которое само по себе не может при данном напряжении обеспечить защиту от поражения электрическим током, по дополнит основное средство защиты, служит для защиты от напряжения прикосновения и напряжения шага.
Индивидуальные дополнительные средства защиты в электроустановках напряжением свыше 1 кВ служит:
- диэлектрические перчатки;
- диэлектрические боты;
- диэлектрические ковры (дорожки);
- изолированные подставки и накладки;
- штанги для переноса и выравнивания потенциала
5.4 Противопожарные мероприятия
Монтаж и эксплуатацию электроустановок и электротехнических изделий необходимо осуществлять в соответствии с требованиями нормативных документов по пожарной безопасности (в том числе Правил устройства электроустановок (ПУЭ), Правил технической эксплуатации электроустановок потребителей (ПЭЭП), Правил техники безопасности при эксплуатации электроустановок потребителей.
Электроустановки, в помещениях в которых по окончании рабочего времени отсутствует дежурный персонал, должны быть обесточены. Под напряжением должны оставаться дежурное освещение, установки пожаротушения и противопожарного водоснабжения, пожарная и охранно-пожарная сигнализация. Другие электроустановки и электротехнические изделия могут оставаться под напряжением, если это обусловлено их функциональным назначением и предусмотрено требованиями инструкции по эксплуатации.
Не допускается прокладка и эксплуатация воздушных линий электропередачи (в том числе временных и проложенных кабелем) над горючими кровлями, навесами, а также открытыми складами (штабелями, скирдами и др.) горючих веществ, материалов и изделий.
При эксплуатации действующих электроустановок запрещается:
- использовать приемники электрической энергии в условиях, не соответствующих требованиям инструкций предприятий-изготовителей или имеющие неисправности, которые в соответствии с инструкцией по эксплуатации могут привести к пожару, а также эксплуатировать электропровода и кабели с поврежденной или потерявшей защитные свойства изоляцией;
- пользоваться поврежденными розетками, рубильниками, другими электроустановочными изделиями;
- обертывать электролампы и светильники бумагой, тканью и другими горючими материалами, а также эксплуатировать светильники со снятыми колпаками рассеивателями), предусмотренными конструкцией светильника;
- пользоваться электроутюгами, электроплитками, электрочайниками и другими электронагревательными приборами, не имеющими устройств тепловой защиты, без подставок из негорючих теплоизоляционных материалов, исключающих опасность возникновения пожара;
- применять нестандартные (самодельные) электронагревательные приборы, использовать некалиброванные плавкие вставки или другие самодельные аппараты защиты от перегрузки и короткого замыканий;
- размещать (складировать) у электрощитов, электродвигателей и пусковой аппаратуры горючие (в том числе легковоспламеняющиеся) вещества и материалы.
При установке и эксплуатации софитов запрещается использование горючих материалов. Корпуса софитов должны быть электроизолированы от поддерживающих тросов.
Запрещается эксплуатация электронагревательных приборов при отсутствии или неисправности терморегуляторов, предусмотренных конструкцией.
Отверстия в местах пересечения электрических проводов и кабелей с противопожарными преградами в зданиях и сооружениях, должны быть заделаны огнестойким материалом до включения электросети под напряжение.
При эксплуатации электрических сетей зданий и сооружений с периодичностью не реже одного раза в три года должен проводиться замер сопротивления изоляции токоведущих частей силового и осветительного оборудования, результаты замера оформляются соответствующим актом (протоколом).
Помещения, где установлен компрессор 7ГВ – 120/2С, относиться к категории А.[1, с. 6]
Разделение системы по производству водорода методом диафрагменного электролиза на отдельные блоки, их аппаратурное оформление, выбора типа отключающих устройств мест их установки, средств контроля, управления и противоаварийной защиты, обеспечивающие минимальный уровень взрывоопасноти блоков, входящих в эту систему.
Для обеспечение безопасности и противоаварийной защиты установлены газоанализаторы типа: ГТМК – 16В, СВК – 3М, ТГМК – 11МА, ТП – 5501, ГТМК – 18, ТП – 1120. Компрессор водорода и электроподогреватель снабжены системой сигнализации и блокировок.
. В водородном отделении установлен сигнализатор СВК – 3П. При наличии объёмной доли водорода в воздухе помещения более 0,8% подаётся световая и звуковая сигнализация в щитовой КИП.[1, с.18]
ВВЕДЕНИЕ
1 ЛИТЕРАТУРНЫЙ ОБЗОР
2 ТЕХНИЧЕСКАЯ ХАРАКТЕРИСТИКА И РАСЧЁТНАЯ ЧАСТЬ
омашинами. В настоящее время мощность турбокомпрессоров достигает 18000кВт и выше. Эти машины предназначены для повышения давления газа и транспортировки его по трубопроводам. Наиболее типичные области применения турбокомпрессоров: генерирование пневматической энергии; транспортировка газа по магистральным газопроводам; компрессирование воздуха для получения кислорода методом разделения подачи воздуха и кислорода в доменную печь; холодильная техника.
щения. Наиболее совершенным способом регулирования
тех случаях, когда режим работы турбомеханизма по технологическим условиям постоянен или мощность турбомеханизмов невелика и регулирование их производительности без больших потерь энергии может быть осуществлено воздействием на турбомеханизм или на его гидравлическую сеть.
вным изменением частоты вращения в широком диапазоне наилучшим образом удовлетворяет условиям автоматического и экономического регулирования производительности турбомеханизмов.
, (2)
делили согласно /2, с.221/ по формуле