Доклад: Проблемное обучение на уроках физики
|
Название: Проблемное обучение на уроках физики Раздел: психология, педагогика Тип: доклад |
|
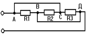
Медникова Н.А., Скулов П.В. Высокий уровень преподавания в Российской школе достигнут благодаря внедрению в учебный процесс новых методов обучения и воспитания. Одним из таких методов является проблемное обучение. Традиционное обучение, как правило, обеспечивает учащихся системой знаний и развивает память, но мало направлено на развитие мышления, навыков самостоятельной деятельности. Проблемное обучение устраняет эти недостатки, оно активизирует мыслительную деятельность учащихся, формирует познавательный интерес. Идеи проблемного обучения давно применялись в практике преподавания физики и других предметов. Появление теоретических работ по проблемному обучению в середине 70-х годов привело к тому, что учителя стали активнее использовать его в своей практике. Опыт применения отдельных элементов проблемного обучения в школе исследован М.И. Махмутовым, Р.И. Малафеевым, А.В. Усовой, И.Я. Лернером, И.Г. Дайри, Д.В. Вилькеевым, В. Оконь. Исходными при разработке теории проблемного обучения стали положения теории С.Л. Рубинштейна, Л.С. Выготского, А.Н. Леонтьева, В.В. Давыдова. Проблемность в обучении ими рассматривается как одна из закономерностей умственной деятельности учащихся. Постепенно распространяясь, проблемное обучение из общеобразовательной школы проникло и в высшую, профессиональную школу. Проблемным, эти авторы, называют обучение не потому, что весь учебный материал усваивается только путем самостоятельного решения проблем и "открытия" новых понятий. Здесь есть и объяснение учителя, и репродуктивная деятельность учащихся, и постановка задач, и выполнение учащимися упражнений. Но организация учебного процесса базируется на принципе проблемности, а систематическое решение учебной проблемы - характерный признак этого обучения. Проблема - означает задание, задача, теоретический или практический вопрос, требующий разрешения. Значительное место в проблемном обучении занимает решение проблемных задач. Проблемные задачи позволяют ученику даже со слабыми вычислительными навыками не только почувствовать сложность физических явлений, но и понять их суть, побудить его к самостоятельному решению проблемы, ее осмыслению, попытаться поставить себя на место изобретателя, испытать удовлетворение от интеллектуального труда. Такие задачи позволяют ученикам сопоставить получаемый ими результат с ранее изученным материалом, сделать выводы, задуматься. В дипломной работе представлена система задач проблемного содержания. Примером таких задач могут быть следующие: Задача 1. Определить сопротивление реостата, произведя необходимые измерения и расчеты (количество витков, площадь поперечного сечения провода, радиус керамического основания). Задача 2. Наэлектризовать разноименно два электроскопа, не прикасаясь к ним заряженным телом. Задача3: Дан электрозвонок постоянного тока, гальванический элемент, провода. Как соединить провода, чтобы замыкание цепи вызвало только один удар молоточка о звонковую чашку? Решение таких задач опытным путем дает возможность учащимся изученные закономерности применить к анализу реальных явлений. Рассмотрим еще один пример создания проблемы при решении задачи по теме "Соединение проводников". Задача 4. Определите силу тока, текущего через каждый резистор в цепи, схема которой изображена на рисунке, если напряжение на зажимах 6 В, а сопротивление резисторов R1=R2=R3=6 Ом. Эта задача более сложна, так как сразу не видно, как соединены проводники - это как раз и служит началом проблемной ситуации. В задачах такого вида, главным действующим лицом являются учащиеся. Они, решая проблему, сами выдвигают гипотезы, доказывают их и проверяют. Проблемная ситуация в педагогике, в отличие от психологии, рассматривается не как состояние интеллектуального напряжения, связанного с неожиданным "препятствием для хода мысли", а как состояние умственного затруднения, вызванного в определенной учебной ситуации, объективной недостаточностью ранее усвоенных учащимися знаний и способов умственной или практической деятельности для ответа на возникший познавательный вопрос. Вопрос - это неожиданное затруднение всегда удивляет, озадачивает человека и стимулирует умственный поиск. Проблемные вопросы - это такие вопросы, с помощью которых создается проблема. Проблемный вопрос, как и проблемная задача, является характеристикой объекта мышления. Вопрос может входить в структуру проблемной задачи, выполняя функцию ее требования, и выступать как относительно самостоятельная форма мысли, как отдельное проблематизированное высказывание, требующее ответа. Проблемный вопрос отличается от информационного тем, что он ориентирован на противоречивую ситуацию и побуждает к поиску неизвестного, нового знания. Приведем для примера теоретический вопрос, который задается после изучения закона Ома для участка цепи, последовательного и параллельного соединения проводников. Вопрос: Определите, как изменяется сила тока в ветвях параллельного соединения при уменьшении сопротивления одной из его ветвей (неразветвленная часть цепи тоже содержит резистор)? Чтобы ответить на этот вопрос, учащиеся проходят несколько этапов. Отметим эти этапы: 1. Прежде всего, выясняют, как изменится сопротивление параллельного соединения и сопротивление всей цепи. 2. Выясняют, как изменилась сила тока в неразветвленной части цепи. 3. Выясняют, как изменилось падение напряжения на проводнике в неразветвленной части цепи. 4. Выясняют, как изменилось падение напряжения на параллельном участке. 5. Выясняют, как изменился ток в ветвях, сопротивление которых не изменилось. 6. Выясняют, как изменился ток в ветви, сопротивление которой уменьшилось. 7. Проверяют решение проблемы. В процессе решения проблемных ситуаций, учащиеся сами добывают недостающие для решения знания, при этом они проходят все этапы научного познания мира: от выдвижения гипотезы до ее проверки, постигают логику открытия. Проанализировав работы авторов, занимающихся проблемным обучением, предлагаем следующую структуру проблемного обучения, отличающуюся простотой и доступностью для практического применения: · актуализация опорных знаний; · возникновение проблемной ситуации; · осознание сущности затруднения и постановка проблемы; · нахождение способа решения путем догадки или выдвижения гипотезы; · доказательство гипотезы или догадки; · проверка правильности решения проблемы; Проблемное обучение, основанное на закономерностях развития мышления, призвано научить учеников самостоятельно мыслить, самостоятельно получать знания, анализировать и делать выводы. При проблемном подходе к обучению есть возможность уйти от механического запоминания. Когда перед учащимися ставится учебная проблема, создается тем или иным способом проблемная ситуация, у них появляется интерес, они активно включаются в процесс решения проблемы - все это способствует лучшему усвоению материала, причем большая часть усваивается непроизвольно. Ученик учится мыслить научно. |
