Реферат: Расчет усилителя низкой частоты с блоком питания
|
Название: Расчет усилителя низкой частоты с блоком питания Раздел: Рефераты по радиоэлектронике Тип: реферат |
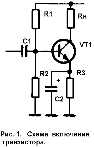
Техническое задание. Рассчитать схему усилителя низкой частоты с блоком питания. Исходные данные: -коэффициент усиления по напряжению - 80; -верхняя граничная частота - 10 кГц; -нижняя граничная частота - 300 Гц; -параметры нагрузки : - сопротивление - 200 Ом, емкость - 6800 ....... ; -коэффициент пульсаций на выходе блока питания - не более 0.15 . Расчетная часть. В качестве схемы усилителя выберем стандартную схему включения транзистора с общим эмиттером (рис. 1) . Разделительный конденсатор С1 служит для передачи на вход транзистора VT1 усиливаемого переменного напряжения, а также исключает попадание на вход транзистора постоянного напряжения. Резисторы R1 и R2 образуют делитель для получения необходимого напряжения смещения на базе транзистора. Резистор R1 и конденсатор C2 обеспечивают температурную стабилизацию работы усилителя. В данной схеме резистор RН является нагрузкой.
В качестве транзистора VT1 выберем широко распространенный КТ 315 Д со следующими параметрами: -максимальный ток коллектора IК MAX = 100 м А ; -максимальное напряжение коллектор - эмиттер U КЭ MAX = 40 В ; -максимальная рассеиваемая мощность транзистора PМАХ = 150 м Вт ; -статический коэффициент передачи h 21
Напряжение питания UП примем равным 9 В , тогда для определения рабочего режима выберем две крайние точки : (UКЭ = UП , IK = 0) и (UКЭ = 0, IK ), где UКЭ - напряжение коллектор - эмиттер , IK - максимальный ток в нагрузке: IK
= Для нормальной работы транзистора выберем рабочую точку : IK
0
= UКЭ0
= Тогда мощность, выделяющаяся в транзисторе : P K0 = I K0 * UКЭ 0 = 23 * 4.5 = 103.5 ( мВт), что не превышает максимальную рассеиваемую мощность транзистора P МАХ = 150 м Вт. Мощность, потребляемая усилителем от источника питания : P 0 = IK 0 * UП = 23 * 9 = 207 ( м Вт). Для схемы с общим эмиттером коэффициент усиления по току ki примерно равен статическому коэффициенту передачи h 21 . Базовый ток транзистора : IБ0
= Теперь определим номиналы резисторов : R1 IД
- ток через делитель, IД R1 R2 R3 Коэффициент усиления по напряжению определяется как : k u
= Отсюда входное сопротивление транзистора : RВХ
= Емкость конденсатора С1 рассчитывается исходя из того, что его сопротивление по переменному току на самой низкой частоте должно быть во много раз меньше входного сопротивления : С1 Выбираем ближайший - 50 мкФ. Для заданной полосы частот емкость конденсатора С2 должна быть равна десяткам микрофарад, возьмем 20 мкФ. Теперь рассчитаем стабилизатор напряжения с требуемыми параметрами. Входные цепи блока питания состоят из понижающего сетевого трансформатора и мостового выпрямителя. Схема стабилизатора напряжения показана на рис. 2.
Так как потребляемая схемой мощность небольшая, в качестве стабилизатора DA1 возьмем специально предназначенную микросхему К142ЕН8А, обеспечивающую выходное напряжение + 9 В и ток в нагрузке до 1 А. Данная микросхема обеспечивает коэффициент пульсаций на выходе примерно 0.03, что удовлетворяет заданию. Для нормальной работы напряжение на входе микросхемы должно быть не менее 12 Вольт, поэтому конденсаторы С1 и С2 выбираем на рабочее напряжение 25 В и емкостью 500 мкФ. Литература. 1. Жеребцов И. П. Основы электроники. - Л.: Энергоатомиздат, 1989. 2. Транзисторы: Справочник . - М.: Радио и связь, 1990. 3. Цифровые и аналоговые интегральные микросхемы: Справочник. - М.: Радио и связь, 1990. |

