Реферат: Кодовый замок
|
Название: Кодовый замок Раздел: Рефераты по радиоэлектронике Тип: реферат |
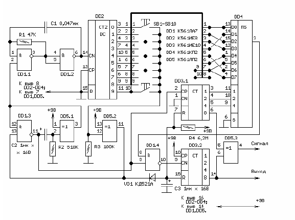
ГОУ Самарский приборостроительный техникум Дневное отделение Специальность 1910 Радиоэлектронные приборостроительные устройства Курсовой проект На тему: Кодовый замок Проектант Рогалев А.В. Руководитель Маньков Е.Н. Самара 2004 г Тема: Кодовый замок Содержание Введение 1 Аналитический обзор 1. 1 Кодовый замок с цифровой клавиатурой 1. 2 Кодовый замок на тиристорах 1. 3 Программируемый кодовый замок 1. 4 Кодовый замок для камеры хранения 2 Обоснование и выбор схемы РТУ 3 Описание выбранного варианта 4 Электрический расчет. Расчет автоколебательного мультивибратора и усилителя мощности 5 Разработка и метод изготовления печатных плат 6 Описание конструкции РТУ Заключение Библиографический перечень Приложение: КП 1910.04.002Э3 КП 1910.04.002ПЭ3 КП 1910.04.003 КП 1910.04.004СБ Введение В настоящее время радио любительский рынок прочно наводнили устройства, которые используются в системах оповещения и сигнализации. Эти устройства , от самых простых до сложных, собраны, как правило, по стандартным классическим схемам. Данный курсовой проект представляет собой обзор широко распространенных радиолюбительских схем кодовых замков. Принципиальные схемы сопровождаются описанием их работы и рекомендациями по монтажу и настройке. Все рассматриваемые устройства доступны для повторения начинающими радиолюбителями - конструкторами, не обладающими глубокими теоретическими знаниями в электронике, и могут быть использованы для охраны таких объектов, как квартиры, офисы, дачи и т.п. от несанкционированного доступа. Материал в данном курсовом проекте, собран и систематизирован на основе публикаций разных источников. 1 Аналитический обзор 1.1 Кодовый замок с цифровой клавиатурой Уже неоднократно описывались конструкции кодовых замков, но интерес к подобным устройством по-прежнему велик. Описанные замки различаются по сложности, секретности, способу ввода кода. Довольно много было описано замков с одно или двухкнопочным управлением, но все равно устройства с цифровой клавиатурой для ввода кода остаются более традиционными и позволяют получать большую секретность при сохранении удобства пользования. В последнее время промышленностью стали выпускаться механические кодовые замки, которые обычно устанавливают на двери в подъездах домов или офисах. Но эти замки не очень надежны, чем снижается защищенность охраняемого объекта. Предлагаемый замок прост по схеме, что обеспечивает ему высокую надежность. Он имеет цифровую клавиатуру для ввода кода из 8 цифр, защиту от ошибки при нажатия нескольких клавиш одновременно и устройство включения сигнализации при наборе неправильного кода. Данное устройство может быть постоянно включенным, так как собрано на микросхемах КМОП и потребляет незначительный ток от источника питания. Принципиальная схема кодового замка приведена на рисунке 1. На счетчике DD2 и генераторе на элементах DD1.1 и DD1.2 выполнено устройство защиты от одновременного нажатия нескольких клавиш. Счетчик DD3.1 подсчитывает число введенных цифр, а счетчик DD3.2 число правильно введенных цифр. Одновибратор на элементах DD1.3 и DD5.1 подавляет дребезг контактов при нажатии клавиш. На мультиплексоре DD4 собрано устройство сравнения введенной цифры с правильной цифрой кода. На элементе DD5.3 выполнен узел включения сигнального устройства при вводе неправильного кода. Элементы R4, C3, VD1 служат для приведения устройства в исходное состояние.
Рисунок 1- Принципиальная схема кодового замка с цифровой клавиатурой В исходном положении счетчики DD3.1 и DD3.2 находятся в нулевом состоянии, тактовый генератор на элементах DD1.1 и DD1.2 вырабатывает импульсы, которые подаются на счетный вход счетчика DD2, на выходах которого последовательно появляется логическая 1. На адресные входы мультиплексора DD4 подан код 0, что соответствует первому входу. При нажатии на клавишу, например “3”, в момент появления логической 1 на соответствующем выходе счетчика DD2 запускается одновибратор на элементах DD1.3 и DD5.1, на выходе которого появляется логическая 1, запрещающая работу тактового генератора. Если цифра “3” является правильной, то логическая 1 действует на входе мультиплексора DD4, передается на его выход, разрешая увеличение на 1 значения счетчика DD3.2. Изменение состояния счетчика произойдет по спаду импульса на выходе одновибратора. Счетчик DD3.1 также увеличит на 1 свое значение. Если набранная цифра не была верной, то изменится только состояние счетчика DD3.1. Пока на выходе одновибратора будет присутствовать логическая 1 нажатие других клавиш или дребезг контактов нажатой не вызовут изменение состояния устройства. При вводе следующей цифры будет подключен вход 2 мультиплексора DD4 и так далее. После набора восьмой цифры при правильном наборе кода число правильных цифр будет равно 8, что соответствует присутствию на выходе 8 (вывод 14) счетчика DD3.2 логической 1, разрешающей работу исполнительного механизма замка, на выходе элемента DD5.3 будет логический 0, запрещающий работу сигнального устройства. При наборе неправильного кода число в счетчике DD3.2 будет меньше, чем в счетчике DD3.1, что вызовет появление логической 1 на выходе элемента DD5.3 и включения сигнализации. При каждом нажатии клавиши конденсатор C3 разряжается через диод VD1 и выходные цепи элемента DD5.2. После этого в течение некоторого времени (при указанных номиналах R4 и C3 около 7 с) напряжение на конденсаторе C3 достигает уровня логической 1, сбрасывая счетчики DD3.1 и DD3.2. Это необходимо для того, чтобы при допущении ошибки при наборе кода, можно было через некоторое время повторить набор. При подборе кода злоумышленником эта задержка создаст дополнительные трудности, так как увеличивает время попытки подбора кода. Время нажатия на клавишу должно быть коротким, меньше, чем импульс, формируемый одновибратором на элементах DD1.3, DD5.1, так как если клавиша останется нажатой, то одновибратор будет снова запущен и эта цифра будет введена вновь. Для злоумышленника это также станет дополнительной преградой. Задание кода сводится к установке перемычек между выходами микросхем DD2 и входами микросхемы DD4. Секретность замка составляет 108 комбинаций, что выше по сравнению, например с [1]. При необходимости число цифр в коде можно уменьшить до 4, подключив вывод 6 микросхемы DD5 к выводу 13 микросхемы DD3 и вывод 5 к выводу 5, предварительно отключив от цепей использованных ранее. Незадействованные входы микросхемы DD4 должны быть соединены с общим проводом. Естественно, секретность замка в этом случае будет ниже. Сигнальное устройство должно включаться высоким логическим уровнем и работать при исчезновении этого уровня после приведения электронной части замка в исходное состояние. Сброс замка в исходное состояние можно выполнять отдельной клавишей, размещенной вместе с остальными. В этом случае необходимо исключить элементы R4, C3 и VD1, подключив резистор сопротивлением 100 кОм между точкой соединения выводов 7 и 15 микросхемы DD3 и общим проводом и дополнительную клавишу между этой точкой и проводом питания. В этом случае обнуление счетчиков будет производиться этой клавишей. Надежность устройства несколько повысится, если между каждой клавишей и точкой соединения резистора R3 и выводом 12 элемента DD5.2 включить любые кремниевые диоды (например КД521) анодами к клавишам. Желательно чтобы сигнальное устройство при включении блокировало дальнейшую работу замка, например, обесточивало электронную часть. Если это не предусмотрено, то желательно доработать замок предварительно отключив вывод 5 DD1.2 от остальных цепей. При этом после включения сигнального устройства работа тактового генератора будет блокироваться, что усложнит дальнейшие попытки подбора кода. 1.2 Кодовый замок на тиристорах При установке кодового замка не всегда имеется возможность располагать кнопочную панель вблизи от схемы управления. В этом случае применение тиристоров в качестве триггеров запоминающих правильную комбинацию на бранного кода обеспечивает более высокую помехоустойчивость и стойкость к умышленному повреждению по сравнению со схемами собранными только на КМОП микросхемах. Приведенная на рисунке 2 схема позволяет ограничить доступ в помещение посторонних. Для срабатывания открывающего защелку электромагнита YA1 необходимо в определенной последовательности набрать код из 4 цифр (из 10 возможных). Работает схема следующим образом. В исходном состоянии на вход управления D1 1/6 через резистор R12 поступает лог 1 и внутренний ключ микросхемы будет замкнут. Нажатие кнопок в последовательности S4 S3 S2 S1 приведет к поочередному открыванию соответствующих тиристоров VS4, VS3, VS2, VS1. Ток через резисторы R8 R10 позволяют удерживать сработавшие тиристоры во включенном состоянии. Причем если при наборе номера ошибочно нажата любая другая кнопка, это приведет к срабатыванию ключа на элементе микросхемы D1. 3 что обеспечит появление лог 0 на входе D1. 1/6 — ключ разомкнется и частично правильно набранный код будет сброшен. При правильном наборе номера появится ток, протекающий через резисторы R6, R7 и откроется транзистор VT1. При этом будет подаваться питание на электромагнит YA1. А чтобы электромагнит не находился под напряжением в течение длительного времени после срабатывания элемент D1. 2 совместно с цепью заряда конденсатора С1, R11 позволяет ограничить продолжительность его работы интервалом 24 секунды. Время определяется номиналом конденсатора С1. Как только напряжение на входе D1 2/12 в процессе заряда конденсатора достигнет порога срабатывания ключа, он подаст лог '0" на управление D1.1, что переведет все тиристоры в исходное состояние. Устройство может работать при изменении питающего напряжения в более широких пределах, чем это указано на схеме, но его величина выбирается исходя из необходимой для надежного срабатывания применяемого электромагнита. При настройке схемы может потребоваться подбор номиналов резистора R7 и конденсатора С1.
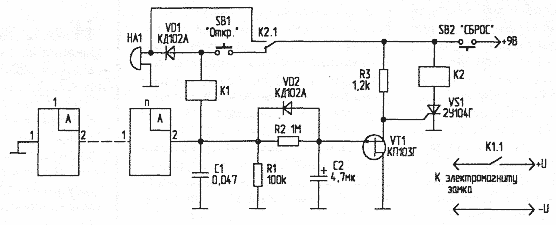
Рисунок 2 - Принципиальная сема кодового замка на тиристорах 1.3 Кодовый замок камеры хранения Кодовые замки достаточно широко применяются для ограничения доступа посторонних лиц к охраняемым объектам. Удобство пользования такими замками заключается в возможности как индивидуального, так и коллективного доступа (проход в служебные помещения, доступ к камерам хранения и т.п.). Порядок работы с кодовым замком полностью идентичен работе с замками автоматических камер хранения. После набора внутреннего, скрытого от постороннего взора кода (установки переключателей SA2 в положение, определяемое пользователем), дверцу захлопывают. Замок автоматически защелкивается. Число возможных вариантов кодовых сочетаний равно числу позиций переключателей SA1 и SA2, возведенных в степень, равную числу типовых наборных элементов. Для того чтобы открыть замок, необходимо на его наборных элементах набрать необходимый код. Последовательность элементов замка представляет собой простейшую схему совпадения. В случае если набран правильный код, управляющий электрод аналога тиристора оказывается зашунтированным. В результате, при нажатии на кнопку SB1 "Откр.", сопряженную с ручкой дверцы, элемент управления замком (электромагнитное реле К1) оказывается подключенным к источнику питания. Реле срабатывает, его контакты К1.1 включают электромагнит замка, замок открывается. При неправильном наборе кода и нажатии на кнопку SB1 "Открыть", напряжение через обмотку реле К1 поступает на управляющий электрод аналога тиристора, он открывается, включив реле К2. Контакты реле К2.1 размыкают цепь набора кода и включают сигнализацию (звонок НА1, сигнальную лампу и др.). Повторный набор кода будет возможен только после нажатия на кнопку SB2 "Сброс". Поскольку ток через обмотку реле К1 в случае неправильного набора кода невелик (ограничен резистором R1 и другими элементами схемы), реле К1 не срабатывает. Таким образом, пользователю для открывания замка предоставляется всего одна попытка, что резко ограничивает возможность подбора кода посторонними лицами. Диоды VD1, VD2, включенные параллельно обмоткам реле, препятствуют развитию колебательных процессов при коммутации индуктивной нагрузки. В схему введен элемент задержки срабатывания - конденсатор С1 большой емкости. Это задерживает срабатывание блокирующего устройства на несколько мгновений и позволяет пользователю убедиться в том, что дверца захлопнута, и замок закрыт. На случай аварийного отключения источника питания целесообразно предусмотреть резервное питание устройства от аккумулятора. Несколько иной принцип действия использован в схеме кодового замка, изображенной на рисунок 3. Как и в предыдущих случаях, при правильном наборе кода последовательно включенные типовые элементы обеспечивают подачу напряжения питания на обмотку реле К1 при нажатии на кнопку SB1 "Открыть". Но одновременно с нажатием на эту кнопку включается звонок НА1, и подается звуковой сигнал, индицирующий факт открывания замка. Блокировки при этом не происходит.
Рисунок 3 - Принципиальная электрическая схема кодового замка При неправильном наборе кода и нажатии на кнопку SB1 "Откр." также подается звуковой сигнал. Поскольку обмотка реле К1 последовательно соединена с резистором R1, ток через обмотку реле ничтожен, и его срабатывания не происходит. В то же время, напряжение питания поступает через резистор R2 на конденсатор С2. В исходном состоянии сопротивление канала исток-сток полевого транзистора VT1 невелико, управляющий электрод тиристора "закорочен" на общий провод. Если кнопка SB1 "Откр." нажата свыше 5 с, или производятся попытки подбора кода с замыканием кнопки SB1, конденсатор С2 заряжается, транзистор VT1 разблокирует цепь управления тиристором VS1. Тиристор включается, реле К2 (нагрузка тиристора) своими контактами К2.1 размыкает цепь набора кода и включает звуковую (или иную, не показанную на схеме) сигнализацию. Последующие обращения к замку возможны лишь после деблокировки схемы - нажатия кнопки SB2 "Сброс". Интервал времени задержки срабатывания определяется RC-цепочкой C2-R2. Для варьирования этого времени можно использовать переменный резистор R2. Диод VD2 предназначен для мгновенного разряда конденсатора С2 при "правильном" наборе кода и не обязателен. 1.4 Программируемый кодовый замок В отличие от ранее опубликованных схем кодовых замков, в данной имеется возможность менять код замка с помощью трех кнопок, т.е. обеспечивается режим достаточно высокой секретности при минимальном количестве кнопок. Рассмотрим порядок набора (записи) желаемого кода в память замка. Предварительно производится обнуление счетчиков DD6, DD7 кнопкой сброса SB6, после чего в них записывается двухзначный код цифр (О...7) с помощью кнопок (SB4 и SB5). Индикация набранного кода читается по потухшим светодиодам (VD1...VD6) в двоичном исчислении. Для защиты от дребезга контактов кнопок применяются RS-триггеры на ИМС DD3. Рассмотрим порядок работы схемы рисунок 4 при открывании замка двери. На пульте двери нажатием кнопки SB2 производится обнуление счетчика DD4. Кнопкой SB1 набирается первая цифра кода (соответствующим количеством нажатий). При правильно набранной цифре на выводе 6 DD10 появляется логический "О", который дает разрешение для набора следующей цифры. Кнопкой SB3 набирается вторая цифра. На выводе 5 DD11 в случае правильно набранной цифры появляется логическая "1". На входах 3, 4, 5 DD12 устанавливается логическая "1", и запускается ждущий мультивибратор, собранный на ИМС DD13. Он обеспечивает включение электромагнита исполнительного механизма на время 5...6 с. При открывании двери установленный на ней геркон КМ1 срабатывает, что приводит к разряду конденсатора С1 через открытый транзистор VT1, и электромагнит К1 обесточивается. Выбор времени работы электромагнита производится с помощью R20.
Рисунок 4 - Программируемый кодовый замок 2 Обоснование и выбор схемы РТУ Эта конструкция смотри рисунок 5 отличается от подобных тем, что на случай попытки открыть дверь посторонними лицами она снабжена звуковой сигнализацией неправильного набора кода. Простота в конструкции. 3 Описание выбранного варианта. Кодовый замок с непрерывной сигнализацией при неправильном наборе кода
Рисунок 5 – схема электрическая принципиальная При подаче напряжение питания цепь R1C1 устанавливает триггер DD1 в нулевое состояние и на инверсионном выводе 6 микросхемы DD1 - высокий уровень. При одновременном нажатии кнопок SB7- SB9 с этого вывода поступает сигнал на исполнительное устройство, которое состоит из транзисторного усилителя и тягового соленоида, управляющего ригелем замка. Если код замка набирают не правильно, т.е. нажимают на любую из кнопок SB1-SB6, высокий уровень появляется на выводе 8 микросхемы. Открывается транзистор VS1 и включает звуковой сигнализатор – он выполнен на симметричном мультивибраторе (транзисторы VT1 - VT2), усилителя мощности (VT3) и динамической головке (ВА1) – она и издает звук. Отключают сигнализатор и приводят устройство в исходное состояние нажатием кнопки SB10. Кнопки SB7- SB9 могут соответствовать любым кнопкам клавиатуры и образовывать соответствующий код, например 196. Кнопки SB1-SB6 – оставшиеся на клавиатуре. Кнопку SB10 устанавливают в потайном месте или, скажем, используют вместо нее, скажем кнопку «0» клавиатуры. Транзисторы могут быть любые из указанных на схеме серии, тиристор из серии КУ101 с буквенными индексами Г, Е, И, его также можно на однотипный с VT1, VT2 транзистор. Конденсаторы – К50-3 и КМ-6, резисторы - МЛТ, динамическая головка любая со звуковой катушкой сопротивлением 4-8 Ом. Источник питания – выпрямитель или батарея гальванических элементов напряжением 6 В при токе нагрузки не менее 100 мА. 4 Электрический расчет. Расчет автоколебательного мультивибратора и усилителя мощности Расчета автоколебательного мультивибратора. Схема для расчета автоколебательного мультивибратора приведена на рисунке 6.
Рисунок 6 – Схема мультивибратора на транзисторах Исходные данные: амплитуда положительного импульса UKu =12 В, длительность tu 1 =10 мкс, длительность фронта tф1 ≤1,0 мкс, длительность среза tc 1 ≤2 мкс, период следования T=40 мкс Rн =2 кОм, максимальная температура окружающей среды t°окр =+40°С. Выбор типа транзистора. Транзистор выбирается по определенной частоте fh 21б =100 (МГц) максимально допустимому напряжению UКБ max =10 (В) и статическому коэффициенту передачи по току h21Э =120. Так как транзистор в схеме мультивибратора работает в ключевом режиме, поэтому выберем широко используемый маломощный высокочастотный транзистор типаКТ315 с параметрами: fh 21б =100 (МГц), UКБ max =10 (В), h21Э =120, Iэ =5 (мА), Ik = 20 (мА), UКЭ = 10 (В). Так как скважность определяется выражением
то транзистор должен иметь коэффициент передачи по току:
Необходимое значение предельной частоты выбираемого транзистора fh 21б находится из следующих соображений. Малое значение длительности фронта импульса tф2 ≈τа ≈ τа+ Rk Ck получится в том случае, если постоянная времени заряда емкости С1 отвечает условию Rk C1 ≥(5÷10) τа . Обычно τа ≥Rk Ck , и поэтому принять Rk C1 ≈10τа . Так как
Используя выражение для h21Э , после преобразования получаем:
Проведенные расчеты показали правильность выбранного транзистора. Определим сопротивление резистора по формуле:
где
Согласно ряду номинальных значений сопротивлений примем значение резистора Rк равным 12 МОм. Для определения типа резистора рассчитаем его мощность рассеяния по формуле P=I2 R, поэтому в качестве резистора R можно использовать резистор типа С2-33-0,25-10 12 Мом ± 5% Ток коллектора насыщения IK нас определяется с учетом температуры окружающей среды по выражению:
Сопротивление резистора Rб определяется из условия режима насыщения открытого транзистора. Поэтому
Проверяем выполнения условия температурной стабильности схемы.
На основании полученного неравенства можно не учитывать влияния обратного тока коллектора на длительность и период следования импульса. Вычисляем емкости конденсаторов С1 и С2 .
Согласно ряду номинальных значений емкостей выберем конденсатор емкостью 330 пФ, следовательно, в качестве С1 можно использовать конденсатор типа К10-17б-Н90-330 пФ ± 10%
Согласно ряду номинальных значений емкостей выберем конденсатор емкостью 1000 пФ, следовательно, в качестве С2 можно использовать конденсатор типа К10-17б-Н90-1000 пФ ± 10% Проверяем длительность фронта.
Расчет усилителя мощности. В качестве выбрал транзистор типа КТ815Б, исходя из условия:
Uкэдоп =5 (В) IБ =5 (мА) Епит =6 (В) Uб =0,6 (В) Fh 21 =3 (мГц) Uk =10 (В) Iko =5 (мА) Rk =2 (кОм) Uбэ =1,2 (В) Исходя из данных , найдем величину Rб .
Согласно ряду номинальных значений сопротивлений, выбирают резистор с номинальным сопротивлением Rб =100 (кОм) и рассчитывают его. Р=I2 Rб =0,15 (Вт)≈0,25 (Вт) Поэтому в качестве Rб выбираем резистор типа С2-33-100 Ом- 0,25 Вт±5% Рассчитаем величину Rкэ .
Согласно ряду номинальных сопротивлений, выберем резистор с сопротивлением RКЭ =1 (кОм), и рассчитаем его P=I2 Rкэ ≈0,125 (Вт), выберем резистор типа С1-22-1 кОм-0,125 Вт±10%. Рассчитаем величину Ik , проходящего динамик ВА1.
Таким образом.
Все элементы схемы рассчитаны, выбраны их типы, следовательно, можно считать расчет законченным. 5 Разработка и метод изготовления печатных плат В процессе изготовления плата подвергается действию химических реагентов: при больших размерах платы, возможно, ее коробление. Размеры и очертания печатных проводников и элементов, контактных площадок, монтажных и контактных отверстий и т.п. на чертежах печатных плат указывают с помощью координатной сетки в прямоугольной системе координат. Правила выполнения чертежей печатных плат(ГОСТ 2.417-68) предусматривается также нанесение координатной сетки в полярной системе координат и указание размеров при помощи размерных выносных линий. Допускается комбинированный способ нанесения размеров. По ГОСТ 10317-72 шаг координатной сетки в двух взаимно перпендикулярных направлениях должен равняться 2.5мм. Для особо малогабаритной аппаратуры, а так же в исключительных, технически обоснованных, случаях применение дополнительного шага 1.25мм. Схемные детали и печатные проводники размещают на координатной сетке в соответствии с принципиальной схемой. При этом необходимо более экономно использовать площадь платы и избегать пересечения схемой. Элементы, имеющие большие габариты следует размещать вне платы, а соединение осуществлять монтажным проводом. Все навесные детали обычно располагают с одной стороны платы, а печатные проводники – на другой. На сторону печатных проводников не должны выходить за крепежные детали, так как с этой стороны выполняется пайка. В ряде случаев целесообразно применить двухсторонний монтаж. Конденсаторы, резисторы, перемычки и другие навесные детали располагают параллельно координатной сетке. Расстояние между корпусами параллельно расположенных деталей должно быть не менее 1мм, а расстояние по торцу – не менее 1.5мм. Центры отверстий для установки навесных деталей располагают в точках пересечения координатной сетки. Конструирование печатной платы начинают с разработки эскиза, который выполняют в увеличенном масштабе (2:1, 4:1 и т.д.). Для всех элементов, входящих в схему, изготовляют в том же масштабе шаблоны из картона и размешают на поле чертежа. После выбора лучшего варианта их расположения, наносят соединительные проводники. Печатные проводники расположенные на другой стороне платы, показывают штриховыми линиями. Затем составляют чертеж печатной платы. В узлах координатной сетки показывают окружности, соответствующие местам установки навесных навесных элементов. На изображении печатной платы проводники, экраны, контактные площадки и другие печатные элементы штрихуют. Проводники, ширина которых на чертеже менее 2мм., изображают сплошной утолщенной линией, равной примерно двум толщинам контурной. Контактные площадки, примыкающие к проводникам, изображены сплошной утолщенной линией, не штрихуют. Наносим краской, лаком или специальным маркером позитивный рисунок схемы проводников. Последующим травлением в растворе хлорного железа удаляется медь с незащищенных участков, и на диэлектрике получается требуемая электрическая схема проводников. Подготовка поверхности заготовки к нанесению рисунка заключается в очистке поверхности фольги. Зачистку целесообразно выполнять латунными или капроновыми щетками. Химический метод при сравнительно простом технологическом процессе обеспечивают высокую прочность сцепления проводников с основанием, равномерную толщину проводников и их высокую электропроводность. В настоящее время химический метод является основными при изготовлении односторонних печатных плат. Недостатки этого метода необходимость в металлических втулках при двухстороннем монтаже и непроизводительный расход меди. 6 Описание конструкции РТУ Корпус изготовить из удара прочного полистирола. Размеры корпуса 110*100*40. В левой стенки корпуса сделать 10 отверстий диаметром 8 мм для кнопок SB1-SB10. Динамик расположить в не корпуса над дверью, подвести проводами для этого в корпусе сделать 2 отверстия диаметром 3 мм, длинна проводов зависит от того на каком расстоянии находится динамик ВА1. Заключение В данном курсовом проекте рассмотрена схема кодового замка, в котором был рассчитан автоколебательный мультивибратор. Я считаю, что в данном курсовом проекте на данную тему я достаточно подробно описал данный вариант и показал его достоинства перед другими схемами. Библиографический перечень 1. Р. Трунин.
Кодовый замок на тиристорах (Электроника в быту)
— 1998, № 6, c. 47 5. А. М. Прыжевского. Справочник по полупроводниковым приборами их аналогам. Издательство АО «РОБИ» 1992 г. |






