Деталирование чертежа
Лекция 18
Деталирование чертежа
18.1 Последовательность выполнения деталирования
Разработка нового изделия и конструкторской документации на него в общем случае проходит пять стадий, установленных в ГОСТ 2.103-68. На четырех из этих стадий (техническое задание, техническое предложение, эскизный проект, технический проект) разрабатывают проектную документацию и на завершающей стадии рабочую документацию (опытного образца или опытных партий, установочной серии и установившегося или массового производства). На стадиях эскизного и технического проектов изготавливают и испытывают макеты изделий.
В учебном процессе студенты разрабатывают, как правило, проектную конструкторскую документацию курсовые работы и проекты, дипломные проекты и работы. В составе некоторых проектов на отдельные детали разрабатывают чертежи, соответствующие рабочим.
Одним из первых этапов студенческой проектной работы является разработка чертежа общего вида сборочное единицы отдельного прибора или узла машины, установки её по основным деталям. Аналогичные работы часто выполняют и в промышленности - при восстановлении утраченных чертежей или для создания конструкторской документации, необходимой для ремонта или модернизации импортных образцов оборудования, приборов.
Чертеж общего вида это чертеж, содержащий данные, определяющие конструкцию изделия, взаимодействие его частей, служащих для пояснения принципа работы изделия и разработки рабочей документации рабочих чертежей деталей и сборочных чертежей входящих в изделие сборочных единиц, включая сборочный чертеж изделия.
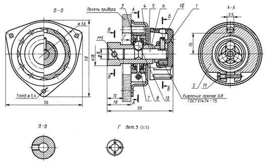
В чертеже общего вида должно содержаться такое количество изображений, которое достаточно для понимания формы всех входящих в его состав сборочных единиц и отдельных деталей для возможности выполнения чертежа любой детали. Пример чертежа общего вида приведен на рис. 18.1 (рис. 18.2. представляет таблицу спецификацию к нему).

Рис. 18.1. Последовательность выполнения деталирования

Рис. 18.2
Процесс разработки чертежей деталей, входящих в изделие, по конструктивному чертежу общего вида обычно называют деталированием.
В процессе деталирования студенты применяют ранее полученные знания к анализу конструктивных форм деталей изделия, выявлению их взаимодействия и работы изделия.
Деталирование является завершающим этапом изучения курса инженерной графики. Выполняя это задание, студенты закрепляют умение читать чертеж общего вида и выполнять по нему чертежи деталей.
Задание на Деталирование состоит из чертежа общего вида, технического описания к нему и вопросов. Студенту выдается индивидуальный вариант задания. Рекомендуется следующий порядок работы по деталированию:
- ознакомление с заданием;
- разработка планировки;
- нанесение размеров, корректировка;
- обводка чертежей.
18.2 Выполнение рабочих чертежей деталей
Рассмотрим отдельные этапы работы более подробно
Ознакомление с заданием. На первом этапе устанавливают назначение, устройство и принцип действия изделия, виды примененных соединений, разбираются во взаимодействии деталей, определяют порядок сборки и разборки изделия. Стараются представить форму каждой детали.
Разработка планировки. В учебном процессе (как и на производстве) применяют систему выполнения чертежей, при которой на одном листе располагают (в случае возможности) чертежи нескольких деталей. В большинстве случаев чертеж одной детали располагают на формате А3, иногда на этом формате располагают чертежи двух деталей (малогабаритных), располагая чертеж каждой детали на формате А4 (каждая со своей основной надписью). Размер формата чертежа зависит от габаритов детали, масштаба изображения, сложности детали и количества её изображений. При этом необходимо минимизировать число изображений детали без ущерба понимая её конструкцию
Для оставленных изображений отмечают зоны для размеров вне контура изображений. Изображения с зонами для размеров размещают на поле стандартного формата (А3 или А4). При симметричных изображениях для упрощения можно давать половины этих изображений.
Обычно с учетом зон для простановки размеров занятая изображениями площадь должна составлять 30…40% всей площади формата.
Все чертежи с левой стороны имеют поле для подшивки листа (20 мм), по остальным трем сторонам расстояние от линии рамки до границы формата 5 мм.
Планировка листа ответственный этап работы, т.к. здесь решаются вопросы выбора главного изображения, количества изображений и выбора форматов. При неправильной планировке неизбежны исправления и переделки.
Выполнение чертежей (в тонких линиях). К этой работе приступают после того, как убедятся в правильности планировки. В курсе инженерной графики используют правила выполнения чертежей деталей, относящиеся к изображению их формы и нанесению номинальных размеров, шероховатости и нанесения надписей. Нанесение размеров выполняют после тщательной проверки правильности выполненных изображений.
Простановка размеров и обводка чертежа. При разработке чертежей многих деталей работа по простановке размеров нередко оказывается более сложной, чем работа по выполнению изображений.
Величину изображаемой детали и её элементов определяют размерные числа, нанесенные на чертеже.
Размеры элементов деталей определяют непосредственным измерением по чертежу задания с учетом масштаба изображения. Особое внимание при вписывании размеров обращают на сопряженные размеры, т.е. на размеры сопрягаемых (соединяемых) деталей, номинальные значения которых являются одинаковыми. В отличии от сопряженных свободные размеры обычно относят к поверхностям деталей, не соприкасающимися с другими деталями сборочной единицы и не влияющим существенно на работу механизма.
Во избежание ошибок сопряженные размеры целесообразно вписывать первую очередь и последовательно на всех чертежах сопрягаемых деталей.
Проверив правильность выполнения чертежа, его обводят с соблюдением требований к толщине линий в соответствии с ЕСКД.
Примеры номинальных и свободных размеров приведены на рис. 18.3.

Рис. 18.3
После консультаций и выполнения рабочих чертежей деталей приступают к построению аксонометрического изображения заданной детали (по заданию: в изометрической или диметрической ортогональной проекции).
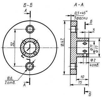
Пример рабочего чертежа детали приведен на рис 18.3.1.

Рис. 18.3.1
18.3 Выполнение аксонометрического чертежа детали
Способ аксонометрического проецирования состоит в том, что данная фигура вместе с осями прямоугольных координат, к которым она отнесена в пространстве, проецируется на некоторую плоскость, принятую за плоскость аксонометрических проекций (эту плоскость называют также картинной плоскостью).
При параллельном проецировании, если направление проецирования перпендикулярно к картинной плоскости, аксонометрическую проекцию называют прямоугольной, в противном случае косоугольной. В прямоугольной аксонометрической проекции оси присоединенных прямоугольных координат располагают непараллельно плоскости аксонометрических проекций.
Применяемые в конструкторской документации аксонометрические проекции стандартизированы ГОСТ 2.317-69. Наиболее часто используются прямоугольные изометрическая и диметрическая аксонометрические проекции (см. курс начертательной геометрии).
Положение детали (по заданию) в изометрической или диметрической проекциях выбирают в зависимости от её формы и соотношения размеров. Так, детали, имеющие продолговатую (удлиненную) форму, выполняют обычно в диметрии. При этом наибольший размер располагают вдоль осей Х или Z, по которым размеры не уменьшаются. В диметрии также предпочтительно выполнять детали, поверхности которых ограничены горизонтально-проецирующими плоскостями, расположенными по углом 45° к плоскостям П2 и П1 соответственно, т.к. эти плоскости в изометрической проекции изображаются в виде вертикальных прямых.
Внутренние формы деталей в аксонометрических проекциях выявляют «вырезом» передней части детали.
Рациональная последовательность построения аксонометрической проекции по имеющемуся чертежу (рис. 18.4.) такая:

Рис. 18.4
1. Определяют вид аксонометрической проекции для изображения денной детали (изометрия или диметрия). Деталь, показанную на рис. 18.4, целесообразно изображать в диметрической проекции. Выбирают достаточное место для аксонометрического изображения и отмечают начало координат О.
2. проводят аксонометрические оси под установленными углами (120° - для изометрии и 7°10 и 41°25 - для диметрии) из начала координат и строят сечения детали в плоскостях YOZ и XOZ. Координаты точек сечений, выполняемых в плоскостях YOZ и XOZ, берут соответственно на профильном и фронтальном разрезах детали чертежа.
3. Строят изображение верхней части детали, видимых внутренних элементов, наружные боковые поверхности.
4. Достраивают боковые элементы крепления.
После построения изображения в тонких линиях производят обводку его и штриховку «выреза» в соответствии с требованиями ЕСКД.
Деталирование чертежа