Электрическая часть электрических станций
Федеральное агентство по образованию
Государственное образовательное учреждение высшего профессионального образования
“ТОМСКИЙ ПОЛИТЕХНИЧЕСКИЙ УНИВЕРСИТЕТ”
Кафедра: Электрических систем и высоковольтной техники
Направление (специальность): 140200 Электроэнергетические системы и сети
Курсовой проект по дисциплине:
«Электрическая часть электрических станций».
Выполнил студент гр. _____________________
дата/подпись
Руководитель: _____________________
дата/подпись
Томск
СОДЕРЖАНИЕ
|
Введение…………………………………………………………………………… |
3 |
|
Исходные данные…………………………………………………………………… |
4 |
|
Выбор оборудования…………………………………………………………… |
5 |
|
Расчёт режимных токов…………………………………………………………… |
10 |
|
Выбор коммутационных аппаратов…………………………………………… |
17 |
|
Выбор токопроводов……………………………………………………………… |
25 |
|
Выбор измерительных трансформаторов …………………………………….. |
34 |
|
Выбор главной схемы электрических соединении…………………………… |
37 |
|
Схема управления воздушным выключателем………………………………. |
39 |
|
Требования экологии…………………………………………………………… |
40 |
|
Заключение………………………………………………………………………… |
42 |
|
Список литературы………………………………………………………………… |
44 |
Введение
Электростанция это совокупность электрических станций, электротепловых сетей, потребителей электротепловой энергии, связанных общность режима и непрерывностью процесса производства, распределения, преобразования и потребления электротепловой энергии.
По особенностям основного технологического процесса преобразования энергии и виду используемого энергетического ресурса электростанции разделяют на тепловые, атомные, гидроэлектростанции, гидроаккумулирующие, газотурбинные и др.
Главной задачей курсового проекта является определение типа электростанции по исходным данным, проектирование и расчет данной электростанции, как в нормальных, так и аварийных режимах
Электростанция вида ТЭЦ предназначена для централизованного снабжения промышленных предприятий и городов электроэнергией и теплом. Являясь тепловыми электростанциями, они отличаются от КЭС использованием тепла «отработавшего» в турбинах пара для нужд промышленного производства, а также для отопления, кондиционирования воздуха и горячего водоснабжения. При такой комбинированной выработке электроэнергии и тепла достигается значительная экономия топлива по сравнению с раздельным энергоснабжением, т. е. выработкой электроэнергии на КЭС и получением тепла от местных котельных. Поэтому ТЭЦ получили широкое распространение в районах (городах) с большим потреблением тепла и электроэнергии.
Существенной особенностью ТЭЦ является также повышенная мощность теплового оборудования по сравнению с электрической мощностью электростанции. Это обстоятельство предопределяет больший относительный расход электроэнергии на собственные нужды, чем на КЭС.
Специфика электрической части ТЭЦ определяется расположением электростанции вблизи центров электрических нагрузок. В этих условиях часть нагрузок выдается в местную сеть непосредственно на генераторном напряжении. С этой целью на электростанции создается обычное генераторное распределительное устройство (ГРУ). Избыток мощности выдается в энергосистему на повышенном напряжении.
В задачи проектирования электростанции входит выбор силового оборудования, аппаратов, токоведущих частей и других элементов, входящих в схему электростанции. Схема электростанции полностью зависит от исходных данных, с помощью которых мы распределяем генераторы, выбираем трансформаторы и другое оборудование.
Исходные данные для проектирования Таблица 1
|
Генераторы |
Энергосистема |
||||
|
Число и Р, шт*МВт |
U, кВ |
S, МВA |
U, кВ |
Реакт. сопр.,% |
Кол-во линий связи, шт. |
|
2 * 110 4 * 160 |
10,5 18 |
3000 |
220 |
200 |
2 |
|
Нагрузки потребителей |
Величина резерва |
||||||||
|
Присоединения на U1 |
Присоединения на U1 |
||||||||
|
U, кВ |
Число и Р линий, шт*МВт |
Коэф. сист. |
сos(ф) |
U, кВ |
Число и Р линий, шт*МВт |
Коэф. сист. |
сos(ф) |
На станции, МВт |
В системе, МВт |
|
10 |
10 * 8 16 * 6 |
0,79 |
0,89 |
110 |
12 * 50 |
0,78 |
0,9 |
По балансу мощности |
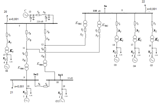
Главная схема электрический соединений электростанций.
Структурной схемой называется схема выдачи электроэнергии, на которой показываются в виде условных графических изображений основные функциональные части электростанции и связи между ними. В качестве основных функциональных частей (объектов) выступают генераторы проектируемой станции (G), система (генераторы станций, входящих в ту же энергосистему, что и проектируемая станция; обозначение на схеме - С), распределительные устройства (РУ), линии нагрузки внешних (W) и внутренних (собственные нужды, с.н.) потребителей. Связь между перечисленными объектами может выполняться силовыми трансформаторами (Т) и токоограничивающими реакторами (LR).
Вся коммутационная аппаратура одного напряжения входит в состав РУ этого напряжения, поэтому на схемах не показывается. Исключение составляют выключатели, устанавливаемые на стороне низшего напряжения блочных трансформаторов и на шинах ГРУ.По исходным данным можно определить, что проектируемая электростанция относится к типу ТЭЦ. Основной особенностью соединений ТЭЦ является наличие во многих случаях сборных шин генераторного напряжения, к которым присоединяются генераторы ТЭЦ
По исходным данным определяем:
- станция имеет 3 РУ 10кВ, 110кВ, 220кВ.
- по нагрузкам на НН и СН распределяем генераторы
НН: нагрузка равна
СН: нагрузка равна
Для того, чтобы уменьшить перетоки мощности, скомпенсировать потребляемую нагрузку, а также учесть, что на одном блоке (РУ) рекомендуется размещать генераторы одной мощности, установим на НН 2 генератора мощностью по 110МВт, на СН 3 генератора мощностью по 160МВт, на ВН 1 генератор 160 МВт.
- ГРУ разделим на 2 секции и поместим между ними токоограничивающий реактор
- выключатели и разъединители поставим на каждом присоединении.

Рис.1. схема электрических соединений станции.
Выбор оборудования.
Рассчитаем перетоки мощности при различных режимах работы станции (максимальный, минимальный, аварийный).
Режим максимальных нагрузок:
- коэффициент системы, учитывающий некруглосуточность работы нагрузок.
- суммарная нагрузка.
Баланс мощности для НН:
- мощность потребляемая генератором на собственные нужды.
Для нахождения реактивной мощности воспользуемся формулой:
- коэффициент мощности генератора найдем из табл. 2.1 (1).
Для Р=110МВт
Для Р=160МВт
Тогда мощность, отдаваемая в сеть по одной линии, составит:
Баланс мощности для СН:
- мощность потребляемая генератором на собственные нужды.
Для нахождения реактивной мощности воспользуемся формулой:
- коэффициент мощности генератора найдем из табл. 2.1 (1).
Тогда мощность, отдаваемая в сеть по одной линии, составит:
По 1 закону Кирхгофа:
По 2 линиям:
Режим минимальных нагрузок:
,
Баланс мощности для НН:
Тогда мощность, отдаваемая в сеть по одной линии, составит:
Баланс мощности для СН:
Тогда мощность, отдаваемая в сеть по одной линии, составит:
По 1 закону Кирхгофа:
По 2 линиям:
Режим аварийный при максимальных нагрузках:
- При отключении генератора на ГРУ-10кВ.
Тогда мощность, отдаваемая в сеть по одной линии, составит:
На СН переток остался таким же:
По 2 линиям:
- При отключении генератора на РУ 110кВ:
По 2 линиям:
По максимальному перетоку выбираем оборудование.
- переток при минимальном режиме
Мощность трехобмоточного трансформатора вычисляется:
- коэффициент, учитывающий отключение одного из трансформаторов.
По табл. 3.8 (1) выбираем:
АТДЦТН-250000/220/110
Sном = 250 МВА; Uном вн = 230 кВ; Uном сн = 121 кВ; Uном нн = 10,5 кВ;
Рх =120 кВт; Рк вн-сн = 500 кВт; Рк вн-нн = 410 кВт; Рк сн-нн = 400 кВт;
Uк вн-сн = 11%; Uк вн-нн = 32%; Uк сн-нн = 20%;
Iх = 0,4 % Sнн = 125 МВА;
Выбираем трансформатор на СН:
Найдем мощность:
ТДЦ 200000/110
Sном = 200 МВА; Uном вн = 121 кВ; Uном нн = 18 кВ;
Рх =170 кВт; Рк = 550 кВт; Uк = 10,5%;
Iх = 0,5 %
Выбираем трансформатор на ВН:
Найдем мощность:
ТЦ 200000/220
Sном = 200 МВА; Uном вн = 242 кВ; Uном нн = 18 кВ;
Рх =130 кВт; Рк = 660 кВт; Uк = 11%;
Iх = 0,4 %
На первоначальном этапе по табл. П3.1 (1) выберем межсекционный реактор для внутренней установки: РБНГ-10-2500-0,2
Генераторы: ТВФ-110 2ЕУ3 ТВФ-1602ЕУ3
Расшифровка обозначений:
Т турбогенератор;
В непосредственное охлаждение обмотки статора водой;
В непосредственное охлаждение обмотки ротора водородом
110 номинальная активная мощность генератора, МВт;
2 число полюсов;
А обозначает, что генератор предлежит унифицированной серии;
У генератор принадлежит к использованию для “умеренного” климата;
З в закрытом помещении с естественной вентиляцией
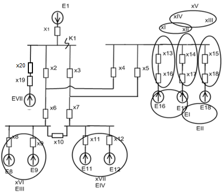
Составим схему замещения ТЭЦ:

Рис. 2. Схема станции.
Расчет параметров:
АТ: потери КЗ найдем через формулы:
Напряжения КЗ:
Тогда сопротивления обмоток:
ТР (средняя сторона):
,
ТР (высокая сторона):
Реактор: х=0,2Ом.
ЛЭП: 240/32, так как на 100 км ,, то на 200 км:
.
Расчет токов короткого замыкания
Короткими замыканиями называют замыкания между фазами, замыкания фаз на землю в сетях с глухо- и эффективно-заземленными нейтралями, а также витковые замыкания в электрических машинах. Расчеты токов короткого замыкания производятся для выбора или поверки параметров электрооборудования, а также для выбора или проверки установок релейной защиты и автоматики.
Расчет токов при трёхфазном КЗ выполняется в следующем порядке:
-для указанной энергосистемы составляется расчетная схема.
-по расчетной схеме составляется схема замещения.
-путем преобразования приводят схему к наиболее простому виду, определяя результирующее сопротивление и ЭДС.
-зная результирующую ЭДС и сопротивление, по закону Ома определяем начальную составляющую тока КЗ, затем ударный ток.
Составим схему замещения и определим ток КЗ на стороне ВН:
Базисные напряжения выбираются из ряда базисных напряжений для соответствующей ступени трансформации:

Рис. 3. Схема замещения.
Параметры генератора:
1) 110Мвт. х9 и х11, Е9 и Е11
о.е.; о.е.
о.е.
2) 160Мвт. х16-19, Е16-19.
о.е.; о.е.
о.е.
Параметры АТ, х2-3, х 6-7, х4-5, о.е:
Параметры ТР, о.е:
1) на стороне СН, х13-15:
2) на стороне ВН, х20:
Параметры реактора, х10 о.е:
Параметры системы, Е1 и х1, о.е.:
Параметры нагрузки со стороны НН, Е8,12 х8,12, о.е.: Е=0,85
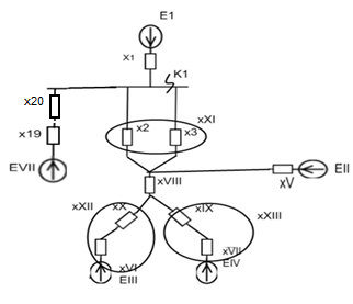
Используя преобразования, приведенные на рис.4 приведем схему к линейному виду:


Рис. 4. Порядок преобразования схемы замещения.



Рис. 5. Порядок преобразования схемы замещения.
Все расчеты проводятся в о.е.:
1)
2)
3)
4)
5)
6)Преобразуем треугольник х6, х7, х10 в звезду xVIII, xX, xIX:
7)
8)
9)
10)
11)

Рис. 6. Линейный вид схемы.
12)
13)
14)
Тогда ток КЗ, о.е:
В именованных единицах:
Проведем аналогичный расчет тока КЗ с помощью программно-вычислительного комплекса Mustang, в которой предварительно зададим всю информацию об элементах схемы (рис.2):
- Зададим параметры узлов:

- Введем параметры ветвей:

- Данные генераторов:

- Параметры автоматики:

- Значение тока КЗ:
Как видно при расчете с помощью программного комплекса периодическая составляющая тока оказалась меньше, чем при ручном расчете. Тогда в дальнейших расчетах примем значение тока КЗ равным 10,359кА.
Найдем апериодическую составляющую тока:
Где t - расчетное время КЗ, которое определяется как tс.выкл + 0,01,
tс.выкл собственное время выключателя, примем равным 0,045с. для маломасленного выключателя (ВМТ-220Б-25/1250 УХЛ1)
Та постоянная времени, которая в соответствии с табл. 3,7-3.8 (1).
Ударный ток:
, где Куд ударный коэффициент, по табл. 3,7-3.8 (1).
Со стороны системы:
Со стороны СН и НН:
Со стороны блока-генератора:
Аналогично, с помощью программы MUSTANG определим токи КЗ при повреждении на шинах СН и НН.
Короткое замыкание на шине среднего напряжения:

Найдем апериодическую составляющую тока:
, который состоит из тока со стороны генераторов и сторон ВН и НН: ,
Где t - расчетное время КЗ, которое определяется как tс.выкл + 0,01,
tс.выкл собственное время выключателя, примем равным 0,05с. для воздушного выключателя (ВВБМ-110Б-31,5/2000 ХЛ1)
Ударный ток:
, где Куд ударный коэффициент, по табл. 3,7-3.8 (1).
Со стороны системы:
Со стороны блоков-генераторов:
Короткое замыкание на шине низкого напряжения:
Найдем апериодическую составляющую тока:
, который состоит из тока со стороны блоков-генераторов и сторон ВН и СН: ,
Где t - расчетное время КЗ, которое определяется как tс.выкл + 0,01,

tс.выкл собственное время выключателя, примем равным 0,168с. для воздушного выключателя внутренней установки (ВВОА-15-140/12500У3)
Ударный ток:
, где Куд ударный коэффициент, по табл. 3,7-3.8 (1).
Со стороны системы:
Со стороны блоков-генераторов:
По рассчитанным параметрам уточним выбор выключателей и разъединителей.
Выбор коммутационных аппаратов.
Выключатель коммутационный аппарат, предназначенный для коммутации цепей при аварийных, а также нечастых оперативных включений и отключений электрических цепей.
Конструкция:
-Контактная система. Главные контакты, имеющие малое переходное сопротивление, дугогасительные контакты.
- Привод создает необходимое усилия для операции включения, для удержания во включенном положении и для отключения выключателя.
Виды: ручной, пружинный (косвенного действия), электромагнитный (прямого действия), пневматический ( за счет сжатого воздуха), пневмогидравлический (за счет сжатой жидкости).
-Максимальный расцепитель (независимый), благодаря которому при протекании в его обмотке тока КЗ, выключатель отключается.
-Минимальный расцепитель, при снижении или исчезновении напряжения, отключается выключатель.
-При отключении сначала размыкаются главные контакты и весь ток переходит на дугогасительные. На главных дуга не образуется. Дугогасительные размыкаются тогда, когда главные будут на достаточном расстоянии.
- Дугогасительная камера.
По принципу действия дугогасительные устройства можно разделить на три группы:
- с автодутьем, в которых высокое давление и большая скорость движения газа в зоне дуги создаются за счет выделяющейся в дуге энергии.
-с принудительным масленым дутьем, у которых к месту разрыва масло нагнетается с помощью специальных гидравлических механизмов.
- с магнитным гашением в масле, в которых дуга под действием магнитного поля перемещается в узкие каналы и щели.
Виды выключателей:
-масляные
-маломасляные
-воздушные
-электромагнитные
-вакуумные
-автогазовые
-элегазовые
-синхронизированные.
Разъединитель - контактный коммутационный аппарат, предназначенный для отключения и включения электрической цепи без тока или с незначительным током, который для обеспечения безопасности имеет между контактами в отключенном положении изоляционный промежуток.
Разъединитель создает видимый разрыв между частями, оставшимися под напряжением, и аппаратами, выведенными в ремонт.
В условном обозначении разъединителей принято:
Р- разъединитель.
Н- наружной установки.
Д- двухколонковый (каскадный изолятор один на другом для 220кВ).
З наличие заземляющих ножей.
1а, 1б, 2 условное обозначение количества и расположения заземляющих ножей.
У климатическое исполнение (умеренный климат).
1 категория размещения.
Устройство.
-Конструктивно разъединители представляют собой аппарат двухколонкового типа с разворотом главных ножей в горизонтальной плоскости, имеющий два варианта установок: трехполюсный, однополюсный.
-Каждый разъединитель состоит из токоведущей системы, двух колонок изоляторов, цоколя. Разъединители с заземляющими ножами имеют рабочий заземляющий контур.
На шине 220кВ.
Ток КЗ состоит из 2 составляющих: вынужденной, обусловленной действием напряжения источника (периодическая) и свободная, обусловленная изменением запаса энергии магнитного поля в индукции Lk (апериодическая). Iп имеет периодический характер с частотой, равной частоте напряжения источника. Ia имеет апериодические характер (затухает по экспоненте). В момент КЗ эти составляющие имеют максимальное значение, но с течением времени они затухают. На процесс затухания влияют различные факторы: места КЗ от источников питания, системы, параметры схемы (постоянная времени), действие генераторов и АРВ и т.д. Так, например система подпитывает ток КЗ, поэтому величина Iп со стороны системы не изменяет своего значения, тогда как Iп со стороны генераторов уменьшается. Для определения Iп генераторов обратимся к методу определения тока периодической составляющей через типовые кривые.
Определяем периодический ток во время t.
Со стороны системы
Со стороны генератора:
определим номинальный ток генератора
найдем отношение
по рис. 3.26. (1 стр.152) определяем при t=0,045c
Аналогичный расчет для Iпt со стороны СН и НН: Составим таблицу с данными:
Таблица 2
|
Iп0, кА |
Iпt, кА |
iаt, кА |
iу,кА |
|
|
СН и НН |
4,907 |
4,711 |
6,201 |
9,618 |
|
Генераторы |
1,669 |
1,519 |
1,994 |
4,619 |
|
Система |
3,762 |
3,762 |
1,187 |
6,419 |
|
10,338 |
9,992 |
9,381 |
20,698 |
Выберем выключатель маломасляный:
Таблица 3
|
Расчетные данные |
Параметры выключателя ВМТ-220Б-25/1250 |
Параметры разъединителя РДЗ-220/1000 |
|
U=220кВ |
U=220кВ |
U=220кВ |
|
Iпt =9,992 кА |
Iнотк =25 кА |
|
|
iаt=9,381 кА |
||
|
Iп0=10.338 |
Iдин=10.338 |
|
|
iу=20.696,кА |
iдин=20.696,кА |
iдин=100,кА |
|
Вк= Iп02(tотк+ta)=470,2 кА2*c |
Iтер2*tтер=252*3=1875 кА2*c |
Iтер2*tтер=402*3=4800 кА2*c |
Tотк наибольшее время срабатывание защиты = 4с.
Для выбора выключателя на блок-генераторе со стороны ВН смоделируем КЗ в узле 6 в программе MUSTANG. Со стороны системы: , со стороны блоков-генераторов: . Выбираем больший ток и по его величине начинаем расчет:
определим номинальный ток генератора
найдем отношение
по рис. 3.26. (1 стр.152) определяем при t=0,021c
Выберем выключатель маломасляный:
Таблица 4
|
Расчетные данные |
Параметры выключателя МГУ-20-90/6300У3 |
Параметры разъединителя РВЗ-20/6300 |
|
U=18кВ |
U=20кВ |
U=20кВ |
|
Iпt =33,412 кА |
Iнотк =90 кА |
|
|
iаt=21,959 кА |
|
|
|
Iп0=34,094 |
Iдин=105 |
|
|
iу=115,92,кА |
iдин=300,кА |
iдин=220,кА |
|
Вк= Iп02(tотк+ta)=4960кА2*c |
Iтер2*tтер=902*4=32400кА2*c |
Iтер2*tтер=402*3=25600кА2*c |
Tотк наибольшее время срабатывание защиты = 4с.
Шина СН: Ток со стороны системы:, со стороны блоков-генераторов: .
Рассчитаем параметры исходя из данного значения:
определим номинальный ток генератора
найдем отношение
по рис. 3.26. (1 стр.152) определяем при t=0,267c
Аналогичный расчет для Iпt со стороны СН и НН:
Составим таблицу с данными:
Таблица 5
|
Iп0, кА |
Iпt, кА |
iаt, кА |
iу,кА |
|
|
ВН и НН |
10,02 |
9,018 |
11,31 |
27,82 |
|
Генераторы |
9,861 |
8,87 |
12 |
27,556 |
|
19,881 |
17,888 |
23,31 |
55,366 |
Выберем выключатель воздушный:
Таблица 6
|
Расчетные данные |
Параметры выключателя ВВБМ-110Б-31,5/2000ХЛ1 |
Параметры разъединителя РВЗ-110/1000 |
|
U=110кВ |
U=110кВ |
U=110кВ |
|
Iпt =17,888 кА |
Iнотк =31,5 кА |
|
|
iаt=23,32 кА |
|
|
|
Iп0=19,881 |
Iдин=40 |
|
|
iу=20.696,кА |
iдин=102кА |
iдин=80кА |
|
Вк= Iп02(tотк+ta)=1739 кА2*c |
Iтер2*tтер=402*3=4800 кА2*c |
Iтер2*tтер=31,52*4=2977 кА2*c |
Tотк наибольшее время срабатывание защиты = 4с.
Для выбора выключателя на блок-генераторе со стороны СН смоделируем КЗ в узле 14 в программе MUSTANG. Со стороны системы: , со стороны блоков-генераторов: . Выбираем больший ток и по его величине начинаем расчет:
определим номинальный ток генератора
найдем отношение
по рис. 3.26. (1 стр.152) определяем при t=0,267c
Выберем выключатель маломасляный:
Таблица 7
|
Расчетные данные |
Параметры выключателя МГУ-20-90/6300У3 |
Параметры разъединителя РВЗ-20/6300 |
|
U=18кВ |
U=20кВ |
U=20кВ |
|
Iпt =24,99 кА |
Iнотк =90 кА |
|
|
iаt=24,765 кА |
|
|
|
Iп0=38,094 |
Iдин=105 |
|
|
iу=130,734,кА |
iдин=300,кА |
iдин=220,кА |
|
Вк= Iп02(tотк+ta)=6192кА2*c |
Iтер2*tтер=902*4=32400кА2*c |
Iтер2*tтер=802*4=25600кА2*c |
Tотк наибольшее время срабатывание защиты = 4с.
Шина НН: Ток со стороны системы:, со стороны генераторов: .
Рассчитаем параметры исходя из данного значения:
определим номинальный ток генератора
найдем отношение
по рис. 3.26. (1 стр.152) определяем при t=0,267c
Аналогичный расчет для Iпt со стороны СН и НН:
Составим таблицу с данными:
Таблица 8
|
Iп0, кА |
Iпt, кА |
iаt, кА |
iу,кА |
|
|
ВН и НН |
89.82 |
76.432 |
82.87 |
251.3 |
|
Генераторы |
16.185 |
16.185 |
11.75 |
45.23 |
|
106.005 |
92.617 |
94.61 |
296.53 |
Выберем выключатель воздушный:
Таблица 9
|
Расчетные данные |
Параметры выключателя ВВОА-15-140/12500У3 |
Параметры разъединителя РВЗ-20/8000 |
|
U=10.5кВ |
U=15кВ |
U=20кВ |
|
Iпt =92,617 кА |
Iнотк =140 кА |
|
|
iаt=94.61кА Iкз= |
|
|
|
Iп0=106.005 |
Iдин=140 |
|
|
iу=296.53кА |
iдин=355кА |
iдин=300кА |
|
Вк= Iп02(tотк+ta)=45179 кА2*c |
Iтер2*tтер=1402*4=78400 кА2*c |
Iтер2*tтер=1202*4=57600 кА2*c |
Tотк наибольшее время срабатывание защиты = 4с.
Выбор выкатных выключателей на шине НН.
При выборе данных типов выключателей необходимо учесть, что максимальный ток будет рассчитывается от мощности присоединяемой нагрузки на одной секции:
И ток КЗ тогда будет иметь меньшее значение, так как действие реактора уменьшит его величину, но в силу технических обстоятельств мы не можем измерить с помощью программы MUSTANG значение тока КЗ. Поэтому выбор воздушного выключателя осуществим по 2 параметрам:
Таблица 10
|
Расчетные данные |
Параметры выключателя ВВЭ-10-31,5/3150У3 |
Параметры разъединителя РВРЗ-10/4000 |
|
U=10кВ |
U=10кВ |
U=10кВ |
Выбор реактора.
Реактор служит для ограничения токов КЗ в мощных электроустановках, а также позволяет поддерживать на шинах определенный уровень напряжения при повреждениях за реакторами.
Реактор представляет собой индуктивную катушку, не имеющую сердечника из магнитного материала. Благодаря этому он обладает постоянным индуктивным сопротивлением, не зависящим от протекающего тока. При КЗ реактор также способствует поддержанию напряжения необходимого для электрооборудования, поэтому целесообразно иметь возможно большое значение Хр. Однако в нормальном режиме на этом большом сопротивлении будет происходить дополнительное падание напряжение, то есть увеличатся потери. Поэтому при выборе реактора учитывают, чтобы падение напряжения при протекании нормального тока не превышало 8-12% от номинального напряжения.
Групповой реактор (сдвоенный) конструктивно подобен обычным, но от средней точки обмотки имеется дополнительный вывод. Также у сдвоенного реактора имеется магнитная связь между ветвями каждой фазы (взаимная индуктивность). Этим и определяется преимущество таких видов реакторов: в зависимости от схемы включения и направления токов в обмотках индуктивное сопротивление его может увеличиваться или уменьшаться. Это свойство используют для уменьшения падения напряжения при нормальном токе и ограничении токов КЗ.
Для шин НН между секциями ставим межсекционный реактор внутренней установки:
РБГ-10-2500-0,2.
Для секций шин НН выбираем групповой реактор:

Рис.7. групповой реактор.
Найдем максимальный ток присоединений:
На первоначальном этапе выберем сдвоенный реактор внутренней установки РБСДГ 10-2*2500-0,25У3
Iмакс = 60кА (ток электродинамической стойкости).
Iтерм = 23,6кА (ток термической стойкости).
Проверка:
А) реактор не проходит по номинальному току, будем считать, что максимальный ток в одной ветви не превысит 2500А.
Б) Найдем сопротивление секции без включения реактора:
Тогда с учетом реактора:
то есть выключатель сработает нормально.
Проверим реактор на эл.динамическую стойкость:
Ку для генераторов 110МВт.
Термическая стойкость: - для резервной защиты.
-для выключателя.
Остаточное напряжение, не должно быть не менее 65-70%:
Падение напряжения на реакторе, должно быть меньше 8-12%:
- коэффициент связи стр. 352 (2)
Выбор токопроводов.
Основное электрическое оборудование электростанции и аппараты этих цепях соединяются между собой проводниками разного типа, которые образуют токоведущие части электрической установки.
В пределах турбинного отделения до фасадной стены токоведущие части выполняются шинным мостом или комплектным пофазно-экранированным токопроводом. Между турбинном отделением и ГРУ соединение выполним шинным мостом или гибким подвесным токопроводом. Все соединения внутри ГРУ выполняем жесткими голыми алюминиевыми шинами прямоугольного или коробчатого сечения , так как медные дорогие. При больших токах рекомендуют шины коробчатого сечения, так как они обеспечивают меньшие потери от эффекта близости и поверхностного эффекта, а также лучшие условия охлаждения. Шины крепятся на опорных фарфоровых изоляторах.
От ГРУ до трансформаторов связи, и соединения блочных трансформаторов с ОРУ осуществляем шинным мостом или гибким подвесным токопроводом, выполненные проводами АС. Два провода из пучка сталеалюминевые несут в основном механическую нагрузку от собственного веса, гололеда и ветра. Остальные провода алюминиевые являются только токоведущими. По экономической плотности не проверяются: сети промышленных предприятий, сборные шины электроустановок и ошиновок в пределах ОРУ и ЗРУ, и т.д. стр. 233 (1).
Для потребителей в ГРУ выбираем кабели.
Рис.8 Принципиальная схема ТЭЦ.
В турбинном отделении на НН установим комплектный токопровод, стр.540 (2):
Для ТВФ-110-2ЕУ3 ГРТЕ-10-8550-250 номинальный ток токопровода=8550А, электродинамическая стойкость=250кА.
Проверка:
От турбинного отделения до ГРУ-10кВ выберем гибкий подвесной токопровод:
Проверка по экономической плотности тока:
, Iн= ток нормального режим, J=1А/мм2- нормированная плотность тока по табл.4.5 стр.233 (1).
По табл. П3.3 выбираем 2 несущих провода АС-600/72, тогда сечение алюминиевых:
Число проводов А-600:
Принимаем токопровод 2*АС-600/72+11*А-600, диаметром d=160мм, расстоянием между фазами D=5м.
Проверка по допустимому току:
Пучок неизолированных проводов имеет большую поверхность охлаждения, поэтому проверка на термическую стойкость не производится.
Проверка по условиям схлестывания (При больших токах КЗ (Iпо>20kA) провода в фазах в результате динамического взаимодействия могут настольно сблизится, что произойдет схлестывание или пробой между фазами. Наибольшее сближение фаз наблюдается при 2хф КЗ, когда провода сначала отбрасываются в противоположные стороны, а затем после отключения КЗ движутся навстречу друг другу. Их сближение будет тем больше, чем меньше расстояние между фазами, чем больше стрела провеса и чем больше длительность протекания токов КЗ.):
Усилие от длительного протекания тока 2хфазного КЗ:
Определяем силу тяжести 1м токопровода с учетом внутрифазных распорок, Н/м:
Н/мс (1м токопрофода с учетом массы колец =1,7кг, массы 1 провода АС-600/72= 1,95кг, провода А-600 = 1,48кг)
Определяем отношение , где h=2,5м- максимальная расчетная стрела провеса провода в каждом пролете при максимальной расчетной температуре. - эквивалентное по импульсу время действия быстродействующей защиты, для генераторов и трансформаторов.
=Тзащ +0,05 Тзащ =0,1 для ДИФ защиты, 0,05- учет апериодической составляющей.
По диаграмме рис. 4.9 стр.235 (1) по отношению определяем отклонение провода b, м и угол : и
- наименьшее допустимое расстояние в свету между соседними фазами в момент их наибольшего сближения. Для генераторного напряжения 0,2м
Проверка по электродинамическому взаимодействию проводников одной фазы. Под действием импульсных усилий проводники фазы стремятся приблизиться к центру. Для фиксации проводников и уменьшения импульсных усилий в них устанавливают внутрифазовые (дистанционные) распорки.
Усилие на каждый провод:
Удельная нагрузка на каждый провод от сил взаимодействия при КЗ:
Максимальное напряжение в проводе при нормальном режиме:
Расстояние между распорками:
- коэффициент допустимого увеличения механического напряжения при КЗ.
- коэффициент упругого удлинения материала провода (для алюминия = 159*10-13)
- удельная нагрузка на провод А-600 от собственного веса:
Значит в токопроводе необходимо установить внутренние распорки l=1м.
Проверки по условиям короны не требуется
Выбор токопровода в ГРУ.
Выбираем жесткие голые алюминиевые шины коробчатого сечения, расположенные горизонтально.

Рис. 9. Шины коробчатого сечения в горизонтальном плоскости.
Выбор сечения шин по нагреву:
По табл. П3.5: h*b*c*r=2(200*90*12*16)мм. Для которого
Проверка термической стойкости:
Тепловой импульс:
-минимальное сечение, С значение функции для алюминия.
Проверка шин на электродинамическую стойкость не производится по ПУЭ.
Жесткие шины, укрепленные на изоляторах, представляют собой динамическую колебательную систему, находящуюся под воздействием электродинамических сил. В такой системе возникают колебания, частота которых зависит от массы и жесткости конструкций. Электродинамические силы, возникающие при КЗ, имеют составляющие, которые изменяются с частотой 50 и 100Гц. Если собственные частоты колебательной системы шины изоляторы совпадут с этими значениями, то нагрузки на шины и изоляторы возрастут. Если собственные частоты меньше 30 и больше 200Гц, то механического резонанса не возникает.
Проверка на механическую прочность:
У шин коробчатого сечения момент инерции больше, чем у шин прямоугольного сечения. Поэтому частота собственных колебаний значительно больше, чем для шин прямоугольного сечения. Это позволяет производить расчет без учета механических колебаний.
Сила взаимодействия между швеллерами:
,
Но так как шина соединена жестко по всей длине, то напряжение в материале от действия сила взаимодействия равна 0.
Расположение шин в вершинах прямоугольного треугольника напряжение в материале шин от взаимодействия между фазами, по табл. 4.3 стр.227 (1):
l-длина пролета между опорными изоляторами шинной конструкции, = 2м.
момент сопротивления
Расстоянию между фазами а= 0,8м.
Допустимое напряжение МПа по табл. 4.2 стр. 224 (1).
Шины механически прочны.
От ГРУ-10кВ до трансформаторов связей выберем гибкий подвесной токопровод:
Принимаем сечение по допустимому току при максимальной нагрузке на шинах, равной току наиболее мощного присоединения, в данном случае цепи НН АТ:
Проверка по экономической плотности тока:
Iн= ток нормального режим (без перегрузок), J=1А/мм2- нормированная плотность тока по табл.4.5 стр.233 (1).
По табл. П3.3 выбираем 2 несущих провода АС-600/72, тогда сечение алюминиевых:
Число проводов А-600:
Принимаем токопровод 2*АС-600/72+5*А-600, d=160мм, расстоянием между фазами D=5м.
Проверка по допустимому току:
Пучок неизолированных проводов имеет большую поверхность охлаждения, поэтому проверка на термическую стойкость не производится.
Проверка по условиям схлестывания:
Усилие от длительного протекания тока 2хфазного КЗ:
Определяем силу тяжести 1м токопровода с учетом внутрифазных распорок, Н/м:
Н/мс (1м токопрофода с учетом массы колец =1,7кг, массы 1 провода АС-600/72= 1,95кг, провода А-600 = 1,48кг)
Определяем отношение , где h=2,5м- максимальная расчетная стрела провеса провода в каждом пролете при максимальной расчетной температуре. - эквивалентное по импульсу время действия быстродействующей защиты, для генераторов и трансформаторов.
=Тзащ +0,05 Тзащ =0,1 для ДИФ защиты, 0,05- учет апериодической составляющей.
По диаграмме рис. 4.9 стр.235 (1) по отношению определяем отклонение провода b, м и угол : и
- наименьшее допустимое расстояние в свету между соседними фазами в момент их наибольшего сближения. Для генераторного напряжения 0,2м
Проверка по электродинамическому взаимодействию проводников одной фазы.
Усилие на каждый провод:
Удельная нагрузка на каждый провод от сил взаимодействия при КЗ:
Максимальное напряжение в проводе при нормальном режиме:
Расстояние между распорками:
- коэффициент допустимого увеличения механического напряжения при КЗ.
- коэффициент упругого удлинения материала провода (для алюминия = 159*10-13)
- удельная нагрузка на провод А-600 от собственного веса:
Значит в токопроводе необходимо установить внутренние распорки l=1.5м.
Проверки по условиям короны не требуется.
Шина среднего напряжения.
ОРУ 110кв выберем гибкий подвесной токопровод:
По экономической плотности тока не проверяем.
Номинальный ток по максимальной мощности присоединения:
Iн= ток нормального режим (без перегрузок).
По табл. П3.3 стр. 624 (1) токопровод АС-500/27, q = 500мм2, диаметром d=29,4мм, расстоянием между фазами D=3м.
Проверку на схлестывание не проводим, так как
Проверки на термическое действие не требуется так, как шины выполнены голыми проводами на отрытом воздухе.
Проверка по условиям коронирования:
Разряд около провода при высоких напряжениях (>35кВ) сопровождается потрескиванием и свечением. Процессы ионизации воздуха вокруг провода приводят к дополнительным потерям энергии, к возникновению электромагнитных колебаний, создающих радиопомехи, и к образованию озона, вредно влияющего на поверхности контактных соединений. Хотя и линии напряжением меньшим 220кВ не могут коронировать, докажем это на основе формул.
Начальная критическая напряженность:
= d/2 = 1,87радиус провода, см.
=0,82 коэффициент, учитывающий шероховатость поверхности провода.
Напряженность электрического поля около поверхности нерасщепленного провода:
- среднегеометрическое расстояние между проводами. При горизонтальном расположении фаз: , =300см -расстояние между фазами.
Условие проверки по короне успешны:
В турбинном отделении на СН установим комплектный токопровод, стр.540 (2):
Для ТВФ-160-2ЕУ3 ГРТЕ-20-10000-300 номинальный ток токопровода=10000А, электродинамическая стойкость=300кА.
Проверка:
От турбинного отделения до ГРУ-18кВ, от ГРУ-18кВ до трансформаторов выберем гибкий подвесной токопровод:
Проверка по экономической плотности тока:
, Iн= ток нормального режим, J=1А/мм2- нормированная плотность тока по табл.4.5 стр.233 (1).
По табл. П3.3 выбираем 2 несущих провода АС-600/72, тогда сечение алюминиевых:
Число проводов А-600:
Принимаем токопровод 2*АС-600/72+8*А-600, d=160мм, расстоянием между фазами D=5м.
Проверка по допустимому току:
Пучок неизолированных проводов имеет большую поверхность охлаждения, поэтому проверка на термическую стойкость не производится.
Проверка по условиям схлестывания
Усилие от длительного протекания тока 2хфазного КЗ:
Определяем силу тяжести 1м токопровода с учетом внутрифазных распорок, Н/м:
Н/мс (1м токопрофода с учетом массы колец =1,7кг, массы 1 провода АС-600/72= 1,95кг, провода А-600 = 1,48кг)
Определяем отношение , где h=2,5м- максимальная расчетная стрела провеса провода в каждом пролете при максимальной расчетной температуре. - эквивалентное по импульсу время действия быстродействующей защиты, для генераторов и трансформаторов.
=Тзащ +0,05 Тзащ =0,1 для ДИФ защиты, 0,05- учет апериодической составляющей.
По диаграмме рис. 4.9 стр.235 (1) по отношению определяем отклонение провода b, м и угол : и
- наименьшее допустимое расстояние в свету между соседними фазами в момент их наибольшего сближения. Для генераторного напряжения 0,2м
Проверка по электродинамическому взаимодействию проводников одной фазы. Под действием импульсных усилий проводники фазы стремятся приблизиться к центру. Для фиксации проводников и уменьшения импульсных усилий в них устанавливают внутрифазовые (дистанционные) распорки.
Усилие на каждый провод:
Удельная нагрузка на каждый провод от сил взаимодействия при КЗ:
Максимальное напряжение в проводе при нормальном режиме:
Расстояние между распорками:
- коэффициент допустимого увеличения механического напряжения при КЗ.
- коэффициент упругого удлинения материала провода (для алюминия = 159*10-13)
- удельная нагрузка на провод А-600 от собственного веса:
Значит в токопроводе необходимо установить внутренние распорки l=8,1м.
Проверки по условиям короны не требуется.
Шины ВН.
ОРУ 220кв выберем гибкий подвесной токопровод:
По экономической плотности тока не проверяем.
Номинальный ток по максимальной мощности присоединения:
Iн= ток нормального режим (без перегрузок).
По табл. П3.3 стр. 624 (1) токопровод АС-185/29, q = 185мм2, диаметром d=18,8мм, расстоянием между фазами D=10м.
Проверку на схлестывание не проводим, так как
Проверки на термическое действие не требуется так, как шины выполнены голыми проводами на отрытом воздухе.
Проверка по условиям коронирования:
Начальная критическая напряженность:
= d/2 = 0,94 радиус провода, см.
=0,82 коэффициент, учитывающий шероховатость поверхности провода.
Напряженность электрического поля около поверхности нерасщепленного провода:
- среднегеометрическое расстояние между проводами. При горизонтальном расположении фаз: , =100см -расстояние между фазами.
Условие проверки по короне успешны:
Но экономичнее будет сделать расщепление проводов, выполнение фазы 2, 3 или 4 проводами.
В турбинном отделении на ВН установим комплектный токопровод, стр.540 (2):
Для ТВФ-160-2ЕУ3 ГРТЕ-20-10000-300 номинальный ток токопровода=10000А, электродинамическая стойкость=250кА.
Проверка:
От турбинного отделения до ГРУ-18кВ, от ГРУ-18кВ до трансформаторов выберем гибкий подвесной токопровод:
Проверка по экономической плотности тока:
, Iн= ток нормального режим, J=1А/мм2- нормированная плотность тока по табл.4.5 стр.233 (1).
По табл. П3.3 выбираем 2 несущих провода АС-600/72, тогда сечение алюминиевых:
Число проводов А-600:
Принимаем токопровод 2*АС-600/72+10*А-600, d=160мм, расстоянием между фазами D=1м.
Проверка по допустимому току:
Пучок неизолированных проводов имеет большую поверхность охлаждения, поэтому проверка на термическую стойкость не производится.
Проверка по условиям схлестывания
Усилие от длительного протекания тока 2хфазного КЗ:
Определяем силу тяжести 1м токопровода с учетом внутрифазных распорок, Н/м:
Н/мс (1м токопрофода с учетом массы колец =1,7кг, массы 1 провода АС-600/72= 1,95кг, провода А-600 = 1,48кг)
Определяем отношение , где h=2,5м- максимальная расчетная стрела провеса провода в каждом пролете при максимальной расчетной температуре. - эквивалентное по импульсу время действия быстродействующей защиты, для генераторов и трансформаторов.
=Тзащ +0,05 Тзащ =0,1 для ДИФ защиты, 0,05- учет апериодической составляющей.
По диаграмме рис. 4.9 стр.235 (1) по отношению определяем отклонение провода b, м и угол : и
- наименьшее допустимое расстояние в свету между соседними фазами в момент их наибольшего сближения. Для генераторного напряжения 0,2м
Проверка по электродинамическому взаимодействию проводников одной фазы. Под действием импульсных усилий проводники фазы стремятся приблизиться к центру. Для фиксации проводников и уменьшения импульсных усилий в них устанавливают внутрифазовые (дистанционные) распорки.
Усилие на каждый провод:
Удельная нагрузка на каждый провод от сил взаимодействия при КЗ:
Максимальное напряжение в проводе при нормальном режиме:
Расстояние между распорками:
- коэффициент допустимого увеличения механического напряжения при КЗ.
- коэффициент упругого удлинения материала провода (для алюминия = 159*10-13)
- удельная нагрузка на провод А-600 от собственного веса:
Значит в токопроводе необходимо установить внутренние распорки l=9,1м.
Проверки по условиям короны не требуется.
Кабели выбирают:
по напряжению установки ;
по конструкции
по экономической плотности тока ;
по допустимому току .
Предполагаем прокладку кабеля в кабельном полуэтаже.
Выбираем кабель ААГ, 10 кВ, трехжильный П3.6 стр. 626 (1). Определяем экономическое сечение
, где
По условиям монтажа принимаем два кабеля по 95 ,
Выбор измерительных трансформаторов.
Трансформатор тока предназначен для преобразования первичного тока до значения, наиболее удобных для измерительных приборов и реле (1 и 5А), для отделения цепей измерения и защиты от первичных цепей высокого напряжения.
При трансформации тока ТТ имеют погрешность в следствии:
-конструктивных особенностей (сечение магнитопровода, магнитной проницаемости, средней длины магнитного пути,
-вторичной нагрузки (сопротивлений приборов, проводов, контактов), кратности первичного тока по отношению к номинальному. Увеличение этих параметров увеличивает погрешность.
Нормальная работа ТТ осуществляется в режиме близкому к КЗ, когда нагрузка имеет малое сопротивление. В режиме ХХ: магнитопровод за счет увеличения магнитного потока будет нагреваться, а на вторичной разомкнутой обмотке появится высокое напряжение.
Выбор ТТ:
По напряжению.
По конструкции и схеме соединения обмоток.
По классу точности.
По вторичной нагрузке:
Таблица 11
|
Место присоединения |
Прибор |
Тип |
Нагрузка, ВА Фазы |
||
|
А |
В |
С |
|||
|
1)Турбогенератор |
Амперметр регистрирующий Вольтметр в цепи основного резервного возбудителя Ваттметр регистрирующий Счетчик активной энергии Частотометр Ваттметр Варметр |
Н-344 Н-394 Н-394 Н-395 САЗ-И680 Н-397 Д-335 Д-335 |
- - - 10 2,5 - 0,5 0,5 |
10 - - - - - - - |
- - - 10 2,5 - 0,5 0,5 |
|
Итого |
13,5 |
10 |
13,5 |
||
|
2)АТ ВН АТ СН АТ НН |
Амперметр Амперметр Ваттметр Варметр Амперметр Ваттметр Варметр |
Э-335 Э-335 Д-335 Д-335 Э-335 Д-335 Д-335 |
0,5 0,5 0,5 0,5 0,5 0,5 0,5 |
0,5 0,5 0,5 0,5 0,5 0,5 0,5 |
0,5 0,5 0,5 0,5 0,5 0,5 0,5 |
|
Итого |
3,5 |
3,5 |
3,5 |
||
|
Цепь |
Тип |
||||
|
G1, G2, |
10 |
7,561 |
ТШВ15 |
15 |
8000 |
|
G3, G4, G5 |
20 |
6,038 |
ТШВ15 |
15 |
8000 |
|
ВН АТ |
220 |
0,599 |
ТФЗМ220 У1 |
220 |
600 |
|
СН АТ |
110 |
0,33 |
ТФЗМ110 У1 |
110 |
600 |
|
НН АТ |
10 |
4,22 |
ТШВ15 |
15 |
6000 |
Тогда, чтобы найти сечение проводов от измерительных трансформаторов до приборов воспользуемся следующими формулами:
Ом, где - ток во вторичной обмотке.
Допустимое:
- сопротивление контактов = 0,1Ом.
- номинальное допустимая нагрузка трансформатора тока.
Для генераторов 110МВт применяется кабель с алюминиевыми жилами, ориентировочная длинна 40м, ТТ соедини в полную звезду, поэтому lрасч=l:
= 0,0283 удельное сопротивление материала провода, АL.
Принимаем контрольный кабель АКРВГ с жилами сечения 4мм2.
Трансформатор напряжения.
Предназначены для понижения высокого напряжения до стандартного значения () и для отделения цепей измерения и релейной защиты от первичных цепей высокого напряжения.
ТН работает в режиме близкому к ХХ, так как сопротивление парцельных катушек и реле большое, а ток, потребляемый ими, невелик.
Погрешность коэффициентов трансформации связанны:
-рассеяние магнитного потока и потери в сердечнике
-вектор напряжения относительно вектора первичного напряжения сдвинут не точно на 180гр. угловая погрешность.
-конструкции магнитопровода, магнитной проницаемости стали и коэффициента мощности вторичной нагрузки.
Выбор ТН:
по напряжению установки Uуст Uном;
классу точности;
по конструкции и схеме соединения обмоток;
по вторичной нагрузке .
где - номинальная мощность в выбранном классе точности, при этом следует иметь в виду, что для однофазных трансформаторов, соединенных в звезду, следует взять суммарную мощность всех трех фаз, а для соединенных по схеме открытого треугольника удвоенную мощность одного трансформатора; S- нагрузка всех приборов и реле, присоединенных к трансформатору напряжения, ВА.
Для упрощения расчетов нагрузку приборов можно не разделять по фазам, тогда
Перечень необходимых измерительных приборов выбираем по табл.4.11 [1, с.364], мощность приборов принимаем в соответствии с табл.П4.7 [1, с.635]
Выбираем трансформатор в цепи генераторов
Таблица 12
|
Прибор |
Тип |
S одной обмотки, ВА |
Число обмоток |
cos |
sin |
Число приборов |
Общая потребляемая мощность |
|
|
Р, Вт |
Q,ВАр |
|||||||
|
Вольтметр Ваттметр Варметр Датчик активной мощности Датчик реактивной мощности Счетчик активной энергии Ваттметр регистрирующий Вольтметр регистрирующий Частотомер |
Э-335 Д-335 Д-335 Е-829 Е-830 И-680 Н-348 Н-344 Э-372 |
2 1,5 1,5 10 10 2 Вт 10 10 3 |
1 2 2 - - 2 2 1 1 |
1 1 1 1 1 0.38 1 1 1 |
0 0 0 0 0 0.925 0 0 0 |
1 2 1 1 1 1 1 1 2 |
2 6 3 10 10 4 20 10 6 |
- - - - - 9.7 - - - |
|
Итого |
71 |
9.7 |
Вторичная нагрузка =71.65 ВА
Выбираем трансформатор напряжения типа ЗНОЛ.06-20, имеющий номинальную мощность 75 ВА в классе точности 0,5, необходимом для присоединения счетчиков. Таким образом, S2< = 3*75 = 225 ВА, трансформатор будет работать в выбранном классе точности.
Трансформаторы напряжения в других цепях расчетной схемы выбираются только по напряжению установки.
Таблица 13
|
Ступень напряжения |
Тип ТН |
U |
|
10 кВ |
НОМ-10-66У2 |
10 |
|
18 |
ЗНОЛ,06-20У3 |
20 |
|
110 кВ |
НКФ-110-83У1 |
110 |
|
220 кВ |
НКФ-220-58У1 |
220 |
Принимаем контрольный кабель АКРВГ с сечением жил 2,5мм2 по условию механической прочности.
Выбор главной схемы электрических соединений.
ГРУ.
Рис. 10. Схема с одной системой сборных шин, соединенных в кольцо.
Достоинство: наглядность, экономичность, высокая надежность.
Схема с одной системой сборных шин, соединенных в кольцо. Секционные выключатели, которые в нормальном режиме включены для обеспечения параллельной работы генераторов.
Групповой реактор присоединяется без выключателя, предусматривается только разъединитель, для ремонтных работ. При соединений нескольких секции устанавливают шунтирующий разъединитель, в параллель в реактором, для уменьшения потерь напряжения в реакторах при протеканий через них тока, когда питание осуществляется с помощью одного генератора.
ОРУ220.
Рис 11. Схема с двумя рабочими и обходной системами шин.
Число присоединений равно = 5.
Для станции напряжением ВН 220 наиболее надежным и правильным будет выбор схемы с 2 рабочими и обходной системами шин. Рабочие шины находятся под напряжением, а обходная необходима для бесперебойного питания в случае КЗ или вывода в ремонт оборудования. Для переключения на обходную шину используют обходной выключатель QO, так же в схеме представлен шиносоединительный выключатель QА.
ОРУ 110.
Рис 12. Схема с двумя секционированными рабочими и обходной системами шин.
Число присоединений равно = 17.
Для станции напряжением СН 110 наиболее надежным и правильным будет выбор схемы с 2 рабочими и обходной системами шин, при этом обе системы секционируются.
На схеме установлены межсекционные и шиносоединительные выключатели. Увеличение количества выключателей и разъединителей необходимо для надежного и бесперебойного питания потребителей.
На каждой из шин установлены ТН.
Дополнения к схеме:
Остальные вмотнированны в разъединители.
-Выбор ТСН: Ртнс=10%*Рг.
ТДРНС-16000/10
ТДРНС-16000/20
-ОПН: ОПН-110 и ОПН-220
Разрядники:
РВД-10У1
РВМ-220У1
-Предохранитель.
ПТК-10.
-Высокочастотный заградитель.
ВЗ-2000-1,0У1
На СН у генераторов не ставим перемычки на ТСН
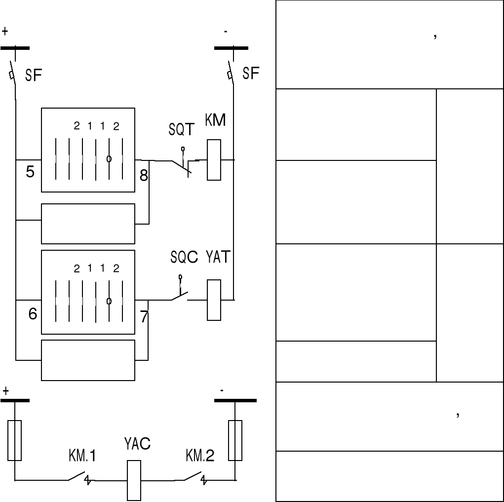
Схема управления выключателем.
Устройства управления, сигнализация и блокировок с соответствующими источниками питания образуют на электростанциях и подстанциях систему вторичных цепей. К этой системе относят также схемы автоматики, релейной защиты и технологического контроля.
Исполнительными элементами схем управления выключателей с электромагнитным приводом является электромагниты включения YAC и отключения YAT.
Электромагнит YAC должен развивать большое усилие, так как кроме перемещения контактной системы выключателя с его помощью необходимо взвести отключающие пружины. Поэтому такие электромагниты потребляют большой ток и питаются от источника через специальные шинки питания привода ШП. Электромагнит отключения YAТ предназначен для освобождения защелки привода, после чего выключатель отключается под действием отключающих пружин. Питание этого электромагнита осуществляется через контакты ключа или реле управления. В общем случае на щитах управления должны предусматриваться следующие виды сигнализации: положения коммутационных аппаратов, аварийная предупреждающая и командная. Сигнализация положения коммутационных аппаратов (выключателей, разъединителей и их заземляющих ножей) служит для информации оперативного персонала о состоянии схемы электрических соединений в нормальных и аварийных условиях и может осуществляться различными способами. Каждая фаза разъединителя приводится в действие электродвигательным приводом типа ПДН. Сигнальные лампы красная («включено») и зеленая («отключено») устанавливаются на пульте дистанционного управления.
В отключенном состоянии выключателя замкнуты вспомогательные контакты SQТ и горит зеленая сигнальная лампа. Во включенном состоянии замкнуты вспомогательные контакты SQС и горит красная сигнальная лампа. Контакты SQТ и SQС имеют связь с приводом. Также зеленая лампа горит мигающим светом при положении ключа управления «предварительно включено» и отключенном выключателе, а красная лампа мигает при положении ключа управления «предварительно отключено» и выключенном выключателе.
Описанная схема управления и сигнализации выключателем позволяет четко фиксировать с пульта управления все положения выключателя и вести контроль за выполнением управляющих команд.

Рисунок 13. Схема управления выключателем с электромагнитным приводом и ключом ПМОВФ.
Принцип действия.
При подачи команды «вкл» образуется цепь +ШУ, контакты 5-8 ключа, замкнутые контакты SQT, обмотка промежуточного контактора КМ, -ШУ, затем контакты YAC замкнуться и выключатель включится.
При подачи команды «выкл» образуется цепь +ШУ, контакты 6-7 ключа, замкнутые контакты SQС (который замкнулся при включении выключателя), контакты YAТ (сердечник втягивается. Освобождая защелку привода), -ШУ. Выключатель отключается.
Вспомогательные контакты SQС и SQT обеспечивают кратковременность командного импульса.
Требования к экологии
Развитие энергетики характеризуется высокими темпами, которые, по всей видимости, сохранятся и на ближайший период времени. Так, если в 1970 г. в мире было выработано около 5 триллионов 5 кВт-ч электроэнергии то в 1980 г. выработано около 10 триллионов, а к 2000 г 30 триллионов кВт-ч. По мере поста потребления энергоресурсов будет происходит изменение их видов, в частности, будет быстро расти доля ядерного горючего. К 1980 г. производство коммерческих энергоресурсов возросло до 10 млрд. т условного топлива против 6,6 млрд. т в 1970 г., причем доля ядерного горючего составила 4-7 %. Общее мировое производство энергоресурсов в 2000 г. возрасло до 20 млрд.т условного топлива, при этом ядерное горючее составит около 1/5 баланса. Наряду с использованием месторождений органического топлива на суше будет развиваться добыча нефти и газа в районах континентального шельфа Мирового океана, а также имеется вероятность использования битуминозных песков и сланцев.
Тепловые электростанции, потребляя свыше трети добываемого в виде топлива, могут оказывать существенное влияние как на окружающую среду в районе их расположения, так и на общее состояние биосферы. Взаимодействие электростанции с внешней средой определяется выбросами в атмосферу дымовых газов, тепловыми выбросами и выбросами загрязненных сточных вод.
Наибольший выброс вредных веществ имеет место у крупных конденсационных электростанций, расположенных, как правило, в относительно малонаселенных местностях с ограниченным количеством других источников загрязнения атмосферы. Эти электростанции, обычно потребляя наименее ценные сорта топлива, являются потенциальными источниками больших выбросов золы, сернистого газа и окислов азота.
Особенно сложно вопросы обеспечения достаточно чистой атмосферы решаются в крупных промышленных городах, в которых источниками вредных выбросов являются не только электростанции, но и другие промышленные предприятия, автотранспорт, отопительные котельные.
В нашей стране преимущественное применение получило комбинированное тепло- и электроснабжение городов от теплоэлектроцентралей (ТЭЦ). Комбинированная выработка электроэнергии и тепла позволяет существенно сократить расход топлива на энергоснабжение, сократить тепловые сбросы в водные бассейны, обеспечить наиболее совершенные методы сжигания, очистки и выброса дымовых газов в высокие слои атмосферы, что недостижимо при наличии многочисленных котельных и бытовых печей. Вместе с тем энергоснабжение от ТЭЦ увеличивает количество топлива, сжигаемого в зоне расположения города, и требует специальных мероприятий по снижению концентраций вредностей в дымовых газах с учетом фоновой загазованности от других источников.
Неотъемлемой частью общей проблемы охраны окружающей среды является рациональное использование и охрана водных ресурсов. Основная проблема при охране водоемов в настоящее время связана с ухудшением качества воды вызванным сбросом как промышленных так и бытовых сточных вод в естественные водоемы. При этом огромное количество чистой воды расходуется на разведение до предельно допустимых концентраций (ПДК) примесей, сбрасываемых в водоемы
При сжигании твердого топлива наряду с окислами основных горючих элементов углерода и водорода в атмосферу поступают летучая зола с частицами недогоревшего топлива, сернистый и серный ангидриды, окислы азота, некоторое количество фтористых соединении, а также газообразные продукты неполного сгорания топлива. При сжигании сернистых мазутов с дымовыми газами в атмосферу поступают сернистый и серный ангидриды, окислы азота, газообразные и твердые продукты неполного сгорания, соединения ванадия, соли, натрия, а также отложения, удаляемые с поверхностей нагрева котлов при чистке. Большинство этих компонентов относятся к числу токсичных и даже в сравнительно невысоких концентрациях оказывают вредное воздействие на природу и человека.
Для улучшения использования водных ресурсов наиболее рациональны следующие мероприятия: совершенствование применяемых технологических процессов и разработка новых с целью резкого уменьшения количества сбрасываемых примесей; совершенствование технологии очистки сточных вод, включая их утилизацию и извлечение из них ценных веществ; отказ там, где это возможно, от применения воды в технологических процессах и максимального применения оборотного и повторного использования воды на промышленных предприятия. Задачи по охране внешней среды от вредных выбросов должны решаться специалистами всех направлений, работающими на промышленном предприятии. В условиях электростанций состояние окружающего района вблизи ТЭС зависит от вида используемого топлива и организации его сжигания, работы пылегазоулавливающих установок, устройств для эвакуации дымовых газов в атмосферу, организации эксплуатации оборудования и других условий, связанных с организацией работы энергетических установок. Поэтому специалисты по тепловым электростанциям должны не только иметь общие представления о важности предпринимаемых мер по охране среды, но должны уметь правильно выбирать оборудование и обеспечивать рациональную его эксплуатацию с точки зрения снижения до минимума внешних выбросов, уметь контролировать состояние окружающей среды.
Заключение
В ходе выполнения данного курсового проекта была спроектирована электрическая часть станции типа ТЭЦ.
На начальном этапе проектирования после составления баланса мощностей, убедились, что данная электростанция выдает мощность, которая полностью покрывает мощность присоединенных нагрузок.
В качестве расчётного принимаем цепь генератора ТВФ-110-2ЕУ3, ТВФ-160-2ЕУ3. Затем были определены токи в ветвях по продолжительным режимам и режимам КЗ, а по ним произведен выбор необходимых коммутационных аппаратов и токоведущих частей. После чего была выбрана форма оперативного управления электрической части объекта и спроектирована измерительная система. Выбранное электрическое оборудование ТЭЦ (генераторы, трансформаторы, автотрансформаторы, распределительные устройства и другое электрическое и автоматическое оборудование) удовлетворяет всем необходимым условиям и проходит по всем соответствующим проверкам.
Список литературы
1. Рожкова Л.Д., Козулин В.С. Электрооборудование станций и подстанций: Учебник для техникумов. 3-е изд. перераб. и доп. М: Энергоатомиздат, 1987. 648 с.: ил.
2. Крючков И.П., Кувшинский Н. Н., Неклепаев Б.Н. Электрическая часть станций и подстанций. Справочные материалы для курсового и дипломного проектирования. 3-е изд. М.: Энергоатомиздат, 1989. 608 с.
3. ПУЭ
4. Рихтер А.А., Волков Э.П., Покровский В.Н. Охрана водного и воздушного бассейна от выбросов ТЭС.- М.: Энергия, 1967 64 с.
5.Электротехнический справочник: В4 в 3 томах. Производство, передача и распределение электрической энергии/ Под общ. редакцией профессоров МЭИ В.И. Герасимова и др. 8 изд., испр. и доп.- М.:- издательство МЭИ, 202 964 с.
Электрическая часть электрических станций