ЕЛЕКТРООБЛАДНАННЯ ІНЖЕНЕРНИХ СИСТЕМ БУДІВЕЛЬ
ТЕМА 21 ЕЛЕКТРООБЛАДНАННЯ ІНЖЕНЕРНИХ СИСТЕМ БУДІВЕЛЬ
Ключові поняття: система кондиціювання повітря, спліт-система, ліфт, елект- роконвектор.
21.1. Загальні відомості
Сучасні житлові, громадські і промислові будинки характеризуються насиченими інженерними системами, що забезпечують ефективне керування експлуатацією будинків. Значну роль в них виконують різні електроустановки: кондиціювання і вентиляції повітря, опалення будинків, зволожувачі й очисники повітря, ліфтові й піднімальні установки, установки електричного опалення та ін.
Все більше розповсюдження отримують висотні будинки й торгово- розважальні комплекси, що уявляють собою складну конструктивну систему з великою кількістю інженерних комунікацій, з розміщенням на одному об'єкті різних систем інженерно-технічного життєзабезпечення підвищеної складності. Багато висотних будівель є багатофункціональними й містять або один основний функціональний елемент (житловий, адміністративно-офісний, готельний), або два основних функціональних елементи (офісний і житловий, офісний і готельний, житловий і готельний). Крім цього у висотних будинках є допоміжні функціональні елементи, призначені для обслуговування людей, які знаходяться в них, такі як автостоянки, технічні приміщення, басейни, тренажерні зали, зали для гри в боулінг, лазні-сауни; амбулаторні й медичні кабінети та ін. У висотних будинках також можуть розташовуватися об'єкти загальноміського призначення: магазини, ресторани, кафе, буфети, фінансові й банківські установи, різні офіси та ін.
Основними компонентами інженерних систем будинків є: електро- тепло- і водопостачання, водопідготовка, каналізація, вентиляція, кліматичне обладнання, кондиціювання, електрообігрівання, охоронно-пожежні системи, очистка стоків, іонізатори й очисники повітря, освітлення та деякі інші.
Важливу роль в інженерних системах будівель відіграє силове електрообладнання, до складу якого входять електродвигуни й пускорегулююча апаратура, технологічне, санітарно-технічне, протипожежне устаткування, підйомно-транспортні установки, збиральні механізми, а також силові елект- роприймачі теплового, лабораторного, лікувального обладнання та інші аналогічні апарати і прилади електромережі з усім комплексом провідників, розподільних пристроїв і електромонтажних виробів.
В останні роки ефективно працюють спеціалізовані організації, які здійснюють монтаж, обслуговування і ремонт технологічного обладнання інженерних систем будівель (установок кондиціювання повітря, ліфтів, протипожежних установок та ін.), що часто буває дуже доцільним як з технічних, так і з економічних міркувань. Поряд з цим у великих громадських будівлях організуються інженерні служби, працівники яких здійснюють експлуатацію і обслуговування цих електротехнічних установок.
Нижче розглянуті деякі групи електрообладнання інженерних систем будівель.
21.2. Системи вентиляції і кондиціювання
Завдання систем кондиціювання і вентиляції повітря - створення, регулювання й автоматична підтримка комфортного мікроклімату в закритих приміщеннях: температури, вологості, чистоти, швидкості руху повітря та ін.
Кондиціювання здійснюється комплексом технічних засобів, що називається системою кондиціювання повітря (СКП). До складу СКП входять: технічні засоби забору повітря, підготовки його параметрів (фільтри, теплообмінники, зволожувачі або осушувачі), переміщення (вентилятори) і його розподілу, а також засоби автоматики, дистанційного керування і контролю. СКП великих громадських, адміністративних і виробничих будівель обслуговуються, як правило, комплексними автоматизованими системами керування.
Центральні СКП. Центральні СКП застосовують для багатоповерхових, функціональних будівель, приміщення в яких об'єднані єдиними завданнями (поліклініки, офісні будівлі, виробничі приміщення, архіви, склади та ін.). Такі системи забезпечуються теплом, що доставляється гарячою водою, паром або електрикою, або холодом, що доставляється холодною водою або холодоагентом, і електрикою для забезпечення роботи вентиляторів, насосів і т.д. Центральні СКП дозволяють ефективно підтримувати задану температуру й відносну вологість повітря; забезпечують ефективне шумо- й віброгасіння, що важливо для приміщень з підвищеними вимогами до акустики (радіо-, телестудії, студії запису та ін.).
Локальні СКП. Локальні СКП звичайно засновані на базі автономних і неавтономних кондиціонерів, встановлюваних безпосередньо у приміщеннях, що обслуговуються. Серед переваг таких систем - простота установлення і монтажу, можливість установки у вже побудованих жилих і адміністративних будинках, в окремих кімнатах споруджуваних будівель, наприклад, якщо режим споживання холоду/тепла в них різко відрізняється від більшості інших приміщень. Крім поліпшення параметрів (рециркуляції) повітря, що уже є в приміщенні, також існують спліт-системи, що забезпечують забір і подачу очищеного повітря ззовні.
На рис 21.1 показаний приклад конструкції кондиціонера, в якому АД М1 використовується для привода вентилятора, що подає приточне повітря до охолоджувача, а АД М2 - для привода насоса циркуляції холодоагенту.
21.3. Ліфти і ескалатори
Ліфт являє собою стаціонарну вантажопідйомну машину періодичної дії, призначену для підйому й спуску люде або вантажів. Перевезення пасажирів здійснюється окремими групами через певний час, при цьому рух чергується із зупинками для посадки й висадки людей. Ліфт є найпоширенішим підйомником періодичної дії.
До пасажирських підйомно-транспортних машин належать й фунікулери. Ці машини використовують звичайно на крутих підйомах. Так у м. Ялта фунікулер використовується для підйому на гору Ай-Петрі, у Києві - для підйому на Володимирську гірку.
До підйомно-транспортних машин безперервної дії належать й ескалатори. Посадка й висадка пасажирів з таких машин відбувається без зупинки останніх у процесі роботи. При значних і інтенсивних пасажиропотоках, характерних для більшості громадських будівель, у метрополітенах, портах, вокзалах і універмагах широке розповсюдження отримали саме ескалатори.
Разом з тим там, де пасажиропотік порівняно невеликий і непостійний (житлові будинки, адміністративні будинки), встановлюють ліфти. За призначенням ліфти можуть бути пасажирські, вантажні, вантажопасажирські, лікарняні й спеціальні. За швидкістю ліфти підрозділяють на тихохідні - до 1 м/с,
швидкохідні - від 1 до 2,5 м/с і швидкісні - від 2,5 м/с до 9,2 м/с.
Спрощено пасажирський ліфт з електроприводом являє собою кабіну, підвішену на сталевих канатах у вертикальній шахті. Встановлена в машинному приміщенні лебідка намотує канати на барабан. Кабіна рухається по напрямних, що укріплені на стінах шахти. Сучасні ліфти - це досить складні системи з вантажопідйомністю від 50 кГ (100, 150 і 250 кГ - маловантажні) до 5000 кГ. Вони оснащуються складними системами автоматичних пристроїв, що запобігають аварійним ситуаціям.
У ділових центрах, банках та інших громадських будівлях склалася практика встановлювати ліфти, що дозволяють обслуговувати великі пасажиропо- токи в періоди приходу й відходу співробітників. При цьому зовсім не обов'язково збільшувати кількість ліфтів або їхні вантажопідйомності. Сьогодні подібні завдання можуть бути вирішені за допомогою спеціального програмного забезпечення, яким оснащені деякі моделі ліфтів провідних виробників. Так, існують спеціальні програми для скорочення часу очікування приходу ліфта.
Торговельні й виставочні комплекси часто оснащуються панорамними ліфтами. Панорамний ліфт, призначений для огляду, може мати різну конфігурацію. Для створення максимального огляду часто застосовуються скляні панелі від підлоги до стелі.
Конкуренція на ліфтовому ринку змушує підприємства постійно підвищувати якість своєї продукції. Цьому сприяє модернізація виробництва, установка сучасного високотехнологічного обладнання, розробка нових конструкцій ліфтів. Розширення номенклатури підприємств-виробників забезпечує замовникам великий вибір ліфтового обладнання. Так, поряд з типовими й серійними проектами заводи виготовляють ліфти за індивідуальними замовленнями. Наприклад, у зв'язку із запровадженням в дію нових будівельних норм багато виробників випускають ліфти для перевезення пожежних підрозділів. До того ж системи керування ліфтами можуть бути виконані на різній елементній базі, що забезпечує необхідний режим роботи ліфта залежно від типу будівлі, в якій він встановлений.
21.3.1. Електрообладнання ліфтів за складом і призначенням аналогічне електроустаткуванню вантажопідйомних машин (розд. 17.3). Напруга від джерела живлення подається до машинного приміщення ліфта через увідний пристрій, що повинен відключати живлення приводного електродвигуна, кіл керування, сигналізації й освітлення кабіни ліфта. Для живлення кіл сигналізації й ремонтного освітлення використовуються понижувальні трансформатори напруги з номінальною напругою первинних обмоток 220 і 380 В, вторинних обмоток - 24 і 36 В. Потужності понижувальних трансформаторів 250 - 1500 ВА.
Для захисту електродвигунів від перевантажень і коротких замикань використовують автоматичні вимикачі з тепловими й електромагнітними розчеплювачами.
Для включення силових кіл електродвигунів і гальмових електромагнітів застосовують контактори постійного і змінного струму.
На рис. 21.2. як приклад показаний фрагмент схеми силових кіл вантажного ліфта. На схемі показані: М - двошвидкісний АД, ЕмГ - електромагнітне гальмо, КН - силові контакти контактора "униз", КВ - силові контакти контактора "нагору", КБ - силові контакти контактора "велика швидкість", КМ - силові контакти контактора - "мала швидкість"
21.4. Електрообладнання систем водопостачання
До електрообладнання систем водопостачання належать електродвигуни господарських насосів, насосів систем гарячого водопостачання й мереж протипожежного водопроводу. В більшості випадків у мережах водопостачання встановлюють два насоси (іноді три або чотири) з асинхронними електродвигунами: один робочий, другий - резервний. Режим роботи електродвигуна обумовлюється призначенням насосів. Так, у системах гарячого водопостачання температура й тиск води підтримуються автоматично за допомогою різних датчиків, що забезпечують автоматичне включення насосів. І, залежно від умов навколишнього середовища, режим роботи електродвигунів може бути тривалий або повторно-короткочасний. Електродвигуни протипожежних систем включаються в аварійних ситуаціях і працюють до ліквідації пожежі (тривалий режим).
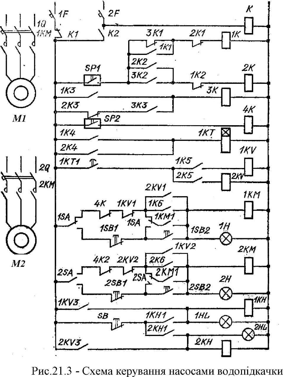
На рис. 21.3 як приклад наведено схему керування двома господарськими насосами, які встановлюються в центральних теплових пунктах і обслуговують групу житлових будинків та інших будівель мікрорайону. Насоси включаються по черзі, завдяки чому забезпечується рівномірне зношування обох агрегатів. Схема працює в такий спосіб. При замиканні контакту мінімального тиску SP1 спрацьовує реле 1К, що замикає свої контакти 1К6 і подає напругу на котушку пускача 1КМ. Останній включає до роботи насос. Одночасно реле 1К контактом 1К3 подає напругу на котушку реле 3К, що самоблокується і підготовляє коло реле 2К. При повторному замиканні контакту SP1 спрацьовує реле 2К, що тепер включає до роботи другий насос і знеструмлює реле 3К. Таким чином, при кожному замиканні контакту SP1 по черзі спрацьовують реле К1 і К2, і, як наслідок, по черзі включаються електродвигун першого насоса М1 і другого
насоса М2. Відключення працюючого насоса здійснюється за допомогою реле 4К, що спрацьовує при замиканні контакту максимального тиску SP2.

Якщо працюючий насос не піднімає тиск у мережі, то контакт SP1 не розмикається, тоді з невеликою витримкою часу, забезпечуваною реле 1КТ, спрацьовує або реле 1КV або реле 2КV, що відключає несправний насос і включає резервний.
Робота насосів сигналізується зеленими лампочками 1Н і 2Н, а аварія насосів - червоними лампочками 1НL і 2НL.
Реле К служить для автоматичного переключення живлення кіл керування при зникненні напруги в силових колах одного з електродвигунів.
Для виконання налагоджувальних і ремонтних робіт передбачене керування насосами за допомогою місцевих кнопок SВ1, 2SВ2. Переведення на місцеве керування здійснюється за допомогою перемикачів 1SА і 2SА.
21.5. Електричне опалення
Досить тривалий час електричне опалення вважалося дорогим, пожежо- небезпечним і екологічно шкідливим. Прогрес в області виробництва конвекторів і термостатів, поява нових типів електроопалювальних приладів, а саме кабельного обігріву підлог і інфрачервоних стельових обігрівачів, докорінно змінили експлуатаційні характеристики сучасного електроопалювання. Обладнання, призначене для житлових приміщень, є екологічно чистим (температура нагрівальних елементів незначна, вони не змінюють вологість), пожежобезпеч- ним, має відповідний клас захисту від ураження електричним струмом, працює безшумно, не виділяє ніяких шкідливих речовин. Електромагнітне поле цих приладів перебуває на фоновому рівні. У цілому сучасні системи електроопа- лення будівель відповідають самим жорстким вимогам з екології і безпеки.
Найширші можливості з'явилися в електроопаленні для економічного і раціонального використання електроенергії.
У кожне опалювальне приміщення встановлюють термостат, що дозволяє регулювати температуру в широкому діапазоні (5-30оС). Зазначимо, що зниження температури на 1оС зменшує витрати електроенергії на 4-5%. При гнучкій зміні температурних режимів у кожному окремому приміщенні економія може досягати 30-50%. Особливо істотна економія (до 80%) досягається для високих (вище 4,5 м) об'єктів при використанні інфрачервоних обігрівачів або "теплої підлоги". Є можливість запрограмувати будь-який графік зміни температур, можна відключити будь-яку кімнату, групу кімнат або цілий поверх. Після тимчасового відключення електроживлення опалення починає працювати без втручання людини.
У житлових будинках електроопалення дуже зручне як доповнення до вже існуючої системи центрального опалення. Це істотно при похолоданні у весняно-осінній період, коли центральне опалення відключене. У критичні періоди взимку при значному похолоданні, коли центральна система не забезпечує необхідний рівень комфорту, пряме стаціонарне електричне опалення автоматично забезпечує необхідний температурний режим, при цьому експлуатаційні витрати незначні. Важко оцінити значення додаткового резервного електроопа- лення при аваріях та інших позаштатних ситуаціях.
Особливі проблеми з опаленням виникають у приміщеннях з високими стелями (5-10 м) і незадовільною теплоізоляцією. Це заводські корпуси, склади, автобази, криті спортивні й концертні зали, виставочні і торговельні павільйони та ін. Для таких споруд найефективнішими опалювальними приладами вважаються інфрачервоні обігрівачі, економія електроенергії тут може досягати 80%.
Сучасні опалювальні системи проектують і монтують з використанням електроконвекторів. Назва «конвектор» відображає принцип розподілу гарячого повітря у приміщенні - природну конвекцію. Нагрівання повітря відбувається при проходженні його через нагрівальний елемент. Холодне повітря проходить через нагрівальний елемент, нагрівається і виходить через жалюзі, а його місце займає повітря з приміщення. Таким чином, тепле повітря циркулює у приміщенні, забезпечуючи швидке й комфортне тепло. Конвектор нагріває
приміщення, не використовуючи пристроїв для примусової циркуляції повітря, що робить його більш надійним і економічним приладом у порівнянні з обігрівачами з вбудованим вентилятором. При цьому на відміну від тепловентилято- рів, конвектори, створюючи ефективний рух теплого повітря, не дають шуму при роботі.
Температуру повітря у приміщенні контролює вбудований термостат з датчиком. Користувач виставляє необхідну температуру на термостаті, а датчик повітря вимірює температуру повітря, що надходить, і при досягненні заданих параметрів виключає нагрів. При зменшенні температури в приміщенні знову включається нагрів. Таким чином, конвектор підтримує постійну задану температуру. Точність підтримки температури в приміщенні для деяких моделей конвекторів досягає 0,1 градуса.
У масляних радіаторів термостат контролює не температуру повітря, а температуру масла. Тому точність підтримки температури в них набагато менша й становить приблизно 3 - 5°C.
Сучасні конвектори (APPLIMO, SOLO, EURO PLUS та ін.), завдяки застосуванню новітніх і унікальних технологій, мають наступні переваги в порівнянні з традиційними обігрівачами (маслонаповненими радіаторами, тепловен- тиляторами) та іншими конвекторами.
ККД нагрівальних елементів досягає 95-99%.
Повна відсутність шуму при нагріві й остиганні нагрівального елемента. Масляний радіатор при роботі видає характерні клацання («булькіт»), які відбуваються при нагріві й остиганні масла всередині приладу.
Ефективний нагрів повітря, що не порушує його природної вологості й не спалює кисень.
Великий ресурс безперервної роботи (в деяких моделей до 25 років).
Висока швидкість виходу на робочу температуру (1 - 1,5 хв). В масляних радіаторів - до 15 хв.
Витрата електричної енергії залежить від тепловтрат опалювального приміщення. За середньостатистичним даними [http:/el-tic.com.ua] при зовнішній температурі -20ОС і температурі в приміщенні +18ОС для опалення 1 м3 приміщення необхідно 40-45 Вт електричної енергії, що складає 120 Вт встановленої потужності на 1 м2 при висоті стелі 250-270 см.
Контрольні запитання з теми 21
- Назвіть основні компоненти інженерних систем будівель.
- Які елементи утворюють силове електрообладнання інженерних
систем будівель?
- Які елементи входять до складу системи кондиціювання повітря?
- Назвіть основні елементи електрообладнання ліфтів?
- Поясніть роботу схеми керування насосами водопідкачки.
- У чому переваги сучасних систем електроопалювання будівель?