Розробка схеми генератора низьких частот та керівництва по експлуатації
red0;Зміст
Вступ…………………………………………………………………………..3
- Розробка виробу………………………………………………………….4
1.1Огляд існуючих прототипів……………………………………………4
1.2Розробка конструкторської документації…………………………….9
1.3Аргументація схемних рішень та використаної елементної бази…..10
- Описання роботи стенду…………………………………………………12
2.1Призначення виробу…………………………………………………..12
2.2Характеристики виробу……………………………………………….12
2.3Склад виробу і призначення його частин……………………………13
2.4Будова та робота стенду………………………………………………14
2.5Маркування……………………………………………………………14
- Використання за призначенням…………………………………………15
- Технічне обслуговування, поточний ремонт, зберігання……………...16
- Економічна частина……………………………………………………...19
- Охорона праці і міри безпеки…………………………………………...
Висновки……………………………………………………………………..
Список використаних джерел………………………………………………
Додаток А. Генератор низьких частот. Схема електрична принципова….
Додаток Б. Генератор низьких частот. Перелік елементів……………….
Додаток В. Генератор низьких частот. Фотографія виробу……………..
Додаток Г. Генератор низьких частот. Інструкція до лабораторної роботи………………………………………………………………………………………
Вступ
Усучасній техніці широко використовується принцип керування енергією, що дозволяє за допомогою витрати невеликої кількості енергії управляти енергією, але в багато разів більшою. Форма як керованої, так і керуючої енергії може бути: механічною, електричною, світловою, тепловою і т.д.
Окремий випадок керування енергією, при якому процес керування є плавним й однозначним і керованим потужність перевищує керуючу, зветься посилення потужності або просто посилення; пристрій, що здійснює таке керування, називають підсилювачем.
Дуже широке застосування в сучасній техніці мають підсилювачі, у яких як керуюча, так і керована енергія являє собою електричну енергію. Такі підсилювачі називають підсилювачами електричних сигналів.
Керуюче джерело електричної енергії, від якого посилювані електричні коливання надходять на підсилювач, називають джерелом сигналу, а ланцюг підсилювача, у яку ці коливання вводяться, - вхідним ланцюгом або входом підсилювача. Джерело, від якого підсилювач одержує енергію, перетворену їм у посилені електричні коливання, назвемо основним джерелом живлення. Крім нього, підсилювач може мати й інші джерела живлення, енергія яких не перетвориться в електричні коливання. Пристрій, що є споживачем посилених електричних коливань, називають навантаженням підсилювача або просто навантаженням; ланцюг підсилювача, до якого підключається навантаження, називають вихідним ланцюгом або виходом підсилювача.
Підсилювачі електричних сигналів, застосовуються в багатьох областях сучасної науки й техніки. Особливо широке застосування підсилювачі мають у радіозв'язку й радіомовленні, радіолокації, радіонавігації, радіопеленгації, техніці радіовимірювань, де вони є основою побудови всієї апаратури [1].
Метою дипломного проекту є розробити схему генератора низьких частот та керівництво по експлуатації.
1 Розробка виробу
1.1. Огляд існуючих прототипів
Генераторинизькоїчастоти (ГНЧ) використовують для отриманнянезатухаючихперіодичнихколиваньелектричного струму в діапазоні частот відчасток Гц до десятків кГц. Такігенератори, як правило, являють собою підсилювачі, охопленіпозитивнимзворотнимзвязком (рис. 1.1) через фазоздвигаючі ланки. Для здійсненняцьогозвязку і для збудження генератора необхіднінаступніумови: сигнал з виходупідсилювача повинен надходити на вхідзізрушенням по фазі 360 градусів, а сам підсилювач повинен матидеякий запас коефіцієнтапосилення, KycMIN. Оскількиумова оптимального зсуву фаз для виникненнягенераціїможевиконуватисятільки на однійчастоті, саме на ційчастоті і збуджуєтьсяпідсилювач з позитивнимзворотнимзвязком.

Рисунок 1.1 Генератори низької частоти у вигляді підсилювачів, охопленихпозитивнимзворотнимзвязком[2]

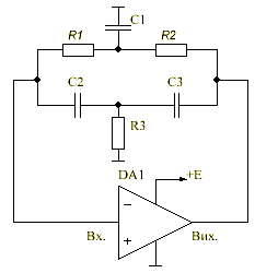
Рисунок 1.2 - Генератори низької частоти у вигляді RC-фільтра [3]
Для зсуву сигналу по фазівикористовують RC-та LC- ланки, крім того, сам підсилювач вносить в сигнал фазовийзсув. Для отримання позитивного зворотногозвязку в генераторах (рис. 1.1, 1.5, 1.7) використанийподвійний Т-подібний RC-міст; у генераторах (рис. 1.2, 1.6, 1.8) міст Віна; в генераторах (рис. 1.3 .4) фазозсуваючі RC-ланки. У генераторах з RC-ланками число ланок може бути досить великим. На практиці ж для спрощеннясхеми число не перевищуєдвох, трьох.

Рисунок 1.3Генератор низької частоти зфазозсуваючою RC-ланкою

Рисунок 1.4 - Генератор низької частоти зфазозсуваючою RC-ланкою
Розрахунковіформули і співвідношення для визначенняосновних характеристик RC-генераторівсигналівсинусоїдальноїформинаведені в таблиці 1.1. Для простотирозрахунку і спрощенняпідбору деталей використаніелементи з однаковиминоміналами. Для обчисленнячастотигенерації (в Гц) в формулипідставляютьзначенняопорів, виражені в Омах, ємностей у Фарада. Для прикладу, визначимо частоту генерації RC-генератора з використаннямтриланкової RC-це-пі позитивного зворотногозвязку (рис. 1.4). При R = 8,2 кОм; С = 5100 пФ (5,1 х1СГ9 Ф) робоча частота генератора буде дорівнює 9326 Гц.
Таблиця 1- Основні характеристики RC-генераторівсигналівсинусоїдальноїформи.
|
Фазообертаюча ланка |
Назва ланки або схеми |
Частота генерації, Гц; |
Коеф. підсилення, min |
Примітка |
|
1.1 |
Двойной Т-мост |
0,159/RC |
11 |
С1=С2=С; С3=С/0,207; R1=R2=R;R3=0.207R |
|
1.2 |
Мост Віна |
0,159/RC |
3 |
R1=R2=R; C1=C2=C |
|
1.3 |
3*RC-Rпаралель |
0,065/ RC |
29 |
R1=R2=R3=R; C1=C2=C3=C |
|
1.4 |
3*RC-Спаралель |
0,039/ RC |
29 |
R1=R2=R3=R; C1=C2=C3=C |
Для того щобспіввідношення резистивно-ємніснихелементівгенераторіввідповідалорозрахунковимзначенням, вкрайбажано, щобвхідні та вихідніланцюгапідсилювача, охопленого петлею позитивного зворотногозвязку, не шунтуватиціелементи, не впливали на їх величину. У цьомузвязку для побудовигенераторних схем доцільновикористовуватикаскадипосилення, щомаютьвисокийвхідний і низькийвихідний опору.
На рис. 1.5, 1.7приведені «теоретична» і нескладна практична схемигенераторів з використаннямподвійного Т-моста в ланцюзі позитивного зворотногозвязку.
Генератори з мостом Вина показані на рис. 1.6, 1.8 [1]. В якостіПНЧ використанийдвохкаскаднийпідсилювач. Амплітудувихідного сигналу можнарегулюватипотенціометром R6. Якщопотрібностворити генератор з мостом Вина, перебудовується за частотою, послідовно з резисторами R1, R2 (рис. 1.2, 1.6) включаютьздвоєнийпотенціометр. Частотою такого генератора можнатакожуправляти, замінившиконденсатори С1 і С2 (рис. 1.2, 1.6) на здвоєний конденсатор змінноїємності. Оскільки максимальна ємність такого конденсатора рідкоперевищує 500 пФ, вдаєтьсяперебудовувати частоту генераціїтільки в областідоситьвисоких частот (десятки, сотні кГц). Стабільністьчастотигенерації в цьомудіапазоніневисока.

Рисунок 1.5 - Схема генератора з використаннямподвійного Т-моста в ланці позитивного зворотногозвязку.

Рисунок 1.6 - Генератор з мостом Віна
На практиці для зміничастотигенераціїподібнихпристроїв часто використовуютьперемикаютьсянабориконденсаторіваборезисторів, а у вхіднихланцюгахзастосовуютьпольовітранзистори. Підвсіхнаведених схемах відсутніелементистабілізаціївихідноїнапруги (для спрощення), хоча для генераторів, щопрацюють на однійчастотіабо у вузькомудіапазоніїїперебудови, їхвикористання не обовязково.
Схемигенераторівсинусоїдальнихсигналів з використаннямтриланковихфазозсуваючих RC-ланок (рис. 1.3)

Рисунок 1.7 - Генератор з використаннямподвійного Т-моста в ланці позитивного зворотногозвязку

Рис. 1.8 - Генератор з мостом Віна
Представлені вище звукові генератори можуть бути використані в якості економічних індикаторів стану (ввімкнено/вимкнено) вузлів та блоків радіоелектронної апаратури, зокрема, світловипромінюючих діодів, для заміни або дублювання світлової індикації, для аварійної та тривожної індикації і т.д.
1.2. Розробка конструкторської документації
Cтадіїрозробленняконструкторськоїдокументації:
- технічнезавдання;
- технічнапропозиція;
- ескізний проект;
- технічний проект;
- робочадокументація.
Замовник, на підставіаналізувласних потреб і досягненьвітчизняної та зарубіжної науки й техніки, опрацьовує і подаєпроектнійорганізаціїзамовлення, в якомувказуєсвоїтехніко-експлуатаційні та економічнівимоги, яким повинна відповідатипроектованийелектропристрій.
Технічнезавданняопрацьовується на підставі:
- замовленнязамовника на проектуванняелектро пристрою;
- технічнихвимог та іншихстандартів, щовідносяться до електропристроївзаданого типу;
- результатівтеоретичних і експериментальнихдосліджень;
- вивченнявітчизняних та зарубіжнихвинаходів і патентноїдокументації.
На ційстадіїпроектуваннярозглядаютьсяможливіваріантизагальногокомпонуванняелектро пристрою, різніконструктивнірішення, проводиться їхперевірка на патентну чистоту та конкурентнуздатність й відповідністьвимогамтехнікибезпекитощо.
Ескізний проект розробляється, якщоцепередбачено в технічномузавданні.
Основною метою ескізного проекту є розробкаконструкторськоїдокументації, яка до кінцярозкриває принцип діїелектро пристрою.
Технічний проект цесукупністьконструкторськихдокументів, якіописуютькінцевітехнічнірозвязки і даютьповнуінформацію про будовупроектованогоелектричного пристрою і усінеобхідні для опрацюванняробочоїдокументаціїконструкторськідокументи і дані.
Робочадокументація цесукупністьконструкторськихдокументів, якіповністювизначаютьбудовуелектро пристрою й усідані для їївиготовлення, контролю, приймання, експлуатації та ремонту.
Під час виконання дипломного проекту розроблена схема електрична принципова та складальне креслення генератора низької частоти, які приведені в додатку А та Б.
1.3. Аргументація схемних рішень та використаної елементної бази
Для якісного налагодження, ремонту або розробки аудіотехніки просто потрібний хороший генератор синусоїдальної напруги з мінімальним коефіцієнтом гармонік. Низькочастотний генератор має наступні характеристики:
- діапазони частот - 20-200 Гц, 200-2000 Гц, 2000-20000 Гц;
- вихідна напруга на навантаженні 3 кОм - 3 В.
Генератор живиться від мережі через вбудоване джерело живлення. Підсилювач, на якому виконаний генератор, зібраний на операційному підсилювачі DА1. Міст Віна утворюють резистори R1 - R3 і конденсатори С1-С6. Здвоєний змінний резистор R1 служить для плавного регулювання частоти. Перемикачем S1 змінюється ємність в мосту Віна, і таким чином змінюються діапазони установки частоти. Ланцюг стабілізації вихідної напруги утворено стабілітроном VD1 і чотирма перемикальними його полярність діодами, зібраними на транзисторному складанні А2. Звичайно можна використати і окремі діоди, але діоди навіть в одній партії можуть істотно відрізнятися, що спричинить збільшення коефіцієнта нелінійних спотворень. Можна використати діодне складання з діодами, зробленими на одному кристалі, по тому, що тоді параметри діодів будуть однаковими.
Стабілітрон, комутований транзисторним складанням, входить до складу відємного зворотнього звязку (ВЗЗ) операційного підсилювача і регулює її глибину, не дозволяючи обмежуватися синусоїдальному сигналу. До складу ВЗЗ також входять резистори R5, R4 і конденсатор С7. Резистором R4 можна встановлювати глибину ООС (рівень вихідної напруги НЧ). Резистором R6 регулюють рівень вихідного сигналу НЧ. У генераторі можна використати операційні підсилювачі: КР140УД7, КР140УД708, КР140УД6, КР140УД608. Стабілітрон КС139 можна замінити на КС133А, діоди КД105 - будь-якими малопотужними випрямними діодами. Для живлення даного приладу використовується трансформатор на 9-11 вольт. Змінні резистори бажано використати з лінійним законом регулювання (СП- 4 групи "А"). За відсутності транзисторного складання можна використати діоди КД103, включивши їх замість транзисторів складання (катод замість емітера, анод - замість сполучених колектора і бази). Але в цьому випадку збільшення коефіцієнта нелінійних спотворень може досягти 0,3%. Налагодження полягає в підстроюванні R4 так, щоб при верхньомуположенні R7, отримати вихідну напругу 3 В.
2 Описання роботи стенду
2.1. Призначення виробу
Генератор низької частоти призначений для зняття амплітудо-частотної і динамічної характеристики різноманітних електронних пристроїв для визначення технічних показників, випробовування і налагодження низькочастотних приладів. Може бути використаний, як джерело живлення низької частоти для живлення різноманітних вимірюваних схем, модуляції коливань високочастотних генераторів, а також для перевірки динамічного стану логічних елементів приладів цифрової техніки.
Генератор також призначений для використання при проведенні лабораторних робіт з вивчення генераторів по предметах, які викладаються на відділення «Виробництво електронних та електричних засобів автоматизації» та «Обслуговування компютерних систем та мереж» [3]
2.2. Характеристики виробу
Низькочастотний генератор має наступні характеристики:
- діапазони частот, Гц,
на під діапазони:
- 20-200 Гц;
- 200-2000 Гц;
- 2000-20000 Гц;
- вихідна напруга на навантаженні 3 кОм - 3 В;
- коефіцієнт нелінійних спотворень вихідного сигналу не більше ніж ,08 (на частоті 1000 Гц ,03);
- напруга живлення від мережі змінного струму 220 В, частотою 50
1 Гц;
- споживана потужність 5 Вт, не більше.
2.3. Склад виробу і призначення його частин
Генератор живиться від мережі через вбудоване джерело живлення. Підсилювач, на якому виконаний генератор, зібраний на операційному підсилювачі А1. Міст Віна утворюють резистори R1-R3 і конденсатори C1-C6. Здвоєний змінний резистор R1 служить для плавної установки частоти. Перемикачем S1 перемикаються конденсатори моста Віна, і таким чином перемикаються діапазони установки частоти.
Ланцюг стабілізації вихідної напруги утворено стабілітроном VD1 і чотирма перемикаючими його полярність діодами, зібраними на транзисторній збірці А2. Звичай можна використовувати і окремі діоди, але діоди навіть однієї партії можуть істотно відрізнятися, що спричинить збільшення спотворень.
Можна використовувати діодну збірку з діодами, зробленими на одному кристалі, тому, що тоді параметри діодів будуть однаковими. Стабілітрон, комутований транзисторною збіркою, входить до складу операційного підсилювача і регулює її глибину, не дозволяючи обмежуватися синусоїдальному сигналу. До складу операційного підсилювача також входять резистори R5, R4 і конденсатор C7. Резистором R4 можнавстановлювати глибину (рівень вихідної напруги низької частоти). Резистором R6 регулюють рівень вихідного сигналу низької частоти.
У генераторі можна використовувати операційні підсилювачі КР140УД7, КР140УД708, КР140УД6, КР140УД608. Стабілітрон КС139 можна замінити на КС133А, діоди КД105 будь-якими малопотужними випрямними діодами. Трансформатор живлення використовується на 9-11 В. Змінні резистори бажано використовувати з лінійним законом регулювання (СП-4 групи “A”). За відсутностітранзисторноїзбіркиможнавикористовуватидіоди КД103, включивши їхзамістьзбіркитранзисторів (катод замістьемітера, анод замістьзєднанихколектора і бази). Налагодженняполягає в підстроюванніR4 так, щоб при верхньомуположенніR7, отримативихіднунапругу 3 В. ГраідуровкушкалиR1 можна виконати з використанням частотоміра.
2.4. Будова та робота стенду
Стенд живиться від мережі змінного струму 220 В. Після включення стенду в мережу кнопку SA1 переводимо в положення “Включено”, надходження напруги на друковану плату фіксує світіння кнопки SA1. Змінний резистор R4 встановлює рівень вихідної напруги низької частоти. Резистором R6 регулюють рівень вихідного сигналу низької частоти. Перемикач SA2 переключає конденсатори, для зміни рівня генерації, схема електрична принципова знаходяться в додатку А та Б.
2.5. Маркування
Виріб має табличку, що вміщує такі данні:
- назва виробу;
- вхідна напруга;
- струм живлення;
- рік виготовлення;
- маса.
Також виріб має маркування на верхній частині корпусу.
3. Використання за призначенням
Для нормальної роботи генератора, необхідно встановити в вертикальне положення на твердій поверхні, якомога далі від обігрівачів. Якщо генератор зберігався в холодному приміщенні або перевозився в зимних умовах, то його необхідно витримати протягом 2 годин при кімнатній температурі.
Перед тим як вмикати генератор ознайомтесь з умовами його експлуатації. Перед тим, як вмикати прилад запевніться, що вимикач мережі знаходиться в положенні «Вимк.», а ручка регулятора амплітуди коливань знаходиться в крайньому лівому положенні.
Підключіть навантаження до гнізд «Вихід». Шнур живлення ввімкніть в розетку електромережі з напругою 220 В.
Ввімкніть прилад зміною положення вимикача мережі в стан «Ввімк.». При цьому повинен засвітитися індикатор ввімкнення мережі «Мережа».
4. Технічне обслуговування, поточний ремонт, зберігання
.1. Технічне обслуговування
При експлуатації виробу необхідно додержуватись вимог діючих стандартів безпеки праці. До роботи з виробом повинні допускатись особи, які пройшли інструктаж з техніки безпеки.
Суворо забороняється вмикати виріб при наявності будь-якої несправності до її усунення.
Перед вмиканням виробу в мережу необхідно провести зовнішній огляд та перевірити цілісність шнура живлення.
Існують декілька класів електротехнічних виробів за способом захисту людини від ураження струмом - 0,01,1, II, III
Даний виріб відноситься до 0 класу, так як має робочу ізоляцію і не має елементів для заземлення.
Забороняється проводити профілактичні роботи при ввімкненій напрузі живлення.
Забороняється при проведенні технічного обслуговування користуватися несправними приладами та інструментом.
Кожний блок виробу можна перевірити на працездатність за допомогою зєднання його з осцилографом.
Спеціального обслуговування виріб не потребує.
Необхідно виконувати наступні вказівки:
перевірку стану зєднувальних проводів і шнура живлення;
перевірку робочих режимів[2]
4.2. Поточний ремонт
При проведенні поточного ремонту повинні бути виконані вимоги діючих «Правил технічної експлуатації електропристроїв споживачем», «Правил технічної безпеки при експлуатації електропристроїв споживачем», типових інструкцій по охороні праці, вимог стандартів безпеки праці.
До поточного ремонту виробу відносять роботи:
- заміна дротів, шнурів живлення в разі пошкодження;
- виявлення елементів, які потребують заміни, заміна їх на роботоспр
можні.
При виконані ремонтних робіт забороняється:
виконувати ремонтні роботи при підєднаному живленні
заміняти елементи, які вийшли із ладу іншими, характеристики яких не відповідають схемі;
ставити провідники з пошкодженою ізоляцією,аботі, якімаютьнедостатнюізоляцію;
користуватись приладами та інструментом які не пройшли перевірки на працездатність.
Для виявлення несправності можна використовувати наступні методи пошуку несправностей:
користуватись несправними приладами та інструментом
- методом зовнішніх проявів;
- методом аналізу монтажу;
- методом вимірювань;
- методом січень;
- методом електропрогнозу[3…4]
Всі можливі несправності та шляхи їх усунення вказані в таблиці 2.
Таблиця 2 Можливі несправності та шляхи їх усунення.
|
Можлива несправність |
Причина |
Шляхи усунення |
|
Не вмикається стенд |
Відсутній контакт з мережею живлення або відсутній запобіжник |
Замінити запобіжник, перевірити шнур на ушкодження |
Продовженнятаблиці 2.
|
Можлива несправність |
Причина |
Шляхи усунення |
|
Не працює зібрана схема стенду |
1) можливий обрив контактів; ) не працює один з |
) відновити контакти в схемі стенду; ) знайти та замінити непрацюючі елементи на нові. |
|
Не світиться світодіод |
Несправний тумблер |
Замінити тумблер або при обриві дротів приєднати. |
|
Не вірна частота вихідного сигналу |
Вийшов з ладу один із конденсаторів |
Замінити конденсатор |
4.3. Зберігання
Пристрій експлуатується та з в приміщенні з температурою від +5°С до +40°С та відносною вологістю повітря не більше 60% і атмосферному тиску 630-800 мм рт. ст.
Зберігати пристрійнеобхідоно в приміщенні з температурою від 0°С до +50°С та відносною вологістю повітря не більше 70% і атмосферному тиску 630-800 мм рт. ст. Також при зберігання виробу необхідно виключити на нього вплив агресивного середовища.
5. Економічна частина
6. Охорона праці і міри безпеки
Безпека робіт з радіоелектронним устаткуванням і утримання його в справному стані регламентуються Правилами техніки безпеки і виробничої санітарії в електронній промисловості (ПТБ і ПСЕП), правилами технічної експлуатації та правилами техніки безпеки при експлуатації електроустановок споживачів.
До малогабаритного радіоелектронного устаткування належить устаткування одноблокового і багатоблокового виконання, яке за своєю масою і габаритами може бути розміщене на робочому столі (верстаку), а також стійки зі вставними блоками з розмірами в плані не більшими за 700x700 мм. До великогабаритного належить однокорпусне, багатокорпусне і безкорпусне устаткування, що складається з одного і більше блоків, яке встановлюється на підлозі.
Персонал, обслуговуючий радіоелектронні пристрої, може потрапити під напругу внаслідок несправності, аварії або своїх помилкових дій. Безпека обслуговування електро та радіо пристроїв залежить від їх робочої напруги, умов експлуатації і характеру середовища приміщення, в якому воно встановлене.
Монтаж радіоелектронного устаткування. Виготовлення каркасів; шасі устаткування на слюсарно-механічних ділянках необхідно проводити з дотриманням вимог техніки безпеки при холодній і гарячій обробці металів. При монтажі радіоелектронного устаткування треба дотримуватися вимог електробезпеки і працювати тільки зі справним електроінструментом (електропаяльником).
Електропаяльник і лампи для місцевого освітлення необхідно застосовувати напругою не більше 42 В. Для пониження мережевої напруги 220 і 127 В до 42 В треба застосовувати понижувальний трансформатор. Один кінець вторинної (понижувальної) обмотки трансформатора і металевий кожух трансформатора необхідно заземляти.
При підєднанні апаратури до цехової мережі необхідно застосовувати штепсельні розєми.
У разі несправності у мережевій проводці викликають електромонтера.
При монтажі радіосхем забороняється: перевіряти на дотик наявність напруги і нагрів струмопровідних частин схеми; застосовувати для зєднання блоків і приладів дроти з пошкодженою ізоляцією; проводити паяння і установку деталей в устаткуванні, що знаходиться під напругою; вимірювати напруги і струми переносними приладами з неізольованими проводами і щупами; підєднувати блоки і прилади до устаткування, що знаходиться під напругою; замінювати запобіжники у ввімкненому устаткуванні; працювати на високовольтних установках без захисних засобів.
Загальні вимоги безпеки
До експлуатації радіоелектронних пристроїв та їх налагоджування допускаються робітники і фахівці (далі по тексту "працівники") не молодше 18 років, які пройшли медичний огляд, навчені безпечним методам роботи, які склали іспити відповідно до чинного Положення про порядок навчання працівників зв'язку безпечним методам праці.
Працівники повинні бути навчені основам виконання робіт за даною професією.
Роботи з монтажу передавального радіообладнання виконуються бригадою у складі не менше 2-х чоловік.
Керівник бригади повинен мати V, а члени бригади не менше III групи з електробезпеки.
Кожен працівник повинен пройти інструктаж з безпечних методів і правилам праці на робочому місці.
Прізвища працівників, дата проведення інструктажу заносяться в спеціальний журнал. Працівник, який пройшов інструктаж, повинен розписатися в журналі.
Приступати до роботи без проведення інструктажу на робочому місці не дозволяється.
На кожному робочому місці повинна бути інструкція з охорони праці при виконанні робіт по монтажу передавального радіообладнання.
Кожен працівник повинен бути попереджений про необхідність дотримання Правил внутрішнього трудового розпорядку.
При монтажі обладнання можуть виникнути небезпечні для життя та шкідливі для здоров'я фактори:
напруга небезпечно для життя при дотику до відкритих струмоведучих частин;
підвищений рівень високочастотних випромінювань.
Кожен працівник має вивчити вимоги пожежо-і вибухобезпеки і дотримуватися їх.
За невиконання цієї інструкції винні несуть відповідальність згідно з Правилами внутрішнього трудового розпорядку.
Перед початком роботи необхідно:
Одягти спецодяг, заправивши її так, щоб не було звисаючих кінців. Прибрати волосся під головний убір.
Перевірити справність засобів індивідуального захисту (відсутність зовнішніх пошкоджень і термін придатності ні штампу випробувань), обтерши їх від пилу.
Підготувати справний інструмент, електропаяльник і переносну електролампу на 42 В, вимірювальну апаратуру.
Підготувати в спеціальній тарі припой, флюс, що знежирюють речовини. Легкозаймисті рідини в непролівающейся тарі з чітким написом про вміст і щільно закривається кришкою в кількості, що не перевищує змінної потреби.
Вивчити монтажні схеми, інструкції та рекомендації заводу-виготовлювача з проведення монтажу.
Перевірити заземлення металевих частин обладнання, які можуть опинитися під напругою внаслідок порушення ізоляції (каркаси, шафи, корпуси рубильників і т. п.) і заземлення металевих корпусів вимірювальних приладів.
Вимоги безпеки під час роботи
Не допускається залишати одного працівника для виконання робіт за відсутності в приміщенні осіб, атестованих з електробезпеки.
Щоб уникнути ураження електричним струмом при виконанні робіт по монтажу радіо електричних пристроїв забороняється в обладнанні, що знаходиться під напругою, виконується:
будь-які виправлення монтажу;
відключення і підключення кабелів;
пайку і установку деталей;
перевіряти на дотик нагрів струмоведучих частин схеми;
підключати блоки і прилади;
замінювати запобіжники.
Не допускається перевіряти ступінь нагрівання паяльника на дотик, брати багато припою на паяльник, робити різкі рухи з паяльником в руці.
При виконанні робіт, пов'язаних з можливістю загоряння або опіку очей припоєм, роботу необхідно виконувати в захисних окулярах.
При монтажі деталей на металевих поверхнях в положенні "лежачи", "з коліна", "сидячи" роботи повинні проводитися з використанням матів і підколінника.
Підключення вимірювальних приладів проводити при відключеному устаткуванні і знятому заряді на ємностях схеми.
При ліквідації виниклої пожежі користуватися вуглекислотними вогнегасниками.
Виконувати тільки ту роботу, яка доручена, не відволікатися і не відволікати товаришів по роботі.
Підтримувати порядок на робочому місці.
Вимоги безпеки після закінчення роботи:
- Вимкнути всі пристрої електроживлення та вимірювальну апаратуру.
- Пам'ятати, що дроти захисного заземлення відключаються в останню чергу.
- Відключити електропаяльник і переносну електролампу.
- Прилади, інструмент, захисні пристосування прибрати в місця, відведені для їх зберігання.
- Невитрачені легкозаймисті рідини закрити в металеву шафу.
- Прибрати робоче місце.
- Зробити необхідні записи в оперативній та технічної документації.
- Зняти і прибрати у відведене місце для зберігання спецодяг та засоби індивідуального захисту.
Значною мірою безпека обслуговування електрообладнання залежить від умов середовища приміщення, в якому воно встановлене, бо ці умови впливають на стан ізоляції і опір шкіри людини. Волога, їдкі пари або гази, струмопровідний пил і висока температура знижують опір ізоляції і руйнують її. Крім того, шкіра людини під впливом вологи і високої температури стає провідною, що зменшує опір тіла людини і підвищує небезпеку ураження електричним струмом.
Струмопровідна підлога (металева, цегляна, бетонна), на якій стоїть людина, різко зменшує опір його кола і підвищує небезпеку дотику до струмопровідних частин, що знаходяться під напругою. Провідний пил осідає на проводах і утворює провідне коло, внаслідок чого можливі замикання на землю і між фазами. Їдкі пари або гази (хімічно активне середовище) руйнують ізоляцію ізменшують її опір.
Таким чином, ознаками підвищеної небезпеки є:
) волога (відносна вологість повітря вище 75%) або наявність струмопровідного пилу;
) струмопровідні підлоги;
) підвищена температура повітря (більше +35оC);
) можливість одночасного дотику людини до заземлених корпусів облад
нання і до частин електрообладнання, що перебуває під напругою.
Висновки
При проведенні аналізу літературних джерел з теми та виявлено, що на даний момент існує надзвичайно велика кількість різновидів будови схем генератора низької частоти. Кожна схема має ряд своїх переваг та недоліків у будові та роботі приладу, тож при виборі схеми важливо чітко визначитися із формою отримуваних сигналів з генератора, діапазоном частот в яких повинен працювати генератор, напругою отримуваною на виході з пристрою та багатьма іншими не менш вагомими питаннями.
Під час виконання дипломного проекту нами було обрано схему генератора низької частоти, яка приведена у додатку А та розроблено схему електричну принципову, складальне креслення виробу та описано принцип роботи з приладом.
Список використаних джерел
- ШустовМ.А. Практическая схемотехника. 450 полезных схем радиолюбителям: Книга 1. М.: «Альтекс А», 2003. с.
- Гершунский Б.С. Основы электроники. К.: «Вища школа» 1977.с.
- Колонтаєвський Ю.П., Сосков А.Г. Промислова електроніка та мікросхемотехніка: теорія і практикум. За ред. А.Г. Соскова. - К.: Каравела, 2003.
- Збожна О.М., «Основи технології » Тернопіль: «Карт- бланш»,2002.
- ГОСТ 12.2.007.0-75 ССБТ «Вироби електротехнічні».
- Макаровська Т.П. Економіка підприємства. Навчальний посібник К.
- Економіка підприємства: Навч.посіб. / А.В.Шегда, Т.М.Литвиненко, М.П.Нахаба та ін..; За ред..Шегди. К.: Знання-Прес, 2003
.
Розробка схеми генератора низьких частот та керівництва по експлуатації