РАСЧЕТ ТЕХНОЛОГИЧЕСКИХ РАЗМЕРНЫХ ЦЕПЕЙ
red79;Федеральное агентство железнодорожного транспорта
Государственное общеобразовательное учреждение высшего профессионального образования
Омский государственный университет путей сообщения (ОмГУПС)
Кафедра: «Технология транспортного машиностроения и ремонт подвижного состава»
«РАСЧЕТ ТЕХНОЛОГИЧЕСКИХ РАЗМЕРНЫХ ЦЕПЕЙ»
Контрольная работа
по дисциплине: «Технология машиностроения»
Выполнил:
студент гр. ____________
______ _______________
(подпись) (фамилия)
«___»__________20__
Проверил:
______ Смольянинов В.С.
(подпись) (фамилия)
«___»__________20__
Омск 2011
- Определение последовательности и количества переходов при механической обработке заготовок
Технологический маршрут последовательности обработки приведен в табл. 1. Обозначение поверхностей приведено на рис. 1.
Таблица 1 Технологические маршруты обработки отдельных поверхностей
|
Обработанные поверхности |
Квалитет допуска размера |
Шероховатость |
Технологический маршрут |
|
1 |
2 |
Rz 50 |
Точить торец |
|
12 10 |
Rz 5 Rz 50 Rz 50 |
Точение поверхностей: черновое, чистовое, тонкое; черновое; черновое |
|
|
Rz 5 Rz 5 |
Растачивание отверстия: ,6 черновое, чистовое, тонкое |
||
|
12 |
12 |
Rz 50 |
Точить торец |
|
Rz 50 Rz 50 |
Обтачивание поверхностей: ,8 черновое |
||
|
11 |
Rz 5 Rz 5 |
Растачивание отверстий: ,11 черновое, чистовое, тонкое |
|
|
10 |
Rz 50 |
Точение канавки |
|
|
13 |
12 |
Rz 50 |
Сверлить отверстия |
|
13 |
Rz 25 |
Зенкеровать отверстия |
|
|
13 |
Rz 5 |
Развертывание |

Рисунок 1 Поверхности под механическую обработку
2. Размерный анализ технологического процесса
Размерная цепь совокупность размеров, образующих замкнутый контур и используемых для решения поставленной задачи.
Размерные цепи могут быть линейными, плоскими, пространственными и угловыми. Размеры, образующие цепь, называют звеньями, одно из которых является замыкающим, а остальные составляющими.
Замыкающее звено звено размерной цепи, являющееся исходным при постановке задачи или получающимся последним в результате ее решения. В процессе обработки размер замыкающего звена получается как следствие обеспечения заданной точности составляющих звеньев.
Составляющие звенья могут быть увеличивающими или уменьшающими. Увеличивающее звено звено, с увеличением которого замыкающее звено увеличивается; уменьшающее с увеличением которого замыкающее звено уменьшается.
Размерные цепи используют для решения двух типов задач: прямой и обратной. Прямая задача заключается в назначении полей допусков составляющих звеньев по заданным предельным отклонениям замыкающего звена, обратная в определении номинального размера и предельным отклонениям составляющих звеньев.
Технологические размерные цепи определяют связь размеров обрабатываемой детали по мере выполнения технологического процесса или связь размеров технологической системы «станок приспособление инструмент - деталь».
Технологические размерные цепи рассчитывают двумя методами:
) полной взаимозаменяемости (максимума - минимума);
) неполной взаимозаменяемости (вероятностный).
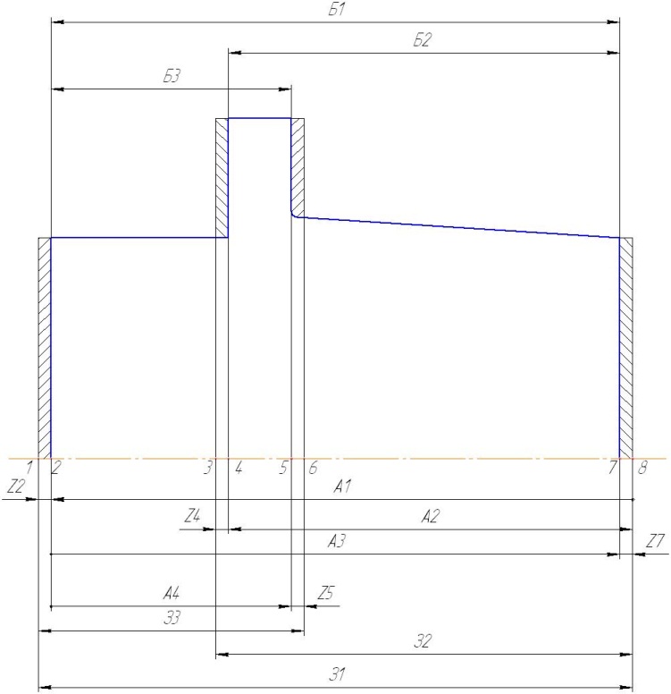
В качестве технологической размерной цепи рассмотрим цепь представленную на рис. 2.
По полученной размерной схеме выявляют размерные цепи. Необходимо, чтобы в размерной цепи был только один конструкторский размер или один размер припуска, которые являются замыкающими звеньями технологических размерных цепей.
Б1=А3;
Б2=А3-А1+А2;
Б3=А4;
Z2=З1-A1;
Z5=З3- З1+А1-A4;
Z7= A1-А3;
Z4=З2-A2.

Рисунок 2 Технологическая размерная цепь
Для упрощения выявления технологических размерных цепей необходимо воспользоваться теорией графов. Если принять поверхности заготовки и детали за вершины, связи между ними за ребра, то чертеж детали с конструкторскими и технологическими размерами можно представить в виде двух графов. Граф с конструкторскими размерами и размерами припусков называется исходным графом, а граф с технологическими размерами производным.
Построение графа начинают с производного графа (рис. 3)

Рисунок 3 - Производный граф
Далее строят исходный (рис. 4)

Рисунок 4 Исходный граф
Исходный граф строят при таком же расположении вершин, что позволяет его совместить с производным.
Результатом совмещения производного и исходного графа является совмещенный граф (рис. 5)

Рисунок 5 Совмещенный граф
При записи уравнений размерных цепей знак звена как производного, так и исходного графа принимают положительным, если оно направлено от вершины с меньшим номером к вершине с большим, и наоборот.
А3=Б1= 225 мм, допуск ТА3=0,46 мм;
А4=Б3= 95 мм, допуск ТА4=0,35 мм;
z3=A1-А3
Определим технологический размер А1. Допустим, что номинальное значение припуска на черновую обработку равно 1,335 мм, тогда
А1=1,335-225, А4=226,335 мм. Назначаем по 12 квалитету (черновое точение) допуск на размер А1, т.е. ТА1=0,46мм. Предельные отклонения устанавливаем по h, т.е.
мм.
Находим предельные отклонения размера припуска, мм:


Тогда
мм, максимальное и минимальное значение припуска, мм:

.
Аналогично рассчитываем максимальное и минимальное значения для остальных припусков.
z2=З1-A1. Номинальное значение припуска на черновую обработку равно 1,335 мм, тогда
,335=З1-226,335, З1=227,67 мм. Назначаем по 14 квалитету допуск на размер З1, т.е. ТЗ1=1,15 мм. Предельные отклонения устанавливаем по h, т.е.
мм.
Находим предельные отклонения размера припуска, мм:


Тогда
мм, максимальное и минимальное значение припуска, мм:

.
Б2=А3-А1+А2,
А2=Б2-А3+А1=155-225+226,335=156,335 мм.
ТА2=0,39-0,46+0,46=0,39 мм, т.е.
мм.
Z5=З3-З1+А1-А4, З3=z5+З1-А1+А4,
З3=1,335+227,67-226,335+95=97,67 мм. Назначаем по 14 квалитету допуск на размер З3, т.е. ТЗ3=0,87 мм. Предельные отклонения устанавливаем по h, т.е.
мм.
Находим предельные отклонения размера припуска, мм:


Тогда
мм, максимальное и минимальное значение припуска, мм:

.
Z4=З2-А2, З2=z4+А2
З2=1,335+156,335=157,67 мм. Назначаем по 14 квалитету допуск на размер З2, т.е. ТЗ2=1 мм. Предельные отклонения устанавливаем по h, т.е.
мм.
Находим предельные отклонения размера припуска, мм:


Тогда
мм, максимальное и минимальное значение припуска, мм:

.
Таким образом в данном расчете были определены все неизвестные параметры технологической размерной цепи, а также припуски и их предельные отклонения.
7
РАСЧЕТ ТЕХНОЛОГИЧЕСКИХ РАЗМЕРНЫХ ЦЕПЕЙ