РАЗВИТИЕ МЕТОДОВ ПРИНЯТИЯ РЕШЕНИЙ В АВТОМАТИЗИРОВАННЫХ СИСТЕМАХ МОНИТОРИНГА И ДИАГНОСТИКИ ОБЪЕКТОВ ИНФРАСТРУКТУРЫ ЖЕЛЕЗНОДОРОЖНОГО ТРАНСПОРТА
PAGE \* MERGEFORMAT 2
На правах рукописи
Лила Владимир Борисович
РАЗВИТИЕ МЕТОДОВ ПРИНЯТИЯ РЕШЕНИЙ В АВТОМАТИЗИРОВАННЫХ СИСТЕМАХ МОНИТОРИНГА
И ДИАГНОСТИКИ ОБЪЕКТОВ ИНФРАСТРУКТУРЫ ЖЕЛЕЗНОДОРОЖНОГО ТРАНСПОРТА
Специальность 05.13.06Автоматизация и управление технологическими процессами и производствами (на транспорте)
АВТОРЕФЕРАТ
диссертации на соискание ученой степени
кандидата технических наук
Ростов-на-Дону 2013
Работа выполнена в федеральном государственном бюджетном образовательном учреждении высшего профессионального образования «Ростовский государственный университет путей сообщения» (ФГБОУ ВПО РГУПС)
Научный руководитель доктор технических наук, доцент
Чернов Андрей Владимирович
Официальные оппоненты Шабельников Александр Николаевич,
доктор технических наук, профессор,
директор Ростовского филиала ОАО «Научно-исследовательский и проектно-конструкторский институт информатизации, автоматизации и связи на железнодорожном транспорте» (ОАО «НИИАС»)
Поляков Владимир Иванович,
кандидат технических наук, доцент кафедры «Вычислительной техники» ФГБОУ ВПО «Санкт-Петербургский национальный исследовательский университет информационных технологий, механики и оптики» (ФГБОУ ВПО «СПбНИУ ИТМО»)
Ведущая организация ОАО «Научно-исследовательский институт
железнодорожного транспорта»
(ОАО «ВНИИЖТ»).
Защита состоится 13 декабря 2013 г. в 15:00 часов на заседании диссертационного совета Д.218.010.03 при Ростовском государственном университете путей сообщения по адресу: 344038, г. Ростов-на-Дону, пл. Ростовского Стрелкового Полка Народного Ополчения, 2, конференц-зал.
С диссертацией можно ознакомиться в библиотеке ФГБОУ ВПО РГУПС.
Автореферат разослан 12 ноября 2013 г.
Ученый секретарь
диссертационного совета Д 218.010.03,
доктор технических наук, профессор М. А. Бутакова
ОБЩАЯ ХАРАКТЕРИСТИКА РАБОТЫ
Актуальность темы исследования
Современные темпы и масштабы модернизации и развития автоматизированных систем управления на железнодорожном транспорте чрезвычайно высоки. Они направлены на достижение главной корпоративной цели ОАО «РЖД», которая состоит в обеспечении полного освоения возрастающих объемов грузовых и пассажирских перевозок в условиях сокращения затрат и выполнения требований безопасности и качества предоставления транспортных услуг. Модернизация автоматизированных систем управления проводится с учетом современных технологий интеллектуального управления транспортными системами. Для централизованного управления всей инфраструктурой ОАО «РЖД» внедряется новейший комплекс Единой корпоративной автоматизированной системы управления инфраструктурой (ЕК АСУИ). Одной из важнейших целей внедрения данной системы является повышение эффективности планирования и реализации текущей деятельности предприятий ОАО «РЖД» на основе совершенствования бизнес-процессов в хозяйствах железнодорожного транспорта. Для решения задач управления технологическими процессами в реальном времени на железнодорожном транспорте необходимо применение не только высокопроизводительных вычислительных комплексов и сетей передачи данных, но и адекватных им вычислительных технологий, обеспечивающих быстродействующую обработку данных. К такому классу относятся искусственные нейронные сети (ИНС), которые применяются для задач принятия решений, классификации, распознавания образов и прогнозирования.
Одним из направлений совершенствования бизнес-процессов в деятельности подразделений ОАО «РЖД» в ЕК АСУИ является управление мониторингом и диагностированием технических объектов инфраструктуры, а также управление текущим содержанием и планово-предупредительными ремонтами оборудования. В рамках улучшения мониторинга и диагностирования объектов инфраструктуры внимание должно быть уделено регистрации, учету протоколов проверки оборудования и своевременному принятию решений по его ремонту, восстановлению и замене. Для этого в функциональные блоки ЕК АСУИ необходимо встраивать новые аппаратные и программные модули для решения указанных задач. В частности, в хозяйстве электрификации и электроснабжения ОАО «РЖД» одной из наиболее приоритетных задач, ведущих к повышению эффективности функционирования и снижению затрат на обслуживание объектов электроснабжения является диагностика часто повреждаемого и дорогостоящего оборудования силовых трансформаторов тяговых подстанций. Одной из наиболее приоритетных задач, ведущих к повышению эффективности функционирования и снижению затрат на обслуживание технических объектов инфраструктуры является определение развития их дефектов на ранней стадии и прогнозирование остаточного ресурса. Таким образом, предлагается создание автоматизированного программного комплекса для решения задач определения остаточного ресурса и выявления дефектов на ранней стадии технических объектов инфраструктуры железнодорожного транспорта.
Актуальность научных исследований подтверждается поддержкой РФФИ проекта №13-01-00325 «Гибридные модели интеллектуального управления и принятия диагностических решений в контролируемых динамических и дискретных системах».
Степень разработанности проблемы
Диссертационное исследование основано на работах отечественных и зарубежных ученых в области нейросетевых технологий и автоматизированных систем управления. В настоящее время аппарат ИНС и методы его использования постоянно развиваются и совершенствуются. Активные разработки и исследования в области создания систем проектирования ИНС связаны с деятельностью таких организаций как NeuroProject (Москва), BaseGroup Labs (Москва) и других. Следует выделить частный проект В.Г. Царегородцева NeuroPro (Красноярск).
Различные фундаментальные и прикладные аспекты интеллектуальных систем управления нашли отражение в работах МГУ, МГТУ им. Н.Э. Баумана, Южного федерального университета, ФГБОУ ВПО РГУПС, КНУ им. Тараса Шевченко и других в лице таких ученых, как Л.С. Берштейн, В.М. Глушков, Д.И. Дубровский, С.М. Ковалев, А.А. Ляпунов, Д.А. Поспелов, В.Б. Тарасов, А.Н. Шабельников и другие.
Методы и принципы построения автоматизированных систем управления сложными организационно-технологическими объектами рассмотрены в работах В.П. Авдеева, А.А. Ашимова, А.Н. Гуды, В.Н. Иванченко, В.М. Лисенкова, Н.Н. Лябаха и других.
Наиболее известными трудами в области автоматизации систем диагностирования на железнодорожном транспорте являются работы ученых ОАО «НИИАС», ОАО «ВНИИЖТ» и других.
Цель и задачи исследования
Цель настоящей диссертационной работы развитие методов принятия решений в автоматизированных системах мониторинга и диагностики технических объектов инфраструктуры железнодорожного.
Для достижения поставленной цели реализуется следующая последовательность задач диссертационного исследования:
- Анализ существующих автоматизированных систем контроля, мониторинга и диагностики ОАО «РЖД» и методов принятия решений при диагностировании технических объектов инфраструктуры железнодорожного транспорта.
- Разработка универсальной модели рекуррентной ИНС, качественно повышающей решение задач прогнозирования временных рядов.
- Разработка алгоритма обучения ИНС, позволяющего повысить скорость и качество обучения.
- Разработка программного комплекса с открытой архитектурой, позволяющего осуществлять нейросетевой анализ с различными архитектурами ИНС, алгоритмами обучения и другими параметрами.
- Практическая апробация нейросетевого вычислительного ядра при решении задачи прогнозирования параметров состояния технических объектов инфраструктуры железнодорожного транспорта на примере силовых трансформаторов тяговых подстанций с помощью разработанной автоматизированной системы поддержки принятия решений для Ростовской дистанции электроснабжения ЭЧ-1 ОАО «РЖД».
Объекты и методы исследования
Объектами исследования выступают автоматизированные системы диагностики технических объектов инфраструктуры железнодорожного транспорта, поддержка принятий решений при определении остаточного ресурса и методы определения остаточного ресурса технических объектов инфраструктуры на железнодорожном транспорте. Предметом исследования является математическое, алгоритмическое и программное обеспечение процесса построения, обучения и использования ИНС персептронного типа в задачах классификации и прогнозирования, возникающих при принятии решений по диагностированию и определению остаточного ресурса объектов инфраструктуры железнодорожного транспорта. Методы исследования, применяемые в диссертационной работе, основаны на использовании нейросетевых технологий, численных методов нахождения экстремумов, методов оптимизации и компьютерного моделирования. При разработке программного комплекса использовались объектно-ориентированное программирование, клиент-серверные технологии и теория баз данных.
Выполненная диссертационная работа соответствует следующим пунктам паспорта специальности 05.13.06 «Автоматизация и управление технологическими процессами и производствами (на транспорте)»:
п.10. Методы синтеза специального математического обеспечения, пакетов прикладных программ и типовых модулей функциональных и обеспечивающих подсистему АСУТП, АСУП, АСТПП и других.
п.14. Теоретические основы, методы и алгоритмы диагностирования, (определения работоспособности, поиск неисправностей и прогнозирования) АСУТП, АСУП, АСТПП и другие.
п.15. Теоретические основы, методы и алгоритмы интеллектуализации решения прикладных задач при построении АСУ широкого назначения (АСУТП, АСУП, АСТПП и другие).
Научная новизна содержится в следующих результатах диссертационного исследования:
- Предложена универсальная модель рекуррентной ИНС с динамической памятью, применяемая для прогнозирования остаточного ресурса технических объектов инфраструктуры железнодорожного транспорта.
- Предложен метод обучения разработанной модели искусственной рекуррентной ИНС, основанный на трансформации обучающей выборки.
- Предложены новые алгоритмы обучения ИНС: адаптивный, генетический и гибридный, основанный на совместном использовании адаптивного и генетического алгоритмов, демонстрирующие большую скорость обучения ИНС по сравнению с классическими алгоритмами.
- Разработана универсальная объектно-ориентированная модель нейросетевой системы с расширяемой архитектурой и динамической базой данных для накопления информации по решаемым задачам, позволяющая использовать сохраненную информацию для подбора ИНС при решении новых задач.
- Предложена структура и набор функциональных модулей для автоматизации процесса определения развития дефекта на ранней стадии и прогнозирования остаточного ресурса объектов инфраструктуры железнодорожного транспорта.
Положения диссертации, выносимые на защиту
- Универсальная модель рекуррентной ИНС с динамической стековой памятью, применяемая для прогнозирования остаточного ресурса технических объектов инфраструктуры железнодорожного транспорта.
- Обобщающий метод обучения рекуррентной ИНС с динамической памятью, основанный на трансформации обучающей выборки.
- Методика принятия решений, повышающая качество, оперативность и эффективность диагностических решений, позволяющая выполнять прогнозирование и планирование необходимых ресурсов для обеспечения бездефектной эксплуатации технических систем.
- Новые алгоритмы обучения ИНС: адаптивный, генетический и гибридный, основанный на совместном использовании адаптивного и генетического алгоритмов, которые показали на проводимых экспериментах большую скорость по сравнению с классическими алгоритмами.
- Универсальная автоматизированная объектно-ориентированная модель нейросетевой системы с расширяемой архитектурой и динамической базой данных для накопления информации по решаемым задачам, позволяющая использовать сохраненную информацию для подбора ИНС при решении новых задач.
Практическая значимость диссертационной работы заключается в следующем:
- Разработанный гибридный алгоритм обучения ИНС, основанный на новых методах оптимизации, применим при поиске экстремумов сложных многоэкстремальных функций в многомерных измерениях.
- Программный модуль нейросетевой системы прогнозирования остаточного ресурса технических объектов инфраструктуры железнодорожного транспорта с использованием новой предлагаемой универсальной модели рекуррентной ИНС повышает качество и скорость решения задачи, а также позволяет выявить развитие дефекта на ранней стадии.
- Программный модуль, основанный на разработках программного комплекса «NeuroNADS», позволяет эмулировать работу ИНС и решать широкий круг задач классификации и прогнозирования с использованием различных нейросетевых архитектур и алгоритмов обучения, а также автоматизировать решение задачи и процесс обучения.
Достоверность и обоснованность диссертации подтверждается результатами вычислительных экспериментов и обработки реальных данных, публикациями и апробацией работы на международных, всероссийских и региональных научных и научно-технических конференциях, а также актами внедрения результатов работы.
Апробация работы
Основные положения диссертационной работы докладывались на Всероссийской научно-практической конференции студентов, аспирантов и молодых ученых ЮФУ (Ростов-на-Дону, 2009), на Всероссийской научной конференции «Нечеткие системы и мягкие вычисления» (Волгоград, 2009), на международных научно-практических конференциях «Строительство» (Ростов-на-Дону, 2009-2011), на Второй научно-технической конференции «Интеллектуальные системы управления на железнодорожном транспорте» (Москва, ИСУЖТ-2013). Разработан интернет-портал «Я-Интеллект». На портале можно получить доступ к наиболее интересным статьям по тематике ИНС и загрузить ранее созданный нейросетевой программный комплекс «NeuroNADS», а также получить возможность проводить исследования в режиме реального времени на эмуляторе, использующего все описанные в данной работе новые алгоритмы обучения и архитектуры ИНС. На данный момент разработка представлена в общероссийской программе Федерального агентства по делам молодежи «Зворыкинский проект».
Публикации
По теме исследования опубликовано 9 печатных работ, общим объемом 2,21 п.л., в том числе 5 работ в изданиях, входящих в «Перечень ведущих научных журналов и изданий, выпускаемых в Российской Федерации», утвержденный ВАК РФ, и получено 1 свидетельство о государственной регистрации программы на ЭВМ РФ.
Внедрение результатов работы
Результаты диссертационного исследования внедрены и используются в Ростовской дистанции электроснабжения ЭЧ-1 ОАО «РЖД». Нейросетевой программный комплекс используется в учебном процессе на кафедре «Прикладной математики и вычислительной техники» Ростовского государственного строительного университета с целью обучения студентов методам нейросетевого анализа по дисциплине «Интеллектуальные информационные системы». Все внедрения дали положительный результат, что подтверждено соответствующими документами.
Структура и объем работы
Диссертационная работа состоит из введения, четырех глав, заключения, списка литературы и приложений. Содержание диссертации изложено на 163 страницах, включая 56 рисунков, 13 таблиц, 8 страниц приложений и актов о внедрениях. В список использованных источников включено 150 наименований отечественной и зарубежной литературы (в том числе 38 ссылок на ресурсы Internet).
КРАТКОЕ СОДЕРЖАНИЕ РАБОТЫ
Во введении обоснована актуальность темы диссертационной работы, сформулирована цель и задачи исследований, показана научная новизна и практическая ценность полученных результатов. Дана общая характеристика работы и структура изложения материала. Приведены сведения об апробации и опубликовании основных положений работы.
В первой главе проводится анализ существующих автоматизированных систем учета, контроля, мониторинга и диагностирования объектов инфраструктуры ОАО «РЖД», а также рассмотрены методы определения остаточного ресурса технических объектов инфраструктуры железнодорожного транспорта.
Рисунок 1 Место разрабатываемой нейросетевой подсистемы среди автоматизированных систем ЕК АСУИ
Показано, что практически все методы контроля и диагностирования технических объектов инфраструктуры железнодорожного транспорта направлены на определение места и типа повреждения с помощью физических измерений без накопления базы данных, без аналитики и прогнозирования остаточного ресурса. В связи с этим поставлена задача разработки автоматизированной системы, способной прогнозировать и определять тип развивающегося дефекта на ранней стадии, накапливать протоколы проведенной диагностики и вести учет по принятым решениям по дальнейшей эксплуатации исследуемого оборудования.
Рассмотрена концепция ЕК АСУИ, которая в настоящее внедряется в ОАО «РЖД». Определено место разрабатываемой нейросетевой подсистемы принятия решений среди подсистем и компонентов ЕК АСУИ (рисунок 1), и поставлена задача синтеза методов интеграции разрабатываемой автоматизированной системы с подсистемами ЕК АСУИ
Вторая глава посвящена вопросам создания нейросетевых моделей прикладных задач прогнозирования состояния технических объектов инфраструктуры железнодорожного транспорта. Для этого проанализированы наиболее популярные архитектуры рекуррентных ИНС, в результате чего разработана универсальная модель рекуррентной нейросети с динамической стековой памятью (рисунок 2).

Рисунок 2 Пример универсальной архитектуры рекуррентной ИНС с динамической памятью нескольких предыдущих выходных сигналов слоя
Выходы скрытого слоя {c1, c2,…,ck} подаются на входные нейроны с весовыми коэффициентам {wij}-t , где i индекс нейрона, на который подается сигнал (i = 1,2,…,n), j индекс выходного сигнала нейрона скрытого слоя (j = 1,2…,k), t индекс временной задержки (t =1,2…m), {x1, x2,…,xn} входные сигналы ИНС. Количество временных задержек будем изменять от 1 до m. Таким образом, сеть Элмана получается при хранении одной временной задержки сигнала скрытого слоя, сеть Джордана при хранении одной временной задержки сигнала выходного слоя, а многослойный персептрон при отсутствии временных задержек и рекуррентной связи.
Обучение рекуррентной нейронной сети методом обратного распространения ошибки можно свести к обучению многослойного персептрона, снимая рекуррентную связь. Рассмотрим пример трансформации обучающей выборки на примере обучения рекуррентной ИНС с памятью нескольких предыдущих выходных сигналов слоя. Будем обучать нейросеть задаче прогнозирования последующих членов геометрической прогрессии. Трансформируем временной ряд методом скользящих окон. Создадим архитектуру рекуррентной нейросети с двумя слоями: в скрытом слое 3 нейрона, в выходном 1 нейрон, и с памятью скрытого слоя для двух предыдущих примеров.
Так как число нейронов скрытого слоя, имеющего рекуррентную связь на выходной слой, равно трем, то размер входных сигналов в нейронную сеть при запоминании предыдущего выходного сигнала на один шаг назад увеличится на 3, а при запоминании двух предыдущих выходных сигналов на 6. Тогда входы нейронной сети обозначим: {x1, x2, x3} основной сигнал, {x4, x5, x6, x7, x8, x9} сигналы рекуррентной связи.
В таблице 1 приведено изменение обучающей выборки для текущей нейросети во время подачи примеров.
Таблица 1
Добавление в обучающую выборку рекуррентной ИНС новых обучающих примеров из выходных сигналов скрытого слоя
|
№ п/п |
Входы ИНС (x) |
Выходы ИНС (y) |
||||||||
|
x1 |
x2 |
x3 |
x4 |
x5 |
x6 |
x7 |
x8 |
x9 |
y1 |
|
|
1 |
2 |
4 |
8 |
0 |
0 |
0 |
0 |
0 |
0 |
16 |
|
2 |
4 |
8 |
16 |
c1-1 |
c2-1 |
c3-1 |
0 |
0 |
0 |
32 |
|
3 |
8 |
16 |
32 |
c1-1 |
c2-1 |
c3-1 |
c1-2 |
c2-2 |
c3-2 |
64 |
|
… |
На входы x4, x5, x6 подаются выходные сигналы скрытого слоя с предыдущего шага: с1-1,c2-1,c3-1, а на входы x7, x8, x9 выходные сигналы скрытого слоя с задержкой на 2 шага назад: с1-2,c2-2,c3-2. Таким образом, обучение данной рекуррентной сети можно свести к обучению многослойного персептрона с расширенной выборкой и с большим числом весов у входного слоя.
Во 2 главе предложен адаптивный алгоритм обучения искусственных нейронных сетей.
(1)
где вектор задает направление движения; направление антиградиента на j-ой итерации; коэффициент, определяющий вес i-го градиента; m определяет кол-во запоминаемых градиентов; k порядковый номер текущей итерации.
Градиентный метод обучения из формулы 1 получается при , а методы сопряженных градиентов путем суммирования всех предыдущих направлений (при ).
Таким образом, предлагаемый адаптивный алгоритм является более гибким решением при обучении ИНС.
Шаги адаптивного алгоритма:
- Выбираем стартовую точку с некоторыми координатами (x0; y0; ...).
- Проверяем критерий остановки (число итераций, среднеквадратическая ошибка и другие)
- Вычисляем антиградиент в текущей точке (на первой итерации стартовая точка).
- Заносим текущее направление в стек направлений.
- Считаем вектор направления по формуле 1.
- Перемещаемся по вычисленному вектору в новую точку.
- Возвращаемся в шаг 1. Если критерий остановки положителен, то заканчиваем алгоритм, если нет переходим к шагу 3.
- Конец алгоритма. Имеем точку, близкую к минимуму функции.
Предложена альтернатива адаптивному алгоритму генетический алгоритм, основанный на эвристическом методе поиска. Для реализации генетического алгоритма необходимо определить основные понятия: структуру хромосомы, выражение (2); процедуру скрещивания, выражение (3); процедуру мутации, выражение (4). Генетический алгоритм является классическим, и подробно не рассматривается в данной диссертации.
, (2)
где хромосома, i индекс представителя популяции, w вес нейрона.
, (3)
где Gi ген новой хромосомы, полученной в результате скрещивания, Ga и Gb гены родительских хромосом, i порядковый номер гена в хромосоме, Random функция, генерирующая равномерную случайную величину на отрезке действительных чисел [0;1].
, (4)
где Gi ген хромосомы, измененный в результате мутации; i порядковый номер гена в хромосоме; Random функция, генерирующая равномерную случайную величину на отрезке действительных чисел [0;1]; Km коэффициент мутации (как правило, Km [0;1]).
Было проведено сравнение адаптивного и генетического метода оптимизации на примере двумерной функции Растригина. Показано, что градиентные методы попадают в локальные минимумы и не способны продолжать движение в сторону глобального экстремума, в том время как генетический алгоритм на рассмотренном примере успешно справился с задачей.
В диссертации был предложен гибридный алгоритм, на основе использования адаптивного и генетического алгоритмов.
Шаги гибридного алгоритма:
- Создаем ИНС с первоначальной инициализацией весовых коэффициентов.
- Обучаем ИНС описанным адаптивным алгоритмом, пока не будет достигнут критерий перехода к генетическому методу обучения.
- Создаем популяцию из N-1 особей. В первую популяцию добавим ИНС, обученную адаптивным алгоритмом.
- Произведем скрещивание особей с вероятностью выбора пары Pc. От каждой пары получим S потомков. Для определения генов потомка, воспользуемся формулой (3).
- Выберем из новой популяции лучших N особей.
- Если лучший представитель особи соответствует заданному качеству обучения, то переходим к шагу 9.
- Произведем мутацию для особей, выбранных с вероятностью Pm. Для каждого гена выбранной особи с вероятностью Pg произведем мутацию. Для мутации гена воспользуемся формулой (4).
- Если лучший представитель особи соответствует заданному качеству обучения, то переходим в шагу 9, нет возвращаемся к шагу 4.
- Конец алгоритма. В результате получаем обученную сеть (лучший представитель особи).
В диссертации проведены эксперименты с обучением ИНС топологии многослойный персептрон. В качестве задачи для обучения была выбрана задача аппроксимации двумерной функции Розенброка, x,y [0;3]. Обучающая выборка состояла из 155 примеров, размер входного вектора 2, выходного 1. Критериями остановки обучения были: порог в 1000 эпох и среднеквадратическая ошибка, составляющая 0,001.
Для экспериментов было создано 10 ИНС. В анализе участвовали следующие алгоритмы: простой градиентный спуск, адаптивный алгоритм, генетический алгоритм, «адаптивный + генетический», «генетический + адаптивный». Результаты исследования представлены в таблице 2.
В результате проведенных экспериментов выяснилось, что с задачей справились генетический алгоритм и гибридный алгоритм версии «адаптивный + генетический». Как показывает эксперимент, для данной задачи обучения быстрее всего сходились градиентные методы, но до определенной среднеквадратической ошибки, в среднем до 0,003. Порог в 0,001 за 1000 эпох не преодолел ни один градиентный метод. Из этого следует, что целесообразнее всего в начале обучения использовать адаптивный метод, который достаточно быстро находит решение со среднеквадратической ошибкой 0,003, а далее применять генетический алгоритм.
Таблица 2
Сравнительные характеристики процесса обучения предлагаемых новых алгоритмов
|
Алгоритм обучения |
Время одной эпохи (в миллисекундах) |
худший результат |
лучший результат |
||
|
число эпох |
ошибка |
число эпох |
ошибка |
||
|
Простой градиентный спуск |
60 |
1000 |
0,003017 |
1000 |
0,001418 |
|
Адаптивный алгоритм |
120 |
1000 |
0,001229 |
1000 |
0,001099 |
|
Генетический алгоритм |
220 |
1000 |
0,015316 |
480 |
0,000993 |
|
Гибридный алгоритм («адаптивный + генетический») |
~160 |
1000 |
0,001129 |
400 |
0,000978 |
|
Гибридный алгоритм («генетический + адаптивный») |
~180 |
1000 |
0,001293 |
1000 |
0,001103 |
Таким образом, на рассмотренной задаче предлагаемые алгоритмы показали большую скорость сходимости, причем в отдельных случаях, классические алгоритмы не справились с задачей.
В третьей главе реализованы результаты теоретических исследований второй главы в виде универсального нейросетевого программного комплекса, а также проведены результаты прогнозирования временных рядов.
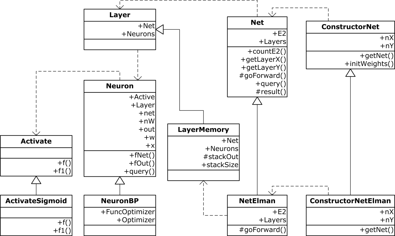
Для реализации методов прогнозирования на основе ИНС был предложен программный комплекс, являющийся новой ветвью развития программного нейроэмулятора «NeuroNADS». Новая версия позволяет работать с эмулятором нейросети через веб-интерфейс, а именно, с помощью любого современного браузера, независимо от операционной системы пользователя. В новом нейроэмуляторе были реализованы все предлагаемые во второй главе алгоритмы обучения, а также предложена новая универсальная объектно-ориентированная модель ИНС (рисунки 3 и 4).
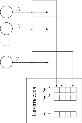
Для реализации рекуррентных ИНС был разработан класс LayerMemory слой нейросети с памятью. В отличие от класса слоя многослойного персептрона Layer, который являлся лишь контейнером для нейронов, класс LayerMemory cодержит память stackOut, реализованную в виде стека предыдущих сигналов слоя. Размер стека задается с помощью свойства stackSize. На рисунке 5 память слоя реализована в виде стека выходных сигналов слоя {y-1, y-2, …, y-n}, где n размер стека. Каждая ячейка стека y-i состоит из массива выходов нейронов слоя {y1, y2, …, yn}. Стек организован так, что после переполнения памяти последняя ячейка y-n удаляется, на ее место сдвигается вся очередь, так что y-i = y-(i-1).

Рисунок 3 Диаграмма классов, организующих архитектуру ИНС

Рисунок 4 Диаграмма классов программной модели обучения ИНС

Рисунок 5 Реализация слоя с динамической стековой памятью выходных сигналов (LayerMemory) для рекуррентных ИНС
Нейросетевой комплекс написан на двух языках высокого уровня: серверная часть PHP 5.4, клиентская часть HTML 5, CSS 3 и JavaScript 1.9. Выбор данных технологий позволяет использовать приложение с удаленным авторизованным доступом, как на персональных компьютерах, так и на мобильных устройствах.
Четвертая глава посвящена разработке и использованию методов принятия решений при прогнозировании остаточного ресурса технических объектов инфраструктуры железнодорожного транспорта на примере силовых трансформаторов тяговых подстанций ОАО «РЖД». В главе описаны основные задачи, возникающие при диагностировании, последовательность действий и результаты решения задач с помощью вычислительного нейросетевого ядра. Предложен алгоритм принятия решений для определения остаточного ресурса и выявления развивающихся дефектов технических объектов инфраструктуры железнодорожного транспорта (рисунок 6).
На первом этапе выбираются основные показатели, определяющие техническое состояние объекта {T1, T2, …, Tn}. После определения параметров технического состояния оборудования (ПТС) подготавливается историческая выборка данных по каждому показателю. Как правило, историческая выборка основана на сохраненных протоколах проведенных диагностических мероприятий по выбранному техническому объекту инфраструктуры ОАО «РЖД». Затем проводится линейная нормализация данных по формуле , где xnorm нормализованное значение данных, xdenorm исходное значение, min и max минимально и максимально допустимые значения ряда соответственно.

Рисунок 6 Алгоритм принятия решений при прогнозировании неисправности определения остаточного ресурса технических объектов инфраструктуры железнодорожного транспорта
На втором этапе определяются основные параметры прогнозирования: единица времени t (день, неделя, месяц и так далее) и срок прогноза p (количество прогнозируемых единиц времени t). В связи с тем, что проведение диагностических мероприятий (или иной сбор данных ПТС) может носить нестрогий периодичный характер, для прогнозирования значений ПТС с помощью ИНС необходимо выполнить восстановление пропущенных значений временного ряда ПТС для каждой единицы времени t с помощью интерполяционного многочлена Лагранжа.
На третьем этапе определяются критерии достижения предельного состояния исследуемого объекта {K1,K2, …, Km}. Данные критерии могут выражать как предельные значения любого из данных ПТС, так и предельные значения совокупности нескольких данных ПТС. Разработанный метод и его программная реализация в 4 главе диссертации рассматриваются на примере силовых трансформаторов тяговых подстанций ОАО «РЖД». В параграфе 4.2 диссертации определены ПТС и критерии достижения предельного состояния силовых трансформаторов тяговых подстанций на основе газохроматографического анализа трансформаторного масла.
На четвертом этапе устанавливаются параметры ИНС для решения задачи прогнозирования значений ПТС на срок p. При проектировании ИНС необходимо:
- определить размер входного окна Wx (автоматически системой выбирается системой Wx p);
- определить размер выходного окна Wy (автоматически системой выбирается Wy = 1);
- определить шаг смещений окон Wt (автоматически системой выбирается Wt = 1);
- определить архитектуру ИНС (автоматически по теореме Арнольда - Колмогорова - Хехт-Нильсена выбирается двухслойная сеть, размер скрытого слоя составляет 2*Wx + 1);
- определить размер стека S выходных значений скрытого слоя ИНС (автоматически системой выбирается S = 2);
- в качестве алгоритма обучения ИНС выбрать разработанный в ходе диссертационного исследования гибридный алгоритм, критериями остановки являются количество эпох A (автоматически системой выбирается 5000), среднеквадратическая ошибка на обучающей выборке Eоср.кв.(автоматически системой выбирается Eоср.кв = 0,001) и среднеквадратическая ошибка на тестовой выборке Eтср.кв (автоматически системой выбирается Eтср.кв = 0,001).
На пятом этапе с помощью настроенной ИНС решается задача прогнозирования значений временных рядов параметров ПТС {T1, T2, …, Tn}.
На шестом этапе выполняется денормализация полученных временных рядов с прогнозными значениями.
На седьмом этапе выполняется сопоставление полученных показателей временных рядов с определенными на третьем этапе критериями предельного состояния {K1,K2, …, Km}. В случае, если параметры ПТС {T1, T2, …, Tn} удовлетворяют критериям {K1,K2, …, Km} с отклонением в некоторой окрестности (выбирается произвольно экспертом), то автоматизированная система делает вывод об остаточного периоде работы оборудования на прогнозируемый срок p, а также сигнализирует о развитии соответствующего вида дефекта. В случае, если параметры ПТС не удовлетворяли критериям, система делает вывод об отсутствии развивающегося дефекта на прогнозируемый срок p.
Также в 4 главе диссертации рассмотрена существующая информационная система учета протоколов газохроматографического анализа трансформаторного масла, также предложен модуль интеграции с предлагаемой системой для обмена данными на уровне базы данных. Детально описаны все интерфейсы взаимодействия пользователя с программным комплексом: карта объектов филиала ОАО «РЖД», навигатор по дистанциям электроснабжения, навигатор по тяговым подстанциям, навигатор по силовым трансформаторам, навигатор по протоколам проверки и принятия решений, автоматизированный нейросетевой эмулятор прогнозирования остаточного ресурса силового трансформатора. Приведен пример результата обучения ИНС с прогнозированием остаточного ресурса силового трансформатора по данным содержания газа H2 в масле трансформатора ТДТНЭ-25000/110-67 (закрепленного за Ростовской дистанцией электроснабжения ЭЧ-1) на основе протоколов газохроматографического анализа (рисунок 7).

график исходного временного ряда;
график выходных значений сети на обучающей выборке;
график предсказанных значений сети;
допустимое содержание водорода в масле (0,001)
Рисунок 7 Результаты прогнозирования содержания водорода по результатам газохроматографического анализа трансформаторного масла с помощью разработанной нейросетевой системы
В приложениях представлены акты о практическом использовании результатов диссертационной работы, свидетельство о государственной регистрации программы для ЭВМ и фрагменты разработанного программного комплекса.
В заключении приведены основные выводы о результатах выполненных исследований.
В соответствии с целью диссертационного исследования была предложена методика принятия решений в автоматизированных системах мониторинга и диагностики технических объектов инфраструктуры железнодорожного транспорта.
Основные результаты диссертации:
- Проведен анализ существующих АСУ учета, контроля, мониторинга и диагностирования технических объектов инфраструктуры ОАО «РЖД», рассмотрена концепция ЕК АСУИ с ее подсистемами, определено место разработанной нейросетевой подсистемы принятия решений в ЕК АСУИ, рассмотрены и реализованы способы интеграции автоматизированной системы и ЕК АСУИ, а также рассмотрены методы прогнозирования остаточного ресурса технических объектов инфраструктуры железнодорожного транспорта.
- Разработан метод и программная реализация нейросетевой подсистемы принятия решений при прогнозировании остаточного ресурса объектов инфраструктуры железнодорожного транспорта, основанной на концепции ЕК АСУИ и имеющей модули интеграции как с существующей информационной системой, используемой для учета протоколов диагностики и технического состояния оборудования, так и с будущими системами, разработанными в данной концепции.
- Предложены методы прогнозирования, основанные на применении рекуррентных ИНС, а также показана уникальная возможность ИНС искать зависимости между факторами, которые учесть детерминированными методами невозможно.
- Предложена новая универсальная модель рекуррентной ИНС с динамической стековой памятью, а также методика обучения рекуррентных ИНС, основанная на трансформации обучающей выборки.
- Разработана универсальная автоматизированная объектно-ориентированная модель рекуррентных ИНС, позволяющая решать широкий спектр задач классификации и прогнозирования.
- Предложены новые алгоритмы обучения ИНС: адаптивный, генетический и гибридный. Проведена сравнительная характеристика скорости обучения данных алгоритмов, показывающая большую скорость сходимости по сравнению с классическими алгоритмами обучения ИНС.
ПУБЛИКАЦИИ ПО ТЕМЕ ДИССЕРТАЦИИ
В изданиях, рекомендованных ВАК РФ
- Белявский Г.И., Лила В. Б., Пучков Е.В. Алгоритм и программная реализация гибридного метода обучения искусственных нейронных сетей // Программные продукты и системы 2012г., №4. 280с. с.96-100 [Текст].
- Лила В.Б. Алгоритм и программная реализация адаптивного метода обучения искусственных нейронных сетей // Инженерный вестник Дона (электронный журнал). 2012 г., №1. [Электронный ресурс] URL:
http://ivdon.ru/magazine/archive/n1y2012/626
- Лила В.Б., Костюков А.В. Нейро-сетевая система прогнозирования остаточного ресурса силовых трансформаторов тяговых подстанций ОАО «РЖД» // Научно-технический журнал «Вестник РГУПС», №3. Ростов-на-Дону, 2013. 202 с. с. 137-141. [Текст].
- Лила В.Б., Костюков А.В. Экспертная система диагностики силовых трансформаторов. // Инженерный вестник Дона (электронный журнал). 2013 г., выпуск №1. [Электронный ресурс] URL:
http://ivdon.ru/magazine/archive/n1y2013/1504
- Пучков Е.В., Лила В.Б. Исследование алгоритма обучения многослойного персептрона, в котором используются методы сопряженных градиентов // Научно-технический журнал «Обозрение прикладной и промышленной математики»: Том 16, выпуск 5. - Москва, 2009. 960 с. с. 917-918. [Текст].
Другие издания
- Лила В.Б. Автоматизация и интеллектуализация поддержки принятия решений при газохроматографическом анализе силовых трансформаторов энергоучастков ОАО «РЖД» // Труды Второй научно-технической конференции «Интеллектуальные системы управления на железнодорожном транспорте» (ИСУЖТ-2013) Москва, 2013. 263 с. с. 180. [Текст].
- Лила В.Б. Адаптивный метод обучения искусственных нейронных сетей // Научно-технический журнал «Обозрение прикладной и промышленной математики»: Том 18, выпуск 2. - Москва, 2011. 352 с. с. 300. [Текст].
- Лила В.Б. Применение градиентных методов для обучения многослойного персептрона. // Известия Ростовского государственного строительного университета, №14, 2010г. 331 с. с. 329 [Текст].
- Пучков Е.В., Лила В.Б. Применение градиентных методов оптимизации для обучения искусственных нейронных сетей на примере задачи прогнозирования временного ряда. // Нечеткие системы и мягкие вычисления: сб. ст. Третьей Всероссийской научной конференции: В 2.т. Т. I / Волгоград. гос. техн. ун-т; ред.кол.: А.В. Заболеева-Зотова (отв. ред.) [и др.]. Волгоград, 2009. 214 с. с.109-116. [Текст].
Авторские свидетельства
- Свид. о гос. рег. программы для ЭВМ № 2010615498 Российская Федерация. Автоматизированная система проектирования искусственной нейронной сети NeuroNADS / Пучков Е.В., Лила В.Б.; заявитель и патентообладатель Пучков Е.В., Лила В.Б.; заявл. 01.06.10; зарег. в реестре 27.08.10.
Личный вклад автора в работах, написанных в соавторстве, состоит в следующем
[1] анализ сложных двумерных поверхностей, алгоритм скрещивания хромосом, программная реализация гибридного метода обучения ИНС; [3] постановка задачи прогнозирования временного ряда, определение архитектуры ИНС для прогнозирования остаточного ресурса силового трансформатора; [4] алгоритм экспертной системы диагностирования, определение основных компонентов и подсистем; [5] постановка оптимизационной задачи обучения ИНС; [9] программная реализация задачи прогнозирования временного рядя; [10] разработка объектно-ориентированной модели системы обучения ИНС.
Соискатель Лила В. Б.
Лила Владимир Борисович
РАЗВИТИЕ МЕТОДОВ ПРИНЯТИЯ РЕШЕНИЙ В АВТОМАТИЗИРОВАННЫХ СИСТЕМАХ МОНИТОРИНГА
И ДИАГНОСТИКИ ОБЪЕКТОВ ИНФРАСТРУКТУРЫ ЖЕЛЕЗНОДОРОЖНОГО ТРАНСПОРТА
Специальность 05.13.06 Автоматизация и управление технологическими процессами и производствами (на транспорте)
АВТОРЕФЕРАТ
диссертации на соискание ученой степени
кандидата технических наук
Подписано к печати 08.11.2013. Формат бумаги 60х84/16.
Бумага офсетная. Печать офсетная. Усл. печ. л. 1,16.
Уч.-изд. Л. 1,11. Тираж 100. Заказ №
Ростовский государственный университет путей сообщения.
Ризография РГУПС.
Адрес университета: 344038, г. Ростов н/Д, пл. им. Ростовского Стрелкового Полка Народного Ополчения, д. 2.
РАЗВИТИЕ МЕТОДОВ ПРИНЯТИЯ РЕШЕНИЙ В АВТОМАТИЗИРОВАННЫХ СИСТЕМАХ МОНИТОРИНГА И ДИАГНОСТИКИ ОБЪЕКТОВ ИНФРАСТРУКТУРЫ ЖЕЛЕЗНОДОРОЖНОГО ТРАНСПОРТА