Проведение горноразведочной выработки
КУРСОВОЙ ПРОЕКТ
по дисциплине:
Основы горного дела
Тема: проведение горноразведочной выработки
.
Содержание
Введение - 3
1. Цель проведения горноразведочной выработки - 4
2. Горно-геологические условия проведения выработки - 5
3. Выбор формы поперечного сечения и типа крепи выработки - 6
4. Определение размеров поперечного сечения выработки - 7
5. Выбор и обоснование способа проходки - 10
6. Определение основных и вспомогательных операций
горнопроходческого цикла - 11
7. Буровзрывные работы - 12
7.1 Выбор средств бурения - 12
7.2 Расчет параметров буровзрывных работ - 15
7.3. Расчёт технико-экономических показателей
буровзрывных работ - 21
8. Проветривание выработки - 23
9.Погрузка и транспортировка породы - 26
10. Водоотлив - 28
11.Освещение - 29
12.Горное давление и крепление выработок - 30
12.1 Расчет величины горного давления - 30
12.2 Расчет крепи - 30
13. Организация работ - 32
14. Правила техники безопасности - 35
15. Охрана недр и окружающей среды - 36
16. Заключение - 37
Список использованной литературы - 38
Введение
Основными направлениями экономического развития Российской Федерации предусматривается повышение эффективности и качества подготовки к освоению разведанных запасов полезных ископаемых и расширение сырьевой базы действующих горнодобывающих предприятий. Для сокращения сроков разведки месторождений необходимо дальнейшее планомерное техническое оснащение геологоразведочной службы и комплексная механизация горнопроходческих работ, а также повышение концентрации объёмов горноразведочных работ и применение высокоэффективных технологий проведения горноразведочных выработок.
1. Цель проведения горноразведочной выработки
Одним из эффективных средств получения высоконадёжной и достоверной информации о разведке запасов полезных ископаемых является проведение горноразведочных выработок.
Данным проектом предусматривается проведение
С целью разведки месторождения.
2. Горно-геологические условия проведения выработки
Данные горно-геологических условий проведения и характеристика окружающих пород представлены в таблице.
|
Горно-геологическая характеристика |
|
|
Наименование выработки |
трапецеидальная |
|
Срок службы выработки |
3 года |
|
Длина выработки |
1000 м |
|
Наименование пород |
- |
|
Коэффициент крепости по Протодьяконову |
10 |
|
Коэффициент разрыхления |
2,0 |
|
Объёмный вес |
2,5 |
|
Обводнённость |
49м3/ч |
3. Выбор формы поперечного сечения и типа крепи выработки
Проведение горных выработок нарушает устойчивое напряженное состояние горных пород. Вокруг контура выработки образуются зоны повышенных и пониженных напряжений. Чтобы предотвратить обрушение пород выработку крепят. Форма сечения горноразведочной выработки зависит от величины горного давления и от вида горной крепи.
Для горизонтальных выработок:
горизонтальной горноразведочной выработке, имеющей срок службы до 3 лет и при наличии небольшого давления целесообразно придать трапецеидальную форму с креплением деревянными рамами и затяжкой болтов и кровли досками.
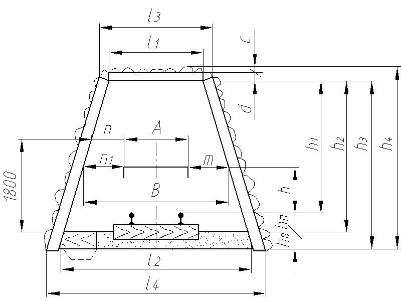
4. Определение размеров поперечного сечения выработки
4.1. Расчет площади поперечного сечения выработки трапецеидальной формы.

Определение размеров выработки в свету.
Ширина одно-путевой выработки на уровне кромки подвижного состава:
B= m + A + n1 ,м
Где:
m = 0,2 м зазор на уровне кромки подвижного состава;
А = 1,0 1,3 м ширина аккумуляторного электровоза;
n1 размер прохода для людей на уровне кромки подвижного состава:
Где:
n = 0,7 м размер прохода для людей на высоте 1800м;
h = 1,2-1,5м высота аккумуляторного электровоза;
Примем h = 1,4м.
hп = 0,16м высота строение пути от балласта
= 83о угол наклона стоек по ГОСТу, ctg83о = 0,123.
B = m + A + n1 , B = 0,2+1,2+0,73 = 2,13м
Принимаем h1 > 2,25 , h1 =2,4 м
Высота выработки от балласта до верхняка:
h2 = h1 + hП ,
h2 = 2,4+0,16=2,56м
где:
hП= 0,16м высота строения пути от балласта.
Высота выработки от почвы до верхняка:
h3 = h2 + hБ,
h3 = 2,56+0,16=2,72м
где:
hБ = 0,16 высота балласта.
Ширина выработки по кровле:
l1 = В 2(h1 h)ctg83o, м
l1 = 2,13 2*(2,4 1,4)*0,123,
l1 = 1,88м
где:
h = 1,4 высота электровоза, м
Ширина выработки по балластному слою:
l2 = В + 2(h + hП)ctg83o, м
l2 = 2,13 + 2*(1,4 + 0,16)*0,123,
l2 = 2,51м
Площадь поперечного сечения выработки в свету:
SСВ = 0,5(l 1+ l2) h2 ,
SСВ = 0,5(1,88+2,51)*2,56=5,62,
SСВ = 5,62 м2.
Исходя из расчетов, выбираем по ГОСТу 22940-85 стандартное сечение выработки в свету и его параметры
|
Тип крепи и площадь, м2 |
Размеры, м |
||
|
l1 |
l2 |
h2 |
|
|
Т-5,3 |
1,75 |
2,36 |
2,58 |
Имеем: SСВ = 5,3 м2, l1 = 1,75м, l2 = 2,36м, h2 = 2,58м
Определение размеров сечения вчерне.
Ширина выработки вчерне:
По кровле:
l3 = l1 +2d +2c, м
l3 =1,75+2*0,18+2*0,05=1,75+0,36+0,1=2,21,
l3 =2,21, м
По балласту:
l4 = l2 +2d +2c, м
l4 =2,36+2*0,18+2*0,05=2,36+0,36+0,1=2,82, м
l4 =2,82, м
где: d = 0,18м диаметр крепежного леса
с = 0,05м толщина затяжки.
Высота выработки вчерне:
h4 = h3 + d + c, м
h3 = h2 + hБ = 2,58 +0,16 = 2,74м.
h3 =2,74, м
h4 = 2,74+0,18+0,05=2,97, м
h4 =2,97, м
Площадь сечения выработки вчерне:
S2 = 0,5(l 3+ l4) h4 , м2
S2 = 0,5(2,21+2,82)*2,97=7,47 , м2
S2 =7,47, м2
5. Выбор и обоснование способа проходки
Выбор способа проходки зависит от устойчивости горных пород и их обводнённости. Существуют обычные и специальные способы проведения горных выработок. В данных горно-геологических условиях проведения выработки осуществляется в устойчивых породах, допускающих напряжение боков и кровли выработки при небольших притоках воды, поэтому применяется обычный способ проходки. Различные способы проведения выработок различают по способу отбойки породы от массива. Способ отбойки породы определяется в зависимости от крепости пород. В крепких и средней крепости породах применяется буровзрывной способ.
6. Определение основных и вспомогательных операций горнопроходческого цикла
Комплекс работ по проведению выработки включает основные и вспомогательные производственные процессы. При буровзрывном способе проведения выработок выделяются основные процессы: бурение шпуров, заряжание шпуров и взрывание зарядов, проветривание выработок после взрыва, уборка породы и возведение постоянной крепи.
К вспомогательным процессам относят: навеску вентиляционных труб, устройство водоотлива, прокладку труб сжатого воздуха и воды, электрических кабелей, сигнализации и наладку освещения и для горизонтальных выработок настилку пути.
7. Буровзрывные работы
На проведение выработки разрабатывается паспорт буровзрывных работ, который утверждается главным инженером ГРП. С паспортом БВР должны быть ознакомлены ИТР и весь персонал участка под расписку.
7.1 Выбор средств бурения
На выбор средств бурения шпуров оказывает влияние крепость пород, величина площади поперечного сечения выработки и направление бурение шпуров горизонтально или вниз. Для бурения шпуров выбираем по СНиП-111-11-77 тип бурильной машины.
Исходя из крепости породы по Протодьяконову f=10, и площади сечения выработки вчерне выбираем колонковый перфоратор ПК60.
Основные параметры перфоратора ПК60
|
№ п/п |
Наименование параметров |
Значение |
|
1 |
Масса, кг (не более) |
60 |
|
2 |
Энергия удара ударника, Дж (не менее) |
88,26 |
|
3 |
Крутящий момент, приложенный к буру, Н*м (не менее) |
156,9 |
|
4 |
Частота ударов, с-1 (не менее) |
41,7 |
|
5 |
Удельный расход воздуха, м3/(с*кВт) (не более) |
0,029 |
|
6 |
Номинальное давление, МПа |
0,05 |
|
7 |
Внутренний диаметр рукава, мм (не менее), подводящего воздух к ударнику воздух к вращателю промывочную жидкость или пылеподавляющую смесь |
32 25 16 |
Число одновременно работающих бурильных машин равно:
где, К = 2,7 при бурении горизонтальных выработок с колонки;
S=7,47м2 площадь сечения выработки вчерне.
Принимаем nM=3
Инструментом для бурения является бур, представляющий собой стальной стержень крутого, витого или шестигранного профиля, называемый буровой штангой и имеющий на одном конце конусную выточку или резьбу для присоединения коронки. Другой конец буровой штанги заканчивается хвостовиком.
Основные размеры буровых штанг с конусным соединением с буртом
|
Каталожный номер |
Длина L, мм |
Масса, кг |
|
573-0110 |
1000 |
3,1 |
Инструментом, разрушающим породу при ударно-поворотном бурении колонковыми перфораторами являются коронки.
Техническая характеристика коронок
|
Марка |
Наименование |
Диаметр, мм |
Марка тверд. сплава |
Масса, кг |
|
КДП-40-25 |
Бурение перфораторами средней мощности |
40 |
ВК-15 |
0,45 |
При работе пневматическими бурильными машинами используется сжатый воздух. Исходя из расхода сжатого воздуха для работы необходимого количества бурильных машин выбираем тип и техническую характеристику передвижной компрессорной станции.
Удельный расход воздуха перфоратором ПК60 равно 0,029 м3/(с*кВт)=1,74 м3/(мин*кВт), число одновременно работающих бурильных машин nM=3;
Расхода сжатого воздуха для работы необходимого количества бурильных машин равно 1,74*3=5,22 м3/мин.
Выбираем компрессорную станцию КС-9
Техническая характеристика компрессора КС-9
|
№ п/п |
Показатели |
Данные |
|
1 |
Тип компрессора |
Поршневой |
|
2 |
Подача, м3/мин |
8,5 |
|
3 |
Рабочее давление, МПа |
0,7 |
|
4 |
Двигатель, тип |
Д-108 |
|
5 |
Мощность, кВт |
79,5 |
|
6 |
Частота вращения, с-1 |
17,8 |
|
7 |
Габаритные размеры, мм: длина (длина с дышлом) ширина высота |
5056 (6100) 2020 2125 |
|
8 |
Масса, кг |
6100 |
7.2 Расчет параметров буровзрывных работ
Паспорт БВР включает параметры буровзрывных работ.
Определение количества шпуров в забое
Количество шпуров на весь забой
N = S(2+0,14f), шт
N = 7,47*(2+0,14*10)=25,4
N = 26 шт
где:
S площадь поперечного сечения выработки вчерне, м2
f крепость пород по Протодьяконову.
Определение глубины шпуров
Глубина шпуров определяется по формуле:
l = (0,5-0,8)в, м
l = 0,6*2,52=1,64м
где
средняя ширина выработки вчерне, м
Выбор схемы расположения шпуров в забое
Эффект взрыва зарядов зависит от правильного выбора схемы расположения комплекта шпуров в забое.
Выбираем вертикальный клиновой вруб. В центральной части забоя по вертикали врубовые шпуры образуют вертикальный клин.

Определение количества врубовых, вспомогательных и оконтуривающих шпуров
По назначению шпуры в комплекте подразделяются на врубовые, вспомогательные и оконтуривающие. Принято, что соотношение между количеством врубовых шпуров Nвр , количеством вспомогательных шпуров Nвсп и количеством оконтуривающих NОК при вертикальном клиновом врубе составляет 1 : 0,5 : 2.
Количество шпуров в комплекте равно:
N= Nвр + Nвсп + Nок = 8+4+16 = 28 шт.
Определение длин врубовых, вспомогательных и оконтуривающих шпуров.
Врубовые шпуры располагают под углом к плоскости забоя 65° - 75е. При большей крепости пород f угол уменьшается.
Длина врубового шпура равна:
Длина вспомогательного шпура при угле наклона - 90° (sin 90° = 1) равна:
Lвсп = l = 1,64 м.
Длина оконтуривающего шпура. Оконтуривающие шпуры располагаются под углом 85-87о.
Общая длина шпурометров:
L = LBP*NВР + LBС*NВС + LОК*NОК, м
L = 2,17*8+1,64*4+1,65*16=17,36+6,56+26,4=50,32м
Расстояние между рядами шпуров принимаем 0,3м, а расстояние между шпурами 0,4м.
Выбор ВВ и расчет его расхода
На выбор взрывчатого вещества влияет крепость и обводненность взрываемых пород, а также категория по газу н пыли.
Исходя из условий применения выбираем тип ВВ и его характеристику по таблице:
|
Тип ВВ |
Работоспособность, см3 |
Бризан- тиостъ, мм |
Плотность в патронах, г/см3 |
Условия применения |
|
Аммонит скальный |
450-480 |
18-20 |
1,4-1,5 |
В крепких и средн. креп, породах |
В зависимости от коэффициента крепости пород f=10 по таблице(методичка) определяем удельный расход ВВ для зарядов выброса q = 1,9 кг/м3.
Определяем величину заряженной части шпура:
lзар = l*K3
где:
l глубина шпура, м.
K3 коэффициент заряжания шпура.
Значение коэффициента заряжания шпура К3 определяем по таблице.
|
Типы выработок |
Диаметр бурильной коронки |
Коэффициент крепости по Протодьяконову | |
||
|
f=3-9 |
f=10-20 |
|||
|
Горизонтальные выработки |
24, 28 32, 36 40, 45 |
К3 |
035-0,7 0,3-0,6 0,3-0,5 |
0,75-0,85 0,6-0,85 0,5-0,75 |
lзар = l*K3 = 1,64*0,5 = 0,82 м.
Общий расход ВВ на цикл:
QОБЩ = q*S* l, м
QОБЩ = 1,9*7,47* 1,64 = 23,28, кг
QОБЩ = 23,28, кг
где:
S площадь поперечного сечения выработки вчерне, м2
l глубина шпура, м.
Средняя величина заряда на шпур:
Для лучшего эффекта взрывания величина заряда:
- врубовых шпуров больше на 20% среднего веса заряда
- вспомогательных шпуров меньше на 15%.
Q1 ВР = 1,2*Q1 = 1,2*0,83 = 0,996, кг
Q1 ВСП = 0,85*Q1 = 0,85*0,83 = 0,70, кг
Q1 ОК = Q1 = 0,83, кг
Определяем количество патронов, округлив значения до целого числа:
nВР = 5
nВСП = 4
nОК = 4
где qП = 0,2,кг вес патрона ВВ.
Фактический расход ВВ на цикл:
QФ = qП(nВР* NВР + nВСП* NВСП + nОК* NОК), кг
QФ = 0,2(5*8 + 4*4 + 4*16) = 0,2(40 + 16 + 64) = 0,2*120 = 24, кг
QФ = 24,кг
Выбор способа и средства взрывания
Для данных условий выбираем электрический способ взрывания. Он является универсальным способом взрывания. Основное средство взрывания - электродетонатор. Электродетонаторы отличаются по времени срабатывания. Применяемые электродетонаторы короткозамедленного действия предназначены для инициирования зарядов ВВ и выпускаются со ступенями замедления в мсек: 25,50,75,100,150. Схему взрывной сети принимаем последовательную. Достоинством последовательной схемы являются простота монтажа, несложность расчета и возможность применения маломощного источника тока.
Схема последовательной электровзрывной сети

Провода электровзрывной сети подразделяются на дегонаторные, соединительные и участковые и магистральные. Площадь сечения соединительных проводов должна быть не менее 0,5 мм2, а магистральных не менее 0,75 мм 2.
Для монтажа электровзрывных сетей применяются провода, предназначенные для взрывных работ.
Техническая характеристика проводов для взрывных работ:
|
Марка проводов |
ВМВ |
ВМВЖ |
|
Площадь сечения жилы, мм 2. Сопротивление 1 км провода, Ом Наружный диаметр, мм |
0,5 40 2,3 8,2 |
1,13 140 2,7 14,3 |
В качестве источника тока принимаем прибор конденсаторный ПИВ-100м
Техническая характеристика прибора ПИВ-100м
|
Наименование |
R, Ом |
Кол-во детонаторов |
Напряжение, В |
Масса, кг |
|
прибор конденсаторный ПИВ-100м |
320 |
100 |
600 |
2,7 |
7.3. Расчёт технико-экономических показателей буровзрывных работ
Подвигание забоя за цикл:
LЦ = l* , м
LЦ = 1,64*0,8 = 1,31, м
LЦ = 1,31, м
где:
=0,8-0,9 киш-коэффициент использования шпура,
l глубина шпура, м.
Объём горной массы, оторванной за цикл:
Vц = S*LЦ*КР , м3
Vц = 7,47*1,31*2 = 19,57 , м3
Vц = 19,57 , м3
Где:
S площадь поперечного сечения выработки вчерне, м2
LЦ - подвигание забоя за цикл, м
КР = 2 коэффициент разрыхления.
Расход ВВ на 1 метр проходки:
Где:
QФ - фактический расход ВВ на цикл, кг
LЦ - подвигание забоя за цикл, м
Расход ВВ на 1м3 взорванной массы:
Где:
QФ - фактический расход ВВ на цикл, кг
Vц - объём горной массы, оторванной за цикл, м3
Расход СВ на 1м проходки:
Где:
N количество шпуров,
LЦ - подвигание забоя за цикл, м
На основании выполненных расчетов составляем паспорт БВР, который отображается в графической части проекта.
8. Проветривание выработки

Количество воздуха, необходимое для проветривания выработок:
а)расчет по наибольшему числу людей, занятых на проведении выработки:
Q1 =6*n, м3/мин
где: 6 м3/мин - норма воздуха на одного работающего
n = 4-10 чел. - количество одновременно работающих людей в забое.
Q1 =6*6 = 36, м3/мин
б) расчет по разбавлению продуктов взрыва до безопасной концентрации при нагнетательном способе:
Где:
0,71 коэффициент, учитывающий время проветривания.
QФ - фактический расход ВВ на цикл, кг
S площадь поперечного сечения выработки вчерне, м2
LВ = 1000, м длина проветриваемой выработки.
Q2 = 300, м3/мин
в) расчёт количества воздуха по скорости движения:
Q3 = 9*S,м3/мин
где:
9 м3/мин - скорость движения воздуха по выработке по ПБ.
S - площадь сечения выработки вчерне, м2
Q3 = 9*7,47 = 63,23,м3/мин
Из трех рассчитанных вариантов принимается вариант с максимальным значением
QMAX = 300м3/мин.
Определяем диаметр вентиляционных труб:
Принимаем типовые вентиляционные трубы: dТР = 0,6м, LЗВ = 10м.
Определяем производительность вентилятора:
QВ = QMAX*КУ, м3/мин
QВ = 300*1,54 = 462, м3/мин
где:
Qmax - максимальное значение необходимого количество воздуха, м3/мин,
КУ коэффициент утечек трубопровода, КУ = 1,54 при dТР = 0,6м, LВ = 1000м.
Определяем аэродинамическое сопротивление трубопровода:
где:
- коэффициент аэродинамического сопротивления: при d 0,6м =0,00035;
LВ = 1000, м длина выработки,
d диаметр трубопровода, м
Определяем дисперсию вентиляционного трубопровода:
где:
QВ - производительность вентилятора, м3/мин
R аэродинамическое сопротивление.
hB = 1,2h, Па
hB = 1,2*22,5=27, Па
По расчетным данным hB и QB подбираем тип вентилятора ВМП-6м
Техническая характеристика вентилятора ВМП-6м
|
Тип вентилятора |
Диаметр, мм |
Подача QВ м3/мин |
Давание hB , Па |
Мощность, кВт |
Масса, кг |
Частота вращения колеса |
Габариты, мм |
||||
|
min |
max |
min |
max |
Длина |
ширина |
Высота |
|||||
|
ВМП-6м |
600 |
120 |
480 |
600 |
2900 |
24 |
320 |
3000 |
700 |
805 |
855 |
9.Погрузка и транспортировка породы
Механизмы для погрузки породы выбираются с учетом соответствия габаритов машины и площади поперечного сечения выработки, а так же крепости пород.
При проведении горизонтальных выработок сечением более 4м2 для уборки породы применяются породопогрузочные машины.
Породопогрузочные машины периодического действия с ковшовыми погрузочными органами просты по конструкции и надежны в работе. Машины типа ППН-1Э эффективно работает на погрузке пород любой крепости.
Техническая характеристика погрузочной машины ППН-1Э
|
Производительность м3/мин |
1 |
|
Вместимость ковша, м3 |
0,25 |
|
Мощность двигателей, кВт ходового подъёма ковша |
9,25 9,25 |
|
Фронт погрузки, м |
2,20 |
|
Ширина, м |
1,50 |
|
Высота с поднятым ковшом, м |
2,20 |
|
Высота транспортерная, м |
1,50 |
|
Длина с опущенным ковшом, м |
2,30 |
|
Длина с поднятым ковшом, м |
1,50 |
|
Масса, т |
4,50 |
По способу погрузки груза на транспортное сродство различают машины прямой и ступенчатой погрузки.
У машин с прямой погрузкой ковш разгружается непосредственно в вагонетку. У машин ступенчатой погрузки порода поступает на перегрузочный конвейер, установленный на машине, а с него в вагонетку.
Откатка по горизонтальным выработкам выполняется в основном с помощью электровозов. Наиболее целесообразным при разводки месторождений оказалось применение аккумуляторных электровозов.
Техническая характеристика аккумуляторных электровозов типа 4,5 АРП - 2М
|
Показатели |
|
|
Сцепная масса, т |
4,5 |
|
Тип двигателя |
ЭДР-7 |
|
Количество двигателей |
2 |
|
Мощность двигателя, кВт |
6 |
|
Скорость движения, км/ч |
6,5 |
|
Размеры, мм: длина по буферам ширина по выступающим частям высота от головки рельса |
3300 1000 1300 |
|
Жесткая база, мм |
600 |
Транспортировку грузов по рельсовым путам осуществляют в вагонетках. В геологоразведочной практике нашли применение вагонетки типа УВО и УВГ
Техническая характеристика вагонов
|
Тип |
Размеры, мм |
||
|
Ширина кузова |
Высота |
Длина по буферам |
|
|
С опрокидным кузовом. Ширина колеи 600мм |
|||
|
УВО-0,8 |
1000 |
1250 |
1850 |
|
С неопрокидным глухим кузовом. Ширина колеи 600мм |
|||
|
УВГ-2,2 |
1200 |
1300 |
2750 |
10. ВОДООТЛИВ
Водоотлив - это комплекс мер по удалению воды, поступающей в горные выработки из водоносных пород на поверхность.
Водоотлив при проведении горизонтальных выработок осуществляется с помощью водоотливных канавок. Для обеспечения движения воды по канавкам самотеком почве выработки придается уклон от 0,002 до 0,005.
Площадь сеченая канавки 0,05 м2 обеспечивает водоотлив притока воды до
70 м3/час. Вода по канавам поступает в водосборник, где отстаивается, а затем по коллектору поступает в приемный колодец главного водоотлива и насосами главного водоотлива перекачивается на поверхность.
Схема водоотлива

11.Освещение
Рациональное освещение горных выработок имеет важное значение для создания нормальных условий труда.
Для освещения горных выработок применяют сетевые электрические светильники. Кроме того, некоторые типы забойных машин имеют индивидуальное освещение.
-4»
Минимальная освещенность забоев горизонтальных выработок 15 лк. Стационарные светильники выпускаются с дампами накаливания в нормальном исполнении и с люминисцеитными лампами во взрывозашитном исполнении. ^
f
Исходя из этого, выбираем по таблице тип светильников и техническую характеристику.
|
Тип светильников |
С лампами накаливания |
Люмнннсцснтные |
|
РН-100 |
РВЛ-15 |
|
|
Напряжение, в |
127/220 |
127 |
|
Мощность, ВТ |
100 |
15 |
|
Масса, кг |
1,5 |
8 |
Каждый, кто спускается в шахту, должен иметь индивидуальный переносный светильник. Техническая характеристика индивидуального светильника представлена в таблице.
|
Тип светильника |
«Кузбасс» |
|
Световой лоток, лк |
30/15 |
|
Емкость батареи, А |
10 |
|
Масса, кг |
1,7 |
12.Горное давление и крепление выработок
Проявлением горного давления может быть деформация, частичное или полное разрушение горной выработки. Для предотвращения обвала горных пород устанавливается крепь, обеспечивающая безопасность работ.
12.1 Расчет величины горного давления
Для горизонтальных выработок.
Величина горного давления определяется по формуле:
где:
=2,5 т/м3 объемный вес породы,
a половина ширины выработки поверху
f коэффициент крепости по Протодьяконову
12.2 Расчет крепи
Горизонтальные трапециевидные выработки крепятся деревянными рамами с затяжкой боков и кровли досками. Диаметр стойки и расстояние между крепежными рамами выбирается из таблицы в зависимости от ширины выработки поверху в свету и крепости пород по Протодьяконову.
|
Ширина выработки у кровли в свету,мм |
Диаметр стоек верхняка, м dB и dСТ |
Расстояние между рамами m, м |
|
f>7 |
||
|
1750 |
0,16 |
1,0 |
m = 1м.
Длина верхняка равна:
lВ = l3 2c
lВ = 2,21-2*0,05 = 2,11м
где:
l3 - расчетная ширина выработки вчерне по кровле в метрах
с = 0,05 м - толщина затяжки.
Диаметр боковых стоек принимается равным диаметру верхняка:
dСТ = dВ = 0,16м
Расчетная длина боковой стойки увеличивается на 0,2м с учетом установки ее в лунку:
Где: h3 - расчетная высота выработки от почвы до верхняка, м
dСТ - диаметр стойки, м
8
н
м м
3
sin 83°=0,993 - угол наклона стоек по ГОСТу.
Количество лесоматериалов в м3 на 1 метр выработки:
Где:
m расстояние между рамами,
dСТ - диаметр стойки верхняка
LСТ - длина стоек верхняка, м
с - толщина затяжки, м
к коэффициент расположения затяжки, при сплошной затяжке к = 1.
13. Организация работ
В зависимости от горно - геологических условий и технической оснащенности проведения выработки, принимаем организацию работ при параллельной схеме выполнения основных и вспомогательных производственных процессов с совмещением их во времени.
Особенностью горно-проходческих работ является повторяемость проходческих процессов, что и определяет их цикличность. При составлении графика цикличности для всех остальных процессов определяем следующие параметры:
1. Объемы работ:
а) бурение шпуров
Vбур = L = 50,32 м.
Где: L =50,32м общая длина шпурометров
б) Уборка породы:
VУБ = VЦ = 19,57м3
Где: Vц - объём горной массы, оторванной за цикл, м3.
в) крепление
VКР = LЦ = 1,31м
Где: LЦ - подвигание забоя за цикл, м.
2. Время на выполнение производственных процессов:
а) время бурения шпуров определяется по формуле:
Где: N количество шпуров,
К0 = 0,85 коэффициент одновременности работы буровых машин,
nМ количество бурильных машин,
l глубина шпура, м
СР = 0,65-0,75 среднетехническая скорость, м/мин
tВО = 5мин (методичка)
Полная продолжительность буровзрывных работ (в часах) определяется по формуле:
ТБВР = ТБУР + ТЗ,В,П
где:
ТБУР время бурения шпуров, ч
ТЗ,В,П = 1час время на заряжание, взрывание и проветривание.
ТБВР = 1,34 + 1 = 2,34ч
б) время на уборку породы (в часах):
где:
VУБ объем породы,м3
6 часов продолжительность смены
НВЫР = 18,4м3 норма выработки на погрузку по ЕНВ.
nМ = 3-4 количество человек, занятых на погрузке.
в) время на крепление (в часах):
где:
VКР объем крепления, м
6 часов продолжительность смены
НВЫР = 2,3м норма выработки на крепление по ЕНВ.
nМ = 3-4 количество человек, занятых на креплении.
ТЦ = ТБВР + ТУБ + ТКР = 2,34+2,13+1,14=5,6ч
14. ПРАВИЛА ТЕХНИКИ БЕЗОПАСНОСТИ
Работы по проведению горизонтальной выработки проводятся в соответствии с технологическим проектом, включающим комплекс мероприятий, обеспечивающих безопасное ведение работ. При проведении выработки буровзрывным способом необходимо следить за буровым оборудованием.
Запрещается: производить бурение без промывки или пылеотсоса, с также бурить изогнутыми или треснутыми штангами. Перед началом взрывных работ, на установленных границах опасных зон, выставляются посты охраны. Подаются предупреждающие сигналы.
Допуск рабочих к месту взрыва разрешается ответственных лицом после проветривания и осмотра забоя. Уборка породы должна производиться под защитой временной крепи. На начало нового цикла постоянная крепь должна быть возведена вплотную к забою. Все пустоты за крепью должны быть заложены и забучены. Расстояние от конца вентиляционных труб до забоя 12 метров. Рабочие места должны освещаться стационарными светильниками. К управлению машинами допускаются специально обученные рабочие и сдавшие экзамен по ТБ.
15. ОХРАНА НЕДР И ОКРУЖАЮЩЕЙ СРЕДЫ
В «Основах законодательства Российской Федерации, о недрах» изложены следующие требования:
1.
- ведение работ по геологическому изучению недр методами, исключающими потери полезных ископаемых;
2. К охране окружающей среды:
- внедрение мероприятий по снижению загрязнения воздушной среды рудничным воздухом, выдаваемым на поверхность из горных выработок, а также тушение горящих терриконов;
- очистка шахтных вод, выдаваемых на поверхность из горных выработок путем отстаивания и
нейтрализации;
- рекультивация нарушенных земель по сельскохозяйственным, лесохозяйственным и водохозяйственным направлениям.
16. ЗАКЛЮЧЕНИЕ
При выполнении курсового проекта по курсу «Горное дело» я ознакомился с передовыми методами проведения горно-разведочных выработок, с новым горнопроходческим оборудованием, научился составлять проект на ведение горнопроходческих работ и закрепил кавыки по составлению паспорта БВР. Составление данного курсового проекта явилось закреплением пройденного материала по этому предмету.
СПИСОК ИСПОЛЬЗОВАННОЙ ЛИТЕРАТУРЫ
1. Методические указания по составлению курсового проекта по курсу «Горное дело» для учащихся геологоразведочных техникумов.
2. Ш.Б.Багдасаров, А.О.Верчеба, И.И.Пальминов «Справочник горного инженера геологоразведочных партий», изд. «Недра», 1987г.
3 В.К.Шехурдин, В.И.Несмотряев, П.И.Федоренко «Горное дело», изд. «Недра»,1987г.
Проведение горноразведочной выработки