Анализ спектра и измерение нелинейных искажений
Контрольная работа
Анализ спектра и измерение нелинейных искажений
Содержание
1. Общие положения
2. Методы анализа спектра сигналов
3. Цифровые методы анализаторов спектра сигналов
4. Анализаторы спектра сигналов на цифровых фильтрах
5. Измерение нелинейных искажений
Литература
1. Общие положения
В теории сигналов широкое применение нашли два способа математического и физического представления электрических сигналов: временной и спектральный.
При временном способе анализа электрический сигнал отражается непрерывной функцией времени или совокупностью элементарных импульсов, следующих друг за другом через определенные интервалы времени.
Спектральный способ основан на представлении (аппроксимации) сигнала в виде суммы гармонических составляющих разных, обычно кратных друг другу частот. Процессы в электрических цепях получаются тем сложнее, чем более сложной является форма сигналов. В этих случаях часто становится эффективным и полезным спектральное представление сигналов.
Для оценки степени искажений, претерпеваемых гармоническими сигналами при прохождении их через нелинейные цепи, используют измерение нелинейных искажений.
Для периодических сигналов Фурье ввел разложение по различным видам математических рядов тригонометрическим, гармоническим, комплексным и т. д. Фурье также доказал, что непериодические (импульсные) сигналы можно описать с помощью двух его интегральных преобразований прямого и обратного.
Анализ спектра включает определение как амплитуд гармоник (спектра амплитуд), так и их начальных фаз (спектра фаз). Однако для многих практических задач достаточно знать лишь спектр амплитуд. Поэтому под анализом спектра принято понимать определение амплитуд гармоник исследуемого сигнала.
Автоматическое определение амплитуд гармоник исследуемого сигнала осуществляют специальными приборами анализаторами спектра. Анализаторы спектра сигналов классифицируют:
• по способу анализа последовательные, параллельные (одновременные) и смешанные;
• по диапазону частот низкочастотные, высокочастотные, сверхвысокочастотные, широкодиапазонные.
Основные характеристики анализаторов разрешающая способность, время анализа и погрешности измерения частоты и амплитуды.
При спектральном анализе непериодических (импульсных) сигналов чрезвычайно удобна известная в математике формула прямого преобразования Фурье, характеризующая спектральную плотность исследуемого сигнала:
(1.)
С аналитической точки зрения имеет место одно обстоятельство, общее для всех схем анализаторов, ограничивающее точность анализа спектра сигнала: преобразование Фурье применимо при исследованиях процессов, если для них выполняются условия Дирихле и абсолютной интегрируемости. Для реальных процессов эти условия обычно выполняются. Преобразования Фурье предполагают, что сигнал u(t) задан на всей оси времени от - до + и спектр (1) определяется всем закончившимся процессом. Однако при практических измерениях анализируют процессы на конечном интервале времени Та (времени анализа, наблюдения), т. е. не закончившиеся во времени. Это несоответствие позволяет установить модель текущего частотного спектра, определяемого соотношением:
(2)
Текущая спектральная плотность зависит от времени анализа, и форма текущего спектра в общем случае отличается от истинного тем больше, чем меньше Та. Отличие текущего спектра от спектра закончившегося процесса зависит от того, проявились ли за время анализа ТЛ все характерные особенности сигнала. Если исследуемый анализатором сигнал периодический с периодом следования Т, то необходимо лишь выполнение условия: Та >> Т.
При анализе спектра сигналов нижний предел времени анализа является конечным, т. е. интегрирование (усреднение) проводится в интервале от 0 до Тa. За счет этого возникает методическая погрешность определения составляющих спектра, связанная с методом измерений. Эта погрешность для ряда технических применений анализаторов не играет особой роли, но в некоторых случаях ее необходимо учитывать.
Как и все измерительные приборы, анализаторы спектров сигналов делят на аналоговые и цифровые. Несмотря на многие достоинства цифровых анализаторов, аналоговые анализаторы еще широко используют, особенно в верхней части высокочастотного и СВЧ-диапазонов, где цифровые преобразователи имеют определенные частотные ограничения. Современные аналоговые анализаторы спектров содержат и цифровые устройства. Цифровые анализаторы спектра кроме спектральных характеристик обычно вычисляют статистические характеристики сигналов.
Практически во всех аналоговых анализаторах выделение гармоник сигнала производится узкополосными фильтрами. Основным элементом таких анализаторов является полосовой фильтр (высокодобротный резонатор) с узкой полосой пропускания, который выделяет отдельные составляющие или узкие диапазоны частот исследуемого спектра. Используется также и группы фильтров, каждый из которых настроен на индивидуальную полосу частот, или одну гармонику
2. Методы анализа спектра сигналов
Практически все анализаторы спектра реализуют по двум схемам: параллельного и последовательного действия.
Метод параллельного анализа спектра
Метод параллельного анализа чаще применяют для исследования спектров одиночных импульсных сигналов. Структурная схема анализатора параллельного типа содержит п полосовых фильтров Ф, каждый из которых настроен на определенную частоту (рис. 1, а).
Рисунок 1. Метод параллельного анализа спектра
а структурная схема анализатора; б исследуемый спектр; в - АЧХ фильтров;
г спектр на выходе анализатора
Исследуемый сигнал u(t), спектр которого расположен в полосе частот u(t) (рис. 1, б), подают на все фильтры одновременно. Фильтры имеют похожие АЧХ с одинаковыми полосами пропускания n и настроены на определенные частоты (рис. 1, в). Сигналы на выходе фильтров определяют составляющие спектра анализируемого процесса (рис. 1, г). После детектирования в детекторах Д спектральные составляющие поступают на регистрирующие устройства РУ.
Метод последовательного анализа спектра.
Метод последовательного анализа чаще всего применяют для исследования спектров многократно или периодически повторяющихся временных процессов.
На рис. 2 показана упрощенная структурная схема анализатора спектра последовательного типа, которая содержит супергетеродинный приемник, индикаторное (чаще осциллографическое) устройство и калибратор. Основной блок супергетеродинного приемника преобразователь частоты, состоящий из смесителя, генератора качающейся частоты ГКЧ и усилителя промежуточной частоты. К приемнику также относятся входное устройство, детектор (в данном случае амплитудный) и выходной усилитель.
Рисунок 2. Структурная схема анализатора спектра последовательного типа
В супергетеродинном приемнике спектр анализируемого сигнала u(t) с помощью преобразователя частоты переносится с несущей частоты/) на (как правило, более низкую) промежуточную (на которой работает усилитель промежуточной частоты):
(3)
где г центральная частота ГКЧ.
На один вход смесителя через входное устройство подается входной сигнал u{t), а на другой его вход поступает напряжение с ГКЧ. Настройку приемника на разные частоты производят напряжением, поступающим на ГКЧ с выхода генератора развертки. С помощью индикаторного устройства наблюдают спектр исследуемого процесса. Калибратор используют для измерения характерных параметров спектра: частот, соответствующих максимумам или нулевым значениям огибающей спектра и т. д.
Основные характеристики анализаторов спектра.
Основные характеристики анализаторов чувствительность, рабочий диапазон частот, разрешающая способность и время анализа.
Чувствительность отражает отношение изменения сигнала на выходе анализатора к вызвавшему его изменению анализируемой величины. Наличие в анализаторах спектра преобразователей частоты с УПЧ ставит их в ряд приборов с высокой чувствительностью, и поэтому они могут применяться для анализа слабых сигналов. В диапазоне радиочастот чувствительность обычно выражается в милливольтах или микровольтах. В диапазоне СВЧ чувствительность выражается в ваттах и составляет обычно от 10-7до 10-14 Вт.
Рабочий диапазон частот диапазон, в пределах которого погрешность анализатора, полученная при изменении частоты сигнала, не превышает допускаемого предела. Он определяется максимальной и минимальной частотами настройки узлов анализатора и вспомогательных устройств (генератора частотных меток, частотомера). Важной частотной характеристикой анализатора спектра является также максимальная полоса частот, в которой можно одновременно наблюдать составляющие спектра на экране анализатора. Эта величина определяется максимальной полосой качания частоты ГКЧ.
Время анализа интервал времени Та, в течение которого получают полное изображение исследуемого спектра на экране анализатора. За это время происходит изменение частоты напряжения ГКЧ от минимального до максимального значений.
Разрешающая способность характеризует минимальное расстояние по частоте между двумя соседними составляющими в спектре сигнала с равными амплитудами, при котором соответствующие им выбросы на экране анализатора спектра наблюдаются раздельно.
Анализаторы спектра характеризуются статической и динамической разрешающими способностями. Первая соответствует случаю, когда переходные процессы в УПЧ не искажают формы выбросов на экране анализатора, вторую определяют с учетом переходных процессов в избирательном устройстве анализатора.
Статическая разрешающая способность зависит только от ширины полосы пропускания УПЧ fУПЧ. Для анализатора спектра последовательного типа статическая разрешающая способность
(4)
Динамическая разрешающая способность анализатора спектра зависит от скорости перестройки частоты ГКЧ. Дело в том, что при увеличении скорости изменения частоты ГКЧ напряжение на выходе УПЧ не успевает изменяться в соответствии с изменением напряжения на его входе, так как энергия, запасенная в колебательной системе этого усилителя, не может измениться мгновенно. В результате и появляются динамические искажения АЧХ УПЧ и соответственно искажения формы эпюр на экране анализатора спектра. Подобное явление возникает в том случае, если время переходного процесса в УПЧ соизмеримо с временем изменения частоты колебаний на входе УПЧ в пределах его полосы пропускания. Отсюда время анализа определяется неравенством (для упрощения формула приведена без вывода):
(5.)
где fГКЧ f max fmin;
A коэффициент, определяемый схемой УПЧ и допустимыми динамическими погрешностями.
Из отмеченного следует, что время анализа спектра обратно пропорционально квадрату разрешающей способности анализатора. Чем выше разрешающая способность (меньше fp), тем больше должно быть время анализа. Для повышения разрешающей способности (уменьшения fp) применяют схемы с двойным или тройным преобразованием частоты, которые здесь не рассматриваются.
Между разрешающей способностью и временем анализа анализатора спектра существует определенная связь. Время анализа обратно пропорционально квадрату разрешающей способности. Чем выше разрешающая способность, тем больше должно быть время анализа.
Необходимое время анализа для достаточно точного воспроизведения спектра сигнала при параллельном исследовании может быть принято равным у времени установления неизменного уровня напряжения на выходе фильтра с прямоугольной АЧХ и рабочей полосой f (от уровня 0,1 до уровня 0,9 от установившегося значения). Из теории электрических фильтров известно, что время установления у 0,86 (f), следовательно, Та у = 1/(f). Тогда скорость параллельного анализа
(6)
В параллельных анализаторах при сужении полосы пропускания фильтра скорость анализа снижается. На погрешность при параллельном анализе влияют: конечность времени установления колебаний на выходе фильтра и зависимость ее от полосы пропускания, различие характеристик фильтров, настроенных на разные частоты.
Измеряют параметры составляющих спектра вспомогательными устройствами. Положение на оси частот отдельных спектральных составляющих и характерных участков спектра определяют с помощью частотных меток. Одну частотную метку создают подачей на анализатор спектра вместе с исследуемым сигналом напряжения от измерительного генератора гармонических колебаний. При этом на экране анализатора спектра появится частотная метка риска, соответствующая частоте сигнала измерительного генератора. Изменяя частоту этого генератора, добиваются совпадения метки с определяемой точкой спектра. Частоту спектральной составляющей анализируемого сигнала затем считывают со шкалы измерительного генератора.
Чтобы создать набор равноотстоящих друг от друга меток, в анализаторах спектра применяют специальные генераторы (например, генераторы частотно-модулированного сигнала). Из радиотехники известно, что спектр частотно-модулированного сигнала состоит из ряда гармонических составляющих, отстоящих друг от друга на частоту модуляции Fм. Предусматривают возможность изменять среднюю частоту колебаний fср и частоту модуляции Fм. При изменении частоты модуляции меняют интервал между метками; при изменении средней частоты колебаний все метки сдвигают по оси частот. Напряжение от генератора частотно-модулированных колебаний вместе с исследуемым сигналом подают на вход анализатора спектра. При этом на экране наблюдают картину наложения двух спектров. Изменяя параметры напряжения калибровки (среднюю частоту и частоту модуляции), совмещают метки с характерными точками исследуемого спектра.
Современные анализаторы спектра могут обеспечить работу в диапазоне частот от 10 Гц до 40 ГГц с полосой пропускания 0,001...300 кГц и разрешающей способностью 1 кГц на высоких частотах. Погрешность измерения уровней напряжений достигает 5 %.
3. Цифровые методы анализа спектра сигналов
При цифровом анализе спектра исследуемый сигнал преобразуют в цифровой код и вычисляют составляющие спектра с помощью специализированных микропроцессоров. Цифровые анализаторы спектра по совокупности дискретных отсчетов (выборок) аналогового сигнала вычисляют спектральную плотность (9.1) путем замены интеграла на конечную сумму из некоторого числа выборок. Такие вычисления осуществляют с помощью алгоритмов дискретного и быстрого преобразований Фурье.
Алгоритмы дискретного и быстрого преобразований Фурье. Если исследуемый сигнал u(t), являющийся непрерывной функцией времени на интервале 0 Ти, представлен своими -ми отсчетами амплитуды {u(kt)} = {uk}= uk, взятыми через отрезки времени t, то его можно представить в виде дискретного преобразования Фурье (ДПФ):
(7)
где N = Tи/t число отсчетов;
Сn комплексные гармоники исследуемого спектра;
п = 0, 1, 2,..., (N/2 1) номер спектральной составляющей.
Многократно сократить число вычислительных операций позволяет быстрое преобразование Фурье (БПФ). В основу алгоритма БПФ положен принцип разбиения (прореживания во времени или децимации) заданной последовательности {uk} из N = 2r элементов, где r целое число (если это условие не выполняется, то последовательность искусственно дополняют нулями до требуемого значения N) отсчетов дискретного сигнала на ряд промежуточных подпоследовательностей. При этом входную последовательность представляют в виде двух подпоследовательностей с четными и нечетными номерами и половинным числом членов в каждой:
uчт = u2k; uнч = u2k+1 ; k = 0, 1, 2, …, N/2-1 (8)
Коэффициенты ДПФ для подпоследовательностей с четными и нечетными номерами записывают отдельно как Сn чт и Сn нч. Оказывается, что коэффициенты Сn, результирующего ДПФ входной последовательности в диапазоне номеров отсчетов от 0 до (N/2 - 1) определяются соотношением
Cn = Cn чт + е-j2n/N Cn нч ; n = 0, 1, 2, …, N/2-1 (9)
а коэффициенты Сn ДПФ входной последовательности для отсчетов с номерами от N/2 до N-1:
CN/2 + n = Cn чт е-j2n/N Cn нч ; n = 0, 1, 2, …, N/2-1 (10)
Формулы (9) и (10) представляют собой алгоритмы БПФ. В этих алгоритмах экспоненциальные фазовые множители exp(-j2nk/N) учитывают влияние сдвига нечетной подпоследовательности отсчетов сигнала относительно четной. Чтобы уменьшить число вычислений, четную и нечетную подпоследовательности также разбивают на две промежуточные части. Разбиение продолжают вплоть до получения простейших двухэлементных последовательностей. При объединении ДПФ четной и нечетной подпоследовательностей используют алгоритмы (9) и (10), подставляя в них соответствующие значения номеров N и n.
Структурная схема цифрового анализатора спектра, реализующая один из алгоритмов БПФ, показана на рис.3.
Рисунок 3. Структурная схема анализатора спектра с реализацией БПФ
В схеме используются: процессоры БПФ с каскадной структурой организации параллельной работы; q log2 N арифметических устройств АУ; (q 1) блоков памяти БП емкостью 2i комплексных слов каждый. В режиме реального времени все N отсчетов обрабатываемой группы через устройство ввода-вывода информации УВВ поступают в ОЗУ. Последним тактом ввода группы отсчетов к ОЗУ последовательно подключают блоки АУ, осуществляющие обработку информации в соответствии с заданным алгоритмом БПФ. Служебная информация о комплексных весовых коэффициентах exp(-j2nk/N) автоматически вводится в схемы АУ из ПЗУ. Вывод результатов обработки осуществляют непосредственно из АУ. Синхронизация работы всех устройств цифрового анализатора спектра выполняют командами, вырабатываемыми устройством управления УУ.
Цифровые анализаторы спектра.
Современный цифровой анализатор представляет собой качественно новый тип аппаратуры, в которой специфические функции многочисленных приборов моделируют с помощью набора компьютерных программ: для изменения характера функционирования достаточно вызвать соответствующую программу обработки без аппаратурной перестройки устройств. Комплекс программ цифрового анализатора спектра позволяет сочетать в одном приборе практически все функциональные возможности, необходимые для всестороннего исследования параметров различных сигналов и процессов.
Принцип действия цифрового анализатора спектра основан на вычислительных процедурах определения параметров и характеристик различных процессов. В функциональные возможности современного цифрового анализатора заложены алгоритмы:
восстановление сигнала по его спектру, т. е. вычисление обратного преобразования Фурье;
анализ и синтез характеристик электрических цепей: определение импульсных, передаточных и фазовых характеристик цепей; анализ известных диаграмм Вольперта (характеристики и параметры цепей с распределенными постоянными); устойчивость цепей со звеньями обратных связей анализ критерия устойчивости Найквиста;
корреляционный анализ сигналов: вычисление корреляционных и взаимокорреляционных функций (ВКФ); определение фазовых соотношений сигналов (идентификация сигналов);
• измерение параметров сигналов (амплитуды, частоты, фазы, индекса модуляции, девиации частоты), определение параметров импульсных сигналов (амплитуды, длительности, длительностей фронтов, периода следования и т. д.);
спектральный анализ периодических, импульсных и случайных сигналов: анализ квадратурных составляющих модуля спектра, фазового спектра, комплексного спектра; определение спектра мощности случайного процесса и его функции когерентности; вычисление взаимного спектра; усреднение спектра по полосе частот; определение кеп-стра мультипликативных сигналов;
цифровая обработка и фильтрация сигналов и вычисление произведения спектров (операция, обратная свертке);
анализ статистических характеристик случайных процессов; построение гистограмм мгновенных значений сигналов; определение одномерной плотности вероятности и интегральной функции распределения случайных процессов.
Структурная схема цифрового анализатора спектра приведена на рис.4. Исследуемые сигналы по одному (А) или двум (А, Б) каналам подают на соответствующие усилители с переменным коэффициентом усиления, которые приводят различные уровни входных сигналов (от 0,01 до 10 В) к значению, необходимому для нормальной работы последующих трактов. Затем сигналы поступают на ФНЧ, который выделяет подлежащую анализу полосу частот.
Рисунок 4. Цифровой анализатор спектра
Исследователь может включать и выключать фильтры. С выхода фильтров сигналы поступают на АЦП, где они преобразуются в параллельный 10-разрядный двоичный код. Может работать как один, так и оба канала одновременно. В последнем случае выборки сигнала проходят параллельно по обоим каналам, что позволяет сохранить в цифровом коде информацию о фазовых соотношениях сигналов, необходимую для измерения взаимных характеристик. Частота выборки задается встроенным кварцевым генератором и может изменяться исследователем в пределах 0,2... 100 кГц. Эта частота определяет отсчетный масштаб анализатора спектра сигналов во временной и частотной областях.
Тракты прохождения исследуемых сигналов от входов усилителей до выхода АЦП имеет калиброванные значения коэффициента передачи во всем диапазоне частот и уровней напряжений. Информация о значении коэффициента передачи и частота выборки АЦП вводятся в вычислительное устройство (микропроцессор) и учитывается при формировании конечного результата исследований. Микропроцессор работает в соответствии с заложенной в его память программой. Программа состоит из ряда подпрограмм, организующих ту или иную вычислительную операцию (вычисление спектра или корреляционной функции, определение вероятностных характеристик, построение гистограммы и т. д.). Вызов необходимой подпрограммы осуществляют с помощью устройства управления. Результаты вычислений выводят на индикаторное или регистрирующее устройство, в качестве которого могут быть использованы цифровой графопостроитель, принтер, цифровой магнитофон, дисковый накопитель, осциллограф или самописец. Последние два подключают через ЦАП. Все результаты сопровождают масштабным коэффициентом для перевода их в физические единицы.
При анализе сигналов, представленных в цифровом виде, данные вводятся непосредственно в вычислительное устройство с помощью устройства ввода цифровых данных с наборного табло пульта управления в десятичном коде. Основные режимы работы цифрового анализатора спектра: спектральный, цифровая фильтрация, статистический и корреляционный анализ; измерение спектра мощности, взаимного спектра двух сигналов.
4. Анализаторы спектра сигналов на цифровых фильтрах
Внедрение цифровых методов обработки сигналов в измерительной технике привело к созданию эффективных и высокоскоростных анализаторов спектра на цифровых фильтрах. Цифровой фильтр имеет стабильную частотную характеристику, не нуждается в подстройке, компенсирующей неточности из-за старения элементов, и его универсальность намного выше аналогового фильтра. При перестройке цифрового фильтра не надо менять элементы, а достаточно его перепрограммировать. Однако главное преимущество цифровой фильтрации в измерительной технике применение высокоточных цифровых детекторов и устройств усреднения (цифровых интеграторов). Цифровой детектор измеряет практически истинное среднее квадратическое значение анализируемого сигнала без ограничений, связанных с его амплитудным значением.
Цифровое устройство усреднения, усредняющее анализируемый сигнал по линейному и экспоненциальному (или показательному) законам, отличается универсальностью и эффективностью, которые недостижимы для аналоговых усредняющих устройств.
Важной операцией цифровой обработки сигналов в измерительной технике является цифровая фильтрация. Она заключается в цифровом преобразовании последовательности числовых отсчетов входного сигнала {u(kt)} = {uk} в последовательность числовых отсчетов {y(kt)} = {уk} выходного сигнала.
Структурные схемы цифровых фильтров. Цифровые фильтры делятся на два больших класса: нерекурсивные и рекурсивные. Термин «рекурсивный» связан с известным математическим приемом «рекурсией» циклическим обращением к вычисленным данным, полученным на предыдущих этапах математических операций.
В нерекурсивных фильтрах отклик зависит только от значений входной последовательности, и для формирования k-го выходного отсчета используют лишь предыдущие значения входных отсчетов. Такие фильтры обрабатывают входной дискретный сигнал {uk} в соответствии с алгоритмом
(11)
где yk выходной сигнал;
а0, а1, а2, …, аm действующие постоянные (весовые) коэффициенты;
m порядок нерекурсивного фильтра, т.е. максимальное число запоминаемых чисел.

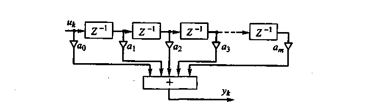
Рис.5. Структурная схема нерекурсивного цифрового фильтра
Аналитическую сторону алгоритма обработки (11) характеризует структурная схема цифрового фильтра, показанная на рис.5.
Основой любого цифрового фильтра являются элементы задержки входной цифровой последовательности {uk} на интервал дискретизации Z-1 (задержка сигнала на интервал t в общепринятых символах известного в математике z-преобразования), а также масштабные (весовые) блоки аm, выполняющие в цифровой форме операции умножения на соответствующие коэффициенты. По существу элементы задержки являются ячейками памяти. Сигналы с масштабных блоков поступают в сумматор (+), на выходе которого образуется последовательность отсчетов выходного сигнала {уk}.
Не проводя подробного анализа, отметим, что коэффициенты a0, a1, а2,,... ,аm совпадают с соответствующими отсчетами импульсной характеристики цифрового фильтра h0, h1 , h2,..., hm.
Рекурсивные цифровые фильтры. Возможности нерекурсивного цифрового фильтра существенно расширяются при введении в его схему обратных связей, формирующих k-й выходной отсчет уk путем использования предыдущих значений как входного, так и выходного дискретных (выраженных в цифровой форме) значений сигналов:
(12)
Здесь постоянные коэффициенты a0, a1, а2,,... ,аm как и в алгоритме обработки (11), характеризуют нерекурсивную часть, а коэффициенты b0, b1, b2, ... ,bn рекурсивную часть алгоритма цифровой фильтрации, причем последние не равны нулю одновременно. Порядок такого цифрового фильтра определяется коэффициентом т нерекурсивной части алгоритма обработки.
Структурная схема цифрового рекурсивного фильтра представлена на рис. 6.
Рис.6. Структурная схема рекурсивного цифрового фильтра
На цифровых фильтрах создают различные схемы анализаторов спектра сигналов, в том числе анализаторы последовательного и параллельного типов.
5 Измерение нелинейных искажений.
Измерение ряда физических величин, отражающих параметры и характеристики сигналов или электрических цепей, осуществляют с помощью приборов, аналогичных по структуре анализаторам спектра. К таким параметрам и характеристикам относят нелинейные искажения и связанные с ними изменения формы и спектра сигналов, которые возникают в цепях с нелинейной амплитудной характеристикой. При прохождении по нелинейным цепям полезные колебания теряют синусоидальную форму (искажаются) и в их спектре появляются высшие гармоники.
Возникающие при нелинейных искажениях гармоники можно исследовать и измерить с помощью анализаторов спектра. Известны несколько количественных показателей уровня нелинейных искажений. Наибольшее распространение получил такой показатель, как коэффициент нелинейных искажений (коэффициент гармоник), представляющий собой отношение среднего квадратического значения всех высших гармоник напряжения (или тока)
(13)
к среднему квадратическому значению его первой гармоники
Kг =Uг /U1 (14)
Для измерения относительного значения напряжения гармоник можно использовать анализатор спектра, если его разрешающая способность позволяет наблюдать раздельно спектральные составляющие. Если детектор анализатора линейный, то в формулу (13) вместо напряжений U1, U2, …, Un можно подставить значения их амплитуд, измеренных на экране анализатора в единицах длины.
Существуют специальные приборы, измеряющие коэффициент нелинейных искажений, измерители нелинейных искажений. Упрощенная структурная схема аналого-цифрового измерителя нелинейных искажений показана на рис. 11.
Рисунок 11. Упрощенная структурная схема аналого-цифрового
измерителя нелинейных искажений
В основе измерительной методики таких приборов лежит метод подавления основной частоты исследуемого сигнала. Входное устройство служит для согласования измерительного прибора с источником исследуемого сигнала. Перед измерением переключатель Кл ставят в положение Калибровка. Затем с помощью усилителя уровень исследуемого сигнала повышают до такого фиксированного значения, при котором электронный цифровой вольтметр среднего квадратического значения будет проградуирован в значениях коэффициента нелинейных искажений. При этом измеряется среднее квадратическое значение напряжения всего исследуемого сигнала
. (15)
Затем переключатель Кл прибора ставят в положение Измерение. Настраивая заграждающий фильтр, подавляют напряжение основной частоты (первой гармоники U1). Полное подавление гармоники U1 будет при минимальном показании прибора. В этом случае цифровой вольтметр показывает среднее квадратическое значение суммы высших гармонических составляющих сигнала Ur (13). Сравнивая показания во втором и первом случаях, находят коэффициент гармоник
Kг =Uг /U (16)
При положении переключателя Кл Измерение измеряют коэффициент Kг1. При этом коэффициент гармоник вычисляют по формуле
(17)
При небольших нелинейных искажениях исследуемого сигнала (Кг < 0,1) коэффициенты Кг и Кг1 отличаются меньше чем на 1 %. Обычно измерители нелинейных искажений применяют для измерения коэффициента гармоник Кг в пределах 0,1...30%. При этом диапазон рабочих частот составляет полосу от 0,01 кГц до 25 МГц.
Литература
1. Барыбин, А.А. Электроника и микроэлектроника. Физико-технологические основы / А.А. Барыбин. - М.: ФИЗМАТЛИТ, 2006. - 424 c.
2. Белов, Н.В. Электротехника и основы электроники: Учебное пособие / Н.В. Белов, Ю.С. Волков. - СПб.: Лань, 2012. - 432 c.
3. Белоусов, В.В. Судовая электроника и электроавтоматика: Учебник / В.В. Белоусов, В.А. Волкогон. - М.: Колос, 2008. - 645 c.
4. Борисенко, В.Е. Наноэлектроника: теория и практика: Учебник / В.Е. Борисенко, А.И. Воробьева, А.Л. Данилюк, Е.А. Уткина. - М.: БИНОМ. ЛЗ, 2013. - 366 c.
5. Вайнштейн, Л.А. Теория дифракции. Электроника СВЧ / Л.А. Вайнштейн. - М.: Радио и связь, 1995. - 600 c.
6. Велстистов, Е. Все о приключениях Электроника: Повести / Е. Велстистов. - СПб.: Азбука-Аттикус, 2013. - 592 c.
7. Велтистов, Е.С. Победитель невозможного: третья книга из цикла о приключениях Электроника / Е.С. Велтистов. - М.: Дет. лит., 2010. - 235 c.
8. Воронков, Э.Н. Твердотельная электроника. Практикум: Учебное пособие для студ. высш. учеб. заведений / Э.Н. Воронков. - М.: ИЦ Академия, 2010. - 128 c.
9. Воронков, Э.Н. Твердотельная электроника: Учебное пособие для студ. высш. учеб. заведений / Э.Н. Воронков, А.М. Гуляев, И.Н. Мирошникова. - М.: ИЦ Академия, 2009. - 320 c.
10. Гальперин, М.В. Электротехника и электроника: Учебник / М.В. Гальперин. - М.: Форум, НИЦ ИНФРА-М, 2013. - 480 c.
11. Голубева, Н.С. Основы радиоэлектроники сверхвысоких частот: Учебное пособие / Н.С. Голубева, В.Н. Митрохин; Под общ. ред. проф. д.т.н. И.Б. Федоров. - М.: МГТУ им. Баумана, 2008. - 488 c.
12. Горохов, П.К. Толковый словарь по радиоэлектронике / П.К. Горохов. - М.: Русский язык, 1993.
13. Гусев, В.Г. Электроника и микропроцессорная техника: Учебник / В.Г. Гусев, Ю.М. Гусев. - М.: КноРус, 2013. - 800 c.
14. Джонс, М.Х. Электроника - практический курс / М.Х. Джонс. - М.: Техносфера, 2013. - 512 c.
15. Евстратов, В.А. Радиоэлектроника прогулочных судов / В.А. Евстратов. - М.: ТрансЛит, 2008. - 128 c.
16. Ермуратский, П.В. Электротехника и электроника / П.В. Ермуратский, Г.П. Лычкина, Ю.Б. Минкин. - М.: ДМК Пресс, 2013. - 416 c.
17. Ефимов, И.Е. Основы микроэлектроники / И.Е. Ефимов, И.Я. Козырь. - М.: Высшая школа, 1983.
Анализ спектра и измерение нелинейных искажений