Разработка радиостанции УКВ диапазона
Аннотация
Содержание.
1. Введение
2. Обоснование актуальности темы
3. Анализ существующих систем навигации и принципов их работы
- Радиостанция Р-845
- Радиостанция Р-863
- Радиостанция «Фазан-Р5»
4. Сравнительная характеристика технических данных радиостанций
5. Разработка технических характеристик проектируемого устройства
6. Обоснование структурной схемы проектируемого блока передающего устройства
7. Разработка и обоснование функциональной схемы блока передающего устройства
8. Разработка и обоснование принципиальной схемы передающего устройства
- Расчет элементов и узлов принципиальной схемы ВЧ генератора
- Расчет элементов и узлов принципиальной схемы усилителя высокой частоты УВЧ1
- Расчет элементов и узлов принципиальной схемы предварительного усилителя, усилителя низкой частоты и усилителя высокой частоты УВЧ2
- Расчет элементов и узлов принципиальной схемы оконечного усилителя мощности
9. Расчет надежности передающего устройства
10. Экономическое обоснование дипломного проекта
11. Охрана труда и промышленная экология
12. Разработка военно-эксплуатационных вопросов
13. Заключение
14. Список используемой литературы
1. ВВЕДЕНИЕ.
Защита национального суверенитета территориальной целостности во все времена была главной задачей любого государства.
Её выполнение в значительной степени зависит от уровня развития ВС РК как главного инструмента обеспечения национальной безопасности. Президент нашей республики Нурсултан Абишевич Назарбаев отметил:
“Забота об укреплении ВС РК, оснащение их совершенным оружием, боевой техникой, подготовкой квалифицированных военных кадров является для нас первостепенной задачей.”
Серьезную угрозу вызывает растущее число локальных конфликтов, каждый из которых может стать поводом для начала широкомасштабных боевых действий. Не стоит забывать об опасности происходящих от международного терроризма и других современных угроз человечества. Для борьбы с этими опасностями каждый защитник, солдат, офицер должен быть грамотным, образованным профессионалом своего дела патриотом своей Родины.
Во многих случаях успех выполнения боевой задачи Сухопутными войсками, Военно-морским флотом и другими родами и видами Вооруженных Сил зависит от Военно-Воздушных сил.
Авиация является высокомобильным видом Вооруженных сил, способным в кратчайшие сроки выполнить поставленную задачу, по транспортировке материальных средств, техники и личного состава, проведении огневой поддержки войск, подавлением и уничтожением техники и живой силы противника, выполнении разведки, уничтожение воздушного десанта в воздухе и на земле, а так же средств воздушного нападения и т.д.
Не стоит забывать что господство в воздухе достигается не только вооружением крылатой машины, но и превосходством средств связи и радиотехнического обеспечения полетов. Ведь именно от этого фактора зависит выполнение боевой задачи при постановке экипажу задачи командиром, наведение воздушного судна на цель, согласовании действий летательных аппаратов в воздухе.
При организации полетов авиации используется единственный возможный род связи радиосвязь. Радиосвязь может организовываться с подвижными объектами, что широко применяется во всех родах и видах Вооруженных силах РК. Большую роль в организации связи на аэродромах играет связь в ультракоротковолновом диапазоне (УКВ). Данный диапазон с применение современной аппаратуры связи обеспечивает устойчивую и качественную связь командования и группы руководства полетами с экипажами летательных аппаратов, а так же между летательными аппаратами.
В данном дипломном проекте разработана радиостанция УКВ диапазона, способная заменить своих предшественников. При разработке учитывалась современная элементная база радиоэлектронных средств, что в свою очередь повышает надежность аппаратуры и упрощает ее эксплуатацию. Также необходимо отметить, что при использование цифровых микросхем существенно уменьшаются габариты устройства и снижается общая стоимость его производства.
2. ОБОСНОВАНИЕ АКТУАЛЬНОСТИ ТЕМЫ.
В настоящее время для обеспечения полетов авиации используется старый парк техники. Данная аппаратура собрана на ламповой элементной базе. Применение ламп существенно повышает габариты аппаратуры, что оказывает негативное влияние на транспортировку и эксплуатационные характеристики устройства. Также следует отметить, что электровакуумная элементная база существенно понижает надежность радиостанций за счет старения элементов. Потребляемая мощность подобного оборудования, в разы превосходит потребляемую мощность техники на твердотельной элементной базы, за счет чего происходят избыточные энергетические затраты.
Имеющиеся и применяемые в настоящее время радиостанции многофункциональны и многодиапазоны. Чрезмерное количество не используемых диапазонов, режимов работ и типов модуляции сигналов, повлекло за собой количественное увеличение блоков и радиоэлектронных элементов, что в свою очередь повышает экономические затраты на производство готового продукта, а следовательно и себестоимость устройств.
Для обеспечения полетов авиации в районе аэродромов достаточно использовать радиостанции работающие в метровом (МВ) диапазоне частот, с амплитудным (АМ) видом модуляции несущего сигнала и качеством связи, удовлетворяющим требованиям приказов и руководящих документов при организации полетов авиации.
Одним из путей решения приведенных выше сложностей по обновлению парка техники, является закуп подобного оборудования, у иностранных производителей. Закуп техники, так же связывается с существенными экономическими затратами. Не стоит забывать, что и современные виды радиостанций обладают чрезмерной многофункциональностью.
В данном дипломном проекте разработана радиостанция метрового диапазона, имеющая узкое предназначение по организации радиосвязи при обеспечении полетов авиации в районе аэродрома. Данная радиостанция собрана на современной твердотельной элементной базе. Применение транзисторов, микроконтроллеров и других полупроводниковых радиоэлементов существенно снижает экономические затраты, за счет низкой стоимости отдельных деталей. Так же следует отметить, что с применением твердотельных элементов, существенно уменьшаются габаритные размеры конечного устройства, снижаются энергетические показатели потребляемой мощности и повышается надежность.
Выбор режима амплитудной и отказ от других видов модуляции не ограничивает безопасность обеспечения полетов с уровнем качества не хуже, чем на «удовлетворительно». Отказ от режимов работы частотной модуляции и частотного телеграфирования обусловлен отсутствием необходимости их использования. Уменьшение количества режимов работ, уменьшает количество блоков и узлов радиостанции, что с свою очередь уменьшает количество необходимых для изготовления элементов и снижает затраты на производство.
В конечном итоге была разработана радиостанция малых габаритов, с характеристиками не уступающими своим аналогам, но с более низкой стоимостью, за счет сужения ее функциональных возможностей в режимах работ и выбором доступной твердотельной элементной базы, которая позволяет повысить надежность аппаратуры, при низкой себестоимости радиоэлементов.
3. АНАЛИЗ СУЩЕСТВУЮЩИХ УКВ-РАДИОСТАНЦИЙ
И ПРИНЦИПОВ ИХ РАБОТЫ.
Авиационные радиостанции ультракоротковолнового диапазона широко применяются при обеспечении полетов. Отличительными чертами данного диапазона является условие прямой видимости. Данное условие определяется за счет свойств распространения электромагнитных волн в пространстве. Метровые и дециметровые электромагнитные волны, относящиеся к ультракоротковолновому диапазону, не способны огибать поверхность земли. Из этого следует, что дальность связи данного диапазона в большинстве своем, зависит от высоты полета самолетов.
В таблице 1 приведены наименования и технические характеристики используемых в настоящее время радиостанций
Таблица 1
|
№ п/п |
Наименование параметра |
Радиостанция |
||
|
Р-845 |
Р-863 |
Фазан Р5 |
||
|
|
Диапазон частот (МГц) |
100-149,999 220-399,999 |
100-149,975 220-399,975 |
100-149,975 220-399,975 |
|
|
Шаг сетки частот (кГц) |
1 |
25 |
25 |
|
|
Виды модуляции |
АМ, ЧМ, ЧТ |
АМ, ЧМ, ЧТ |
АМ, ЧМ, ЧТ |
|
|
Отклонение частоты |
|||
|
|
Проходная мощность передатчика (Вт), не менее |
40 |
8 |
5 |
|
|
Чувствительность приемника (мкВ) |
1,5 |
3 |
3 |
|
|
Источник питания |
1) трехфазная сеть, 380 В, 50 Гц 2) агрегат АБ-4-Т/400М1 |
1) +27В |
1) однофазная сеть, 187-242 В, 50 Гц |
По таблице 1 следует, что радиостанции имеют схожие параметры.
3.1 Радиостанция Р-845.
Приемопередающая авиационная наземная радиостанция малой мощности предназначена для обеспечения беспоисковой и бесподстроечной открытой и закрытой телефонной и телеграфной радиосвязи с самолетными и наземными радиостанциями соответствующего диапазона.
Общий вид радиостанции приведен на рисунке 1.
Рисунок 1.
Краткие тактико-технические характеристики радиостанции:
Диапазон частот 100 - 149,999 МГц (МВ) и 220 399,975 МГц (ДМВ).
Шаг перестройки 1 кГц
Вид работы АМ, ЧМ, ЧТ
Чувствительность приемника не хуже 2,5 мкВ (АМ) и 1,5 мкВ (ЧМ)
Мощность передатчика не менее 40 Вт
Элементная база полупроводники, радиолампы
Питание трехфазная сеть 380 В 50 Гц
Вес рабочего комплекта 6000 кг.
Радиостанция размещена в кузове К-66Н на шасси автомобиля ГАЗ-66.
К вспомогательной аппаратуре относятся две радиостанции Р-407. Радиостанции Р-407 являются радиорелейными и предназначены для организации дистанционного управления радиостанцией Р-845.
3.2 Радиостанция Р-863.
Командная радиостанция Р-863 предназначена для оперативного управления самолетами, обеспечения экипажей телефонной радиосвязью с наземными командными пунктами управления и другими самолетами, для дежурного приема сигналов на одной из аварийных частот, а также для приема и передачи телекодовой информации в режиме частотной телеграфии.
Общий вид радиостанции приведен на рисунке 2.

Рисунок 2.
Краткие тактико-технические характеристики радиостанции:
Диапазон частот 100,0 149,975 МГц, 220 399,975 МГц
Шаг перестройки 25 к Гц
Вид работы АМ, ЧМ, ЧТ
Чувствительность приемника не хуже 3 мкВ
Мощность передатчика не менее 8 Вт
Элементная база полупроводники
Питание бортсеть 27 В. Мах
Радиостанция Р-863 являясь бортовой радиостанцией, за счет своих габаритов и характеристик, широко применяется для организации связи на командных пунктах, пунктах управления и т.п.
3.3 Радиостанция «Фазан-Р5».
Наземная радиостанция «Фазан-Р5» предназначены для приема и передачи телефонных сообщений и цифровых данных в каналах авиационной подвижной связи Гражданской авиации, в том числе для применения в автоматизированных радиоцентрах и ретрансляторах.
Общий вид радиостанции приведен на рисунке 3.

Рисунок 3.
Краткие тактико-технические характеристики радиостанции:
Диапазон частот - 100-149,991 Мгц
Шаг сетки частот - 25 и 8,33 с возможностью смещения на ±4,1 (6) кГц
Стабильность частоты - 1*10(-6)
Мощность несущей передатчика - 5±1 Вт
Максимальная глубина модуляции. не менее 90%
Коэффициент нелинейных искажений передатчика, %, не более 5
Чувствительность приемника при отношении сигнал/шум=10 дБ. не более - 1
Коэффициент нелинейных искажений приемника, не более - 5 %
Полоса частот телефонного тракта приемника - 0,3...2,7 кГц
Полоса частот тракта данных приемника - 0,6...6,6 кГц
Номинальное волновое сопоставление антенно-фидерного тракта 50 Ом
Электропитание:
- напряжение переменного тока - частотой 50±1 Гц, 187...242 В
- постоянное напряжение - 21,5...29 В
Диапазон рабочих температур -10...+40 или -40...+55 °С
Радиостанция «Фазан-Р5» за счет малых габаритов, относительно небольшого веса и технических характеристик, широко применяется при обеспечении полетов как гражданской авиации, так и в Военно-Воздушных силах РК.
3.4 Общий анализ применяемых радиостанций.
Рассматривая параметры приведенных радиостанций, следует отметить кратность шага сетки частот (25 кГц), режимы работ и диапазоны рабочих частот. Имея в составе комплекта, 100 %-ый «горячий» резерв, данные радиостанции способны за кратчайшее время обеспечить радиосвязь, в случае ухудшения параметров и выходом из строя одного из полукомплектов радиостанции. Так же следует отметить, наличие резервных источников питания (бензоэлектрические агрегаты, аккумуляторные батареи), переход на которые обеспечивает минимальное время потери радиосвязи с летательным аппаратом, при пропадании промышленной сети питания.
Имея малые габаритные размеры, радиостанции Р-863 и Фазан-Р5, имеют меньшую мощность по сравнению с радиостанцией Р-845, размещаемой в кузове К-66Н на шасси автомобиля ГАЗ-66.
Основной применяемой в Военно-Воздушных силах радиостанцией, является радиостанция Р-845, которая обладает чрезмерной многофункциональностью, что практически не используется при обеспечении связи с летательными аппаратами в районе аэродрома. Радиостанция Р-845, способная работать в метровом и дециметровом диапазонах частот, при следующих видах работ:
- симплексный телефонный режим
- режим ретрансляции
- режим частотного телеграфирования
- режим передачи команд в радиотелемеханической линии.
Выбор радиостанций обуславливается организационно-штатной структурой частей и подразделений, а также наличием средств связи и РТО.
4. РАЗРАБОТКА ТЕХНИЧЕСКИХ ХАРАКТЕРИСТИК
УКВ РАДИОСТАНЦИИ.
Разработанная УКВ-радиостанция имеет следующие технические характеристики:
- Диапазон рабочих частот 100-149,975 МГц
- Шаг сетки частот 25 кГц
- Виды модуляции амплитудная (АМ)
- Глубина модуляции, не менее - 80
- Проходная мощность передатчика не менее 10 Вт,
- Чувствительность приемника - 3мкВ
- Номинальное волновое сопоставление антенно-фидерного тракта 50 Ом
- Источник питания - однофазная сеть, 220 В, 50 Гц
- Элементная база полупроводники
- Дальность связи
|
Высота полета, м |
Дальность связи, км |
|
1000 |
100 |
|
10000 |
300 |
|
20000 |
500 |
Выбор данных параметров при разработке устройства, обеспечивает беспрепятственную работу с бортовыми радиостанциями, без применения технических доработок по отношению к бортовому оборудованию, что в свою очередь делает доступным, постепенный переход бортовых средств связи, на современные образцы.
5. РАЗРАБОТКА И ОБОСНОВАНИЕ СТРУКТУРНОЙ СХЕМЫ ПЕРЕДАЮЩЕГО УСТРОЙСТВА УКВ РАДИОСТАНЦИИ
5.1. Назначение и состав передающего устройства.
Передающее устройство радиостанции:
- формирует высокочастотные колебания МВ диапазона, требуемой стабильностью частоты;
- формирует с высокой стабильность шаг сетки рабочих частот;
- модулирует несущий высокочастотный сигнал, согласно огибающей низкочастотного сигнала от микрофона;
- усиливает оконечную мощность до необходимого уровня;
- согласует оконечный усилитель мощности с антенно-фидерным устройством трактом радиостанции.
При построении структурной схемы передающего устройства необходимо учитывать следующие факторы:
- Рабочий диапазон частот;
- Вид применяемой модуляции;
- Режим работы радиостанции;
- Оконечная мощность передатчика;
- Вид применяемой модуляции;
Согласно вышеперечисленным факторам и требуемым характеристикам к оконечному устройству, разработана структурная схема передатчика. Структурная схема передатчика приведена на рисунке 5.1.
Рисунке 5.1. Структурная схема передатчика
Состав структурной схемы:
- Возбудитель (Возб);
- Первичный усилитель (ПУ);
- Модулятор (Мод);
- Усилитель мощности (УМ);
- Антенно-фидерное устройство (АФУ).
Назначение элементов структурной схемы.
Возбудитель обеспечивает образование дискретной сетки фиксированных рабочих частот с высокой стабильностью частоты и формирование выходных сигналов.
Первичный усилитель усиливает сигналы вылокой частоты поступающие от возбудителя и модулирует их по амплитуде, с необходимым уровнем глубины модуляции, согласно низкочастотного сигнала поступающего от модулятора.
Модулятор обеспечивает усиление низкочастотного сигнала речевого диапазона, до необходимого уровня и подачу усиленного сигнала на управляющие оргары первичного усилителя.
Усилитель мощности усиливает сигналы поступающие от первичного усилителя, обеспечивает необходимую выходную мощность передатчика и согласование оконечного усилительного каскада с антенно-фидерным трактом радиостанции.
Антенно-фидерное устройство обеспечивает передачу высочастотного усиленного сигнала от усилителя мощности к антенне, для дальнейшего излучения его в эфир.
5.2. Принцип работы передатчика по структурной схеме.
Принцип работы передающего устройства, схема которого изображена на рисунке 5.1, основан на амплитудной модуляции высокочастотного сигнала. Сигнал высокой частоты (ВЧ) от возбудителя (Возб) поступает в первичный усилитель (ПУ), где происходит первичное усиление и амплитудная модуляция, согласно низкочастотного сигнала модулятора (М). Модулятор представляет собой усилитель низкой частоты (УНЧ) и служит для получения необходимого уровня низкочастотного (НЧ) сигнала, необходимого для установления требуемой глубины модуляции. После возбудителя промодулированный по амплитуде высокочастотный сигнал поступает на усилитель мощности (УМ). Усилитель мощности усиливает данный сигнал до уровня, не хуже указанного в параметрах передающего устройства, а так же согласует оконечный каскад усиления с волновым сопротивлением антенно-фидерного тракта радиостанции.
5.3 Обоснование выбора структурной схемы передатчика.
Выбор структурной схемы приведенной на рисунке 5.1, максимально подходит для реализации передающего устройства УКВ радиостанции. При выборе данной схемы построения, передатчик способен формировать высокочастотный сигнал необходимого диапазона, с глубиной модуляции не хуже указанного в параметрах передатчика и требуемой стабильностью частоты. Выбор усилителя мощности позволяет добиться необходимой мощности выходного сигнала, а согласование его с АФУ понижает помехи, образующиеся в тракте АФУ, что повышает КПД передатчика.
6. РАЗРАБОТКА И ОБОСНОВАНИЕ ФУНКЦИОНАЛЬНОЙ СХЕМЫ ПЕРЕДАЮЩЕГО УСТРОЙСТВА УКВ РАДИОСТАНЦИИ
6.1. Разработка функциональной схемы
передающего устройства УКВ радиостанции
При разработке функциональной схемы необходимо учитывать следующие параметры:
- Диапазон рабочих частот;
- Вид применяемой модуляции;
- Режим работы передающего устройства;
- Оконечная мощность передатчика;
- Коэффициент глубины модуляции;
- Амплитуда и уровень мощности сигналов в элементах и узлах передатчика.
К разработке функциональной схеме разрабатываемого передающего устройства были приведены следующие требования:
- Диапазон рабочих частот 100 - 149,975 МГц;
- Вид модуляции амплитудная;
- Режим работы телефонный режим (ТЛФ);
- Оконечная мощность передатчика, не менее 10 Вт;
- Коэффициент глубины модуляции, не менее 80 %;
Функциональная схема передатчика изображена на рисунке 6.1.
Рисунок 6.1. Функциональная схема передатчика.
Состав передатчика по функциональной схеме:
- Генератор высокой частоты (Ген);
- Усилитель высокой частоты (УВЧ 1);
- Предварительный усилитель (ПУ);
- Усилитель высокой частоты (УВЧ 2);
- Усилитель звуковой частоты (УЗЧ);
- Оконечный усилитель мощности (ОУМ);
- Согласующий каскад (СК);
- Антенно-фидерное устройство (АФУ).
6.2. Принцип работы разрабатываемого передатчика по функциональной схеме
Генератор высокой частоты вырабатывает сигнал с высокостабильной частотой в диапазоне 100 - 149,975 МГц и шагом перестройки 25 кГц. Временная диаграмма показана на рисунке 6.2.

Рисунок 6.2 Временная диаграмма сигнала на выходе генератора.
Данный сигнал, обладая высокой стабильностью частоты, имеет малую амплитуду для его дальнейшей амплитудной модуляции. Усилитель высокой частоты (УВЧ 1) усиливает слабый сигнал по амплитуде, до необходимого уровня, без внесения в него частотных искажений. Временная характеристика на выходе УВЧ 1 показана на рисунке 6.3.

Рисунок 6.3. Временная диаграмма на выходе УВЧ 1.
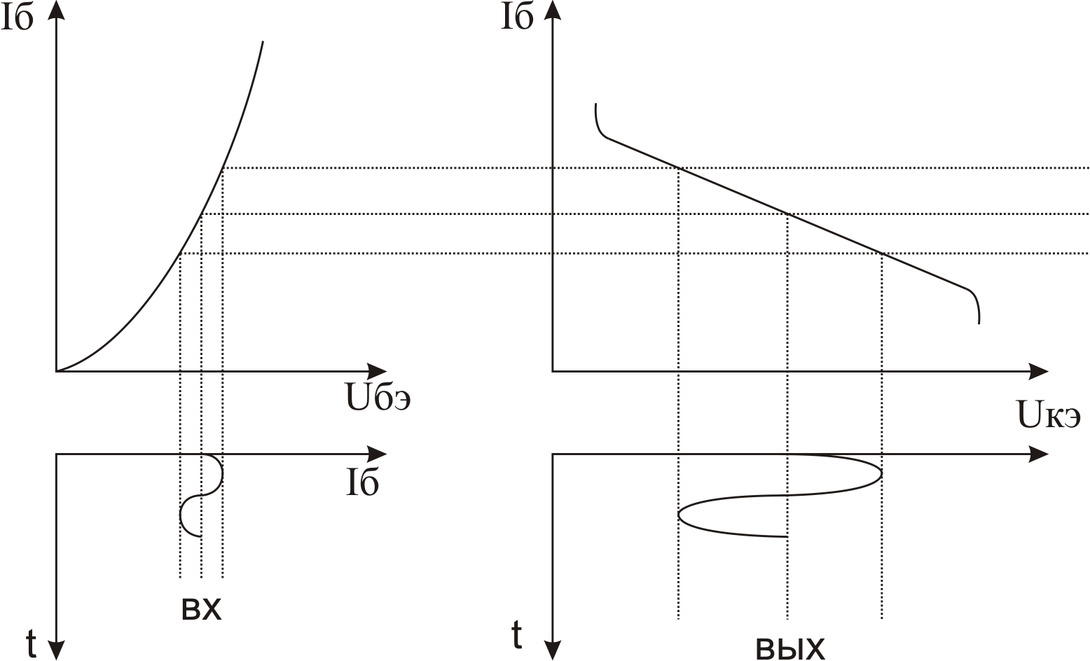
По сравнительному графику изображенному на рисунке 6.4. видно, что изменению высокочастотного сигнала подвергается только его амплитуда. Из этого следует, что правильный подбор элементов и выбор рабочей точки усилительного элемента усилительного каскада, позволяет получить усиленный высокочастотный сигнал, без изменения его частоты.

Рисунок 6.4. Сравнительный график.
Усиленный высокочастотный сигнал рабочей частоты с выхода УВЧ 1, поступает на первичный усилитель (ПУ).
Сигнал частотой речевого спектра (0,3...2,7кГц) и малой амплитуды, не способен промодулировать высокочастотный сигнал, на порядок, превосходящий его по амплитуде. Усилитель звуковой частоты усиливает колебания, пришедшие от микрофона, до уровня необходимого для осуществления требуемой глубины модуляции. На рисунке 6.5. показаны сигналы с микрофона и усилителя звуковой частоты (УЗЧ).

Рисунок 6.5. Сигналы низкой частоты (НЧ).
Далее сигналы с УЗЧ и УВЧ 1 поступают на предварительный усилитель (ПУ). В ПУ происходит модуляция и первичное усиление промодулированного сигнала. Процесс амплитудной модуляции происходит путем подачи на управляющие выводы усилительного элемента одновременно высокочастотного сигнала и сигнала звуковой частот. В результате, с выхода ПУ снимается промодулированный сигнал, огибающая которого пропорциональна низкочастотному сигналу с микрофона. См. рисунок 6.6.

Рисунок 6.6. Промодулированный сигнал с выхода ПУ.
Во избежание изменения формы сигнала и увеличения коэффициента усиления применяется несколько ступеней усиления. К одной из таких ступеней относится усилитель высокой частоты (УВЧ 2). Данный усилитель применяется для промежуточного усилитель промодулированного сигнала. Его применение повышает коэффициент полезного действия всего передатчика и уменьшаются искажения сигнала.
Оконечный усилитель мощности (ОУМ) применяется, согласно данной схемы, для выдачи на согласующий каскад мощности промодулированного сигнала, уровнем не менее указанного в установленных параметрах. Обладая высоким коэффициентом усиления, ОУМ имеет на выходе конечного каскада усиления мощность, не менее 10 Вт, что позволяет обеспечивать связь, не хуже чем на «удовлетворительно», при обеспечении полетов в районе аэродрома.
Согласующий каскад (СК) предназначен для согласования выходного сопротивления оконечного каскада усилителя мощности с внутренним сопротивлением антенно-фидерным устройством. Технически, согласующий каскад представляет собой ряд радиоэлементов, которые обеспечивают изменение выходного сопротивления оконечного каскада усиления. Применение данного каскада существенно уменьшает коэффициенты стоячих и отраженных волн, что повышает эффективность работы передатчика.
Антенно-фидерное устройство (АФУ) предназначено для передачи высокочастотного промодулированного по амплитуде сигнала от оконечного усилителя мощности к антенне и излучение его в пространство. АФУ представляет собой набор коаксиальных кабелей и дискоконусную антенну. Коаксиальные кабели подбираются каким образом, что бы их параметры, геометрические размеры, а так же тип используемых материалов, не оказывали воздействие на параметры выходного сигнала. Антенна выполнена из излучателя и диска-противовеса. Антенна представляет собой ненаправленный в горизонтальной плоскости вертикально поляризованный широкополосный излучатель. В режиме передачи электромагнитные колебания от передатчика по антенному фидеру поступают на излучатель и излучаются в пространство. Вид антенны и диаграмма направленности показана на рисунке 6.7.
Общий вид антенны
Рисунок 6.7.
Применение приведенной на рисунке 6.1. функциональной схемы максимально подходит для решения вопроса разработки УКВ передатчика, согласно заданным требованиям.
Способ построения данной функциональной схемы позволяет, обеспечить соблюдение требуемых параметров, при минимальной затрате сил и средств, по сравнению с другими моделями функциональной схемы.
7. РАЗРАБОТКА И ОБОСНОВАНИЕ ПРИНЦИПИАЛЬНОЙ СХЕМЫ ПЕРЕДАЮЩЕГО УСТРОЙСТВА УКВ РАДИОСТАНЦИИ
7.1. Разработка принципиальной схемы ВЧ генератора передающего устройства
В основу построения генератора, на базе твердотельных элементов, лежит способ формирования несущего высокочастотного сигнала посредством применения, управляющего внутрепрограмируемого микроконтроллера, непосредственно формирующего необходимый сигнал.
Выбор управляющего микроконтроллера был сделан в пользу AT90S1200, 8 - ми разрядного AVR® микроконтроллера с 1 Кбайт Flash памятью с поддержкой внутрисистемного программирования.
Данный микроконтроллер предназначен для создания управляющих сигналов, необходимых для нормальной работы микроконтроллера, формирующего ВЧ сигнал.
Отличительные особенности AT90S1200:
- AVR® - высокая производительность и RISC архитектура с низким энергопотреблением
- 89 мощных инструкций - большинство выполняются за один такт
- 1 Кбайт Flash- памяти с поддержкой внутрисистемного программирования
SPI- последовательный интерфейс для загрузки программного кода
Ресурс: 1000 циклов записи/ стирания - 64 байта EEPROM:
Ресурс: 100 000 циклов запись/ стирание - Рабочие регистры общего назначения 32 х 8
- 15 программируемых линий I/O
- Питание VCC: от 2.7 В до 6.0 В
- Полностью статический режим работы:
От 0 до 12 МГц, при питании от 4.0 В до 6.0 В
От 0 до 4 МГц, при питании от 2.7 В до 6.0 В - Производительность, вплоть до 12 MIPS при 12 МГц
- Один 8-ми разрядный таймер/ счетчик с отдельным предварительным делителем частоты
- Внешние и внутренние источники прерывания
- Программируемый следящий таймер с встроенным тактовым генератором
- Встроенный аналоговый компаратор
- Экономичные режимы ожидания и пониженного энергопотребления
- Программируемая блокировка для безопасности программного обеспечения
- 20 выводов
Возможность выбора работы с встроенным RC генератором (не требуется подключение внешних компонентов)
Схема расположения выводов AT90S1200 показана на рисунке 7.1.1

Рис. 7.1.1. Схема расположения выводов AT90S1200
Програмирование микроконтроллера AT90S1200, осуществляется при помощи подключения програматора микросхемы, к СОМ порту персонального компьютера. Схема построения програматора показана на рисунке 7.1.2.
Рис. 7.1.2. Программатор. Схема электрическая принципиальная.
Для формирования сигнала необходимой частоты применяется микросхема LM7001J.
Микросхема LM7001J предназначена для построения частотных синтезаторов, применяемых в бытовых радиоприемных устройствах. Внешний вид микросхемы показан на рисунке 7.1.3.

Рис. 7.1.3. МКС LM7001J. Внешний вид
В таблице 7.1.1 приведены условные обозначения выходов микросхемы LM7001J.
|
Номер вывода |
LM7001J |
|
1 |
Xout |
|
2 |
Xin |
|
3 |
CE |
|
4 |
CL |
|
5 |
Data |
|
6 |
SC |
|
7 |
BSout1 |
|
8 |
BCout2 |
|
9 |
BCout3 |
|
10 |
AMin |
|
11 |
FMin |
|
12 |
Uпит1 |
|
13 |
Uпит2 |
|
14 |
Pd1 |
|
15 |
Pd2 |
|
16 |
Общ. |
Таблица 7.1.1.
Основные технические характеристики LM7001J:
Номинальное напряжение питания, В ......................................................4,5-6,5
Входное напряжение высокого уровня, В, по входам СЕ, СL, Data ……2,2-6,5
Входное напряжение низкого уровня, В, по входам СЕ, CL, Data.............0...0.7
Максимально допустимое напряжение, подводимое к выходу SC, В ...........6,5
Максимально допустимый выходной ток выхода SC, мА .................................3
Максимально допустимое напряжение на выходах Рd1Pd2, B.......................3
Максимально допустимый входной ток входов BSout1BSout3, мА..............3
Типовое значение входного сопротивления по выходам AMin и FMin,кОм500
Общий потребляемый ток, мА ...........................................................................40
Микроконтроллер обрабатывает команды при нажатии клавиш, выдает данные в индикатор и управляет работой синтезатора LM7001J по трехпроводной схеме. Выходы микроконтроллера : 6 (PD2),7 (PD3),8 (PD4), подключаются к входам LM7001J: 3 (CE), 4 (CL), 5 (Data), соответственно. По данной шине передаются необходимые сигналы для запуска синтезатора и изменения параметров его работы.
Схема построения генератора ВЧ сигналов данным образом, предусматривает отображение номинала частоты сигнала, на выходе генератора.
Осуществляется данный контроль путем подключения цифрового индикатора к входам 11 (D6) и 9(D5), микроконтроллера AT90S1200.
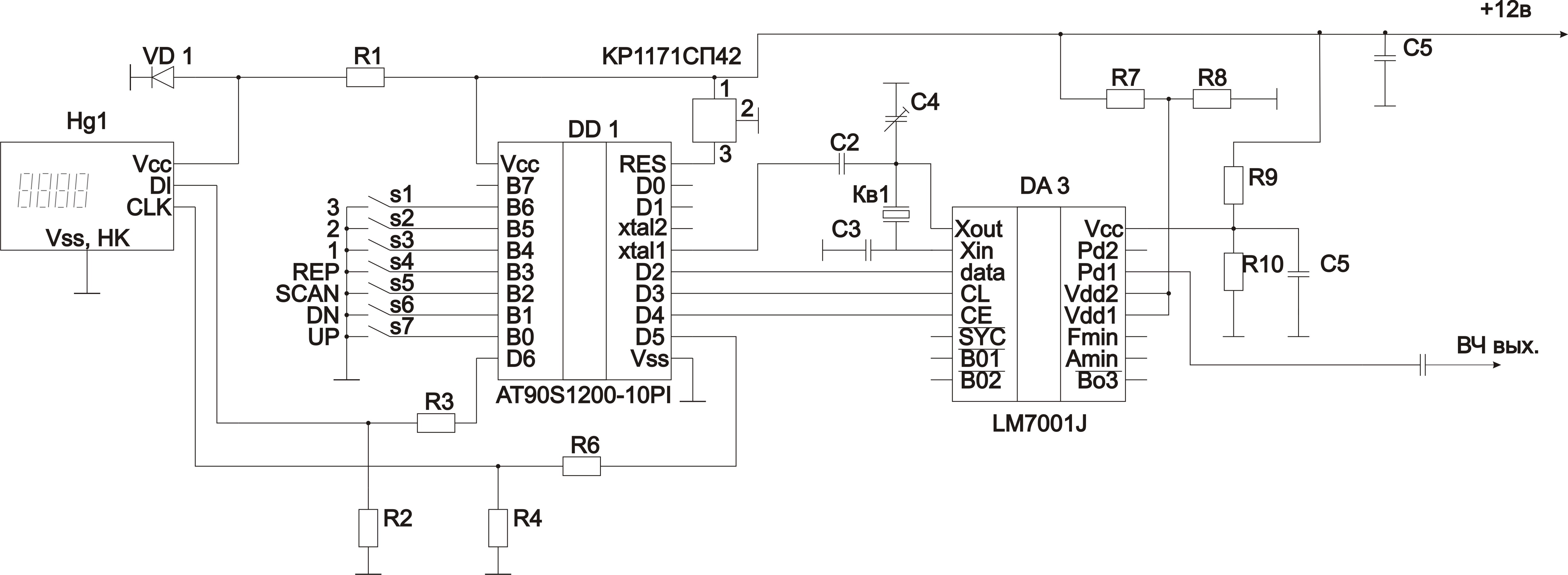
Электрическая принипиальная схема генератора показана на рисунке 7.1.4.

Рис 7.1.4 Генератор ВЧ. Схема электрическая принципиальная.
Кнопки s1…s7, предназначены для управления работой микроконтроллера DD1, который по трехпроводной шине (D2-data, D3-CL, D4-CE), подает управляющие сигналы на микроконтроллер DA3.
Функцию цифровой индикации выполняет семисегментное табло (Hg1). Вход Vcc, является контактом, на который подается питающее напряжение. Входы DI и CKL, через делители напряжения (R3, R2 и R4, R6 соответственно) подключаются к входам микроконтроллера Dd1 (D6, D5). Сигналы с данных входов, необходимы для визуальной индикации на табло цифрового значения частоты сигнала, вырабатываемого генератором. Делители напряжения R3-R2 и R5-R4, ограничивают уровень напряжения до уровня, необходимого для нормальной работы индикатора. Кварц Кв1, совместно с конденсаторами С2, С3 и подстрочным конденсатором С4, составляют колебательный контур, который обеспечивает нормальную работу микроконтроллера DA3. Данный колебательный контур подключается к входам Xout и Xin, микросхемы LM7001J. Делители напряжения R7-R8 и R9-R10, предназначены для получения номинального питающего напряжения микросхемы LM7001J.
Для уменьшения паразитных наводок, снижающих качество сигнала, генератор помещается в экранированный отсек.
7.2. Разработка принципиальной схемы
усилителя высокой частоты УВЧ1
передающего устройства УКВ радиостанции
Усилитель высокой частоты (УВЧ1) усиливает высокочастотный сигнал с выхода генератора, до амплитуды, порядка 10 В. Данное усиление необходимо для нормальной работы предварительного усилителя (ПУ). Принципиальная электрическая схема УВЧ1 показана на рисунке 7.1.5.

Рис. 7.1.5. Принципиальная электрическая схема УВЧ1
Схема усилителя представляет собой усилительный каскад на биполярном транзисторе (Тр1).
Разделительные конденсаторы С8 и С9, предназначены для исключения воздействия предыдущих и последующих каскадов на усилительный каскад. Подбором номиналов сопротивлений R12 и R13 выставляется рабочая точка транзистора. Сопротивления R14 и R15 необходимы для выравнивания внутреннего сопротивления каскада, также резистор R4 является нагрузочным сопротивлением всего усилительного каскада.
7.3. Разработка принципиальной схемы
предварительного усилителя, усилителя низкой частоты и усилителя высокой частоты УВЧ2
передающего устройства УКВ радиостанции
Для удобства разработки и проведения расчетов блоки ПУ, УНЧ и УВЧ2 были объединены в общую схему. В основу построения были взяты микросхема 140-УД20А и биполярные транзисторы КТ817А.
Трансформатор лучше выполнить на железном сердечнике сечением не менее 200 квадратных миллиметров, первичная обмотка содержит не менее 500 витков проводом ПЭЛ 0.3. Вторичная мотается более толстым проводом, количество витков рассчитывается с использованием коэффициента 0.65(КПД трансформатора), для получения необходимой амплитуды напряжения модуляции. Принципиальная электрическая схема показана на рисунке 7.1.5.

Рис. 7.5.Принципиальная электрическая схема
Микрофон МКЭ-3 преобразует речевой сигнал в электрический сигнал низкой частоты. Сопротивление R1 и конденсатор С1 обеспечивают номинальное напряжение питание микрофона. Усилители DA1 и DA2 собраны на микросхеме 140-УД20А. К входам усилителей подключаются низкочастотный сигнал от микрофона и высокочастотный сигнал от УВЧ1.
Форма сигнала, подобная сигналу на выходе двухтактных усилителей, собранных на биполярных транзисторов КТ817А (VT1,VT2,VT3,VT4), показана на рисунке 7.1.6.

Рис. 7.1.6.
7.4. Разработка принципиальной схемы
оконечного усилителя мощности
передающего устройства УКВ радиостанции
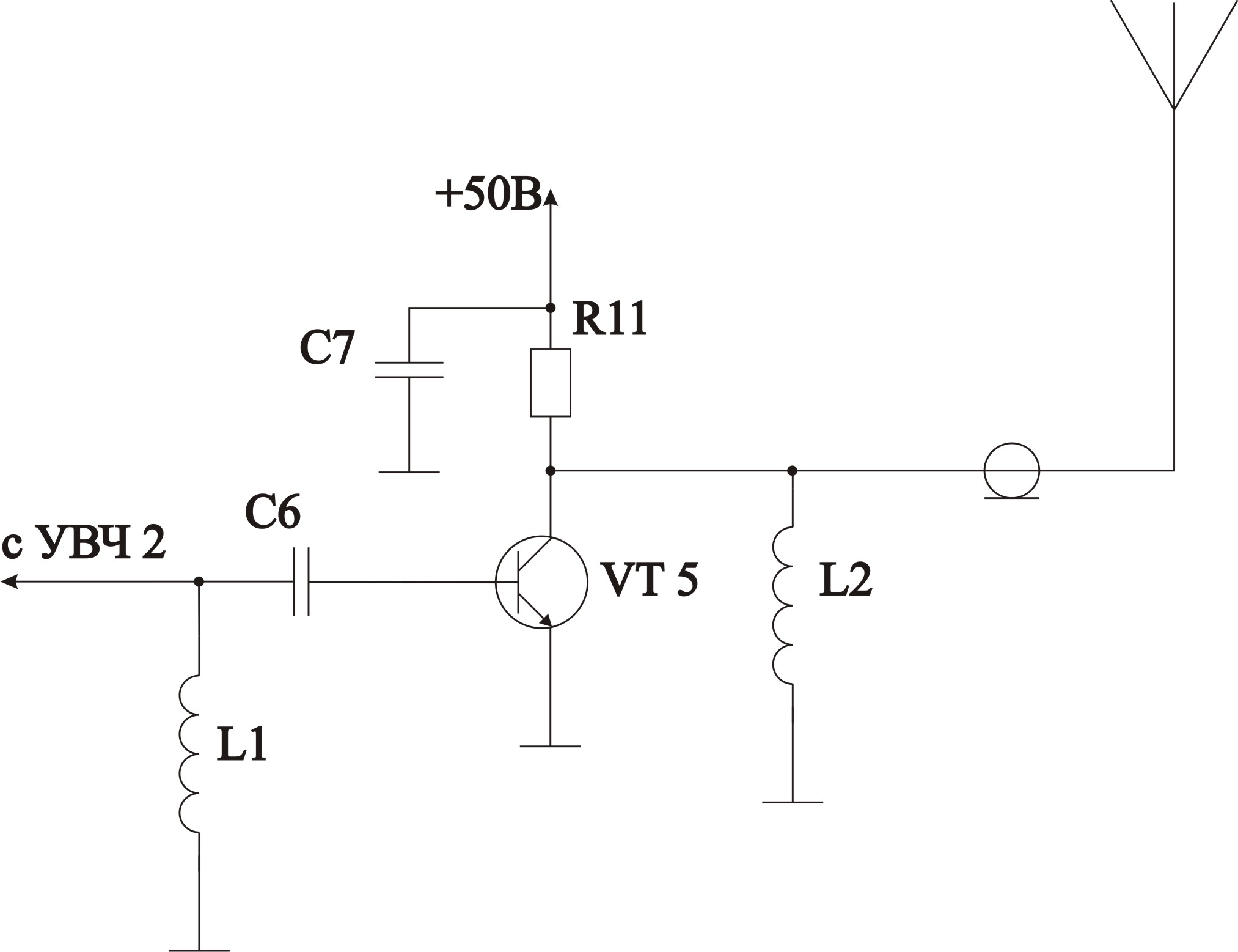
Исходя из требуемых параметров, мощность на выходе передающего устройства должна быть, не менее чем 10 Вт. Для решения данной задачи была выстроена схема оконечного усилителя мощности, которая приведена на рисунке 7.7.

Рис. 7.7. Схема электрическая принципиальная ОУМ.
Входной ВЧ сигнал поступает на фильтрующий колебательный контур С6, L1. Резонансная частота данного контура настроена на среднюю точку рабочего диапазона частот (125 МГц). Далее данный сигнал поступает на базу усилителя мощности, собранного на биполярном транзисторе КТ904А. Выбор данного транзистора и подбор рабочей точки позволяет получить требуемую мощность на выходе усилителя. Цепь R11, C7, является цепью защиты питающего напряжения. Катушка индуктивности L2 обеспечивает согласование ОУМ с антено-фидерным трактом, также являясь высокочастотным фильтром.
8. РАСЧЕТ ЭЛЕМЕНТОВ И УЗЛОВ ПРИНЦИПИАЛЬНОЙ СХЕМЫ ПЕРЕДАЮЩЕГО УСТРОЙСТВА УКВ-РАДИОСТАНЦИИ
8.1. Расчет элементов и узлов принципиальной схемы ВЧ генератора
Входное напряжение с выхода D6 составляет 3В, для нормальной работы индикатора необходимо уменьшить данное напряжение, до уровня 1,5В. Рассчитываем делитель напряжения R2-R3. Общее напряжение на делители составляет 3В, следовательно, номиналы сопротивления будут составлять и .
Уровень управляющего напряжения с выхода D5 подобны сигналам с выхода D6. Однако амплитуда сигнала приходящего на вход CLK, должена составлять порядка 1В. Из этого следует, что:
общий ток протекающий через делитель составляет Iобщ = 2 мА, следовательно:
= ==1,5 кОм
отсюда,
,
Диод VD1 и сопротивление R1 подбираются согласно номинала питающего напряжения ЖК модуля (НТ1611 фирмы Holtek), порядка 5В, следовательно, выбор диода был остановлен на КД522Б, а сопротивление R1=10кОм.
Микросхема КР1171СП42, работает синхронно с микроконтроллером DD1 и выполняет функцию автоматического сброса.
Кварц Кв1 устанавливается с рабочей частотой 7200кГц. Данная частота предназначена для нормальной работы микроконтроллера Da2 и поддерживается при помощи конденсаторов С1=15пФ и С2=27пФ, а так же построечным конденсатором С3=4…20пФ.
Рассчитывая делитель напряжения R8-R9 учитываем, что на вход VCC должен постипить сигнал с парамермами U=3В и I=3мА.
,
,
отсюда
,
,
.
8.2. Расчет элементов и узлов принципиальной схемы усилителя высокой частоты УВЧ1
Определим общее сопротивление выходных сопротивлений R12, R13:
, .
Определим ток базы управления транзистором:
Расчитаем базовый ток, определяемый напряжением смещения на базе, которое задается делителем напряжения R12, R13. Ток резистивного базового делителя должен быть на много больше (в 5-10 раз) тока управления базы Iб, чтобы последний не влиял на напряжение смещения выбираем ток делителя в 10 раз большим тока управления базы.
Тогда полное сопротивление резисторов R12, R13:
Найдем напряжение на эмиттере в режиме покоя. При расчете транзисторного каскада необходимо учитывать, что напряжение база эмиттер рабочего транзистора не может превысить 0,7 вольта от напряжения на эмиттере, в режиме без входного сигнала номиналы напряжения примерно равны.
,
где Iко ток покоя транзистора.
Отсюда, через формулу делителя напряжения находим
Разделительные конденсаторы выбираются из требований АЧХ (полосы пропускания) каскада. Графические характеристики транзистора показаны на рисунке 8.1.

Рисунок 8.1. Графические характеристики усилительного транзистора
8.3. Расчет элементов и узлов принципиальной схемы предварительного усилителя, усилителя низкой частоты и усилителя высокой частоты УВЧ2
На рисунке 7.5 приведена электрическая принципиальная схема предварительного усилителя, усилителя низкой частоты и усилителя высокой частоты УВЧ2. В основе схемы лежит микросхема 140-УД20А, которая состоит из операционных усилителей (Da1, Da2) и усилительных каскадов (Vt1-Vt2, Vt3-Vt4). Сопротивление R1 и конденсатор С1, подбираются согласно номиналов
R5=470Ом,
С1=0,1мкФ
Подбор данных элементов обеспечивает требуемую чувствительность микрофона МКЭ-3.
Повышающий трансформатор Тр1 обеспечивает амплитуду промодулированного сигнала, порядка Трансформатор выполняется на железном сердечнике сечением не менее 200 квадратных миллиметров, первичная обмотка содержит не менее 500 витков проводом ПЭЛ 0.3. Вторичная мотается более толстым проводом, количество витков рассчитывается с использованием коэффициента 0.65(КПД трансформатора).
8.4. Расчет элементов и узлов принципиальной схемы оконечного усилителя мощности
По методики выбора фильтра L1 и C6 подбираются согласно уровня амплитуды любой из частот рабочего диапазона не ниже, чем 0,707 от уровня амплитуды резонансной частоты фильтра. АЧХ фильтра показана на рисунке 8.2.

Рисунок 8.2 АЧХ фильтра
Из этого следует, что номиналы элементов будут находиться по формуле:
, где fнес средняя точка рабочего диапазона частот
Средней точкой рабочего диапазона является частота fнес=125МГц. Установим номинал конденсатора равный . Из приведенного выше выражения следует, что
Ток, поступающий на транзистор составляет 1мА, при напряжении на входе 50В. Используя данные
и ,
найдем внутреннее сопротивление транзистора.
Из закона Ома для участка цепи
следует, что внутреннее сопротивление транзистора равно:
Исходя из полученных параметров, найдем выходную мощность передающего устройства. Формула нахождения выходной мощности
.
Подставляя формулу закона Ома для участка цепи, находим формулу определения мощности, через напряжение на сопротивлении:
Исходя из того, что амплитуда напряжения с выхода ОУМ составляет порядка 23В, а волновое сопротивление 50Ом. Из этого следует, что
.
Следовательно, элементы, подобранные в ОУМ соответствуют требованию оконечной мощности, не менее 10Вт.
9. РАСЧЕТ НАДЕЖНОСТИ ПЕРЕДАЮЩЕГО УСТРОЙСТВА
УКВ РАДИОСТАНЦИИ
Современная РЭА имеет очень высокие функциональные возможности. При непрерывном усложнении радиотехнических приборов и систем наблюдения происходит диспропорция между темпами роста сложности и покомпонентной надежности для систем управления сложными автоматическими процессами, для систем бортовой РЭА.
Существуют различные методы повышения надежности. Наиболее жестокие требования по надежности предъявляются к космической и авиационной РЭА, а так же РЭА специального назначения. При этом необходимо учитывать, что указанные категории аппаратуры, подвергаются сложным климатическим и механическим воздействиям. К общим мерам по обеспечению заданной высокой надежности относится:
- четкая регламентация условий эксплуатации изделия;
- выбор для изделия комплектующих элементов обладающих высокой надежностью и стабильностью характеристик;
- реализация технологических мероприятий, обеспечивающих бездефектное изготовление устройств;
- создание всесторонних производственных испытаний, обеспечивающих выявление производственных дефектов аппаратуры и ее элементов.
Произведем расчет надежности изделия.
Вначале рассчитаем интенсивность отказов каждой группы элементов. Выбранные по табличным данным значения oi для используемых в передающем устройстве радиостанции.
Интенсивность отказов каждой группы элементов:
|
Элемент |
Обозначение |
Номинальная интенсивность отказа oi, 10-6 1/ч |
Количество mi, шт. |
|
Резисторы |
oр |
0,87 |
15 |
|
Диоды |
oд |
0,2 |
1 |
|
Конденсаторы |
oк |
0,04 |
9 |
|
Микросхемы |
oмкс |
0,013 |
6 |
|
Паяльное соединение |
oпс |
0,01 |
129 |
|
Кварц |
oкв |
0,05 |
1 |
|
Транзисторы |
oтр |
0,1 |
6 |
Используя полученные данные, определим интенсивность отказов ЭРИ.
Интенсивность отказов резисторов:
, 1/ч
1/ч
Интенсивность отказов диодов:
, 1/ч
1/ч
Интенсивность отказов диодов:
, 1/ч
1/ч
Интенсивность отказов диодов:
, 1/ч
1/ч
Интенсивность отказов диодов:
, 1/ч
1/ч
Интенсивность отказов диодов:
, 1/ч
1/ч
Определим интенсивность отказов всего блока:
=, 1/ч
=(20,07+0,414+0,7452+2,6703+0,1035+1,242)= 25,245 1/ч,
Определяем среднее время наработки на отказ:
ч
часов
Определим вероятность безотказной работы:
Р(t) = е t
Р(1000)=е-25,245=0,98
Важной характеристикой надежности элементов является интенсивность отказов, определяющая отношение числа отказавших элементов N(t), путем решения интеграла:
Интенсивность отказов связана с вероятностью безотказной работы P(t) и средним временем безотказной работы Т простыми соотношениями.
Вероятность безотказной работы приближенно определяется как отношение числа исправных элементов в момент времени t к общеми числу испытуемых N0.
отсюда
Подставив значения, получим:
при в процессе получим:
Решение дифференциального уравнения при начальных условиях: ; при имеет вид:
Среднее время безотказной работы элемента:
Таким образом, зная интенсивность отказов можно определить вероятность и среднее время безотказной работы элементов.
Вероятность безотказной работы P(t) определяется как произведение вероятностей безотказной работы составляющих элементов:
где - вероятность безотказной работы i-го элемента;
П общее число элементов установки.
Используя уравнение получим:
Среднее время безотказной работы:
В разрабатываемом устройстве, элементы работают при нагрузках. Из-за чего интенсивность отказов даже одинаковых элементов, различна. Указанное явление учитывается введением специальных поправочных коэффициентов.
10. ЭКОНОМИЧЕСКОЕ ОБОСНОВАНИЕ
ДИПЛОМНОГО ПРОЕКТА
Каждая фирма или корпорация, руководствуясь накопленным опытом, наличием финансовых ресурсов, целями, преследуемыми в данный момент, разрабатывает свою конкретную методику. Однако, так или иначе, эти методики базируются на указанных характеристиках, их сочетаниях и модификациях.
Следует заметить, что данные расчёты обязательно сопровождают бизнес-план.
Чистая приведённая величина дохода характеризует конечный эффект инвестиционной деятельности. В отечественной практике под чистой приведённой величиной дохода понимают экономический эффект за расчётный период времени.
Результатом данного проекта является изделие, имеющее хорошие потребительские свойства: невысокую цену, ремонтопригодность, высокую надёжность. Данная разработка позволит достичь лучшего обеспечения УКВ радиосвязи при обеспечении полетов авиации. Для повышения точности системы традиционным путём необходимы большие капитальные вложения.
Процесс замены имеющихся средств позволит с минимальными затратами достичь достаточно высоких характеристик, при постепенном переходе на новую элементную базу бортового оборудования.
Таблица 4
Экономическое обоснование передающего устройства
|
Тип элемента |
Количество, шт |
Цена, 1шт/тг |
Общ. цена, тг |
|
Микросхема |
6 |
250 |
1500 |
|
Диод |
1 |
30 |
30 |
|
Резистор |
15 |
20 |
300 |
|
Конденсатор |
9 |
25 |
225 |
|
Транзисторы |
6 |
50 |
300 |
|
Кварц |
1 |
500 |
500 |
|
2855 |
11. Охрана труда и промышленная экология
На объектах РТО полётов и связи должны быть обеспечены безопасные и здоровые условия труда, для чего необходимо планировать, разрабатывать и осуществлять мероприятия по охране труда, направленные на предупреждение производственного травматизма и профессиональных заболеваний среди инженерно-технического персонала, проводить постоянный контроль, за соблюдением правил, норм и инструкций по охране труда.
Мероприятия по охране труда должны включить решения следующих основных задач:
- обеспечение безопасной эксплуатации средств связи и РТО полётов, технологического оборудования, зданий и сооружений;
- обеспечение безопасности технологических процессов;
- нормализацию санитарно-гигиенических условий труда;
- обучение инженерно-технического персонала безопасности труда и пропаганда охраны труда;
- обеспечение инженерно-технического персонала средствами индивидуальной защиты;
- обеспечение оптимальных режимов труда и отдыха;
- обеспечение санитарно-бытового и лечебно-профилактического обслуживания инженерно-технического персонала.
Работа по охране труда проводится в соответствии с законодательством Республики Казахстан об охране труда, требованиями соответствующих межотраслевых и отраслевых нормативных правовых актов в области охраны труда.
Ответственность за состояние условий и охраны труда на предприятии ГА возлагается на его руководителя.
Инженерно-технический персонал объектов связи и РТОП обязан:
- соблюдать нормы, правила и инструкции по охране труда;
- правильно применять коллективные и индивидуальные средства защиты;
- немедленно сообщить своему непосредственному руководителю о любом несчастным случае на производстве, о признаках профессионального заболевания, а также о ситуации, которая создает угрозу жизни и здоровья людей;
- уметь оказывать первую помощь пострадавшим при несчастных случаях;
- своевременно проходить медицинские осмотры в установленном порядке.
Руководители и инженерно-технический персонал, не прошедшие обучения, инструктаж, проверку знаний по безопасности труда к работе не допускаются.
Инженерно-технический персонал ГА, занятый на работах с повышенной опасностью, должен иметь удостоверение о допуске к работе повышенной опасности, при работе по технической эксплуатации электроустановок иметь удостоверение о проверке званий электроустановок с присвоением соответствующей квалификационной группы.
Для каждого помещения объектов связи и РТОП должна быть определена и утверждена приказом начальника категория по степени опасности поражения людей электрическим током.
Степень опасности поражения людей электрическим током всех помещений объектов РТОП и связи определяется комиссией, назначенной руководителем под председательством начальника (главного инженера) службы ЭРТОС. Таблички, указывающие степень опасности поражения людей электрическим током, вывешиваются на внешней стороне входных дверей помещений. Все объекты РТОП и связи должны быть снабжены укомплектованными медицинскими аптечками для оказания первой помощи.
Требования к персоналу при обслуживании и регламентных работах на оборудовании, находящимся под высоким напряжением.
Обслуживание должен выполнять технический персонал, подготовленный по данной специальности, знающий конструкцию, особенности и правила эксплуатации конкретного изделия, применяемого стендового оборудования, контрольно-измерительной аппаратуры, регламент технического обслуживания, технологические указания, руководящие документ по этому оборудованию, допущенный к обслуживанию и несущий ответственность за качество выполняемых работ.
Техническое обслуживание оборудования выполняется в специализированных лабораториях (цехах) с применением необходимого оборудования, контрольно-измерительной аппаратуры, исправного инструмента и при соблюдении правил техники безопасности.
1. Средства транспортировки блоков должны исключать возможность их повреждения. На штепсельных разъемах и открытых фланцах волноводов должны быть установлены технологические заглушки, чтобы в них не попали посторонние предмет.
2. В случае замены блока (узла, детали) и перед установкой проверить:
- соответствие наименований, маркировки и схемных (чертежных) номеров блоков (узлов, деталей) номиналам (назначению);
- выполнение доработок по бюллетеням и другой документации;
- срок служб (срок хранения) блока, узла, детали;
- удалена ли консервирующая смазка и убедиться в отсутствии повреждений, загрязнений;
-соответствие номера блока (узла) номеру, указанному в паспорте, в котором должны быть указаны дата установки (снятия) блока, узла и причина замены на новый (исправный).
3. Норма времени н техническое обслуживание определяется на месте с учетом оснащенности рабочих мест и квалификации специалистов.
4. Инженер лаборатории несёт ответственность за своевременную проверку стендового оборудования и контрольно-измерительной аппаратуры, производит выборочный контроль:
- выполнение настоящих указаний исполнителями и вторичную приемку работ после обслуживания;
- оформление документации на выполнение работ.
ОТК осуществляет выборочный контроль качества технического обслуживания изделия в лаборатории, оформление технической документации и своевременной государственной проверки КПА.
5. Все изменения и дополнения, внесенные в технологические указания, отмечаются в листе учета изменений и дополнений.
6. Основные требования к помещению и оборудованию лаборатории, а также основные требования техники безопасности следующие:
- помещение лаборатории должно быть сухим, светлым, вентилируемым и чистым, с постоянной температурой 20±5°;
- размещение проверочных стендов и другого оборудования должно обеспечивать удобство, безопасность работ, а также исключать возможность облучения рабочих мест;
- работа, связанная с чисткой, промывкой и сушкой аппаратуры, должна выполняться на специально оборудованных местах с вытяжной вентиляцией;
- источники электроэнергии должны размещаться в специально оборудованных отдельных помещениях (узлах питания), доступ в которые разрешается только лицам, имеющим допуск к данной работе;
- рабочие места должны быть снабжены рационально и гигиенично устроенными стульями с регулируемыми (по росту работающего) сидениями;
- у стенда на полу, где проверяется радиоаппаратура, должен быть проверенный резиновый коврик размером 75x75 см;
- корпус стенда и аппаратуры должны быть надежно заземлены;
- загромождение производственных помещений, проходов и рабочих мест аппаратурой, предназначенной для проверки, запрещается;
- лаборатория должна быть снабжена шкафами или специальными устройствами для хранения чертежей, описаний, приспособлений, инструмента и т.п.;
- рабочие места должны быть оборудованы местным освещением дополнительно к общему (в одном помещении допускается совместное использование источников света с различным спектром, но при условии, отграничивающем возможность образования бликов на рабочих поверхностях);
- работа аппаратуры (изделий) с открытыми кожухами разрешается только на время, необходимое для таких регулировок и выявления неисправностей, которые невозможны при закрытых защитных устройствах;
- работа с приборами, схемами и изделиями, находящимся под опасным напряжением, должна производиться обязательно в присутствии не менее двух работников, один из которых - старший;
-технический состав должен уметь оказать первую помощь при ожогах и поражениях электрическим током;
- в лаборатории (цехах) обязательно должна быть аптека с необходимым минимумом медикаментов;
- технический состав должен знать и помнить, что напряжение выше 40 В опасно для жизни и что устранять неисправности в аппаратуре, находящейся под напряжением, запрещается;
- стендовое оборудование и измерительные установки должны быть обслужен и проверены согласно регламенту с соответствующей записью в формуляре;
- к выполнению работ по техническому обслуживанию допускаются лица, прошедшие подготовку по технике безопасности и сдавшие зачеты в соответствии с правилами техники безопасности.
7. Контрольно-измерительная аппаратура должна быть исправна и своевременно проверена в лаборатории стандартов мер и измерительных приборов согласно существующему положению.
Охрана труда в помещениях с техническим микроклиматом
Общая характеристика технологического микроклимата в помещении и его влияние на организм работающих.
Микроклимат производственных помещений это климат внутренней среды помещений, определяемый действующими на организм человека сочетаниями температуры, влажности и скорости движения воздуха, а также температуры окружающих поверхностей. Кроме этих параметров являющихся основными, не следует забывать об атмосферном давлении. Жизнедеятельность человека может походить в довольно широком диапазоне давлений 734-1267 гПа (550-950 мм рт. ст.). Однако здесь необходимо учитывать, что для здоровья человека опасно быстрое изменение давления, а не сама величина этого давления.
Между организмом человека и внешней средой происходит непрерывный процесс теплового обмена, состоящий в передаче вырабатываемого организмом тепла в окружающую среду. При этом следует учесть, что независимо от условий окружающей среды температура тела сохраняется постоянной на уровне 36.6-37 °С. Это явление называется терморегуляцией.
Длительное воздействие на человека неблагоприятных метеорологических условий резко ухудшает его самочувствие, снижает производительность труда и часто приводит к заболеваниям.
При высокой температуре воздуха в помещении кровеносные сосуды расширяются, при этом происходит повышенный приток крови к поверхности тела, и теплоотдача в окружающую среду значительно увеличивается. Однако при температурах окружающего воздуха и поверхностей оборудования и помещений 30-35,5°С отдача теплоты конвекцией и излучением в основном прекращается. При более высокой температуре воздуха большая часть теплоты отдается путем испарения с поверхности кожи. В этих условиях организм теряет определенное количество влаги, а вместе с ней и соли, играющие важную роль в жизнедеятельности организма.
При воздействии высокой температуры воздуха возможен перегрев организма, который характеризуется повышением температуры тела, обильным потоотделением, учащением пульса и дыхания, резкой слабостью, головокружением, а в тяжелых случаях - появлением судорог и возникновением теплового удара. Особенно неблагоприятные условия возникают в том случае, когда наряду с высокой температурой в помещении наблюдается повышенная влажность, ускоряющая возникновение перегрева организма.
Влажность воздуха оказывает большое влияние на терморегуляцию организма. Повышенная влажность (более 80 %) затрудняет терморегуляцию из-за снижения испарения пота, а слишком низкая влажность (менее 20 %) вызывает ощущение сухости слизистых оболочек верхних дыхательных путей, ухудшение самочувствия и снижение работоспособности.
Движение воздуха в помещениях является важным фактором, влияющим на тепловое самочувствие человека. В жарком помещении движение воздуха способствует увеличению отдачи теплоты организмом и улучшает его состояние, но оказывает неблагоприятное воздействие при низкой температуре воздуха в холодный период года.
При понижении температуры окружающего воздуха реакция человека организма иная: кровеносные сосуды сужаются, приток крови к поверхности тела замедляется, и отдача теплоты конвекцией и излучением уменьшается. Таким образом, для теплового самочувствия человека важно определенное сочетание температуры, относительной влажности и скорости движения воздуха в рабочей зоне.
Низкая температура воздуха может вызвать местное и общее охлаждение организма, стать причиной простудного заболевания или обморожения.
Нормативные санитарно-гигиенические параметры среды, средства и методы их обеспечения при организации технологического микроклимата
При нормировании микроклимата учитываются оптимальные и допустимые условия. Оптимальные микроклиматические условия характеризуются сочетанием параметров микроклимата, которые при длительном и систематическом воздействии на человека обеспечивают сохранение нормального функционального и теплового состояния организма без напряжения реакций терморегуляции. Они обеспечивают ощущение теплового комфорта и создают предпосылки для высокого уровня работоспособности. Допустимые микроклиматические условия характеризуются сочетанием параметров микроклимата, которые при длительном и систематическом воздействии на человека могут вызвать переходящие и быстро нормализующиеся изменения функционального и теплового состояния организма и напряжение реакций терморегуляции, не выходящие за пределы физиологических приспособительных возможностей.
При этом не возникает повреждений или нарушений состояния здоровья, но могут наблюдаться дискомфортные теплоощущения, ухудшение самочувствия и понижение работоспособности. Для рабочей зоны помещения устанавливаются оптимальные и допустимые микроклиматические условия, при выборе которых учитываются:
1) время года - холодный и переходной периоды со среднесуточной температурой наружного воздуха ниже +10°С; теплый период с температурой +10°С и выше;
2) категория работы
все работы по тяжести подразделяются на категории:
а) легкие физические работы с энергозатратами до 172 Дж/с;
б) физические работы средней тяжести с энергозатратами 172-293 Дж/с;
в) тяжелые физические работы с энергозатратами более 293 Дж/с;
3) характеристика помещений по избыткам явной теплоты. Все производственные помещения делятся на помещения:
а) с незначительными избытками явной теплоты, приходящейся на один кубический метр объема помещения, 23,2 Дж/(m3 с) и менее;
б) со значительными избытками более 23,2 Дж/(m3 с).
Явная теплота теплота, поступающая в рабочее помещение от оборудования, отопительных приборов, нагретых материалов, людей и других источников, а также в результате солнечной реакции.
В таблице 6 приведены оптимальные значения параметров микроклимата в рабочей зоне, в таблице 7 приведены допустимые значения параметров в холодный и переходной периоды года.
Вентиляция является наиболее эффективным средством для снижения концентрации вредных веществ (газов, паров, пыли), а также снижение тепла и влаги после совершенствования технологического процесса и оборудования. Основное назначение вентиляции осуществление воздухообмена, обеспечивающего удаление из рабочего помещения загрязненного или перегретого воздуха и подачи чистого воздуха.
По способу осуществления воздухообмена вентиляцию разделяют на естественную и искусственную. Естественная вентиляция осуществляется за счет разности температур воздуха в помещении и наружного воздуха или действие ветра. Естественная вентиляция может быть неорганизованной и организованной. Неорганизованная вентиляция обеспечивает воздухообмен за счет форточек, фрамуг, дверей. Организованная вентиляция поддается регулировке и осуществляется за счет аэрации и дефлекторов.
Требуемое состояние воздуха рабочей зоны может быть обеспечено выполнением определенных мероприятий, к основным из которых относятся:
- механизация и автоматизация производственных процессов, и дистанционное управление ими, устройство вентиляции и отопления;
- применение технологических процессов и оборудования, исключающих образование вредных веществ или попадания их в рабочую зону;
- защита от источников теплового излучения. Это важно для снижения температуры воздуха в помещении и теплового облучения работающих;
- применение средств индивидуальной защиты.
12. Разработка военно-эксплуатационных вопросов
Техническая эксплуатация техники связи и РТО - комплекс мероприятий, выполняемых на этапах использования по назначению, хранение, транспортировке, приведены в установленные степени боевой готовности. Она включает в себя следующие виды работ:
- развертывание и свертывание;
- техническое обслуживание;
- ремонт;
- учет эксплуатации и ведение эксплуатационной документации;
- контроль состояния;
- рекламационные работы;
- сбор и обработка данных о качестве и надежности;
- материально-техническое и документальное обеспечение эксплуатации.
Одним из основных видов работ технической эксплуатации является техническое обслуживание (ТО). ТО-комплекс работ проводимых с целью поддержания техники связи и РТО в исправном и работоспособном состоянии при хранении, транспортировке, подготовке к использованию по назначению.
К основным задачам ТО относятся:
- предупреждение преждевременного износа механических и электромеханических элементов;
- предупреждение ухода электрических параметров за пределы установленных норм;
предупреждение неисправностей, вызванных процессами старения и износа элементов;
3) предупреждение неисправностей, вызванных процессами ста-рения и износа элементов;
4) доведения параметров и характеристик до норм, установленных эксплуатационной документацией;
5) выявление и устранение неисправностей и причин их возникновения.
Техническое обслуживание проводится комплексно по единой планово-предупредительной системе, основанной на обязательном совмещении по месту и времени установленных видов ТО, одинаковых по наименованию, периодичности и материально-техническому обеспечению на всех составных частях техники связи и РТО.
13. Заключение
В данном дипломном проекте было разработано передающее устройство УКВ радиостанции на базе твердотельных радиоэлементов. Это позволило заметно снизить весовой показатель устройства, улучшить надежность по сравнению с устройством, выполненным на радиолампах. Также снизилась потребляемая мощность и энергопотребление от источника питания.
В дальнейшем считаю целесообразным полностью перевести средства связи на современную элементную базу, что может улучшить качество обеспечения полетов. Развитие микроэлектроники позволяет осуществить этот проект в полном объеме.
14. Список используемой литературы
Возб
Мод
УМ
ФУ
ПУ
Ген
УВЧ 1
СК
УВЧ 2
ОУМ
ПУ
АФУ
УЗЧ
«Микрофон»
1
2
5
6
7
4
3
Разработка радиостанции УКВ диапазона