Взаимозаменяемость, стандартизация и технические измерения: Редуктор планетарный 2-ступенчатый
ПОЯСНИТЕЛЬНАЯ ЗАПИСКА
ПО КУРСОВОЙ РАБОТЕ
Взаимозаменяемость, стандартизация и технические измерения: Редуктор планетарный 2-ступенчатый
СОДЕРЖАНИЕ
- Введение…………….……….…….…….…….…….…….…….…………
- Выбор посадок методом аналогов………………………………………...
- Выбор и обоснование выбора посадок………………………………...
- Расчет размерных параметров выбранных посадок……………….….
- Выбор параметров шероховатости, допусков формы и размеров
поверхностей …………………………………………………………….…
- Рабочие эскизы сборочных единиц и сопрягаемых деталей………....
- Расчёт и выбор посадок колец подшипника………………………….…..
3.1 Выбор класса точности подшипника, предельное отклонение и
определения вида нагружения колец ……………………………………….…..
3.2 Выбор посадки для циркуляционного нагружения кольца ………………...
3.3 Выбор посадки для местнонагруженного кольца ………………………..…
3.4 Эскиз подшипникового узда и деталей с сопрягаемым подшипником ….....
- Расчёт посадки с натягом …………………………………………….........
- Расчет переходной посадки …………………………………………….…
- Расчет комбинировоной посадки ………………………………………....
- Выбор посадки шпоночного соединения ………………………………...
- Расчет размерной цепи …………………………………………………….
- Заключение…………………………………………………………………….
Список использованных источников ..............................................................
1. ВВЕДЕНИЕ
Редуктор служит для снижения угловой скорости и повышения вращающего момента на ведомом валу без изменения угла вращательного движения.
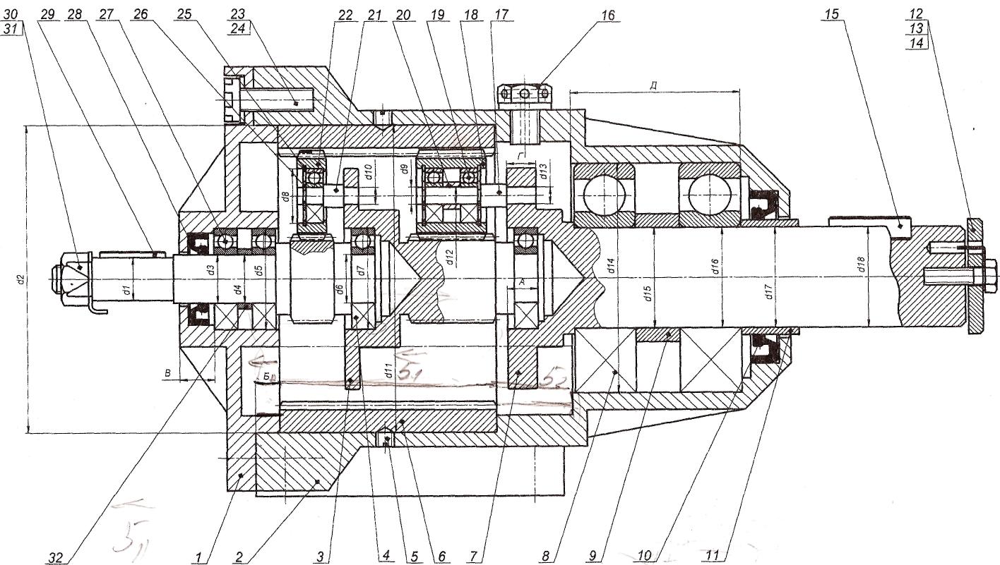
Работа шестерёнчатого механизма осуществляется в масляной ванне. Для заливки масла в корпус редуктора 2 имеется отверстие, закрытое отдушиной 16, оно также служит для снижения избыточного давления. Корпус редуктора 2 закрывается крышкой редуктора 1. В крышке редуктора находится отверстие для посадки уплотнения 28, в крышку 1 вставляется вал шестерня, на который с одной стороны напрессовывается с натягом подшипники 27, 4 а, с другой стороны имеется паз для шпонки 29 и резьбы, для установочной гайки 30 и шайбы 31. На подшипник 4 напрессовывается водило-шестерня 3, которое с другой стороны также имеет напрессованный подшипник 4. Водило шестерня 3 имеет 3 отверстия в которые запрессовывают оси сателлитов 21. На оси сателлитов насажены подшипники 19. На которые ставятся сателлиты 22 и кольца пружинные 25, 26 для фиксации. Водило-шестерня 3 подшипником 4 входит в водило ведомое 7 которое установлено в корпусе редуктора 2 на подшипниках 8, между которыми установлено кольцо пружинное 9. На водило-ведомое напрессовывается втулка упорная 11. В корпусе 2 установлено уплотнение 10 для предотвращения потерь масла. Водило-ведомое 7 с одной стороны имеет паз для шпонки 16, шайбу конусную 12 которая прикручивается винтом 13 и фиксируется шайбой лапчатой 14, с другой отверстие, в которое запрессовываются оси сателлитов 17. На оси 17 ставятся подшипники 19, с распорной втулкой 20 и сателлиты 18. Всё фиксируется пружинными кольцами 25 и 26. В корпусе редуктора 2 входит кольцо зубчатое корончатое, которое крепится винтом стопорным 5.
2. ВЫБОР ПОСАДОК МЕТОДОМ АНАЛОГОВ
2.1 Выбор и обоснование выбора посадок
Сопряжение по d4=20мм.
Данное сопряжение представляет собой соединение втулки распорной 32 и водила-ведущего. Соединение разъемное, подвижное. Для аналогичных соединений рекомендуется применять посадки типа - «скользящие».
Выбираем по [1] стр. 304 переходную посадку 20 из числа рекомендуемых в системе отверстия, обеспечивающую не высокое требование в точности центрирования часто разбираемых деталей и назначением d4 = 20h7.
Сопряжение d10 =15мм.
Данное сопряжение представляет собой соединение оси сателлита 21 и водила-шестерни 3. Соединение разъемное, неподвижное. Ось сателлита 21 плотно запрессовывается в отверстие водила-шестерни 3..
Для аналогичных соединений рекомендуется применять переходные посадки типа -«умеренно напряженные».
Принимаем переходную посадку 15 . Вероятность получения зазоров или натягов при такой посадке одинакова. Сборка и разборка проводиться без значительных усилий.
Сопряжение d1 =15мм.
Соединение вала шестерни с другим валом или шестернёй. Соединение разъемное , неподвижное. Неподвижность обеспечивается шпонкой 29. Колесо должно хорошо центрироваться на валу для предотвращения биения в процессе работы. Для такого рода соединения, в случае умеренного нагружения применяются посадки с натягом. - прессовые соединения. Принимаем посадку 15 , как предпочтительную из ряда других. Небольшой натяг получающийся в большинстве соединений, достаточен для центрирования деталей и предотвращение их вибрации в процессе работы узла.
2.2 Расчет размерных параметров выбранных посадок
d4= 20 мм
Определяем размерные параметры отверстия
Верхнее предельное отклонение:
Нижнее предельное отклонение:
Среднее отклонение:
Номинальный диаметр:
Максимальный диаметр отверстия:
Минимальный диаметр отверстия:
Средний диаметр отверстия:
Допуск:
Определяем размерные параметры вала :
Верхнее предельное отклонение:
Нижнее предельное отклонение:
Среднее отклонение:
Номинальный диаметр:
Максимальный диаметр вала:
Минимальный диаметр вала:
Средний диаметр вала:
Допуск размера на вал:
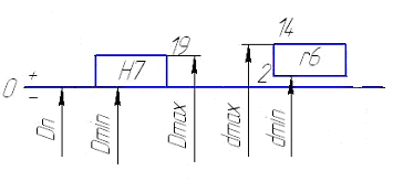
Рис. 2.1.Схема взаиморасположения полей допусков

Определяем характеристики посадки по предельным размерам:
Максимальный зазор:
Минимальный зазор:
Средний зазор:
D10= 15 мм
Определяем размерные параметры отверстия :
Верхнее предельное отклонение:
Нижнее предельное отклонение:
Среднее отклонение:
Номинальный диаметр:
Максимальный диаметр отверстия:
Минимальный диаметр отверстия:
Средний диаметр отверстия:
Допуск размера отверстия:
Определяем размерные параметры вала :
Верхнее предельное отклонение:
Нижнее предельное отклонение:
Среднее отклонение:
Номинальный диаметр:
Максимальный диаметр вала:
Минимальный диаметр вала:
Средний диаметр вала:
Допуск размера на вал:
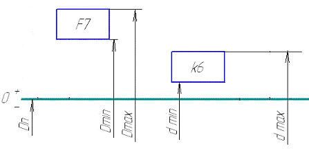
Рис.2.2.Схема взаиморасположения полей допусков

Определяем характеристики посадки по предельным размерам:
Максимальный натяг:
Минимальный натяг:
Средний натяг:
d1= 15 мм
Определяем размерные параметры отверстия :
Верхнее предельное отклонение:
Нижнее предельное отклонение:
Среднее отклонение:
Номинальный диаметр:
Максимальный диаметр отверстия:
Минимальный диаметр отверстия:
Средний диаметр отверстия:
Допуск размера отверстия:
Определяем размерные параметры вала :
Верхнее предельное отклонение:
Нижнее предельное отклонение:
Среднее отклонение:
Номинальный диаметр:
Максимальный диаметр вала:
Минимальный диаметр вала:
Средний диаметр вала:
Допуск размера на вал:
Рис. 2.3.Схема взаиморасположения полей допусков

Определяем характеристики посадки по предельным размерам:
Максимальный зазор:
Минимальный зазор:
Средний зазор:
Максимальный натяг:
Минимальный натяг:
Средний натяг:
2.4 Рабочие эскизы сборочных единиц и сопрягаемых деталей






4. РАСЧЕТ ПОСАДОК С НАТЯГОМ.
Посадки с натягом предназначены для неподвижных соединений неразъемных соединений (или разбираемых лишь в отдельных случаях при ремонте), как правило, без дополнительного крепления винтами штифтами шпонками и т. д.. Относительная неподвижность деталей при этих посадках достигается за счет напряжений, возникающих в материале сопрягаемых деталей вследствие действия деформаций их контактных поверхностей.
Проведем расчет посадки сопряжения оси сателлита 21 с отверстием в водиле-шестере 3. Для этого примем l=22,5 мм, , dн.с.=15 мм,d2=0,0225 мм. Rос=1 KН.
Шероховатость принимаем равной Rzd=8, Rzdk=5,3. Корпус и зубчатое колесо изготовлено из СЧ(µ=0.25).
Рис. 4.1 Расчетная схема

Наружный диаметр ступицы dст, мм, определяеться по формуле
dст=1.7dн.с.,
где dн.с- номинальный диаметр вала, 15 мм,
dст=1.7*15=25.5 мм
Длина ступицы
lст=1.5* dн.с
lст=1.5*15=22.5 мм
В результате рассчитаем величину наименьшего натяга, способного передать такие нагрузки:
,
где ЕD и Еd модули упругости материалов втулки и вала, табл. 1.6
[1, ч. 1, с. 335]; CD и Cd коэффициент Лямэ для втулки и вала.
Определим необходимые величины :
- определим требуемую величину давления на поверхности:
- определим коэффициенты Лямэ:
Рассчитаем необходимый натяг:
Данная величина должна быть скорректирована с учетом смятия поверхностей, потому что рассчитанная величина не будет обеспечена вследствие снижения шероховатости в процессе запрессовки.
Будем считать, что величина смятия и срезания поверхностей в связи с запрессовкой составляет 60% от их высоты.
Определим наименьший допустимый натяг с учетом уменьшения действительного натяга за счет смятия неровностей при запрессовке
Выберем посадку из таблиц, системы допусков и посадок, при этом учитываем условие относительной подвижности сопрягаемых деталей.
Окончательно принимаем для d=15 мм посадку
Выполним расчет по наибольшему допускаемому давлению для обеспечения прочности сопрягаемых деталей.
для вала-
для втулки-
В качестве [Pmax] принимаем наименьший из двух значений
Находим величину наибольшего расчетного натяга
Вычисляем наибольший допустимый натяг с учетом среза и смятия неровностей
Находим необходимое усилие для запрессовки деталей без применения термических методов сборки
,
где - коэфициенет трения при запрессовке 0,15; - удельное давление при максимальном натяге выбранной посадки, определяемое по следующей формуле:
5. РАСЧЕТ ПЕРЕХОДНЫХ ПОСАДОК.
Переходные посадки предназначены для неподвижных, но разъемных соединений деталей и обеспечивают хорошее центрирование соединяемых деталей. При выборе переходных посадок необходимо учитывать, что для них характерна возможность получения, как натягов, так и зазоров. Натяги, получающиеся в переходных посадках, имеют относительно малую величину и обычно не требуют проверки деталей на прочность, за исключением отдельных тонкостенных деталей. Эти натяги недостаточны для передачи соединением значительных крутящих моментов или усилий. К тому же получение натяга в каждом из собранных соединений не гарантировано. Поэтому переходные посадки применяют дополнительным креплением соединяемых деталей шпонками, штифтами.
Трудоемкость сборки и разборки соединений с переходными посадками, так же как и характер этих посадок, во многом определяется вероятностью (частностью) получения в них натягов и зазоров.
При расчете вероятности натягов и зазоров обычно исходят из нормального распределения натягов размеров деталей при изготовлении. Распределение натягов и зазоров в этом случае также будет подчиняться нормальному закону, а вероятности их получения определяется с помощью интегральной функции.
Проведем расчет переходной посадки, в данной коробке подачи по d1, где сопрягаются две поверхности водила-ведомого и втулки упорной 11. Переходная посадка в данном случае для того, чтобы определить точность центрирования и легкость сборки соединения. Для данного соединения выбираем посадку типа Н6/h5.
15
Определим максимальный и минимальный зазор для данного соединения:
Минимальный зазор равен максимальному натягу.
Считаем среднее значение зазора:
Определяем средне квадратичное отклонение:
Определим предел интегрирования:
пользуясь таблицей Ф(z), находим Ф(z)=0,258
Определяем вероятность получения зазора:
Следовательно, вероятность получения натяга равна:

6 РАСЧЕТ КОМБИНИРОВАНОЙ ПОСАДКИ
Сопряжение по d17= 50 мм
Соединение водила-ведомого с втулкой упорной 10. Соединение подвижное, разъемное.
Для аналогичного соединения рекомендуется применять посадку скользящую Принимаем посадку скользящую 50, как предпочтительную в системе.
Схема расположения полей допусков выбранной посадки представлена на рис. 6.1
Рис. 6.1.Схема расположения полей допусков

Средний зазор выбранной посадки Sm, определяется по формуле
, (6.1)
где Еm- среднее предельное отклонение в системе отверстия, 0,008 мм;
em- среднее предельное отклонение в системе вала, -0.0055 мм
От выбранной системной посадки нужно перейти к комбинированной вне системной, вследствие того , что поле допуска вала определяется посадкой кольца упорного, тогда применяем . Поэтому на остальных посадках целесообразно использовать комбинированные, так как трудоемко обеспечить системными посадками нужных характер соединения. Поэтому поле допуска вала в комбинированной посадке будет , а поле допуска отверстия принимаем такое, которое с ранее принятым полем допуска обеспечит необходимый средний зазор, рис. 6.2.
рис. 6.2. Расчетная схема

Среднее предельное отклонение в системе отверстия для комбинированной посадки получили из формулы 6.1
где - среднее предельное отклонение в системе вала, 11,5 мкм
По среднему предельному отклонению в системе отверстия для комбинированной посадки принимаем поле допуска
Окончательно принимаем комбинированную посадку 50 , схема расположения полей допусков которой указанна на рис. 6.3.
рис 6.3. Схема расположения полей допусков

Расчет размерных параметров выбранных посадок
d17= 50 мм
Определяем размерные параметры отверстия
Верхнее предельное отклонение:
Нижнее предельное отклонение:
Среднее отклонение:
Номинальный диаметр:
Максимальный диаметр отверстия:
Минимальный диаметр отверстия:
Средний диаметр отверстия:
Допуск:
Определяем размерные параметры вала :
Верхнее предельное отклонение:
Нижнее предельное отклонение:
Среднее отклонение:
Номинальный диаметр:
Максимальный диаметр вала:
Минимальный диаметр вала:
Средний диаметр вала:
Допуск размера на вал:
Определяем характеристики посадки по предельным размерам:
Максимальный зазор:
Минимальный зазор:
Средний зазор:
Максимальный натяг:
Минимальный натяг:
Средний натяг:
У этой посадки зазор может изменяться от до , натяг от 0 до 0,021 мм.
Определяем вероятный допуск посадки (при условии, что величины отклонений размеров вала и отверстия подчиняются закону нормального распределения):
,
тогда среднеквадратическое отклонение равно
3. РАСЧЁТ НАТЯГОВ В ПОДШИПНИКАХ КАЧЕНИЯ
В зависимости от характера от характера требуемого соединения поля допусков для валов и отверстий корпусов выбираются в зависимости от типа нагружения, т.е. от характера нагрузки.
3.1 Выбор класса точности подшипника, предпочтительное отклонение
и определения вида нагружения колец
В нашем случае внутренне и внешнее кольца испытывают циркуляционный вид нагружения, так как кольца воспринимают радиальную нагрузку последовательно всей окружностью дорожки качения и передает ее последовательно всей посадочной поверхности вала.
Принимаем класс точности подшипника-6, так как число оборотов на редукторе не большое и такой подшипник является не дорогим, что экономически выгодно.
3.2 Выбор посадки для внутреннего кольца
Будем вести расчет по интенсивности распределения нагрузки по посадочной поверхности.
,
где R-радиальная реакция опоры подшипника, кН; R= 1000 Н b-рабочая ширина посадочного места;b=B-2r, B-ширина подшипника; kП- динамический коэффициент посадки, зависящий от характера нагрузки , kП=1 при перегрузке до 150%, умеренных толчках и вибрации; F-коэффициент учитывающий степень ослабления посадочного натяга при полом вале F=1; FА=1 для радиальных и радиально-упорных подшипников с одним наружным или внутренним кольцом. Режим работы 10000 часов
По таблице 4.82 [с. 818] и выбираем поле допуска поверхности вала сопрягаемой с внутренним кольцом подшипника.
12jS6
По таблице 4.75 [с. 812] выбираем предельные отклонения для кольца подшипника.
12L0
получаем посадку:
12
Выбранную посадку проверяем па максимальному натягу:
где, k - коэффициент, зависящий от серии подшипника, k=2,8 (для средней серии); [GP] = 400 МПа - допускаемое напряжение при растяжении для материала кольца
[N] > Nmax (выбранный d=12 мм)
Dmax=12 мм
Dmin=11,988мм
Nmax=dmax-Dmin=12,0055-11,9945= 0,0011 мм
dmin= 11,9945мм
dmax= 12,0055мм
Nmax=es-EI=0,0055-(-0,008)=0,00135мм
Nmin=ei-ES=-0,0055-0=-0,0055мм
Smax=ES-ei=0-0,0055=-0,0055мм
Smin=EI-es=-0,008-0,0055=-0,0135мм
Nc=0,0034 мм
Sc=-0,0068мм
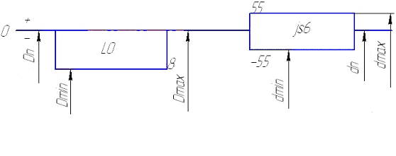
Строим схемы расположения полей допусков сопрягаемых поверхностей рис. 3.1
рис 3.1. Схема расположения полей допусков сопряжения подшипника и вала

3.3 Выбор посадки для внешнего кольца.
В нашем случае внешнее кольцо подшипника, как и внешнее, испытывает циркуляционный вид нагружения.
37
dН=37 мм
Dmax=36,992 мм
Dmin=36,967мм
ТD=0,025мм.
Smax=Dmax-dmin=36.992-36.989=0.003 мм
dmin=36,989мм
dmax=37 мм
Nmax=d max- Dmax=37,000-36,992=0.008мкм
0,5>0.008
Условие прочности выполняется
Nmax=es-EI=0-(-0,033)=0,033мм
Nmin= ei-ES=-0,011-(-0,008)=-0,003мм
Smax=ES-ei=-0,008-(-0,011)=0,003мм
Smin=EI-es=-0,033-0=-0,033мм
Nc=0,018мм
Sc=0,0015мм
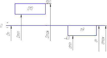
рис 3.2. Схема расположения полей допусков сопряжения подшипника и корпуса редуктора

По приложению VIII [6. с. 196] находим допускаемые радиальные зазоры в подшипниках нат. наиб и нат. наим . Определим велечину касательного радиального зазора по формуле
- радиальная деформация кольца при максимальном натяге посадки Nmax
Условие работоспособности выполняется 0,0277>0,02
3.4 ЭКСКИЗЫ ПОДШИПНИКОВОГО УЗЛА И ДЕТАЛЕЙ
СОПРЯЖЕНЫМИ С ПОДЖШИПНИКАМИ
рис.3.1 Эскиз сопряжения сателита с подшипником

рис.3.2 Эскиз вала

рис. 3.3 Эскиз сателита

7. ВЫБОР ПОСАДОК ШПОНОЧНЫХ СОЕДИНЕНИЙ
Чаще всего в массовом производстве принимают шпонки. Использование призматических шпонок дает возможность дает возможность более точно центрировать сопрягаемые элементы и получать как подвижные (в случае применения обыкновенных призматических шпонок), так и не скользящи соединения (при использовании направляющих шпонок с креплением на вал).
Выбираем для вала 1 призматическую шпонку, неподвижную. Характер соединения нормальный. Из табл. 4.52.[с.773] выбираем шпонку по диаметру вала.
b=5 мм; h=5мм; t1=3мм; t2=2.3мм;
Во всех случаях шпонка устанавливается в пазу вала плотно с натягом, а в пазу отверстия в зависимости от характера соединения. При точном центрировании поля допуска на отверстия H6, а на вал рекомендуется js6, k6, m6, n6. Для данного шпоночного соединения рекомендуется применять допуск на отверстия Н6, допуск на вал js6. Принимаем нормальное соединение, это соединение чаще всего используется в массовом производстве, так как обеспечивает точное центрирование деталей.
Для нормального соединения принимаем поля допусков:
на ширину паза вала N9, на ширину паза втулки js9, на ширину шпонки h9.Принимаем шероховатость на ширину паза вала и втулки - Ra 0.4, а на высоту паза втулки и вала - Ra 0.2
Кроме точности размеров шпонок и шпоночных пазов ограничивают и неточность расположения паза в валу и паза во втулке относительно оси симметрии вала и втулки. Должен ограничиваться допуск параллельности плоскости симметрии паза относительно оси симметрии сопрягаемой поверхности.
Предельные размеры элементов шпоночных соединений
Сопряжение шпонка вал 15
Верхнее предельное отклонение:
Нижнее предельное отклонение:
Среднее отклонение:
Номинальный диаметр:
Максимальный диаметр отверстия:
Минимальный диаметр отверстия:
Средний диаметр отверстия:
Допуск размера отверстия:
Определяем размерные параметры вала :
Верхнее предельное отклонение:
Нижнее предельное отклонение:
Среднее отклонение:
Номинальный диаметр:
Максимальный диаметр вала:
Минимальный диаметр вала:
Средний диаметр вала:
Допуск размера на вал:
Рис. 7.1.Схема взаиморасположения полей допусков

Определяем характеристики посадки по предельным размерам:
Максимальный зазор:
Минимальный зазор:
Средний зазор:
Максимальный натяг:
Минимальный натяг:
Средний натяг:
Сопряжение шпонка втулка 15
Определяем размерные параметры вала
Верхнее предельное отклонение:
Нижнее предельное отклонение:
Среднее отклонение:
Номинальный диаметр:
Максимальный диаметр отверстия:
Минимальный диаметр отверстия:
Средний диаметр отверстия:
Допуск размера отверстия:
Определяем размерные параметры вала
Верхнее предельное отклонение:
Нижнее предельное отклонение: ei=-0.043
Среднее отклонение:
Номинальный диаметр:
Максимальный диаметр вала:
Минимальный диаметр вала:
Средний диаметр вала:
Допуск размера на вал:
Рис. 7.2.Схема взаиморасположения полей допусков

Определяем характеристики посадки по предельным размерам:
Максимальный зазор:
Минимальный зазор:
Средний зазор:
Максимальный натяг:
Минимальный натяг:
Средний натяг:
рис.7.3. Эскизы пазов вала и втулки

рис.7.4. Эскиз шпоночного сопряжения

8. РАСЧЕТ РАЗМЕРНЫХ ЦЕПЕЙ
рис. 8.1 Эскиз заданной детали

рис.8.2 Схема размерной цепи

Проанализируем рис. 8.1 В представленной детали в начале заготовку обрезают по необходимой длине, затем обрабатывается базовая поверхность под размер Б2, так как он является самым большим. Затем деталь обрабатывается по убывающим размерам. Размер Б1- составляющий, уменьшающий.
Размер Б-замыкающий.
Определим предельные отклонения замыкающего размера по
Зададим номинальные размеры всех составляющих звеньев, сохраняя пропорциональное соотношение
Б1=40,3(), Б2=25,7()
где m- число увеличивающих звеньев: n- число уменьшающих звеньев
Определим допуск замыкающего звена
где -верхнее предельное отклонение замыкающего звена; - нижнее предельное отклонение замыкающего звена.
Рассчитываем среднее число единиц допусков размерной цепи с учётом известных единиц допусков
где - сумма единиц допусков определяемых составляющих звеньев; значения единиц допусков определяемых составляющих звеньев находим по табл. 3.3 [1. ч.2 с.20]
По полученному числу единиц допусков am определяем ближайший соответствующий ему квалитет по табл. 1.8 [1, ч.1]. Примем квалитет 9.
По выбранному квалитету назначаем допуски и отклонения на звенья.
Допуски составляющих размеров находим по табл. 1.8 [1, ч.1 с.43] в зависимости от величины их исполнительных размеров.
|
Наименование |
Обозначение |
Номинальный размер |
Допуск, мм |
Заданные, расчётные или принятые предельные отклонения, мм |
Квалитет |
Едницы допуска I, мкм |
||
|
Заданный или расчётный |
Принятый |
верхнее |
нижнее |
|||||
|
Увеличивающий |
Б2 |
25,7 |
0,062 |
0,062 |
0,031 |
0,031 |
9 |
1,56 |
|
|
Б3 |
88 |
0,087 |
0,087 |
0,0435 |
0,0435 |
9 |
2,17 |
|
Уменьшающий |
Б1 |
40,3 |
0,052 |
0,052 |
0,026 |
0,026 |
9 |
1,31 |
|
Замыкающий |
Б |
22 |
|
|
|
|
9 |
|
Проверяем правильность назначения полей допусков и предельных отклонений составляющих звеньев
Редуктор планетарный 2-ступенчатый

Перечень деталей и узлов редуктора планетарного 2-ступенчатого.
1. Крышка редуктора - 1 шт.; 2. Корпус редуктора - 1 шт.; 3. Водило-шестерня -1 шт.; 4. Подшипник - 2 шт.; 5. Винт стопорный - 4 шт.; 6. Колесо зубчатое корончатое - 1 шт.; 7. Водило ведомое - 1 шт.; 8. Подшипник - 2 шт.; 9. Втулка распорная - 1 шт.; 10. Уплотнение - 1 шт.; 11. Втулка упорная - 1 шт.; 12. Шайба концевая - 1 шт.; 13. Винт - 1 шт.; 14. Шайба лапчатая - 1 шт.; 15. Шпонка-1 шт.; 16. Отдушина - 1 шт.; 17. Ось сателитов - 3 шт.; 18. Сателит - Зшт.; 19. Подшипник - 9 шт.; 20. Втулка распорная - 3 шт.; 21. Ось сателита - 3 шт.; 22. Сателит - 3 шт.; 23. Винт - 8 шт.; 24. Шайба пружинная - 8 шт.; 25. Кольцо пружинное - 9 шт.; 26. Кольцо пружинное - 9 шт.; 27. Подшипник-2 шт.; 28. Уплотнение - 1 шт.; 29. Шпонка - 1 шт.; 30. Гайка установочная - 1 шт.; 31. Шайба лапчатая - 1 шт.
|
Индивидуальное задание |
|
|
1. Выбор посадки колец подшипников качения |
d9 |
|
Серия подшипников |
300 |
|
2. Выбор и обоснование посадки с зазором |
d4 |
|
3. Расчёт посадки с натягом |
d10 |
|
осевая сила, кН |
1 |
|
4. Расчёт переходной посадки |
d1 |
|
5. Расчёт комбинированной посадки |
d17 |
|
6. Выбор посадки шпоночного соединения |
d1 |
|
7. Расчёт размерной цепи |
Б |
|
22 |
-
ЗАКЛЮЧЕНИЕ
Переходные посадки предназначены для неподвижных, но разъемных соединений деталей и обеспечивают хорошее центрирование соединяемых деталей. При выборе переходных посадок необходимо учитывать, что для них характерна возможность получения, как натягов, так и зазоров. Натяги, получающиеся в переходных посадках, имеют относительно малую величину и обычно не требуют проверки деталей на прочность, за исключением отдельных тонкостенных деталей. Эти натяги недостаточны для передачи соединением значительных крутящих моментов или усилий. К тому же получение натяга в каждом из собранных соединений не гарантировано. Поэтому переходные посадки применяют дополнительным креплением соединяемых деталей шпонками, штифтами.
Трудоемкость сборки и разборки соединений с переходными посадками, так же как и характер этих посадок, во многом определяется вероятностью (частностью) получения в них натягов и зазоров.
При расчете вероятности натягов и зазоров обычно исходят из нормального распределения натягов размеров деталей при изготовлении. Распределение натягов и зазоров в этом случае также будет подчиняться нормальному закону, а вероятности их получения определяется с помощью интегральной функции.
СПИСОК ИСПОЛЬЗОВАННЫХ ИСТОЧНИКОВ
1.Якушев А.И. «Взаимозаменяемость, стандартизация и технические измерения» 2007г.
2.Мягков В.Д., Палей М.А., Романов А.Б., Брагинский В.А. «Допуски и посадки» справочник. 2008г.
3.Серый И.С. «Взаимозаменяемость, стандартизация и технические измерения» М. 2006г.
4. Сурус А.И., Дулевич А.Ф. «Взаимозаменяемость, стандартизация и технические измерения» 2011г.
2 гр. 3к. ХТиТ
Листов
Лит.
РАСЧЕТ РАЗМЕРНЫХ ПАРАМЕТРОВ ВЫБРАННЫХ ПОСАДОК
Сурус А.И.
Утверд.
2 гр. 3к. ХТиТ
Листов
Лит.
ВЫБОР ПОСАДОК МЕТОДОМ АНАЛОГОВ.
Сурус А.И.
Утверд.
Н. Контр.
Реценз.
Сурус А.И.
Провер.
Игнатович И. А.
Разраб.
ВСиТИ 04.46.000.00
Лист
Дата
Подпись
№ докум.
Лист
Изм.
2 гр. 3к. ХТиТ
Листов
Лит.
РАСЧЕТ КОМБИНИРОВАНОЙ ПОСАДКИ
Сурус А.И.
Утверд.
Н. Контр.
Реценз.
ВСиТИ 04.46.000.00
Лист
Дата
ВСиТИ 04.46.000.00
Лист
Дата
Подпись
№ докум.
Лист
Изм.
2 гр. 3к. ХТиТ
Листов
Лит.
РАБОЧИЕЭСКИЗЫ СБОРОЧНЫХ ЕДЕНИЦ И СОПРЯГАЕМЫХ ДЕТАЛЕЙ
Сурус А.И.
Утверд.
Н. Контр.
Реценз.
Сурус А.И.
Провер.
Игнатович И. А.
Разраб.
ВСиТИ 04.46.000.00
Лист
Дата
Подпись
№ докум.
Лист
Изм.
2 гр. 3к. ХТиТ
ВСиТИ 04.46.000.00
Лист
Дата
Подпись
№ докум.
Лист
Изм.
Сурус А.И.
Провер.
Игнатович И. А.
Разраб.
ВСиТИ 04.46.000.00
Лист
Дата
Подпись
№ докум.
Лист
Изм.
Изм.
Лист
№ докум.
Подпись
Дата
Лист
ВСиТИ 04.46.000.00
2 гр. 3к. ХТиТ
Листов
Лит.
РАСЧЕТ ПЕРЕХОДНЫХ ПОСАДОК
Сурус А.И.
Утверд.
Н. Контр.
Реценз.
Сурус А.И.
Провер.
Игнатович И. А.
Разраб.
ВСиТИ 04.46.000.00
Лист
Дата
Подпись
№ докум.
Лист
Изм.
ВСиТИ 04.46.000.00
Лист
Дата
Подпись
№ докум.
Лист
Изм.
Листов
Лит.
РАСЧЁТ НАТЯГОВ В ПОДШИПНИКАХ КАЧЕНИЯ
Сурус А.И.
Утверд.
Н. Контр.
ВСиТИ 04.46.000.00
Лист
Дата
Подпись
№ докум.
Лист
Изм.
ВСиТИ 04.46.000.00
Лист
Дата
Подпись
№ докум.
Лист
Изм.
Изм.
Лист
№ докум.
Подпись
Дата
Лист
ВСиТИ 04.46.000.00
Разраб.
Игнатович И. А.
Провер.
Сурус А.И.
Реценз.
Н. Контр.
Утверд.
Сурус А.И.
СОДЕРЖАНИЕ
Лит.
Листов
2 гр. 3к. ХТиТ
ВСиТИ 04.46.000.00
Лист
Дата
Подпись
№ докум.
Лист
Изм.
Н. Контр.
Реценз.
Сурус А.И.
Провер.
Игнатович И. А.
Разраб.
ВСиТИ 04.46.000.00
Изм.
Лист
№ докум.
Подпись
Дата
Лист
ВСиТИ 04.46.000.00
Лист
Дата
Подпись
№ докум.
Лист
Изм.
Лист
Дата
Подпись
№ докум.
Лист
Изм.
ВСиТИ 04.46.000.00
ВСиТИ 04.46.000.00
Лист
Дата
Подпись
№ докум.
Лист
Изм.
Лист
Дата
Подпись
№ докум.
Лист
Изм.
ВСиТИ 04.46.000.00
Лист
Дата
Подпись
№ докум.
Лист
Изм.
ВСиТИ 04.46.000.00
ВСиТИ 04.46.000.00
Лист
Дата
Подпись
№ докум.
Лист
Изм.
Реценз.
Сурус А.И.
Провер.
Игнатович И. А.
Разраб.
ВСиТИ 04.46.000.00
Лист
Дата
Подпись
№ докум.
Лист
Изм.
ВСиТИ 04.46.000.00
Лист
Дата
Подпись
№ докум.
Лист
Изм.
Н. Контр.
Реценз.
Сурус А.И.
2 гр. 3к. ХТиТ
Листов
Лит.
КОНСТРУКЦИИ И ПРИНЦИПА ОПИСАНИЕ ДЕЙСТВИЯ РЕДУКТОРА
планетарного 2-ступенчатого
Сурус А.И.
Утверд.
Н. Контр.
ВСиТИ 04.46.000.00
Лист
Дата
Подпись
№ докум.
Лист
Изм.
Подпись
№ докум.
Лист
Изм.
ВСиТИ 04.46.000.00
Лист
Дата
Подпись
№ докум.
Лист
Изм.
Провер.
Игнатович И. А.
Разраб.
ВСиТИ 04.46.000.00
Лист
Дата
Подпись
№ докум.
Лист
Изм.
Подпись
№ докум.
Лист
Изм.
2 гр. 3к. ХТиТ
Листов
Лит.
РАСЧЕТ ПОСАДОК С НАТЯГОМ.
Сурус А.И.
Утверд.
ВСиТИ 04.46.000.00
Лист
Дата
ВСиТИ 04.46.000.00
Лист
Дата
Подпись
№ докум.
Лист
Изм.
Реценз.
Сурус А.И.
Провер.
Игнатович И. А.
Разраб.
ВСиТИ 04.46.000.00
Лист
Дата
Подпись
№ докум.
Лист
Изм.
ВСиТИ 04.46.000.00
Лист
Дата
Подпись
№ докум.
Лист
Изм.
ВСиТИ 04.46.000.00
Лист
Дата
Подпись
№ докум.
Лист
Изм.
2 гр. 3к. ХТиТ
Листов
Лит.
ЭКСКИЗЫ ПОДШИПНИКОВОГО УЗЛА И ДЕТАЛЕЙ
СОПРЯЖЕНЫМИ С ПОДЖШИПНИКАМИ
Сурус А.И.
Утверд.
Н. Контр.
Реценз.
Сурус А.И.
Провер.
Игнатович И. А.
Разраб.
ВСиТИ 04.46.000.00
Лист
Дата
Подпись
№ докум.
Лист
Изм.
2 гр. 3к. ХТиТ
Листов
Лит.
ВЫБОР ПОСАДОК ШПОНОЧНЫХ СОЕДИНЕНИЙ
Сурус А.И.
Утверд.
Н. Контр.
Реценз.
Сурус А.И.
Провер.
Игнатович И. А.
Разраб.
ВСиТИ 04.46.000.00
Лист
Дата
Подпись
№ докум.
Лист
Изм.
ВСиТИ 04.46.000.00
Лист
Дата
Подпись
№ докум.
Лист
Изм.
ВСиТИ 04.46.000.00
Лист
Дата
Подпись
№ докум.
Лист
Изм.
Изм.
Лист
№ докум.
Подпись
Дата
Лист
ВСиТИ 04.46.000.00
Изм.
Лист
№ докум.
Подпись
Дата
Лист
ВСиТИ 04.46.000.00
Изм.
Лист
№ докум.
Подпись
Дата
Лист
ВСиТИ 04.46.000.00
ВСиТИ 04.46.000.00
Лист
Дата
Подпись
№ докум.
Лист
Изм.
Изм.
Лист
№ докум.
Подпись
Дата
Лист
ВСиТИ 04.46.000.00
ВСиТИ 04.46.000.00
Лист
Дата
Подпись
№ докум.
Лист
Изм.
ВСиТИ 04.46.000.00
Лист
Дата
Подпись
№ докум.
Лист
Изм.
ВСиТИ 04.46.000.00
Лист
Дата
Подпись
№ докум.
Лист
Изм.
2 гр. 3к. ХТиТ
Листов
Лит.
РАСЧЕТ РАЗМЕРНЫХ ЦЕПЕЙ
Сурус А.И.
Утверд.
Н. Контр.
Реценз.
Сурус А.И.
Провер.
Игнатович И. А.
Разраб.
ВСиТИ 04.46.000.00
Лист
Дата
Подпись
№ докум.
Лист
Изм.
Взаимозаменяемость, стандартизация и технические измерения: Редуктор планетарный 2-ступенчатый