Измерительные трансформаторы напряжения и тока
PAGE \* MERGEFORMAT 1
МИНИСТЕРСТВО ОБРАЗОВАНИЯ НАУКИ РОССИЙСКОЙ ФЕДЕРАЦИИ
федеральное государственное бюджетное образовательное учреждение
высшего профессионального образования
«УЛЬЯНОВСКИЙ ГОСУДАРСТВЕННЫЙ ТЕХНИЧЕСКИЙ УНИВЕРСИТЕТ»
Кафедра электроснабжения
РЕФЕРАТ НА ТЕМУ:
Измерительные трансформаторы напряжения и тока
Выполнил: студент
очного факультета
специальности «Электроснабжение»
НИКОЛАЕВА Полина Андреевна
Проверил: КРЕЖЕВСКИЙ Юрий Степанович
Ульяновск
2014
Содержание:
1. Введение………………………………………………………………..……3
2. Измерительные трансформаторы напряжения. Общие сведения и схемы соединения……………………………………………………………………..……..4
3. Измерительные трансформаторы тока…………………………………….6
3.1. Назначение измерительных преобразователей……………………..….6
3.2. Классификация ИПТ………………………………………………...……7
4. Заключение………………………………………………………….………9
Приложение………………………………………………………….….…….10
Библиографический список………………………………..…………..……..12
1. Введение
Трансформатор тока представляет собой аппарат, первичная обмотка которого включена в цепь последовательно. А вторичная обмотка, будучи замкнута на некоторую цепь(“вторичную цепь”) отдаёт в неё ток, пропорциональный первичному току.
В трансформаторах тока высокого напряжения первичная обмотка изолирована от вторичной (и от земли) на полное рабочее напряжение.
Вторичная обмотка в эксплуатации имеет потенциал, близкий к потенциалу земли, так как один конец этой обмотки обычно заземляется.
Таким образом, трансформатор тока позволяет измерять и учитывать ток высокого напряжения приборами низкого напряжения, доступными для непосредственного наблюдения обслуживающим персоналом. При этом во вторичную цепь трансформатора тока включаются амперметры, токовые обмотки ваттметров, счётчиков и т.д.
Часто один и тот же трансформатор тока может быть использован как для целей измерения, так и для целей защиты.
Измерительные трансформаторы напряжения (ТН) являются важными элементами любой высоковольтной сети. Основное назначение трансформаторов напряжения это понижение высокого напряжения, необходимого для питания измерительных цепей, цепей релейной защиты, автоматики и учета (далее вторичных цепей). С помощью трансформаторов напряжения осуществляется измерение напряжения в высоковольтных сетях, питание катушек реле минимального напряжения, обмоток напряжения защит, ваттметров, фазометров, счетчиков, а также контроль состояния изоляции сети.
2. Измерительные трансформаторы напряжения. Общие сведения и схемы соединения.
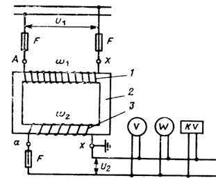
Трансформатор напряжения предназначен для понижения высокого напряжения до стандартного значения 100 В и для отделения цепей измерения и релейной защиты от первичных цепей высокого напряжения. Схема включения однофазного трансформатора напряжения показана на рис. 1 [см. приложение 1]; первичная обмотка включена на напряжение сети U1, а ко вторичной обмотке (напряжение U2) присоединены параллельно катушке измерительных приборов и реле. Для безопасности обслуживания один выход вторичной обмотки заземлен.
«Номинальный коэффициент трансформации определяется следующим выражением:

где U1ном , U2ном номинальные первичное и вторичное напряжение соответственно.
Рассеяние магнитного потока и потери в сердечнике приводят к погрешности измерения

Так же как и трансформаторах тока, вектор вторичного напряжения сдвинут относительно вектора первичного напряжения не точно на угол 180. Это определяет угловую погрешность.»[1]
В зависимости от номинальной погрешности различают классы точности 0,2; 0,5; 1; 3.
Погрешность зависит от конструкции магнитопровода, магнитной проницаемости стали и от cos j вторичной нагрузки. В конструкции трансформаторов напряжения предусматривается компенсация погрешности по напряжению путем некоторого уменьшения числа витков первичной обмотки, а также компенсация угловой погрешности за счет специальных компенсирующих обмоток.
Суммарное потребление обмоток измерительных приборов и реле, подключенных ко вторичной обмотке ТН, не должно превышать номинальную мощность ТН, т.к. в противном случае это приведет к увеличению погрешностей.
«В зависимости от назначения могут применятся ТН с различными схемами соединения обмоток. Для измерения трех междуфазных напряжений можно использовать два однофазных двухобмоточных трансформатора НОМ, НОС, НОЛ, соединенных по схеме открытого треугольника (рис. 2 [см. приложение 2], а), а также трехфазный двухобмоточный трансформатор НТМК, обмотки которого соединены в звезду (рис.2 [см. приложение 2],б). Для измерения напряжения относительно земли могут применяться 3 однофазных трансформатора, соединенных по схеме Y0/Y0, или трехфазный трехобмоточный трансформатор НТМИ (рис.2 [см. приложение 2], в). В последнем случае обмотка, соединенная в звезду, используется для присоединения измерительных приборов, а к обмотке, соединенной в разомкнутый треугольник, присоединяется реле защиты от замыканий на землю. Таким же образом в трехфазную группу соединяются однофазные трехобмоточные трансформаторы типа ЗНОМ и каскадные трансформаторы НКФ.» [2]
3. Измерительные трансформаторы тока
3.1. Назначение измерительных преобразователей.
«Измерительный преобразователь тока (ИПТ) это устройство предназначенное для преобразования первичного тока в такой выходной сигнал, информативные параметры которого функционально связаны с информативными параметрами первичного тока. Для создания ИПТ можно использовать различные физические явления. В настоящее время ИПТ обычно создаются на основе широко применяемого в электротехнике трансформаторного эффекта в виде трансформатора.» [3]
Трансформатором тока (ТТ), являющимся наиболее широко применяемым ИПТ, называется такой трансформатор, в котором при нормальных условиях работы выходной сигнал является током, практически пропорциональным первичному току и при правильном включении сдвинутым относительно него по фазе на угол, близкий к нулю.
Первичная обмотка трансформатора тока включается в цепь последовательно (в рассечку токопровода), а вторичная замыкается на некоторую нагрузку (измерительные приборы и реле), обеспечивая в ней ток, пропорциональный току в первичной обмотке.
В трансформаторах тока высокого напряжения первичная обмотка изолирована от вторичной (земля) на полное рабочее напряжение. Один конец вторичной обмотки обычно заземляется. Поэтому она имеет потенциал, близкий к потенциалу земли.
Трансформаторы тока по назначению разделяются на трансформаторы тока для измерений и трансформаторы тока для защиты. В некоторых случаях эти функции совмещаются в одном ТТ.
Трансформаторы тока для измерений предназначаются для передачи информации измерительным приборам. Они устанавливаются в цепях высокого напряжения или в цепях с большим током, т. е. в цепях, в которых невозможно непосредственное включение измерительных приборов. Ко вторичной обмотке ТТ для измерений подключаются амперметры, токовые обмотки ваттметров, счетчиков и аналогичных приборов. Таким образом, трансформатор тока для измерений обеспечивает:
1) преобразование переменного тока любого значения в переменный, ток, приемлемый для непосредственного измерения с помощью стандартных измерительных приборов;
2) изолирование измерительных приборов, к которым имеет доступ обслуживающий персонал, от цепи высокого напряжения.
«Трансформаторы тока для защиты предназначаются для передачи измерительной информации в устройства защиты и управления. Соответственно этому трансформатор тока для защиты обеспечивает:
1) преобразование переменного тока любого значения в переменный ток, приемлемый для питания устройств релейной защиты;
2) изолирование реле, к которым имеет доступ обслуживающий персонал, от цепи высокого напряжения.» [4]
Трансформаторы тока в установках высокого напряжения необходимы даже в тех случаях, когда уменьшения тока для измерительных приборов или реле не требуется.
3.2. Классификация ИПТ.
В зависимости от рода тока ИПТ разделяются на ИП переменного и ИП постоянного тока. В работе будут рассматриваться ИПТ переменного тока для установок и сетей с номинальной частотой тока 50 Гц.
По назначению ИПТ разделяются на ИПТ для измерений и ИПТ для защиты. Последние могут предназначаться для работы только в установившихся (статических) режимах либо в установившихся и переходных (динамических) режимах.
В зависимости от вида преобразования ИПТ делятся на преобразователи тока в ток, тока в напряжение (например, трансреакторы, магнитные трансформаторы тока), тока в неэлектрическую величину (например, в световой поток). При этом по способу представления выходной информации ИПТ подразделяются на аналоговые и дискретные.
Одновитковые ТТ (рис. 3 [см. приложение 3]) имеют две разновидности: без собственной первичной обмотки; с собственной первичной обмоткой. Одновитковые ТТ, не имеющие собственной первичной обмотки, выполняются встроенными, шинными или разъемными.
Встроенный трансформатор тока представляет собой магнитопровод с намотанной на него вторичной обмоткой. Он не имеет, собственной первичной обмотки. Ее роль выполняет токоведущий стержень проходного изолятора. Этот трансформатор тока не имеет изоляционных элементов между первичной и вторичной обмотками. Их роль выполняет изоляция проходного изолятора.
В шинном трансформаторе тока роль первичной обмотки выполняют одна или несколько шин распределительного устройства, пропускаемые при монтаже сквозь полость проходного изолятора. Последний изолирует такую первичную обмотку от вторичной.
«Многовитковые трансформаторы тока (рис. 3 [см. приложение 3]) изготовляются с катушечной первичной обмоткой надеваемой на магнитопровод; с петлевой первичной обмоткой , состоящей из нескольких витков; со звеньевой первичной обмоткой, выполненной таким образом, что внутренняя изоляция трансформатора тока конструктивно распределена между первичной и вторичной обмотками, а взаимное расположение обмоток напоминает звенья цепи.» [5]
Заключение
В данной работе были рассмотрены общие вопросы, касающиеся трансформаторов тока и напряжения. Были изучены назначение, принцип действия и устройство различных конструкций трансформаторов тока и напряжения. В работе приведена основная классификация типов трансформаторов тока и напряжения. Даны сведения об основных параметрах и характеристиках отдельных конструкций трансформаторов тока и напряжения внутренней и наружной установки, а также приведены некоторые сведения об остальных типах трансформаторов тока и напряжения.
Приложение
Приложение 1

Рис.1 Схема включения трансформатора напряжения :
1- первичная обмотка;
2- магнитопровод;
3- вторичная обмотка;
Приложение 2

Рис. 2. Схемы соединения обмоток трансформаторов напряжения.
Приложение 3

Рис. 3. Схема трансформатора тока;
______ собственная первичная обмотка ТТ;
----- токоведущий стержень проходного изолятора (шина)
Библиографический список:
Электронные ресурсы:
1. Измерительные трансформаторы тока. URL:
http://www.ronl.ru /fizika/212219/м
2. Измерительные трансформаторы тока и напряжения - конструкции, технические характеристики . URL: http://electricalschool.info/2009/03/30/izmeritelnye-transformatory-toka-i.html
3. Измерительные трансформаторы тока и напряжения. URL: http://forca.ru/spravka/tt-i-tn/izmeritelnye-transformatory-toka-i-napryazheniya.html
4. Измерительные трансформаторы напряжения. URL: http://malahit-irk.ru/index.php/2011-01-13-09-04-43/116-2011-05-03-12-07-57.html
5. Измерительные трансформаторы. URL: http://leg.co.ua/info/podstancii/izmeritelnye-transformatory.html
Измерительные трансформаторы напряжения и тока