Эксплуатационные качества автомобиля, обеспечивающие пассивную безопасность
Содержание
Введение……………………………………………………………………………...3
1. Пассивная безопасность автомобиля…………...........…………………..…...5
1.1 Требования к эксплуатационным качествам автомобилей в
отношении безопасности…........................................................................................5
1.2 Оценка пассивной безопасности………………………………………………7
1.3 Внутренняя пассивная безопасность………..................................………….13
1.4 Внешняя пассивная безопасность……………………….………...…………30
2. Эксплуатационные качества автомобиля, обеспечивающие
пассивную безопасность..............................................................………………….36
2.1 Виды ДТП, травмобезопасность элементов автомобиля, выдерживаемые человеком нагрузки.....................................……………………………………...…….36
2.2 Фронтальный удар и удар сзади...............…………………………...………39
2.3 Боковой удар.................................................................…………………….....41
2.4 Опрокидывание. Прочность и надежность замков и петель дверей............42
3. Требования к пассивной безопасности автомобилей………………………44
3.1 Требования к пассивной безопасности пассажирского
помещения легкового автомобиля……………...................………………………44
3.2 Требования к пассивной безопасности кабины грузового автомобиля…...46
3.3 Требования к пассивной безопасности места водителя……………….…...47
3.4 Ремни безопасности..........................................................................................48
3.5 Влияние требований к безопасности автомобиля на его массу…………...49
4. Нормирование экологических качеств автотранспортной техники в условиях Республики Казахстан…..........................................................................52
4.1 Нормирование экологических качеств автомобилей……………………….52
4.2 Перспективы экологического нормирования……………………………….53
4.3 Сокращение негативного воздействия автомобильного транспорта на атмосферный воздух………………………………………………………………..55
5 Определение эффективности мероприятий по повышению
пассивной безопасности автомобиля…………………...........................…………58
5.1 Оценка эффективности элементов конструктивной безопасности автомобиля……………………………………...…………………………………..58
5.2 Эффективность введения требований к пассивной безопасности автомобиля………………………………………………………………………….61
5.3 Экономическая эффективность использования ремней безопасности автомобилей в Костанайской области…………………………………………….62
Заключение………………………………………………………………………….63
Список литературы.................................................………………………….……..64
Введение
Цель; На основе исследований системы водитель-автомобиль и ее элементов необходимо придать автомобилю такие эксплуатационные свойства, которые обеспечивали бы уменьшение вероятности ДТП, а в случае их возникновения исключение травм водителя и пассажиров или хотя бы снижение их тяжести.
Задачи; В связи с этим совершенствование эксплуатационных свойств автомобиля, направленное на исключение или хотя бы снижение тяжести травм при ДТП, ведется по направлениям: улучшению условий обитания в кабине автомобиля, а также приданию элементам салона оптимальных форм и свойств, исключающих травмы водителя и пассажиров при авариях.
Большое значение для обеспечения безопасности дорожного движения имеет конструкция автомобиля. Промышленность СНГ выпускает транспортные средства, в основном отвечающие современным требованиям, однако условия эксплуатации настолько сложны и разнообразны, что нельзя установить предел совершенства конструкции, которую можно было бы признать эталоном ко всем параметрам. Особенно это справедливо по отношению к безопасности автомобиля, который представляет собой потенциальный источник повышенной опасности для людей. Эта опасность чрезвычайно возросла в последние десятилетия, когда вследствие безудержного роста мощности двигателей и скоростей движения автомобилей безопасность движения превратилась в социальную проблему первостепенной важности [1, 2, 3].
Конструктивная безопасность автомобиля представляет собой сложное его свойство. Для удобства изучения отдельных аспектов ее делят на активную, пассивную, послеаварийную и экологическую [4, 5, 6].
Активная безопасность автомобиля свойство автомобиля предотвращать дорожно-транспортное происшествие (ДТП). Активная безопасность проявляется в период, соответствующий начальной фазе ДТП, когда водитель в состоянии изменить характер движения автомобиля.
Пассивная безопасность автомобиля свойство автомобиля уменьшать тяжесть последствий ДТП. Пассивная безопасность проявляется в период, когда водитель, несмотря на принятые меры безопасности, не может изменить характер движения автомобиля и предотвратить ДТП (кульминационная фаза ДТП). Различают внутреннюю пассивную безопасность, снижающую травматизм пассажиров, водителя и обеспечивающую сохранность грузов, перевозимых автомобилем, и внешнюю безопасность, которая уменьшает возможность нанесения повреждений другим участникам движения. Иногда применяют термин «агрессивность» автомобиля, как понятие, обратное его внешней пассивной безопасности [7, 8, 9].
Послеаварийная безопасность автомобиля свойство автомобиля уменьшать тяжесть последствий ДТП после его остановки (конечная фаза ДТП). Это свойство характеризуется возможностью быстро ликвидировать последствия происшествия и предотвратить возникновение новых аварийных ситуаций.
Экологическая безопасность автомобиля свойство автомобиля позволяющее уменьшить вред, наносимый участникам движения и окружающей среде в процессе его нормальной эксплуатации. Таким образом, экологическая безопасность, проявляющаяся во время повседневной работы автомобиля, коренным образом отличается от перечисленных выше трех видов безопасности, которые выявляются лишь при ДТП [10, 11, 12].
Описанные выше виды безопасности рассматриваются изолированно один от другого, однако это делается лишь для простоты их изучения. В действительности все они связаны между собой, влияют один на другой, и не всегда можно провести четкую границу между отдельными видами безопасности.
Актуальность; например, хорошая тормозная система, позволяющая остановить автомобиль на коротком расстоянии, повышает вероятность предотвращения ДТП, улучшая активную безопасность автомобиля. Кроме того, чем эффективнее тормозная система, тем большее замедление автомобиля она обеспечивает на том же расстоянии. Следовательно, если даже не удастся предотвратить наезд или столкновение, то вероятная тяжесть последствий ДТП все же будет меньше, т. е. повысится пассивная безопасность. Замки автомобильных дверей должны выдерживать большие перегрузки, не открываясь, чтобы предотвратить выпадение пассажиров при ДТП (пассивная безопасность). Вместе с тем они не должны заклиниваться и препятствовать эвакуации пострадавших из автомобиля (послеаварийная безопасность). Взаимосвязь различных видов безопасности и противоречивость требований, предъявляемых к конструкции автомобиля, вынуждает конструкторов и технологов принимать компромиссные решения. При этом неизбежно ухудшаются одни свойства, менее существенные для автомобиля данного типа, и улучшаются другие, имеющие большее значение [13, 14, 15].
1 Пассивная безопасность автомобиля
1.1 Требования к эксплуатационным качествам автомобилей в отношении безопасности
Понятие «активная безопасность» включает в себя комплекс эксплуатационных свойств, способствующих предотвращению возникновения аварийных ситуаций и совершения ДТП. К ним в первую очередь относят: высокие динамические качества автомобиля, эффективное, стабильное замедление, хорошую управляемость и устойчивость, в том числе при торможении и разгоне, устойчивость автомобиля против заноса и опрокидывания. К этой же группе качеств относят: наличие на автомобиле надежной, хорошо видимой световой и звуковой сигнализации, а также надежность и долговечность узлов и деталей автомобиля, исключающие поломки ответственных деталей и отказ в работе узлов, приводящих к ДТП.
Обеспечение комфортных условий в салоне снижает утомление водителя и повышает надежность управления. В связи с этим в эту же группу эксплуатационных свойств входят эргономические качества рабочего места водителя и мест пассажиров, хорошая обзорность с места водителя (вперед, вбок, назад), эффективная вентиляция кузова, низкий уровень вибрации и шума в пассажирском помещении, предотвращение попадания в салон автомобиля выхлопных газов и паров топлива [16, 17, 18].
Под понятием «пассивная безопасность» подразумевают комплекс эксплуатационных свойств автомобиля, обеспечивающих при возникновении ДТП исключение или хотя бы снижение тяжести травм водителя и пассажиров. К ним относят демпфирующие способности передней и задней частей автомобиля, бамперов, а также боковую жесткость кузова, надежность запирания замков и дверей, наличие ветрового стекла безосколочного типа. Эти свойства обеспечиваются установкой энергопоглощающей рулевой колонки, установкой в салоне мягких накладок и подголовников, применением внутренних панелей салона и ручек органов управления, не имеющих выступающих (тем более жестких и острых) участков, оборудованием автомобиля ремнями безопасности [4].
Согласование эксплуатационных свойств автомобиля с требованиями послеаварийной безопасности достигается, в первую очередь, обеспечением возможности быстрого выхода или эвакуации людей из аварийного автомобиля, пожарной безопасности автомобиля за счет правильного размещения и надежной герметизации топливных баков и топливных коммуникаций. Послеаварийная безопасность автомобиля в значительной степени зависит также от степени возгораемости внутренней отделки салона и от содержания токсичных веществ в продуктах ее горения.
Оптимальность эксплуатационных свойств в значительной степени определяется также воздействиями водителя на окружающую среду и других участников движения. В связи с этим в числе регламентируемых эксплуатационных свойств имеются свойства, направленные на предупреждение опасных воздействий автомобиля на окружающую среду и других участников движения, оговоренные требованиями в отношении безопасности внешней формы автомобиля, токсичности выхлопных (отработавших) газов и выделения в атмосферу других токсичных веществ, а также создаваемого автомобилем внешнего шума.
Необходимость обеспечения определенных свойств автомобиля в отношении безопасности в различных конкретных условиях движения, создало предпосылки для создания методик проверки этих свойств и явилось причиной разработки и введения специальных требований безопасности, при соответствии которым данный конкретный автомобиль будет иметь установленный из условий и характера движения, экономических и технологических соображений сегодняшнего дня минимально допустимый уровень безопасности. Значительное число таких требований уже введено и реализовано в СНГ и во многих других странах.
В СНГ различные нормативы в отношении эксплуатационных свойств транспортных средств изложены в соответствующих государственных, отраслевых стандартах(ОСТ) и нормалях (ОН). Хотя и раньше в этих стандартах имелись отдельные требования безопасности, с 1969 г. начали вводить специальные стандарты по безопасности, в том числе требования к местам крепления ремней безопасности, к безопасности рулевых управлений, сидений, расположению органов управления. Регламентированы условные обозначения на органах управления и сигнальных лампах, нормы и методика определения содержания окиси углерода в отработавших газах.
Учитывая международный характер требований безопасности, 20.03.1958 г. в рамках Комитета по внутреннему транспорту Европейской экономической комиссии ООН 11 стран подписали в Женеве «Соглашение о принятии единообразных условий официального утверждения и о взаимном признании официального утверждения предметов оборудования и частей моторных перевозочных средств».
В соответствии с этим документом, страны-участницы его обязались:
1. Разрабатывать и принимать единые рекомендации, в которых должны быть предусмотрены требования к тому или иному узлу или параметру транспортного средства, методика испытаний на соответствие этому требованию, знак официального утверждения.
2. Вводить, если это будет признано целесообразным, данные рекомендации в качестве законоположений в своих странах. При этом любая из стран-участниц может, если имеет соответствующее оборудование, проводить испытание по методике, изложенной в рекомендации, для проверки соответствия того или иного узла или параметра автомобиля содержащимся в принятой рекомендации требованиям и присваивать, в случае удовлетворительных результатов испытаний, описанный в данной рекомендации знаке официального утверждения транспортного средства в отношении этого требования.
3. Признавать на территории всех стран-участниц Соглашения знак международного утверждения, присвоенный страной, проводившей испытание. Считать, что узел или параметр автомобиля, которому присвоен знак международного утверждения, отвечает соответствующему требованию законодательства во всех странах-участницах «Соглашения», которые применили принятую ЕЭК ООН рекомендацию.
Можно считать, что требования ЕЭК ООН являются минимумом, которому должны отвечать свойства соответствующих узлов, агрегатов или автомобиля в целом, что следует иметь в виду при ознакомлении с требованиями Правил ЕЭК ООН.
1.2 Оценка пассивной безопасности
Изучение статистических данных по аварийности показывает, что с ростом автомобильного парка и интенсивности движения уменьшается относительное число наездов на пешеходов и возрастает количество столкновений, опрокидываний и наездов автомобилей на неподвижное препятствие. Одновременно возрастает значение внутренней пассивной безопасности. Во многих странах ведутся работы по внедрению конструктивных мероприятий, снижающих вероятность гибели людей и тяжесть их травмирования при ДТП [19, 20, 21].
Для оценки пассивной безопасности автомобиля предложено несколько измерителей. Наиболее простой измеритель фактор тяжести представляет собой отношение числа погибших Nс во время ДТП к числу раненых Nр: F=Nс/Nр.
По данным официальных отчетов, фактор тяжести в различных странах находится в пределах 1:5...1:40. Иногда тяжесть ДТП определяют по отношению числа тяжело раненых Nт и погибших к общему числу ДТП Nдтп:
F=( Nт+ Nс)/ Nдтп. (1.1)
По имеющимся данным, при скорости автомобиля менее 14 м/с F0,05. При росте скорости F увеличивается и при 35 м/с достигает 0,4.
Применяются также удельные показатели; число раненых и погибших при ДТП, отнесенные к 1 млн. автомобилей.
Часто для оценки тяжести ДТП прибегают к экономическим показателям, учитывающим потери народного хозяйства вследствие аварий. Так, И.К. Коршаковым предложен коэффициент опасности kоп, характеризующий вероятность смертельного исхода при происшествии для каждого из его участников:
kоп =(k1Nл +k2Nт +k3Nс)/( Nл+ Nт+ Nс+ Nо), (1.2)
где k1, k2, k3 коэффициенты тяжести последствий, позволяющие повреждения различных видов (легкие, тяжелые, смертельные) привести к повреждениям одного вида:
Nл, Nт, Nс число людей, получивших соответственно легкие, тяжелые и смертельные повреждения;
Nо число участников ДТП, не получивших телесных повреждений.
К легким относят повреждения, вызывающие заболевания длительностью до 28 дней. Тяжелыми называют телесные повреждения с длительностью заболевания свыше 28 дней или утратой трудоспособности более чем на 35%. К смертельным повреждениям относят такие, при которых смерть пострадавшего зафиксирована на месте ДТП или не позднее 7 суток с момента аварии. По данным органов здравоохранения, примерно в 70% случаев человек умирает либо непосредственно на месте происшествия, либо на пути в больницу.
Коэффициенты тяжести последствий ДТП определяются в соответствии с величиной убытков от повреждений каждого вида. Приняв коэффициент тяжести при смертельном исходе k3=1, получим
k1=0,015; k2=0,36.
Таким образом, зная число пострадавших при ДТП и полученные ими повреждения, можно с помощью коэффициента опасности количественно определить тяжесть различных видов ДТП, сравнить пассивную безопасность различных автомобилей и оценить совершенство тех или иных конструктивных решений. Чем больше коэффициент опасности kоп, тем вероятнее смертельный исход и значительнее потери от аварий.
В качестве примера на рисунке 1.1 приведены значения коэффициента опасности при встречных столкновениях автомобилей. Рисунок 1,а иллюстрирует относительную опасность мест в автомобиле ГАЗ-3102 «Волга» без применения ремней безопасности. Наиболее опасными являются места, занимаемые передним пассажиром (kоп =0,229) и водителем (kоп =0,184). Места, занимаемые задними пассажирами, менее опасны и по тяжести повреждений мало отличаются одно от другого. Аналогичные данные получены также зарубежными исследователями.
На рисунке 1.1, б приведен коэффициент kоп, характеризующий опасность мест водителя и переднего пассажира в некоторых легковых автомобилях. Наиболее высокие значения kоп относятся к автомобилям старых марок.
В процессе наиболее тяжелых ДТП (столкновения, наезды на неподвижные препятствия, опрокидывания) вначале деформируется кузов автомобиля, происходит первичный удар. Кинетическая энергия автомобиля при этом тратится на поломку и деформацию деталей. Человек внутри автомобиля продолжает движение по инерции с прежней скоростью. Силы, удерживающие тело человека (мышечные усилия конечностей, трение о

Рисунок 1.1 Коэффициент опасности:
а относительная опасность мест в автомобиле ГАЗ-3102; б относительная опасность мест водителя и переднего пассажира в различных автомобилях; 1..5 места в автомобиле
поверхность сиденья), невелики по сравнению с инерционными нагрузками и не могут воспрепятствовать перемещению. Когда человек контактирует с деталями автомобиля рулевым колесом, панелью приборов, ветровым стеклом и т. п., происходит вторичный удар. Параметры вторичного удара зависят от скорости и замедления автомобиля, перемещения тела человека, формы и механических свойств деталей, о которые он ударяется. При высоких скоростях автомобиля возможен также третичный удар, т. е. удар внутренних органов человека (например, мозговой массы, печени, сердца) о твердые части скелета. Возникающие при этом перегрузки могут привести к серьезным повреждениям внутренних органов и разрушению кровеносных сосудов и нервных волокон. Бльшую часть травм водители и пассажиры получают во время вторичного удара.
Характер и тяжесть травмы зависят от многих причин: вида ДТП, скорости и конструкции автомобиля, наличия защитных приспособлений, возраста и здоровья человека. В среднем человек может выдержать без вреда кратковременную (в течение 0,01...0,1 с) перегрузку (40...50)g. Перегрузки, испытываемые водителем и передним пассажиром при встречных столкновениях автомобилей, достигают (150...200)g. Усилия, действующие на отдельные части тела, могут превышать 10 кН, что объясняет высокую смертность при некоторых ДТП. В таблице 1.1 приведены статистические данные по ДТП.
Таблица 1.1
Распределение тяжести последствий ДТП по их видам, %
|
Страна |
Столкновение транспортных средств |
Наезд на неподвижное препятствие |
Наезд на пешеходов |
Другие виды ДТП |
|
Австрия Бельгия Дания Финляндия Франция Германия Италия Нидерланды Португалия Испания Швеция Швейцария |
36,2/51,7 72,0/80,3 53,7/56.4 47,3/53,6 45,9/64,2 33,8/50,5 49,2/61,7 54,2/61,0 32,4/33,0 35,3/41,2 51,7/55,7 38,2/55,9 |
14,2/16,2 22,3/14,0 9,5/9,9 4,5/7,5 20,5/11,2 18,9/16,4 6,1/3,0 13,4/11,9 9,8/3,8 14,7/8,6 1,6/2,0 11,5/9,4 |
36,0/21,5 - 29,7/16,0 34,2/20,6 25,8/18,6 39,4/22,1 29,1/22,0 24,4/15,8 52,2/48,9 32.4/32,4 25,0/16,4 37.0/24,5 |
14,0/10,6 5,4/5,6 7,2/16,1 14,7/18,6 8,0/5,8 7,8/10,7 15,7/12,7 8,0/11,0 10,4/14,0 17,7/128,1 21,3/25,9 13,2/10,0 |
Примечание. Числитель характеризует количество погибших при ДТП, знаменатель количество получивших ранения.
Наибольшее значение для внутренней пассивной безопасности имеют столкновения транспортных средств и их наезды на неподвижное препятствие, а для внешней наезды на пешеходов.
Тяжесть травм получаемых в процессе ДТП, в среднем значительно выше тяжести других травм производственных и бытовых. Средняя продолжительность лечения травм от ДТП составляет 30,6 дня, а сроки лечения травм других видов 21,6 дня. Вид травмы, полученной во время столкновения автомобилей, и степень ее тяжести зависят от направления удара при происшествии. На рисунке 1.2, а показано примерное распределение ударов при столкновениях легковых автомобилей (числитель) и автобусов (знаменатель). Наиболее часты встречные столкновения, поскольку кинетическая энергия пропорциональна квадрату относительной скорости.
На рисунке 1.2, б и в показано расположение зон в автомобилях ГАЗ-3110 «Волга» и городских автобусах ЛиАЗ-677 по степени их травмоопасности при столкновениях. Почти 35% пострадавших в автобусах приходится на зону I, включающую кабину водителя и переднее пассажирское сиденье. Следующей по степени травмоопасности является зона VIII, охватывающая накопительную площадку у задней двери и заднее сиденье (29,1%). Зоны II...VII имеют примерно одинаковые степени травмоопасности.
Повреждения, получаемые человеком при автомобильной аварии, разнообразны: ушибы, растяжения и разрыв связок, вывихи суставов, сдавливания. Переломы костей, сотрясения мозга, разрывы кровеносных

Рисунок 1.2 Безопасность пассажирских автомобилей:
а распределение направлений удара; б опасные зоны автомобиля ГАЗ-3110 «Волга»; в опасные зоны автобуса ЛиАЗ-677; 1...5 места в автомобиле; I...VIII зоны
сосудов, повреждения внутренних органов и т. п. Есть специфические травмы, характерные только для пострадавших при ДТП. Например, одновременный вывих обоих больших пальцев рук у водителя, державшего в момент удара рулевое колесо, или перелом шейных позвонков из-за откидывания головы назад при наезде на стоящий автомобиль сзади.
Участие в ДТП, как правило, сопровождается нервным потрясением с расстройством речи, потерей памяти, иногда сильным шоком. При встречных столкновениях и наездах на неподвижные препятствия у водителей и передних пассажиров наблюдаются травмы головы, конечностей и груди, реже живота. У задних пассажиров чаще повреждаются грудь, живот, нижние конечности, реже голова и верхние конечности. На рисунке 1.3 показано примерное распределение травм водителя и переднего пассажира (по данным МАДИ). Самые серьезные телесные повреждения получает обычно передний пассажир, не пользовавшийся ремнем безопасности. Менее тяжелые травмы наблюдаются у водителя и относительно легкие у задних пассажиров.
На рисунке 1.4 показан механизм образования травм при встречных столкновениях у водителя легкового автомобиля. В начале удара водитель скользит по сиденью вперед и его колени ударяются о панель приборов (рисунок 1.4, а и б). Затем сгибаются тазобедренные суставы и верхняя часть туловища наклоняется вперед до удара о рулевое колесо (рисунок 4, в и г) При больших скоростях автомобиля возможен удар о ветровое стекло (рисунок 1.4, д и е), а при боковых столкновениях повреждение головы об угловую сторону кузова. Передний пассажир, перемещаясь вперед, также ударяется сначала коленями о панель приборов, затем головой о ветровое стекло (рисунок 1.5, а г). В случае движения автомобиля с большой скоростью возможно травмирование подбородка и груди пассажира о верхний край панели приборов (рисунок 1.5, д и е). При боковых ударах повреждаются плечи, руки и колени. Таким образом, источниками травм водителя наиболее часто являются рулевая колонка, рулевое колесо, панель приборов. Для передних пассажиров опасность представляют панель приборов и ветровое стекло, а для задних спинки передних сидений. Кнопки и рычаги управления, пепельницы, детали

Рисунок 1.3 Распределение телесных повреждений при авариях различных автомобилей, %:
а ГАЗ-3102 «Волга»; б ГАЗ-3110 «Волга»; в Москвич-407; г Москвич-412; д ВАЗ-2106 «Жигули»; 1 голова; 2 лицо; 3 и 4 грудь; 5 верхние конечности; 6 брюшная и тазовая области; 7 нижние конечности

Рисунок 1.4 Механизм образования травм у водителя при столкновении автомобилей

Рисунок 1.5 Механизм образования травм у переднего пассажира при столкновении автомобилей
радиоприемника обычно не наносят серьезных ранений. Однако при ударе о них головой у водителя и пассажиров может быть повреждено лицо (изуродованы нос и губы, выбиты зубы и т. д.).
В таблице 1.2 приведены сведения по источникам травмирования людей по результатам наблюдений исследователей Корнельского университета (США) и Бюффнера (Германия).
Таблица 1.2
Сведения по источникам травмирования людей
|
Источники |
Повреждения, % |
Источники |
Повреждения, % |
||
|
США |
Герма-ния |
США |
Герма-ния |
||
|
Рулевое управление Панель приборов Ветровое стекло Двери Крыша Днище |
20,5 20,2 18,7 11,2 4,3 - |
14;6 19,4 15,9 18,6 4,6 5,5 |
Спинка переднего сиденья Передняя сойка Зеркало заднего обзора Подвижные предметы Прочие |
6,8 3,3 2,0 - 18,0 |
6,1 - 3,7 0,6 11,2 |
Наиболее частые источники повреждения людей рулевое управление, панель приборов, ветровое стекло и детали дверей. Большое число травм получают люди при выбрасывании через двери, открывшиеся вследствие удара.
1.3 Внутренняя пассивная безопасность
Совершенствование автомобиля и повышение его пассивной безопасности происходят одновременно по нескольким направлениям. Конструктивные мероприятия, улучшающие внутреннюю пассивную безопасность, предусматривают снижение инерционных перегрузок в процессе удара, ограничение перемещения людей в салоне, устранение травмоопасных деталей, закрепление багажа и инструмента.
Уменьшение инерционных нагрузок. Процесс удара обычно разделяют на три фазы. В течение первой фазы соударяющиеся тела, сближаясь, деформируются, их кинетическая энергия частично переходит в потенциальную, а частично затрачивается на разрушение, перемещение и нагрев деталей. Во второй фазе накопленная потенциальная энергия снова превращается в кинетическую, и тела начинают расходиться. В течение третьего периода тела не контактируют, их энергия расходуется на преодоление внешнего сопротивления.
Согласно опытам НИЦИАМТ при наезде автомобиля на неподвижное препятствие длительность первой фазы составляет 0,05...0,1 с, а второй 0.02...0,04 с. Максимальное замедление центра тяжести автомобиля при скорости 8,3...14 м/с достигает (45...60)g. Средние замедления для грузовых автомобилей равны (20...25)g, а для пассажирских при v=14 м/c (15...20)g. Остаточные деформации пассажирских автомобилей после удара о плоскую стенку достигают 400...500 мм, а грузовых 150...180 мм, что обусловлено большей жесткостью последних. При ударе о сосредоточенное препятствие (столб, дерево) деформация может быть значительно больше.
Основной причиной разрушения автомобилей и травмирования людей при ДТП являются ударные нагрузки. Эти нагрузки имеют импульсный характер, и хотя движение их кратковременно. Они достигают больших величин вследствие резкого изменения скорости автомобиля. При встречных столкновениях автомобилей и наезде автомобиля на препятствие замедления особенно большое значение (300...400)g имеют в зоне переднего бампера (рисунок 1.6, а) и уменьшаются по направлению к задней части автомобиля. Среднее замедление центра тяжести автомобиля может достигать (40...60)g. Мгновенные замедления jmax центра тяжести больше средних и составляют (80...100)g (рисунок 1.6, б). Еще большие замедления тела человека в процессе вторичного удара.

Рисунок 1.6 Изменение замедлений при наезде автомобиля на неподвижное препятствие:
а распределение замедлений по длине автомобиля; б изменение замедлений по времени
Если считать движение равнозамедленным, то при начальной скорости автомобиля v=20 м/c и деформации его передней части sа=0/4 м среднее замедление
jср=v2/(2sа)=400/(20,4)=500 м/с250g.
Если при этом рулевое управление под воздействием удара тела водителя переместится на 0,1 м, то замедление тела может достичь примерно 200g и вызвать весьма тяжелые травмы.
Для снижения инерционных нагрузок увеличивают продолжительность деформации деталей. С этой целью создают защитную зону вокруг водителя и пассажиров путем устройства жесткого каркаса в сочетании с легко сминающимися при ударах передней и задней частями кузова (рисунок 1.7,а). У автомобилей рамной конструкции ослабляют лонжероны и поперечины, уменьшая их сечение, предусматривая отверстия в слабонагруженных местах или применяя хрупкие материалы, например алюминиевые трубы и брусья, разрушающиеся при ударе. На рисунке 1.7,б показана передняя часть рамы американского автомобиля, деформирующаяся под воздействием ударных нагрузок.

Рисунок 1.7 Автомобили с легко деформируемыми частями:
а деформируемая передняя и задняя части автомобиля; б деформируемая рама
При встречных столкновениях картер рулевого механизма, установленный на лонжероне рамы, смещается назад, приближаясь к водителю. У автомобилей с передним расположением рулевой трапеции это смещение настолько велико, что водитель может получить травму уже при первичном ударе. Во время вторичного удара тело водителя деформирует рулевое колесо и входит в контакт с его ступицей и рулевым валом. В результате водитель получает тяжелые травмы лица, груди, брюшной полости, а иногда и сердца.
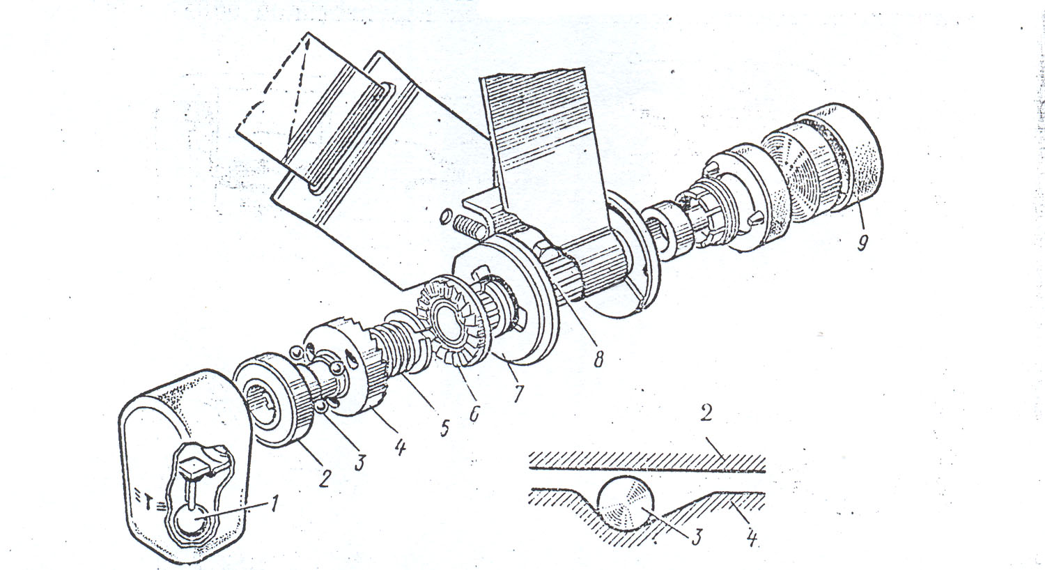
Для защиты водителя ступицу рулевого колеса делают большого диаметра и снабжают упругой оболочкой (рисунок 1.8, а) или утапливают ее так, чтобы спицы составляли с плоскостью обода угол не менее 20 (рисунок 1.8, б). На автомобилях «Москвич» для повышения защитных свойств рулевого колеса применена мягкая накладка на ободе. Спицы и каркас обода, штампованные из листовой стали, при больших нагрузках изгибаются, в результате рулевое колесо располагается перпендикулярно к направлению удара. В некоторых автомобилях с этой же целью под рулевым колесом размещают гофрированный энергопоглощающий элемент 1 типа сильфона (рисунок 1.8, в).
Конструкции безопасных рулевых управлений весьма разнообразны. Так, чтобы уменьшить возможность проникновения рулевого колеса внутрь салона, применяют рулевые валы с карданными шарнирами, отклоняющиеся при ударах вверх или в сторону (рисунок 1.9, а и б). Для поглощения кинетической энергии тела водителя в рулевой вал, рулевую колонку или в обе эти детали встраивают специальные защитные элементы, разрушающиеся или деформирующиеся под действием больших нагрузок. У некоторых

Рисунок 1.8 Безопасные рулевые колеса:
а рулевое колесо со ступицей большего диаметра; б тюльпанное рулевое колесо автомобиля «Москвич»; в и г рулевое колесо с гофрированным элементом соответственно до удара и после него; 1 гофрированный элемент

Рисунок 1.9 Безопасные рулевые валы:
а отклоняющийся в сторону; б откидывающийся вверх; в с перфорированным элементом; г с упругими пластинами; д со шлицевой втулкой; 1 пластина; 2 короткий вал; 3 прорезь; 4 втулка; 5 вал
автомобилей защитный элемент имеет форму перфорированной трубы с ромбовидными отверстиями, расположенную в средней части вала (рисунок 1.9. в). В последнее время деформируемый элемент делают в виде пластин, приваренных к внутренним концам частей рулевого вала (рисунок 1.9, г).
Безопасное рулевое управление автомобилей «Москвич» (рисунок 1.9, д) имеет рулевой вал из двух частей. К нижней части рулевого вала приварен короткий вал 2 со шлицами, на которые с натягом напрессована втулка 4 с короткими внутренними шлицами, соединенная с верхней частью вала 5. Втулка имеет сквозные прорези 3, увеличивающие упругость шлицевого соединения и трение при сближении концов вала. Рулевая колонка состоит из трех труб, между которыми размещены пластмассовые пластины 1, повышающие сопротивление сдвигу.
Рулевое управление автомобиля ГАЗ-3110 «Волга» имеет безопасную муфту (рисунок 10) с двумя фланцами 2 и 7, закрепленными на нижней 1 и верхней 8 частях рулевого вала. Между фланцами установлены две предохранительные пластины 4 и эластичная деталь 6 из прорезиненной ткани, прикрепленная к каждому из фланцев шпильками 3 через усилитель 5. При наезде автомобиля на препятствие водитель ударяется о рулевое колесо, фланцы муфты перемещаются по скосам, деформируя предохранительные пластины и разрушая деталь 6. Часть энергии (около 10%) тратится также на перемещение рулевой колонки 10 по резиновым прокладкам 11 и 12 в хомуте 9. Сила удара, разрушающая эластичную деталь, не превосходит нагрузку, которую может выдержать человек без тяжелых травм.

Рисунок 1.10 Рулевое управление автомобиля ГАЗ-3110 «Волга»:
1 и 8 нижняя и верхняя части рулевого вала; 2 и 7 фланцы; 3 шпилька; 4 пластина; 5 усилитель; 6 разрушаемая деталь; 9 хомут; 10 рулевая колонка; 11 и 12 прокладки
Энергопоглощающие элементы, соединяющие две части рулевой колонки, изображены на рисунке 1.11. Эти элементы могут быть выполнены или в виде упругих пластин (рисунок 1.11.а), или в виде гофрированной сетки (рисунок 1.11, б). Рулевые валы в обоих случаях состоят из двух частей, соединенных между собой с помощью прессовой посадки и пластмассовых

Рисунок 1.11 Безопасные рулевые колонки:
а с упругими пластинами; б с перфорированным защитным элементом; в со стальными шарпиками
заклепок, срезаемых при ударах. В кронштейне, крепящем рулевую колонку к кузову, сделаны прорези, допускающие перемещение верхней части колонки вперед и препятствующие проникновению ее внутрь салона.
Иногда рулевую колонку делают телескопической (рисунок 1.11, в). Между внутренней и наружной трубками располагают несколько кольцевых поясов, закаленных стальных шариков. При продольном перемещении труб шарики вдавливаются в их стенки.
Ограничение перемещения людей. Наиболее простым и вместе с тем эффективным средством, ограничивающим перемещение людей внутри автомобиля при авариях, являются ремни безопасности. Законами многих стран предусмотрено обязательное оборудование ремнями безопасности всех мест для сидения в автомобиле.
Имеется большое количество разнообразных конструкций ремней. Наибольшее распространение получили комбинированные диагонально-поясные ремни, крепящиеся к кузову автомобиля в трех точках. Согласно Правилам ЕЭК ООН расстояние между точками крепления поясного ремня должно быть не менее 0,35 м. Верхняя точка крепления плечевого ремня должна находиться позади точки опоры водителя на сиденье и выше нее. Необходимо, чтобы точки крепления поясного ремня выдерживали усилие не менее 22,7 кН, а плечевого ремня не менее 22,9 кН. Замки ремня должны открываться одной рукой. Минимальная поверхность кнопки замка 4,5 см2, минимальная ширина 10 мм. Ширина лямки ремня должна быть не менее 51 мм под нагрузкой 10 кН; лямка не должна скручиваться под нагрузкой. Лямки пристегнутого ремня должны проходить по осям человеческого скелета, и не передавать усилий на органы, не защищенные грудной клеткой. Кроме того лямки не должны создавать местных высоких давлений и не должны контактировать с болезненными и легко ранимыми частями тела. Расположение ремня должно по возможности уменьшать взаимное перемещение (изгиб и поворот) отдельных частей тела, приводящее к дополнительным нагрузкам.
Эффективность ремней безопасности доказана многочисленными исследованиями. Так, по данным США [9], правильное использование ремней уменьшает число травм на 60...75%. По результатам шведских исследований, применение ремней более чем в 2 раза уменьшает тяжесть последствий и в 50...70 случаях из 100 предотвращает тяжелые ранения.
На рисунке 1.12 показаны результаты исследования, проведенного МАДИ совместно с 1-м Московским медицинским институтом им. И.М. Сеченова. В средней части графика показана зависимость деформации легкового автомобиля от приведенной скорости автомобиля vпр при встречных столкновениях, полученная путем натурных наблюдений ДТП. Горизонтальные линии в верхней части графика характеризуют диапазоны скоростей, при которых возможны повреждения различной тяжести водителей и пассажиров, не пристегнутых ремнями безопасности, а в нижней части то же самое при использовании ремней. Применение ремней существенно увеличивает возможность безопасного движения автомобиля с высокими скоростями. Так, при отсутствии ремней безопасности смертельный исход возможен уже при скорости 11...12 м/с, при использовании ремней он возможен лишь при скорости 15...16 м/с. Соответственно повышаются предельные скорости и при других видах травм.

Рисунок 1.12 График вероятности получения повреждений при отсутствии ремней безопасности и при их использовании:
О нет повреждений; Л легкие повреждения; Т тяжелые повреждения; С смертельные травмы
В процессе столкновений и наездов автомобилей человек, не пристегнутый ремнем, продолжает движение по инерции с прежней скоростью и ударяется о детали автомобиля, который к этому моменту успевает остановиться. При наличии ремня скорость человека уменьшается в процессе деформаций передней части автомобиля и лямок ремня. Относительная скорость человека в этом случае значительно меньше, и удары его о твердые детали интерьера могут не вызвать серьезных повреждений.
Определим примерную нагрузку, приходящуюся во время удара на человека, пристегнутого ремнем безопасности. Вначале автомобиль движется со средним замедлением jср, а человек со средним замедлением jч. Если жесткость сл ремня постоянна, то
mчjч cл(Sч S)=0, (1.3)
где mч масса человека, кг;
Sч и S перемещения соответственно человека и автомобиля, м.
Поскольку jч= и S=v0t 0,5jсрt2, то
mч cлSч= cл(v0t - 0,5jсрt2), (1.4)
где v0 начальная скорость автомобиля; t время движения.
Решая это дифференциальное уравнение, получаем
Sч=jсрmч/cл(1 cos(t))+ v0t 0,5jсрt2. (1.5)
Скорость человека изменяется по закону
vч==jсрsin(t)+ v0 jсрt, (1.6)
а замедление
jч= = tср(cos(t) 1). (1.7)
Время движения автомобиля до остановки
t1= v0/jср. (1.8)
Следовательно, сила, действующая на человека со стороны ремня в момент остановки автомобиля,
P1=mч /jч= mчjср(cos(v0/jср) 1). (1.9)
Кроме этой силы, вызванной относительным замедлением тела человека, на него действует сила, обусловленная его кинетической энергией.
Максимальную силу Pmax, приложенную к телу человека, можно найти из следующих соотношений:
0,5mчv=0,5(P1+Pmax)Sч max, (1.10)
Sч max=(Pmax P1)/ cл, (1.11)
где vч1 скорость человека в момент остановки автомобиля, определяемая формулой (1.6);
Sч max максимальное перемещение человека и соответствующая ему деформация ремня безопасности.
Решая уравнения (1.9) и (1.10) с учетом выражения (1.8), получаем
Pmax= mчjср=
=mч/(2S) =. (1.12)
На рисунке 1.13 приведены результаты подсчета по этой формуле при mч=70 кг, cл=70 кН/м и v0=10...20 м/с. Нагрузка, испытываемая человеком, увеличивается по мере уменьшения деформации а передней части автомобиля и повышения его начальной скорости. Соответственно возрастает и перемещение тела человека Sч.

Рисунок 1.13 Зависимость нагрузки Р, действующей на человека, от деформации а передней части автомобиля и его скорости v0 перед ударом
Эффективность ремней безопасности могла быть значительно выше, если бы ими пользовались все водители и пассажиры. Однако число лиц, пользующихся ремнями, по зарубежным данным, составляет примерно 30% на автомагистралях и около 10% в крупных городах. Обследование, проведенное МАДИ совместно с ГИБДД в Москве и Московской области, показало, что число автомобилистов, применяющих ремни, еще невелико (20...60%), несмотря на требования правил движения. Кроме того, многие водители и пассажиры надевают ремни, но не пристегивают их.
Нежелание пользоваться ремнями безопасности вызывается несколькими причинами, Многим людям неприятна сама мысль о возможной аварии и всем с ней связанном. Другие опасаются, что им трудно будет покинуть поврежденный автомобиль при пожаре или опрокидывании. Ремень должен плотно прилегать к телу (зазор между лямкой и грудью не более 100 мм), иначе он может не удержать человека, и последний ударится о детали автомобиля, хотя и с уменьшенной скоростью; однако туго натянутый ремень стесняет движения, мешает управлению, изнашивает и пачкает одежду.
На рисунке 1.14, а изображен диагонально-поясной ремень с тремя точками крепления, получивший в настоящее время наибольшее распространение. У автомобилей ВАЗ, «Москвич» и ГАЗ отверстия для крепления ремней расположены на центральных стойках кузова, на внутренних сторонах дверных порогов и на днище кузова с обеих сторон туннеля карданного вала. На гоночных и спортивных автомобилях используют ремни с четырьмя шестью точками крепления и соответственно с тремя пятью лямками (рисунок 1.14, в).
Чтобы увеличить степень использования ремней безопасности, применяют системы, препятствующие пуску двигателя, если ремень не пристегнут. Так, на некоторых зарубежных автомобилях (рисунок 1.14, г) при посадке водителя на сиденье срабатывает датчик 5, включающий сигнальную лампу 1 и зуммер 2, предупреждающий о необходимости надеть ремень безопасности и одновременно блокирующий замок зажигания. После надевания ремня и соединения верхней и нижней частей его замка зуммер и лампа выключаются, а система зажигания разблокируется.
На рисунке 1.14, д показаны ремни безопасности, которые не надо застегивать при посадке в автомобиль и отстегивать при выходе из него. При закрывании двери рычаг 6 откидывается назад и ремень из положения I переходит в положение II (такое же, как у левого ремня), прижимая человека к сиденью. Широкое применение получают инерционные катушки, на которые намотана свободная часть ремня. При плавных перемещениях тела человека ремень разматывается, не мешая движению. При больших ускорениях (обычно около 0,4...0,5)g катушка блокирует ремень. На рисунке 1.15 изображена инерционная катушка, реагирующая на замедление как тела человека, так и автомобиля и действующая на плечевой ремень. В неподвижном корпусе 7 катушки вращается ось 8, одним концом соединенная с возвратной пружиной 9, а другим с подвижной частью 4 храповика. Маховиком 2 и маятником 1. Неподвижная часть 6 храповика закреплена на корпусе 7. На торце подвижной части храповика выфрезерованы три профильные канавки, в которых расположены стальные шарики 3. При плавных движениях тела человека вытягиванию ремня препятствует только сила возвратной пружины 9, так как части 4 и 6 храповика раздвинуты пружиной 5 и шарики находятся в глубокой части канавок. В случае выдергивания ремня с большой скоростью маховик 2 вследствие инерции начинает вращаться позднее храповика. Шарики выкатываются в мелкую часть канавок и, преодолевая сопротивление пружины

Рисунок 1.14 Ремни безопасности:
а диагонально-поясной ремень; б поясной ремень для грузовых автомобилей; в комбинированный ремень для гоночных автомобилей; г ремни безопасности с предупредительной системой; д автоматическая система ремней; I и II положения ремня до и после посадки человека; 1 сигнальная лампа; 2 зуммер; 3 и 4 соответственно верхняя и нижняя части замка; 5 датчик; 6 рычаг
5, перемещают подвижную часть храповика до зацепления ее с неподвижной частью. Маятник 1 обеспечивает блокировку ремня при больших замедлениях автомобиля. Нижняя часть маятника перемещается вперед, а верхняя соединяет части 4 и 6 храповика.
Недостатки ремней безопасности вынуждают конструкторов разрабатывать устройства, ограничивающие перемещение людей только при

Рисунок 1.15 Инерционная катушка ремня безопасности:
1 маятник; 2 маховик; 3 шарик; 4 и 6 подвижная и неподвижная части храповика; 5 пружина; 7 корпус катушки; 8 ось; 9 возвратная пружина

Рисунок 1.16 Подушки безопасности:
а размещение системы на автомобиле; б начало наполнения мешков; в мешки надуты полностью, пассажиры контактируют с мешками; г пассажиры отброшены на сиденья, газ выпущен из мешков; 1 датчик; 2 приводное устройство; 3 генератор газа; 4 надувные мешки
аварии и не стесняющие их движения во время нормального движения. К ним относятся, например, подушки безопасности (рисунок 1.16, а), имеющие датчики 1, приводное устройство 2 с источником энергии, генератор газа 3, распределительное устройство и надувные мешки 4.
Датчики 1, сигнализирующие о начале удара, измеряют либо деформацию деталей, либо замедление автомобиля. Для надежности часто устанавливают два датчика: один на передней части автомобиля, другой внутри кузова. Сигнал датчика, через 0,005...0,01 с, поступает в устройство 2, обычно представляющее собой детонатор, воспламеняемый электрической искрой. Генератором газа служат баллоны со сжатым до 200...250 мПа азотом или аргоном, а также пиропатроны с запасом твердого топлива. Детонатор, взрываясь, разрушает металлическую перегородку в баллоне или поджигает пиропатрон. На это затрачивается еще 0,05...0.015 с, после чего газ с большой скоростью устремляется в надувные мешки. Иногда применяют один баллон со сжатым газом в сочетании с одним или двумя пиропатронами. Надувные мешки изготовлены из тонкой (толщиной 0,3…0,4 мм) резины или нейлона и в сложенном виде размещены в ступице рулевого колеса, щитке приборов и спинках передних сидений. Надуваясь, мешки через 0,015...0.020 с, заполняют пространство перед водителем и пассажирами, предохраняя их от ударов. Чтобы избежать отбрасывания людей назад и сохранить видимость дороги, газ из надувных мешков после удара о него человека выходит через специальные калиброванные отверстия в течение 0,4...0,5 с.
Подушки безопасности не стесняют человека и срабатывают независимо от его действий. При встречных ударах они хорошо предохраняют не только голову, но и верхнюю часть тела. Недостатком, препятствующим широкому распространению подушек, является значительный шум при их наполнении. Уровень этого шума на небольших автомобилях не удалось сделать ниже 165 дБ, т. е. ниже уровня, при котором разрушаются барабанные перепонки уха. Таким образом, срабатывание подушки может лишить человека слуха. Подушки плохо защищают человека, оказавшегося в «нестандартном» положении перед ударом, а также при боковых столкновениях и опрокидывании автомобиля. Недостаточно проверена также работоспособность подушек, длительное время хранившихся в автомобиле без употребления. Высказываются опасения, что водитель, попавший в аварию, будет указывать на произвольное срабатывание подушки безопасности как на причину ДТП.
Вариантом подушки безопасности является защитная стенка (рисунок 1.17, а), состоящая из нескольких соединенных мешков. При воспламенении пиропатрона, расположенного в верхней части спинки сиденья, мешки 1, надуваясь, перемещаются сначала над головой человека, а затем вниз. Боковые ремни защищают туловище человека от перемещений в стороны, обеспечивая безопасность при различных видах столкновений, а также при опрокидывании автомобиля.
Другие конструкции, ограничивающие перемещение человека, показаны на рисунке 1.17, б и в. Некоторые зарубежные фирмы предлагают применять подушку 3, установленную на изогнутом рычаге 2, который может вращаться относительно горизонтальной оси 6. Когда дверь автомобиля закрыта и зажигание включено, рычаг прижимает подушку с небольшой силой к груди автомобиля. При резком торможении автомобиля или столкновении его с другим транспортным средством рычаг стопорится, а специальное устройство 4

Рисунок 1.17 Способы ограничения перемещения человека:
а защитная стенка из надувных мешков; б удерживающий рычаг; в предохранительная сетка; г откидывание назад при удар сзади; 1 стенка из надувных мешков; 2 рычаг; 3 подушка; 4 устройство, поглощающее удар; 5 облицовка; 6 ось; 7 рамка; 8 шарнир
в нижней части сиденья поглощает энергию удара и ограничивает нагрузку на грудь водителя. Ноги от повреждений предохраняет упругая облицовка 5.
На рисунке 1.17, в показаны сетки безопасности, размещаемые внутри автомобиля на определенной высоте и защищающие водителя и пассажиров при продольных столкновениях. Сетка, изготовленная из эластичного материала типа капрона, имеет крупные ячейки и закреплена в рамке 7, которая в свою очередь при помощи шарниров 8 крепится к кузову автомобиля. Аналогичные сетки применяют для удержания груза в багажниках легковых автомобилей и в кузовах-фургонах.
При попутных столкновениях часто страдают пассажиры переднего автомобиля. От резкого толчка голова под действием силы инерции откидывается назад (рисунок 1.17, г) и может произойти повреждение позвоночника. Для защиты пассажиров в этом случае на спинку сиденья устанавливают подголовники с мягкой обивкой. Подголовники должны выдерживать нагрузку до 90 кН. При этом задняя точка головы не должна смещаться назад на расстояние более 10 см. При воздействии замедления не менее 8g подголовник должен ограничивать отклонение головы назад относительно линии торса на угол не более 45.
В случае наезда на неподвижные препятствия, при столкновениях и опрокидываниях автомобилей люди могут получить серьезные повреждения из-за недостаточной прочности крепления сидений и их спинок. При встречных столкновениях автомобилей детали, крепящие сиденья к днищу кузова, не выдерживают больших нагрузок, и сиденья могут переместиться вперед на 160...250 мм. Это приводит к значительному уменьшению объема жизненного пространства, увеличивает вероятность удара водителя и пассажира о детали автомобиля, находящегося перед ними, а также затрудняет эвакуацию людей из автомобиля после ДТП. Возможны также изгиб кронштейна, крепящего спинку к каркасу сиденья, и отрыв спинки.
Безопасность сидений и спинок имеет особое значение для автобусов вследствие большого количества людей, одновременно подвергающихся травмированию.
Крепление сидений должно выдерживать нагрузку, равную 20-кратному весу сиденья и приложенную параллельно продольной оси автомобиля. Спинка сиденья должна выдерживать приложенную к верхней ее поперечине нагрузку, действующую горизонтально по направлению от передней части автомобиля к задней и эквивалентную моменту 54 кНм.
Система перемещения и регулировки сиденья должна иметь автоматическую блокировку, выдерживающую продольную перегрузку до 20g. Необходимо, чтобы блокировочное устройство выдерживало силу, которая приложена к центру тяжести спинки и которая в 20 раз больше веса спинки и направлена вперед параллельно продольной оси автомобиля.
Во время испытаний замедление модели головы человека при ударе о спинку переднего сиденья не должно превышать 80g в течение 3 мс.
Подлокотники сидений изготавливают из энергопоглощающих материалов, которые должны прогибаться не менее чем на 5 см, не соприкасаясь с жесткими деталями, находящимися под ними.
Пассивную безопасность автомобиля можно улучшить, применяя специальные сиденья (рисунок 1.18). Разработана конструкция сиденья (рисунок 1.18, а), которое при больших замедлениях автомобиля поворачивается на шарнире 1, и кинетическая энергия гасится амортизатором 2. При этом увеличивается эффективный путь остановки пассажира, и силы инерции действуют на голову под более благоприятным углом.
Безопасное сиденье другой конструкции показано на рисунке 18, б. Передняя его часть салазками 4 опирается на ролики 5, а задняя на двуплечие рычаги 8, шарнирно связанные с осью 7. Ролики 5 и ось 7 посредством опор 3 соединены с днищем кузова. Под действием продольного ускорения сиденье перемещается по роликам вперед и одновременно опускается вследствие поворота рычагов 8 на оси 7. Пружины 6 смягчают силу удара.
У грузовых автомобилей и автопоездов с седельным тягачем большую опасность представляет груз, плохо закрепленный на платформе. При встречных столкновениях и наездах автомобилей на неподвижное препятствие груз в процессе удара продолжает двигаться вперед по инерции. Если скорость и масса груза достаточно велики, то его кинетическая энергия может достигать 300...500 кНм, а ударные нагрузки, действующие на детали автомобиля, 7000...10000 кН. Поскольку силы трения между грузом и днищем платформы невелики, а свободное пространство перед грузом мало, то на преодоление трения расходуется всего 3...5% этой энергии. Под действием остальной энергии происходит деформация и разрушение деталей автомобиля.

Рисунок 1.18 Безопасные сиденья:
а и в до удара; б и г после удара; 1 шарнир; 2 амортизатор; 3 опора; 4 салазки; 5 ролик; 6 пружина; 7 ось; 8 рычаг
Перемещаясь почти с той же скоростью, с какой двигался автомобиль перед ударом, груз ударяется о передний борт платформы, деформирует его, а затем сминает заднюю стенку кабины. Жизненное пространство внутри кабины резко сокращается, что увеличивает вероятность травмирования водителя и пассажиров.
Для увеличения безопасности могут быть использованы энергопоглощающие передние бамперы, уменьшающие скорость автомобиля в начале удара, а также амортизирующие устройства, устанавливаемые между передним бортом грузовой платформы и грузом.
Устранение травмоопасных деталей. По действующим правилам жизнь водителя и пассажиров должна быть сохранена при наезде автомобиля на неподвижное препятствие со скоростью 14 м/с; во время столкновения автомобилей при скорости 19,4 м/с; в случае удара сзади по автомобилю предметом массой до 1250 кг со скоростью 22,2 м/с; при боковом ударе (под углом 90) со скоростью 9 м/с; во время двух- или трехкратного переворачивания автомобиля с начальной скоростью 14 м/с.
Для выполнения указанных требований вокруг человека, сидящего в автомобиле, создают защитную зону (жизненное пространство), внутрь которой не должны проникать детали автомобиля при авариях. Форма жизненного пространства зависит от антропологических размеров тела человека, его перемещений во время ДТП и конструкции автомобиля.
На рисунке 1.19, а показано положение тела водителя в начальный момент удара и нанесены границы перемещений деталей автомобиля при столкновении. Линия 1 1 соответствует легким повреждениям, линия 2 2 тяжелым, а линия 3 3 смертельным. Точки на кривых означают: К крыша, Р рулевая колонка, П панель приборов, Щ передний щит кузова. Таким образом, чтобы уменьшить тяжесть телесных повреждений, нужно ограничить перемещение деталей по крайней мере до линии 1 1. На рисунке 1.19, б приведены результаты исследований американских инженеров и итальянской фирмы Фиат по определению формы жизненного пространства.

Рисунок 1.19 Жизненное пространство:
а автомобиля ГАЗ-3102 «Волга»; б различных автомобилей; К крыша; Р рулевая колонка; П панель приборов; Щ передний щит кузова; 1 1 легкие повреждения; 2 2 тяжелые повреждения; 3 3 смертельные травмы
Детали автомобиля, ограничивающие жизненное пространство, должны быть без острых граней и узлов, выступающие части (кнопки, выключатели, рычаги) должны быть утоплены и покрыты мягкой обивкой.
Рычаги, переключатели и кнопки, расположенные на панели приборов в зоне возможного удара о них водителя и пассажиров и выступающие над поверхностью панели на 3...9,5 мм, должны иметь головку площадью не менее 200 мм2 с радиусом закругления краев не менее 2,5 мм. Детали, выступающие над панелью более чем на 9,5 мм, должны под действием горизонтального усилия 390 Н, направленного вперед, утапливаться (так, чтобы высота части детали, выступающей над панелью, была не более 9.5 мм), отсоединяться или обламываться.
Большое количество травм и смертельных исходов во время ДТП связано с ветровым стеклом. Стекла должны быть упругими и амортизировать при ударе, чтобы исключить повреждения костей черепа. При разбивании стекол они не должны образовывать осколков с острыми углами и гранями, которые могут причинить порезы.
В настоящее время применяют стекла двух видов: однослойные закаленные и трехслойные (триплекс).
Чтобы уменьшить травматизм при опрокидывании автомобиля, усиливают стойки кузова и крыши, вводят жесткие дуги над головами пассажиров. Люди, оставшиеся при опрокидывании внутри автомобиля, обычно получают менее серьезные повреждения, чем выпавшие из него. Поэтому в стандартах и правилах ЕЭК ООН оговаривается, что конструкция замков должна обеспечивать два положения: полностью закрытое и не полностью закрытое. В первом положении замки дверей и фиксаторы должны выдерживать продольную нагрузку 11,34 кН и поперечную 9 кН, а во втором положении 4,5 кН в каждом направлении. Дверной замок должен оставаться в полностью закрытом положении при действии на него в любом направлении инерционной нагрузки до 30g.
Дверные петли любой конструкции должны выдерживать продольную нагрузку 11,34 кН и поперечную 9 кН.
1.4 Внешняя пассивная безопасность
В процессе ДТП должна быть обеспечена сохранность, как самого автомобиля, так и окружающих предметов. При столкновениях и наездах внешнюю пассивную безопасность обеспечивают, прежде всего бамперы. Однако бамперы современных автомобилей не всегда соответствуют этому назначению.
Правильно сконструированный бампер должен обеспечивать не только внутреннюю пассивную безопасность, но и внешнюю и поглощать бльшую часть кинетической энергии, развивающейся при ударе. Для этого прежде всего необходимо, чтобы передние и задние бамперы всех транспортных средств и самоходных механизмов, движущихся по общей дорожной сети, находились на одной высоте от покрытия [22].
По зарубежным рекомендациям задний бампер следует устанавливать на всех грузовых автомобилях, у которых нижний конец кузова находится на высоте не менее 0,7 м над дорогой или задний свес составляет 1 м. Оптимальная высота установки бампера 0,38...0,51 м. Длина бампера должна быть несколько меньше габаритной ширины автомобиля, но не короче чем на 0,1 м с каждой стороны.
Исследования показали, что современный бампер легкового автомобиля может предохранить фары и облицовку радиатора при наезде на неподвижное препятствие со скоростью не более 1 м/с. Предложено много конструкций безопасных бамперов. Вначале бампер обтягивали толстым слоем пористой резины или упругого пластика, однако это не привело к желаемым результатам. Было установлено, что бампер при слабых толчках должен защищать от повреждения дорогие элементы кузова, а при сильных ударах деформироваться вместе с передней частью автомобиля.
Согласно американскому стандарту при встречном столкновении со скоростью 2.2 м/с и боковом столкновении со скоростью 1,4 м/с автомобили практически не должны иметь повреждений, а удар должен быть поглощен на пути 5...8 см.
Безопасные бамперы содержат энергопоглощающий элемент, в котором энергия удара преобразуется в работу деформации или тепловую энергию. По типу упругого элемента бамперы могут быть механические, гидравлические, пневматические и комбинированные.
На рисунке 1.20, а показан бампер с механическим амортизирующим элементом, работающим на сжатие. Бампер состоит из средней балки 1 и двух боковых крыльев 2, соединенных шарниром 3. Энергопоглощающий элемент выполнен в виде конуса 7, жестко соединенного с кузовом автомобиля. Внутри конуса проходит стержень 4 с коническим блоком 6 из упругой пластмассы, упирающимся в буртик 5. К стержню 4 гайкой 8 прикреплена тяга 9 вспомогательного элемента, состоящего из конуса 11 и упругого элемента 10. Верхняя часть конуса соединена с боковым крылом 2. При ударе эластичные блок 6 и элемент 10 вдвигаются внутрь конусов и, сжимаясь, поглощают энергию удара.
В механических амортизаторах упругий элемент может работать на сдвиг (рисунок 1.20, б). Поперечный брус 15 бампера соединен со стальной пластиной 16, привулканизированной к резиновому элементу 14. Наружная часть элемента закреплена в обойме 13. При ударе пластина перемещается назад до тех пор, пока не упрется в упругий буфер 12 на кузове автомобиля.

Рисунок 1.20 Безопасные бамперы с упругими амортизирующими элементами:
а схема бампера с элементами, работающими на сжатие; б схема бампера с элементами, работающими на сдвиг; 1 балка; 2 боковое крыло; 3 шарнир; 4 стержень; 5 буртик; 6 конический блок; 7 энергопоглощающий конус; 8 гайка; 9 тяга; 10 упругий элемент; 11 конус; 12 буфер; 13 обойма; 14 резиновый элемент; 15 поперечный брус бампера; 16 пластина
Резина элемента при этом деформируется, как показано в нижней части рисунка 1.20, б.
Примерные размеры элемента, работающего на сдвиг, можно определить следующим образом.
Из условий равенства кинетической энергии автомобиля и работы деформации резины можно написать
Мv2=WрGрe2, (1.13)
где М и v масса и скорость автомобиля;
Wр объем резины в упругих элементах;
Gр модуль сдвига резины;
e относительная деформация резины при сдвиге, равная для натурального каучука 2,5, для специальных сортов резины 3,5...4.
Высота резинового элемента
h= /e, (1.14)
где абсолютная деформация резины, равная перемещению автомобиля при остановке.
Площадь горизонтального сечения резинового элемента равна W/h. Обычно применяют несколько блоков (рисунок 20, б), имеющих квадратную форму со стороной квадрата h, где =1...2. Тогда W/h=2n2h2, где n число энергопоглощающих элементов. Отсюда число элементов
n= W/(2h32)=2mv2 e/(2Gр 23). (1.15)
Элементы, работающие на сдвиг, удобны тем, что их жесткость не зависит от направления перемещения бампера при ударе. Наиболее приемлемым оказался для них материал, синтезированный на основе этиленпропиленовых соединений.
В пневматических и гидравлических амортизирующих элементах энергия удара поглощается при сжатии газа или перетекании жидкости через дросселирующие отверстия. Схема бампера с гидропневматическим амортизатором показана на рисунке 1.21, а. На кузове автомобиля установлен цилиндр 6 с гильзой 2, соединенной с корпусом 9. Поршень 7 закреплен на штоке 4 с конической передней частью. Между корпусом 9 и штоком 4 имеется кольцевое дросселирующее отверстие 3. Задний конец штока жестко укреплен на кузове автомобиля. Полости 5 корпуса бампера и цилиндра заполнены вязкой жидкостью (глицерином, минеральным или силиконовым маслом), а полость 8 инертным газом, например азотом. Утечки предотвращаются уплотнениями 1. При ударе корпус 9 перемещается назад, и поршень 7 сжимает газ. Одновременно гильза 2 вдвигается в цилиндр 6, вытесняя жидкость через

Рисунок 1.21 Безопасный бампер с гидропневматическим амортизирующим элементом:
а схема бампера; б характеристика бампера; 1 уплотнение; 2 гильза; 3 дросселирующее устройство; 4 шток; 5 полость корпуса бампера; 6 цилиндр; 7 поршень; 8 полость; 9 корпус бампера
дросселирующее отверстие в полость, расположенную за поршнем. Благодаря конической форме штока расход жидкости через отверстие 3 уменьшается при перемещении корпуса 9, скорость поршня снижается в каждую секунду на одну и ту же величину, и автомобиль движется с постоянным замедлением. Процесс замедления автомобиля при этом эквивалентен процессу замедления при постоянной силе сопротивления гидравлического элемента
P=Mv/(2Sn), (1.16)
где v0 начальная скорость удара;
S перемещение автомобиля во время удара;
n число гидравлических элементов.
Характеристика бампера зависимость между деформацией и замедлением имеет форму, близкую к прямоугольнику (штриховая линия на рисунке 1.21, б). Количество энергии, поглощаемой бампером при такой форме характеристики, максимально. Для автомобиля массой 2040 кг при v0=22,4 м/с и n=2 удалось получить перемещение в процессе удара, равное всего 0,76 м, при этом 0,3 м ход поршня, а 0,46 м деформация рамы. Сила, действующая на бампер, составила 80,3 кН, а среднее замедление 33,4g, что значительно ниже предельных значений. При давлении около 4 мПа диаметр поршня равен 11 см, что вполне приемлемо по конструктивным соображениям. После удара инертный газ в полости 8 увеличивается в объеме и корпус возвращается в исходное положение. Иногда вместо газа используют спиральную или тарельчатую пружину, однако они недостаточно долговечны.
Во время наезда автобуса или грузового автомобиля пешеход отбрасывается в сторону. При наезде же легкового автомобиля пешеход сначала падает на капот и некоторое время движется вместе с автомобилем, после чего падает на дорогу. Смертельный исход в обоих случаях наступает при скорости автомобиля около 11 м/с.
Для уменьшения травматизма предложены защитные приспособления, удерживающие пешехода после удара и предохраняющие его от падения на дорогу. При срабатывании такого приспособления в первой стадии наезда (через 0,2...0,3 с) пешеход забрасывается на капот автомобиля. После начала торможения автомобиля пешеход, продолжая двигаться с приобретенной скоростью, сползает вперед по капоту и падает вниз. Защитная сетка начинает автоматически выдвигаться примерно спустя 0,2 с после удара. Через 1 с выдвижение ее полностью заканчивается, и сетка принимает падающего человека.
На рисунках 1.22 и 1.23 показана защитная рамка, устанавливаемая на некоторых английских автомобилях. При ударе бампера 1, изготовленного из эластичной резины, срабатывает датчик и из углубления по периметру капота поднимается рамка 2, подхватывающая пешехода и удерживающая его в этом положении. Рамка во время испытаний удерживала манекен при скоростях автомобиля до 7 м/с.
Защитная рамка приводится в действие гидравлическим цилиндром 1, расположенным вертикально (рисунок 1.24, а) или горизонтально (рисунок 1.24, б). Последняя конструкция более громоздка, поэтому ее рекомендуют применять в автомобилях с задним расположением двигателя. После удара и срабатывания датчика шток 2 цилиндра выдвигается и непосредственно (рисунок 1.24, а) или через систему рычагов (рисунок 1.24, б) давит на переднюю часть рамки 4 с облицовкой 5 из мягкого пластика. Рамка освобождается от защелки 3 и, поворачиваясь относительно шарнирной опоры 6, поднимается, подхватывая пешехода и удерживая его на крыше 7 капота.
Отработка отдельных элементов автомобиля, повышающих его пассивную безопасность, ведется во многих странах мира. Внедрение наиболее удачных конструктивных решений в продукцию массового производства способствует дальнейшему снижению аварийности на автомобильном

Рисунок 1.22 Автоматическая защитная рамка:
1 бампер; 2 рамка

Рисунок 1.23 Схема работы защитной рамки

Рисунок 1.24 Схема привода защитной рамки:
1 цилиндр; 2 шток; 3 защелка; 4 рамка; 5 облицовка рамки; 6 шарнирная опора; 7 крышка капота
транспорте и созданию прототипов специальных безопасных автомобилей [23, 24, 25].
2 Эксплуатационные качества автомобиля, обеспечивающие пассивную безопасность
2.1 Виды ДТП, травмобезопасность элементов автомобиля, выдерживаемые человеком нагрузки
Основными видами ДТП являются фронтальные и боковые (прямые или косые) столкновения автомобилей, прямой или косой наезд на движущийся или стоящий автомобиль и опрокидывание (рисунок 2.1). В результате столкновений при ДТП размеры пассажирского помещения («пространство выживания») уменьшаются в ряде случаев до опасных пределов, находящиеся в автомобиле люди испытывают перегрузки, иногда превышающие критические значения, получают травмы отдельных частей тела, при перемещении под действием замедления и при ударах об стенки салона. Возможны также случаи выпадения людей из салона автомобиля с последующим тяжелым травмированием.

Рисунок 2.1 Наиболее распространенные типы ДТП:
а встречное столкновение; б наезд сзади на движущийся в том же направлении автомобиль; в наезд на неподвижный автомобиль сзади;
г то же, спереди; д наезд сбоку на движущийся (неподвижный) автомобиль; е наезд на неподвижное препятствие; ж боковой удар о неподвижное препятствие; з опрокидывание на горизонтальной поверхности; и то же, при съезде колес одной стороны с опорной поверхности дороги
Данные, полученные в результате анализа ДТП специальными центрами, позволили выявить наиболее характерные виды ДТП, их долю в общем числе аварий и травмоопасность отдельных элементов автомобиля. Так по данным США на лобовые столкновения приходится 56,5% от общего числа аварий, а число наездов на автомобиль сзади равно 7,8%. При этом 48,9% от общего числа лобовых ударов составляют взаимные столкновения автомобилей и 12,6% столкновения с препятствиями. 50% лобовых ударов происходит со скоростью, меньшей чем 65 км/ч [8].
Группа по исследованию ДТП при Бирмингемском университете, организованная в 1995г., изучила на месте сразу после возникновения 636 ДТП, из которых 482 произошли в городах, а 154 на автострадах.
Это соотношение, как считается, характерно для Англии. В ДТП участвовало 1049 автомобилей, из них 76 % легковых (таблица 2.1).
Из таблицы 2.1 следует, что лобовые удары, если включить сюда повреждения передних углов автомобиля, составляют примерно 50%, боковые удары около 25%; удары в задок и опрокидывание до 10% от общего количества.
Таблица 2.1
Распределение ДТП по отдельным районам в зависимости от зон удара на автомобиль
|
Зона удара |
Доля ДТП, приходящаяся на отдельные районы, % от общего количества |
Всего, % от общего количества |
||
|
Город |
Пригород |
Автострады |
||
|
Передняя часть Передние углы Боковые поверхности: правой стороны левой стороны Задняя часть Крыша и боковины при опрокидывании |
32,9 22.9 17,9 11,1 9,4 5,8 |
28,4 22,5 15,7 10,1 9,4 5,8 |
21,0 15,8 20,2 5,3 5,3 32,4 |
31,4 22,6 17,0 10.2 9,8 9,0 |
Хотя боковые удары составляют относительно небольшую часть, процент повреждения людей, находящихся в автомобиле, при этом весьма велик. Это объясняется тем, что при боковом ударе люди, находящиеся в автомобиле, расположены гораздо ближе к «орудию» удара и слабее защищены от него, чем при фронтальном ударе.
В таблице 2.2 даны сведения о предметах, с которыми произошли столкновения.
На рисунке 2.2 приведены данные по травмам на американских автомобилях, полученные в США. На основе этих данных исследовались возможности человеческого организма противостоять нагрузкам, возникающим при ДТП.
Таблица 2.2
Сведения об объектах, с которыми произошло столкновение при ДТП
|
Объект, с которым произошло столкновение |
Доля ДТП, приходящаяся на отдельные районы, % от общего количества |
Всего, % от общего количества |
|
|
Город |
Пригород и автострады |
||
|
Автомобили Пешеходы Оборудование улиц (в основном фонарные столбы) Деревья Канавы, насыпи, стенки. изгороди |
78,2 12,4 5,4 2,3 6,7 |
70,8 0,9 4,9 2,0 21,8 |
72,6 9,4 5,3 2,2 10,5 |

Рисунок 2.2 Степень опасности различных узлов автомобиля в отношении травмирования водителя и пассажиров:
неопасные травмы
Установленные в процессе исследований величины нагрузок, выдерживаемых человеческим организмом, и вызываемые ими повреждения приведены в таблице 2.3.
Таблица 2.3
Величины нагрузок, выдерживаемых человеческим организмом, и вызываемые ими повреждения
|
Часть тела человека |
Нагруз-ка, Н |
Допустимое замедление, м/с2 |
Время воздей-ствия, мс |
Предполагаемые повреждения |
|
Лицо Колено Голова (череп) Грудь |
90 225 90 400 |
40 20 110 75 50 60 |
30 30 4 8 30 110 |
Повреждение тканей лица, возможен перелом костей Перелом коленных чашечек Легкое или среднее сотрясение мозга Излечимые внутренние повреждения |
Установлено, что выдерживаемая человеческим организмом нагрузка тем выше, чем меньше время ее воздействия, и зависит от степени подготовленности людей к ее восприятию. Например, сознательное напряжение мышц перед ударом позволяет выдерживать усилие 3720 Н и воспринимать до 55% общей нагрузки на организм.
Подразделяя последствия фронтального удара на три категории (восстанавливаемые изменения жизненных функций, невосстанавливаемые, но позволяющие жить травмы и функциональные повреждения и немедленная или последующая смерть), известный исследователь безопасности автомобиля П. Стап предложил два диапазона скорости автомобиля в момент фронтального столкновения для оценки его последствий: до 48 км/ч (допустимый диапазон) и до 96 км/ч (диапазон выживания возможность оставаться живым лишь при наличии на автомобиле устройств, повышающих безопасность: ремни безопасности, безопасная рулевая колонка, мягкая панель приборов и т. п.).
2.2 Фронтальный удар и удар сзади
Как уже указывалось, основным видом ДТП являются фронтальные удары автомобилей в препятствие (56,5% от общего количества аварий). Из этого числа 48,9% составляют взаимные лобовые столкновения автомобилей, 12,6% столкновения автомобилей с препятствиями, 7,8% лобовые столкновения при наезде автомобиля на заднюю часть другого автомобиля.
Испытание автомобиля ударом в неподвижное препятствие (железобетонный блок) показано на рисунке 2.3.

Рисунок 2.3 Испытание автомобиля на удар о неподвижное препятствие
Учитывая значительную стоимость и большой объем работ по подготовке и проведению ударных испытаний (стоимость одного испытания равна примерно тройной стоимости нового автомобиля), сделаны многочисленные попытки математического моделирования процесса удара автомобиля в неподвижное препятствие.
Теоретические и экспериментальные исследования поведения автомобиля при искусственно создаваемом столкновении с неподвижным препятствием позволили получить необходимые сведения о характере деформации кузова при фронтальном ударе, а также данные об эффективности защиты находящихся в нем людей при применении различных конструкций передней части и корпуса кузова.
В результате этих исследований была определена деформация передней части (и задней части при ударе сзади) кузова, при которой пассажирское помещение в процессе столкновения имеет наименьшую деформацию, а замедления частей тела водителя и пассажиров, пользующихся ремнями безопасности с креплением в трех точках, не превышают допустимых пределов.
Оптимальный характер деформации кузова при фронтальном ударе и ударе сзади показан на рисунке 2.4. Примерами ранних конструктивных решений, вводившихся для обеспечения оптимальной жесткости передней части автомобиля рамной конструкции, являются введение усилителей переменного сечения в верхней части передка автомобиля и изменение соединения передних лонжеронов с поперечиной (рисунок 2.5), разработанные фирмой «Ford». Этой же фирмой разработана рама, передние части лонжеронов которой имеют S-образную форму (рисунок 2.6).

Рисунок 2.4 Оптимальный характер деформации передней и задней частей автомобиля соответственно при наезде на препятствие и при ударе сзади
ЕЭК ООН были приняты Правила №32 в отношении поведения конструкции транспортных средств при ударе сзади и Правила №33 в отношении поведения конструкции транспортных средств при лобовом столкновении.
При измерении после испытания по Правилам №32 остаточного пространства с помощью трехмерного объемного манекена определяется величина продольного перемещения вертикальной проекции на пол точки R(H) самого заднего места для сиденья по отношению к исходной точке, выбранной на недеформированной части конструкции транспортного средства.
Продольное перемещение указанной точки не должно превышать 75 мм. Более подробно методика оценки безопасности конструкции автомобиля методом наезда сзади описана в работе [9].

Рисунок 2.5 Конструктивное выполнение передней части автомобиля, обеспечивающее получение оптимальной величины деформации:
1 верхние усилители передних крыльев; 2 усилители панели капота; 3 усилители панели капота; 3 усилители крепления кузова к раме (четыре); 4 усилитель щита передней части; 5 перевернутый кронштейн крепления кузова; 6 косынки

Рисунок 2.6 Рама с S-образными лонжеронами фирмы «Ford»:
1 после удара; 2 до удара
2.3 Боковой удар
Для снижения тяжести травм при боковом ударе на американских автомобилях была повышена жесткость боковых дверей введением продольного элемента, состоящего из двух спаренных между собой штамповок из листа толщиной 1,75 мм, образующих коробчатое сечение шириной 50,8 мм и высотой 203 мм (рисунок 2.7), что увеличило массу двухдверного кузова примерно на 21,7 кг, а четырехдверного на 22,2 кг.


Рисунок 2.7 Усиливающий брус боковой двери, поглощающий энергию бокового удара:
а схема расположения брусьев; б сечение бруса; в конструкция двери с усиливающим брусом
2.4 Опрокидывание. Прочность и надежность замков и петель дверей
По данным группы исследования ДТП при Бирмингемском университете (Англия) за 1995 г. Около 9% от общего числа аварий составили ДТП, в результате которых произошло опрокидывание с повреждением при этом крыши и боковины автомобиля. Наибольшее число опрокидываний произошло на автострадах при движении с высокими скоростями, что привело в результате ДТП к тяжелым травмам водителей и пассажиров.
Повышение безопасности при опрокидывании достигается применением закрытых коробчатых сечений в зоне ветровых и задних окон и жестких связей между центральными стойками. В связи с этим сейчас уменьшается количество открытых автомобилей, а новые модели их имеют декоративно оформленные дуги закрытого сечения над головами пассажиров.
Учитывая, что пассажиры, оставшиеся при опрокидывании в автомобиле, имеют менее серьезные повреждения, чем выпавшие из него, помимо повышения требований к замкам по восприятию ими поперечной нагрузки, появилось требование в отношении того, чтобы замок двери воспринимал и продольную нагрузку, возникающую при деформации дверного проема.
В Правиле №11 ЕЭК ООН предусмотрено, что элементы замков и петель дверей не должны разъединяться при приложении продольной нагрузки, равной 11340 Н (или 4540 Н, если ротор замка находится в зацеплении только с внешним зубом защелки).
Предусматривается также, что ротор замка не должен освобождаться из полностью защелкнутого положения и допускать открывание двери под действием направленной продольно или поперечно инерционной нагрузки, равной 30g.
3 Требования к пассивной безопасности автомобилей
3.1 Требования к пассивной безопасности пассажирского помещения легкового автомобиля
Исследование последствий ДТП позволило выделить элементы пассажирского помещения, являющиеся наиболее частой причиной травмирования водителя и пассажиров.
На основании полученных данных, а также сведений о переносимых человеческим организмом ударных нагрузках, были разработаны требования к безопасности пассажирского помещения легкового автомобиля. Максимальный эффект, как показывает анализ ДТП, достигается при применении комбинированных ремней безопасности. Однако установка их не решает полностью задачи по защите находящихся в автомобиле людей от травмирования при ДТП. В настоящее время имеется ряд официальных требований, касающихся элементов внутреннего оборудования, которые практически идентичны друг другу.
Правила №21 ЕЭК ООН, касающиеся предметов внутреннего оборудования и частей механических транспортных средств, также во многом совпадают с этими требованиями.
Требования федерального стандарта США №201 в отношении панелей приборов исходят из того, что при ударе о них пассажира, сидящего справа, наиболее важным показателем является пиковое замедление частей тела человека и, в первую очередь, его головы.
Стандартом №201 предусмотрено аналогичное требование и в отношении спинок передних сидений (о которые может удариться пассажир, сидящий сзади) а также противосолнечных козырьков
Зоной возможного удара головой о панель приборов в соответствии с Правилами №21 ЕЭК ООН считается вся верхняя поверхность панели приборов, ограниченная справа стойкой ветрового окна, слева окружностью обода рулевого колеса, увеличенной по периферии полосой шириной 127 мм. Передней линией зоны возможного удара головой о панель приборов является нижняя линия проема ветрового стекла; сзади она ограничена задним контуром панели приборов. В эту зону не включаются стойки ветрового окна.
Ширина зоны удара головой пассажиров, сидящих сзади, о передние раздельные сиденья ограничивается Правилами №21 ЕЭК полосами шириной 10 см (4'') по обе стороны от оси задней поверхности каждой спинки передних раздельных сидений или вертикальными продольными плоскостями, проходящими на расстоянии 10 см (4'') от оси каждого крайнего места переднего нераздельного сиденья.
Приведенные в литературе данные свидетельствуют о том, что алюминиевые панели приборов, имеющие арматуру из проволочной сетки, а также панели с мягкими накладками (даже значительной толщины, но не имеющие арматуры), малоэффективны с точки зрения снижения пикового замедления при ударе. Лучшие результаты при испытаниях получены на панелях приборов, изготовленных из тонколистовой стали, имеющих большое число узких прорезей, большое расстояние между опорами и большие радиусы кривизны поверхности.
Твердые выступающие детали в салоне автомобиля рассматриваются стандартом №201 и Правилами ЕЭК ООН как источники травм. В связи с этим оговорены размеры выступающих частей и минимальная площадь поверхности в зоне возможного удара. Например, различные рукоятки не должны выступать из панели приборов более чем на 9,5 мм при приложении к панели усилия 40,8 Н в направлении удара головой. При выступании от 3,2 до 9,5 мм над поверхностью панели хотя бы одно поперечное сечение выступа должно иметь площадь не менее 2 см2. Если же рукоятки выступают более чем на 9,5 мм, то они должны или утапливаться до этой величины при усилии 408 Н или отламываться без образования острых кромок; сечение на расстоянии 6,5 мм от наиболее выступающей точки должно иметь площадь более 6,5 см2.
Для удовлетворения требований безопасности рукоятки управления на панелях приборов и ручки дверей и стеклоподъемников располагают в утопленных нишах или делают эластичными.
Для предупреждения травм селезенки и печени водителя и пассажиров при боковом ударе стандарт №201 требует обеспечения деформации подлокотника в боковом направлении не менее чем на 50 мм. Если же подлокотник деформируется менее чем на 38,1 мм, то его жесткая арматура должна иметь ширину по вертикали не менее 25,5 мм, а верхние и боковые края ее должны иметь радиусы более 19 мм.
Подлокотник должен перекрывать по высоте поверхность таза пассажира более чем на 50,8 мм.
Правила №21 ЕЭК ООН устанавливают требования к нижней поверхности крыши, с которой может соприкасаться шар диаметром 165 мм. Эта поверхность не должна иметь направленных вниз поверхностей и острых кромок; ширина выступающих частей должна быть больше высоты выступа, а его радиусы должны быть более 5 мм. Ребра жесткости и планки на внутренней поверхности крыши не должны выступать вниз более чем на 19 мм. Если не удовлетворяются эти требования, то поверхности должны быть покрыты материалом, рассеивающим энергию удара. Установлены также требования к открывающейся крыше и к мягкому тенту.
Определенный процент травм зарегистрирован при ударе пассажира или водителя о внутреннее зеркало заднего вида (см. рисунок 2.2). В связи с этим американским стандартом №111 предусмотрено, что в случае, когда зеркало расположено в зоне удара головой, крепление его должно быть таким, чтобы под действием усилия 408 Н в переднем или боковом направлении, при повороте в любой плоскости на 45 вверх или вниз от горизонтали, зеркало должно отламываться без образования острых кромок или же отклоняться далее. В то же время крепление должно обеспечивать устойчивое изображение в зеркале. Для удовлетворения этого требования на американских, а также на многих европейских автомобилях зеркала крепят к кузову посредством шарового шарнира («Москвич-2140»), пластмассовыми срезающимися винтами или применяют другое безопасное крепление.
Жесткие и в то же время противоречивые требования предъявляются к ветровым стеклам: с одной стороны высокое сопротивление действию ударных нагрузок (во избежание порезов при аварии), с другой достаточная упругость, позволяющая смягчить травмы головы и позвоночника. Этим требованиям удовлетворяет стекло типа триплекс, чем обусловлено широкое применение его в Европе.
На защитные свойства триплекса влияют толщина промежуточного слоя и способ крепления стекла к кузову. Если раньше промежуточный слой выполнялся толщиной 0,38 мм, то сейчас применяют стекло с новым химическим составом и толщиной слоя 0,75 мм. По имеющимся данным безопасные свойства стекла с плавающим креплением через резиновый уплотнитель гораздо выше, чем при жестком креплении при помощи мастики, так как в первом случае стекло при ударе по инерции несколько смещается вперед, что снижает скорость удара головой о стекло примерно на 20%.
Серьезные требования предъявляются к сиденьям автомобилей. В Правилах №17 ЕЭК ООН содержатся конкретные критерии прочности сидений, шарниров спинок и крепления их к полу кузова.
При ударе в автомобиль сзади, в том случае если спинка или запирающее устройство ее шарнира имеют недостаточную жесткость, спинка сиденья отклоняется назад и тело пассажира скользит по ней вверх, что может привести к травмам позвоночника. В связи с этим в американском стандарте №207 и в шведском требовании №10 предусмотрено, что спинка сиденья и запирающее устройство ее шарнира должны выдерживать приложение момента, равного 380 Нм.
Крепление сиденья испытывается приложением в центре его тяжести горизонтальных усилий, направленных вперед и назад, равных двадцатикратному весу сиденья. При этом шарнир спинки сиденья может разгружаться дополнительным креплением спинки к основанию сиденья. Правилами предусмотрено также, что рукоятка блокировочного устройства, позволяющего перемещать вперед спинку переднего сиденья (или само сиденье) для более удобной посадки на заднем сиденье, должна быть доступна как пассажиру, сидящему на этом сиденье, так и пассажирам, сидящим сзади. Блокировка не должна нарушаться при воздействии как вперед, так и назад горизонтального продольного ускорения величиной 20g.
3.2 Требования к пассивной безопасности кабины грузового автомобиля
ЕЭК ООН были приняты Правила №29. касающиеся официального утверждения транспортных средств в отношении защиты лиц, находящихся в кабине грузового транспортного средства в случае лобового удара, опрокидывания или перемещения груза, находящегося в кузове.
Правила применяются только к грузовым транспортным средствам, наибольшая масса которых превышает 7000 кг, и приравненным к ним транспортным средствам, но не относятся к тракторам и сельскохозяйственным машинам.
В соответствии с пунктом 5 Правил №29 кабина должна быть сконструирована и укреплена на транспортном средстве таким образом, чтобы в случае ДТП устранить полностью или снизить опасность ранения находящихся в ней лиц.
3.3 Требования к пассивной безопасности места водителя
Основные размеры, система демпфирования и подрессоривания, свойства обивочного материала, формы подушки и спинки сиденья водителя автобуса, а также расположение сиденья в кабине и его регулировки регламентируются стандартами. Расстояние от подушки до пола (при нагрузке 750 Н) должно быть в пределах ±50 мм, глубина сиденья 400...480 мм, ширина подушки не менее 450 мм, высота спинки не более 530 мм. Сиденье должно иметь регулировку по высоте в пределах ±50 мм, и «вперед назад» в пределах ±80 мм. Стопорные устройства не должны допускать самопроизвольного изменения положения сиденья во время движения, при резком замедлении или аварии. Сиденье, детали его крепления, регулировочные и стопорные устройства должны выдерживать в направлении вперед или назад статическую нагрузку, равному двадцатикратному весу сиденья в сборе; статический момент, равный 500 Нм относительно задних точек крепления оснований сиденья, направленный назад.
Стопорные устройства механизма регулировки спинки должны не раскрываться и без поломок, выдерживать нагрузку, равную двадцатикратному весу спинки в сборе. При креплении ремней безопасности к спинке стопорные устройства механизма регулирования спинки должны выдерживать одновременно с указанной нагрузкой и нагрузку, которую должны выдерживать ремни безопасности.
Поверхность панели приборов в зоне возможного удара не должна иметь острых углов и выступающих кромок, могущих увеличить тяжесть последствий удара. Под зоной возможного удара подразумевается поверхность панели приборов за исключением полос шириной 127 мм, около проекции рулевого колеса на панель приборов, а также и около боковых стенок кабины. Все поверхности, находящиеся в поле зрения водителя, не должны давать бликов. Нижний край панели приборов, если он не выполнен из энергопоглощающего материала, должен быть закруглен радиусом не менее 19 мм. Рычаги, кнопки, переключатели и другие детали, расположенные на панели приборов в зоне возможного удара и выступающие над поверхностью панели до 9,5 мм, должны иметь широкие головки с закругленными краями; сечение их на расстоянии не более 2,5 мм от наиболее выступающей части должно иметь площадь не менее 200 мм2, а радиус скругления краев не менее 2,5 мм. При выступании над поверхностью панели более 9,5 мм эти детали должны утапливаться, отгибаться или отсоединяться до выступания 9,5 мм под действием усилия 380 Н, приложенного в направлении удара и не иметь при этом опасных выступов. Освещение панели приборов не должно ослеплять водителя.
- Ремни безопасности
Анализ аварий автомобилей и имитация их столкновением автомобиля с находящимся в нем манекеном с неподвижным препятствием позволили установить, что вслед за ударом автомобиля в препятствие (первичный удар) происходит удар находящегося в автомобиле человека (манекена при имитации) об элементы пассажирского салона (вторичный удар).
При существующих размерах передней части легковых автомобилей и расстояниях от частей тела человека до внутренних панелей кузова погасить полностью энергию первичного удара, не превышая допустимые для человека нормы действующих на него замедлений, не удается. Для того чтобы величины замедлений не превышали допустимых пределов, необходимо было бы обеспечить деформацию передней части кузова автомобиля на длине около 750 мм при скорости в момент удара 50 км/ч. Еще труднее, не превышая допустимые величины замедлений, погасить энергию бокового удара или опрокидывания. В этих случаях длина, на которой возможна деформация боковых элементов панелей кузова, и расстояния от частей тела человека до них крайне малы. Поэтому для исключения или хотя бы снижения тяжести травм водителя и пассажиров в результате удара на автомобилях начали применять ремни безопасности, удерживающие человека от перемещений в направлении удара.
Вначале применяли только поясные набедренные ремни, концы которых закрепляли на полу кузова. Поскольку эти ремни не удерживают корпус пассажира, то он мог свободно перемещаться в момент удара по дуге. В некоторых случаях при этом было зарегистрировано даже большее, чем без поясного ремня, замедление головы. Позднее получили распространение диагональные плечевые ремни, один конец которых закрепляют на полу, а второй на верхней части стойки. Выше плеча пассажира. Однако эти ремни были эффективны только при опрокидывании автомобиля.
Наилучшие результаты дает одновременное использование поясного и диагонального ремней.
Расстояния между точками крепления поясного ремня не должно быть меньше 350 мм. Точки крепления плечевого ремня должны выдерживать нагрузку не менее 22940 Н, а поясного 22680 Н.
Чем плотнее прилегает ремень к телу человека, тем эффективнее он «работает», так как при сильных ударах даже плотно прилегающий ремень за счет некоторой его эластичности позволяет телу пассажира переместиться на 200...300 мм в направлении удара.
За последние годы получили распространение ремни с втягивающими устройствами, в частности, с инерционными катушками (которые позволяют человеку относительно свободно делать обычные движения по управлению автомобилем), срабатывающие только при высоких значениях ускорения, свыше 0,4g. Однако, наряду с частичным уменьшением неудобств, системы ремней с втягивающими устройствами обладают рядом недостатков. Несмотря на незначительные усилия втягивания ремня в катушку, при длительной непрерывной езде с ремнями, имеющими втягивающее устройство, создается неприятное ощущение от постоянного притягивания человека к спинке и подушке сиденья. Кроме того, эти системы допускают при обычных (с ускорением менее 0,4g) движениях удаление человека от спинки и подушки сиденья на всю длину ремня. Если в момент, когда человек вынул лямку из катушки на значительную длину, произойдет столкновение с препятствием или опрокидывание автомобиля, то ремень уже не будет его удерживать.
В связи с этим продолжаются разработки новых, более удобных систем ремней, а также других способов защиты людей, находящихся в автомобиле, от ударов о внутренние панели пассажирского помещения, которые не зависели бы от желания или нежелания водителя и пассажиров применять их.
3.5 Влияние требований к безопасности автомобиля на его массу
Минимальные наружные и максимальные внутренние размеры кузова являются необходимым условием достижения малой массы автомобиля. У легковых автомобилей почти всегда применяют несущий кузов. С точки зрения обеспечения прочности, на первый взгляд, представлялось бы правильным, чтобы большей массой обладала часть кузова между осями, а передняя и задняя части были бы легче. Однако это правило действительно лишь отчасти. К этим частям кузова, называемых свесами, предъявляются особые требования, обусловленные необходимостью безопасного движения. В случае аварии эти части кузова должны за счет пластической деформации уменьшить воздействие на пассажиров, возникающее при столкновении больших значений отрицательного ускорения. Деформирующиеся зоны передней и задней частей кузова должны обеспечивать прогрессивную деформацию при ударе, что требует применения кузовных элементов специальной конструкции, в том числе для крепления бамперов, и поэтому масса этих частей мало отличается от массы средней части кузова.
При лобовом столкновении необходимая большая пластическая деформация передней части кузова обеспечивается отсутствием в ней особо жестких элементов, препятствующих деформации. Пластическая деформация распространяется вплоть до передних колес, поэтому с точки зрения повреждаемости двигателя и радиатора желательно, чтобы они не выходили за переднюю границу колес. Картер рулевого механизма должен быть помещен в специальном защищенном пространстве. Перемещение рулевой колонки внутрь кузова часто бывает причиной опасных травм грудной клетки водителя, поэтому величина этого перемещения строго ограничена и определяется при испытаниях на столкновение. Между рулевым колесом и рулевым механизмом управления устанавливается элемент, способный быстро передавать крутящий момент, но не переносить осевое усилие. И при использовании таких деталей можно достичь экономии массы, например, путем замены двух шарниров тонкостенной трубой из перфорированной стали, деформирующейся при осевой нагрузке, вызываемой столкновением.
Пластическая деформация передней части кузова является хорошей защитой пассажиров, но требует последующего дорогостоящего ремонта. Именно этот вид ремонта составляет, как правило, большую часть загрузки автомастерских и недешев для владельца. Поэтому конструкторы стремятся создать бампер, который поглощал бы энергию при небольших столкновениях, не передавая ее на кузов и тем самым не повреждая последний.
Бампер должен достаточно выступать перед кузовом, чтобы при ударе переместиться и поглотить значительную энергию без ее последующего высвобождения. Такая функция обеспечивается или пластическим элементом, который после деформации заменяется, или жидкостным трением, как в амортизаторе. Во втором случае бампер медленно возвратится в первоначальное положение.

Рисунок 3.1 Амортизирующий бампер автомобиля. Ход амортизатора 80 мм
Схема такого бампера показана на рисунке 3.1. Он прикреплен к поршням, входящим в заполненные маслом цилиндры. В выдвинутом положении поршни удерживаются пневматической пружиной, и перетекание масла в цилиндрические пустоты поршней обеспечивается наличием отверстия, площадь которого регулируется коническим штифтом, входящим в отверстие. Большое сечение кольцевого отверстия способствует тому, что в начале движения сопротивление перетеканию масла незначительно, но по мере вхождения штифта в отверстие площадь кольца уменьшается и сопротивление быстро возрастает.
После удара бампер медленно возвращается в первоначальное положение.
Передний бампер с устройствами амортизации и ребрами жесткости в кузове увеличивает массу автомобиля и его длину. В меньшей мере это же относится и к заднему бамперу.
Защита против боковых ударов обеспечивается достаточной толщиной дверей, деформация которых уменьшает воздействие удара на пассажиров. При этом необходимо обеспечить открывание дверей после деформации. Все это вызывает увеличение массы и ширины автомобиля.
4 Нормирование экологических качеств автотранспортной техники в условиях Республики Казахстан
4.1 Нормирование экологических качеств автомобилей
Существуют два подхода к нормированию выбросов вредных веществ в атмосферу от автотранспорта.
Первый заключается в регламентировании концентрации или абсолютных величин выбросов отдельных токсичных компонентов отработавших газов на конкретном режиме работы двигателя без какого-либо последующего пересчета или с приведением впоследствии этих выбросов к некоторому показателю, например к единице мощности двигателя или пробега автомобиля. В данном случае нормируемый показатель не может отражать действительных выбросов в атмосферу и служит лишь неким качественным критерием для экологической оценки той или иной автотранспортной техники. Чем больше режимов работы двигателя удается принять в рассмотрение и чем ближе они к реальным в условиях эксплуатации, тем точнее нормативный показатель может отражать действительные выбросы от автомобиля в атмосферу. Такой подход обычно используется эксплуатационниками для диагностики технического состояния систем питания автомобильных двигателей.
Второй подход заключается в выборе так называемого ездового цикла и регламентации вредных выбросов, возникающих в процессе его реализации. В этом случае, естественно, нормируемые параметры более реально отражают выбросы автомобилей в атмосферу. Все зависит от степени соответствия выбранного ездового цикла существующим условиям эксплуатации автомобилей.
Из анализа методов нормирования экологических качеств автомобилей в странах Европы, США, Японии и бывшем СССР вытекают следующие выводы.
Во-первых, существуют по крайней мере три наиболее развитые системы нормирования вредных выбросов автомобилей. Это европейская (к ней наиболее тесно тяготеет система нормирования, принятая в бывшем СССР), американская и японская. Общие черты этих систем заключаются в том, что:
- экологические параметры автомобилей оцениваются в испытаниях по ездовым циклам;
- дополнительно регламентируются выбросы отдельных вредных веществ. содержащихся в отработавших газах, при работе двигателя автомобиля на холостом ходу;
- кроме этого, нормированию подлежат топливные испарения и выбросы картерных газов.
Принятые в каждой из этих систем методы определения вредных выбросов отличаются друг от друга преимущественно применяемыми ездовыми циклами. В Японии регламентируется содержание углеводородов в отработавших газах при работе двигателя на холостом ходу. В США на федеральном уровне установлены различные нормативы выбросов для работы автомобилей в нормальных и горных условиях, а в Калифорнии дополнительно введены ограничения на выбросы формальдегида для автомобилей, работающих на смесевых топливах.
Второй вывод заключается в том, что нормы, установленные каждой из систем, различны и зачастую трудно сопоставимы между собой. Нормы США и Японии выглядят несколько «жестче» по сравнению с европейскими. Это объясняется тем, что, например, в США применяется ездовой цикл с более благоприятными (с точки зрения выбросов вредных веществ) режимами работы двигателя.
Существенны расхождения допустимого содержания оксида углерода при работе двигателя на холостом ходу между американскими (0,5 %), с одной стороны, и европейскими и японскими нормативами (4,5 %) с другой. Причина здесь кроется в том, что американские автомобили в отличие от европейских и японских уже с середины 80-х годов практически в объемах всего производства оснащаются электронными системами управления впрыском топлива и стандартными системами снижения токсичности отработавших газов, что позволяет применять столь жесткое ограничение.
Анализ нормативов, зафиксированных в межгосударственных стандартах, показывает, что в бывшем СССР, после его присоединения в 1987 г. к Женевскому соглашению, предпринимались шаги по доведению производимой автотранспортной техники до норм, удовлетворяющим мировым требованиям. Отсутствие успеха такой деятельности можно объяснить громоздкостью и государственной зарегулированностью советского автомобилестроительного производства. Другим, не менее важным моментом являлось ограниченное производство современных автомобильных топлив, не содержащих свинцовых добавок, с заданным фрикционным составом и низким содержанием серы. Эти факторы не позволили внедрить передовые технологии в автомобилестроении, что было сделано в свое время в США и практически завершилось сейчас в странах Западной Европы.
Отсюда также следует вполне определенный вывод об отсутствии должного нормативного обеспечения экологической деятельности на автомобильном транспорте в Республике Казахстан.
4.2 Перспективы экологического нормирования
Нормирование экологических качеств автотранспортной техники в условиях Казахстана имеет специфические особенности.
Первое это отсутствие собственного автомобилестроительного и сколько-нибудь значимого автосборочного производства. В данном случае Казахстан целиком зависит от импортеров автотранспортной техники. А так как в нашей стране принят курс на развитие свободных рыночных отношений, что допускает реализацию автомобилей самых разных производителей, то, очевидно, следует делать выбор из существующих систем оценки экологических качеств автомобилей, либо компилировать наиболее подходящие требования в самостоятельный национальный документ.
Важным влияющим фактором остается экономическое положение РК. Необходимо помнить, что решение экологических проблем всегда и везде является дорогостоящим мероприятием. Так, для достижения высоких экологических стандартов в транспортном комплексе потребуется увеличить затраты на приобретение более дорогостоящей техники, в определенной степени переориентироваться в ее поставщиках, совершенствовать технический сервис и внедрить современные технологии по оценке экологических качеств автотранспортной техники. С другой стороны вся экономика и промышленный потенциал Казахстана, в том числе производственно-техническая база транспортного комплекса, наиболее тесно связаны с РФ. Прогнозы дальнейшего развития не дают предпосылок для резких изменений в этом отношении. А так как автомобили из России и других стран СНГ продолжают сохранять далеко не лучшие экологические показатели, а их фирменный сервис остается крайне ограниченным, то введение каких-либо ограничений требует взвешенного подхода.
Кроме затрат, связанных с модернизацией автомобильного парка, значительные инвестиции потребуются для организации метрологического обеспечения при введении нормирования на современном уровне. В Казахстане пока нет ни специалистов, ни производственных или научно-исследовательских организаций, имеющих достаточный опыт и современное оборудование для проведения соответствующего вида работ. По всей видимости, на первом этапе работы, связанной с оценкой экологических качеств приобретаемой автотранспортной техники, необходимо использовать признанный Госстандартом Республики опыт зарубежных сертификационных центров.
Третий фактор связан с возможностями обеспечения автомобильного транспорта качественными моторными топливами. Существующие в настоящее время в Казахстане мощности по производству высокооктановых неэтилированных бензинов и дизельных топлив с низким содержанием серы пока невелики. Вопросы их модернизации (реконструкции), а также импортные поставки качественных моторных топлив упираются в известную экономическую проблему.
В связи с вышеизложенным ЗАО НИИТК предлагает следующие концептуальные положения по введению экологических нормативов для автотранспортной техники в РК.
Во-первых, введение новых экологических нормативов для АТС должно декларироваться государством заранее (3…5 лет) с тем, чтобы дать возможность автотранспортному сектору произвести соответствующие подготовительные работы.
Во-вторых, введение новых экологических нормативов должно быть поэтапным как с точки зрения объектов нормирования, так и с точки зрения значений принимаемых нормативов.
В-третьих, учитывая современные тенденции глобализации, за основу экологического нормирования автотранспортной техники в Казахстане следует принять европейскую систему, сохранив принятый в ней принцип разделения подвижного состава автомобильного транспорта для нормирования на категории, как это принято в рамках Глобального соглашения «Всемирный форум для согласования правил в области транспортных средств».
В краткосрочной перспективе (до 5 лет) для наиболее массовых автомобилей (категории М1 и N1) первоначальные требования могут ограничиваться нормативами, изложенными в Правилах ЕЭК ООН № 15 или 83 для АТС, работающих на этилированных сортах бензина. По всей вероятности, элементарный ездовой цикл, заложенный в этих правилах, может достаточно точно отражать реальные условия эксплуатации автомобилей в современных казахстанских городах. Российский рынок автомобилей и имеющиеся в Казахстане проблемы с качеством автомоторных топлив пока не позволяют предъявлять более высоких требований к экологическим параметрам автотранспортной техники. В этот период должна быть сформулирована и принята государственная программа действий по экологической адаптации автомобильного транспорта в РК.
Ввиду отсутствия должного метрологического, научно-технического и кадрового обеспечения государственным органам Республики Казахстан (Госстандарту, Министерству транспорта и коммуникаций и др.) придется более тесно сотрудничать с признанными в мире сертификационными центрами.
4.3 Сокращение негативного воздействия автомобильного транспорта на атмосферный воздух
В экономической ситуации, сложившейся в Казахстане к началу нового тысячелетия, реальные пути по сокращению негативного воздействия автомобильного транспорта на природную среду видятся в следующем.
Прежде всего, требуется развитие и совершенствование экологического законодательства, в том числе на транспорте. Это очень большой спектр вопросов от совершенствования базовых законов, регламентирующих деятельность транспорта как компонента экономики (закон о транспорте, закон об автомобильном транспорте и т.п.), до разработки конкретных нормативных актов специального назначения (стандарты, правила и т.д.). Для поддержки интеграционных действий необходима гармонизация нормативного и правового обеспечения в транспортном комплексе с региональным и международным законодательством.
Для эффективного действия всего комплекса мероприятий в области охраны окружающей среды необходимо организовывать правовую сторону вопроса таким образом, чтобы любому субъекту автотранспортного рынка было невыгодно, прежде всего с экономической точки зрения, заниматься перевозочной или сервисной деятельностью, не удовлетворяющей принятым в Казахстане экологическим требованиям. Базовые законы должны учитывать существующие экономические отношения в обществе, предусматривать, по крайней мере, ближайшую их эволюцию и распространяться на:
1) импортеров, а в перспективе, возможно, и на отечественных производителей автотранспортной техники;
2) перевозчиков всех форм собственности и организации труда;
3) хозяйствующих субъектов всех форм собственности и организации труда, осуществляющих любые виды автосервисных услуг;
4) экспедиторов;
5) хозяйствующих субъектов всех форм собственности и организации труда, осуществляющих нефтепереработку и распространение нефтепродуктов;
6) органы государственного и ведомственного контроля.
Базовые законы следует подкреплять пакетом стандартов, нормативных и технических документов, среди которых большую часть придется разрабатывать в Казахстане впервые (стандарты, определяющие понятие экологических и экономических качеств автомобилей, экологические нормативы, технические требования к гаражному, измерительному и контрольно-диагностическому оборудованию и т.д.). Не исключено, что казахстанские стандарты будут содержать тексты, аутентичные, скажем, Правилам ЕЭК ООН или Глобального соглашения в области транспортных средств.
Вторым безусловным направлением природоохранной деятельности в Казахстане должно стать совершенствование технической эксплуатации АТС, а именно создание разветвленной сети предприятий по техническому обслуживанию и ремонту автомобилей, заправочных станций и т.д., деятельность которых лицензирована или производство которых сертифицировано на основе усовершенствованной нормативно-правовой базы. Для обеспечения необходимых условий качества следует развивать приборный контроль экологических параметров автомобилей и всего автотранспортного производства. При этом, поскольку, например, заводы-изготовители автомобилей в странах СНГ не могут давать гарантий качества на свою продукцию, необходимо, может быть, разрабатывать и внедрять специальные методы контроля для этих автомобилей.
Для повышения качества автомоторных топлив потребуется разработка не только стандартов, регламентирующих их физико-химические свойства. Необходимы поиск и введение в действие новых экономических механизмов, при помощи которых с рынка Казахстана можно было бы эффективно вытеснять этилированные сорта бензина и дизельное топливо с содержанием серы более 0,2 %. Следующим этапом, по всей вероятности, должно стать ограничение на содержание ароматических углеводородов в высокооктановых сортах бензина.
Несмотря на потребность в значительных инвестициях для обеспечения в будущем требуемых экологических показателей работы автомобильного транспорта, следует как можно скорее приступить к модернизации нефтеперерабатывающего производства и совершенствованию системы распределения нефтепродуктов в республике. В качестве первоочередных действий в этом направлении опять же представляется актуальной разработка государственной программы развития этого сектора экономики. Кроме этого, нужно ужесточать требования к работе распределительной системы в целях пресечения фальсификации топливно-смазочных материалов. Как видно, здесь не обойтись без возрастания регулирующих функций государства в частном секторе экономики.
Что касается конкретных технических мероприятий, вроде применения тех или иных инноваций или новых материалов на автомобильном транспорте, то они также должны осуществляться при поддержке государства. Эта поддержка может быть выражена в виде различных программ, финансируемых из республиканского или местных бюджетов, государственных заказов на проведение испытаний, в том числе сертификационных, предоставлении льгот и преференций и т.п.
Так, внедрение на автомобильном транспорте экологически чистых газовых топлив непосильно одному частному бизнесу, для развития соответствующей инфраструктуры необходим, как минимум, землеотвод, а для создания более очевидных преимуществ газовых топлив нужны налоговые льготы, как инвесторам, так и автотранспортникам, выбирающим экологически более чистый подвижной состав. Решение вопросов по этим направлениям прямая прерогатива государства.
5 Определение эффективности мероприятий по повышению пассивной безопасности автомобилями
5.1 Оценка эффективности элементов конструктивной безопасности автомобиля
Осуществление мероприятий по повышению конструктивной безопасности требует дополнительных финансовых затрат, а также трудовых и материальных ресурсов. т. е. доминирующим фактором их внедрения является показатель эффективности. В качестве критерия сравнительной оценки эффективности конструктивной безопасности может использоваться показатель опасности ДТП, который получен на основании коэффициентов тяжести ДТП:
Kоп=p1n1+p2n2+p3n3+p4n4+p5n5. (5.1)
где p1 показатель тяжести ДТП с повреждением автомобилей, равный 1;
p2 то же, при легком ранении человека, равный 1,2;
p3 то же, при ранении, повлекшем инвалидность, равный 2,8;
p4 то же, при гибели взрослого человека, равный 8,1;
p5 то же, при гибели ребенка, равный 10,6;
n1, n2, n3, n4, n5 число ДТП соответствующей группы.
При этом среднее значение показателя опасности ДТП
Kоп.ср=Kоп /N, (5.2)
где N общее число ДТП.
Для оценки уровня пассивной безопасности в салоне автомобиля применяют комплексный показатель конструктивной безопасности автомобилей
Kк=(k1Пл+ k2Пт +k3Пс)/(N0+Nп), (5.3)
где k1, k2, k3 коэффициенты тяжести травм, равные 1; 223,4; 64,5 соответственно для легко-, тяжелораненых и погибших;
Пл, Пт, Пс соответственно число легко-, тяжелораненых и погибших;
Nо общее число пострадавших в ДТП
Nп общее число пострадавших в ДТП.
Значение комплексного показателя конструктивной безопасности автомобилей находится в пределах 0<Kк<1.
Зная народнохозяйственные потери в случае гибели человека, легких и тяжелых повреждений его, удобно пользоваться несколько видоизмененным комплексным показателем конструктивной безопасности автомобилей (Kк), приняв коэффициент тяжести при смертельном исходе за единицу (k3), а потери, связанные с получением тяжелых и легких телесных повреждений, отнеся к потерям от гибели человека. В результате этого получим следующие коэффициенты тяжести: kл=0,015; kт=0,36; kс=1.
Тогда
Kк=(kлnл+ kтnт +kсnс)/(N0+Nп), (5.4)
По предложенным показателям может быть дана сравнительная оценка конструктивной безопасности автомобилей.
При создании новых конструкций транспортных средств, как правило, выявляются различные недостатки, с точки зрения травмирования органов человека от элементов конструкции.
Статистические данные зарубежных и отечественных исследований показывают, что элементы внутреннего обустройства автомобиля травмируют водителя и пассажиров по-разному, а степень травмирования пассажиров еще зависит от места их нахождения в салоне автомобиля [19].
Наиболее опасные и часто встречающиеся травмы человека, полученные от различных элементов салона автомобиля, представлены на рисунке 5.1.

Рисунок 5.1 Опасность травмирования человека различными элементами салона автомобиля:
числа в кружках показатели опасности элемента конструкции автомобиля для конкретного органа человека; числа на теле человека единицы травмирования (ЕТ) конкретного органа
По частоте получаемых травм в ДТП человеком, находящимся в салоне автомобиля, выведен коэффициент относительной опасности конкретного элемента конструкции автомобиля
Оi=xikоi /100. (5.5)
где xi единицы травмирования (Е.Т.) конкретного органа человека;
kоi показатели опасности определенного элемента конструкции для конкретного органа человека.
Травмирование органов человека при ДТП различными элементами салона автомобиля выражается в единицах травмирования или степени тяжести полученных травм. Травмирование всех органов человека оценивается в 100 баллов (100%).
Для определения относительной опасности каждого элемента конструкции необходимо показатель опасности элемента конструкции умножить на единицу травмирования рассматриваемого органа и разделить полученное произведение на 100%.
Например, в случае травмирования головы зеркалом заднего вида коэффициент опасности Оi=15%49/100%=7,35.
Число 7,35 есть единица травмирования, приходящаяся на долю зеркала заднего вида. Данная величина предопределяет перемещение водителя или пассажира при ДТП.
Коэффициент относительной опасности конкретного элемента конструкции автомобиля для человека Оi=(xikоi) /100.
Например, травмируются органы человека при ДТП о стойку кузова. В этом случае коэффициент опасности (см. данные на рисунке 5.1)
Оi=(1349+59)/100=6,82.
Таким образом, не дожидаясь замены выпускаемой модели автомобиля, можно оценить эффективность проводимых мероприятий по совершенствованию отдельных элементов конструкции автомобиля, влияющих на пассивную безопасность.
Для определения годового экономического эффекта мероприятий, направленных на повышение конструктивной безопасности автомобилей, можно применить формулу
Эг=Эс ЕнК,
где Эс годовая экономия от внедрения мероприятий по повышению конструктивной безопасности автомобилей, млн. тенге;
Ен нормативный коэффициент эффективности капитальных вложений;
К капитальные вложения, млн. тенге.
5.2 Эффективность введения требований к пассивной безопасности автомобиля
Полностью оценить эффективность введения требований безопасности будет возможно только после замены парка ранее выпущенных автомобилей новыми, в которых внедрены мероприятия, обеспечивающие их пассивную безопасность. С учетом числа эксплуатируемых в мире автомобилей, их износа и выпуска новых автомобилей следует считать, что полная оценка эффективности будет возможна только после 2010 г. Однако, основываясь на анализе статистических данных по ДТП с участием автомобилей повышенной безопасности, можно оценить эффективность применения ремней безопасности, энергопоглощающих рулевых колонок, ветровых стекол триплекс с более толстым промежуточным слоем и т. п.
Имеются сведения о том, что благодаря внедрению мероприятий, повышающих безопасность, смертельные исходы стали чрезвычайно редкими при столкновении американских автомобилей выпуска 1997 г. и позже при скорости 40 км/ч.
В результате анализа 28000 ДТП с 28 мая 1995 г. по 28 мая 1996 г., происшедших с автомобилями Volvo (в 21506 случаях ремни безопасности не использовались, в 6870 случаях использовались) установлено, что применение ремней безопасности вдвое снижает количество несмертельных травм водителей, а смертельные исходы при использовании их были лишь при ударах со скоростью более 80 км/ч.
Когда ремни отсутствовали, смертельные случаи регистрировались и при скоростях от 20 км/ч (рисунок 5.2).

Рисунок 5.2 Зависимость тяжести травм водителей от скорости движения и эффективность использования ремней безопасности:
1 травмы без смертельного исхода (ремни безопасности не использовались); 2 травмы без смертельного исхода (ремни безопасности использовались); 3 травмы со смертельным исходом (ремни безопасности не использовались); 4 травмы со смертельным исходом (ремни безопасности использовались)
5.3 Экономическая эффективность использования ремней безопасности автомобилей в Костанайской области
Анализ статистики ДТП УДП ДВД Костанайской области за 2009 г. показывает, что применение ремней безопасности вдвое снижает количество несмертельных травм пострадавших и в 4 раза количество смертельных исходов. Рассчитаем экономический эффект от такого снижения числа пострадавших в ДТП в Костанайской области при использовании ремней безопасности автомобилей.
В 2009 г. в Костанайской области в 558 (из общего количества 837) ДТП погибло 160 человек, получивших телесные повреждения было 708 человек. Если бы и в этих 558 ДТП применялись ремни безопасности автомобилей, то количество погибших в ДТП в 2009 г. составило 40 человек, а число получивших телесные повреждения уменьшилось до 354 человек.
Определяем уменьшение среднегодовых потерь от ДТП при использовании ремней безопасности автомобилей.
Сд=ПпNп+ ПиNи, (5.6)
где Пп, Пи народно-хозяйственные потери соответственно в случае гибели людей и получения ими телесных повреждений. Определяются согласно [20, 21, 22]: Пп=3,881 млн. тенге, Пи =0,317 млн. тенге;
N число пострадавших данного вида.
Подставляя в эту формулу числовые значения, получим
сд=3,881(160 40)+ 0,317(708 354)=577,938 млн. тенге.
Результаты расчета сводим в таблицу 5.1.
Таблица 5.1
Годовой экономический эффект от использования ремней безопасности автомобилей в Костанайской области
|
Показатели |
До внедрения мероприятия |
После внедрения мероприятия |
|
1. Число ДТП 2. Число погибших, чел 3. Число раненых, чел 4. Уменьшение среднегодовых потерь от ДТП, млн. тенге |
558 160 708 - |
558 40 354 577,938 |
Заключение
В результате выполнения дипломной работы были проведены следующие выводы:
1. Усовершенствованы условия обитания в кабине автомобиля, элементам салона приданы оптимальные формы и свойства, исключающие травмы водителя и пассажиров при авариях.
2. Разработаны требования к пассивной безопасности автомобиля.
3. Определена эффективность мероприятий по повышению пассивной безопасности автомобиля.
4. Для оценки пассивной безопасности автомобиля предложено несколько измерителей:
а) фактор тяжести отношение числа погибших во время ДТП к числу раненых (1/5...1/40);
б) обобщенный фактор тяжести отношение числа тяжелораненых и погибших к общему числу ДТП (0,05 при скорости автомобиля менее 14 м/с);
в) удельные показатели: число раненых и погибших при ДТП, отнесенные к 1 млн. жителей, 1 млн. пробега или 1 млн. автомобилей;
г) экономические показатели, учитывающие потери народного хозяйства вследствие аварий коэффициент опасности и коэффициенты тяжести последствий ДТП, определяемые в соответствии с величиной убытков от повреждений каждого вида.
5. Для снижения инерционных нагрузок увеличивают продолжительность деформации деталей. С этой целью создают защитную стену вокруг водителя и пассажиров путем устройства жесткого каркаса в сочетании с легко сминающимся при ударах передней и задней частями кузова.
6. Для защиты водителя применяют разнообразные конструкции безопасных рулевых управлений.
7. В процессе исследований установлены величины нагрузок, выдерживаемых человеческим организмом, и вызываемые ими повреждения.
8. Разработаны требования к пассивной безопасности пассажирского помещения легкового автомобиля, кабины грузового автомобиля, а также места водителя и салона автобуса, требования к ремням безопасности, выполнен обзор влияния требований к безопасности автомобиля на его массу.
9. Проведена экономическая эффективность использования ремней безопасности.
10. Проведен анализ статистики ДТП по Костанайской области который показывает, что применение ремней безопасности вдвое снижает количество несмертельных травм пострадавших и в 4 раза количество смертельных исходов, в результате чего годовой экономический эффект от использования ремней безопасности автомобилей в Костанайской области составляет 577,938 млн. тенге.
Список литературы
1. Афанасьев Л.Л., Дьяков А.Б., Иларионов В.А. Конструктивная безопасность автомобиля. - М.: Машиностроение, 2004 г. - 212 с.
2. Великанов Д, П. Автомобильные транспортные средства. - М.: Транспорт, 1998 г. - 323 с.
3. Коноплянко В.И. Организация и безопасность дорожного движения. - М.: Транспорт, 2002 г. - 182 с.
4. Иванов В.Н. Активная и пассивная безопасность автомобилей. - М,: Высшая школа, 1994 г. - 518 с.
5. Самойлов Д.С., Шестокас В.В. Конфликтные ситуации и безопасность движения в городах. - М.: Транспорт, 1997 г. - 205 с.
6. Хомяк Я.В. Организация дорожного движения. - Киев: Высшая школа, 1996 г. - 276 с.
7. Коршаков И.К. Пассивная безопасность автомобиля. - М.: МАДИ, 2006 г. - 87 с.
8. Немцов Ю.М. Майборода О.В. Эксплуатационные качества автомобиля, регламентированные требованиями безопасности движения. - М.: Транспорт, 2000 г. - 141 с.
9. Веселов А.И., Немцов Ю.М. Требования безопасности и развитие конструкций легковых автомобилей. - М.: НИИНавтопром, 1998 г. - 163 с.
10. Безопасность конструкции автомобиля/М.А. Андронов, Ф.Е. Межевич, Ю.М. Немцов, Е.С. Савушкин. - М.: Машиностроение, 1995 г. - 160 с.
11. Орнатский Н.П. Автомобильные дороги и охрана природы. - М.: Транспорт, 1992 г. - 176 с.
12. Якубовский Ю. Автомобильный транспорт и защита окружающей среды. - М.: Транспорт, 1999 г. - 196 с.
13. Автотранспортные потоки и окружающая среда/под ред. В.Н. Луканина. - М.: Инфра, 1998 г. - 408 с.
14. Развитие автомобильных транспортных средств./Под редю Д.П. Великанова. - М.: Транспорт, 1994 г. - 120 с.
15. Агейкин Я.С. Специальные главы теорииавтомобиля. - М.: Завод-втуз при ЗИЛе, 1990 г. - 92 с.
16. Проценко В,Б. Организация рабочего места водителя. - М.% ВНИИТЭ, 2005 г. - 135 с.
17. Мишурин В.М., Романов А.Н. Надежность водителя и безопасность движения. - М.: Транспорт, 1990 г. - 167 с.
18. Гаврилорв Э.В. Эргономика на автомобильном транспорте. - Киев: Техника, 1996 г. - 152 с.
19. Иванов В.Н., Лялин В.А. Пассивная безопасность автомобиля. - М.: Транспорт, 1999 г. - 304 с.
20. Сильянов В.В. Транспортно-эксплуатационные качества автомобильных дорог. - М.: Транспорт, 1994 г. - 287 с.
21. Аксенов В.А., Попова Е.П., Дивочкин О.А. Экономическая эффективность рациональной организации дорожного движения. - М.: Транспорт, 1999 г. - 128 с.
22. Временные методические указания по определению экономической эффективности технических средств и систем управления дорожным движением. - М.: ВНИИБД МВД СССР, 1991 г. - 208 с.
23. О безопасности дорожного движения. Закон Республики Казахстан от 15 июля 1996 года. С изменениями и дополнениями от 24 декабря 2001 г. №276 II.
24. О транспорте в Республике Казахстан. Закон Республики Казахстан от 21 сентября 1994 года. Ведомости Верховного Совета РК, 1994 г., №15, ст. 201.
25. Юридический справочник автомобилиста: Сборник нормативных правовых актов. - Алматы: ЮРИСТ, 2002 г. - 111 с.
PAGE \* MERGEFORMAT 2
Эксплуатационные качества автомобиля, обеспечивающие пассивную безопасность