Заземляющее устройство (ЗУ) подстанции (ПС) 220кВ Проспект Испытателей входящей в состав Ленинградского Предприятия Магистральных Электрических Систем
Содержание
Введение
1 Исследовательский раздел
1.1Характеристика объекта
1.2 Расположение и назначение объекта проектирования
1.3 Планировочное решение объекта проектирования
1.4 Технические характеристики электрооборудования объекта проектирования
1.5 Обоснование необходимости реконструкции (анализа), предложения по объекту проектирования
2 Расчётно-технический раздел
2.1 Выбор и обоснование заземляющего устройства (элементов ЗУ)
2.2 Выбор, обоснование и разработка планировочного решения системы ЗУ
2.3 Выбор и описание методики расчёта системы ЗУ
2.4 Расчёт системы ЗУ
3 Технологический раздел
3.1 Общий технологический процесс ремонта, наладки, монтажа и обслуживания ЗУ
3.2 Карта технологического процесса
4 Раздел охраны труда
4.1 Выбор и обоснование режимов труда и отдыха
4.2 Правила производственной санитарии
4.3 Правила пожарной безопасности
4.4 Общие правила строительно-монтажных работ
|
4.5 Общие правила производства земляных работ |
50 |
|
4.6 Правила техники электробезопасности |
53 |
|
4.7 Безопасность труда при проведении сварочных работ |
54 |
|
4.8 Безопасность труда при работе с электроинструментом |
56 |
|
4.9 Средства защиты |
60 |
|
4.10 Безопасность труда при проведении испытаний и измерений |
64 |
|
4.11 Мероприятия по охране окружающей среды |
69 |
|
5 Организационный раздел |
71 |
|
5.1 Научная организация труда на предприятии |
71 |
|
5.2 Энергосберегающие технологии и мероприятия на предприятии |
73 |
|
5.3 Энергоэффективность и энергопаспорт предприятия |
75 |
|
6 Экономический раздел |
81 |
|
6.1 Общие требования к работам на объекте проектирования |
81 |
|
6.2 Расчёт локальной сметы по объекту проектирования |
81 |
|
6.3 Расчёт общей сметной стоимости объекта проектирования |
100 |
|
7 Конструкторский раздел |
102 |
|
7.1 Описание конструкторской разработки (стенда «Работа газового реле») |
102 |
|
7.2 Порядок работы на стенде |
105 |
|
7.3 Технические характеристики конструкторской разработки |
107 |
|
Заключение |
109 |
|
Ссылки на используемую литературу |
111 |
|
Литература |
116 |
Введение
Объектом исследования и проектирования выбрано заземляющее устройство (ЗУ) подстанции (ПС) 220кВ Проспект Испытателей входящей в состав Ленинградского Предприятия Магистральных Электрических Систем (Лен. ПМЭС).
Заземляющее устройство - это совокупность объединённых заземлителей и заземляющих проводников. Заземлитель находится непосредственно в земле и соединяет с ней части электроустановки. Заземляющие проводники соединяют заземлитель с частями электроустановки (электрооборудованием), которые должны быть заземлены.
Согласно [п.1.7.55, 1], заземляющее устройство, используемое для заземления электроустановок одного или разных назначений и напряжений, должно удовлетворять всем требованиям, предъявляемым к заземлению этих электроустановок: защиты людей от поражения электрическим током при повреждении изоляции, условиям режимов работы сетей, защиты электрооборудования от перенапряжения и т.д. в течение всего периода эксплуатации.
В первую очередь должны быть соблюдены требования, предъявляемые к защитному заземлению.
В данном дипломном проекте освещены такие вопросы как:
-планировочное решение системы заземления ПС;
-выбор и расчёт основных элементов ЗУ;
-описание технологического процесса монтажа ЗУ;
-экономический расчёт устройства внешнего ЗУ;
-вопросы безопасности труда;
-другие вопросы.
1 Исследовательский раздел
- Характеристика объекта
ПС 220 кВ Проспект Испытателей относится к подстанциям нового поколения. Отличительной чертой ПС является расположенное внутри здания распределительное устройство с элегазовой изоляцией (КРУЭ), что существенно снижает площадь занимаемой территории. Силовые трансформаторы, дугогасящие реакторы и другое силовое оборудование так же находится внутри здания.
Питание подстанции осуществляется от двух воздушных линий электропередач (ЛЭП) с номинальным напряжением 220кВ. Отходящие линии имеют номинальное напряжение 10 кВ.
Основные характеристики ПС 220 кВ Проспект Испытателей приведены в таблице 1.
Таблица 1 - Основные характеристики ПС 220 кВ Проспект Испытателей
|
Характеристика подстанции |
|
|
Мощность |
160 МВА |
|
Главная схема электрических соединений |
Четырёхугольник |
|
Вид распределительного устройства ВН |
Закрытый (КРУЭ) |
|
Тип трансформаторов |
ТРДН-80000/220-У1 |
|
Количество трансформаторов |
2 |
|
Количество выключателей на стороне ВН, шт |
4 |
|
Количество отходящих линий на стороне |
4 |
|
Количество отходящих линий на стороне НН,шт |
54 |
|
Источник реактивной мощности |
CLR 75/3000/0,796, 4шт |
|
Вид распределительного устройства НН |
Закрытый (КРУ) |
1.2 Расположение и назначение объекта проектирования
ПС 220 кВ Проспект Испытателей находится по адресу Санкт-Петербург, пр. Испытателей, д. 3, к. 3.
Заземляющее устройство располагается на территории ПС и предназначено для:
-создания безопасных условий обслуживания электроустановки (защиты людей от поражения электрическим током);
-обеспечения нормальной работы электроустановки (заземление нейтралей силовых трансформаторов, дугогасительных реакторов и т.п.);
-обеспечение требований по снижению помех для обеспечения работы релейной защиты, автоматики и связи;
-защиты сооружений и электрооборудования от прямых ударов молнии с помощью разрядников, искровых промежутков, стержневых и тросовых молниеотводов, которые присоединяются к заземлителям.
1.3 Планировочное решение объекта проектирования
Основой системы заземления является подземная сеть (контур) заземления. Контур заземления сооружён в земле вокруг здания и за оградой и состоит из сети круглой стали.
В здании закрытой подстанции по внутреннему периметру помещений, где имеется подлежащее заземлению оборудование, прокладываются заземляющие магистрали, к которым присоединяются все оборудование и металлоконструкции. Внутренний контур заземления выполняется в виде сетки из стальных полос сечением 40х4 мм2, прокладываемых на высоте 0,4 м от уровня пола.
Наружный контур заземления присоединяется к металлическим закладным каждой железобетонной колонны, соответственно, к арматуре строительных конструкций, а также к внутреннему контуру заземления здания.
Для обмотки 220 кВ трансформатора принят постоянный режим заземления нейтрали. Для электроустановок напряжением до 1 кВ принимается TN-C-S система, с отдельными N и PE проводниками.
Выполняются также мероприятия по выравниванию потенциалов как внутри, так и у входов в здание, а также у въезда на территорию ПС.
На территории ПС у пожарных гидрантов устанавливаются шины заземления для заземления пожарной техники.
1.4 Технические характеристики электрооборудования объекта проектирования
Наружное заземляющее устройство состоит из горизонтальных и вертикальных заземлителей (электродов). Заземлитель это элемент заземляющего устройства, который находится непосредственно в земле и соединяет с ней части электроустановки.
Горизонтальный заземлитель выполнен из черной круглой стали 20 мм (сечение 314 мм2). Вертикальные электроды выполнены из черной круглой стали 20 мм и длиной 5м.
Общая длина горизонтальных заземлителей, включая элементы выравнивания потенциалов, составляет 840 м. Количество вертикальных электродов 16 шт.
Согласно проекту ПС 220 кВ Проспект Испытателей, наружное ЗУ имеет технические характеристики, представленные в таблице 2.
Таблица 2 - Технические характеристики ЗУ ПС 220 кВ Проспект Испытателей
|
Характеристики наружного ЗУ |
|
|
Расчётное минимальное сечение заземлителей, мм2 |
206,7 |
|
Расчётное сопротивление ЗУ, Ом |
0,18 |
|
Грунт на территории ПС |
суглинок |
|
Расчётное удельное сопротивление грунта, Ом·м |
100 |
1.5 Обоснование необходимости реконструкции (анализа), предложения по объекту проектирования
При изучении проектной документации ПС 220 кВ Проспект Испытателей, возникли сомнения в правильности расчётов заземляющего устройства, в частности значение минимального сечения заземляющих проводников и значение сопротивления растеканию тока заземляющего устройства.
Наружное ЗУ ПС 220 кВ Проспект Испытателей, выполнено из чёрной стали, а значит, находясь в земле подвержено коррозии, причем в особо неблагоприятных условиях, так как через него проходят рабочие токи постоянного направления. Поскольку для данного ЗУ важно не только соблюдение величины сопротивления растеканию тока, но и по условию минимального сечения проводника из-за значительных токов замыкания на землю, срок службы ЗУ может быть не большим.
Исходя из вышеизложенного предлагается:
-произвести повторный расчёт заземляющего устройства ПС 220кВ Проспект Испытателей;
-разработать проект устройства (монтажа) наружного заземляющего устройства на территории ПС;
-рассчитать сметную стоимость работ по устройству наружного заземляющего устройства.
2 Расчётно-технический раздел
- Выбор и обоснование заземляющего устройства (элементов ЗУ)
Согласно [п.1.7.88 - 1.7.95, 1], для подстанций напряжением 220 кВ с эффективно заземленной нейтралью сопротивление контура заземления в любое время года не должно превышать 0,5 Ом.
Для обмотки 220 кВ трансформаторов принят постоянный режим заземления нейтрали.
Минимальное сечение заземляющего проводника (S) для ПС 220 кВ Проспект Испытателей, исходя из однофазного тока к.з. (Iз) на шинах 220 кВ, равного 31,3 кА и времени срабатывания резервной защиты (t) 0,3 сек, составляет для стали 245 мм2 (смотри п 2.4 настоящего проекта)
В связи с высокой коррозионной агрессивностью грунтов по отношению к стали (по данным инженерно-геологических изысканий), горизонтальный заземлитель выполняется из черной круглой стали 20 мм (сечение 314 мм2).
Вертикальные электроды выполняются из черной круглой стали 20 мм, L = 5м.
Заземлители соединяются между собой с помощью сварки (двойной шов).
- Выбор, обоснование и разработка планировочного решения системы ЗУ
Для уменьшения величин напряжения прикосновения и шагового напряжения при проектировании и выполнении заземляющих устройств стремятся к возможно более равномерному распределению потенциала на площади распределительного устройства (РУ). Это достигается размещением на площади ПС электродов заземлителя в виде двух замкнутых контуров. Один контур размещается вокруг здания, второй вокруг ограды территории ПС. Таким образом охватывается вся площадь электроустановки.
Заземляющее устройство прокладывается на глубине 1 м. Согласно [п. 1.7.90, 1], горизонтальный заземлитель прокладывается на расстоянии 1 м от фундамента здания.
Выравнивание потенциалов у входов в здание выполняется с помощью чёрной круглой стали 20 мм, прокладываемой на расстоянии 1 м и 2 м от заземлителя на глубине 1 м и 1,5 м соответственно [п. 1.7.94, 1].
Так как наружное освещение территории ПС, установлено на ограде без разделительных трансформаторов, то согласно [п. 1.7.93, 1], с внешней стороны ограды на расстоянии 1 м от нее и на глубине 1 м прокладывается горизонтальный заземлитель, который присоединяется к контуру заземления подстанции.
Вокруг ворот на расстоянии 1 м, учитывая габарит при открытии, и на глубине 1 м прокладывается горизонтальный заземлитель, который присоединяется к контуру подстанции.
Каркас здания с помощью арматуры строительных конструкций соединяется как с наружным контуром заземления, так и с внутренним.
Непосредственно к проложенному вокруг здания контуру присоединятся металлические трубопроводы всех видов в местах ввода в здание.
В помещениях здания по периметру прокладывается стальная шина заземления (внутренний контур заземления), которая соединяется с наружным контуром заземления. Таким образом внутренний контур заземления выполняется в виде сетки из стальных полос сечением 40х4 мм2, прокладываемых на высоте 0,4 м от уровня пола.
Вся металлическая арматура строительных конструкций здания непрерывно соединяется между собой и присоединяется к системе заземления.
Наружный контур заземления присоединяется к металлическим закладным каждой железобетонной колонны, соответственно, к арматуре строительных конструкций, а также к внутреннему контуру заземления здания.
2.3 Выбор и описание методики расчёта системы ЗУ
Рассчитать заземление это значит:
-определить расчётный ток замыкания на землю и сопротивление заземляющего устройства (RЗУ2);
-выбрать электроды и рассчитать их сопротивление;
-уточнить число вертикальных электродов и разместить их на плане.
Минимальное сечение заземлителей, мм2 определяем по формуле [(Б.5), ГОСТ Р 51853-2001]
, (1)
где Iз - ток замыкания на землю, А
t - время срабатывания резервной защиты, сек
Стер - коэффициент для жёстких шин из стали [таблицы 6 и 7, ГОСТ 30323-95]
Общее сопротивление горизонтального электрода Rг, Ом, определяем по формуле [(25.11), 4]
, (2)
где d - диаметр горизонтального электрода, мм
Ксез.г - коэффициент сезонности для горизонтального электрода [стр. 309, 4]
удельное сопротивление грунта, Ом·м [таблица 25.1, 4]
Lг длина горизонтального электрода, м
Требуемую величину сопротивления вертикальных заземлителей, Ом определяем по формуле [(25.7), 4]
, (3)
где Rз - расчётное сопротивление заземляющего устройства
Сопротивление одиночного вертикального электрода, Ом определяем по формуле [(25.8), 4]
, (4)
где Ксез.в - коэффициент сезонности для вертикального электрода [стр. 309, 4]
tв - расстояние от поверхности земли до середины вертикального электрода
Lв длина вертикального электрода, м
Количество вертикальных электродов без учёта экранирования, шт., определяем по формуле [п.9.3 а), 5]
, (5)
Выбираем расстояния между вертикальными заземлителями (а), а также определяем значение отношения .
Определяем количество вертикальных электродов, а также уточняем расстояние а, м, отношение с учётом коэффициента использования по формуле
, (6)
где в коэффициент использования вертикальных электродов [таблица 26, 5]
Определяем общее сопротивление вертикальных заземлителей rв, Ом, по формуле
, (7)
Определяем общее сопротивление горизонтальных электродов rг с учётом экранирования, Ом, по формуле
, (8)
где г коэффициент использования горизонтальных электродов [таблица 26, 5]
Определяем фактическое сопротивление ЗУ и производим проверку ЗУ на эффективность по формулам
, (9)
Rзу Rзу.ф (10)
2.4 Расчёт системы ЗУ
Исходные данные для расчёта приведены в таблице 3.
Таблица 3 Исходные данные для расчёта заземляющего устройства
|
Исходные данные для расчёта ЗУ |
|
|
Вид ЗУ |
к |
|
Rзу, Ом |
0,5 |
|
Iз, кА |
31,3 |
|
Стер |
70 |
|
tг, м |
1 |
|
tв, м |
3,5 |
|
Ксез.г |
2 |
|
Длина горизонтального заземления вокруг здания ПС без учёта уравнивания потенциалов, м |
181 |
|
Длина горизонтального заземления вокруг ограждения без учёта уравнивания потенциалов, м |
333 |
Продолжение таблицы 3
|
Исходные данные для расчёта ЗУ |
|
|
Вертикальное заземление |
Сталь круглая 20мм |
|
(Lв) |
5 |
|
Горизонтальное заземление |
Сталь круглая 20мм |
|
(Lг) |
840 |
|
Климатическая зона |
2 |
|
Грунт |
Суглинок |
|
, Ом·м |
100 |
Определяем минимальное сечение заземлителей, мм2 по формуле (1)
Выбираем ближайший больший диаметр стандартной круглой стали (ГОСТ 2590-71) - 20 мм, S=314 мм2.
Определяем общее сопротивление горизонтального электрода rг, Ом, по формуле (2)
Ом
Определяем требуемую величину сопротивления вертикальных заземлителей, Ом по формуле (3)
Ом
Определяем сопротивление одиночного вертикального электрода, Ом по формуле (4)
Ом
Определяем количество вертикальных электродов, шт. по формуле (5)
шт.
Учитывая [п.1.7.93, 1], принимаем Nв=16 шт.
Выбираем расстояния между вертикальными заземлителями (а), а также определяем значение отношения, для контура заземления вокруг ограждения:
-а = 42 м;
-.
Выбираем расстояния между вертикальными заземлителями (а), а также определяем значение отношения, для контура заземления вокруг здания ПС:
-а = 22,5 м;
-.
Исходя из полученных соотнощений коэффициентом использования для вертикальных и горизонтальных электродов можно пренебречь.
Определяем общее сопротивление вертикальных электродов Rв, Ом, по формуле (7)
Ом
Определяем фактическое сопротивление ЗУ и производим проверку ЗУ на эффективность по формулам (9) и (10)
Ом
0,5 > 0,49 Ом
Все полученные расчётные данные приводим в таблицу 4 и строим план ЗУ, представленный в графической части проекта.
Таблица 4 - Расчётные данные заземляющего устройства
|
Количество вертикальных электродов, шт |
Длина горизонтального электрода, м |
Сопротивление вертикального заземлителя, Ом |
Фактическое сопротивление ЗУ, Ом |
|
16 |
840 |
27,8 |
0,49 |
3 Технологический раздел
3.1 Общий технологический процесс ремонта, наладки, монтажа и обслуживания ЗУ
Монтаж наружного контура заземления и прокладка внутренней заземляющей сети производится по рабочим чертежам проекта заземляющего устройства.
Монтаж заземляющего устройства состоит из следующих операций: рытьё траншеи, установки вертикальных и горизонтальных заземлителей, прокладки заземляющих проводников, присоединения заземляющих проводников к заземлителям и электрооборудованию, обратная засыпка траншеи.
Выполнение пробивных работ, установка закладных частей, подготовка свободных отверстий, борозд и других проёмов, закладка проходных труб в стены и фундаменты, рытье земляных траншей для прокладки наружного контура заземления осуществляется на первой стадии подготовки к электромонтажным работам.
Рытьё траншеи осуществляется в соответствии с геометрией контура. В виду того, к ПС подведены и действуют подземные коммуникации (силовые кабели, кабели связи, трубы водоснабжения, канализации и т.д.) прокладка горизонтальных заземлителей с помощью мощных ножевых укладчиков запрещена, вследствие чего применяется ручной труд. После нахождения посредством выполнения шурфов, точных мест прохождения коммуникаций, можно рекомендовать применение микротраншеекопателей.
В соответствии с чертежами проекта ЗУ ПС 220кВ Проспект Испытателей, глубина траншеи должна быть не меньше 1 м и шириной 0,6 м. В местах заглубления вертикальных заземлителей выполняются приямки 0,6х0,6 м и глубиной 0,2 м.
Для заземлителей ПС 220кВ Проспект испытателей применена круглая сталь диаметром 16 мм. Длина вертикальных ввинчиваемых и вдавливаемых заземлителей 5 м.
Верх вертикальных заземлителей заглубляют на 1 м от уровня планировочной отметки земли. Над дном приямка заземлители должны выступать на 0,2 м для удобства приварки к ним соединительных горизонтальных круглых стержней в соответствии с рисунком 1.

Рисунок 1 - Установка вертикальных заземлителей
Вертикальные заземлители из круглой стали погружают в грунт ввёртыванием или вдавливанием. Вдавливание производится с помощью электромолотков или перфораторов типа SDS-max, например перфоратор MAKITA HR4010C. Ввёртывание выполняют с помощью механизмов и приспособлений, например: приспособления к сверлилке (ввертывание в грунт стержневых электродов), механизма ПЗД-12 (ввертывание в грунт электродов заземления). Наиболее распространены электрозаглубители, имеющие стандартную электросверлилку и редуктор, понижающий частоту вращения ниже 100 об/мин и соответственно увеличивающий крутящий момент на ввертываемом электроде. При пользовании этими заглубителями к концу электрода приваривают наконечник-забурник, обеспечивающий рыхление грунта и облегчающий погружение электрода. Выпускаемый промышленностью наконечник представляет собой заостренную на конце и изогнутую по винтовой линии стальную полосу шириной 16 мм. В монтажной практике применяются и другие типы наконечников для электродов.
Горизонтальные заземлители укладывают в траншею на глубине 1 м от уровня планировочной отметки земли. В местах пересечения с подземными сооружениями (кабелями, трубопроводами), а также в местах возможных механических повреждений защищают асбестоцементными или толстостенными полипропиленовыми трубами.
Вводы в здание ПС 220кВ Проспект Испытателей заземляющих проводников выполняются в двенадцати местах стальными проводниками тех же размеров и сечений, что и для соединения заземлителей между собой. Вводы заземляющих проводников в здание прокладывают в несгораемых неметаллических трубах, выступающих по обе стороны стены примерно на 10 мм.
У мест ввода заземляющих проводников в здания устанавливаются опознавательные знаки заземлителя. Расположенные в земле заземлители и заземляющие проводники не окрашивают.
Открыто прокладываемые голые заземляющие проводники располагаются вертикально, горизонтально или параллельно наклонным конструкциям зданий.
Перед прокладкой стальные проводники выправляют, очищают и окрашивают со всех сторон. На прямоугольных участках прокладки проводники не должны иметь заметных на глаз неровностей и изгибов.
Заземляющие магистральные проводники прокладывают по стенам на расстоянии 0,01-0,02 м от поверхностей на высоте 0,4-0,6 м от уровня пола. Расстояние между точками крепления 0,6-1,0 м. Проход через стены выполняют в открытых проёмах, несгораемых неметаллических трубах, а через перекрытия - в отрезках таких же труб, выступающих над полом на 30...50 мм.
Открыто проложенные заземляющие проводники должны иметь отличительную окраску: по зелёному фону полоски жёлтого цвета шириной 15 мм на расстоянии 150 мм друг от друга.
Каждый заземляемый элемент электроустановки должен присоединяться к заземляющей магистрали при помощи отдельного ответвления. Последовательное подключение к заземляющему проводнику нескольких заземляемых элементов запрещается. Подключение заземляющих проводников к корпусам аппаратов и машин выполняется сваркой или надёжным болтовым соединением. Для предотвращения ослабления контакта при сотрясениях и вибрациях устанавливаются контргайки, пружинные шайбы и т.д.
Контактные поверхности на заземляемом электрооборудовании в местах присоединения заземляющих проводников, а также контактные поверхности между заземленным оборудованием и конструкциями, на которых оно установлено, должны зачищаться до металлического блеска и покрываться тонким слоем вазелина.
Все соединения в цепях заземлителей выполняют сваркой внахлестку. Длина нахлестки должна быть равной двойной ширине проводника при прямоугольном сечении и шести диаметрам при круглом.
При Т-образном соединении остальных проводников длина нахлестки определяется шириной стальной полосы.
Способ соединения заземляющих проводников и подсоединения их к заземляющим болтам показан на рисунке 2.

а - соединение сваркой полосовой стали; б - соединение сваркой круглой стали; в - присоединение к заземляющему болту круглой стали; г - присоединение к трубопроводу полосовой стали сваркой.
Рисунок 2 - Соединение и присоединение заземляющих проводников
Качество сварных швов проверяют осмотром, а прочность - ударом молотка массой 0,6 кг. Места приварки полосы к заземлителям покрывают разогретым битумом для защиты от коррозии. Расположенные в земле заземлители и заземляющие проводники не должны быть окрашенными. Окраску стальных проводников, а также опор для их крепления в наружных установках производят красками и эмалями, стойкими в отношении химических и атмосферных воздействий.
Подключаемые нулевые защитные (заземляющие) проводники из цветных металлов (жилы кабелей и проводов) к узлам заземления приборов, щитов и др. оборудования должны быть оконцованы наконечниками. Естественные заземлители связываются с заземляющими магистралями электроустановки не менее чем двумя проводниками, присоединенными в разных местах. Соединение заземляющих проводников с протяжёнными заземлителями (трубопроводы) выполняются вблизи от вводов их в здания при помощи сварки или хомутов, контактная поверхность которых должна иметь доступ для обслуживания. Трубы в местах накладки хомутов зачищаются. Места и способы присоединения приёмников тока выбираются с таким расчётом, чтобы при разъединении трубопровода для ремонтных работ обеспечивалось непрерывное действие заземляющего устройства. У водомеров и задвижек устраивают обходные соединения. Гибкие перемычки, служащие для заземления металлических оболочек и брони кабелей, прикрепляются к ним бандажом из проволоки и припаиваются, а затем соединяются болтовыми контактами с кабельной заделкой (муфтой) и заземляющей конструкцией. Сечение гибких перемычек должны соответствовать сечениям заземляющим проводников, принятой ПС.
После монтажа заземлителей перед засыпкой траншей составляют акт освидетельствования скрытых работ, в котором расписываются представитель заказчика и монтажной организации. На чертежах исполнительной документации указываются привязки заземляющих устройств к стационарным ориентирам.
При выполнении обратной засыпки, траншея для горизонтального заземлителя сначала должна быть заполнены однородным грунтом, не содержащим щебня и строительного мусора, на глубину не менее 200 мм выше горизонтального заземлителя, а затем местным грунтом, как показано на рисунке 3.

Рисунок 3 - Выполнение обратной засыпки
Во время обратной засыпки траншеи следует выполнять уплотнение (утрамбовку) засыпаемого грунта через каждые 200 мм. При невыполнении уплотнения засыпаемого грунта сопротивление растеканию тока заземления будет иметь повышенное значение вследствие того, что заземлитель окажется в разрыхлённом грунте и не будет иметь с ним нужного контакта. По мере усадки грунта и восстановления его естественной структуры сопротивление будет уменьшаться, но в тоже время могут образоваться провалы, т.е. вновь обозначится траншея.
После окончания всех монтажных работ в обязательном порядке производятся измерения, соответствует ли сопротивление заземления требованиям ПУЭ. Чаще всего измерения производят с использованием прибора МС-08 или методом амперметра и вольтметра.
Работа прибора МС-08, имеющего три шкалы (10…1000, 1…100 и 0,1…10 Ом), основана на принципе одновременного измерения тока и напряжения магнитоэлектрическим логометром. Логометром называется показывающий прибор, измеряющий отношение двух электрических величин, в большинстве случаев отношение двух токов.
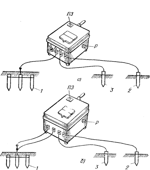
Схема включения прибора МС-08 определяется предполагаемым значением сопротивления заземлителя. Для измерения больших сопротивлений его устанавливают как можно ближе к заземлителю и включают по схеме, рисунок 4а. Для измерения малых сопротивлений или в случае, если прибор невозможно установит вблизи заземлителя, снимают перемычку между клеммами I1 и E1, и включают прибор по схеме, рисунок 4б.

(а) измерение больших сопротивлений; (б) измерение малых сопротивлений; 1 - переключатель; 2 - переменное сопротивление.
Рисунок 4 - Схема измерения прибором МС-08
Вспомогательные электроды П забиваются на определенных расстояниях в плотный грунт на глубину не менее 0,5 м прямыми ударами и без раскачки.
Преимуществом измерения сопротивления заземления прибором МС08 является независимость от сети переменного тока, что особенно важно при ремонтных и полевых работах. Кроме того, не требуется выполнения расчётов, т.е. измеряемое значение отсчитывается непосредственно по шкале. Недостатками прибора являются значительная масса (около 13 кг) и сравнительно высокая погрешность (до 12,5%).
Измерения сопротивления заземлителя с использованием амперметра, вольтметра и трансформатора производится в следующем порядке. В землю забивают электроды З и Зв (заостренные на концах стальные стержни длинной около 1м), отдельными проводами к заземлителю и этим электродам присоединяют амперметр и вольтметр, в соответствии с рисунком 5.

Р - реостат; Rx - сопротивление измеряемого заземлителя; Зв - заземлитель вспомогательный; З - зонд.
Рисунок 5 - Схема измерения сопротивления заземления с помощью
амперметра и вольтметра
Вольтметром проверяют отсутствие напряжения между заземлителем и стержнем З. Если прибор показывает какое либо напряжение, изменяя направления разноса стержней или пропорционально увеличивая расстояние между ними, добиваются его нулевого значения. После этого полностью вводят реостат с сопротивлением R и включают в сеть трансформатор Тр. С помощью реостата постепенно увеличивают силу тока и следят за показаниями амперметра и вольтметра (одновременный отчет по приборам производится в момент, когда их показания можно зафиксировать с наибольшей точностью). По данным измерения рассчитывают сопротивление заземлителя, используя закон Ома.
Производят не менее трех измерений и для расчёта принимают среднеарифметическое полученных значений.
Преимущество такого измерения состоит в точности и возможности определения малых очень малых сопротивлений (до сотых долей ома); недостатками являются необходимость наличия двух измерительных приборов и трансформатора, влияние колебаний напряжения сети на точность измерения, отсутствие непосредственного отчёта и повышенная опасность для людей, производящих измерения. Этот метод в основном используется для измерения сопротивлений заземлителей электростанций и мощных районных трансформаторных подстанций.
При сдаче-приёмке в эксплуатацию смонтированного заземляющего устройства должна быть предъявлена следующая техническая документация:
-паспорт, содержащий схему заземления, а также основные технические данные о результатах проверки состояния заземляющего устройства, характере ремонтов и изменениях, внесенных в данное устройство. Схема заземления в паспорте должна быть в виде исполнительных чертежей проекта заземляющего устройства с изменениями, внесенными в процессе строительства. Данные о результатах проверки состояния заземляющего устройства в паспорте должны быть в виде актов освидетельствования скрытых работ по монтажу заземляющих устройств и присоединений к естественным заземляющим устройствам (форма №24 ВСН123-79/ММСС СССР), а также актов осмотра и проверки состояния открыто проложенных заземляющих проводников (форма №24);
-протоколы приёмо-сдаточных испытаний.
Обслуживание заземляющего устройства включает в себя осмотры и периодическое измерение сопротивления заземляющего устройства. Осмотр заземляющих устройств включает в себя проверку состояния контактных соединений заземляющих проводников, их крепления, степени воздействия на них коррозии, отсутствие нагрева. Внешний осмотр заземляющего устройства производится вместе с осмотром электрооборудования электроустановок.
Для определения технического состояния заземляющего устройства должны проводиться его осмотры с выборочным вскрытием грунта, измерение параметров заземляющего устройства в соответствии с нормами испытания электрооборудования. Осмотры с выборочным вскрытием грунта должны производиться в соответствии с графиком планово-профилактических работ, но не реже одного раза в 12 лет. Величина участка заземляющего устройства, подвергающегося выборочному вскрытию грунта, определяется решением технического руководителя.
При текущем ремонте заземлений производят замену неисправных элементов заземляющего устройства; затяжку ослабленных болтовых соединений; обновление окраски.
Капитальный ремонт заземлений, как правило, планируют заранее и проводят после тщательной подготовки к нему. Как исключение проводят внеочередные ремонты, необходимость в которых выявляется при измерениях, осмотрах и текущих ремонтах. При подготовке к капитальному ремонту изготовляют электроды заземления, заземляющие проводники, проверяют механизмы и приспособления, составляют график ремонта. Сопротивление контуров заземления проверяют в разное, в том числе и наиболее неблагоприятное, время года, так как измерения во влажном грунте и пересчёт с помощью приближенных сезонных коэффициентов не всегда дают точные результаты. Снижение сопротивления заземлений до нормы достигается при капитальном ремонте устройством дополнительных электродов или нового заземляющего контура. При этом местонахождение и конструкцию контура заземления определяют по исполнительным чертежам и актам скрытых работ, поэтому техническую документацию, получаемую эксплуатационной организацией при приёмке объекта в эксплуатацию, нужно хранить в течение всего срока его эксплуатации.
При планировании капитальных ремонтов рассчитывают примерный срок службы заземлителей, пользуясь результатами наблюдений за ними в конкретных условиях либо ориентировочными средними данными. Так, в обычных условиях, например на промышленных подстанциях, коррозия незащищенной стали заземлителей составляет в грунте в среднем примерно 2,5 мм за 10 лет.
Электроды заземления заменяют, не ожидая их полного разрушения. Для заземлителей из круглой стали расчёт срока замены ведется по уменьшению не диаметра, а массы вдвое, что возникает значительно раньше. Согласно действующим нормам элемент заземлителя должен быть заменен, если разрушено более 50 % его сечения.
Испытания заземляющих устройств проводят после окончания текущего и капитального ремонтов. При этом выполняют:
-измерение сопротивления заземляющего устройства;
-проверку непрерывности цепи в проводниках, соединяющих элементы оборудования с заземляющим устройством, методом простукивания легким молотком заземляющих проводников в местах их соединения или ответвления для определения механической прочности;
-измерение переходного сопротивления заземляющих проводников между оборудованием и контуром заземления.
Результаты измерений заносятся в паспорт заземляющего устройства.
3.2 Карта технологического процесса
Технологическая карта (ТК) разработана на комплекс работ по устройству внешнего контура заземления ПС 220 кВ Проспект Испытателей.
Цель создания ТК - описание решений по организации и технологии производства работ по устройству контура заземления ПС с целью обеспечения их высокого качества, а также:
-снижение себестоимости работ;
-сокращение времени производства работ;
-обеспечение безопасного проведения выполняемых работ;
-выработки оптимальных технологических решений.
Технологическая карта предназначена для производителей работ, мастеров и бригадиров, выполняющих работы по устройству контура заземления ПС, а также представителей технического надзора Заказчика.
Внешний контур заземления ПС состоит из вертикальных электродов, соединённых между собой горизонтальными заземлителями.
Горизонтальный заземлитель выполняется из круглой стали 20 мм. Вертикальные электроды выполняются из круглой стали 20 мм и длиной 5 м.
Технологической картой предусмотрено выполнение работ в тёплое время года, светлое время суток, при продолжительности рабочего дня восемь часов.
Перед производством работ, предусмотренных настоящей технологической картой, необходимо выполнить следующее:
-назначить лиц, ответственных за качественное и безопасное производство работ;
-получить разрешение на производство земляных работ (ордер Государственой Административно-технической инспекции);
-провести вводный и первичный инструктаж членов бригады по технике безопасности;
-обеспечить рабочих средствами индивидуальной защиты;
-обеспечить бригаду противопожарным инвентарем и аптечкой;
-поставить на согласованное с администрацией ПС место вагон-бытовку, для размещения рабочих (приёма пищи, хранения спецодежды, инструмента и т.п.);
-определить места складирования материалов;
-выгородить рабочие места и выставить предупредительные знаки;
-завести материалы и оборудование для устройства заземления;
-заготовить отрезки из круглой стали 20 мм и длиной 5 м для вертикальных электродов;
-заготовить уголки из круглой стали 20 мм согласно сборочного чертежа АТЭМК2. 0215. 000 СБ.
Схема устройства внешнего контура заземления ПС 220 кВ Проспект Испытателей определяется проектом.
В виду того, что горизонтальный заземлитель ПС Проспект Испытателей имеет значительное влияние на конечное сопротивление растеканию тока заземлителя в целом, замеры сопротивления следует проводить после выполнения обратной засыпки грунта.
Монтаж заземляющего устройства выполняется в следующей последовательности:
-разбивка осей траншеи;
-разметка мест заглубления вертикальных заземлителей;
-разработка траншеи;
-заглубление вертикальных электродов;
-укладка стержней горизонтального заземлителя;
-сварка стержней горизонтального заземлителя, окраска стыков;
-соединение вертикальных электродов, уголков и горизонтального заземлителя между собой;
-соединение заземляющих спусков пунктов РЕ и заземляющих спусков ограды с заземлителем;
-монтаж выпусков для подключения внутреннего контура заземления;
-соединение выпусков для подключения внутреннего контура заземления с заземлителем;
-окрашивание мест соединения;
-засыпка траншеи с послойной трамбовкой грунта;
-замер сопротивления заземляющего устройства.
На основании вышеизложенного составлена карта технологического процесса по устройству заземляющего устройства (внешнего контура заземления) ПС 220 кВ Проспект Испытателей, показанная в таблице 5.
Таблица 5 - Карта технологического процесса по устройству заземляющего устройства ПС 220 кВ Проспект Испытателей
|
Наименование операции перехода |
Инструменты приспособления оборудование |
Норма времени, чел.ч |
Технические условия и показания |
|
1 Выполняется разбивка осей под горизонтальный заземлитель и размечаются места заглубления вертикальных электродов |
Рулетка металлическая Р30Н2К ГОСТ 7502-98, молоток слесарный ГОСТ 2310-77, колышки L=500 мм, шнур |
4 |
Выполняется электромонтажниками второго и шестого разрядов. Разбивка проводится в соответствии с рабочими чертежами проекта |
Продолжение таблицы 5
|
Наименование операции перехода |
Инструменты приспособления оборудование |
Норма времени, чел.ч |
Технические условия и показания |
|
2 Разрабатывается грунт вручную на весь профиль траншеи |
Лопата ЛКО-2 ГОСТ 3620-76, лопата ЛП-2 ГОСТ 3620-76 |
947 |
Выполняется электромонтажниками второго разряда. Глубина траншеи - 1м, ширина дна траншеи - 0,6 м. Длина траншеи 840 м. В местах погружения вертикальных электродов выполняется приямок 0,6х0,6 м, глубиной 0,2 м. Грунт размещается на расстоянии не менее 0,5 м от бровки траншеи |
|
3 Заглубляются вертикальные электроды |
Приспособление для ввёртывания электродов заземления ПЗД-12 |
127 |
Выполняется электромонтажниками третьего разряда. Вертикальные электроды заглубляются, с таким расчётом, что бы верх электрода был на 0,2 м выше днища приямка |
|
4 Выкладываются отдельные стержни горизонтального заземлителя на подкладки по бровке траншеи. Выполняется сварка стержней горизонтального заземлителя. Покрываются места соединения битумным лаком. Заземлитель укладывается на дно траншеи. |
Комбинированый автономный сварочный агрегат HUTER DY6500LXW, щиток сварщика ГОСТ 1381-73Е, электродержатель ГОСТ 14651-78Е ЭД 31 |
150 |
Выполняется электромонтажниками второго и третьего разрядов, и электросварщиком третьего разряда. При выкладке заземлителя и при сварке должна обеспечиваться длина шва шесть диаметров заземлителя. Сварка должна быть произведена внахлёстку двойным швом. Диаметр электрода 4-5 мм |
|
5 Выполняется сварка горизонтального заземлителя, уголков и вертикальных электродов. |
То же |
4 |
Выполняется электромонтажником и электросварщиком третьего разряда. Сварка должна быть произведена внахлёстку, согласно сборочного чертежа АТМЭК2. 0215. 000 СБ. Диаметр электрода 4-5 мм |
|
6 Выполняется сварка заземляющих спусков пунктов РЕ и заземляющих спусков ограды с горизонтальным заземлителем |
То же |
8 |
Выполняется электромонтажником и электросварщиком третьего разряда. При сварке должна обеспечиваться длина шва шесть диаметров заземлителя. Сварка должна быть произведена внахлёстку двойным швом. Диаметр электрода 4-5 мм |
Продолжение таблицы 5
|
Наименование операции перехода |
Инструменты приспособления оборудование |
Норма времени, чел.ч |
Технические условия и показания |
|
7 Выполняется монтаж выпусков для подключения внутреннего контура заземления |
УШМ MAKITA 9069, перфоратор MAKITA HR2440, комбинированый автономный сварочный агрегат HUTER DY6500LXW, щиток сварщика ГОСТ 1381-73Е, электродержатель ГОСТ 14651-78Е ЭД 31 |
4 |
Выполняется электромонтажником и электросварщиком третьего разряда. При сварке должна обеспечиваться длина шва шесть диаметров заземлителя. Сварка должна быть произведена внахлёстку двойным швом. Диаметр электрода 4-5 мм |
|
8 Проверяется форма и размеры сварных швов. Проверяется качество сварки ударами молотка по сварным швам и составляется акт освидетельствования скрытых работ |
Линейка - 300 ГОСТ 427-75, молоток слесарный ГОСТ 2310-77 |
1 |
Выполняется производителем работ и представителем технического надзора Заказчика. Длина шва должна быть не менее шести диаметров заземлителя. Сварка должна быть произведена внахлёстку двойным швом |
|
9 Места сварочных соединений покрываются битумным лаком |
Кисть ручник ГОСТ 10597-80 КР-26, бидон для лака |
2 |
Выполняется электромонтажниками второго разряда |
|
10 Производится засыпка траншеи вручную с послойным трамбованием |
Лопата ЛКО-2 ГОСТ 3620-76, лопата ЛП-2 ГОСТ 3620-76, виброрамбовщик ручной бензиновый GROST TR-14C |
815 |
Выполняется электромонтажниками второго разряда. При выполнении обратной засыпки, траншея сначала должна быть заполнена однородным грунтом, не содержащим щебня и строительного мусора, на глубину не менее 200 мм выше горизонтального заземлителя, а затем местным грунтом. Утрамбовку засыпаемого грунта следует выполнять через каждые 200 мм |
|
11 Производится замер сопротивления растеканию тока заземляющего устройства |
Прибор МС-08, электроды |
14 |
Выполняется электромонтажниками шестого разряда |
Продолжение таблицы 5
|
Наименование операции перехода |
Инструменты приспособления оборудование |
Норма времени, чел.ч |
Технические условия и показания |
|
12 Заполняется бланк протокола измерения сопротивления заземляющего устройства |
1 |
Выполняется производителем работ |
Инструменты, инвентарь и приспособления, необходимые для выполнения работ по устройству внешнего контура заземления ПС (материально-технические ресурсы), приведены в таблице 6.
Таблица 6 Материально-технические ресурсы
|
Наименование |
Марка, техническая характеристика, ГОСТ |
Назначение |
Иллюстрация |
|
Каска строительная |
ГОСТ 12.4.087-84 |
Для производства работ |
|
|
Рукавицы |
ГОСТ 12.4.010-75 тип В |
То же |
|
|
Линейка |
ГОСТ 427-75 длина 300 мм |
Измерение длины сварочного шва |
|
|
Рулетка металлическая |
Р30Н2К ГОСТ 7502-98 |
Измерение длины заземлителей и разбивка осей |
|
|
Молоток слесарный |
ГОСТ 2310-77 масса 0,6 кг |
Очистка и контроль мест сварки |
|
Продолжение таблицы 6
|
Наименование |
Марка, техническая характеристика, ГОСТ |
Назначение |
Иллюстрация |
|
Лопата копальная остроконечная |
ГОСТ 3620-76 тип ЛКО-2 |
Разработка грунтов |
|
|
Лопата подборочная |
ГОСТ 3620-76 тип ЛП-2 |
То же |
|
|
Кисть ручник |
ГОСТ 10597-80 Тип КР-26 |
Окраска мест соединения |
|
|
Бидон для лака |
- |
- |
|
|
Щиток сварщика |
ГОСТ 1381-73Е |
Сварка заземлителей |
|
|
Электродержатель |
ГОСТ 14651-78Е тип ЭД 31 |
То же |
|
|
Комбинированый автономный сварочный агрегат |
HUTER DY6500LXW |
То же |
|
|
Машина углошлифовальная |
MAKITA 9069 |
Обрезка заземлителей |
|
|
Перфоратор |
MAKITA HR2440 |
Сверление отверстий в беттоне |
|
Продолжение таблицы 6
|
Наименование |
Марка, техническая характеристика, ГОСТ |
Назначение |
Иллюстрация |
|
Приспособление для ввёртывания электродов заземления |
ПЗД-12 |
Заглубление вертикальных электродов |
|
|
Прибор для замера сопротивления |
МС-08 |
замер сопротивления растеканию тока заземляющего устройства |
|
|
Лак битумный |
БТ-577 |
Защита сварочных швов от коррозии |
- |
|
Электроды сварочные |
АНО-4 |
Для сварки элементов ЗУ |
|
|
Аптечка групповая |
ГОСТ 5547-86 |
|
4 Раздел охраны труда
4.1 Выбор и обоснование режимов труда и отдыха
Режимом труда - это порядок чередования и продолжительность периодов времени труда и отдыха.
Согласно [разделу IV, 6], нормальная продолжительность рабочего времени не может превышать 40 часов в неделю. При этом максимально допустимая продолжительность ежедневной работы не должна превышать восьми часов.
Наилучшим режимом труда и отдыха считается, когда обеденный перерыв продолжительностью один час, устанавливается в середине дня, а в первую и вторую половины рабочего дня - дополнительные перерывы за счет рабочего времени.
Продолжительность рабочего дня или смены, непосредственно предшествующих нерабочему праздничному дню, уменьшается на один час.
Работы за пределами продолжительности рабочего времени (сверхурочные) допускаются в исключительных случаях при наличии письменного согласия работника. Продолжительность таких работ не должна превышать для каждого работника четырёх часов в течение двух дней подряд и 120 часов в год.
Перерыв для отдыха и питания работников предоставляют продолжительностью не более двух часов и не менее 30 минут, который не включается в рабочее время. Время перерыва и его продолжительность устанавливаются правилами внутреннего трудового распорядка организации.
Отдых между сменами не должен быть менее двойной продолжительности рабочего времени в предыдущую смену. Работа в течение двух смен подряд запрещается. Еженедельный непрерывный отдых доложен быть не менее 42 часов.
Работникам гарантирован ежегодный отпуск с сохранением должности и среднего заработка продолжительностью не менее 28 календарных дней. Он предоставляется работникам по истечении шести месяцев непрерывной работы в данной организации, а за последующие годы - в любое время рабочего года в соответствии с установленной очередностью.
Работникам с ненормированным рабочим днем (которые при необходимости по распоряжению работодателя выполняют свои обязанности за пределами нормальной продолжительности времени смены, но на следующий день обязаны явиться на работу вовремя) предоставляется ежегодный дополнительный оплачиваемый отпуск. Его продолжительность определяется коллективным договором или правилами внутреннего трудового распорядка организации, но в любом случае она должна быть не менее трех календарных дней. Если такой отпуск не предоставляется, то переработка сверх нормальной продолжительности рабочего времени с письменного согласия работника компенсируется как сверхурочная работа. Отпуска по беременности и родам, по временной нетрудоспособности в счёт ежегодных не включают.
4.2 Правила производственной санитарии
Производственная санитария это комплекс мероприятий по устройству, оборудованию и содержанию промышленных предприятий в направленных на обеспечение здоровых условий труда и устранение причин профессиональных заболеваний.
Производственная санитария основывается Санитарные нормы проектирования промышленных предприятий [7], и охватывает гигиенические нормативы для производственных помещений, такие как:
-нормы температуры и относительной влажности;
-скорости движения воздуха;
-предельно допустимые концентрации вредных газов, паров и пыли в воздухе;
-предельно допустимые уровни шума и вибрации.
К области промышленной санитарии относятся:
-санитарное благоустройство территории;
-вопросы гигиены при устройстве производственных помещений и вспомогательных зданий;
-освещение и вентиляция.
Утвержденные нормы и правила обязательны на всей территории России.
Наблюдение за соблюдение санитарных норм при строительстве и реконструкции промышленных предприятий, а также периодический контроль над состоянием условий труда, осуществляют органы государственного санитарного надзора.
Основной задачей промышленной санитарии являются профилактика профессиональных заболеваний и профессиональных отравлений, улучшение общего состояния здоровья работающих.
К основным практическим мероприятиям промышленной санитарии, выполняемым в процессе строительства, реконструкции и эксплуатации промышленных предприятий, относятся:
-размеры площадей и объёмов рабочих помещений;
-организация рабочих мест;
-естественное и искусственное освещение территорий, помещения и рабочих мест;
-отопление, вентиляция, водоснабжение и канализация;
-очистка производственных выбросов и сточных вод;
-обеспечение рабочих бытовыми помещениями.
Ответственность за выполнение правил санитарии в промышленности возлагается на администрацию предприятий.
4.3 Правила пожарной безопасности
Согласно [8], ответственность за пожарную безопасность строек, своевременное выполнение противопожарных мероприятий, обеспечение средствами пожаротушения, несёт персонально руководитель генподрядной строительной организации, руководитель работ или лицо, его заменяющее.
Ответственность за пожарную безопасность отдельных участков строительства, несут линейные руководители работ в соответствии с приказами начальников генподрядных строительных организаций.
Ответственность за соблюдение мер пожарной безопасности при выполнении работ субподрядными организациями возлагается на руководителей работ этих организаций и назначенных их приказами линейных руководителей работ.
Ответственность за пожарную безопасность бытовых и вспомогательных подсобных помещений несут должностные лица, в ведении которых находятся указанные помещения.
При реконструкции, и капитальном ремонте объектов предприятий, цехов или участков без остановки технологического процесса, а также при вводе в эксплуатацию объектов очередями ответственность за обеспечение мер пожарной безопасности несут лица, указанные выше, а также руководители объекта предприятия, цехов и участков, в помещении или на территории которых осуществляются указанные работы.
Администрация объекта совместно со строительно-монтажной организацией обязана разработать мероприятия по обеспечению пожарной безопасности и назначить приказом ответственных за их выполнение от заказчика и подрядной организации (по объекту в целом и по отдельным участкам). При разработке мероприятий следует также учитывать требования правил пожарной безопасности, относящихся к данному производству.
Руководители строительно-монтажных организаций (руководители работ) обязаны:
-организовать изучение и обеспечить контроль за выполнением на подведомственных объектах настоящих Правил, а также противопожарных мероприятий проектов организации строительства и производства работ инженерно-техническими работниками, служащими и рабочими, установить порядок противопожарной подготовки работающих на стройке;
-установить на стройках режим курения, проведения огневых и других пожароопасных работ, порядок уборки, вывоза и утилизации сгораемых строительных отходов;
-ознакомить работающих настройке с пожарной опасностью каждого вида строительно-монтажных работ, а также применяемых в строительстве веществ, материалов, конструкций и оборудования;
-своевременно организовать на стройке в соответствии с существующим порядком пожарную охрану, осуществить меры по обеспечению подведомственных объектов пожарной техникой и оборудованием, средствами связи и пожарной автоматики, противопожарным водоснабжением, наглядной агитацией, знаками пожарной безопасности, а также первичными средствами пожаротушения;
-установить контроль за исправным содержанием и постоянной готовностью к применению средств пожаротушения, сигнализации и связи;
-не допускать производства строительно-монтажных работ при отсутствии противопожарного водоснабжения, дорог, подъездов и связи. В зимнее время обеспечить утепление пожарных водоемов, очистку дорог от снега и выполнение других дополнительных мер по усилению пожарной безопасности строек; принимать немедленные меры к устранению выявленных нарушений правил пожарной безопасности;
-назначить приказом лиц, ответственных за противопожарное состояние отдельных объектов и участков стройки, за исправность инженерных противопожарных систем и установок;
-при пожаре на подведомственных объектах установить причины и условия, способствовавшие его возникновению, разработать профилактические мероприятия.
Линейные инженерно-технические работники, ответственные за пожарную безопасность объектов (участков) строек, обязаны:
-обеспечить соблюдение на вверенных участках работы установленного противопожарного режима всеми рабочими, служащими и лицами, привлекаемыми на строительство;
-знать пожарную опасность производственного участка;
-своевременно и качественно выполнять противопожарные мероприятия, предусмотренные проектами и требованиями [8];
-обеспечить пожаробезопасную эксплуатацию приборов отопления, теплопроизводящих установок электросетей и электроустановок, принять немедленные меры к устранению выявленных неисправностей, могущих привести к пожару;
-обеспечить исправное содержание и постоянную готовность средств пожаротушения, обучить рабочих и служащих правилам применения указанных средств. Не допускать использования не по назначению средств пожаротушения и пожарно-технического оборудования;
-ежедневно по окончании работы проверять противопожарное состояние подведомственного объекта (участка), отключение электросетей и оборудования. Сдать объект под охрану (при ее наличии), выявленные и устраненные недочёты зарегистрировать в специальном журнале. Не допускать нахождение рабочих, служащих и других лиц, окончивших работу, в бытовых и вспомогательных помещениях в вечернее и ночное время.
При инструктаже рабочие и служащие должны быть ознакомлены с настоящими Правилами и противопожарным режимом, установленным для стройки, пожарной опасностью применяемых веществ, материалов и конструкций, а также обучены приемам применения средств пожаротушения и вызову пожарной части (дружины) при возникновении пожара.
На стройках должна быть организована пожарная охрана в установленном порядке. Вид и численность пожарной охраны, организуемой на стройке, определяются актом междуведомственной комиссии с участием представителей генерального подрядчика и Государственного пожарного надзора.
При производстве строительно-монтажных работ на действующем предприятии (в случае невозможности изолировать строительную площадку) пожарную охрану, как правило, осуществляет заказчик.
В строительных организациях и на крупных стройках (несколько подрядных организаций) приказом руководителя (строительной организации или работ), создается пожарно-техническая комиссия, в состав которой входят: главный инженер или заместитель начальника (председатель), работник пожарной охраны стройки, инженерно-технические работники (энергетик, механик, инженер по технике безопасности) и другие лица.
Лица, виновные в нарушении правил и требований пожарной безопасности, в зависимости от характера нарушений и их последствий несут ответственность в соответствии с трудовым, административным, уголовным или гражданским законодательством.
До начала строительства на строительной площадке следует снести все строения и сооружения, находящиеся в противопожарных разрывах. При сохранении существующих строений необходимо разработать соответствующие противопожарные мероприятия.
Расположение производственных, складских и вспомогательных зданий и сооружений на территории строительства должно соответствовать утверждённому в установленном порядке стройгенплану, разработанному в составе проекта организации строительства с учётом требований настоящих Правил.
Не допускается размещать сооружения на территории строительства с отступлением от действующих норм и правили утвержденного генплана.
К строящимся и эксплуатируемым зданиям, в том числе и временным, местам открытого хранения строительных материалов, конструкций и оборудования должен быть обеспечен свободный подъезд. Устройство подъездов и дорог к строящимся зданиям необходимо завершить к началу основных строительных работ. Вдоль зданий шириной более 18 м проезды должны быть с двух продольных сторон, а шириной более 100 м - со всех сторон здания. Расстояние от края проезжей части до стен зданий, сооружений и площадок не должно превышать 25 м.
Запрещается загромождать подъезды, проезды, входы и выходы в зданиях, а также подступы к пожарному инвентарю, оборудованию, гидрантам и средствам связи. Подъезды, дороги должны быть исправными. При прокладке трубопроводов или кабелей через дороги необходимо устраивать переезды, мостики или временные объезды. О производстве ремонтных работ или временном закрытии для проезда дорог, проездов генподрядчик должен немедленно сообщить в ближайшую пожарную часть.
Площадь, занятая под открытые склады горючих материалов, а также производственные, складские и вспомогательные строения из сгораемых и трудно сгораемых материалов должна быть очищена от сухой травы, бурьяна, коры и щепы.
Отдельные блок-контейнеры допускается располагать группами с числом не более 10 в группе. Расстояние между группами этих сооружений и от них до других строений принимают не менее18 м.
На каждом временном, передвижном здании и сооружении должны быть вывешены таблички с указанием его назначения, инвентарного номера и фамилии лица, ответственного за его эксплуатацию, противопожарное состояние.
Строительную площадку и строящиеся здания следует постоянно содержать в чистоте. Строительные отходы (обрезки лесоматериалов, щепа, кора, стружка, опилки и др.) необходимо ежедневно убирать с мест производства работ и с территории строительства в специально отведенные места.
Места временного хранения горючих отходов должны быть расположены на расстоянии не менее 50 м от ближайших зданий, сооружений. Древесные опилки следует ссыпать в специально отведенные места или ящики. Прочие отходы (тряпки, металлическая стружка и др.) необходимо хранить отдельно от древесных отходов.
Разводить костры на территории строительства запрещается.
Запрещается курить в местах хранения и применения горючих веществ и материалов, а также во временных административно-бытовых зданиях и сооружениях.
Курить на территории строительства, включая здания и сооружения, разрешается только в специально отведенных местах, имеющих надпись «Место для курения», обеспеченных средствами пожаротушения и урнами.
На видных местах строительных площадок и в помещениях, где хранят и используют горючие вещества и материалы, необходимо вывесить предупредительные надписи о запрещении курения, плакаты на противопожарные темы и инструкции о мерах пожарной безопасности.
Производство работ внутри зданий и сооружений с применением горючих веществ и материалов одновременно с другими строительно-монтажными работами, связанными с применением открытого огня (сварка и т.п.), не допускается.
Горючие жидкости следует хранить и приготовлять в отдельно стоящих строениях из негорючих материалов, оборудованных вентиляцией, а также в специально предназначенных для этой цели контейнерах. Не допускается хранить горючие жидкости вместе с другими веществами и материалами, а также в подвальных и полуподвальных сооружениях (помещениях).
Запрещается хранить горючие жидкости в открытой таре.
Наливать и выдавать легковоспламеняющиеся жидкости разрешается только в герметически закрывающуюся металлическую тару с помощью насосов через медную сетку. Запрещается наливать жидкости ведрами, а также с помощью сифона.
Порожнюю тару из-под легковоспламеняющихся жидкостей следует хранить на специально отведенной площадке, удаленной от места работы, ближайших зданий и сооружений не менее чем на 30 м.
Запрещается использовать импортные вещества и материалы, не имеющие фирменных указаний и инструкций по технике безопасности и пожарной безопасности на производство работ с этими материалами.
При использовании горючих веществ количество их на рабочем месте не должно превышать сменной потребности. Ёмкости с горючими веществами необходимо открывать только перед использованием. Не допускается держать их открытыми. По окончании работы емкости обязательно сдают на склад.
Тара из-под горючих веществ должна храниться в специально отведенном месте, вне помещений новостройки.
Для выполнения работ с использованием горючих веществ следует применять инструмент, изготовленный из материалов, не дающих искр (алюминий, медь, пластмасса, бронза). Инструмент и оборудование, используемые при работах с горючими веществами, необходимо промывать на открытой площадке или в помещении, имеющем вентиляцию.
При эксплуатации электроустановок запрещается:
-использовать кабели и провода с поврежденной или потерявшей защитные свойства изоляцией;
-применять для отопления и сушки нестандартные (самодельные) нагревательные электроприборы;
-оставлять под напряжением не изолированные концы электрических проводов и кабелей;
-допускать соприкосновение электрических проводов с металлическими конструкциями;
-оставлять без присмотра находящиеся под напряжением электроприборы и электрооборудование;
-применять стационарные светильники в качестве ручных переносных ламп;
-пользоваться неисправными розетками, ответвительными коробками, рубильниками и другими электроустановочными изделиями;
-завязывать и скручивать электропровода, а также оттягивать провода и светильники, подвешивать светильники на электрических проводах;
-использовать выключатели и штепсельные розетки для подвешивания одежды и других предметов;
-обертывать электрические лампы бумагой, тканью и другими горючими материалами;
-устанавливать светильники на расстоянии менее 0,5 м от горючих и трудногорючих материалов;
-применять для электросетей радио и телефонные провода;
-применять в качестве электрической защиты некалиброванные предохранители, предохранители кустарного производства;
-отключать аппараты электрозащиты;
-прокладывать линии электропередач и электропроводки над кровлями, навесами из горючих материалов, складируемыми материалами.
Осветительные прожекторы на территории строительной площадки следует устанавливать, как правило, на отдельных опорах.
Запрещается устанавливать прожекторы на кровлях из горючих материалов и на зданиях с полимерными утеплителями в ограждающих конструкциях.
По окончании работ электрические сети, электрооборудование и другие электропотребители строек, в том числе бытовых помещений и мобильных (инвентарных) зданий, должны быть обесточены. Отключение электроэнергии должно быть централизованным.
Электроснабжение прожекторов, используемых для освещения стройплощадки в нерабочее время, должно осуществляться самостоятельной сетью.
Не допускается прокладывать временные электропровода и кабели (за исключением прокладываемых в стальных трубах) непосредственно по металлическим панелям с полимерными утеплителями, а также устанавливать электрические аппараты, щиты и т.п. ближе 1 м от указанных конструкций. В местах пересечения ограждающих конструкций временными электрическими коммуникациями должны быть предусмотрены металлические гильзы с уплотнением негорючими материалами.
Для отопления мобильных (инвентарных) зданий следует использовать паровые и водяные калориферы, а также тэны заводского изготовления.
Сушку одежды и обуви необходимо производить в специально приспособленных для этой цели помещениях, зданиях или сооружениях с центральным водяным отоплением либо с применением водяных калориферов.
Не допускается устраивать сушилки в тамбурах и других помещениях, расположенных у выходов из зданий.
Запрещается применять в тепляках открытый огонь, а также огневые, электрические калориферы и газовые горелки инфракрасного излучения.
К эксплуатации допускаются теплопроизводящие установки только заводского изготовления, выполненные в соответствии с требованиями ГОСТ (ТУ), с исправными и подключенными системами контроля, автоматизации и блокировки, отвечающие требованиям настоящих Правил и имеющие инструкцию о правилах их эксплуатации. Не разрешается применять для сушки и отопления помещений самодельные нагревательные приборы, жаровни, мангалы, электроприборы с открытыми электронагревательными элементами (электроплитки, элетроотражатели и т.п.).
Не допускается использовать газоэлектронагревательные приборы и установки в строящихся зданиях, складских и производственных помещениях для приготовления пищи и сушки одежды, а также водонагреватели с неисправной автоматикой отключения подачи топлива или электроэнергии при понижении уровня воды в баке (котле) ниже допустимого.
Каждый работающий на строительной площадке в случае возникновения пожара обязан:
-немедленно сообщить о пожаре в пожарную охрану и дать сигнал тревоги для местной пожарной охраны;
принять меры к эвакуации людей и спасению материальных ценностей;
-приступить к тушению пожара своими силами с помощью имеющихся средств пожаротушения;
-встретить прибывающие пожарные подразделения информировать прибывших пожарных о месте пожара и наличии в строящемся здании людей, пожароопасных веществ и материалов.
4.4 Общие правила строительно-монтажных работ
Согласно [9, 10], перед началом выполнения строительно-монтажных работ на территории организации руководитель организации владельца (генеральный подрядчик, стоящий этот объект) и представитель стротельно-монтажной организации (СМО), обязаны оформить акт-допуск в котором должны быть отмечены:
-опасные для людей факторы в зоне работ;
-перечень мест производства и видов работ, где допускается выполнять работы только по наряду-допуску;
-список лиц, имеющих право выдачи наряда-допуска и право допуска персонала к работе.
Зоны с постоянно действующими опасными факторами должны быть выгорожены.
Участки работ и рабочие места должны быть подготовлены к безопасному производству работ до начала производства работ.
На выполнение работ в зонах действия опасных производственных факторов, возникновение которых не связано с характером выполняемых работ, должен быть выдан наряд-допуск.
Наряд-допуск выдается руководителю работ лицом, имеющем право выдачи нарядов-допусков подтверждённое приказом руководителя организации.
Наряд-допуск выдается на срок, необходимый для выполнения заданного объёма работ. В случае возникновения в процессе работ опасных или вредных производственных факторов, не предусмотренных нарядом-допуском, или выявления нарушения мер безопасности, работы прекращаются, наряд-допуск изымается. Возобновление работ разрешается только после выдачи нового наряда-допуска.
Перед началом работ руководитель работ (допускающий) обязан осуществить допуск бригады, где должен ознакомить работников с мероприятиями по безопасности производства работ и осуществить целевой инструктаж с оформлением в наряде-допуске.
Производитель работ обязан осуществлять контроль за выполнением мероприятий по обеспечению безопасности производства работ.
Каждый работник должен быть предупрежден о необходимости соблюдения правил внутреннего трудового распорядка.
Работник должен выполнять только ту работу, которая ему поручена.
Работники должны быть обеспечены спецодеждой, средствами индивидуальной защиты в соответствии с отраслевыми нормами.
Работники должны быть обучены способам оказания первой доврачебной помощи.
К работникам, выполняющим работы в условиях действия опасных производственных факторов, связанных с характером работы, предъявляются дополнительные требования по безопасности труда.
К выполнению работ, к которым предъявляются дополнительные требования по безопасности труда, допускаются лица, не имеющие противопоказаний по возрасту и полу, прошедшие медицинский осмотр и признанные годными к выполнению данных работ, прошедшие обучение безопасным методам и приёмам работ, инструктаж по охране труда, стажировку на рабочем месте, проверку знаний требований охраны труда.
Производственное оборудование, приспособления и инструмент, применяемые для организации рабочего места, должны отвечать требованиям безопасности труда.
Производственные территории, участки работ и рабочие места должны быть обеспечены необходимыми средствами коллективной или индивидуальной защиты работающих, первичными средствами пожаротушения, а также средствами связи, другими средствами обеспечения безопасных условий.
Строительные площадки, участки работ и рабочие места, проезды и подходы к ним в тёмное время суток должны быть освещены в соответствии с требованиями государственных стандартов
Освещенность должна быть равномерной, без слепящего действия осветительных приспособлений на работающих. Производство работ в неосвещённых местах не допускается.
Для работающих на открытом воздухе должны быть предусмотрены навесы для укрытия от атмосферных осадков.
При температуре воздуха на рабочих местах ниже 10 °С работающие на открытом воздухе или в неотапливаемых помещениях должны быть обеспечены помещениями для обогрева.
4.5 Общие правила производства земляных работ
Согласно [11], земляные работы следует выполнять только по утвержденным чертежам, в которых должны быть указаны все подземные сооружения, расположенные вдоль трассы линии связи или пересекающие ее в пределах рабочей зоны. При приближении к линиям подземных коммуникаций земляные работы должны выполняться под наблюдением производителя работ, а в охранной зоне действующих подземных коммуникаций - под наблюдением представителей организаций, эксплуатирующих эти сооружения.
Все организации, имеющие в районе прокладываемой линии связи подземные сооружения, должны быть не позднее, чем за 5 суток до начала земляных работ письменно уведомлены о предстоящих работах и за сутки вызваны их представители к месту работ для уточнения местоположения принадлежащих им сооружений и согласования мер, исключающих повреждения сооружений.
До прибытия вызванных представителей производство земляных работ запрещается.
Земляные работы вблизи существующих подземных коммуникаций должны выполняться с предварительным шурфованием.
В охранных зонах действующих подземных коммуникаций разработка грунта механизированным способом, а также с применением ударных инструментов запрещена (за исключением вскрытия дорожного покрытия).
Работа выполняется бригадой в составе не менее двух человек.
При разработке грунта возможны возникновения следующих опасных и вредных производственных факторов:
-образование взрыво- и пожароопасных сред;
-опасность быть засыпанным грунтом;
-поражение электротоком;
-неблагоприятные метеорологические условия (низкая температура, высокая влажность).
Шурфы, котлованы, траншеи, ямы, разрабатываемые в местах движения транспорта и пешеходов, должны ограждаться щитами с предупредительными надписями, а в ночное время - с сигнальным освещением. Подходы через траншеи должны быть оборудованы мостками с перилами.
При разработке грунта работники должны знать и помнить, что разработка грунта в выемках с вертикальными стенками без крепления допускается на глубину не более, м:
-1 - в насыпных песчаных и крупнообломочных грунтах;
-1,25 - в супесях;
-1,5 - в суглинках и глинах.
При обнаружении неотмеченных на чертежах подземных коммуникаций земляные работы должны быть прекращены до выяснения характера обнаруженных коммуникаций и получения разрешения от соответствующих организаций на продолжение работ.
В случае обнаружения боеприпасов и других взрывоопасных материалов нужно срочно сообщить об этом местным органам МЧС России.
При случайном повреждении какого-либо подземного сооружения производитель работ обязан немедленно прекратить работы, принять меры, обеспечивающие безопасность работников, сообщить о случившемся своему руководителю и в аварийную службу соответствующей организации.
При обнаружении в траншеях или котлованах газа работы в них должны быть немедленно прекращены, а люди выведены из опасной зоны. Об этом следует сообщить руководителю работ и в аварийную газовую службу.
При появлении в откосах выемок признаков сдвига или сползания грунта работники должны незамедлительно остановить выполнение работ и выйти из опасной зоны до выполнения мероприятий, обеспечивающих устойчивость откосов.
О пострадавших необходимо известить непосредственного руководителя; сообщить в медпункт и принять срочные меры по оказанию необходимой первой доврачебной помощи.
По окончании работы необходимо:
-убрать и привести в порядок рабочее место;
-траншеи, шурфы закрыть или оградить, если работа не закончена, а в темное время суток включить на ограждениях сигнальное освещение;
-инструмент, оснастку и другие приспособления, применяемые в работе, очистить от грунта и доставить к основному месту работы;
-по прибытии к основному месту работы снять спецодежду, обувь и другие средства индивидуальной защиты, очистить и убрать в предназначенное для их хранения место;
-о всех недостатках или неполадках во время выполнения работы сообщить руководителю.
4.6 Правила техники электробезопасности
Согласно [9], устройство и эксплуатация электроустановок должны осуществляться в соответствии с требованиями ПУЭ, межотраслевых правил охраны труда при эксплуатации электроустановок потребителей, правил эксплуатации электроустановок потребителей.
Устройство и техническое обслуживание временных и постоянных электрических сетей на производственной территории следует осуществлять силами электротехнического персонала, имеющего соответствующую квалификационную группу по электробезопасности.
Разводка временных электросетей напряжением до 1000 В, используемых при электроснабжении объектов строительства, должна быть выполнена изолированными проводами или кабелями на опорах или конструкциях, рассчитанных на механическую прочность при прокладке по ним проводов и кабелей, на высоте над уровнем земли, настила не менее, м:
-3,5 - над проходами;
-6,0 - над проездами;
-2,5 - над рабочими местами.
Светильники общего освещения напряжением 127 и 220 В должны устанавливаться на высоте не менее 2,5 м от уровня земли, пола, настила.
При высоте подвески менее 2,5 м необходимо применять светильники специальной конструкции или использовать напряжение не выше 42 В.
Применять стационарные светильники в качестве ручных запрещается. Следует пользоваться ручными светильниками только промышленного изготовления.
Выключатели, рубильники и другие коммутационные электрические аппараты, применяемые на открытом воздухе или во влажных цехах, должны быть в защищенном исполнении в соответствии с требованиями государственных стандартов.
Штепсельные розетки на номинальные токи до 20 А, расположенные вне помещений, а также аналогичные штепсельные розетки, расположенные внутри помещений, но предназначенные для питания переносного электрооборудования и ручного инструмента, применяемого вне помещений, должны быть защищены устройствами защитного отключения (УЗО) с током срабатывания не более 30 мА.
Штепсельные розетки и вилки, применяемые в сетях напряжением до 42 В, не должны подходить к розеткам и вилкам напряжением более 42 В.
4.7 Безопасность труда при проведении сварочных работ
Согласно [9], для дуговой сварки необходимо применять изолированные гибкие кабели, рассчитанные на надежную работу при максимальных электрических нагрузках с учётом продолжительности цикла сварки.
Соединение сварочных кабелей следует производить опрессовкой, сваркой или пайкой с последующей изоляцией мест соединений.
Подключение кабелей к сварочному оборудованию должно осуществляться при помощи спрессованных или припаянных кабельных наконечников.
При прокладке или перемещении сварочных проводов необходимо принимать меры против повреждения их изоляции и соприкосновения с водой, маслом, стальными канатами и горячими трубопроводами. Расстояние от сварочных проводов до горячих трубопроводов и баллонов с кислородом должно быть не менее 0,5 м, а с горючими газами - не менее 1 м.
При сварке на открытом воздухе ограждения следует ставить в случае одновременной работы нескольких сварщиков вблизи друг от друга и на участках интенсивного движения людей.
Сварочные работы на открытом воздухе во время дождя, снегопада должны быть прекращены.
Места производства сварочных работ вне постоянных сварочных постов должны определяться письменным разрешением руководителя или специалиста, отвечающего за пожарную безопасность.
Места производства сварочных работ должны быть обеспечены средствами пожаротушения.
В электросварочных аппаратах и источниках их питания элементы, находящиеся под напряжением, должны быть закрыты оградительными устройствами.
Электрододержатели, применяемые при ручной дуговой электросварке металлическими электродами, должны соответствовать требованиям ГОСТ на эти изделия.
Электросварочная установка (преобразователь, сварочный трансформатор и т.п.) должна присоединяться к источнику питания через рубильник и предохранители или автоматический выключатель, а при напряжении холостого хода более 70 В должно применяться автоматическое отключение сварочного трансформатора.
Металлические части электросварочного оборудования, не находящиеся под напряжением, а также свариваемые изделия и конструкции на все время сварки должны быть заземлены, а у сварочного трансформатора, кроме того, заземляющий болт корпуса должен быть соединен с зажимом вторичной обмотки, к которому подключается обратный провод.
В качестве обратного провода или его элементов могут быть использованы стальные шины и конструкции, если их сечение обеспечивает безопасное по условиям нагрева протекание сварочного тока.
Соединение между собой отдельных элементов, применяемых в качестве обратного провода, должно быть надежным и выполняться на болтах, зажимах или сваркой.
4.8 Безопасность труда при работе с электроинструментом
Согласно [12] в процессе работы разрешается применение только исправных ручных электрических машин, полностью укомплектованных всеми деталями, предусмотренными конструкцией, и в соответствии с назначением, указанным в паспорте.
При работе с использованием ручных электрических машин следует учитывать ряд вредных и опасных факторов, к которым относятся:
-электрический ток;
-падение из-за потери устойчивости;
-шум и вибрация;
-недостаточная освещенность рабочего места.
При обработке материалов абразивным инструментом к опасным и вредным производственным факторам добавляются:
-разрыв шлифовального круга;
-отрыв сегментов от корпуса инструмента;
-повышенная запыленность воздуха рабочей зоны;
Для исключения воздействия вредных и опасных факторов следует использовать предохранительные устройства и электрозащитные средства:
-устройство защитного отключения (УЗО);
-разделительный трансформатор;
-предохранительные устройства (защитные кожухи кругов, устройство защиты от обратного удара и т.п.);
-электрозащитные средства (диэлектрические перчатки, галоши, коврики).
Подключение вспомогательного оборудования (трансформаторов, устройств защитного отключения (УЗО) и т.п.) к сети и отсоединение его должны производиться электротехническим персоналом с группой по электробезопасности не ниже III.
Во время работы с использованием ручных электрических машин работник обязан:
-рационально организовать рабочее место, что увеличивает эффективность работы, снижает утомляемость и влияет на безопасность труда;
-пользуясь инструментом с электроприводом, находиться в устойчивой позиции. Ничто не должно мешать движению коленей и ступней, а рабочий должен находиться как можно ближе к месту операции. Инструмент в работе должен находиться чуть ниже локтя и перед туловищем. Для ног не должно быть преград;
-максимально уменьшить воздействие шума, одного из вредных и опасных факторов, который оказывает неблагоприятное воздействие не только на самого работника, но и на окружающих его людей.
Все подготовительные работы (очистку от ржавчины, сверление отверстий и т.п.) с использованием ручных электрических машин производить по возможности на специальных площадках на земле.
Работник должен отключать ручную электрическую машину выключателем при внезапной остановке (вследствие исчезновения напряжения в сети, заклинивания движущихся деталей и т.п.).
Работник должен отключать ручную электрическую машину от сети штепсельной вилкой:
-при смене рабочего инструмента, установке насадок и регулировке;
-при переносе машины с одного рабочего места на другое;
-при перерыве в работе;
-по окончании работы или смены.
Работнику запрещается эксплуатировать машину при возникновении
во время работы хотя бы одной из следующих неисправностей:
-повреждение штепсельного соединения, кабеля (шнура) или его защитной трубки;
-повреждение крышки щеткодержателя;
-нечеткая работа выключателя;
-искрение щеток на коллекторе, сопровождающееся появлением кругового огня на его поверхности;
-вытекание смазки из редуктора или вентиляционных каналов;
-появление дыма или запаха, характерного для горящей изоляции;
-появление стука;
-поломка или появление трещин в корпусной детали, рукоятке, защитном ограждении;
-повреждение рабочего инструмента.
Работникам, пользующимся ручными электрическими машинами, запрещается:
-передавать ручные электрические машины, хотя бы на непродолжительное время, другим работникам;
-разбирать ручные электрические машины, производить какой-либо ремонт;
-держаться за провод ручной электрической машины, касаться вращающихся частей или удалять стружку, опилки до полной остановки машины;
-устанавливать рабочую часть в патрон машины и изымать ее из патрона, а также регулировать инструмент без отключения его от сети штепсельной вилкой;
-работать с приставных лестниц;
-натягивать при работе токоподводящие провода во избежание их обрыва.
Во избежание повреждения шлангового провода или кабеля режущим инструментом, а также для удобства работы следует перекидывать провод или кабель через плечо или прикреплять его к поясному ремню при помощи карабинов.
Работнику запрещается включать машину под нагрузкой на рабочий
орган. Начинать обработку материала следует после прокрутки электродвигателя на холостом ходу.
Обрабатываемый материал надо устойчиво и удобно располагать на рабочем месте, а мелкие детали при их обработке надежно закреплять в зажимных устройствах.
Работнику запрещается эксплуатировать машины, незащищенные от
воздействия капель или брызг, не имеющие отличительных знаков (капля в
треугольнике или две капли), в условиях воздействия капель и брызг, а также
на открытых площадках во время снегопада или дождя.
Устанавливать абразивный, инструмент должен специально обученный работник. Перед установкой инструмент должен быть подвергнут внешнему осмотру с целью обнаружения видимых дефектов (трещин, выбоин и т.п.).
Запрещается устанавливать круги, не имеющие отметок об испытании на механическую прочность, с просроченным сроком хранения, издающие при простукивании дребезжащий звук, а также круги с обнаруженными на них трещинами.
При установке кругов на шпиндель между торцовыми поверхностями круга и фланцев должны устанавливаться прокладочные кольца из картона, резины, кожи или алюминия толщиной 0,5-1,5 мм и наружным диаметром на 40±5 мм больше диаметра фланца. Круг должен свободно сидеть на шпинделе. Шпиндельная гайка должна быть достаточно затянута, чтобы удерживать круг на месте, не повреждая фланец.
На шлифовальных и отрезных кругах диаметром
250 мм и более, а также на шлифовальных кругах, предназначенных для ручных шлифовальных машин, должны быть нанесены цветные полосы:
-жёлтая на кругах с рабочей скоростью 60 м/с;
-красная 80 м/с;
-зеленая 100м/с;
-зеленая и синяя 120м/с.
Цветные полосы могут быть нанесены на этикетку при условии ее прочного скрепления с кругом.
Перед началом работы инструмент должен быть подвергнут вращению вхолостую.
При запуске инструмента на холостом ходу рабочий не должен стоять на пути возможного отлета кусочков круга в случае его разрушения.
При использовании абразивного, инструмента запрещается:
-тормозить вращающийся круг, нажимая на него каким-нибудь предметом;
-при закреплении инструмента применять насадки на гаечные ключи, ударный инструмент;
-работать боковыми (торцевыми) поверхностями круга, если он не предназначен для этого вида работ;
-использовать рычаги для увеличения усилия нажима обрабатываемых деталей;
-работать без защитного кожуха.
4.9 Средства защиты
Согласно [13], средства защиты, используемые при электромонтажных работах делятся на:
-средства защиты от поражения электрическим током (электрозащитные средства);
-средства индивидуальной защиты (СИЗ).
Электрозащитные средства делятся на основные и дополнительные.
К основным изолирующим электрозащитным средствам для электроустановок напряжением до 1000 В относятся:
-изолирующие штанги всех видов;
-изолирующие клещи;
-указатели напряжения;
-электроизмерительные клещи;
-диэлектрические перчатки;
-ручной изолирующий инструмент.
К дополнительным изолирующим электрозащитным средствам для электроустановок напряжением до1000 В относятся:
-диэлектрические галоши;
-диэлектрические ковры и изолирующие подставки;
-изолирующие колпаки, покрытия и накладки;
-лестницы приставные, стремянки изолирующие стеклопластиковые.
При работах следует использовать только средства защиты, имеющие
штамп об испытании.
При обнаружении непригодности средств защиты они подлежат изъятию. Об изъятии непригодных средств защиты должна быть сделана запись в журнале учёта и содержания средств.
Работники, получившие средства защиты в индивидуальное пользование, отвечают за их правильную эксплуатацию и своевременный контроль за их состоянием.
Перед каждым применением средства защиты персонал обязан проверить его исправность, отсутствие внешних повреждений и загрязнений, а также проверить по штампу срок годности.
Не допускается пользоваться средствами защиты с истекшим сроком годности.
Средства индивидуальной защиты (СИЗ) делятся на:
-средства защиты головы;
-рук;
-глаз и лица;
-органов слуха;
-органов дыхания;
-от падения с высоты;
-одежда специальная защитная.
Каски предназначены для защиты головы работающего от механических повреждений, от воды и агрессивных жидкостей, а также от поражения электрическим током при случайном касании токоведущих частей, находящихся под напряжением до 1000 В.
В зависимости от условий применения каска может комплектоваться утепленным подшлемником и водозащитной пелериной, противошумными наушниками, щитками для сварщиков, головными светильниками.
Каски состоят из корпуса, внутренней оснастки (амортизатора и несущей ленты) и подбородного ремня.
Нормативный срок эксплуатации касок, в течение которого они должны сохранять свои защитные свойства, указывается в технической документации на конкретный тип каски.
Перед каждым применением каски должны быть осмотрены с целью контроля отсутствия механических повреждений.
После истечения нормативного срока эксплуатации каски изымаются из эксплуатации.
Очки и щитки защитные предназначены для защиты глаз и лица от слепящего света электрической дуги, ультрафиолетового и инфракрасного излучения, твердых частиц и пыли, искр, брызг агрессивных жидкостей и расплавленного металла.
Очки герметичные для защиты глаз от вредного воздействия различных газов, паров, дыма, брызг агрессивных жидкостей должны полностью изолировать подочковое пространство от окружающей среды и комплектоваться незапотевающей пленкой.
Конструкция щитков должна обеспечивать как надежную фиксацию стекол в стеклодержателе, так и возможность их замены без применения специального инструмента.
Корпуса щитков для сварщиков должны быть непрозрачными и выполнены из не токопроводящего материала, стойкого к искрам и брызгам расплавленного металла. На корпусе крепится стеклодержатель со светофильтрами.
Перед каждым применением очки и щитки должны быть осмотрены с целью контроля отсутствия механических повреждений.
Во избежание запотевания стекол очков при продолжительной работе внутреннюю поверхность стекол следует смазывать специальной смазкой.
При загрязнении очки и щитки следует промывать теплым мыльным раствором, затем прополаскивать и вытирать мягкой тканью.
Рукавицы предназначены для защиты рук работающего от механических травм, повышенных и пониженных температур, от искр и брызг расплавленного металла, масел, мастик, воды, агрессивных жидкостей.
Рукавицы могут иметь специальное назначение, например, для работы с кислотами и щелочами, с нагретыми поверхностями, специальные рукавицы для сварщиков и т.п.
Рукавицы могут быть с усилительными защитными накладками, обычной длины или удлиненные с крагами. Длина рукавиц обычно не превышает 300 мм, а длина рукавиц с крагами должна быть не менее 420 мм.
Перед каждым применением рукавицы должны быть осмотрены с целью контроля отсутствия механических повреждений.
При работе рукавицы должны плотно облегать рукава одежды.
Рукавицы следует очищать по мере загрязнения, просушивать, при необходимости ремонтировать.
Противогазы и респираторы являются средствами индивидуальной защиты органов дыхания (СИЗОД), общие технические требования к которым должны соответствовать государственным стандартам.
При сварочных и других работах для защиты от аэрозолей, пыли и т.д. следует применять противопылевые и противоаэрозольные респираторы.
Респираторы перед применением осматривают с целью контроля отсутствия механических повреждений.
Все СИЗОД выдаются только в индивидуальное пользование. Передача другим лицам СИЗОД, использовавшихся ранее, может осуществляться только после дезинфекции, проведенной в соответствии с руководствами по эксплуатации.
4.10 Безопасность труда при проведении испытаний и измерений
Проведение испытаний и измерений ЗУ производятся в соответствии с [10].
4.10.1 Испытания электрооборудования с подачей повышенного напряжения от постороннего источника.
К проведению испытаний электрооборудования допускаются работники, прошедшие специальную подготовку и проверку знаний и требований, содержащихся в настоящем подразделе, комиссией, в состав которой включаются специалисты по испытаниям оборудования, имеющие группу V - в электроустановках напряжением выше 1000 В и группу IV - в электроустановках напряжением до 1000 В.
Право на проведение испытаний подтверждается записью в поле "Свидетельство на право проведения специальных работ" удостоверения о проверке знаний правил работы в электроустановках.
Испытательные установки (электролаборатории) должны быть зарегистрированы в федеральном органе исполнительной власти, осуществляющем федеральный государственный энергетический надзор.
Производитель работ, занятый испытаниями электрооборудования, а также работники, проводящие испытания единолично с использованием стационарных испытательных установок, должны пройти месячную стажировку под контролем работника, стаж которого по испытаниям электрооборудования не должен быть менее года (далее - опытный работник).
Испытания электрооборудования, в том числе и вне электроустановок, проводимые с использованием передвижной испытательной установки, должны выполняться по наряду.
Допуск к испытаниям электрооборудования в действующих электроустановках осуществляет оперативный персонал, а вне электроустановок - ответственный руководитель работ или, если он не назначен, производитель работ.
Проведение испытаний в процессе работ по монтажу или ремонту оборудования должно оговариваться в строке "поручается" наряда.
Испытания электрооборудования проводит бригада, в которой производитель работ должен иметь группу IV, член бригады - группу III, а член бригады, которому поручается охрана, - группу II.
В состав бригады, проводящей испытание оборудования, можно включать работников из числа ремонтного персонала, не имеющих допуска к специальным работам по испытаниям, для выполнения подготовительных работ и надзора за оборудованием.
Передвижные испытательные установки должны быть оснащены наружной световой сигнализацией, автоматически включающейся при наличии напряжения на выводе испытательной установки, и звуковой сигнализацией, кратковременно извещающей о подаче испытательного напряжения.
Допуск по нарядам, выданным на проведение испытаний и подготовительных работ к ним, должен быть выполнен только после удаления с рабочих мест других бригад, работающих на подлежащем испытанию оборудовании, и сдачи ими нарядов допускающему. В электроустановках, не имеющих местного дежурного персонала, производителю работ разрешается после удаления бригады оставить наряд у себя, оформив перерыв в работе.
Испытываемое оборудование, испытательная установка и соединительные провода между ними должны быть ограждены щитами, канатами с предупреждающим плакатом "Испытание. Опасно для жизни", обращенным наружу. Ограждение должны устанавливать работники, проводящие испытание.
При необходимости следует выставлять охрану, состоящую из членов бригады, имеющих группу II, для предотвращения приближения посторонних людей к испытательной установке, соединительным проводам и испытываемому оборудованию. Члены бригады, несущие охрану, должны находиться вне ограждения и считать испытываемое оборудование находящимся под напряжением. Покинуть пост эти работники могут только с разрешения производителя работ.
При размещении испытательной установки и испытываемого оборудования в разных помещениях или на разных участках РУ разрешается нахождение членов бригады, имеющих группу III, ведущих наблюдение за состоянием изоляции, отдельно от производителя работ. Эти члены бригады должны находиться вне ограждения и получить перед началом испытаний необходимый инструктаж от производителя работ.
Снимать заземления, установленные при подготовке рабочего места и препятствующие проведению испытаний, а затем устанавливать их вновь разрешается только по указанию производителя работ, руководящего испытаниями, после заземления вывода высокого напряжения испытательной установки.
Разрешение на временное снятие заземлений должно быть указано в строке "Отдельные указания" наряда.
При сборке испытательной схемы прежде всего должно быть выполнено защитное и рабочее заземление испытательной установки. Корпус передвижной испытательной установки должен быть заземлен отдельным заземляющим проводником из гибкого медного провода сечением не менее 10 мм2. Перед испытанием следует проверить надежность заземления корпуса.
Перед присоединением испытательной установки к сети напряжением 380/220 В вывод высокого напряжения ее должен быть заземлен.
Сечение медного провода, применяемого в испытательных схемах для заземления, должно быть не менее 4 мм2.
Присоединение испытательной установки к сети напряжением 380/220 В должно выполняться через коммутационный аппарат с видимым разрывом цепи или через штепсельную вилку, расположенные на месте управления установкой.
Коммутационный аппарат должен быть оборудован устройством, препятствующим самопроизвольному включению, или между подвижными и неподвижными контактами аппарата должна быть установлена изолирующая накладка.
Провод или кабель, используемый для питания испытательной электроустановки от сети напряжением 380/220 В, должен быть защищен установленными в этой сети предохранителями или автоматическими выключателями. Подключать к сети передвижную испытательную установку должны представители организации, эксплуатирующей эти сети.
Соединительный провод между испытываемым оборудованием и испытательной установкой сначала должен быть присоединен к ее заземленному выводу высокого напряжения.
Присоединять соединительный провод к фазе, полюсу испытываемого оборудования или к жиле кабеля и отсоединять его разрешается по указанию руководителя испытаний и только после их заземления, которое должно быть выполнено включением заземляющих ножей или установкой переносных заземлений.
Перед каждой подачей испытательного напряжения производитель работ должен:
-проверить правильность сборки схемы и надежность рабочих и защитных заземлений;
-проверить, все ли члены бригады и работники, назначенные для охраны, находятся на указанных им местах, удалены ли посторонние люди и можно ли подавать испытательное напряжение на оборудование;
-предупредить членов бригады о подаче напряжения словами "Подаю напряжение" и, убедившись, что предупреждение услышано всеми членами бригады, снять заземление с вывода испытательной установки и подать на нее напряжение 380/220 В.
С момента снятия заземления с вывода установки вся испытательная установка, включая испытываемое оборудование и соединительные провода, должна считаться находящейся под напряжением и проводить какие-либо пересоединения в испытательной схеме и на испытываемом оборудовании запрещается.
Запрещается с момента подачи напряжения на вывод испытательной установки находиться на испытываемом оборудовании, а также прикасаться к корпусу испытательной установки, стоя на земле, входить и выходить из передвижной лаборатории, прикасаться к кузову передвижной лаборатории.
После окончания испытаний производитель работ должен снизить напряжение испытательной установки до нуля, отключить ее от сети напряжением 380/220 В, заземлить вывод установки и сообщить об этом членам бригады словами "Напряжение снято". Только после этого разрешается пересоединять провода или в случае полного окончания испытания отсоединять их от испытательной установки и снимать ограждения.
4.10.2 Измерения в электроустановках напряжением до 1000 В.
В электроустановках напряжением до 1000 В работать с электроизмерительными клещами разрешается одному работнику, имеющему группу III.
Указанная работа должна проводиться по распоряжению либо в порядке текущей эксплуатации.
Присоединять импульсный измеритель линий разрешается только к отключенной и заземленной линии. Присоединение следует выполнять в следующем порядке:
-соединительный провод сначала присоединяется к заземленной проводке импульсного измерителя (идущей от защитного устройства), а затем - к проводу испытуемой линии.
-снять заземление с линии на том конце, где присоединен импульсный измеритель. После снятия заземлений с испытуемой линии, соединительный провод, защитное устройство и проводка к нему должны считаться находящимися под напряжением и прикасаться к ним не разрешается.
-снять заземление с проводки импульсного измерителя.
Подключение импульсного измерителя через стационарную коммутационную аппаратуру к уже присоединенной к испытуемой линии стационарной проводке и измерения могут проводить единолично оперативный персонал или по распоряжению работник, имеющий группу IV, из персонала лаборатории.
Измерения импульсным измерителем, не имеющим генератора импульсов высокого напряжения, разрешается без удаления с испытуемой линии работающих бригад.
4.11 Мероприятия по охране окружающей среды
Согласно [14], при организации строительно-монтажных работ (СМР) необходимо осуществлять мероприятия и работы по охране окружающей природной среды, которые должны включать рекультивацию земель, предотвращение потерь природных ресурсов, предотвращение или очистку вредных выбросов в почву, водоемы и атмосферу.
Производство СМР в пределах охранных, заповедных и санитарных зон и территорий следует осуществлять в порядке, установленном специальными правилами и положениями о них.
На объектах СМР не допускается непредусмотренное проектом сведение древесно-кустарниковой растительности и засыпка грунтом корневых шеек и стволов растущих деревьев и кустарников.
Выпуск воды со строительных площадок непосредственно на склоны без надлежащей защиты от размыва не допускается. При выполнении планировочных работ почвенный слой, пригодный для последующего использования, должен предварительно сниматься и складироваться в специально отведенных местах.
Временные автомобильные дороги и другие подъездные пути должны устраиваться с учетом требований по предотвращению повреждений сельскохозяйственных угодий и древесно-кустарниковой растительности.
При производстве строительно-монтажных работ на селитебных территориях должны быть соблюдены требования по предотвращению запыленности и загазованности воздуха. Не допускается при уборке отходов и мусора сбрасывать их с этажей зданий и сооружений без применения закрытых лотков и бункеров-накопителей.
В процессе выполнения буровых работ при достижении водоносных горизонтов необходимо принимать меры по предотвращению неорганизованного излива подземных вод.
При производстве работ по искусственному закреплению слабых грунтов должны быть приняты предусмотренные проектом меры по предотвращению загрязнения подземных вод нижележащих горизонтов.
Производственные и бытовые стоки, образующиеся на строительной площадке, должны очищаться и обезвреживаться в порядке, предусмотренном проектом организации строительства и проектами производства работ.
После завершения строительства на территории объекта должен быть убран строительный мусор, ликвидированы ненужные выемки и насыпи, засыпаны или выположены овраги, выполнены планировочные работы и проведено благоустройство земельного участка.
После завершения планировочных работ на восстанавливаемую поверхность участка наносят из резерва почвенный слой мощностью до 30 см и проводят озеленение территории.
5 Организационный раздел
5.1 Научная организация труда на предприятии
В Лен. ПМЭС применяются центрaлизованная, децентрализованная и смешанная схемы управления. B особых случаях применяется «штабная» схема, организуемая обычно как временная мера, для решения конкретных зaдач.
Применение той или иной схемы, большaя или меньшaя степень централизации упрaвления определяются исxодя из местных условий c учётом рaзмеров энергохозяйства.
Промышленно-производственный персонал подразделяется на следующие категории:
-рабочие, непосредственно обслуживающие производственные процессы;
-служащие, выполняющие преимущественно вспомогательные и административно-управленческие функции;
-специалисты, осуществляющие техническое, экономическое и организационное руководство производственно-хозяйственной деятельностью всего предприятия, для чего требуется высшее или среднее специальное образование;
-руководители, устанавливающие политику предприятия и осуществляющие организационную деятельность.
Для рабочих специальностей устанавливаются разряды, например, слесарь пятого разряда, электромонтер шестого разряда. Согласно тарифно-квалификационному справочнику, присваиваются шесть разрядов с первого по шестой в порядке возрастания квалификации.
Инженерно-техническим работникам обычно присваиваются категории: инженер первой категории, инженер-экономист третьей категории, инженер-наладчик второй категории и т.д. Здесь квалификация оценивается в обратном порядке самая высокая категория обычно первая, большие номера более низкая квалификация. В редких случаях встречается категория выше первой «нулевая».
Ввиду непрерывного характера энергетических производственных процессов на энергопредприятиях и вообще в энергетике работа ведется круглосуточно, поэтому значительная часть эксплуатационного персонала образует дежурный персонал.
Ремонтное обслуживание является вспомогательным, но очень важным элементом производственно-хозяйственной деятельности в Лен. ПМЭС, поскольку от его качества и своевременности зависят надежность работы энергооборудования, бесперебойность снабжения потребителей энергией в нужном количестве, должного качества, c максимальной экономичностью.
В Лен. ПМЭС, как и в других отраслях промышленности, принята система планово-предупредительных ремонтов (ППР). Эта система представляет собой документацию, в которой предлагаются определенная периодичность и виды ремонтного обслуживания для всех типов энергетического оборудования. Разновидностями этой системы являются:
-«Единая система планово-предупредительных ремонтов» (ЕС ППР);
-«Планово-предупредительный ремонт оборудования и сетей промышленной энергетики» (ППР ОСПЭ);
-«Техническое обслуживание и ремонт» (ТОР).
Все системы различаются принятыми для них видами ремонтного обслуживания. Так, в ЕС ППР такими видами являются: текущий, средний и капитальный ремонт. B других системах приняты: профилактические осмотры; текущий ремонт; капитальный ремонт. Иногда применяется средний ремонт, называемый расширенным текущим.
Организация ремонта на энергопредприятиях осуществляется двумя способами:
-децентрализованным, хозяйственным, когда ремонтное обслуживание проводится ремонтным (и частично эксплуатационным) персоналом;
-централизованным, подрядным, c привлечением специализированных ремонтных предприятий энергосистемы.
Решение o выборе формы ремонтного обслуживания остается за руководством каждой отдельной подстанции, в зависимости от местных условий и при сопоставлении затрат на ремонты, выполняемые централизованно или децентрaлизованно.
Годовой график ППР электрооборудования составляется на основе ремонтных нормативов:
-ремонтный цикл (РЦ) комплекс периодически повторяющихся работ между двумя плановыми капитальными ремонтами или от начала эксплуатации оборудования до первого капитального ремонта;
-межремонтный период (МП) время работы электрооборудования между текущими ремонтами;
-межосмотровый период (ТО) время работы электрооборудования между техническими осмотрами.
Для выбранного электрооборудования составляется таблица, используя справочники по проведению ППР.
5.2 Энергосберегающие технологии и мероприятия на предприятии
В Лен. ПМЭС выполняются такие организационные энергосберегающие мероприятия в электрических сетях как:
-увеличение поперечного сечения линий в электросетях. Потери электроэнергии в линиях зависят от значения сопротивлений и тока, который пропускается через линии. Сопротивление действующих линий может считаться практически постоянным. Отсюда вытекает, что для уменьшения потерь электроэнергии возможен один путь уменьшение тока, который протекает через них. При наличии параллельных линий желательно из соображений экономии электроэнергии держать их включенными параллельно. При использовании их на параллельную работу, суммарное (эквивалентное) сопротивление этих сетей уменьшится, и, следовательно, потери активной и реактивной энергии при его передаче сократятся;
-сокращение сроков ремонта электросетей. Любое оснащение во время эксплуатации требует технического обслуживания и ремонта. При проведении ремонта оборудования, нагрузка на другое (резервное) оборудование увеличивается, что значительно увеличивает потери мощности. Потери электроэнергии от проведения ремонта основного оснащения прямо пропорционально зависит от времени его проведения. Таким образом, значительная продолжительность ремонта приводит к значительным потерям электрической энергии;
-передача и распределение электроэнергии по воздушно кабельным линиям. Заметную экономию энергии в электрических сетях напряжением 0,38-10 кВ дает переход от воздушных линий (ВЛ) в распределительных сетях низшего и среднего напряжения к искусственно синтезированным конструкциям с использованием кабельных линий (КЛ). Гибридная конструкция, которая синтезирует лучшие свойства ВЛ и КЛ, называется воздушнокабельной линией (ВКЛ). ВКЛ имеют следующие преимущества:
а) снижение реактивного сопротивления, которое приводит к улучшению режима напряжения в сети ВКЛ и увеличению его пропускной способности;
б) повышение технико-экономических показателей за счёт снижения потерь активной мощности в сети;
в) снижение стоимости дополнительных КЛ для обеспечения оптимальных режимов работы сети; Основную экономию электрической энергии при использовании ВКЛ дает снижение потерь активной мощности и энергии непосредственно в самой ВКЛ, вследствие уменьшения потерь реактивной мощности в участках сети и повышение напряжения у потребителей.
На ПС 220кВ Проспект Испытателей выполняются такие технические энергосберегающие мероприятия как:
-применение частотных преобразователей для электродвигателей систем приточной и вытяжной вентиляции;
-использование люминесцентных и газоразрядных источников света с системах внутреннего, уличного и охранного освещения;
-применение фотореле для управления уличным освещением.
5.3 Энергоэффективность и энергопаспорт предприятия
Согласно [16], энергетическая эффективность - характеристики, отражающие отношение полезного эффекта от использования энергетических ресурсов к затратам энергетических ресурсов, произведенным в целях получения такого эффекта, применительно к продукции, технологическому процессу, юридическому лицу, индивидуальному предпринимателю.
Энергетический паспорт - это документ, составленный по результатам энергетического обследования.
Энергетический паспорт здания следует заполнять:
-на стадии разработки проекта;
-на стадии сдачи строительного объекта в эксплуатацию;
-на стадии эксплуатации объекта.
Энергетическое обследование может проводиться в отношении зданий, строений, сооружений, энергопотребляющего оборудования, объектов электроэнергетики, источников тепловой энергии, тепловых сетей, систем централизованного теплоснабжения, в отношении юридических лиц, индивидуальных предпринимателей и т.д.
Энергетическое обследование - это сбор и обработка информации об использовании энергетических ресурсов для получения достоверной информации об используемых энергетических ресурсах и выявления возможностей энергосбережения и повышения энергетической эффективности.
Основными целями энергетического обследования являются:
-получение объективных данных об объёме используемых энергетических ресурсов;
-определение показателей энергетической эффективности;
-разработка перечня мероприятий по энергосбережению и повышению энергетической эффективности, а так же проведение их стоимостной оценки.
Проведение энергетического обследования является обязательным для:
-органов государственной власти, органов местного самоуправления, наделенных правами юридических лиц;
-организаций с участием государства или муниципального образования;
-организаций, осуществляющих регулируемые виды деятельности;
-организаций, осуществляющих производство и (или) транспортировку воды, природного газа, тепловой энергии, электрической энергии, добычу природного газа, нефти, угля, производство нефтепродуктов, переработку природного газа, нефти, транспортировку нефти, нефтепродуктов;
-организаций, совокупные затраты которых на потребление природного газа, дизельного и иного топлива (за исключением моторного топлива), мазута, тепловой энергии, угля, электрической энергии превышают объём соответствующих энергетических ресурсов в стоимостном выражении, установленный Правительством Российской Федерации за календарный год, предшествующий последнему году до истечения срока проведения последующего обязательного энергетического обследования;
-организаций, проводящих мероприятия в области энергосбережения и повышения энергетической эффективности, финансируемых полностью или частично за счёт субсидий из федерального бюджета, бюджетов субъектов Российской Федерации, местных бюджетов.
В остальных случаях энергетическое обследование проводится в добровольном порядке.
Проведение энергетического обследования вправе осуществлять только лица, являющиеся членами саморегулируемых организаций (СРО) в области энергетического обследования. Создание и функционирование СРО в области энергетического обследования должны осуществляться в соответствии с требованиями настоящего Федерального закона и Федерального закона от 1 декабря 2007 года N 315-ФЗ "О саморегулируемых организациях".
После проведения энергетического обследования, членами СРО должны быть составлены энергетический паспорт и отчёт о проведении энергетического обследования. Эти документы должны быть переданы в СРО в области энергетического обследования для проверки результатов и соответствия требованиям, стандартам и правилам СРО в области энергетического обследования. В течение тридцати дней с момента получения отчёта о проведении энергетического обследования и энергетического паспорта такая СРО в области энергетического обследования повести проверку и передать данные документы с отметкой о соответствии результатов энергетического обследования требованиям к проведению энергетического обследования лицу, проводившему энергетическое обследование, а так же лицу, заказавшему проведение энергетического обследования. Если в результате проведенной проверки выявлено несоответствие результатов энергетического обследования требованиям к проведению энергетического обследования, энергетический паспорт и отчёт о проведении энергетического обследования в течение тридцати дней с момента их получения саморегулируемой организацией в области энергетического обследования возвращаются лицу, проводившему энергетическое обследование, для устранения выявленного несоответствия.
Сбор, обработку, систематизацию, анализ, использование данных энергетических паспортов, составленных по результатам добровольных и обязательных энергетических обследований, осуществляет Уполномоченный федеральный орган исполнительной власти по вопросам проведения энергетических обследований.
Каждая СРО в области энергетического обследования один раз в три месяца обязана направлять заверенные ею копии энергетических паспортов, составленных членами такой саморегулируемой организации по результатам проведенных ими за указанный период обязательных энергетических обследований, в Уполномоченный федеральный орган исполнительной власти по вопросам проведения энергетических обследований.
Уполномоченный федеральный орган исполнительной власти по вопросам проведения энергетических обследований вправе запрашивать и получать у СРО в области энергетического обследования данные о проведённых обследованиях, а также данные составленные по результатам таких обследований и энергетических паспортов с учётом требований законодательства Российской Федерации о коммерческой тайне.
Информация, полученная при обработке, систематизации и анализе данных энергетических паспортов, составленных по результатам обязательных и добровольных энергетических обследований, используется в для:
-получения объективных данных об уровне использования органами и организациями энергетических ресурсов;
-о потенциале их энергосбережения и повышения энергетической эффективности;
-о лицах, достигших наилучших результатов при проведении энергетических обследований;
-об органах и организациях, имеющих наилучшие показатели в области энергосбережения и повышения энергетической эффективности;
-об иных получаемых в результате энергетического обследования показателях.
При составлении энергетического паспорта следует руководствоваться [17].
Для энергетического предприятия, содержание энергетического паспорта может быть следующим:
- Состав оборудования и электрических сетей, в котором отображено:
-общая протяженность электрических сетей, км. Из них:
а) кабельных;
б) воздушных.
-из общего количества кабельных сетей, (по напряжению, кВ):
а) 0,4;
б) 6-10;
в) 35.
-из общего количества воздушных сетей, (по напряжению, кВ):
а) 0,4;
б) 6-10;
в) 35;
г) 110.
-количество и мощность трансформаторных подстанций и распределительных пунктов, шт.;
-общее количество и мощность трансформаторов, шт. Из них (по напряжениям, кВ):
а) 0,4;
б) 6-10.
-общее количество электрических счетчиков, шт., из них:
а) однофазных;
б) трёхфазных.
-количество потребителей всего. Из них (по присоединенной мощности, кВА):
а) выше 750;
б) до 750.
-наличие АСКУЭ.
2) Баланс электрической энергии:
-поступление электроэнергии с шин центров питания в городскую распределительную сеть, млн. кВт·ч.;
-отпуск электроэнергии потребителям;
-расход электроэнергии на собственные нужды предприятия;
-потери электрической энергии:
а) в трансформаторах;
б) распределительных линиях.
- небаланс электрической энергии
а) допустимый;
б) фактический.
3) Технические мероприятия по повышению энергоэффективности:
-протяженность электрических сетей с применением самонесущих и изолированных проводов, км;
-перевод сетей с напряжения 6 кВ на 10 кВ, км;
-устройства для компенсации реактивной мощности:
а) количество, шт.;
б) мощность, кВАр.
4) Характеристика потенциала энергосбережения, выявленного по результатам энергетического обследования. Основные рекомендуемые мероприятия по его реализации:
-мероприятия;
-ожидаемый экономический эффект;
-срок выполнения;
-необходимые финансовые ресурсы.
Срок действия энергетического паспорта 5 лет.
6 Экономический раздел
6.1 Общие требования к работам на объекте проектирования
Работы по устройству внешнего контура заземления ПС 220кВ Проспект Испытателей, находящейся по адресу проспект Испытателей, д.3, к.3, проводятся в соответствии с проектно-сметной документацией работ, включающей рабочий проект.
Начало работ: май 2015г.
Окончание работ: июнь 2015г.
Продолжительность работ: 31 рабочий день.
Гарантийный срок эксплуатации объекта после реконструкции:12 месяцев.
Рабочий проект по устройству внешнего контура заземления
выполнен в соответствии с требованиями СНиП, ПУЭ, ПТЭ и ПТБ.
Данным проектом предусматривается следующий объём работ:
-монтаж горизонтального заземлителя в траншее 840м;
-монтаж вертикальных заземлителей L=5м 16шт;
-подключение к ЗУ пунктов РЕ для заземления пожарного оборудования 4шт;
-устройство заземления ограды 14 узлов;
-устройство выпусков для подключения внутреннего контура заземления 12 узлов;
В качестве горизонтального и вертикальных заземлителей, а так же заземляющих проводников используется сталь круглая Ст3сп 20мм.
6.2 Расчёт локальной сметы по объекту проектирования
Локальная смета - это первичный сметный документ, который составляется на отдельные виды работ и затрат к объектам и сводным расчётам, определяющих сметный лимит средств, необходимых для полного завершения работ, предусмотренных проектом. Сметная стоимость является основой для определения размеров капитальных вложений в реконструкцию: финансирование выполняемых работ, формирование договорных цен, расчётов за выполнение работ, оплата расходов по приобретению электрооборудования.
6.2.1 Описание методики расчёта локальной сметы.
Согласно [15], локальная смета «Устройство внешнего контура заземления ПС 220кв Проспект Испытателей» включает три вида расчётов общестроительные работы, электромонтажные работы и пусконаладочные работы.
Все расчёты проводятся базисно - индексным методом, сметной стоимости проводится за счёт использования текущих индексов по отношение к стоимости работ в базисный период. Индексы учитывают изменение цен в связи с инфляцией, с изменением спроса и предложения на ресурсы и т. п.
Таблица локальной сметы включает «шапку таблицы» и строки для наименований работ и расчёта затрат (пронумерованные).
Введём отдельные обозначения параметров в графах таблицы и формулы для проведения расчётов в каждой строке таблицы:
-Ок - общее количество работы (затрат);
-С1 - стоимость (всего) единицы работы, руб.;
-З1н - стоимость (всего) основной зарплаты на единицу работы рабочих, не занятых эксплуатацией машин, руб.;
-Э1 - стоимость эксплуатации машин при выполнении единицы работы (амортизация и зарплата рабочих-машинистов), руб.;
-З1э - стоимость зарплаты рабочих-машинистов, занятых эксплуатацией машин при выполнении единицы работ - входит в том числе в состав стоимости эксплуатации машин при выполнении единицы работ, руб.;
-М1 - стоимость материалов, затраченных на выполнение единицы работы, руб.;
-Со - общая стоимость прямых затрат на выполнение общего количества работы, руб.;
-Зон - общая стоимость основной зарплаты рабочих не машинистов на общее количество работы, руб.;
-Эо - общая стоимость эксплуатации машин при выполнении общего количества работы (амортизация и зарплата рабочих-машинистов), руб.;
-Мо - общая стоимость материалов, расходуемых на выполнение общего количества работы, руб.;
-Зоэ - стоимость зарплаты рабочих-машинистов, занятых эксплуатацией машин на выполнение общего количества работ входит в том числе в состав стоимости эксплуатации машин на выполнение общего количества работ, руб.;
-Т1н - затраты труда (трудоемкость работы) рабочих, не занятых эксплуатацией машин, на единицу измерения работы, чел. ч.;
-Тон - затраты труда (трудоемкость) рабочих, не занятых эксплуатацией машин на общее количество работы, чел. ч.;
-Т1э - затраты труда (трудоёмкость) рабочих-машинистов, занятых эксплуатацией машин, на единицу измерения работы, чел. ч.;
-Тоэ - затраты труда (трудоемкость) рабочих-машинистов, занятых эксплуатацией машин на общее количество работы, чел. ч.
Алгоритм расчёта локальной сметы по каждому наименованию работ (каждой строке) включает:
-наименование работ (из ведомости объёмов работ), номер норматива (из справочников), единицы измерения работ (из справочников);
-Ок - общее количество работы (из ведомости объёмов работ);
-Т1н - затраты труда на единицу работ рабочих, не занятых эксплуатацией машин (из справочников), чел. ч.;
-Т1э - затраты труда на единицу работ рабочих, занятых эксплуатацией машин (из справочников), чел. ч.;
-Тобщ общие затраты труда рабочих по видам работ, чел. ч;
-М1 - стоимость материалов, затрачиваемых на выполнение единицы работы (по справочникам и ценникам материалов), руб.;
-Э1 - стоимость эксплуатации машин, в том числе и зарплата рабочих-машинистов, при выполнении единицы работ (по справочникам), руб.
Прямые затраты Со, руб., включают: заработную плату рабочих (занятых и не занятых эксплуатацией машин), стоимость материалов и оборудования, расходы на эксплуатацию машин и механизмов, рассчитываются по формуле
Со = Зон + Эо + Мо (11)
Для расчёта прямых затрат Со по каждому виду работ используем следующий алгоритм расчёта:
1) Стоимость основной зарплаты рабочих, не занятых эксплуатацией машин, Зон, руб., на весь объём работ рассчитывается по формуле
Зон = З1н · Ок (12)
2) Стоимость зарплаты рабочих-машинистов, занятых эксплуатацией машин, Зоэ, руб., на весь объём работ, рассчитывается по формуле
Зоэ = З1э · Ок (13)
3) Общая стоимость эксплуатации машин Эо при выполнении общего количества работы, руб., (амортизация и зарплата рабочих-машинистов) рассчитывается по формуле
Эо = Э1 · Ок (14)
4) Общая стоимость материалов Мо, руб., расходуемых на выполнение общего количества работы, рассчитывается по формуле
Мо = М1 · Ок (15)
5) Затраты на общее количество работы по данным таблицы, Эо, руб. рассчитывается по формуле
Эо = Э1 · Ок (16)
6) Затраты труда рабочих, не эксплуатирующих машины, Тон, чел. ч., рассчитывается по формуле
Тон = Т1н · Ок (17)
7) Затраты труда рабочих, эксплуатирующих машины Тоэ, чел. ч., рассчитывается по формуле
Тоэ = Т1э · Ок (18)
8) Сметная стоимость работ Ссм, руб., входящих в локальную смету состоит из прямых затрат Со, накладных расходов Но и сметной прибыли Сп (плановых накоплений), рассчитывается по формуле
Ссм = Со + Но + Сп (19)
10) Определяются итоги по графам 7, 8, 9, 10, и 12, по каждому виду работ локальной сметы.
11) Производится пересчёт стоимости затрат, машин и материалов от цен базисного периода января 2001 года до текущего периода января 2015 года с помощью индексов процента цен, взятых из справочника.
Индекс затрат[стр.9, 15]:
-для заработной платы iз=8,89;
-для машин и механизмов iэ=4,81;
-для материалов iм=4,51.
12) Прямые затраты Со, руб., с учётом индексации цен рссчитываются по формуле
Со = Зон + Эо + Мо (20)
13) Накладные расходы, Но, руб., определяются по формуле
(21)
где Зон - заработная плата рабочих, не занятых обслуживанием машин
и рабочих-машинистов;
Пн - процент накладных расходов от общей заработной платы.
Процент накладных расходов принимается равным 81% [стр.10, 15].
14) Сметная прибыль, Сп, руб., определяется по формуле
(22)
где Ппр - процент сметной прибыли.
Процент сметной прибыли, принимается 58% [стр.10, 15]
15) Сметная стоимость работ, входящая в раздел локальной сметы рассчитывается о формуле (19)
6.2.2 Расчёт раздела «Земляные работы» локальной сметы
Произведём подробный расчёт земляных работ локальной сметы «Устройство внешнего контура заземления ПС 220кв Проспект Испытателей».
Шифр и номер позиции норматива ТЕР01-02-057-1, наименование работ и затрат Разработка грунта вручную в траншеях шириной до 2 м, без креплений с откосами, группа грунтов:1.
Единицы измерения 100 м3.
Заносим в таблицу количество общее, Ок 8,064.
По нормативам данных работ находим стоимость всего на единицу работ, С1 - 1124,54 руб.
По нормативам данных работ находим стоимость основной зарплаты на единицу работ, З1н 1124,54 руб.
Стоимость эксплуатации машин и стоимость материалов по данному виду работ равны нулю.
По формуле (12) находим стоимость основной зарплаты рабочих, не занятых эксплуатацией машин, Зон, руб., на весь объём работ
Зон=1124,54·8,064=9068,29 руб.
По формуле (11) находим прямые затраты Со на весь объём работ
Со = 9068,29 + 0 + 0 =9068,29 руб.
По нормативам данных работ находим затраты труда рабочих, не эксплуатирующих машины, Тн,чел.ч на единицу работ 118
По нормативам данных работ находим затраты труда рабочих, эксплуатирующих машины. Тэ,чел.ч на единицу работ 0
По формуле (17) находим общую величину трудоемкости для рабочих, не занятых эксплуатацией машин
Тон = 118 · 8,064 = 951,55 чел.ч.
Шифр и номер позиции норматива ТЕР01-02-061-1, наименование работ и затрат Засыпка грунта вручную траншей, пазух котлованов и ям, группа грунтов:1
Единицы измерения 100 м3
Заносим в таблицу количество общее Ок 8,064
По нормативам данных работ находим стоимость всего на единицу работ, С1 810,66 руб.
По нормативам данных работ находим стоимость основной зарплаты на единицу работ, З1н 810,66 руб.
Стоимость эксплуатации машин и стоимость материалов по данному виду работ равны нулю.
По формуле (12) находим стоимость основной зарплаты рабочих, не занятых эксплуатацией машин, Зон, руб., на весь объём работ
Зон = 810,66 · 8,064 = 6537,16 руб.
По формуле (11) находим прямые затраты, Со на весь объём работ
Со = 6537,16 + 0 + 0 = 6537,16 руб.
По нормативам данных работ находим затраты труда рабочих, не эксплуатирующих машины, Тн, чел.ч на единицу работ 88,5
По нормативам данных работ находим затраты труда рабочих, эксплуатирующих машины Тэ,чел.ч на единицу работ 0
По формуле (17) находим общую величину трудоемкости для рабочих, не занятых эксплуатацией машин
Тон = 88,5 · 8,064 = 713,66 чел.ч.
Шифр и номер позиции норматива ТЕР01-02-005-1, наименование работ и затрат Уплотнение грунта пневматическими трамбовками, группа грунтов 1, 2
Единицы измерения 100 м3
Заносим в таблицу количество общее Ок = 8,064
По нормативам данных работ находим стоимость всего на единицу работ, С1 322,99 руб.
По нормативам данных работ находим стоимость основной зарплаты на единицу работ, З1н 146,37 руб.
По нормативам данных работ находим стоимость эксплуатации машин на единицу работ, Э1 176,62 руб., в том числе зарплаты 36,84 руб.
Стоимость материалов по данному виду работ равна нулю.
По формуле (12) находим стоимость основной зарплаты рабочих, не занятых эксплуатацией машин, Зон, руб., на весь объём работ
Зон = 146,37 · 8,064 = 1180,33 руб.
По формуле (14) находим общую стоимость эксплуатации машин Эо при выполнении общего количества работы, руб., (амортизация и зарплата рабочих - машинистов)
176,62·8,064=1424,26 руб.
в том числе заработной платы
36,84·8,064=297,08 руб.
По формуле (11) находим прямые затраты, Со на весь объём работ
Со=1180,33+1424,26=2604,59 руб.
По нормативам данных работ находим затраты труда рабочих, не эксплуатирующих машины Т1н,чел.ч на единицу работ 12,53
По нормативам данных работ находим затраты труда рабочих, эксплуатирующих машины Т1э,чел.ч на единицу работ 3,04
По формуле (17) находим общую величину трудоёмкости для рабочих, не занятых эксплуатацией машин
Тон = 12,53 · 8,064 = 101,04 чел.ч.
По формуле (18) находим общие затраты труда рабочих, эксплуатирующих машины Тоэ, чел. ч.,
Тоэ=3,04·8,064=24,51 чел.ч
Результаты расчётов вносим в графы 7, 8, 9, 10, и 12 локальной сметы.
Далее определим итоги по графам 7, 8, 9, 10 и 12: Со 18210,04 руб., Зон 16785,78 руб., Эо 1424,26 руб., Зоэ 297,08 руб., Мо 0 руб., Тон 1766,25 чел.ч., Тоэ 24,51 чел.ч.
Пересчёт стоимости затрат, машин и материалов от цен базисного периода января 2001 года до текущего периода август 2015 года
Зон · iз = 16785,78 · 8,89 = 149225,58 руб.
Эо · iэ = 1424,26· 4,81 = 6850,69 руб.
Мо · iм = 0 · 4,51 = 0 руб.
Итого прямые затраты Со рассчитываем по формуле (10)
Со = 149225,58 + 6850,69 + 0 = 156076,27 руб.
Произведем расчёт накладных расходов и сметной прибыли. Накладные расходы Но определяются по формуле (21)
Но = 149225,58 · 81/100 = 120872,72 руб.
Сметная прибыль Сп определяется по формуле (22)
Сп =149225,58 · 58/100 = 86550,84 руб.
По формуле (19) находим сметную стоимость общестроительных работ локальной сметы «Устройство внешнего контура заземления ПС 220кв Проспект Испытателей».
Ссм = 156076,27 + 120872,72 + 86550,84 = 363499,83 руб.
Результаты расчётов раздела «Земляные работы» локальной сметы «Устройство внешнего контура заземления ПС 220кв Проспект Испытателей» представлены в таблице 7.
|
Таблица 7 - Результаты расчётов раздела «Земляные работы» локальной сметы «Устройство внешнего контура заземления ПС 220кв Проспект Испытателей» |
Затраты труда рабочих, не экспл. машины, чел./ч. |
Затраты труда рабочий экспл. машины, чел./ч. |
Всего Тон |
Тоэ |
13 |
951,55 |
0 |
713,66 |
0 |
101,04 |
24,51 |
|
На ед. измерения Т1Н |
Т1Э |
12 |
118 |
0 |
88,5 |
0 |
12,53 |
3,04 |
|||
|
Общая стоимость, руб. |
Материалы Мо |
11 |
0 |
0 |
0 |
||||||
|
Стоимость экспл. машин Эо |
В т.ч. зарплаты машинист Зоэ |
10 |
0 |
0 |
0 |
0 |
1424,26 |
297,08 |
|||
|
Основая зарплата Зон |
9 |
9068,29 |
6537,16 |
1180,33 |
|||||||
|
Всего Со |
8 |
9068,29 |
6537,16 |
2604,59 |
|||||||
|
Стоимость на единицу, руб. |
Материа лы М1 |
7 |
0 |
0 |
0 |
||||||
|
Зкспл. Машин Э1 |
В т.ч. Зарплаты Э1Э |
6 |
0 |
0 |
0 |
0 |
176,62 |
36,84 |
|||
|
Всего С1 |
Основной зарплаты З1н |
5 |
1124,54 |
1124,54 |
810,66 |
810,66 |
322,99 |
146,37 |
|||
|
Количество общее |
Единица измерения |
4 |
8,064 |
100 м3 грунта |
8,064 |
100 м3 грунта |
8,064 |
100 м3 |
|||
|
Наименование работ и затрат |
3 |
Разработка грунта вручную в траншеях глубиной до2м,без крепления с откосами, группа грунтов:1 |
Засыпка вручную траншеи, пазух котлованов и ям, группа грунтов 1 |
Уплотнение грунта пневматическими трамбовками, группа грунтов: 1,2 |
|||||||
|
Шифр и номер позиции норматива |
2 |
ТЕР-01-02-057-1 |
ТЕР-01-02-061-1 |
ТЕР01-02-005-1 |
|||||||
|
№ П/П |
1 |
1 |
2 |
3 |
|
Продолжение таблицы 7 |
1766,25 |
24,51 |
Значение затрат на 01.01.2015 г., руб. |
149225,58 |
6850,69 |
0 |
156076,27 |
120872,72 |
86550,84 |
363499,83 |
|
0 |
||||||||||
|
1424,26 |
297,08 |
Расчёт затрат |
16785,78· 8,89 |
1424,26 · 4,81 |
0 · 4,51 |
Итого прямые затраты на 01.01.2015 |
16785,78 · 0,81 |
16785,78 · 0,58 |
Итого электромонтажные работы в ценах на январь 2015 г. |
|
|
16785,78 |
||||||||||
|
18210,04 |
||||||||||
|
Итого: прямые затраты в базовых ценах на 01.01.2001 г. |
Значение множителей |
Iзп 8,89 |
Iэо 4,81 |
Iмо 4,51 |
0,81 |
0,58 |
||||
|
Наименование затрат |
Основная зарплата (Зон) |
Машины и механизмы (Эо) |
Материалы (Мо) |
Накладные расходы (Но) |
Сметная прибыль (Сп) |
6.2.3 Расчёт раздела «Электромонтажные работы» локальной сметы
Расчёты раздела «Электромонтажные работы» локальной сметы «Устройство внешнего контура заземления ПС 220 кВ Проспект Испытателей» проводятся по формулам, приведённым выше. Таблица локальной сметы, все обозначения параметров и алгоритм расчёта сохраняются прежними. Результаты расчётов раздела «Электромонтажные работы» локальной сметы «Устройство внешнего контура заземления ПС 220 кВ Проспект Испытателей» представлены в таблице 8.
|
Таблица 8 - Результаты расчётов раздела «Электромонтажные работы» локальной сметы «Устройство внешнего контура заземления ПС 220кв Проспект Испытателей» |
Затраты труда рабочих, не экспл. машины, чел./ч. |
Затраты труда рабочий экспл. машины, чел./ч. |
Всего Тон |
Тоэ |
13 |
132,64 |
4,48 |
159,6 |
2,35 |
2,77 |
0,05 |
|
На ед. измерения Т1Н |
Т1Э |
12 |
8,29 |
0,28 |
19 |
0,28 |
2,13 |
0,38 |
|||
|
Общая стоимость, руб. |
Материалы Мо |
11 |
5889,28 |
3407,71 |
138,24 |
||||||
|
Стоимость экспл. машин Эо |
В т.ч. зарплаты машинист Зоэ |
10 |
871,2 |
63,68 |
504,76 |
33,34 |
9,5 |
0,7 |
|||
|
Основая зарплата Зон |
9 |
1586,24 |
1872,11 |
32,48 |
|||||||
|
Всего Со |
8 |
8346,72 |
5784,58 |
180,22 |
|||||||
|
Стоимость на единицу, руб. |
Материа лы М1 |
7 |
368,08 |
405,68 |
1063,39 |
||||||
|
Зкспл. Машин Э1 |
В т.ч. Зарплаты Э1Э |
6 |
54,45 |
3,98 |
60,09 |
3,98 |
73,07 |
5,41 |
|||
|
Всего С1 |
Основной зарплаты З1н |
5 |
521,67 |
99,14 |
688,64 |
222,87 |
1386,31 |
249,85 |
|||
|
Количество общее |
Единица измерения |
4 |
16 |
10шт |
8,4 |
100м |
0,13 |
100м |
|||
|
Наименование работ и затрат |
3 |
Заземлитель вертикальный из круглой стали диаметром, мм: 16 |
Заземлитель горизонтальный из стали: круглой диаметром 12 мм |
Проводник заземляющий открыто по строительным основаниям из круглой стали диаметром, мм: 12 |
|||||||
|
Шифр и номер позиции норматива |
2 |
ТЕРм08-02-471-4 |
ТЕРм08-02-472-1 |
ТЕРм08-02-471-9 |
|||||||
|
№ П/П |
1 |
1 |
2 |
3 |
|
Продолжение таблицы 8 |
295,01 |
6,88 |
Значение затрат на 01.01.2015 г., руб. |
31033,48 |
6664,06 |
42552,89 |
80250,43 |
25137,12 |
17999,42 |
123386,97 |
|
9435,23 |
||||||||||
|
1385,46 |
97,81 |
Расчёт затрат |
3490,83 · 8,89 |
1385,46 · 4,81 |
9435,23 · 4,51 |
Итого прямые затраты на 01.01.2015 |
31033,48 · 0,81 |
31033,48 · 0,58 |
||
|
3490,83 |
||||||||||
|
14311,52 |
||||||||||
|
Итого: прямые затраты в базовых ценах на 01.01.2001 г. |
Значение множителей |
Iзп 8,89 |
Iэо 4,81 |
Iмо 4,51 |
0,81 |
0,58 |
Итого электромонтажные работы в ценах на январь 2015 г. |
|||
|
Наименование затрат |
Основная зарплата (Зон) |
Машины и механизмы (Эо) |
Материалы (Мо) |
Накладные расходы (Но) |
Сметная прибыль (Сп) |
|||||
6.2.4 Расчёт раздела «Пусконаладочные работы» локальной сметы
Расчёты раздела «Пусконаладочные работы» локальной сметы «Устройство внешнего контура заземления ПС 220 кВ Проспект Испытателей» по пусконаладочным работам проводятся по формулам, приведённым выше. Таблица локальной сметы, все обозначения параметров и алгоритм расчёта сохраняются прежними. Результаты расчётов раздела «Пусконаладочные работы» локальной сметы «Устройство внешнего контура заземления ПС 220 кВ Проспект Испытателей» представлены в таблице 9.
|
Таблица 9 - Результаты расчётов раздела «Пусконаладочные работы» локальной сметы «Устройство внешнего контура заземления ПС 220кв Проспект Испытателей» |
Затраты труда рабочих, не экспл. машины, чел./ч. |
Затраты труда рабочий экспл. машины, чел./ч. |
Всего Тон |
Тоэ |
13 |
5,33 |
0 |
4,8 |
0 |
4 |
0 |
|
На ед. измерения Т1Н |
Т1Э |
12 |
0,04 |
0 |
16 |
0 |
4 |
0 |
|||
|
Общая стоимость, руб. |
Материалы Мо |
11 |
0 |
0 |
0 |
||||||
|
Стоимость экспл. машин Эо |
В т.ч. зарплаты машинист Зоэ |
10 |
0 |
0 |
0 |
0 |
0 |
0 |
|||
|
Основая зарплата Зон |
9 |
681,16 |
61,37 |
51,4 |
|||||||
|
Всего Со |
8 |
681,16 |
61,37 |
51,14 |
|||||||
|
Стоимость на единицу, руб. |
Материа лы М1 |
7 |
0 |
0 |
0 |
||||||
|
Зкспл. Машин Э1 |
В т.ч. Зарплаты Э1Э |
6 |
0 |
0 |
0 |
0 |
0 |
0 |
|||
|
Всего С1 |
Основной зарплаты З1н |
5 |
5,11 |
5,11 |
204,56 |
204,56 |
51,14 |
51,14 |
|||
|
Количество общее |
Единица измерения |
4 |
133,3 |
м |
0,3 |
100 точек |
1 |
1 изме рение |
|||
|
Наименование работ и затрат |
3 |
Измерение сопротивления растеканию тока контура с диагональю, м до: 200 |
Проверка наличия цепи между заземлителями и заземлёнными элементами |
Определение удельного сопротивления грунта |
|||||||
|
Шифр и номер позиции норматива |
2 |
ТЕРп01-11-010-03 |
ТЕРп01-11-011-01 |
ТЕРп01-11-012-01 |
|||||||
|
№ П/П |
1 |
1 |
2 |
3 |
|
Продолжение таблицы 9 |
14,13 |
0 |
Значение затрат на 01.01.2015 г., руб. |
7055,73 |
0 |
0 |
7055,73 |
5715,14 |
4092,32 |
16863,19 |
|
0 |
||||||||||
|
0 |
0 |
Расчёт затрат |
793,67 · 8,89 |
0 · 4,81 |
0 · 4,51 |
Итого прямые затраты на 01.01.2015 |
7055,73 · 0,81 |
7055,73 · 0,58 |
Итого пусконаладочные работы в ценах на январь 2015 г. |
|
|
793,67 |
||||||||||
|
793,67 |
||||||||||
|
Итого: прямые затраты в базовых ценах на 01.01.2001 г. |
Значение множителей |
Iзп 8,89 |
Iэо 4,81 |
Iмо 4,51 |
0,81 |
0,58 |
||||
|
Наименование затрат |
Основная зарплата (Зон) |
Машины и механизмы (Эо) |
Материалы (Мо) |
Накладные расходы (Но) |
Сметная прибыль (Сп) |
6.2.5 Расчёт раздела «Материалы, не учтённые ценником».
В разделе «Материалы, не учтенные ценником» локальной сметы «Устройство внешнего контура заземления ПС 220кв Проспект Испытателей» приведены результаты расчётов по указанным материалам в ценах на 01.01.2015 года без учета НДС.
Общая стоимость материалов Мо рассчитывается по формуле
Мо = Ц1ед · Ок, (23)
где Ц1ед цена 1 единицы материалов, руб.
Ок - общее количество материалов, (шт., м, т, и т. д.)
Результаты расчётов раздела «Материалы и оборудование, не учтенные ценником» локальной сметы «Устройство внешнего контура заземления ПС 220кв Проспект Испытателей» представлены в таблице 10.
|
Таблица 10 Материалы, не учтённые ценником локальной сметы «Устройство внешнего контура заземления ПС 220кв Проспект Испытателей» |
Общая стоимость, руб. Мо |
6 |
65520 |
305,2 |
1578 |
67403 |
10110,48 |
77513,48 |
|
|
Цена за ед., руб. Ц1 |
5 |
28800 |
113,04 |
105,2 |
Всего в текущих ценах на январь 2015 г. |
значение |
0,15 |
Итого материалы в текущих ценах на январь 2015 г. |
|
|
Количество Ок |
4 |
2,275 |
2,7 |
15 |
Транспортно заготовительные расходы |
||||
|
Единица измерения |
3 |
т |
кг |
кг |
|||||
|
Наименование материалов |
2 |
Сталь круглая Ст3сп 20 |
Лак битумный БТ-577 |
Электроды сварочные АНО-4 |
|||||
|
№ по каталогу Шифр |
1 |
1 |
2 |
3 |
6.3 Расчёт общей сметной стоимости объекта проектирования
По результатам всех расчётов необходимо произвести сводный расчёт.
Общая сметная стоимость работ по локальной смете «Устройство внешнего контура заземления ПС 220кв Проспект Испытателей», Собщ, руб., определяется по формуле
Собщ = Сзмл + Смонт + Спуск + Смат, (24)
Собщ = 363499,83 + 123386,97 + 16863,19 + 77513,45 = 581263,44 руб.
С учетом налога НДС - 18% общая сметная стоимость работ по локальной смете Собщ НДС, руб., определяется по формуле
Собщ НДС = Собщ · 1,18, (25)
где НДС - налог на добавленную стоимость, %
Собщ - общая сметная стоимость работ, руб.
Собщ НДС = 581263,44 · 1,18 = 685890,86 руб.
Сметная стоимость проекта «Устройство внешнего контура заземления ПС 220кв Проспект Испытателей» представлена в таблице 11.
Таблица 11 - Сметная стоимость проекта «Устройство внешнего контура заземления ПС 220кв Проспект Испытателей»
|
Наименование |
Значение показателя |
|
|
Абсолютное, руб. |
Относительное, % |
|
|
Общая сметная стоимость с учётом НДС, руб. |
685890,86 |
100 |
|
Сметная стоимость без НДС, руб. |
581263,44 |
84,75 |
|
Общая заработная плата, руб. |
187314,79 |
27,31 |
|
Машины и механизмы, руб. |
13514,75 |
1,97 |
|
Общая стоимость материалов, руб. |
120066,34 |
17,51 |
|
Общие накладные расходы, руб. |
151724,98 |
22,12 |
|
Общая сметная прибыль, руб. |
108642,58 |
15,84 |
|
Трудоёмкость, чел.ч |
2075,39 |
- |
7 Конструкторский раздел
7.1 Описание конструкторской разработки (стенда «Работа газового реле»)
В качестве конструкторской разработки был разработан и собран учебный стенд «Работа газового реле».
Стенд «Работа газового реле» предназначен для демонстрации принципа действия газового реле (реле Бухгольца), а так же для обучения действиям по отбору газа.
Внешний вид стенда показан на рисунке 6.

1 - лампа «Питание стенда»; 2 выключатель «Питание стенда»; 3 кран для отбора газа; 4 расширительных бачок; 5 лампа «Работа на отключение»; 6 лампа «Работа на сигнал»; 7 кнопка «Пуск компрессора»; 8 кнопка «Сброс аварийной сигнализации»; 9 выключатель «Питание компрессора»; 10 колпачок кнопки контроля исправности реле; 11 газовое реле типа BF-80.
Рисунок 6 Внешний вид стенда «Работа газового реле»
Основным элементом стенда является газовое реле [18]. Его устройство показано на рисунке 7.

1- поплавок элемента «работа на сигнал»; 2 пластина элемента «работа на отключение»; 3 поплавок элемента «работа на отключение».
Рисунок 7 Устройство газового реле
Газовое реле имеет элемент 1 «работа на сигнал» и элементы 2 и 3 «работа на отключение». «Сигнальным» и «отключающим» контактами являются герконы, которые срабатывают от приближения к ним постоянного магнита, укреплённого на поплавках. Поплавок контакта «работа на отключение» опускается либо сам по себе, при наличии газа в корпусе реле, либо от давления отключающей пластины 2. Такая конструкция определяется необходимостью выполнить электрический контакт при наличии масла в корпусе реле.
Смотровые стёкла реле имеют отметки уровня с цифрами от 250 до 450 см3, обозначающие объём газа в корпусе реле.
В крышке реле имеется кран для отбора проб газа из реле. В нижней части реле есть два отверстия для слива загрязнённого масла.
В нормальных условиях работы корпус реле заполнен маслом, поплавки удерживаются за счёт разницы в плотности воздуха и масла, а отключающая пластина за счёт постоянного магнита. Таким образом все элементы занимают положение, при котором их контакты разомкнуты.
При незначительном газообразовании в баке трансформатора газ по трубопроводу проходит в расширитель, скапливаясь в верхней части газового реле, где помещён сигнальный элемент 1.
Примечание: в стенде процесс газообразования в баке трансформатора имитируется при помощи воздушного компрессора.
При скоплении в реле определённого количества газа, уровень масла в нём снижается так, что поплавок элемента 1 опустится под действием силы тяжести и контакт «работа на сигнал» замкнётся.
При дальнейшем снижении уровня масла, когда корпус реле опорожниться практически полностью, поплавок элемента 3 так же опустится под действием силы тяжести и его контакт «работа на отключение» замкнётся.
При внутренних повреждениях трансформатора вместе короткого замыкания (КЗ) происходит бурное масла и поток смеси масла с газом устремится из бака в расширитель. Под действием этого потока отклонится пластина 2 и замкнётся контакт «работа на отключение». Таким образом реализуется функция струйного реле.
Примечание: в данном стенде демонстрация работы струйного реле не предусмотрена.
В газовом реле имеется устройство для контроля исправности реле. Оно состоит из кнопки, рейки с выступами и возвратной пружины. В условиях эксплуатации кнопка закрыта колпачком.
При нажатии на кнопку, рейка перемещается вниз и верхний выступ нажимает на держатель сигнального поплавка, который опускается вниз и замыкает контакт реле «работа на сигнал». При дальнейшем нажатии на кнопку опустится отключающий поплавок и замкнётся контакт «работа на отключение».
Отключающая пластина от устройства контроля не апробируется.
7.2 Порядок работы на стенде
7.2.1 Демонстрация работы газового реле «на сигнал» производится в следующем порядке (рисунок 6):
- Включить стенд поворотом ключа 2 «питание стенда», при этом загорится лампа 1;
- Включить выключатель 9 «питание компрессора». Данный выключатель предусмотрен для полного отключения компрессора в случае нештатной ситуации;
- Нажать на кнопку 7 «Пуск компрессора». Компрессор начинает закачивать в газовое реле воздух, тем самым имитируя процесс газообразования в баке масляного трансформатора. Процесс закачки воздуха в газовое реле можно наблюдать по увеличению уровня масла в расширительном бачке 4;
- При скоплении достаточного количества воздуха в газовом реле, верхний поплавок опустится и замкнёт контакт «работа на сигнал». При этом компрессор автоматически отключится и загорится жёлтая лампа 6 «работа на сигнал»;
- Для приведения стенда в исходное состояние, следует открутить заглушку на штуцере крана отбора газа 3 и открыть кран. После того, как вест воздух выйдет из газового реле, о чём будет свидетельствовать прекращения изменения уровня масла в расширительном бачке, кран следует закрыть.
7.2.2 Демонстрация работы газового реле «на отключение» производится в следующем порядке:
1) Включить стенд поворотом ключа 2 «питание стенда», при этом загорится лампа 1;
2) Открутить колпачок с кнопки контроля исправности реле 10;
3) Нажать на кнопку контроля исправности реле. При этом:
-во время нажатия кнопки на половину общего хода штока, загорится лампа 6 «работа на сигнал»;
-при дальнейшем нажатии кнопки до упора, загорится лампа 5 «работа отключение»;
-после отпускания кнопки, лампа 6 «работа на сигнал» погаснет, а лампа 5 «работа на отключение» будет продолжать гореть, имитируя полное отключение трансформатора;
4) Для приведения стенда в исходное состояние, следует нажать на кнопку 8 «сброс аварийного сигнала».
7.2.3 Отбор пробы газа из газового реле [18].
Отбор пробы газа из газового реле следует производить с помощью прибора, показанного на рисунке 9.

1 - пипетка; 2 - уравнительная склянка; 3,4 - резиновая трубка; 5 - кран; 6 - зажим.
Рисунок 9 Прибор для отбора пробы газа
Перед отбором пробы пипетку и резиновую трубку, надетую на верхний кран пипетки, необходимо заполнить затворной жидкостью. Для этого необходимо открыть верхний и нижний краны пипетки и поднять уравнительную склянку выше уровня верхнего крана. При заполнении пипетки следует следить, что бы в её верхней части не оставалось пузырьков воздуха. Когда жидкость начнёт вытекать из резиновой трубки 4, краны пипетки следует закрыть, а на резиновую трубку надеть зажим 6.
В качестве затворной жидкости может быть использовано трансформаторное масло.
Для отбора в пипетку пробы газа свободный конец резиновой трубки 4 необходимо присоединить к штуцеру крана газового реле, опустить пипетку ниже крана, установить уравнительную склянку на высоте нижнего крана пипетки, затем открыть краны пипетки и снять зажим с верхней резиновой трубки. Убедившись в отсутствии подсоса воздуха в пипетку при закрытом кране газового реле (уровень затворной жидкости в пипетке не должен опускаться), следует открыть этот кран и отобрать газ в пипетку. Отбор газа следует производить до тех пор, пока уровень масла в газовом реле не достигнет верхней отметки на смотровом стекле или пока пипетка не заполнится газом. Затем необходимо закрыть кран газового реле и поднять уравнительную склянку на уровень верхнего крана пипетки для создания в пипетке избыточного давления. После этого следует закрыть нижний и верхний краны пипетки, снять резиновую трубку со штуцера крана газового реле.
7.3 Технические характеристики конструкторской разработки
Основные технические характеристики стенда «Работа газового реле» приведены в таблице 12.
Таблица 12 Технические характеристики стенда
|
Технические характеристики стенда «Работа газового реле» |
|
|
Номинальное напряжение питания, В |
220 |
|
Частота питающего напряжения, Гц |
50 |
|
Потребляемая мощность, Вт |
57 |
|
Габариты, см |
700х200х600 |
|
Масса, кг |
11 |
Схема электрическая принципиальная стенда «Работа газового реле» изображена на рисунке 10.

Рисунок 10 Схема электрическая принципиальная стенда «Работа газового реле»
Заключение
Дипломный проект выполнен согласно с требованиями ГОСТ, СНиП, ПУЭ и других нормативных документов.
Объектом исследования и проектирования было выбрано заземляющее устройство ПС 220кВ Проспект Испытателей.
В исследовательском разделе было произведено изучение характеристик основного оборудования ПС 220 кВ проспект Испытателей, а также планировочное решение и технические характеристики существующего заземляющего устройства. В результате исследований возникли сомнения в правильности расчётов заземляющего устройства, в частности значение минимального сечения заземляющих проводников и значение сопротивления растеканию тока заземляющего устройства. Исходя из вышеизложенного, было предложено провести повторный расчёт заземляющего устройства и разработать проект устройства (монтажа) наружного заземляющего устройства на территории ПС.
В расчётно-техническом разделе был произведён выбор и обоснование элементов заземляющего устройства, разработано планировочное решение и произведён расчёт. Расчёт ЗУ ПС 220 кВ проспект Испытателей производился исходя из расчётного тока замыкания на землю и сопротивления заземляющего устройства без учёта естественных заземлителей. В результате было спроектировано заземляющее устройство, состоящее из соединённых между собой горизонтального и 16 вертикальных заземлителей. По результатам расчётов на минимальное сечение заземляющих проводников, в качестве материала для электродов была выбрана сталь круглая Ст3сп 20мм.
В технологическом разделе бал описан как общий технический процесс монтажа, наладки и обслуживания заземляющих устройств, так и технический процесс монтажа и наладки ЗУ ПС 220 кВ проспект Испытателей. Для процесса монтажа ЗУ ПС 220 кВ проспект Испытателей была составлена технологическая карта, в которой отражена последовательность операций, а так же составлен список необходимых материалов, инструментов и приспособлений.
В разделе охраны труда были освещены как общие вопросы и правила проведения строительно-монтажных работ (режимы труда и отдыха, производственная санитария, пожарная безопасность, мероприятия по охране окружающей среды), так и правила охраны труда при проведении конкретных видов работ, таких как земляные, сварочные работы, работы с электроинструментом, электробезопасность, в том числе и при проведении испытаний и измерений.
В организационном разделе были освещены вопросы по научной организации труда, перечислены энергосберегающие технологии и мероприятия проводимые на ПС 220 кВ Проспект Испытателей, особенности составления энергопаспорта на энергетическом предприятии.
В экономический раздел состоит из описания расчета стоимости работ по устройству заземляющего устройства ПС 220 кВ Проспект Испытателей и составленной локальной сметы. По результатам расчётов можно сделать выводы о процентном соотношении отдельных составляющих. Наибольший удельный вес в затратах проекта занимает заработная плата - 27,31%. Снижение сметной стоимости устройства заземляющего устройства в данном проекте может быть достигнуто за счёт механизации производственных процессов. Например, при рытье траншеи и обратной засыпке применить мини-экскаватор.
В конструкторском разделе было дано описание стенда «Работа газового реле», даны его технические характеристики и принципиальная электрическая схема, описан порядок работы на стенде.
Ссылки на используемую литературу
1. Правила устройства электроустановок (ПУЭ), изд. 7.СПб.: ООО «Барс», 2011.
2. ГОСТ Р 51853-2001. Заземления переносные для электроустановок. Общие технические условия.Введ. 2003-01-01.М.: Издательство стандартов, 2002.
3. ГОСТ 30323-95. Короткие замыкания в электроустановках. Методы расчета электродинамического и термического действия тока короткого замыкания. Введ. 1996-07-01.М.: Издательство стандартов, 1993.
4. Цигельман И.Е. Электроснабжение гражданских зданий и коммунальных предприятий: Учебник для электромеханических специальных техникумов. 3-е изд. М.: Высшая школа, 1988.
5. Володькина, Т.А. Методическое пособие по выполнению курсовых и расчётно-практических работ по предметам «Электроснабжение предприятий и гражданских зданий» и «Монтаж и эксплуатация электрооборудования (по отраслям)». СПб.: АТЭМК, 2006.
6. Трудовой кодекс Российской Федерации от 30.12.2001 N 197-ФЗ (ред. от 06.04.2015, с изм. от 02.05.2015). URL:http://www.consultant.ru/popular/tkrf/#info ( дата обращения: 14.06.2015).
7. СН 245-71. Санитарные нормы проектирования промышленных предприятий.Введ. 1997-11-05.М.: Издательство Литературы по строительству, 1972.
8. Правила пожарной безопасности для энергетических предприятий РД 153-34.0-03.301-00 (ВППБ 01-02-95*).СПб.: «ЭгоЛит», 2011.
9. СНиП 12-03-2001. Безопасность труда в строительстве. Часть 1. Общие требования (приняты и введены в действие Постановлением Госстроя РФ от 23.07.2001 N 80) из информационного банка «Строительство». URL: http://base.consultant.ru/cons/cgi/online.cgi?req=doc;base=STR;n=4467 (дата обращения: 14.06.2015).
10. Межотраслевые правила по охране труда при эксплуатации электроустановок ПОТ РМ-016-2001. РД 153-34.0-03.150-00.СПб.: ООО «Издательство ДЕАН», 2001.
11. Типовая инструкция по охране труда при выполнении земляных работ ТОИ Р-45-066-97. Введ. 1998-09-01. URL: http://base.consultant.ru/cons/cgi/online.cgi? base=EXP&n=278995&req=doc (дата обращения: 14.06.2015).
12. Правила безопасности при работе с инструментом и приспособлениями. Соглас.: Цк профсоюза рабочих местной Промышленности и коммунально-бытовых Предприятий. Постановление № 46 от 12.12.1985 М., 1993 URL:http://meganorm.ru/Data2/1/4293847/4293847346.htm (дата обращения: 14.06.2015).
13. Инструкция по применению и испытанию средств защиты, используемых в электроустановках СО 153-34.03.603-2003. М., 2003. URL: http://www.elec.ru/viewer?url=/library/direction/so_153-34_03_603-2003.pdf (дата обращения: 14.06.2015).
14. Пособие к СНиП 11-01-95 по разработке раздела проектной документации «Охрана окружающей среды». - М., 2000. URL: http://ohranatruda.ru/ot_biblio/normativ/data_normativ/7/7560/index.php (дата обращения: 14.06.2015).
15. Парфёнова, Т.И. Методические указания по выполнению экономического раздела ДП: Методическая разработка. АТЭМК2. МР1313.0/ Т.И. Парфёнова. СПб ГБОУ СПО «АТЭМК», 2013.
16. Федеральный закон от 23 ноября 2009 г. N 261-ФЗ «Об энергосбережении и о повышении энергетической эффективности и о внесении изменений в отдельные законодательные акты Российской Федерации».URL: http://www.consultant.ru/document/cons_doc_LAW_173032/ (дата обращения: 14.06.2015).
17. СНиП 23-02-2003. Тепловая защита зданий. Введ. 2003-10-01. URL: http://docs.cntd.ru/document/1200035109 (дата обращения: 14.06.2015).
18. Инструкция по эксплуатации газовой защиты. Рд 153-34.0-35.518-2001.М.: Служба передового опыта ОРГРЭС., 2001. URL: http://www.opengost.ru/9757-rd-153-34.0-35.518-2001-instrukciya-po-ekspluatacii-gazovoy-zaschity.html (дата обращения: 14.06.2015).
Литература
Володькина, Т.А. Рекомендации по выполнению расчетно-технологической части курсового проектирования: Методическая разработка АТЭМК2.МР1212.007/ Т.А. Володькина. СПб ГБОУ СПО «АТМК», 2013.
Григорьева, Е.В. Оформление текстового документа: методические рекомендации/ Е.В.Григорьева, Н.Н.Силенок.СПб.:АТМЭК, 2012.
Парфёнова, Т.И. Методические указания по выполнению экономического раздела ДП: Методическая разработка. АТЭМК2. МР1313.0/ Т.И. Парфёнова. СПб ГБОУ СПО «АТЭМК», 2013.
Цигельман, И.Е. Электроснабжение гражданских зданий и коммунальных предприятий: Учебник для электромеханических специальных техникумов. 3-е изд. М.: Высшая школа, 1988.
Инструкция по переключениям в электроустановках.СПб.: «ЭгоЛит», 2007.
Инструкция по применению и испытанию средств защиты, используемых в электроустановках СО 153-34.03.603-2003. М., 2003. URL: http://www.elec.ru/viewer?url=/library/direction/so_153-34_03_603-2003.pdf (дата обращения: 14.06.2015).
Инструкция по эксплуатации газовой защиты. Рд 153-34.0-35.518-2001.М.: Служба передового опыта ОРГРЭС., 2001. URL: http://www.opengost.ru/9757-rd-153-34.0-35.518-2001-instrukciya-po-ekspluatacii-gazovoy-zaschity.html (дата обращения: 14.06.2015).
Межотраслевые правила по охране труда при эксплуатации электроустановок ПОТ РМ-016-2001. РД 153-34.0-03.150-00.СПб.: ООО «Издательство ДЕАН», 2001.
Методика определения стоимости строительной продукции на территории Российской Федерации. МДС 81-35.2004. URL: http://www.consultant.ru/document/cons_doc_LAW_164458/?frame=1 (дата обращения: 14.06.2015).
Пособие к СНиП 11-01-95 по разработке раздела проектной документации «Охрана окружающей среды». - М., 2000. URL: http://ohranatruda.ru/ ot_biblio/normativ/data_normativ/7/7560/index.php (дата обращения: 14.06.2015).
Типовая инструкция по охране труда при выполнении земляных работ ТОИ Р-45-066-97. Введ. 1998-09-01. URL: http://base.consultant.ru/cons/cgi/online.cgi? base=EXP&n=278995&req=doc (дата обращения: 14.06.2015).
Правила безопасности при работе с инструментом и приспособлениями. Соглас.: Цк профсоюза рабочих местной Промышленности и коммунально-бытовых Предприятий. Постановление № 46 от 12.12.1985 М., 1993 URL:http://meganorm.ru/Data2/1/4293847/4293847346.htm (дата обращения: 14.06.2015).
Правила технической эксплуатации электрических станций и сетей Российской Федерации.СПб.: ООО «Барс», 2003.
Правила пожарной безопасности для энергетических предприятий РД 153-34.0-03.301-00 (ВППБ 01-02-95*).СПб.: «ЭгоЛит», 2011.
Правила устройства электроустановок (ПУЭ), изд. 7.СПб.: ООО «Барс», 2011.
ГОСТ Р 51853-2001. Заземления переносные для электроустановок. Общие технические условия.Введ. 2003-01-01.М.: Издательство стандартов, 2002.
ГОСТ 30323-95. Короткие замыкания в электроустановках. Методы расчета электродинамического и термического действия тока короткого замыкания. Введ. 1996-07-01.М.: Издательство стандартов, 1993.
СН 245-71. Санитарные нормы проектирования промышленных предприятий.Введ. 1997-11-05.М.: Издательство Литературы по строительству, 1972.
СНиП 12-03-2001. Безопасность труда в строительстве. Часть 1. Общие требования (приняты и введены в действие Постановлением Госстроя РФ от 23.07.2001 N 80) из информационного банка «Строительство». URL: http://base.consultant.ru/cons/cgi/online.cgi?req=doc;base=STR;n=4467 (дата обращения: 14.06.2015).
СНиП 23-02-2003. Тепловая защита зданий. Введ. 2003-10-01. URL: http://docs.cntd.ru/document/1200035109 (дата обращения: 14.06.2015).
Федеральный закон от 23 ноября 2009 г. N 261-ФЗ «Об энергосбережении и о повышении энергетической эффективности и о внесении изменений в отдельные законодательные акты Российской Федерации».URL: http://www.consultant.ru/document/cons_doc_LAW_173032/ (дата обращения: 14.06.2015).
Трудовой кодекс Российской Федерации от 30.12.2001 N 197-ФЗ (ред. от 06.04.2015, с изм. от 02.05.2015). URL:http://www.consultant.ru/popular/tkrf/#info ( дата обращения: 14.06.2015).
Заземляющее устройство (ЗУ) подстанции (ПС) 220кВ Проспект Испытателей входящей в состав Ленинградского Предприятия Магистральных Электрических Систем

















