Расчет подстанции ГРЭС-2400
Содержание
Введение
Паспорт станции
1. Теплотехническая часть
1.1 Расчет тепловой схемы
1.2 Выбор основного и вспомогательного оборудования
2. Электротехническая часть
2.1. Выбор генераторов
2.2. Разработка структурной схемы проектируемой электроустановки
2.2.1 Основные положения по разработке структурной схемы
2.2.2 Характеристика предлагаемых вариантов схемы проектируемой
электроустановки
2.2.3 Основные теоретические положения технико-экономического расчета
2.2.4 Выбор силовых трансформаторов, автотрансформаторов
2.2.5 Расчет приведенных затрат
2.2.6 Выводы
2.3. Расчет токов трехфазного короткого замыкания
2.3.1 Основные теоретические положения
2.3.2 Расчет токов короткого замыкания
2.3.3Координация уровня токов короткого замыкания
2.4. Разработка схемы собственных нужд
2.4.1 Основные характеристики механизмов собственных нужд
2.4.2 Характеристика схемы собственных нужд
2.4.3 Выбор места присоединения, количества и мощности рабочих и
резервных трансформаторов собственных нужд
2.5. Разработка схем распределительных устройств
2.5.1 Выбор схемы РУ на напряжение 500 кВ
2.5.2 Выбор схем РУ на напряжение 220 кВ
2.6. Выбор аппаратов и проводников
2.6.1 Выбор коммутационных аппаратов на всех напряжениях
2.6.2 Выбор проводников
2.6.3 Выбор измерительных трансформаторов и контрольно-
измерительных приборов, щитов управления
2.7. Разработка конструкции РУ
2.7.1 Выбор конструкции РУ
2.7.2 Выбор аппаратов для ограничения перенапряжений
2.8. Разработка генерального плана проектируемой электроустановки
2.9. Выбор режима работы нейтрали
3. Релейная защита.
4. Охрана труда.
5. Специальная часть.
6. Экономическая часть
Заключение
Литература
Графическая часть: 8 листов А1:
- Тепловая схема;
- Главная схема;
- Схема собственных нужд;
- Структурная схема;
- Генплан станции;
- Разрез ячейки;
- Экономические показатели;
- Специальная часть;
ВЕДЕНИЕ
Задачей дипломного проекта является разработка Конденсационной электрической станций. В качестве основного топлива используется газ, в качестве резервного - мазут. Установленная мощность электростанции 2400 Мвт. Станция предназначена для электроснабжения крупного промышленного центра. Связь с системой осуществляется по 2линиям 500кВ. От шин 220 кВ отходят 6 воздушных линии в районную сеть. В дипломном проекте произведены следующие расчеты:
- расчёт тепловой схемы и выбраны основные и вспомогательные оборудования;
-расчет электротехнической части (выбраны генераторы, разработаны структурные схемы, выбраны силовые трансформаторы произведен технико-экономический расчет, рассчитаны токи к.з, выбраны проводники и аппараты. -рассчитана релейная защита, специальная и экономическая часть.
Паспорт станции:
Тип и мощность станции: ГРЭС-2400
Связь с энергосистемой на напряжение 500 кВ по двум воздушным линиям.
Параметры системы 1: мощность 6000 МВА, сопротивление 0,85 о. ед. длина ЛЭП 150 км., резервная мощность 500 МВт. Параметры системы 2: мощность 4000 МВА, сопротивление 1,1 о. ед. длина ЛЭП 120 км., резервная мощность 400 МВт. От шин 220 кВ отходят 6 линий в районную сеть. Расположение: РФ, Коми- Пермяцкий автономный округ. Топливо: газ, резервное мазут.
Система технического водоснабжения: из реки. Турбины: 8К-300- 240.
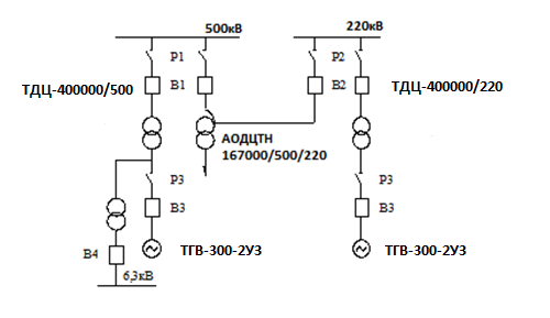
Турбогенераторы типа ТГВ-300- 2УЗ. Блочные силовые трансформаторы типа ТДЦ-400000/500, ТДЦ--400000/220 и автотрансформаторы связи типа 3*АОДЦТН-167000/500/220. Трансформаторы собственных нужд: ТРДНС-32000/35, ТРДНС-32000/220. Распределительные устройства:
На высокое напряжение 500 кВ КРУЭ схема три вторых 3/2. На среднее
напряжение 220 кВ КРУЭ две системы сборных шин
Электрические аппараты и проводники напряжением выше 1 кВ:
- Элегазовые ячейки ЯЭУ-500, ЯЭГ-220.
- Выключатели: ВГГ-20, BB/TEL-10. Разъединитель РВПЗ-1-20/12500УЗ.
Проводники: гибкие сталеалюминевые провода 3АС-600/72, 2АС-400/22, комплектный пофазно-экранированый токопровод ТЭКН-Е-20-12500-400, жесткие шины ША 100х8.
Измерительные трансформаторы тока: встроенные ТШ-20-12000/5 .
Измерительные трансформаторы напряжения: для наружной установки НКФ-500, НКФ-220, встроенные ЗНОЛ-20.
Распределительные устройства 500 и 220 кВ выполнены типа КРУЭ, собственных нужд 6 кВ комплектного типа внутренней установки с шкафами типа К-104 М.
1. Тепловая часть.
1.1Расчет принципиальной тепловой схемы К-300-240
1.1.1 Краткая характеристика турбоустановки К-300-240
Конденсационная паровая турбина К-300-240 номинальной мощностью 300 МВт, с начальным давлением пара 23,5 МПа предназначена для непосредственного привода генератора переменного тока типа ТГВ-300-2УЗ, для работы в блоке с прямоточным котлом.
Номинальные значение основных параметров турбины К-300-240-3
Таблица 1.1
|
Турбина |
Мощность |
Частота |
Параметры свежего пара: давление, Мпа/ |
Параметры пара промерегрева: давление, Мпа/ |
Число отборов |
Температура |
Номинальная |
|
К-300-240-3 |
300 |
50 |
23,5/540 |
3,65/540 |
8 |
275 |
12 |
Характеристика отборов Таблица 1.2
|
Потребители пара |
Подогреватель |
Давление Мпа |
Темпера- |
Количество отбираемого пара, кг/с(т/ч) |
|
1 |
пвд1 |
6,12(62,4) |
375 |
15,97(57,5) |
|
2 |
пвд2 |
3,92(40,0) |
315 |
23,5(84,6) |
|
3 |
пвд3 |
1,559(15,9) |
450 |
7,16(25,8) |
|
|
Турбопривод |
1,559(15,9) |
450 |
24,72(89,0) |
|
4 |
Деаэратор |
1,039(10,6) |
395 |
5,0(18,0) |
|
5 |
пнд4 |
0,505(5,15) |
300 |
9,72(35) |
|
6 |
пнд3 |
0,235(2,4) |
240 |
8,33(30) |
|
7 |
пнд2 |
0,087(0,895) |
14 |
8,77(31,6) |
|
8 |
пнд1 |
0,017(0,172) |
56 |
6,3(22,7) |

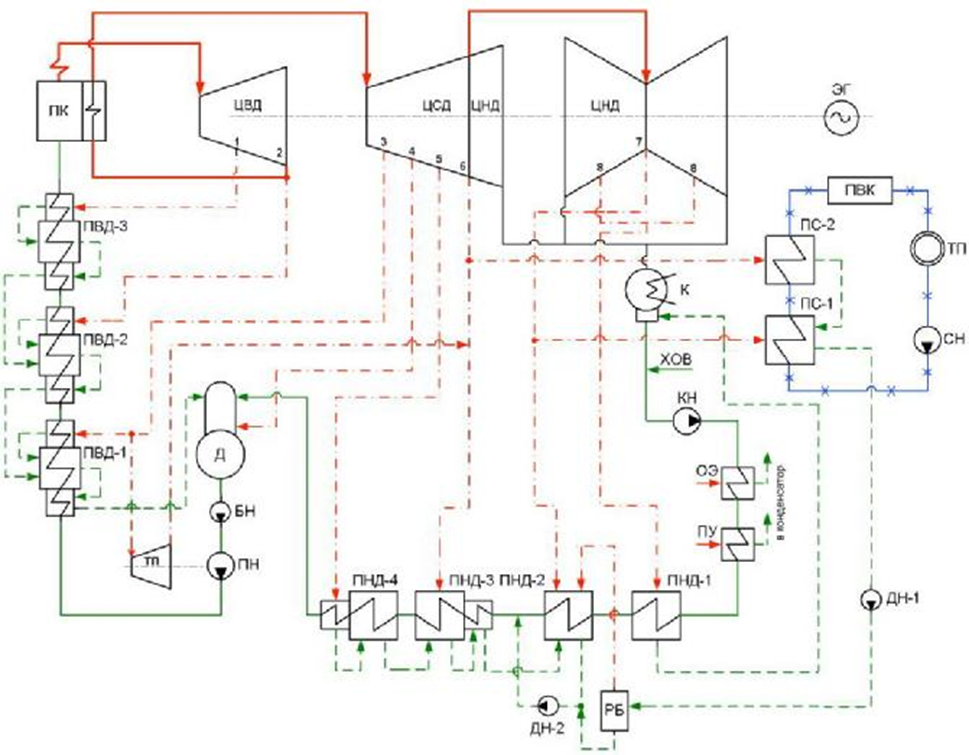
Рисунок 1. Принципиальная тепловая схема турбоустановки К-300-240
1.1.2 Расчет
Для заданной ПТС определяем параметры пара (энтальпию, температуру,
давление).
Давление пара выписываем из справочника Ривкина, энтальпию i определяем
из табл. Ривкина.
P-давление пара в отборах турбины;
t- температура пара в отборах турбины;
Pн-давление пара насыщения в подогревателях;
tн-температура пара насыщения в подогревателях;
iн-энтальпия пара насыщения в подогревателях;
Pв-давление воды после каждого подогрева;
tв-температура воды после каждого подогрева;
iв-энтальпия воды после каждого подогрева;
tдр-температура дренажа;
iдр-энтальпия дренажа.
0-точка параметра пара на входе;
1-отбор пара на ПВД1;
Пока часть пара идет на подогревание из отбора турбины пар теряет 7%
даввления на гидравлическое сопротивление.
Давление в отборе-потери давления=давление насыщенного пара в
Подогревателе
Все деаэраторы рассчитаны на 6 7ата
Зная Pн из табл. Ривкина определяем tн и iн.
Принимаем недогрев
Для ПВД принимаем недогрев 1%
Потери давления Pпвд составляет 0,5 Мпа, потери в Pпнд составляет 0,1 Мпа.
Отнимая от давления питательного насоса Pпн потери в ПВД, получаем
давление питательной воды:
Чтобы определить энтальпию воды iв нужно знать Pв и tв.
Для ПНД, в которые не втекают дренажи из других подогревателей tдр=tнасыщ.
пара в этом ПНД.
Для остальных подогревателей температура дренажа=температуре на входе в
этот подогреватель+100С.
Зная температуру дренажа, по таблице Ривкина определяем энтальпию.
Все значения заносим в таблицу 1.3
Таблица 1.3
Таблица состояния воды и водяного пара турбины К-300-240
|
Подогрев |
Давление, Р Мпа |
Температура |
Энтальпия |
Давление насыщения пара, Рн |
Температура насыщения пара, tн |
Энтальпия насыщения |
Рв |
tв |
iв |
tдр |
iдр |
|
|
23,5 |
23,5 |
540 |
3323 |
21,85 |
- |
- |
- |
- |
- |
- |
- |
- |
|
ПВД1 |
6,12 |
375 |
3110,6 |
5,7 |
272,23 |
1196,8 |
1 |
29,65 |
271,23 |
1181,8 |
271,23 |
1181,9 |
|
ПВД2 |
3,92 |
315 |
2978,3 |
3,64 |
244,8 |
1061 |
1 |
30,15 |
243,8 |
1042,9 |
205,4 |
865,34 |
|
ПВД3 |
1,559 |
450 |
3363,02 |
1,44 |
196,4 |
836,1 |
1 |
30,55 |
195,4 |
845 |
174,96 |
757 |
|
Д |
1,039 |
395 |
3252,7 |
0,7 |
164,96 |
697,1 |
0 |
0,7 |
164,96 |
675,5 |
156,53 |
647,29 |
|
ПНД4 |
0,505 |
300 |
3064,2 |
0,47 |
149,53 |
630,1 |
3 |
2,3 |
146,55 |
633,3 |
146,53 |
618,4 |
|
ПНД3 |
0,235 |
240 |
2949,55 |
0,22 |
123,37 |
516,6 |
3 |
2,4 |
120,27 |
506,4 |
100,82 |
424 |
|
ПНД2 |
0,087 |
140 |
2757,56 |
0,081 |
93,82 |
393 |
3 |
2,5 |
90,82 |
382,3 |
62,34 |
263 |
|
ПНД1 |
0,017 |
56 |
2604 |
0,016 |
55,34 |
236,93 |
3 |
2,6 |
52,34 |
221,3 |
52,34 |
219,04 |
|
К |
0,0034 |
26,2 |
2549 |
0,00316 |
25,178 |
105,5 |
0 |
0,0034 |
28,178 |
109,78 |
- |
- |
1.1.3 Расчёт тепловой схемы.
Составляем уравнения тепловых балансов ПВД, последовательное решение
которых позволяет определить расходы пара регенеративных отборов на ПВД.
- Расход пара D1 на ПВД1.
2.Расход пара D2 на ПВД2.
3.Расход пара D3 на ПВД3.
4.Расход пара Dд на деаэратор.
5.Расход пара D5 на ПНД5.
6.Расход пара D6 на ПНД6.
7.Расход пара D7 на ПНД7.
8.Расход пара D8 на ПНД8.
Проверка материального баланса по пару и воде:
Пропуск пара в конденсатор турбины:
Погрешность материального баланса:
Так как расхождение не более 5% баланс сошелся.
1.1.4. Расчет электрической мощности турбоустановки.
Определим использованные теплоперепады в отсеках турбин:
где состояние пара на входе в отсек;
где состояние пара на выходе из отсека.
Расходы пара через отсеки турбины :
270,8 кг/с;
270,8-19,64=251,16 кг/с;
251,16-17,9=233,26 кг/с ;
233,26-19,17=214,09 кг/с ;
217,09-1,66=212,43кг/с;
212,43-9,43=203 кг/с;
203-10,03=182,94 кг/с;
182,94-10,9=172,04 кг/с;
172,04-8,82=163,22 кг/с.
Внутренняя мощность, развиваемая потоком пара в отсеках турбины:
212,4 270,8=57,5 МВт;
132,3251,16=33,2 МВт;
181,8 233,26=42,4 МВт;
110,32 214,09=23,6МВт;
188,5212,43=40,0 МВт;
114,65203=23,3 МВт;
191,99182,94=35,12 МВт;
153,56 172,04=26,42 МВт;
55 163,22=8,9 МВт.
Внутренняя мощность турбоагрегата, МВт:
.
Электрическая мощность турбогенератора, МВт:
=292,8 0,98 0,98=281,2.
1.2 Выбор основного и вспомогательного оборудования КЭС.
Выбор парового котла.
Паропроизводительность парового котла, т/ч:
По параметрам пара и виду топлива принимаем к установке котел типа: Пп-1000-255ГМ .
Таблица 1.3.
|
Маркировка по ГОСТу |
Маркировка Заводская |
Паропроизводи-тельность, т/ч |
Температура пара свежего / вторичного перегретого, С |
Топливо |
|
Пп-1000-255ГМ |
ТГМП-344СО |
1000 |
545/545 |
Газ и мазут |
Выбор питательного насоса.
Питательные насосы выбираем на подачу питательной воды при максимальной мощности установки с запасом 5 %:
Типоразмер питательного электронасоса выбираем по производительности и
напору. Выбираем марку ПЭ 600-300-, количество 2 штуки.
Таблица 1.4
|
Марка |
Перекачиваемая |
Подача, |
Напор, |
Частота |
Мощность |
КПД, |
|
ПЭ 600-300 |
вода, до 165 |
580 |
2030 |
2985 |
5000 |
81 |
Питательный турбонасос выбираем марки ПТНА 1100-350-24-3, количество 1ш Таблица1.5
|
Типоразмер |
Давление на входе в насос, кгс/см2, не менее |
Частота об/мин |
Мощность |
Давление пара в котле, кгс/см2 |
|
ПТНА 1100-350-24-3 |
15 |
6000 |
12500 |
255 |
Выбор конденсатного насоса.
Конденсаторные насосы выбираем по напору и производительности:
Выбираем конденсатный насос 1 подъема марки КсВ500-85-1 (3 шт.).
Выбираем конденсатный насос 2 подъема марки КсВ500-220 (3 шт.).
Таблица 1.6
|
Марка насоса |
Подача, м/ч |
Напор, м |
Мощность, кВт |
Частота, об/мин |
|
КсВ500-85-1 |
500 |
85 |
200 |
985 |
|
КсВ500-220 |
500 |
220 |
500 |
1480 |
Выбор циркуляционного насоса.
Циркуляционный насос выбирается по расходу охлаждающей воды на один
блок:
Таблица 1.7
|
Типоразмер |
Подача м3/ч |
Напор, м |
Частота об./мин |
Мощность насоса, кВт |
КПД % |
|
ОПВ10-145 |
33500 |
17 |
365 |
2150 |
86 |
Выбор деаэратора.
Типоразмер деаэратора питательной воды определяем по давлению греющего
пара и максимальному расходу питательной воды на электростанции.
Необходимый объем деаэраторного бака Vб, который способен обеспечивать 5-10-минутнию работу паротурбинной установки определяем из выражения, м3:
Выбираем деаэратор марки ДП-1000/100 (1шт).
Таблица 1.8
|
Марка деаэратора |
Производи-тельность, т/ч |
Давление, МПа |
Полезная вместимость, м3 |
Среда |
|
ДП-1000/100 |
1000 |
0,7 |
100 |
Вода, пар |
Выбор вентилятора и дымососа.
Производительность вентилятора:
Таблица 1.9
|
Газопровод |
Объем воздуха, , м3/м3 |
Объем продуктов сгорания, , м3/м3 |
Удельная теплота сгорания, , кДж/кг |
|
Бухара Урал |
9,54 |
10,72 |
36170 |
Выбираем вентилятор марки ВДН-25-2 2 штуки.
Таблица 1.10
|
Типоразмер |
Производительность тыс. м3/ч |
Давление, кПа |
Мощность двигателя кВт |
Частота вращения об/мин |
Масса без эл. двиг., т |
Максимальный КПД |
|
ВДН-25-2 |
520 |
8 |
1320 |
1000 |
268 |
86 |
Выбор дымососа
Выбраны два дымососа типа ДОД-31,5 2 штуки.
Таблица 1.11
|
Типоразмер |
Производительность тыс. м3/ч |
Давление, кПа |
Мощность двигателя кВт |
Частота вращения об/мин |
Масса без эл. двиг., т |
Максимальный КПД |
|
ДОД-31,5 |
750 |
3 |
790 |
500 |
50,7 |
82,5 |
Высота дымовых труб.
Высота дымовых труб ведется по расходу топлива при максимальной
электрической и тепловой нагрузке электростанции при средней температуре
наиболее холодного месяца.
2. Электрическая часть.
2.1 Выбор типа и конструкции синхронных генераторов
На электростанции для выработки электроэнергии используются трехфазные синхронные генераторы. Мощность генераторов выбирается в соответствии мощности турбин, установленных на станции.
Исходя из условия:
Рнг Рнт
где Рнг - номинальная активная мощность генератора, МВт;
Рнт - номинальная активная мощность турбины, МВт.
В соответствии с заданием на станции устанавливаются турбины:
тип 8К-300-240
Параметры: турбина К-300-240 конденсационная, Рном=300 МВт.
Выбираем для турбины турбогенераторы: для К-800 ТГВ-300-2УЗ.
Основные данные выбранных генераторов занесены в табл. 2.1.
Основные параметры генераторов Таблица 2.1
|
Тип генератора |
Sном., МВА |
Сos |
Iном, кА |
Uном., кВ |
Ном. частота вращения, об/мин |
, о.е. |
Iст, кА |
U ст, кВ |
Система возбуждения |
Охлаждение обмоток статора |
Охлаждение обмоток ротора |
|
ТГВ-300-2У3 |
353 |
0,85 |
10.2 |
15.75 |
3000 |
0,195 |
10.2 |
20 |
ТН,ТС, БЩ |
НВ |
НВ |
Переводим графики нагрузок из относительных единиц в абсолютные (МВт):

Рис. 2.1 Суточный график выработки Рис. 2.2. Суточный график потребле-
активной мощности генераторами ния активной мощности по сети
КЭС. 220 кВ.
Определим долю выработки электроэнергии каждым генератором КЭС:

Рис. 2.3. Суточный график выработки активной мощности турбиной К-300
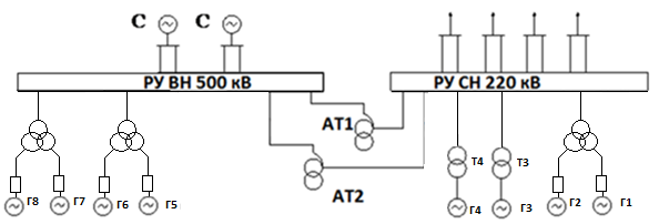
2.2 Разработка вариантов структурных схем КЭС
2.2.1. Основные положение по разработке структурных схем
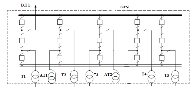
Структурная схема ГРЭС зависит от единичной и суммарной мощности агрегатов и от соотношения суммарной генераторной мощности и минимальной мощности местной нагрузки. При наличии нагрузки структурная схема выполняется с автотрансформаторами связи.
Рис. 2.4. Структурная схема КЭС (1 вариант).

Рис. 2.5. Структурная схема КЭС (2 вариант).

Рис. 2.6. Структурная схема КЭС (3вариант).
Рис.2.7. Структурная схема КЭС (4 вариант).

Рис. 2.8. Структурная схема КЭС (5 вариант).

Рис. 2.9. Структурная схема КЭС (6 вариант).
Рис. 2.10. Структурная схема КЭС (7 вариант).

Рис. 2.11. Структурная схема КЭС (8 вариант).

Рис. 2.12. Структурная схема КЭС (9 вариант).

Рис. 2.13. Структурная схема КЭС (10 вариант).
2.2.2. Характеристика вариантов структурной схемы.
Разработаны 10 вариантов схем. Во всех вариантах принята блочная схема подключения генераторов к сборным шинам высокого и среднего напряжения: генератор- повышающий трансформатор. во всех вариантах связь между РУ высокого и среднего напряжения выполнена 2-мя автотрансформаторными связи.
Распределение блоков по шинам высокого напряжения следующая :
В 1 варианте к шинам высокого напряжения подключены 4 блока отходящих линий 2, к шинам среднего напряжения 4 блока отходящих линий 6.
Во 2 варианте к шинам высокого напряжения подключены 5 блоков отходящих линий 2, к шинам среднего напряжения 3 блока отходящих линий 6.
В 3 варианте к шинам высокого напряжения подключены 6 блоков отходящих линий 2, к шинам среднего напряжения 2 блока отходящих линий 3. Дефицит мощности что приводит к значительному перетоку мощности и необходимости выбора мощных АТС.
В 4 варианте к шинам высокого напряжения подключены 3 блока отходящих линий 2, к шинам среднего напряжения 5 блока отходящих линий 6.На шинах среднего напряжения значительный избыток мощности.
В 5 варианте к шинам высокого напряжения подключены 2 блока отходящих линий 2, к шинам среднего напряжения 6 блока отходящих линий 9.
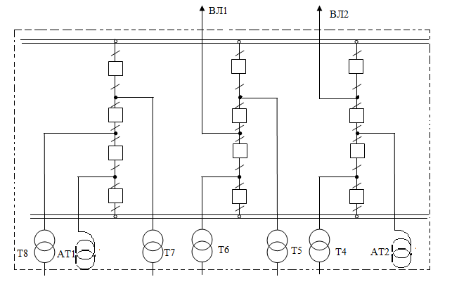
В 6 варианте к шинам высокого напряжения подключены 2 укрупненных блока отходящих линий 2, к шинам среднего напряжения 2 укрупненных блока отходящих линий 6. На шинах среднего напряжения значительный избыток мощности.
В 7 варианте к шинам высокого напряжения подключен 1 укрупненный блок отходящих линий 2, к шинам среднего напряжения 3 укрупненных блока отходящих линий 9.Применение укрупненных блоков снижает стоимость силовых трансформаторах и их количество, и упрощает схему РУ, но такая структурная схема целесообразна при большом количестве блоков (10-12).
В 8 варианте к шинам высокого напряжения подключены 3 укрупненных блока отходящих линий 2, к шинам среднего напряжения 1 укрупненный блок отходящих линий 1. Применение укрупненных блоков снижает стоимость силовых трансформаторах и их количество, и упрощает схему РУ, но такая структурная схема целесообразна при большом количестве блоков (10-12).
В 9 варианте к шинам высокого напряжения подключены 2 укрупненных блока отходящих линий 2, к шинам среднего напряжения 2 укрупненных и 2 блока отходящих линий 6. Применение укрупненных блоков снижает стоимость силовых трансформаторах и их количество, и упрощает схему РУ, но такая структурная схема целесообразна при большом количестве блоков (10-12).
В 10 варианте к шинам высокого напряжения подключены 2 блока и 2 укрупненных блока отходящих линий 2, к шинам среднего напряжения 2 укрупненных блока отходящих линий 6. Применение укрупненных блоков снижает стоимость силовых трансформаторах и их количество, и упрощает схему РУ, но такая структурная схема целесообразна при большом количестве блоков (10-12).
2.2.3. Технико-экономическое сравнение вариантов схем
Для каждого варианта структурной схемы проектируемой электростанции определяют: капиталовложения, потери энергии в трансформаторах , и ущерб. Затем на основании этих основных показателей вычисляют значение приведенных затрат З, по которому мы можем дать оценку экономичности и надежности сопоставляемых вариантов структурной схемы.
Технико-экономический расчет заключается в нахождении расчетных приведенных затрат:
З=К+И+У (тыс. руб.),
где К капиталовложения в трансформаторы, автотрансформаторы и ячейуи РУ; И издержки на обслуживание и амортизацию и потери в силовых трансформаторах; У ущерб от недоотпуска электроэнергии.
2.2.4. Выбор силовых трансформаторов и автотрансформаторов
Выбор трансформаторов для схемы 1:
,МВА (2)
Для : МВА
( Для газовой станции на СН сост-т 5%.
на высокое (500) ТДЦ 400000/500
на среднее (220) ТДЦ 400000/220
Выбор автотрансформаторов связи для схемы 1:
Автотрансформаторы связи выбираются по 4 расчетным режимам:
Нормальный режим зимой:
МВА
МВА
МВА МВА
МВА
Нормальный режим летом:
МВА
МВА
МВА
МВА
МВА
Авария в системе летом:
МВА
МВА
МВА
МВА
МВА
Отключение одного блока зимой от РУ: ф. напряжения (220кВ)
МВА
МВА МВА МВА
МВА
По максимальной мощности (аварии в системе летом) выбираем автотрансформаторную группу из 3-х однофазных автотрансформаторов АОДЦН-267000/500/220
Выбор автотрансформаторов для схемы 2:
(3)
1) Нормальный режим зимой:
МВА
МВА
МВА
МВА
МВА
2) Нормальный режим летом:
МВА
МВА
МВА
МВА
МВА
3) Авария в системе летом:
МВА МВА
МВА
МВА
МВА
4) Отключение одного блока зимой от РУ ср. напряжения
МВА
МВА
МВА
МВА
МВА
По максимальному перетоку авария система летом выбираем группу автотрансформаторов типа:3 АOДЦТН-167000/500/220
Основные параметры трансформаторов приведены в табл. 2.2
Основные параметры трансформаторов Таблица 2.2
|
Тип трансформатора |
Sном., МВ А |
Напряжения обм., кВ |
Потери, кВт |
, % |
Iхх , % |
|||||
|
ВН |
СН |
НН |
Рхх |
Рк |
ВН-СН |
ВН-НН |
СН-НН |
|||
|
ТДЦ-400000/500 |
400 |
525 |
13,8;15,75;20 |
315 |
790 |
13 |
0,45 |
|||
|
ТДЦ -400000/220 |
400 |
242 |
- |
15,75:13,8;20;21 |
330 |
880 |
- |
11 |
- |
0,4 |
|
3*АОДЦТН 167000/500/220 |
167 |
500/3 |
220/3 |
10,5;13,,8;15,95;20 |
90 |
315 |
11 |
35 |
21,5 |
0,25 |
|
3*АОДЦТН 267000/500/220 |
267 |
500/3 |
220/3 |
10,5;13,,8;15,95;20 |
125 |
470;115;95 |
11,5 |
37 |
23 |
0,25 |
Типы выбранных трансформаторов и автотрансформаторов по вариантам сведем в табл. 2.3.
Таблица 2.3
|
Вариант 1 |
Вариант 2 |
|
|
ТДЦ- 400000/500 |
Т5,Т6,Т7,Т8 |
Т4,Т5,Т6,Т7,Т8 |
|
ТДЦ -400000/220 |
Т1,Т2,Т3,Т4 |
Т1,Т2,Т3 |
|
3*АОДЦТН-267000/500/220 |
АТC1 , АТC2 |
- |
|
3*АОДЦТН 167000/500/220 |
- |
АТC1 , АТC2 |
2.2.5 Определение приведенных расчетных затрат.
Расчет капиталовложений для схемы 1:

Рис. 2.14. Структурная схема КЭС (1 вариант).
Рассчитаем капиталовложения в трансформаторы и в автотрансформаторы:
тыс.руб
с учетом инфляции
Рассчитаем капиталовложения в РУ:
тыс. руб.
тыс. руб.
8768000 тыс. руб.
Расчет издержек для схемы 1:
- издержки на обслуживание КЭС.
- амортизационные издержки.
- издержки на потерю электроэнергии в трансформаторах и автотрансформаторах.
175360 тыс. руб.
561152 тыс. руб.
, тыс. руб.
Рассчитаем для автотрансформаторов:
Рассчитаем для трансформаторов :
Рис. 2.15. Графики нагрузок трансформаторов
Рассчитаем для трансформаторов:
Потери во всех трансформаторах:
Суммарные издержки:
790812тыс. руб.
Ущерб от недоотпуска электроэнергии:
Для :
Для :
Для :
ч.
Тогда:
З= 0,12К+И+У
Расчет капиталовложений для схемы 2:

Рис. 2.16. Структурная схема КЭС (2 вариант)
Капиталовложения в трансформаторы и в автотрансформаторы:
тыс. руб.
тыс. руб.
Капиталовложения в РУ:
тыс. руб.
тыс. руб.
8560000 тыс. руб.
Расчет издержек для схемы 2:
- издержки на обслуживание КЭС.
- амортизационные издержки.
- издержки на потерю электроэнергии в трансформаторах и автотрансформаторах.
171200тыс. руб.
547840тыс. руб.
, тыс. руб.
Рассчитаем для автотрансформаторов:
Рассчитаем для трансформаторов :

Рис. 2.17. Графики нагрузок трансформаторов
Рассчитаем для трансформаторов:
Потери во всех трансформаторах:
Суммарные издержки:
271900тыс. руб.
Ущерб от недоотпуска электроэнергии:
Для
Для:
Для :
ч.
Тогда:
Результаты технико -экономического расчета. Таблица 2.4
|
Вариант 1 |
Вариант 2 |
|
|
Капиталовложения К, тыс.руб |
8768000 |
8560000 |
|
Ущерб тыс.руб |
26974 |
27760 |
|
Издержки, тыс.руб/год |
790812 |
764960 |
|
Приведенные затраты, тыс.руб/год, % |
1869946 103% |
1819420 100% |
2.2.6.Вывод
Разработаны 10 вариантов схем, на основании технического анализа вариантов схем для дальнейшего рассмотрения принимаем варианты 1 и 2.Для них выбраны автотрансформаторы 3АОДЦТН-167000/500/220, трансформаторы ТДЦ-400000/500 и ТДЦ-400000/220.Расчитаны приведенные затраты, для дальнейшего расчета выбираем схему 2,потому что экономичнее на 3 %.
2.3 Расчет токов трехфазного короткого замыкания
2.3.1. Основные теоретические положения при расчете К.З.
Для проверки аппаратов и токоведущих частей по термической и
электродинамической стойкости, для проверки выключателей по отключающей
способности необходимо определить следующие токи трехфазного к. з. :
Iп0 действующее значение периодической составляющей тока КЗ в момент
времени t=0. Необходим для определения теплового воздействия тока КЗ;
iуд ударный ток для проверки шин и аппаратов на электродинамическую
стойкость;
Iп - действующее значение периодической составляющей тока КЗ в момент
времени ;
ia мгновенное значение апериодической составляющей тока КЗ в момент
времени .
2.3.2.Расчет токов короткого замыкания.

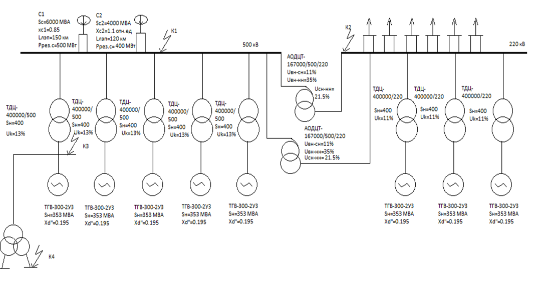
Рис. 2.18 Расчетная схема электроустановки

Рис.2.19 Схема замещения электроустановки
Производим расчет сопротивлений в о.е., относительно базовой мощности :
Расчет токов КЗ относительно т. К 1 500 кВ:

Рис.2.20
Таблица 2.5
|
Точка КЗ |
К1 |
|
|
Базовая мощность, |
1000 |
|
|
Uср, кВ |
515 |
|
|
Источники |
С1,2 |
8G |
|
Рез. сопротивление, о.е. |
0,13 |
0.12 |
|
1,12 |
||
|
Е |
1,00 |
1,13 |
|
8,77 |
10.73 |
|
|
11,2 |
2,69 |
|
|
0,78 |
3.98 |
|
|
0,06 |
||
|
0,85 |
0,9 |
|
|
7,45 |
9.65 |
|
|
1,85 |
1,974 |
|
|
0,06 |
0,388 |
|
|
19,49 |
14.78 |
|
|
0,36 |
0,86 |
|
|
4,42 |
13.05 |
Расчет токов КЗ относительно т. К2:

Рис.2.21
Таблица 2.6
|
Точка КЗ |
К2 |
|
|
Базовая мощность, |
1000 |
|
|
Uср, кВ |
220 |
|
|
Источники |
С+5G |
3G |
|
Рез. Сопротивление, о.е |
0.34 |
0.17 |
|
2,62 |
||
|
Е |
1,0 |
1,13 |
|
7.7 |
17.4 |
|
|
30,74 |
2,4 |
|
|
0,25 |
7.25 |
|
|
0,054 |
||
|
0.85 |
0,80 |
|
|
6.5 |
13.92 |
|
|
1,717 |
1,974 |
|
|
0,03 |
0,388 |
|
|
18.7 |
48.5 |
|
|
0,22 |
0,89 |
|
|
2.37 |
21.6 |
Расчет токов КЗ относительно т. К3:

Рис.2.22
Таблица 2.7
|
Точка КЗ |
К3 |
|
|
Базовая мощность, |
1000 |
|
|
Uср, кВ |
20 |
|
|
Источники |
С+7G |
1G |
|
Рез. Сопротивление, о.е |
0,40 |
0.55 |
|
36.7 |
||
|
Е |
1,0 |
1,13 |
|
91.5 |
75.4 |
|
|
355,8 |
8.8 |
|
|
0,25 |
8.56 |
|
|
0,03 |
||
|
0.80 |
0,90 |
|
|
73.2 |
61.07 |
|
|
1,608 |
1,974 |
|
|
0,02 |
0,388 |
|
|
205.9 |
208.37 |
|
|
0,17 |
0,91 |
|
|
22 |
96.06 |
Расчет токов КЗ относительно т. К4:

Рис.2.23
Таблица 2.8
|
Точка КЗ |
К4 |
|
Базовая мощность, |
1000 |
|
Uср, кВ |
6,3 |
|
Источники |
С+G |
|
Рез. Сопротивление, о.е |
7.5 |
|
93,4 |
|
|
Е |
1,0 |
|
21.45 |
|
|
1157.7 |
|
|
0,02 |
|
|
0,035 |
|
|
1,00 |
|
|
21.45 |
|
|
1,82 |
|
|
0,05 |
|
|
54.65 |
|
|
0,49 |
|
|
15.01 |
Ток подпитки от двигателя.
Итоговая таблица результатов расчетов токов трехфазного КЗ
Таблица 2.9
|
Точка КЗ |
Uср, кВ |
Источник |
Токи трехфазного КЗ, кА |
||||
|
Iп0, кА |
Iп, кА |
iа, кА |
iу, кА |
2·Iп + iа, кА |
|||
|
К 1 |
500 |
С, Г1-8 |
19.5 |
17.1 |
17.47 |
24.27 |
41.41 |
|
К - 2 |
220 |
С,Г1-8 |
25.7 |
20.42 |
67.2 |
23.97 |
97.74 |
|
К 3 |
20 |
Г1 |
75.4 |
61.07 |
96.06 |
208.37 |
181.5 |
|
С,Г2-8 |
91.5 |
73.2 |
22 |
205.9 |
151.4 |
||
|
К-4 |
6,3 |
С |
21.45 |
21.45 |
15.01 |
54.65 |
45.04 |
|
Двигатели |
10,15 |
2,43 |
1,16 |
23,44 |
4,46 |
2.3.3 Координация уровня токов короткого замыкания
Координация уровня достигается выполнением следующих исполнений:
- на станции принято 2 высоких напряжения : 500 и 220 кВ, что привело к уменьшению рабочих токов и токов КЗ;
- на станциях принята блочная схема соединения. Генераторный трансформатор без поперечной связи м/у генератором;
- в системе с.н. применяют трансформаторы с расщепленной обмоткой низкого напряжения, при этом их сопротивление в режимах КЗ почти 2 раза больше, чем у трансформаторов с тем же номинальным параметрами без расщепленной обмотки.
2.4 Разработка схемы собственных нужд
2.4.1. Основные характеристики механизмов собственных нужд
Основными потребителями электроэнергии в системе С.Н. электростанции
являются электродвигатели привод рабочих машин и механизмов.
Применяются в основном асинхронные двигатели трехфазного переменного тока, которые составляют 90% всей нагрузки С.Н.. Другими потребителями электроэнергии на электростанции являются электросветильники, обогревательные устройства и пр.
Питательные насосы котлов (ПЭН). Подают питательную воду в котлы.
Являются важнейшими машинами, в качестве привода используют
мощные асинхронные двигатели в несколько Мвт, для блоков мощностью
до 300 МВт. Для регулирования частоты вращения используют
гидромуфты или преобразователи частоты. Для блоков 300 Мвт и выше в качестве привода используют саму турбину (турбопривод).
Устанавливают аварийный питательный насос меньшей мощности в качестве привода асинхронных двигателей.
Дутьевые вентиляторы и дымососы (ДВ, Д). Дутьевые вентиляторы
подают воздух в камеры сгорания котлов для лучшей степени сгорания
топлива. Дымососы отводят дымовые газы. В качестве привода
используется мощные асинхронные двухскоростные электродвигатели.
Циркуляционные и конденсационные насосы (ЦН и КН). В первом случае циркуляционные насосы подают холодную воду в градирни для охлаждения пара. Конденсационные насосы подают охлажденную воду в деаэраторы. В качестве привода используется мощные асинхронные двигатели вертикального использования.
2.4.2. Характеристика схемы собственных нужд станции.
Рабочее питание собственных нужд осуществляется с выводов генераторов блоков. Количество рабочих ТСН - по 1 на блок (8 ТСН), мощность ТСН выбирается исходя из нагрузки собственных нужд (блочной и общестанционной), нагрузка составляет 29,8 МВА Выбираем трансформатор трехфазный с расщепленной обмоткой низкого напряжения (для ограничения тока КЗ) на генераторное напряжение 20кВ и низкое 6,3кВ ТРДНС-32000/35. Данные трансформаторов приведены в таблице. Выбираем трансформатор второй ступени на 6,3кВ мощностью 1кВА ТМ-1000/10. Для резервного питания выбираем РТСН (поскольку установлены генераторные выключатели), количество резервных трансформаторов 2 (по 2 на 4 блока). Резервные трансформаторы подключены: один на сборные шины 220 кВ, второй к обмотке низкого напряжения автотрансформаторов связи. Мощность РТСН при наличии генераторного выключателя, берется равной рабочему ТСН 32 МВА, выбираем трансформаторы ТРДН-32000/220 подключенный к шинам 220 кВ и низким напряжением 6,3кВ. Второй РТСН-2 ТРДН-32000/35 подключаем к обмотке НН автотрансформаторам связи.
Основные данные трансформаторов приведены в таблице 2.12.
2.4.3. Выбор рабочих и резервных трансформаторов собственных нужд.
Подсчет блочной нагрузки С.Н. 6 кВ РЭС 8х300 МВт( на газе).
Таблица 2.10
|
Назначение механизмов |
Расчетная мощность |
Всего на блок300 МВт, шт |
Нагрузка в норм. |
Нагрузка при пуске с ТПН, кВт |
|||||
|
присо- |
длительно |
секции |
количество |
Расчетная |
секции |
||||
|
А |
Б |
А |
Б |
||||||
|
Бустерный насос |
352 |
4 |
3 |
704 |
704 |
1 |
360 |
360 |
- |
|
Конденсатный насос турбины |
385 |
2 |
1 |
585 |
585 |
1 |
373 |
- |
373 |
|
Конденсатный насос турбины |
1160 |
2 |
1 |
1160 |
1160 |
1 |
745 |
745 |
- |
|
Сливной насос ПНД |
145 |
2 |
1 |
145 |
145 |
- |
- |
- |
- |
|
Насос системы регулирования |
168 |
1 |
- |
168 |
- |
- |
- |
- |
- |
|
циркуляционный насос |
1250 |
2 |
2 |
1250 |
1250 |
1 |
1300 |
- |
1300 |
|
Дутьевой вентилятор |
1670 |
4 |
4 |
1670 |
1670 |
1 |
705 |
- |
705 |
|
дымосос |
2250 |
4 |
4 |
2250 |
2250 |
1 |
1000 |
1000 |
- |
|
Питательный насос(ПЭН) |
7600 |
1 |
1 |
- |
- |
- |
- |
- |
- |
|
Трансформатор главного корпуса |
1000 |
4 |
3 |
2000 |
2000 |
2 |
2000 |
1000 |
1000 |
|
Трансформатор электрофильтров |
1000 |
2 |
2 |
1000 |
1000 |
- |
- |
- |
- |
|
Итого. |
- |
- |
- |
10932 |
10764 |
- |
- |
- |
- |
Подсчет общестанционной нагрузки с.н. (ОСН) 6 кВ РЭС 8х300 Мвт
( на газе)
Таблица 2.11
|
Оборудование |
Расчетная мощность |
Всего на блок300 МВт, шт |
Общая |
Нагрузка при наличии |
||
|
присо- |
длительно |
количество |
Расчетная |
|||
|
Противопажарный насос |
250 |
2 |
1 |
500 |
2 |
1000 |
|
Багерный насос |
270 |
8 |
4 |
2160 |
2 |
540 |
|
Трансформатор ОСН |
630 |
4 |
4 |
2520 |
2 |
1260 |
|
Трансформатор ОРУ |
630 |
3 |
2 |
1890 |
2 |
1260 |
|
Трансформатор ЦРМ и |
1000 |
3 |
3 |
3000 |
1 |
1000 |
|
Трансформатор топливоподачи |
1000 |
6 |
4 |
6000 |
2 |
2000 |
|
Трансформатор ХВО |
1000 |
3 |
2 |
3000 |
2 |
2000 |
|
Насос сетевой воды |
275 |
4 |
3 |
1100 |
2 |
550 |
|
Насос смывной воды |
250 |
4 |
2 |
11000 |
2 |
500 |
|
Насос кислотной промывки |
3150 |
2 |
- |
6300 |
2 |
6300 |
|
Мазутонасос второго подъема |
350 |
2 |
1 |
700 |
2 |
700 |
|
Насос осветленной воды |
710 |
3 |
2 |
2130 |
2 |
1420 |
|
Итого Р9, кВт |
- |
- |
- |
40300 |
- |
18530 |
|
Расчетная нагрузка Р10= 0,9Р9 кВА |
- |
- |
- |
36270 |
- |
- |
|
Расчетная нагрузка Р11= 0,4Р9 кВА |
- |
- |
- |
- |
- |
7412 |
Основные данные трансформаторов собственных нужд. Таблица 2.12
|
Тип трансформатора |
Sном, кВА |
Uвн, кВ |
Uнн, кВ |
Рх, кВт |
Рк, кВт |
Uк, % |
|
ТРДНС 32000/35 |
32000 |
20 |
6,3 |
29 |
145 |
12,7 |
|
ТМ 1000/10 |
1000 |
6 |
0,4 |
2,45 |
11 |
5,5 |
|
ТРДН 32000/220 |
32000 |
230 |
6,3 |
45 |
150 |
11,5 |

Рис. 2.24 Схема собственных нужд.
2.5 Выбор схем распределительных устройств
2.5.2. Выбор электрической схемы РУ 500кВ.
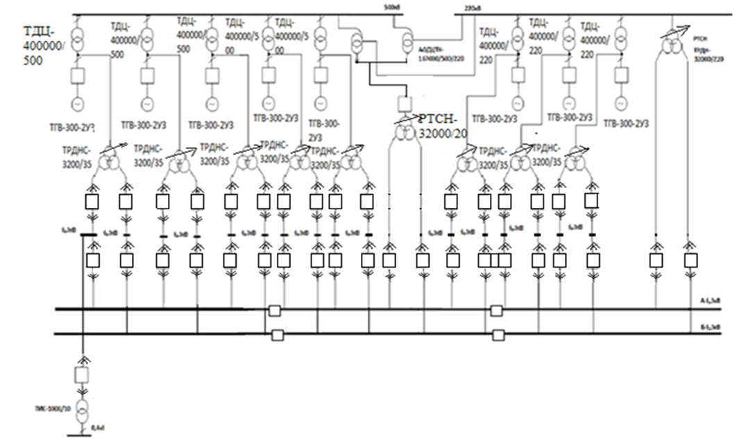
Рассмотрим два варианта схем РУ на стороне ВН 500кВ : схема КРУЭ 3/2 и КРУЭ 4/3. В РУ 500кВ количество присоединений: 2ВЛ+2АТ+5Т=9 присоединений.

Рис.2.25. схема на 500 кВ КРУЭ 3/2

Рис2.26. схема на 500 кВ РУ 4/3
Для дальнейшего рассмотрения выбираем схему КРУЭ 3/2.
2.5.3.Выбор электрической схемы РУ 220кВ.
На напряжении 220кВ выбираем схемы:
-КРУЭ две рабочие СШ.
В схеме РУ 220 кВ количество присоединений:
6ВЛ+2АТ+3 Т=11 присоединений.

Рис. 2.27
2.6. Выбор аппаратов и проводников
2.6.1. Выбор коммутационных аппаратов

Рис.2.28
Выбор выключателя В1 и разъединителя Р1 в цепи высокого напряжения 500 кВ блока с генератором ТГВ-300-2УЗ
Расчетные токи продолжительного режима в цепи блока генератортрансформатор определяются по наибольшей электрической мощности генератора ТГВ-300-2УЗ
IНОРМ = IMAX = SНГ/ (3*UВН) =353*103/(3*500) = 415,3А
Расчетные токи КЗ принимаются по пункту 3, точка КЗ1 с учетом того, что все цепи на стороне ВН проверяются по суммарному току КЗ на шинах:
IП0 =19.5 кА; iУД = 24.27 кА; Iп =17,1 кА; iа =17.47 кА.
Тепловой импульс:
ВК= IП02*(tОТКЛ+ТА)= 19.52*(0,15+0,45)= 228.15кА2с,
где tОТКЛ= 0,1+tСВ = 0,1+0,05 = 0,15 сек.
Выбран по справочнику элегазовая ячейка ЯЭУ-500
Таблица 2.13. Расчетные и справочные данные
|
Расчетные данные |
Справочные данные |
|
ЯЭУ-500 |
|
|
UУСТ=500 кВ |
UH=500 кВ |
|
IMAX =415,3А |
IН=3150А |
|
Iп = 17.1 кА |
IОТКЛ=50 кА |
|
iа = 17.47 кА |
iан =2* IОТКЛ*/100 = 2*50*50/100= 35 кА |
|
IП0 =19.5 кА |
IДИН = 50 кА |
|
iУД = 24.27 кА |
- |
|
ВК= 228.15 кА2с |
IT2*tT=502*3=7500 кА2с |
|
Условия выполняются |
Выбор выключателя В2 и разъединителя Р2 в цепи среднего напряжения 220 кВ блока с генератором ТГВ-300-2УЗ
Расчетные токи продолжительного режима в цепи блока генератортрансформатор определяются по наибольшей электрической мощности генератора ТГВ-300-2УЗ (353МВА):
IНОРМ = IMAX = SНГ/ (3*Uсн) =353*103/(3*220) = 943,85А
Расчетные токи КЗ принимаются по пункту 3, точка КЗ2 с учетом того, что все цепи на стороне СН проверяются по суммарному току КЗ на шинах:
IП0 =25.1; iУД =67.2 кА; Iп =20.4кА; iа =23.97 кА.
Тепловой импульс:
ВК= IП02*(tОТКЛ+ТА)= 20.4*(0,155+0,41)= 352.8 кА2с,
где tОТКЛ= 0,1+tСВ = 0,1+0,055 = 0,155 сек.
Выбран по справочнику элегазовая ячейка ЯЭГ-220.
Таблица . 2.14 Расчетные и справочные данные
|
Расчетные данные |
Справочные данные |
|
ЯЭГ-220 |
|
|
UУСТ=220 кВ |
UH= 220 кВ |
|
IMAX =943,15А |
IН= 3150А |
|
Iп = 21.6 кА |
IОТКЛ= 50 кА |
|
iа = 23.97кА |
iан =2* IОТКЛ*/100 = 2*50*50/100=35 кА |
|
IП0 =25.1 кА |
IДИН = 50 кА |
|
iУД = 67.2 кА |
iДИН = 125 кА |
|
ВК= 352.8кА2с |
IT2*tT=502*3=7500 кА2с |
|
Условия выполняются |
Выбор выключателя В3 и разъединителя Р3 в цепи генераторного напряжения 20 кВ блока с генератором ТГВ300-2УЗ
Расчетные токи продолжительного режима в цепи блока генератортрансформатор определяются по наибольшей электрической мощности генератора ТВГ3002У3 (353МВА):
IНОРМ = IMAX = SНГ/ (3*UГН) = 353*103/(3*20) = 10382,35А
Расчетные токи КЗ принимаются по пункту 3, точка КЗ3 с учетом того, что в цепи генератора аппараты выбираются по наибольшему току КЗ:
IП0 =91.5кА; iУД =205.9 кА; Iп =73.2кА; iа = 96.08 кА.
Тепловой импульс:
ВК= IП02*(tОТКЛ+ТА)= 91.52*(0,25+0,38)= 5274.5 кА2с,
где tОТКЛ= 0,1+tСВ = 0,1+0,15 = 0,25 сек.
Выбран по [11] выключатель для внутренней установки типа ВГГ-20(Выключатель элегазовый на UH=20 кВ, IОТКЛ=90 кА для умеренного климата). Гидропривод.
Выбран по [Н] разъединитель для внутренней установки типа РВПЗ120/12500У3 (Разъединитель внутренней установки с поступательным движением главных ножей с одним комплектом заземляющих ножей на UH=20 кВ, IН=12500А умеренного климата).
Расчетные и справочные данные приведены в таблице .
Таблица . 2.15Расчетные и справочные данные
|
Расчетные данные |
Справочные данные |
|
|
ВГГ20 |
РВПЗ120/12500У3 |
|
|
UУСТ=20 кВ |
UH= 20 кВ |
UH= 20 кВ |
|
IMAX =10382,35А |
IН= 12000А |
IН= 12500А |
|
Iп = 73.2кА |
IОТКЛ= 90 кА |
|
|
iа = 22кА |
iан =2* IОТКЛ*/100 = 2*90*20/100= 25,4 кА |
|
|
IП0 =91.5 кА |
IДИН = 125 кА |
|
|
iУД = 205.9 кА |
iДИН = 230 кА |
iДИН = 490 кА |
|
ВК= 5274.5кА2с |
IT2*tT=1052*4= 44100 кА2с |
IT2*tT=1802*4= 129600 кА2с |
|
Условия выполняются |
Выбор выключателя В4 в цепи ТРДНС 32000/35
Расчетные токи продолжительного режима в цепи трансформатора определяются по наибольшей электрической мощности трансформатора ТРДНС 32000/35 (32МВА):
IНОРМ = IMAX = SНГ/ (3*UГН) = 32/(3*6,3) = 116,1А
Расчетные токи КЗ принимаются по пункту 4:
IП0 = 21.45 кА; iУД =54.6 кА; Iп =21.45 кА; iа =15.01 кА.
Тепловой импульс:
ВК= IП02*(tОТКЛ+ТА)=21.452*(0,12+0,05)= 216.25 кА2с,
где tОТКЛ= 0,1+tСВ = 0,1+0,02 = 0,12 сек.
Выбран выключатель для внутренней установки типа ВВ/ТЕL10. Гидропривод.
Таблица.2.16 Расчетные и справочные данные
|
Расчетные данные |
Справочные данные |
|
ВВ/ТЕL10 |
|
|
UУСТ= 6,3 кВ |
UH= 35 кВ |
|
IMAX =116,1А |
IН= 630А |
|
Iп = 21.45кА |
IОТКЛ= 12,5кА |
|
iа = 15.01кА |
iан =2* IОТКЛ*/100= 2*12,5*50/100=8,8 кА |
|
IП0 =21.45кА |
IДИН = 32 кА |
|
iУД = 54.6кА |
iДИН = 35 кА |
|
ВК= 216.25кА2с |
IT2*tT=32*3=3072 кА2с |
|
Условия выполняются |
2.6.2. Выбор проводников и изоляторов
Выбор сборных шин и ошиновки на напряжение 500 кВ и токоведущих частей в цепи генератора ТГВ-300-2УЗ
Таблица 2.17. Выбор ошиновки на напряжение 500 кВ и в цепи генератора.
|
Условия выбора и проверки |
ошиновка на 500 кВ токоведущие части от трансформатора ТДЦ400 до сборных шин 500 кВ |
ошиновки на напряжение 500 кВ и в цепи генератора |
|
Условие выбора IMAX<IДОП |
По току наиболее мощного присоединения в трансформаторе ТЦ400 в блоке с генератором ТГВ-300-2УЗ (353МВА) IMAX = IНОРМ = SНГ/ (3*UНОМ)= 353*103/(3*500)= 407,6А |
По типу генератора ТГВ-300-2УЗ, UНОМ = 20 кВ IMAX = SНГ/ (3*UНОМ*0,95)= 353*103/(3*20*0,85)= 11988,5А |
|
Тип проводника, его параметры [Н] |
три провода в фазе 3АС600/72 IДОП= 2130А d= 24 мм |
ТЭКН-Е-20-12500-400 UНОМ = 20 кВ IНОМ = 10200А iДИН= 400 кА |
|
Проверка на схлестывание, электро-динамическую стойкость |
не производится, т.к. IП0 = 19.5 кА < 20 кА |
iУ < iДИН 24.27кА < 400 кА Условие выполняется |
|
Проверка шин на термическое действие токов КЗ |
не производится, т.к. шины выполнены голыми проводами на открытом воздухе. |
не производится |
|
Проверка по условиям коронирования 1,07Е<0,9Е0 ДСР=1,26Д= 1,26*300 = 378 мм. |
Е0 = 30,3m*[1+(0,299/r0)]; m=0,82 Е0 = 30,3*0,82*[1+(0,299/1,66)]= 30,56 кВ/см Для трех проводах в фазе: Е= k*0,354*1,1UНОМ / /[n*r0*lg(ДСР / rЭК)]= 1,14*0,354*1,1*500 / [2*1,66*lg(378/13,85)]= 25,6 кВ/см k=1+2* r0/a= 1+2*1,66/40= 1,14 rЭК = (r0*a2) = (1,66*40) = 13,85см. 1,07Е<0,9Е0 1,07*25,6 < 0,9*30,56 27,3 кВ/см < 27,54 кВ/см |
не производится |
Таблица 2.17
|
Тип токопровода |
Тип генератора |
Uном, кВ |
Iном, А |
iд, кА |
Тип опорных изоляторов |
Тип ТТ |
Тип ТН |
|
ТЭКН-Е-20-12500-400 |
ТГВ-300-2УЗ |
20 |
10200 |
400 |
ОФР-20-500, ШАГ-3000 |
ТШ-20-12000-5 |
ЗНОЛ-20 ЗНОЛ-1/20 |
Выбор и ошиновки на напряжение 220 кВ
Таблица 2.18 Выбор ошиновки на напряжение 220 кВ
|
Условия выбора и проверки |
ошиновка на 220 кВ токоведущие части от трансформатора ТДЦ400 до сборных шин 220 кВ |
|
Условие выбора IMAX<IДОП |
По току наиболее мощного присоединения в трансформаторе ТДЦ400 в блоке с генератором ТГВ-300-2УЗ (353МВА) IMAX = IНОРМ = SНГ/ (3*UНОМ)= 353*103/(3*220)= 926,38А |
|
Тип проводника, его параметры [11] |
два провода в фазе АС400/22 IДОП= 830А d= 26,6 мм r0= 1,47 см |
|
Проверка на схлестывание, электро-динамическую стойкость |
не производится, т.к. IП0 = 19.74кА < 20 кА |
|
Проверка шин на термическое действие токов КЗ |
- |
|
Проверка по условиям коронирования 1,07Е<0,9Е0 ДСР=1,26Д= 1,26*400 = 504 мм. |
Е0 = 30,3m*[1+(0,299/r0)]; m=0,82 Е0 = 30,3*0,82*[1+(0,299/1,47)]= 30,98 кВ/см Е= 0,354*1,1UНОМ / [r0*lg(ДСР / r0)]= 0,354*1,1*220 / [0,84*lg(504/1,47)]= 22,94 кВ/см 1,07Е<0,9Е0 1,07*22,94 < 0,9*30,98 24,54 кВ/см < 27,88 кВ/см |
Выбор сборных шин на секции собственных нужд 6 кВ
Таблица 2.19.
|
ТРДНС 32000/35 секция 6 кВ |
|
ША 100х8 Iдоп =1625 А в=8мм, h=100 мм, q=800 мм |
|
С учетом поправки на температуру окружающего воздуха отличную от номинальной на 25 Примем tокр=30С
|
|
165· 0,943 = 156 А Условие выполняется |
|
Проверка на термическую стойкость |
|
Условие выполняется |
|
Проверка шин на электродинамическую стойкость расч доп для алюминевых шин доп =700 кг/см |
|
кг·см 689800 Условие выполняется |
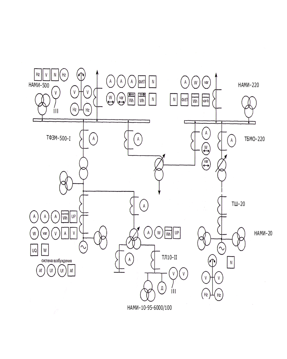
2.6.3. Выбор измерительных трансформаторов тока и напряжения
Выбор контрольно-измерительных приборов
Контрольно-измерительные приборы. Таблица 2.20
|
Цепь |
Место установки приборов |
Перечень приборов |
|
Турбогенератор |
Статор |
Амперметр в каждой фазе, вольтметр, ваттметр, счетчик активной энергии, датчики активной и реактивной мощности. Регистрирующие приборы: ваттметр, амперметр, вольтметр. |
|
Ротор |
Амперметр, вольтметр; вольтметр в цепи основного и резервного возбудителей. Регистрирующий амперметр. |
|
|
Блочного трансформатор |
ВН |
Амперметр |
|
НН |
|
|
|
Автотрансформатора связи |
ВН |
|
|
НН |
Амперметр, ваттметр и варметр с двусторонней шкалой |
|
|
Трансформатора собственных нужд |
На одну секцию |
Со стороны питания: амперметр, ваттметр, счетчик активной энергии |
|
Сборных шин собственных нужд |
На каждой секции |
Вольтметр для измерения междуфазного напряжения, вольтметр с переключением для измерения трех фазных напряжений, частотомер, приборы синхронизации: два частотомера, два вольтметра и синхроноскоп |
|
Общие приборы с переключением на любую секцию |
Два регистрирующих вольтметра для измерения междуфазных напряжений, два частотомера |
|
|
Шиносоединительного выключателя |
------- |
Амперметр. |
|
Обходного выключателя |
------- |
Амперметр, ваттметри варметр с двухсторонней шкалой, расчетные счетчики и фиксирующий прибор. |
|
Линии 220 кВ |
------- |
Амперметр, ваттметр, варметр, фиксирующий прибор для определения места КЗ, счетчики активной и реактивной мощности |
|
Сборных шин высшего напряжения |
На каждой шине |
Вольтметр с переключением для измерения трех фазных напряжений; регистрирующие приборы: частотомер, суммирующий ваттметр; приборы синхронизации: два частотомера, два вольтметра, синхроноскоп, осциллограф |
|
Секционный выкл. |
------- |
Амперметр |

Рис.2.29 Измерительные приборы в основных цепях КЭС
Выбор трансформаторов тока.
В цепи генератора ТГВ-300-2УЗ
Iпрод.расч. =
Т.к. участок от выводов генератора до вводов трансформатора выполнен комплектным токопроводом типа ТЭКН-Е-20-12500-400выбираем встроенные трансформаторы тока ТШ-20-12000/5
Вторичная нагрузка трансформатора тока Таблица 2.21.
|
Прибор |
Тип прибора |
Нагрузка от измерительных приборов в фазах, В·А |
||
|
А |
В |
С |
||
|
Вольтметр показывающий, Варметр, Амперметр показывающий Расчетный счетчик Ваттметр регистрирующий Амперметр регистрирую- щий Датчик активной мощности Датчик реактивной мощности |
Д 335 Д 335 Э 335 ЦЭ 6807Б-1 Н 3180 Н 344 Е 829 Е 830 |
0,5 0,5 0,5 2,5 10,0 --- 5,0 --- |
--- --- 0,5 --- --- 10 --- 5,0 |
0,5 0,5 0,5 2,5 10,0 --- 5,0 --- |
|
Итого: |
19,0 |
15,5 |
19,0 |
Вторичная номинальная нагрузка в классе точности 0,5 составляет
Z2ном.=1,2 Ом.
Таблица 2.22.Сравнение данных.
|
Расчетные данные |
Каталожные данные |
|
Uуст.=20Кв Imax.= 10926,71А iу.=160,65 кА Вк =3683,4 кА2с |
Uном. =20кВ Iном. =30000А не проверяется
|
Общее сопротивление приборов:
rприб. = Sприб. І2 = 19,0 25 = 0,76 Ом
сопротивление контактов примем 0,1 Ом, тогда сопротивление соединительных проводов: Zпр.= Z2ном. Zприб. rкон. = 1,2 - 0,76 - 0,1 = 0,34 Ом. Принимая длину соединительных проводов с медными жилами 40 м;
q = lрасч. rпр. = 0,0175 40 0,34 = 2,06 мм принимаем контрольный кабель КРВГ с жилами сечением 2,5 мм.
Выбор трансформаторов напряжения
В цепи генератора трансформаторы напряжения предназначены для подключения измерительных приборов, для подключения колонки синхронизации и приборов контроля состояния изоляции. Приборы синхронизации и контроля состояния изоляции подключаются к трансформатору напряжения кратковременно, поэтому их можно не учитывать при подсчете нагрузки
Таблица 2.23
Вторичная нагрузка трансформатора напряжения
|
Прибор |
Тип прибора |
Нагрузка ТН, ВА, включенная между фазами, |
||
|
АВ |
ВС |
СА |
||
|
Вольтметр показывающий, Ваттметр показывающий, Ваттметр показывающий, Частотомер показывающий, Вольтметр регистрирующий, Ваттметр регистрирующий, Счетчик, Датчик активной мощности, Датчик реактивной мощности. |
Э 335; Д 335; Д 335; Э 371; Н 344; Н 3180; ЦЭ 6807Б-1 Е 829; Е 830; |
--- 1,5 1,5 --- --- 10,0 2,0 5,0 --- |
--- 1,5 1,5 --- --- 10,0 2,0 --- 5,0 |
2,0 --- --- 3,0 10,0 --- --- 5,0 --- |
|
Итого: |
20,0 |
20,0 |
20,0 |
В цепи генератора ТГВ-300-240 выбираем трансформатор напряжения типа ЗНОЛ-20.
Таблица 2.24.Сравнение данных
|
Расчетные данные. |
Каталожные данные. |
|
Uсети ном. = 20 кВ; S2 расч. = 20 ВА; |
Uном. = 24 кВ; S2 ном. = 75 ВА; |
Для остальных ступеней напряжения принимаем к установке ТН :
500 кВ марки ЗНГ 500
220 кВ марки ЗНГ-220
2.7. Разработка конструкции РУ.
Комплектные распределительные устройства с элегазовой изоляцией (КРУЭ), благодаря занимаемыми ими малым площадям и объемам, а также высоким уровнем надежности и готовности, стали неизменной особенностью современных систем электропередачи.
КРУЭ предоставляют наилучший выбор, особенно при использовании в районах, требующих концентрации мощностей, например, в больших городах и индустриальных центрах, обеспечивая низкий уровень шумов при невысоких фактических издержках.
КРУЭ в зависимости от схемы заполнения представляет собой комплекс аппаратов (ячеек, отдельных модулей и изделий, необходимых для подсоединения воздушных и кабельных линий).
Ячейки и модули состоят из отдельных элементов, заключенных в герметичную металлическую оболочку цилиндрической или шаровой формы, заполненной элегазом. Для сочленения между собой оболочки элементов имеют фланцы и патрубки, контакты и уплотнения.
По функциональному назначению ячейки КРУЭ могут быть линейные, шиносоединительные, трансформаторов напряжения и секционные, с одной или двумя системами сборных шин.
Ячейки, отдельные модули и элементы допускают возможность компоновки КРУЭ по различным электрическим схемам. Ячейки состоят из трех полюсов, шкафов и сборных шин. В шкафах размещена аппаратура цепей сигнализации, блокировки, дистанционного электрического управления, контроля давления элегаза и подачи его в ячейку, питания приводов сжатым воздухом.
Ячейки на номинальное напряжение 110-220 кВ имеют трехполюсное или пополюсное управление, а ячейки на 500 кВ - только пополюсное управление.
Полюс ячейки содержит набор элементов необходимых для работы распределительного устройства.
2.7.2. Выбор аппаратов для ограничения перенапряжений
Ограничители перенапряжений с высоконелинейными варисторами, предназначены для ограничения грозовых и коммутационных перенапряжений в сильноточных и слаботочных цепях однофазного и трёхфазного переменного тока частотой 50 Гц в сетях 6 35 кВ, работающих в режиме изолирования нейтрали или её заземления через дугогасящий реактор. Условия работы аппаратов в сетях с резистивно-заземлённой нейтралью (2 4) несколько легче, что позволяет ОПН применять и в этих сетях и в сетях 110-750 кВ, работающих в режиме с глухим (эффективным) заземлением нейтрали. Ограничители перенапряжений могут быть установлены на открытых и закрытых распредустройствах, на тепловых, гидравлических и атомных электростанциях.
Ограничители перенапряжений могут быть подключены:
-между токоведущими частями и землей, например, между вводами силовых трансформаторов и землей;
-параллельно электрооборудованию вдоль передачи, например, параллельно токоограничивающим реакторам, а также реакторам высокочастотной связи;
-между фазами электрооборудования и линий, например, между фазами распредустройства с уменьшенными относительно общепринятых межфазными расстояниями;
-в нейтрали силовых трансформаторов 110 кВ;
-в нейтрали четырехлучевых шунтирующих реакторов;
-на опорах линий электропередачи в особых случаях, например, на гололедоопасных участках, где применение грозозащитных тросов нецелесообразно.
Места установки и рекомендуемые типы ОПН в схеме электроустановки
Таблица 2.19.
|
№ |
Место установки ОПН |
Назначение ОПН |
Рекомендуемый тип ОПН |
|
1 |
У выводов 220 кВ трансформатора 220/10 кВ |
Защита обмотки 220 кВ трансформатора от грозовых (и комутационных) перенапряжений |
ОПН-П/ЗЭУ-220/88/10/550 УХЛ 1 |
|
2 |
У выводов 500, кВ трансформатора 500/10 кВ |
Защита обмотки 500 кВ трансформатора от грозовых (и комутационных) перенапряжений |
ОПН-500ХЛ 1 |
|
3 |
У выводов 10 кВ трансформатора 220/10 кВ |
Защита обмотки 10 кВ трансформатора от грозовых перенапряжений |
ОПН-П/ЗЭУ-10/12/10/400 УХЛ 1 |
|
4 |
В ячейке 10 кВ выключателя со стороны коммутируемого двигателя |
Защита двигателя от коммутационных (и грозовых) перенапряжений |
ОПН-П/ЗЭУ-10/10.5/10/550 УХЛ 1 |
|
5 |
У выводов 10 кВ трансформатора 10/0.4, или в ячейке 10 кВ выключателя со стороны этого трансформатора |
Защита обмотки 10 кВ трансформатора 10/0.4 от коммутационных (и грозовых)перенапряжений |
ОПН-П/ЗЭУ-10/12/10/400 УХЛ 1 |
2.8 Разработка генерального плана проектируемой электроустановки
Генеральный план (генплан) электростанции представляет собой план размещения на основной производственной площадке электростанции ее основных и вспомогательных сооружений.
Генплан электростанции включает следующие производственные и подсобные здания, сооружения и устройства:
главный корпус с размещаемыми на открытом воздухе , дымососами, дымовыми трубами, повышающими трансформаторами;
электрический щит управления, электрические распределительные устройства закрытого и открытого типа;
устройства водоснабжения, топливного хозяйства ;
химическую очистку добавочной воды;
масляное хозяйство;
лаборатории и мастерские, склады оборудования и материалов;
служебные помещения и др.
Площадку для тепловой электростанции выбирают по возможности ближе к потребителям электрической энергии, к месту добычи топлива и источнику водоснабжения. Площадку электростанции располагают на землях, не содержащих ценных ископаемых, малопригодных для сельского хозяйства, не затапливаемых паводковыми водами реки, используемой для водоснабжения электростанции. Площадка электростанции должна иметь достаточные размеры для размещения всех необходимых ее сооружений и устройств. В зависимости от мощности электростанции, ее агрегатов и энергоблоков требуемая площадь составляет 0,04 0,06 га/МВт. Рельеф площадки (территории) электростанции должен быть по возможности ровным; разность высот в отдельных ее местах не должна превышать 2-4 м, обеспечивающим удобный отвод поверхностных вод. Грунтовые воды по химическому составу не должны быть агрессивны и не должны вызывать коррозию подземных частей зданий и сооружений.
Расположение площадки электростанции должно быть по возможности близким к железнодорожным магистралям, по которым предполагается подвоз топлива, а также оборудования, строительных конструкций и материалов.
При составлении вариантов компоновок электростанций руководствуются следующими общими принципами:
оптимальная ориентация относительно естественных водоемов, при которой достигается экономия в строительстве гидротехнических сооружений и каналов;
удобство внешних инженерных коммуникаций подъездных дорог, линий электропередачи;
удобство внутренних инженерных коммуникаций:
а) транспортной сети и подъемно-транспортного оборудования;
б) технологических (транспортеров, трубопроводов, водоводов и т. п.) и электрических (токопроводов разных конструкций) связей.
размещение зданий вспомогательных хозяйств (ремонтных служб и мастерских, масляного хозяйства, пожарного депо, гаража и т.д.) в соответствии с их назначением. Это дает возможность осуществить более короткие технологические и транспортные связи с цехами, которые эти вспомогательные хозяйства обслуживают;
наименьшие размеры площадки, занимаемой проектируемой электростанцией;
возможность дальнейшего расширения станции до конечной мощности при минимально необходимом отчуждении земель.

Рис. 2.30 Генплан станций
2.9. Выбор режимов работы нейтрали в электроустановках.

Рис. 2.31
В соответствии с ПУЭ на станции выбраны следующие режимы работы
нейтралей:
• В сетях 110 кВ и выше с глухим заземлением нейтрали.
• В сетях 6 35 кВ применяются не заземленные нейтрали, сеть
генераторного напряжения и трансформаторы собственных нужд
10,5/6,3.
• В сетях 0,4 кВ применяется глухо-заземленная нейтраль.
3. Релейная защита и автоматика блока 300 МВт
Основные защиты.
1.Продольная дифференциальная защита генератора.
Назначение: от междуфазных КЗ внутри и на выводах генератора.
Защита выполняется трехфазной, трехрелейной на реле ДЗТ-11/5 с процентным торможением, обеспечивающим отстройку от максимального тока небаланса при токе срабатывания, меньшем номинального тока генератора.
Защита действует на отключение выключателя генератора, на гашение поля, на останов котла и турбины мгновенно.
Расчет уставок защиты: вторичный ток срабатывания защиты
, где
Fср = 100 Ав МДС срабатывания реле;
Wраб = 144 витка число витков рабочей обмотки со стороны линейных выводов.
Необходимое торможение определяется по условию отстройки защиты от тока небаланса при внешнем КЗ
, где
Кодн = 0,5 коэффициент однотипности;
относительная погрешность трансформаторов тока.
Намагничивающая сила, создаваемая током небаланса в рабочей обмотке реле в режиме внешнего КЗ.
Ав,
где КI= 12000/5
Котс = 1,6 коэффициент отстройки;
КI = 8000/5 коэффициент трансформации, трансформаторов тока линейных выводов генератора.
Расчетное число витков тормозной обмотки
вит.
Принятое число витков тормозной обмотки Wторм = 16 в (3 + 13)
Чувствительность защиты оценивается коэффициентом чувствительности при двухфазном КЗ на выводах генератора в режиме холостого хода генератора.
2. Поперечная дифференциальная защита генератора.
Ток срабатывания защиты выбирается на основании опыта эксплуатации с учетом отстройки от максимального тока небаланса при внешних КЗ
Iсз = 0,2 ·Iном = 0,2 · 10200 = 2040 А
Ток срабатывания реле и его уставка
Принимаем Iуст = 6,8 А и выбираем III диапазон уставок, зажимы 4-6.
3. Защита от замыканий на землю в обмотке статора.
На генераторах энергоблоков устанавливается блок-реле БРЭ 1301, состоящее из органов напряжения первой и третьей гармоник и охватывающее всю обмотку статора без зоны нечувствительности.
Орган третьей гармоники в защите БРЭ 1301.01 реагирует на относительное результирующее сопротивление третьей гармоники обмотки статора со стороны нейтрали на землю и называется «реле сопротивления» или «реле с торможением». Уставки относительного сопротивления срабатывания (в относительных единицах) могут изменяться в пределах 0,3-3.
К органам защиты подается напряжение нулевой последовательности от трансформаторов напряжения соответственно через фильтры первой и третьей гармоник.
В защите БРЭ 1301.01 реле напряжения включается на трансформатор. Напряжения со стороны нейтрали, а к реле сопротивления (реле с торможением) подается выпрямленная сумма напряжений третьей гармоники от трансформатора напряжения в нейтрали, и на выводах генератора рабочее напряжение и тормозное выпрямленное напряжение третьей гармоники со стороны нейтрали , при этом
и Кт = 1/Zcp
Уставки защиты: Уставка органа первой гармоники в обоих исполнениях защиты по условию отстройки от непродолжительных снижений уровня изоляции в процессе эксплуатации должна быть не менее 10 В (рекомендуется 10 15 В).
Для органа третьей гармоники БРЭ 1301.01 следует принимать Zx cp = 1,5 или Кт = 0,67.
Для отстройки от возможных кратковременных срабатываний защиты в переходных режимах на её выходе должна быть выдержка времени порядка 0,5с.
4. Защита от замыканий на землю обмотки ротора.
Предусматривается защита для обнаружения замыкания на землю в одной точке цепи возбуждения генератора путем замера сопротивления изоляции обмотки ротора относительно земли. Защита выполняется с наложением на цепь возбуждения переменного тока с частотой 17,5 Гц, который подводится от отдельного источника.
Защита от замыканий на землю в одной точке цепи возбуждения должна иметь две уставки:
- при снижении сопротивления цепи возбуждения до 10 кОм с действием на сигнал;
- при снижении сопротивления цепи возбуждения до 4 кОм с действием на отключение.
Защита выполняется с помощью двух блоков: контроля сопротивления изоляции типа БЭ 1104Б.04 и частотного фильтра типа БЭ 1105Б.04, подключенных к цепям возбуждения генератора.
- Продольная дифференциальная защита трансформатора блока.
|
Наименование величин |
Обозн. |
Расчетная формула |
Един. изм. |
Результаты расчета |
||
|
сторона 220 кВ |
сторона 20 кВ |
Сторона20 кВ отнесенная к СН |
||||
|
1 |
2 |
3 |
4 |
5 |
6 |
7 |
|
Первичные токи на сторонах трансфор-матора блока, соответ ствующие его ном. мощности |
А |
|
|
|
||
|
Соединение обмоток силового трансфор- матора |
Y |
|||||
|
Соединение вторич- ных обмоток транс- форматоров тока |
Y |
Y |
||||
|
Коэффициент схемы соединения транс- форматоров тока |
|
|
1 |
1 |
||
|
Коэффициент транс- формации трансфор- маторов тока |
|
Расч. уточн |
2000/5 |
12000/5 |
1000/5 |
|
|
Вторичные токи в плечах защиты |
|
А |
|
|
||
|
Основная сторона |
Неосновная сторона |
|||||
|
Выбор ответвлений трансреактора реле |
А А А |
4,25 (отв.3) |
4,25 (отв.3) |
|||
|
Для необходимой отстройки от внешних КЗ в защите используются две цепи торможения, включенные на токи высшего и низшего напряжения блочного трансформатора |
||||||
|
Выбор ответвлений промежуточных трансформаторов то- ка (ТТ1,ТТ2) цепи торможения |
A А A А |
4,55 5 (отв. 1) |
4,82 5 (отв.1) |
|||
|
Первичный ток со стороны 230 кВ, со- ответствующий «на- чалу торможения» с учетом принятых от- ветвлений промежу- точных трансформа- торов тока цепи тор- можения реле |
=
|
|||||
|
Первичный ток сра- батывания защиты: 1.по условию отст- ройки от тока небала- нса в режиме, соотве- тствующем «началу торможения» 2.по условию отст- ройки от броска тока намагничивания |
А А А А
|
|
||||
|
Принятый первичный ток срабатывания защиты |
А |
315,3 |
||||
|
Относительный ток срабатывания реле, соответствующий «началу торможения» |
|
|||||
|
Коэффициент тормо- жения при внешнем трехфазном КЗ на стороне 20 кВ транс- форматора |
где: - ток от системы, приведенный к напряжению основной стороны 230 кВ. ток от системы, приведенный к напряжению 20 кВ. |
|||||
|
Выбор первичного тока срабатывания дифференциальной отсечки по условию отстройки от броска тока намагничивания трансформатора |
А |
|
||||
|
Чувствительность защиты: 1.при двухфазном КЗ на стороне 20 кВ трансформатора блока в режиме холостого хода 2.при двухфазном КЗ на стороне 20 кВ трансформатора блока (ток от системы) |
где где: |
|
- Расчет резервной продольной защиты блока.
|
Режим, вид и место КЗ |
Ток КЗ, А |
|
Ток трехфазного КЗ на стороне 220 кВ в режиме холостого хода блока |
I(3)K1 G=11080 |
|
Ток трехфазного КЗ за трансформатором собственных нужд |
I(3)K3 max= =857,35 |
|
Ток трехфазного КЗ на стороне 20 кВ: от системы от генератора |
I(3)K2 S=6908,7 I(3)K2 G=9307 |
Расчет защиты сведен в таблицу 2.Таблица 2
|
Наименование величины и расчетные выражения |
Единицы измерения |
Исходные и расчетные величины Сторона 110 кВ Сторона 10,5 кВ |
|
|
1 |
2 |
3 |
4 |
|
Первичные токи, приведенные к номиналь-ной мощности трансформатора Sт. ном Iт.ном = -------------- 3 Uт.ном Схема и группа соединения обмоток силового трансформатора |
А |
Y |
|
|
1 |
2 |
3 |
4 |
|
Тип трансформатора тока Схема соединения и коэффициент схемы Расчетный коэффициент трансформации 3 Iт.ном КI р = ------------ Iвт Принятый коэффициент трансформации |
ТФЗМ 110 Ксх = 3 2000/5
|
ТШВ 10 Y Ксх = 1 12000/5 |
|
|
Расчет тока небаланса Iнб расч = Iнб расч + Iнб расч + Iнб расч = = Кодн Ка I(3)max + U I КЗ max Кодн = 1; Ка = 1; = 0,1; U = +2х2,5% / 100 = 0,05 Iнб расч определяется после расчета витков реле |
А |
1,0 · 1,0 · 0,1 · 11080 + 0,05· 11080 = 1662 |
|
|
Первичный ток срабатывания защиты: а) по условию отстройки от броска тока намагничивания при включении блока под напряжение (холостой ход) Iсз = Котс Iт.ном, где Котс = 1,3 б) по условию отстройки от расчетного максимального тока небаланса при внешнем КЗ в точке К1 Iсз = Котс Iнб расч max в) по условию отстройки от расчетного максимального тока КЗ за трансформатором собственных нужд (К3) Iсз = Котс I(3)КЗ max |
А А А |
1,3 · 1051 = 1366,3 1,3· 1662 = 2160,6 1,3 · 857,35 = 1114,56 принимаем Iсз = 2160,6 А |
|
|
Проверка возможности применения реле РНТ-565: от системы I(2)КЗ min Кч = ---------- > 2 Iсз От генератора I(2)К min G Кч = ----------- > 2 Iсз Защита удовлетворяет требованию чувствительности. Поэтому расчет продолжаем с использованием РНТ-565 |
|
||
|
Расчет тока срабатывания реле. Вторичные токи в плечах защиты Ксх Iт.ном I2 = ---------------- КI Ток срабатывания реле на основной стороне Ксх Iсз iр осн = ---------- КI |
А А |
|
|
|
Основная сторона |
Неосновная сторона |
||
|
Расчет числа витков реле (AW)ср о Wосн расч = ------------ Iср осн (AW)ср о = 100 Ав Принятое число витков дифференциальной обмотки Wд.уст |
Витки Витки |
Wд.уст = 10 |
|
|
Расчетное число витков для неосновной стороны I2 осн Wнеосн.расч = Wд.уст ----------- I2 неосн Принятое число витков в том числе уравнительных |
Витки Витки витки |
W220 уст = 11 Wур 1 = 11 10 = 1 |
|
|
Расчет тока небаласа и уточненного тока срабатывания защиты Wрасч - Wприн Iнб расч = ------------------ I(3)КЗ max Wрасч Iнб уточн = Iнб расч + Iнб расч + Iнб расч Iсз уточн = Котс Iнб max уточн Котс = 1,3 Т.к. принятый Iсз = 776 А больше Iсз уточн после выбора витков реле, расчет числа витков остается без изменения |
А А А |
1108 + 554 + 418,1 = 2080,1 1,3 · 2080,1 = 2704,13 |
|
|
Действительный ток срабатывания реле (AW)cp o icp = ------------ Wд.уст Первичный ток срабатывания уточненный icp KI K Iсз = ------------ Kcх Минимальный коэффициент чувствитель-ности: от системы I(2)КЗ min Кч1 = ----------- > 2 Icp От генератора I(2)RP ьшт Кч2 = ---------- > 2 Iсз |
A A |
|
Вывод: защита удовлетворяет требованиям чувствительности.
- Газовая защита блочного трансформатора.
Назначение: от замыканий внутри бака трансформатора, сопровождающихся выделением газа, который образуется в результате разложения масла или разрушения изоляции под действием значительного повышения температуры.
Газовая защита бака трансформатора выполняется с двумя ступенями, действующими на сигнал и на отключение выключателей трансформатора соответственно.
Защита выполняется на реле типа РГТ-80.
Реле типа РГТ-80 имеет два поплавка верхний 6.1 и нижний 6.2, на которых установлены постоянные магниты, управляющие герконами. Поплавки реагируют на изменение уровня масла в корпусе реле. Кнопка проверки 7 служит для проверки работы поплавков 6.1 и 6.2 и напорной пластины 5.
В нормальном состоянии газового реле поплавки 6.1 и 6.2 находятся в крайних верхних положениях, а напорная пластина 5 в исходном положении.
При снижении уровня масла в корпусе реле опускается сначала верхний поплавок 6.1. При его опускании происходит срабатывание верхней (сигнальной) контактной системы. При дальнейшем снижении уровня масла в корпусе реле опускается нижний поплавок 6.2. и происходит срабатывание нижней (отключающей) контактной системы. При восстановлении уровня масла поплавки 6.1 и 6.2 поднимаются до своего начального положения, а контакты контактных систем возвращаются в исходное состояние.
При превышении скорости потока масла из бака в расширитель значения уставки срабатывания реле напорная пластина перемещается, и срабатывают контакты нижней (отключающей) контактной системы. При прекращении потока масла напорная пластина возвращается в исходное положение.
Уставки реле по скорости потока масла: 0,65; 1,0 и 1,5 м/с.
Принимаем уставку 1,0 м/с.
Резервные защиты
- Защита от внешних симметричных коротких замыканий.
Большая эллиптическая ось характеристики реле
=

Малая ось эллипса Zмал = Кэ Zуст max = 0,5·1,1 = 0,55 Ом
Изменение параметров осей эллиптической характеристики реле с учетом смещения в III квадрант. Величина смещения большой оси:
Z = 0,12 Zуст max = 0,12 · 1,1 = 0,132 Ом
Сопротивление срабатывания защиты
Zуст max = Zуст max - Z = 1,1 0,132 = 0,968 Ом
Сопротивление срабатывания реле
Проверка чувствительности защиты:
- по замеряемому сопротивлению при КЗ на шинах высшего напряжения трансформатора блока


- по току точной работы при КЗ на шинах 110 кВ

где Iт.р. = 2 А
- Защита от несимметричных КЗ и перегрузок.
Ток срабатывания пускового органа защиты в относительных единицах
Iх2 ср.по = Котс Ix2 min; Котс = 1,05
Ix2 min = 0,082 при А = (5-10)
Iх2 ср.по = 1,05 · 0,082 = 0,09
Допустимая длительность перегрузки током обратной последовательности
Ток и время срабатывания сигнального органа
Iх2ср.со = 0,05; tcp.co = 10 c.
Ток срабатывания отсечки выбирается исходя из условия обеспечения необходимой чувствительности при двухфазном КЗ на шинах ВН блока в сверхпереходном режиме (в относительных единицах).
где Кч = 1,3 или

Выдержка времени отсечки выбирается на ступень селективности t = 0,3 с превышающей выдержку времени той ступени дистанционной защиты, с которой согласована отсечка.
- Защита от симметричных перегрузок.
Уставка пускового органа
Iхср.по = 1,1; I ср.по = 1,1 · Iном.G
Уставка сигнального органа
Iх ср.со = 1,05; Iср.со = 1,05 · Iном G
Характеристика интегрального органа защиты от перегрузок
C
tср.ио = ------------ , где С и В коэффициенты, зависящие от характеристики срабатывания
(Ix B)2 блок- реле;
Iст
Ix = ------- - относительный ток статора;
Iном G
Iст, Iном G ток одной фазы статора генератора и номинальный ток генератора соответственно в первичной цепи.
Расчет коэффициентов В и С характеристик срабатывания интегрального органа защиты для генератора ТГВ-300-2УЗ.
Из технических условий на генератор:
Iст
при -------- = 1,3 время перегрузки 4 минуты или 240 секунд
Iном G
Iст
при -------- = 1,35 время перегрузки 3 минуты или 180 секунд.
Iном G
С С
Тогда ---------- = 240; --------------- = 180; решая эти уравнения:
(1,3 В)2 (1,35 В)2
С = 240· (1,3 В)2 = 180· (1,35 В)2 Врасч = 0,65
Согласно техническим условиям на блок-реле БЭ 1103 В = (0,8 1,0),
принимаем В = 0,8. Тогда С = 240 · (1,3 0,8)2 = 60
Согласно техническим условиям на блок-реле С = (3 50), принимаем С = 50.
В этом случае
C 50
tср.ио = ---------- = ------------- = 200 c.
(Ix B)2 (1,3 0,8)2
При В = 0,8; С = 50; Iх = 1,3 tср.ио < tдоп = 240 с.
- Защита от внешних КЗ на землю.
Iном.G = 10,2 кА; I2 сз = 0,6 ·Iном.G = 6120 А; КI = 1000/5; m = 4; n = 2.
Расчет грубого комплекта. Расчетным режимом для согласования чувствительности является КЗ на ЛЭП, отключаемой с другого конца быстродействующей защитой. При этом
I0 расч I2 сз
I2 = I(1)0 или ---------- = --------
0 2
0 = 1/n = = 0,5; 2 = 1/m = = 0,25, где
m число блоков станции; n число блоков с заземленной нейтралью.
I2 сз = 768 А из расчета защиты от токов обратной последовательности.
0 0,5 20
3I0 cз = 3 Котс ----- Iсз = 3 · 1,1 · -------· 6120 · ------ = 3672 А
2 0,25 220
3I0 cз Ксх 3672 · 1
Iср = ------------- = --------------- = 18,36 А выбираем реле РТ-140/20
КI 1000/5
tсз 1 = 4,5 с на отключение выключателя ВН
tсз 2 = 5 с на отключение блока;
tcз 3 = 4 c на отключение выключателя при разземленной нейтрали.
Расчет чувствительного комплекта.
а) по условию обеспечения срабатывания при самопроизвольном неполнофазном отключении блока при минимальной нагрузке
Imin 0,4 Iном 0,4· 1051
Iсз < ------- = ----------- = -------------- = 350,3 А
Kотс 1,2 1,2
Sном 400000
Iном = ----------- = ------------ = 1051 А
3 Uном 3 · 220
Iсз Ксх 350,3 · 1
Iср = ---------- = ----------- = 1,75 A.
КI 1000/5
б) по согласованию с грубым комплектом
Iср (гк) 18,36
Iср = ----------- = -------- = 17,5 А
1,05 1,05
Принимаем Iср = 1,75 А, выбираем реле типа РТ-140/2.
- Защита от асинхронного режима при потере возбуждения.
Диаметр окружности характеристики реле сопротивления
Zзащ = 1,1 Xd = 1,1·2,49 = 2,74 Ом
Смещение характеристики
Zсмещ = 0,4 · Хd = 0,4 · 3,4 = 1,36 Ом
Вторичные сопротивления
- Защита от повышения напряжения.
Sн.тр 400000
Iн.тр = --------- = ----------- = 1051 А
3· Uн 3 · 220
Напряжение срабатывания пускового органа
Uсз = 1,2 · Uн.г. = 1,2 · 20 = 24 кВ
Uсз 24000
Uср = ------ = ------------- = 120 В, выбираем реле РСН 14-30
КU 20000/100
Ток срабатывания блокирующего реле
Iсз = 0,1 · Iн.тр = 0,1 · 1051 = 105,1 А
Iсз 105,1
Iср = --------- = --------- = 0,26 А, выбираем реле тока РТ-40/Р
КI ВН 2000/5
Выдержка времени tсз = 3 с.
- Защита от перегрузки ротора турбогенератора током возбуждения.
Сигнальный орган - принимается Iх сз со = 1,05;
Iсз со = 1,05 · 3050 = 3202,5 А. Выдержка времени tсо = 10 с.
Пусковой орган принимается Iх сз по = 1,1;
Iсз по = 1,1 · 3050 = 3355 А.
Определяется выдержка времени интегрального органа
C
tр ио = -----------
(Ix p B)2
Ip
при ---------- = 1,5 время перегрузки ротора 60 с.
Ip.ном
Ip
При -------- = 1,2 время перегрузки ротора 240 с.
Iр.ном
С С
----------- = 60; -------------- = 240.
(1,5 В)2 (1,2 В)2
Решая эти уравнения, получим Врасч = 0,9.
Согласно техническим условиям на блок-реле В = (0,8 1,0). Принимаем В = 0,9.
Тогда Срасч = 240·(1,2 0,9)2 = 21,6
Согласно заводским данным С = (3 40). Принимаем С = 21,6.
С 21,6
Тогда tср ио = ----------- = -------------- = 233 с
(1,2 В)2 (1,2 0,9)2
tср ио < tдоп = 240 с.
- Дополнительная резервная токовая защита на стороне высшего напряжения.
Ток срабатывания защиты выбирается по условию отстройки от номинального тока защищаемого трансформатора
Котс 1,2
Iсз = ------ Iн.т. = ------ ·1051 = 1483,8 А
Квоз 0,85
Sн.т. 400000
Iн.т. = ---------- = ----------- = 1051 А
3· Uн.т. 3 · 220
Ток срабатывания реле
Iсз 1483,8
Iср = ------ Kсх = ----------- ·3 = 6,42 A, принимаем Iуст = 6,5 А и выбираем реле РТ-140/10.
KI 2000/5
- Автоматический пуск пожаротушения трансформатора.
Пуск автоматики пожаротушения производится от дифференциальной защиты, защиты ошиновки и газовой защиты трансформатора.
Зона повреждения при пуске пожаротушения от дифференциальных реле ограничивается баком трансформатора с помощью реле тока, включенного в провод, заземляющий бак трансформатора. Это реле реагирует на внутренние КЗ на землю на стороне ВН и разрешает пуск пожаротушения от дифференциальных защит трансформатора и его ошиновки на стороне ВН. При этом обеспечивается работа цепи пуска в случае повреждения вводов высшего напряжения высокого напряжения трансформатора, наиболее часто сопровождающихся пожаром.
При внутренних повреждениях на стороне НН пуск пожаротушения от дифференциальной защиты разрешается лишь при одновременном срабатывании газовой защиты, даже если действие ее отключающего элемента переведено на сигнал.
Первичный ток срабатывания защиты нулевой последовательности в схеме пуска устройства пожаротушения выбирается по условию обеспечения надежной работы этого реле при замыканиях на корпус трансформатора блока
КT
Iсз = ------ 3I0 min , где KT коэффициент токораспределения; Кч = 2 - коэффициент
Kч чувствительности
3I0 мин минимальный ток в месте КЗ при отключенном от системы энергоблоке.
Реле тока нулевой последовательности включается на трансформатор тока с коэффициентом трансформации KI = (300/5 600/5) и ориентировочно принимается типа РТ-140/2.
4.Охрана труда при установке заземлений на ВЛ
22.1. ВЛ напряжением выше 1000 В должны быть заземлены во всех РУ и у секционирующих коммутационных аппаратов, где отключена линия. Разрешается: ВЛ напряжением 35 кВ и выше с ответвлениями не заземлять на подстанциях, подключенных к этим ответвлениям, при условии, что ВЛ заземлена с двух сторон, а на этих подстанциях заземления установлены за отключенными линейными разъединителями;
ВЛ напряжением 6 - 20 кВ заземлять только в одном РУ или у одного секционирующего аппарата либо на ближайшей к РУ или секционирующему аппарату опоре. В остальных РУ этого напряжения и у секционирующих аппаратов, где ВЛ отключена, разрешается ее не заземлять при условии, что на ВЛ будут установлены заземления между рабочим местом и этим РУ или секционирующими аппаратами.
На ВЛ указанные заземления следует устанавливать на опорах, имеющих заземляющие устройства.
На ВЛ напряжением до 1000 В достаточно установить заземление только на рабочем месте.
22.2. Дополнительно к заземлениям, указанным в пункте 22.1 Правил, на рабочем месте каждой
бригады должны быть заземлены провода всех фаз, а при необходимости и грозозащитные тросы.
22.3. При монтаже проводов в анкерном пролете, а также после соединения петель на анкерных опорах смонтированного участка ВЛ провода (тросы) должны быть заземлены на начальной анкерной опоре и на одной из конечных промежуточных опор (перед анкерной опорой конечной).22.4. Не разрешается заземлять провода (тросы) на конечной анкерной опоре смонтированного
анкерного пролета, а также смонтированного участка ВЛ во избежание перехода потенциала от грозовых разрядов и других перенапряжений с проводов (тросов) готового участка ВЛ на следующий, монтируемый, ее участок.
22.5. На ВЛ с расщепленными проводами разрешается в каждой фазе заземлять только один провод; при наличии изолирующих распорок заземлять требуется все провода фазы.
22.6. На одноцепных ВЛ заземление на рабочих местах необходимо устанавливать на опоре, на которой ведется работа, или на соседней. Разрешается установка заземлений с двух сторон участка ВЛ, на котором работает бригада, при условии, что расстояние между заземлениями не превышает 2 км.
22.7. При работах на изолированном от опоры молниезащитном тросе или на конструкции опоры, когда требуется приближение к этому тросу на расстояние менее 1 м, трос должен быть заземлен. Заземление нужно устанавливать в сторону пролета, в котором трос изолирован, или в пролете на месте проведения работ.
Отсоединять и присоединять заземляющий спуск к грозозащитному тросу, изолированному от земли, следует после предварительного заземления троса.
Если на этом тросе предусмотрена плавка гололеда, перед началом работы трос должен быть отключен и заземлен с тех сторон, откуда на него не исключена подача напряжения.
22.8. Переносные заземления следует присоединять на металлических опорах - к их элементам, на железобетонных и деревянных опорах с заземляющими спусками - к этим спускам после проверки их целости. На железобетонных опорах, не имеющих заземляющих спусков, разрешается присоединять заземления к траверсам и другим металлическим элементам опоры, имеющим контакт с заземляющим устройством.
В электросетях напряжением до 1000 В с заземленной нейтралью при наличии повторного заземления нулевого провода разрешается присоединять переносные заземления к этому нулевому проводу.
Места присоединения переносных заземлений к заземляющим проводникам или к конструкциям должны быть очищены от краски.
Переносное заземление на рабочем месте разрешается присоединять к заземлителю, погруженному вертикально в грунт, не менее чем на 0,5 м. Запрещена установка заземлителей в случайные навалы грунта.
22.9. На ВЛ напряжением до 1000 В при работах, выполняемых с опор либо с телескопической вышки без изолирующего звена, заземление должно быть установлено как на провода ремонтируемой линии, так и на все подвешенные на этих опорах провода, в том числе на неизолированные провода линий радиотрансляции и телемеханики.
22.10. На ВЛ, отключенных для ремонта, устанавливать, а затем снимать переносные заземления и включать имеющиеся на опорах заземляющие ножи должны работники из числа оперативного персонала: один, имеющий группу IV (на ВЛ напряжением выше 1000 В) или группу III (на ВЛ напряжением до 1000 В), второй - имеющий группу III. Разрешается использование второго работника, имеющего группу III, из числа ремонтного персонала, а на ВЛ, питающих потребителя, из числа персонала потребителя.
Отключать заземляющие ножи разрешается одному работнику, имеющему группу III, из числа оперативного персонала.
На рабочих местах на ВЛ устанавливать переносные заземления имеет право производитель работ с членом бригады, имеющим группу III. Снимать эти переносные заземления разрешается по указанию производителя работ два члена бригады, имеющие группу III.
22.11. На ВЛ при проверке отсутствия напряжения, установке и снятии заземлений один из двух работников должен находиться на земле и вести наблюдение за другим.
22.12. Требования к установке заземлений на ВЛ при работах в пролете пересечения с другими ВЛ, на одной отключенной цепи многоцепной ВЛ, на ВЛ под наведенным напряжением и при пофазном ремонте предусмотрены главой XXXVIII Правил.
http://energoworld.ru/files/2014/07/Pravila-po-ohrane-truda-pri-e%60kspluatatsii-e%60lektroustanovok.pdf
5. Специальная часть.
Распределительное устройство (РУ) электроустановка, служащая для приёма и распределения электрической энергии.
Распределительное устройство содержит набор коммутационных аппаратов, сборные и соединительные шины, вспомогательные устройства релейной защиты и автоматики (РЗиА) и средства учёта и измерения. Компоновкой РУ обеспечивается размещение всех намеченных схемой аппаратов в таком порядке, при котором вся конструкция в наибольшей степени отвечает всем действующим требованиям и правилам.
Основным аппаратом РУ является выключатель устройство, способное
включать, нести и отключать нормальные токи нагрузки, а также включать и
автоматически отключать (при заранее заданных условиях) токи аварийного
режима, такие, как токи короткого замыкания. В настоящее время используют
современные высоковольтные элегазовые выключатели. А так же разработаны выключатели разъединители с элегазовой изоляцией, которые в свою очередь выполняют функцию и выключателя и разъединителя и необходимость установки отдельного разъединителя на площадки ОРУ отпадает. Разъединители служат для замыкания и размыкания цепей без нагрузки; в качестве оперативных они используются для переключений в схемах соединений, а как неоперативные применяются для отсоединения участков коммутации и оборудования, выводимых в ремонт.
Распределительные устройства бывают открытого типа, закрытого и
комплектные.
- Открытые распределительные устройства (ОРУ) распределительные
устройства, у которых силовые проводники располагаются на открытом воздухе без защиты от воздействия окружающей среды. Применяются
при напряжениях от 110 кВ и выше.
- Закрытые распределительные устройства (ЗРУ) распределительные
устройства, оборудование которых устанавливается в закрытых помещениях. Применение ЗРУ высоких напряжений обосновано: в местности с агрессивной средой (морской воздух, повышенное запыление), холодным климатом, при строительстве в стеснённых условиях, в городских условиях для снижения уровня шума и для архитектурной эстетичности.
- Комплектные распределительные устройство с элегазовой изоляцией (КРУЭ). Распределительное устройство, которое сформировано из полностью или частично закрытых шкафов и блоков, в которые встроены аппараты, устройства защиты и автоматики. Такие устройства обычно поставляются в полностью собранном, готовом к использованию состоянии. Комплектные распределительные устройства предназначены как для внутренней, так и для наружной установки. Применяются при напряжениях от 110 кВ и выше.
Недостатки ОРУ очевидны это постоянное воздействие окружающей среды
на токоведущие части, изоляторы, коммутационные аппараты и остальные
агрегаты ОРУ. Так же ОРУ занимают огромные площади на территории станций и подстанций, что особенно наблюдается на ОРУ высокого напряжения где внешней изоляцией является воздух который обладает не достаточной диэлектрической способностью. Для того что бы создать необходимую диэлектрическую прочность токоведущие части разводятся друг от друга на большие расстояния, что в свою очередь увеличивает площадь застройки распределительного устройства.
Говоря о закрытых распределительных устройствах внешним диэлектриком
между токоведущими частями является, тот же воздух и соответственно для использования их на высокие напряжения будут требоваться огромные здания. Строительство таких помещений экономически нерационально. Таким образом, применение ЗРУ высоких напряжений обоснованно: в местности с агрессивной средой (морской воздух, повышенное запыление), холодным климатом.
В современной энергетике все вышеперечисленные проблемы были решены
с внедрением комплектных распределительных устройств с элегазовой
изоляцией на станции и подстанции. В настоящий момент КРУЭ функционируют на различных станциях и подстанциях по всему миру и
показывают хорошие результаты. Но использование КРУЭ требует высоких экономических затрат по сравнению с ОРУ и ЗРУ.
Герметизированные комплектные распределительные устройства с
элегазовой изоляцией 110 кВ и выше (КРУЭ) применяют при стесненных условиях в крупных городах и на промышленных предприятиях, а также в районах с загрязненной атмосферой.
Закрытое распределительное устройство (ЗРУ)
ЗРУ надежнее, удобнее, безопаснее, эксплуатация их не зависит от
климатических условий и погоды, но они дороже и применяются
преимущественно для схем генераторных напряжений и в установках
собственных нужд, реже для напряжений 110 кВ и 220 кВ. При напряжении 220 кВ и выше размеры зданий становятся очень большими.
В условиях загрязненного воздушного бассейна (дымовые и химические уносы, отложения морских солей, смог и т. п.) даже для сверхвысоких напряжений ЗРУ предпочтительны, так как загрязненная атмосфера приводит к отложениям пыли и солей на изоляторах, проводах и оборудовании, что
снижает надежность изоляции, вызывает коррозию и разрушение токоведущих частей и, как следствие, приводит к меньшему сроку службы оборудования, частым отключениям для чистки и ремонтов, увеличению расходов по эксплуатации РУ.
В районах Крайнего Севера с особо суровыми климатическими
условиями сооружение ЗРУ имеет неоспоримые преимущества перед ОРУ.
Для размещения ЗРУ обычно требуется меньшая площадь, чем для размещения ОРУ, а кроме того, при ЗРУ легче согласовать архитектурный облик здания с архитектурой и национальным колоритом прилежащих зданий и сооружений, а также пейзажем.
Однако, стоимость ЗРУ обычно на 1025 % выше стоимости соответствующих ОРУ.
Косвенным образом на выбор вида РУ влияют его местоположение
среди сооружений электростанции, рельеф местности, отводимая территория,
требования к защищенности сооружения, направления трасс линий передачи и
т. п. Иногда приходится применять многоэтажное для ЗРУ и ступенчатое для
ОРУ расположение оборудования, не исключаются и подземные компоновки.

Поперечный разрез ЗРУ 220 кВ с двумя основными и обходной системами шин.
Открытое распределительное устройство (ОРУ)
Открытое распределительное устройство (ОРУ) распределительное
устройство, оборудование которого располагается на открытом воздухе. Все
элементы ОРУ размещаются на бетонных или металлических основаниях.
Расстояния между элементами выбираются согласно ПУЭ. На напряжении 110 кВ и выше под устройствами, которые используют для работы масло
(масляные трансформаторы, выключатели, реакторы) создаются маслоприемники заполненные гравием углубления. Эта мера направлена на снижение вероятности возникновения пожара и уменьшение повреждений при
аварии на таких устройствах. Сборные шины ОРУ могут выполняться как в виде жёстких труб, так и в виде гибких проводов. Жёсткие трубы крепятся на стойках с помощью опорных изоляторов, а гибкие подвешиваются на порталы с помощью подвесных изоляторов. Территория, на которой располагается ОРУ, в обязательном порядке огораживается.

Преимущества ОРУ:
- ОРУ позволяют использовать сколь угодно большие электрические
устройства, чем, собственно, и обусловлено их применение на высоких классах напряжений.
-При производство ОРУ не требуется лишних затрат на строительство
помещений.
- Открытые распределительные устройства практичнее, чем ЗРУ в плане модернизации и расширения
- Визуальный контроль всех аппаратов ОРУ
Недостатки ОРУ:
- Затруднённая работа с ОРУ при неблагоприятных погодных условиях.
- ОРУ намного больше, чем ЗРУ.
В качестве проводников для сборных шин ОРУ и ответвлений от них
применяются многопроволочные провода марок А и АС, а также жёсткие
трубчатые шины. При напряжениях 220 кВ и выше необходимо расщепление
проводов, чтобы уменьшить потери на коронирование.
Длинна и Ширина ОРУ зависит от выбранной схемы станции, расположения
выключателей (однорядное, двухрядное и т.д.) и линий электропередачи. Кроме того, должны быть учтены подъездные пути для автомобильного или
железнодорожного транспорта. ОРУ должно иметь ограду высотой не менее 2,4 м. В ОРУ токоведущие части аппаратов, проводники сборных шин и
ответвления от сборных шин во избежание пересечений размещают на
различной высоте в два и три яруса. При гибких проводах сборные шины
размещают во втором ярусе, а провода ответвлений в третьем.
Минимальное расстояние от проводников первого яруса до земли для 110 кВ
3600 мм, 220 кВ 4500 мм. Минимальное расстояние по вертикали между
проводами первого и второго ярусов с учётом провеса проводов для 110 кВ 1000 мм, для 220 кВ 2000 мм. Минимальное расстояние между проводами второго и третьего ярусов для 110 кВ 1650 мм, для 220 кВ 3000 мм.
Минимальные допустимые изоляционные расстояния (в сантиметрах) в свету
на воздухе открытых установок между неизолированными проводами разных
фаз, между токоведущими частями или элементами изоляции, находящимися
под напряжением, и заземленными частями конструкций:
Комплектное распределительное устройство с элегазовой изоляцией
(КРУЭ)
Комплектное распределительное устройство с элегазовой изоляцией представляют собой ячейки, чье пространство заполнено элегазом под давлением, соединённые в различные схемы распределительных устройств согласно нормам технического проектирования. Ячейки КРУЭ изготавливают из унифицированных деталей, что делает возможным сборку ячеек различного назначения из одних и тех же элементов. К ним относятся: полюсы выключателей, разъединителей и заземлителей; измерительные
трансформаторы тока и напряжения; соединительные и промежуточные отсеки; секции сборных шин; полюсные и распределительные шкафы, шкафы системы контроля давления и шкафы трансформаторов напряжения. Ячейка каждого типа состоит из трех одинаковых полюсов и шкафов управления. Каждый полюс линейной, секционной или шинной соединительной ячейки имеет выключатель с приводом и элементами его управления, разъединитель с дистанционным электрическим приводом, заземлители с ручным приводом,
трансформаторы тока и полюсные шкафы. Ячейки трансформаторов напряжения не имеют выключателей и трансформаторов тока. Ячейки и их
полюсы соединяются одной или двумя системами однополюсных или трехполюсных шин.
Линейные ячейки имеют выводы для присоединения к токопроводам и
отходящим кабелям. Соединение ячеек с силовыми кабелями производится при помощи кабельных вводов специальной конструкции, а с воздушными линиями с помощью газонаполненных вводов.
Безопасность и надежность электроснабжения зависит от выключателей,
защищающих электрические сети от короткого замыкания. Традиционно на
электростанциях и подстанциях устанавливались выключатели с воздушной
изоляцией. В зависимости от номинального напряжения воздушного
выключателя, расстояние между токоведущими частями и землей может
составлять десятки метров, в результате чего для установки такого аппарата
требуется очень много места. Напротив, элегазовый выключатель очень компактен, и поэтому КРУЭ занимает сравнительно небольшой полезный объем. Площадь подстанции с КРУЭ в десять раз меньше площади подстанции с воздушными выключателями. Токопровод представляет собой алюминиевую трубу, в которой устанавливается токоведущая шина, и предназначен для соединения между собой отдельных ячеек и элегазового оборудования подстанции. Так же в ячейку КРУЭ встраиваются измерительные трансформаторы тока и напряжения, ограничители напряжения (ОПН), заземлители и разъединители.
Таким образом, ячейка содержит в себе все необходимое оборудование и
приборы для передачи и распределения электроэнергии различных напряжений. И все это заключено в компактный надежный корпус. Управление ячейками осуществляется в шкафах установленных на боковой стенки.
Распределительный шкаф вмещает в себя всю аппаратуру цепей дистанционного электрического управления, сигнализации и блокировки
элементами ячеек.
Применение КРУЭ позволяет значительно уменьшить площади и объемы,
занимаемые распределительным устройством и обеспечить возможность более легкого расширения КРУЭ по сравнению с традиционными РУ. К другим важным преимуществам КРУЭ можно отнести:
-Многофункциональность в одном корпусе совмещены сборные шины,
выключатель, разъединители с заземляющими разъединителями, трансформаторы тока, что существенно уменьшает размеры и повышает
надежность ОРУ;
-Взрыво - и пожаробезопасность;
-Высокая надежность и стойкость к воздействию внешней среды;
-Возможность установки в сейсмически активных районах и зонах с повышенной загрязненностью;
-Отсутствие электрических и магнитных полей;
-Безопасность и удобство эксплуатации, простота монтажа и демонтажа.
-Небольшие габариты
-Стойкость к загрязнению.
Ячейки, отдельные модули и элементы допускают возможность компоновки КРУЭ по различным электрическим схемам. Ячейки состоят из трех полюсов, шкафов и сборных шин. В шкафах размещена аппаратура цепей сигнализации, блокировки, дистанционного электрического управления, контроля давления элегаза и подачи его в ячейку, питания приводов сжатым воздухом.
Ячейки на номинальное напряжение 110220 кВ имеют трехполюсное
или пополюсное управление, а ячейки на 500 кВ только пополюсное
управление.
В полюс ячейки входят:
- Коммутационные аппараты: выключатели, разъединители, заземлители;
- Измерительные трансформаторы тока и напряжения;
- Соединительные элементы: сборные шины, кабельные вводы («масло элегаз»), проходные вводы («воздухэлегаз»), элегазовые токопроводы и
др.
Стоимость КРУЭ достаточно велико перед традиционными видами РУ, поэтому применение нашлось только в случаях, где ее преимущества крайне необходимы- это при строительстве в стесненных условиях, в городских условиях для снижения уровня шума и для архитектурной эстетичности, в местах, где технически не возможно разместить ОРУ или ЗРУ, и на площадях где стоимость земли очень велика, а так же в условиях агрессивной среды для защиты токоведущих частей и увеличению сроку эксплуатации оборудования и в сейсмически активных зонах.
http://smartenergo.net/articles/199.html
6. Экономическая часть
Исходные данные
|
Тип и количество установленных турбин |
8xК-300 |
|
Установленная мощность станции |
Nу =2400МВт |
|
Число часов использования установленной мощности |
hу = 6a000ч. |
|
Вид топлива |
Газ мазут. |
|
Система технического водоснабжения |
прямоточная |
Таблица 1.Справочные данные по турбинам и котлам
Расчёт абсолютных и удельных вложений капитала в новое строительство станции
Абсолютные вложения капитала в строительство станции с поперечными связями при разнотипном оборудовании.
Кст = [ Кблг + Кблп ] Крс · К1· Кu тыс.руб.
где Кблг ПТ- капиталовложения в головной блок (К-300-240), тыс.руб.
Кблп - суммарные капиталовложения в каждые последующие блоки, тыс.руб.
Крс - поправочный коэффициент на территориальный район строительства,
К1 - коэффициент учитывающий вид системы технического водоснабжения
К1 = 0,9 - при прямоточной системе водоснабжения
Кu - коэффициент индекса цен капитала по данным Госкомстата РФ на 01. 02. 14 г.
Кст = (7611100+74124725)·1,1·0,9·1,74 =62847639,8 тыс.руб.
4.2.Удельные вложения капитала
Энергетические показатели работы электростанции.
4.2. Выработка и отпуск электроэнергии с шин станции.
2.2.1.Годовая выработка электроэнергии электростанцией.
WВ = Nу · hу · 10-3 тыс.МВт ч/год
где hу число часов использования установленной мощности.
WВ = 2400·6000·10-3 =14400 тыс.МВт ч/год
4.2.3. Годовой расход электроэнергии на собственные нужды в целом по КЭС.
4.2.6.Удельный расход электроэнергии на собственные нужды, отнесённый на отпуск электроэнергии.
4.2.7. Годовой отпуск электроэнергии с шин станции.
Wо = Wв - Wсн , тыс.МВт ч
Wо = 14400-356 =14044 тыс.МВт ч/год
4.3.Годовой расход условного топлива.
4.3.1. Нормативный удельный расход условного топлива на отпуск электроэнергии.
Определяется для каждого типа турбины в зависимости от числа часов использования установленной мощности, использования отборов в течение года.
4.3.8. Удельный расход условного топлива на отпуск электроэнергии.
4.3.10. Годовой расход натурального топлива энергетическими котлами.
4.3. Издержки производства электрической и тепловой энергии по экономическим элементам затрат на энергию.
4.3.1. Материальные затраты.
4.3.1.1.Топливо на технологические цели.
По этому пункту учитывается топливо, которое расходуется непосредственно на производстве электроэнергии. Топливо оценивается с учетом транспортных затрат.
Цтвпот=5000 руб/м3
Примем цену газа равной 5000 руб/м3
Итопл=Цдог Внг=5000·3513,6=17565600 тыс.руб/год
4.3.1.3. Затраты на вспомогательные материалы.
Нвм - норматив затрат на вспомогательные материалы.
Иу - установленная мощность станции
Ки- коэфф-т инфляции.
4.3.1.4Затраты на подготовку питательной воды
Ппв=1,08D0нблhуЦв10-3=1,08270,83.68 60005510-3=
=2779577.8 тыс. руб. год.
4.3.1.5 плата за пользование водными объектами
Число часов использования установленной мощности:
Расход свежего пара на турбины:
Птв=1,08Wохлк ивнблhуТв(30%/100)10-3=
=1,0836860002761,74(30%/100)10-3 =268872,9 тыс.руб.год
4.3.1.6 Материальные затраты без учёта топлива.
4.3.2. Оплата труда.
4.3.2.1. Среднемесячная заработная плата одного работника.
В элементе « Затраты на оплату труда » отражаются затраты на оплату труда промышленно-производственного персонала энергопредприятия. В состав затрат на оплату труда включаются выплата заработной платы за фактически выполненную работу, исходя из расценок, тарифных ставок, все виды затрат, премий, оплаты очередных и дополнительных отпусков.
ЗПсрмес = Ст1· Кtср ·Кррсс · Кпрср ·Крзп руб/мес
где Ст1 месячная тарифная ставка рабочего первого разряда.
Кtср - средний тарифный коэффициент по промышленно- производственному персоналу электростанции.
Кррсс -средний коэффициент, учитывающий доплаты за многосменный режим работы, условия труда и другие компенсационные выплаты.
Кпрср - средний коэффициент, учитывающий стимулирующие виды доплат текущие премирование, премирование за выполнение заданий по рабочей мощности, за экономию топлива, индивидуальные вознаграждения, за выслугу лет, по итогам работы за год и др.
Крзп - районный коэффициент к заработной плате.
ЗПсрмес = 8000·2,2 · 1,16 · 1,7 · 1 = 52060,8 руб/мес
Годовой фонд оплаты труда на одного человека.
ФОТчелг = ЗПсрмес · 12 · 10-3 тыс. руб/год
ФОТчелг = 52060,8 · 12 · 10-3 = 624,7 тыс. руб/год
Затраты на оплату труда учитываемые в себестоимость продукции
Иот = Чппп · ФОТчелг тыс. руб/год
где Чппп - численность промышленно-производственного персонала=780, чел;
Иот = 1096 · 624,7 =684703,642 тыс. руб/год
4.3.2.4. Коэффициент обслуживания:
Отчисления на социальные нужды
В элементах « Отчисления на социальные нужды » отражаются обязательные отчисления по установленным законодательством норма органам социального страхования , пенсионного фонда (34,2%), медицинского страхования (0,2%).
4.3.3.1 Отчисления в пенсионный фонд
= · Иот = · 684703,642 =237592,2 тыс. руб/год
4.3.3.2 Отчисления на социальное страхование от несчастных случаев и профессиональных заболеваний:
= · Иот = · 684703,642 =649,72 тыс. руб/год
4.3.3.3 Отчисления на социальные нужды:
тыс. руб/год
Амортизация основных фондов (средств).
В элементах « Амортизация основных фондов » отражается сумма амортизационных отчислений на полное восстановление основных средств, рассчитанная по балансовой стоимости и утверждённым в установленном порядке нормам амортизации на реновацию.
4.3.4.1. Стоимость основных фондов (основных средств) электростанции.
Сф = 0,9 · Кст , тыс. руб
Сф = 0,9 ·62847639,8 =56562875,8 тыс. руб
Иа=(Нарен/100)Сф =(3,2/100) 56562875,8 =1810012,03 тыс.руб/год
Нарен-средняя норма амортизации на реновацию в целом по станции (табл.6)
4.3.5. Отчисления в ремонтный фонд.
где Нрфср - средний норматив отчислений в ремонтный фонд в целом по РФ электростанции %.
4.3.5.2.1. Плата за землю
Для определения платы за землю необходимо знать площадь земли, отчуждаемую под строительство электростанции с учётом всех необходимых сооружений, и ставку земельного налога.
Площадь земли под производственную площадку
F1 = f1 Nу ·10-2 га
где f1- удельная площадь застройки производственной площадки в зависимости от установленной мощности станции, с учетом градирен:
F1 = 300 · 2400·10-2 =4800 м2
Общий отвод земли под строительство КЭС F=F1=4800га
4.3.5.2.6. Определение ставки земельного налога на производственную площадь:
Ставка земельного налога зависит от места строительства электростанции. Если электростанция строится в черте города или пригородной зоне, то ставка на землю устанавливается для городских земель.
Средняя ставка земельного налога за производственную площадь:
- для электростанций, построенных вне населенного пункта
где Сзн1ср - средняя базовая ставка земельного налога за производственную площадь, руб./м2.
K2 - коэффициент увеличении средней ставки земельного налога за счет статуса города, развития социально-культурного потенциала.
Изем=Сзн1F10-3=34,69480010-3=166,37 тыс.руб/год
F-общая площадь земли отводимая под эл/ст
Сзн1-средняя ставка земельного налога для эл/ст
4.3.5.3. Прочие отчисления
Учитываются налоги в составе себестоимости, плата за сточные воды, сбрасываемые в водные объекты, проценты но кредитам банков в пределах учетных ставок, командировочные и подъемные, представительские расходы в пределах нормативов, вознаграждения за изобретения и рационализаторские предложения и прочие отчисления и платежи, предусмотренные законодательством в составе себестоимости.
где НДР% - норматив других (прочих) отчислений в зависимости от вида сжигаемого топлива.
4.3.5.4. Прочие затраты
Ипроч = Ирем +Изем +Идр тыс. руб/год
Ипроч = 791880,3+166,37+301668,6=1093715,3 тыс. руб/год
4.3.6Годовые издержки электростанции по экономическим элементам затрат (общие)
И = Итопл +Имз + Иот + Исн + Иа + Ипроч тыс. руб/год
И=17565600+3060561.2+684703,642+237592,2+1810012,03+1093715,3=
=24452184.3 тыс. руб/год
4. Калькуляция проектной себестоимости электрической энергии
4.4.3.Себестоимость производства электроэнергии.
в том числе:
|
Наименование |
Годовые издержки, тыс.руб/год |
Структура затрат,% |
Себестоимость производства электроэнергии, руб./МВт·ч |
|
1.Топливо |
17565600 |
71.85 |
1250.7 |
|
2.Матер.затраты |
3060561.2 |
12.51 |
217.9 |
|
3.Оплата труда |
684703,64 |
2.8 |
48,75 |
|
4.От.соц.нужды |
237592,2 |
0.97 |
16,92 |
|
5.Армотизация |
1810012,03 |
7.4 |
128,9 |
|
6.Прочие затраты |
1093715,3 |
4.47 |
77,87 |
|
Итого |
21391623 |
100 |
1741.11 |
Заключение
Тема дипломного проекта: Сравнительный анализ конструкций распределительного устройства высокого напряжения на проектируемой газомазутной ГРЭС-2400 МВт (8 К-300).
В дипломном проекте произведен расчет конденсационной электрической станции мощностью 2400 МВт. Станция предназначена для электроснабжения крупного промышленного центра.
На станции установлены конденсационные турбины типа К-300-240. Топливо газ, резервное - мазут. Место строительства: Коми- Пермяцкий АО. Система технического водоснабжения: из реки.
Связь с энергосистемой на напряжении 500 кВ по двум воздушным линиям.
От шин 220 кВ отходят 6 воздушных линии в районную сеть.
На 1 листе графического чертежа показана тепловая схема, турбины типа ТГВ-300-2УЗи произведен выбор основного и вспомогательного оборудования. Котел Пп-1000-255ГМ, Питательные насосы ПЭ-600-300, Питательный турбонасос ПТНА 1100-350-24-3, Конденсатные насосы 1 подъема КсВ 500-85-1 и 2 подъема КсВ-500-220, Циркуляционный насос ОПВ10-145, Деаэратор ДП-1000-65, Дутьевые вентиляторы ВДН-25-2, Дымососы ДОД-31,5.
На 2 листе показаны 10 вариантов структурных схем станции. Произведен расчет приведенных затрат по капитальным затратам, издержкам на обслуживание, амортизацию и потери в силовых трансформаторах и ущербу от недоотпуска электроэнергии. Выбрана схема с минимальными приведенными затратами (второй вариант). Показана на 3 листе. На высокое напряжение 500 кВ выбрана схема КРУЭ 3/2. На среднее напряжение 220 кВ выбрана схема КРУЭ с двумя системами сборных шин. Выбраны блочные силовые трансформаторы типа ТДЦ-400000/500 и ТДЦ-400000/220 и автотрансформаторы связи типа 3*АОДЦТН-167000/500/220.
Произведен расчет токов трехфазного короткого замыкания для 4 точек: на шинах 500 кВ, шинах 220 кВ, генераторном напряжении 20 кВ, секции собственных нужд 6 кВ.
Выбраны электрические аппараты и проводники напряжением выше 1кВ:
.- Элегазовые ячейки ЯЭУ-500, ЯЭГ-220.
- Выключатели: ВГГ-20, BB/TEL-10. Разъединитель РВПЗ-1-20/12500УЗ.
Проводники: гибкие сталеалюминевые провода 3АС-600/72, 2АС-400/22, комплектный пофазно-экранированый токопровод ТЭКН-Е-20-12500-400, жесткие шины ША 100х8.
Измерительные трансформаторы тока: встроенные ТШ-20-12000/5 .
Измерительные трансформаторы напряжения: для наружной установки
НКФ-500, НКФ-220, встроенные ЗНОЛ-20.
Распределительные устройства 500 и 220 кВ выполнены типа КРУЭ, собственных нужд 6 кВ комплектного типа внутренней установки с шкафами типа К-104 М.
На 4 листе в соответствии с НТП разработана схема собственных нужд станции. Выбраны рабочие и резервные трансформаторы собственных нужд типа ТРДН-32000/220, ТРДНС - 3200/35; ТМ-1000/6,3/0,4.
На 5, 6 листах выполнена релейная защита, предоставлен расчет основных и вспомогательных защит блока генератор- трансформатор ТГВ-300-2УЗ.
На 7 листе выполнен экономический расчет станций, определены затраты на различные составляющие производства электрической тепловой энергии.
Определены себестоимость единицы электрической и тепловой энергии отпускаемой со станции. В разделе охрана труда был разработан вопрос «Охрана труда при установке заземлений на ВЛ».
На 8 листе показан специальный вопрос на тему «Сравнительный анализ конструкций распределительного устройства на высокое напряжение», на чертеже показан разрез ячеек.
На 9 листе разработан генеральный план станций.
Литература
1. Крючков И.П., Неклепаев Б.Н.. Электрическая часть электростанций и
подстанций.: Справочные материалы для курсового и дипломного
проектирования.- М. Энергоатомиздат,1989 г.
2. Рожкова Л.Д. Электрооборудование электрических станций и подстанций:
Учебник для сред.проф.образования/ Л.Д. Рожкова, Л.К. Карнеева, Т.В.
Чиркова.-2-е изд.стер.-М.:Издательский центр «Академия»,2005.-448 стр.
3. Справочник по проектированию электрических сетей/ Под ред.
Д.Л.Файбисовича.-2-е изд.перераб. и доп.-.: Изд-во НЦ ЭНАС,2006.-352с.: ил.
4. Нормы технологического проектирования тепловых электрических станций
и тепловых сетей: ВНТП-81, 1981. 122 страницы.
5. Правила устройства электроустановок 7 издание, 2001. 640 страниц.
6. Справочник по проектированию электроэнергетических систем / В. В.
Ершевич, А. Н. Зейлигер, Г. А. Илларионов и др.; Под ред. С. С. Рокотяна и
И. М. Шапиро. 3-е изд., перераб. и доп. М.: Энергоатомиздат, 1985. 352с.
7. Рожкова Л.Д., Козулин В.С.. Электорооборудование станций и подстанций.
2-е изд., -М.: Энергия, 1980 г.
8. Гук Ю.Б. и др.. Электрическая часть электростанций и подстанций: Учебное
пособие для вузов. -Л.: Энергоатомиздат,1986 г.
9. Методические указания для курсового проектирования по курсу
“Электрические станции и подстанции систем электроснабжения”.
10. Справочные данные элегазовых выключателе фирмы АВВhttp://www.abb.ru.
11.Электротехнический справочник: В 3-х т. Т. 2. Электротехнические изделия
и устройства / Под общ. ред. профессоров МЭИ (гл. ред. И. Н. Орлов). 3-е
изд., испр. и дои. Москва: Энергоатомиздат, 1986.
12.Электрическая часть станций и подстанций / Под ред. А. А. Васильева.
Москва: Энергия, 1980.
13.Неклепаев Б. Н. Электрическая часть электростанций и подстанций:
Учебник для вузов. - 2-е изд., перераб. и доп. Москва: Энергоатомиздат,
1986.
14.Двоскин Л. И. Схемы и конструкции распределительных устройств. 3-е изд.,
перераб. и дон. Москва: Энергоатомиздат, 1985.
15.Кудрявцев Е. П., Долин А. П. Расчет жесткой ошиновки распределительных
устройств. Москва: Энергия, 1981.
16.Справочник по строительству подстанций 110- 750 кВ / Под ред. М. А.
Реута. Москва: Энергоиздат, 1982.
17.Иванов Н. А., Лернер Н. М., Рябцев Ю. И. Справочник по монтажу
распределительных устройств выше 1000 В на электростанциях и
подстанциях / Под ред. Н. А. Иванова, Н. Г. Этуса. М.: Энергоатомиздат,
1987.
18.Кошкин А. А., Шаталов Г. Г., Штеренфельд Н. С. Разработка и внедрение
блочных подстанций 35- 220 кВ заводского изготовления // Энергетическое
строительство. 1980. № С. 32- 35.
19.Siemens-Zeitschrift. 1967. № 10. S. 847854.
20.Siemens-Zeitschrift. 1970. № 1. S. 15- 22.
21.Mier G. Rohrstromschienen fur Freiluftschaltanlagen // Elektrotechniche
Zeitschrift. 1980. Bd 101. № 6. S. 390 -394.
22.Григорьев Ю. E. Арочные конструкции шин в распределительных
устройствах 400 кВ Англии // Энергетическое хозяйство за рубежом. 1969.
№ 1. С. 35 36.
23.Двоскин Л. И. Схемы и конструкции распределительных устройств. Москва:
Энергия, 1974.
24.Двоскин Л. И. Компоновки и конструкции распределительных устройств
высокого напряжения. Москва: Госэнергоиздат. 1960.
25.Электрические изоляторы / Н. С. Костюков, Н. В. Минаков, В. А. Князев и
др.; Под ред. Н. С. Костюкова. Москва: Энергоатомиздат, 1984
ДПВ, i В2
Д1, i 1
ДПВ, i В1
Д1, i ДР1
ДПВ, i В3
Д2, i2
ДПВ, i2
(Д2+ Д2) i ДР2
Д1, i ДР1
ПВ, i В4
Д3, i 3
ДПВ, i В3
(Д1+ Д2+ Д3) i ДР3
(Д1+Д2), i ДР2
ДПВ, i В4
(Д1+ Д2 +Д3), i ДР3
ДД, i4
ДОК, i В5
ДОК, i6
Д5, i5
ДОК, i В5
ДДР5, i ДР5
ДОК, i В7
Д6, i6
ДОК, i В6
(Д5+ Д6) i Др6
Д5, i ДР5
Дк, i В8
Д7, i7
Док, i В7
(Д5+Д6) i ДР6
ДОК, iв7
(Д5+ Д6+ Д7) iд ДР7
Док, iв9
Д8, i8
Док, iв8
Д8, i ДР8
Расчет подстанции ГРЭС-2400







































