Конічні зубчасті передачі
Тема 12. Конічні зубчасті передачі
Особливості конічних зубчастих передач. Кінематика конічних передач. Основні параметри конічної прямозубої передачі. Сили, що діють в конічній зубчастій передачі. Проектний розрахунок конічної зубчастої передачі. Особливість конічних зубчастих передач із непрямими зубцями.
Загальні відомості
Конічна передача призначена для передачі руху під кутом. Кут між осями може бути довільним. Якщо = 900 , передача називається ортогональною. Початковими поверхнями є бічні поверхні кругових контурів з вершинами в точці О.
Початкові конуси перекочуються один по другому без ковзання. Профілі зубців окреслюються евольвентою.

Порівняно з циліндричними передачами, конічні передачі складніші у виготовленні і монтажі. Для виготовлення необхідно спеціальне обладнання та інструмент. Крім допусків на лінійні розміри потрібно забезпечити допуски на кути 1,2, , а також забезпечити збіг вершин при монтажі.
У більшості випадків одне колесо розміщується консольно на валу, звідки виникає нерівномірність розподілу навантаження по довжині зубців. В результаті несуча здатність конічної передачі складає 85% від несучої здатності циліндричної.
К.К.Д. конічної передачі 0,95...0,96 , що нижче , ніж К.К.Д. циліндричної.
За формою зубців передачі поділяються на:
1) прямозубі 2) з тангенціальним зубцем 3) з круговим зубцем.
Прямий зуб нарізається в радіальному напрямі вздовж твірної конуса. Прямозубі колеса застосовуються при колових швидкостях до 3 м/с (косозубі до 15 м/с).
У сучасному машинобудуванні (автотракторна промисловість, верстати, авіація, швидкохідні прилади та ін.) переважне застосування мають конічні передачі з коловими зубцями. Вони допускають колову швидкість до 30 м/с, мають підвищену навантажувальну здатність. У таких передачах використовуються колеса з поверхневим хіміко-термічним зміцненням зубців.
Головні недоліки конічних передач:
1) конічні передачі складніші від циліндричних у виготовленні та монтажі, оскільки, крім допусків на розміри зубців, необхідно витримувати допуски на кути 1 і 2 , а при монтажі забезпечувати збіг вершин конусів осьовим регулюванням зубчастих коліс;
2) перетин осей валів ускладнює розміщення опор, тому одне з конічних коліс (як правило, шестірня) розміщується консольно, що зумовлює концентрацію навантаження за довжиною зубця і зниження несучої здатності (експериментально встановлено, що допустиме навантаження конічної передачі становить близько 85% еквівалентної циліндричної).
Основні геометричні параметри
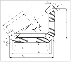
Аналогами початкових і ділильних циліндрів циліндричних передач у конічних передачах є початкові і ділильні конуси з кутами 1 і 2 (рис. 9.1). При коефіцієнтах зміщення інструмента х1 + х2 = 0 початкові і ділильні конуси збігаються.

Зведення прямозубого конічного колеса до еквівалентного прямозубого циліндричного виконують при розрахунках конічної передачі на міцність. Форма зуба конічного колеса в нормальному перерізі додатковим конусом 1 така ж (див. рис. 9.1), як і в циліндричного колеса. Еквівалентне циліндричне колесо одержимо як розгортку додаткового конуса, яка обмежена кутом 2. Діаметри еквівалентних коліс:
(9.4)
Виразивши діаметри через число зубїв z і модуль m, запишемо:
тобто число зубїв еквівалентних коліс можна знайти із формул:
(9.5)
Сили в зачепленні прямозубої конічної передачі
В зачепленні прямозубої конічної передачі діють такі сили: колова Ft, радіальна Fr, осьова Fa (рис. 9.3). Силу Fn, яка діє по нормалі до зуба, розкладають на колову Ft і допоміжну Fr. У свою чергу допоміжна сила Fr розкладається на осьову Fa і радіальну Fr сили. Залежності між цими силами такі:
Для колеса напрямок сил протилежний вказаному: Fa - радіальна, Fr - осьова сили.
Розрахунок міцності прямозубої конічної передачі
Розрахунок міцності зубїв прямозубої конічної передачі за згинальною напругою проводиться за середнім перерізом. За аналогією до прямозубої циліндричної передачі:
, (9.11)
де F - дослідний коефіцієнт, що визначає зниження міцності конічної прямозубої передачі порівняно з циліндричною, F = 0,85; mm - модуль в середньому нормальному перерізі зуба; YF - коефіцієнт форми зуба; визначається відповідно до еквівалентного числа зубїв Z ; KF - коефіцієнт розрахункового навантаження.
Розрахунок міцності зубїв прямозубої конічної передачі за контактною напругою. Значення зв (зведений радіус кривизни) для середнього перерізу зуба розраховують за діаметрами еквівалентних коліс (9.4):
(9.12)
Враховуючи звязок тригонометричних функцій і (7.38), знаходимо:
(9.13)
(9.14)
Після підстановки і нескладних перетворень одержимо:
(9.15)
Враховуючи (9.15), умова міцності зубїв прямозубої конічної передачі за критерієм контактної напруги набуде такого вигляду:
(9.16)
де H - дослідний коефіцієнт, H =0,85; KH - коефіцієнт розрахункового навантаження; dm1 - діаметр середнього торцевого перерізу конічного колеса.
Для проектних розрахунків, зробивши ряд припущень, вираз (9.16) перетворюють на такий:
(9.17)
9.6. Особливості розрахунків конічних зубчастих передач із непрямими зубями
В машинобудуванні поширено використання конiчних передач з тангенційними та круговими колесами (див. рис. 7.1, е, ж).
У конічних колесах із тангенційними зубями (рис. 9.5, а) лінія зубїв направлена по дотичній до деякого додаткового кола радіуса r і утворює з твірною конуса кут . Кут нахилу зубїв = 25...30°. Колова швидкість таких коліс досягає 15 м/с.
У конічних колесах із круговими зубями (б) лінія зубїв має форму дуги кола, по якому рухається інструмент при нарізуванні зубїв. Кут нахилу кругового зуба змінний для різних перерізів зуба. За розрахунковий беруть кут нахилу зубїв на колі середнього діаметра колеса. Для коліс із круговими зубями 35°. Конічні зубчаті передачі з круговими зубями використовують у трансмісіях транспортних машин, у верстатобудуванні. Їх колова швидкість досягає 30 м/с.
Розрахунки на міцність конічних передач із непрямими зубями можна виконати за формулами (9.11), (9.16), (9.17), враховуючи деякі особливості при виборі розрахункових коефіцієнтів. Перевагу мають методи розрахунку, розроблені фірмою зуборізних верстатів “Глісон”(США).
Тема 13. Циліндричні зубчасті передачі із зачепленням Новікова. Особливості передач із зачепленням Новікова. Параметри. Особливості розрахунків.
Особливості зачеплення. Евольвентна система зачеплення, незважаючи на її беззаперечні переваги, має і суттєві недоліки в т. ч.: малі зведені радіуси кривизни робочої поверхні; підвищена чуйність до перекосів; втрати на тертя в зачепленні у звязку із значним ковзанням. Ці недоліки зменшено в зачепленні М.Новікова з круговим профілем зубїв.
Передачі М.Новікова мають підвищену (в 1,5...1,7 рази при Н = 350НВ) навантажувальну здатність за контактною напругою і використовуються в редукторах загального призначення, в авіа-, суднобудуванні й інших галузях машинобудування.
Недоліки передачі - підвищена чуйність до зміни міжосьової відстані; порівняно складний вихідний контур інструмента (див. ГОСТ 15023-76); деяке зниження міцності на злом порівняно з евольвентним профілем; велика чуйність до коливання навантаження і до перевантаження.
При круговому профілі зубїв один зуб виконується угнутим з радіусом r2, другий - опуклим з декілька меншим радіусом r1 (рис. 11.3). Тут контакт опуклих евольвентних профілів замінено контактом опуклого й угнутого кругових профілів з малою різницею радіусів кривизни. При цьому контактна напруга в зачепленні значно знижується.
Для збереження безперервності зачеплення передачі М. Новікова виготовляються лише косозубими з коефіцієнтом торцевого перекриття > 1.
У перерізі площиною n - n бокові поверхні косих зубїв мають великі радіуси кривизни гвинтових ліній 1 і 2 (див. рис. 11.3). При обертанні коліс косі зубя перекатуються в площині n - n як циліндри. Точка контакту a переміщується вздовж зубїв від одного краю до іншого (рис. 11.4). На рисунку штриховою лінією показано початкові циліндри d1 і
d2. Лінія дотику циліндрів - полюсна лінія ПП1. Контурними лініями показано циліндри, які проходять через точку контакту а. Ці циліндри перерізують поверхню зубїв по гвинтових лініях ас, ас',... Точка контакту гвинтових ліній і зубїв переміщується по лінії аа1. До контакту послідовно входять точки 2 і 2', 3 і 3',...
Так як у всіх поперечних перерізах форма зубїв не змінюється, то відстань точок контакту від полюсної лінії ПП1 є постійною. Це означає, що лінія аа1 - пряма, що паралельна полюсній лінії. Лінія аа1 є лінією зачеплення в передачах М. Новікова. Її довжина дорівнює ширині колеса bw, а коефіцієнт торцевого перекриття
(11.7)
де px - осьовий крок.
Якщо лінія зачеплення коліс розміщується за полюсною лінією (за напрямком обертання ведучого колеса, див. рис.11.3), то зачеплення називається заполюсним, якщо до полюса - дополюсним (див. рис. 11.4). Та ж сама пара зубчастих коліс передачі Новикова може мати заполюсне або дополюсне зачеплення в залежності від того, яке із них є ведучим. Ознакою заполюсного зачеплення є опуклий профіль у ведучого зуба й угнутий - у веденого; ознакою дополюсного зачеплення - угнутий профіль у ведучого зуба і опуклий - у веденого. В передачах із двома лініями зачеплення розміщується одна лінія зачеплення до ( точка а), а друга (точка b) за полюсом. Ця передача називається дозаполюсною. Відповідно до числа ліній зачеплення в два рази збільшується і число контактів зубїв. У таких передачах зубя шестерні і колеса мають однаковий профіль: опуклий у головки та угнутий у ніжки зуба (рис. 11.5). Дозаполюсне зачеплення має більшу навантажувальну здатність, для нарізання зубїв шестерні і колеса необхідно лише один інструмент.
В машинобудуванні поширені передачі Новикова з двома лініями зачеплення і вихідним контуром за ГОСТ 15023-76. Цей контур поширюється на передачі з твердістю Н 320 НВ, з m 16 мм і V 20 м/с.
Основні геометричні параметри для дозополюсного зачеплення. Число зубїв вибирається звичайно в діапазоні z1 = 10...25 менші значення при великих передаточних числах і малих швидкостях.
Модуль нормальний m у відповідності із ГОСТ 14186-69 вибирається за 1-м або 2-м рядом:
1-й ряд: 1,6; 2; 2,5; 3,15; 4;5; 6,3; 8; 10; 12,5; 16;
2-й ряд: 1,8; 2,25; 2,8; 3,55; 4,3; 5,6; 7,1; 9; 11,2; 14; 18.
Кут нахилу зубїв = 10...25 для косозубих передач і = 20...45 для шевронних.
Діаметри ділильного кола d і кола западин df:
d = mt Z; df = d + mn h*a;
df = d 2mn (ha* + c*). (11.8)
Міжосьова відстань
Позначення ті ж самі, що і для евольвентних передач; = 10...22; h*a = 0,9; c* = 0,15.
Критерії роботоздатності і розрахунку передач. Новікова: міцність за контактною і згинальною напругою.
Для циліндричних передач дозаполюсного зачеплення (ГОСТ 15023-76) за контактною напругою:
(11.10)
напруга згинання:
(11.11)
де d1, Езв, Т1, z1, u, KHv, KFv, mn, , , [H], [F] - ті ж самі, що і для евольвент них передач; ' - найближче ціле число в значенні ; КВ і КИ - коефіцієнти, які залежать від кута (рис. 8.55 [9]); - коефіцієнт, який залежить від (рис. 8/55 /9/); YF - коефіцієнт форми зуба, який визначається в залежності від еквівалентного числа зубїв (див. табл. с. 196 /9/).
Тема 14. Загальні відомості про гвинтові та гепоїдні зубчасті передачі.
Гвинтові та гепоїдні передачі застосовують за необхідністю передавати обертовий рух між валами, осі яких мимобіжні у просторі. При такому положенні осей валів опори можна розміщувати по обидва боки від зубчастих коліс, передавати обертовий рух від одного ведучого вала декільком веденим. Гвинтові і гепоїдні передачі використовують у спеціальних виробах. Їх недоліки: значне ковзання у зачепленні зубїв, їх підвищене спрацювання, здатність заїдання.
Гвинтовими передачами називають передачі, які складаються із косозубих циліндричних коліс з мимобіжними осями (рис. 11.6). Початкові циліндри коліс дотикаються в точці, тому зубя мають точковий контакт в умовах значного ковзання. Це приводить до швидкого спрацювання і заїдання зубїв. У звязку з цим гвинтові передачі використовують головним чином у кінематичних передачах приладів.
Розрахунок зубчастих коліс гвинтових передач аналогічний розрахунку косозубих циліндричних коліс.
Гепоїдна передача реалізується за допомогою конічних коліс з косими або криволінійними зубями і мимобіжними осями (рис. 11.7). Контакт зубїв цієї передачі здійснюється по лінії, швидкості ковзання менші порівняно з гвинтовими, тому вони мають підвищену навантажувальну здатність.
Гепоїдні передачі використовують в автотракторному і текстильному машинобудуванні (редуктор заднього мосту автомобіля, передача руху від одного ведучого вала десяткам веретен прядильних машин). Недоліки - підвищені вимоги до точності виготовлення і монтажу.
Розрахунок зубїв на міцність можна виконувати за методикою розрахунку конічних зубчатих коліс
.
Конічні зубчасті передачі