Технология изготовления ходовых винтов
М Лекция 18 Страница 6
Лекция 18
Тема №6. Технология изготовления ходовых винтов.
Назначение и конструкция. В металлорежущих станках, прессах и других машинах, где винтовые механизмы служат для преобразования вращательного движения в поступательное, применяют ходовые винты.
В станкостроении применяют винты пяти классов точности: 0; 1; 2; 3 и 4: 02-го классов точности для прецизионных станков и станков повышенной точности (координатно-расточных, резьбошлифовальных, зубообрабатывающих); 3-го класса точности для станков нормальной точности (токарно-винторезных, резьбофрезерных); 4-го класса точности для выполнения установочных перемещений в станках.
Ходовые винты могут содержать различные поверхности (рис. 1.): опорные шейки (Б, В) и упорные буртики (Г), которые служат для установки ходового винта в отверстие выходного вала коробки подач и в подшипник скольжения (правая опора); резьбовую поверхность (Д), которая служит для непосредственного соединения с сопряженной гайкой и преобразования движения; посадочные шейки (А) для установки зубчатых колес и шкивов, которые служат для передачи крутящего момента на винт посредством шлицевых поверхностей, шпоночных пазов, поперечных отверстий.

Рис. 1. Чертеж ходового винта металлорежущего станка с некоторыми требованиями по форме, расположению и шероховатости поверхностей
Различают ходовые винты скольжения с прямоугольной, трапецеидальной и треугольной резьбой и ходовые винты качения полукруглой или арочной формы.
Основные технические требования. Ранее приведенные технические требования к поверхностям ступенчатых валов могут быть предъявлены и к аналогичным поверхностям ходовых винтов. Основное конструктивное отличие ходового винта наличие на его поверхности ходовой резьбы, поэтому ниже приведен ряд технических требований, которые предъявляют к таким поверхностям (табл. 1).
Материалы и методы получения заготовок. Ходовые винты 0 2-го классов точности без термического упрочнения изготовляют из сталей У10А, А40Г, с термическим упрочнением из сталей ХВГ, 7ХГ2ВМ, 40ХФА. Ходовые винты качения изготовляют из сталей ХВГ, 30Х3ВА с закалкой до твердости 59...63 HRC.
Таблица 1. Основные технические требования по точности обработки
ходовых винтов
|
Вид допуска |
Класс точности |
Величина допуска |
|
Отклонение наружного диаметра винта, мкм |
0-2 |
По 6-му квалитету |
|
3 |
По 7-му квалитету |
|
|
4 |
По 8-му квалитету |
|
|
Погрешность шага резьбы, мкм |
0 |
±2 |
|
1 |
±3 |
|
|
2 |
±6 |
|
|
3 |
±12 |
|
|
4 |
±25 |
|
|
Накопленная погрешность шага на всей длине винта, мкм |
0 |
8 |
|
1 |
20 |
|
|
2 |
40 |
|
|
3 |
80 |
|
|
4 |
150 |
|
|
Отклонение половины угла профиля резьбы (при шаге 6... 10 мм), мин |
0 |
10 |
|
1 |
12 |
|
|
2 |
18 |
|
|
3 |
25 |
|
|
4 |
|
|
|
Овальность сечения по среднему диаметру резьбы (на длине винта 1000...2000 мм), мкм |
0 |
40 |
|
1 |
60 |
|
|
2 |
100 |
|
|
3 |
150 |
|
|
4 |
250 |
Продолжение таблицы 1
|
Вид допуска |
Класс точности |
Величина допуска |
|
Шероховатость поверхности резьбы Ra, мкм |
0 |
0,16...0,08 |
|
1 |
0,32...0,16 |
|
|
2 |
1,25...0,63 |
|
|
3-4 |
2,5... 1,25 |
|
|
Шероховатость опорных шеек Ra, мкм |
2 |
0,63...0,32 |
Заготовки получают разрезкой прутка с последующей правкой на правильных станках. Заготовки для ходовых винтов 02-го классов точности правке не подвергают. Их получают резкой калиброванного проката. Допуск биения наружной поверхности заготовки при этом не должен превышать 0,5 мм на всей длине.
Базы и базирование. Основными базами ходовых винтов, как большинства валов, являются поверхности опорных шеек, а вспомогательной базой резьбовая поверхность. На первой операции в качестве черновой базы используют наружную поверхность прутка (двойная направляющая технологическая база) и торец (упорная технологическая база). На последующих операциях по обработке наружных поверхностей технологическими базами служат поверхности центровых отверстий (искусственные технологические базы), а наружную поверхность используют как дополнительную технологическую базу, поскольку заготовка не является жесткой в поперечном сечении.
Технологический маршрут обработки. Недостаточная жесткость ходовых винтов, связанная с особенностью их формы, может привести к значительным деформациям при обработке. Поэтому, как и базирование, технологические маршруты обработки ходовых винтов и валов отличаются. В табл. 2 приведен типовой технологический маршрут обработки ходового винта.
Таблица 2. Технологический маршрут обработки ходового винта
|
№ операции |
Наименование и содержание операции |
Технологические базы |
Оборудование |
|
005 |
Токарная обработка торцовых поверхностей и центрование |
Наружная поверхность и торец |
Токарный станок |
|
010 |
Токарная черновое точение наружных поверхностей |
Поверхности центровых отверстий и наружная поверхность |
Токарный станок |
|
015 |
Термическая старение |
|
Электрическая печь |
|
020 |
Токарная срезка центровых отверстий и центрование |
Наружная поверхность |
Токарный станок |
|
025 |
Токарная чистовая токарная обработка наружных поверхностей |
Поверхности центровых отверстий и наружная поверхность |
Токарный станок |
|
030 |
Шпоночно-фрезерная фрезерование шпоночного паза |
Наружная поверхность |
Шпоночно-фрезерный станок |
Продолжение таблицы 2
|
№ операции |
Наименование и содержание операции |
Технологические базы |
Оборудование |
|
035 |
Шлифовальная предварительное шлифование шеек |
Поверхность центровых отверстий и наружная поверхность |
Кругло-шлифовальный станок |
|
040 |
Токарная предварительное нарезание резьбы |
Поверхности центровых отверстий и наружная поверхность |
Токарно-винторезный станок |
|
045 |
Термическая старение |
|
Электрическая печь |
|
050 |
Токарная исправление центровых отверстий |
Наружная поверхность |
Токарный станок |
|
055 |
Шлифовальная получистовое шлифование наружных поверхностей |
Поверхности центровых отверстий и наружная поверхность |
Кругло-шлифовальный станок |
|
060 |
Шлифовальная получистовое шлифование поверхностей резьбы |
Поверхности центровых отверстий и наружная поверхность |
Резьбо-шлифовальный станок |
|
065 |
Шлифовальная чистовое шлифование наружных поверхностей |
Поверхности центровых отверстий и наружная поверхность |
Кругло-шлифовальный станок |
|
070 |
Шлифовальная чистовое шлифование поверхностей резьбы |
Поверхности центровых отверстий и наружная поверхность |
Резьбо-шлифовальный станок |
|
075 |
Токарная доводка поверхностей опорных шеек |
Поверхности центровых отверстий и наружная поверхность |
Токарный станок |
Контроль поверхностей
В процессе изготовления, а также по окончании обработки производят контроль поверхностей валов. Диаметральные размеры контролируют штангенциркулями, микрометрами, посредством отсчетного устройства скобы рычажной (CP) и другими приборами. Правильность формы поверхностей (отклонение от круглости и цилиндричности) и их относительного положения контролируют по схемам, приведенным в табл. 3.
Наиболее сложной у валов является резьбовая поверхность, особенно ходовые резьбы. Для контроля среднего диаметра наружной резьбы применяют микрометры со вставками: МВМ для измерения метрических и дюймовых резьб, МВТ для измерения трапецеидальных резьб и фасонных деталей (ГОСТ 4380-81). Погрешность измерения таким прибором составляет 0,1...0,15 мм.
Таблица 3. Методы и схемы контроля валов
|
Метод измерения |
Схема |
|
Измерение отклонений от круглости |
|
|
Прибором с прецизионным вращением (кругломером) |
|
|
Координатно-измерительным прибором двух- или трехкоординатным (трехкоординатной измерительной машиной) |
|
|
Измерительным преобразователем с базированием измеряемой детали в центрах |
|
|
Метод измерения |
Схема |
|
Измерение отклонений от цилиндричности |
|
|
С базированием измеряемой детали в центрах (измерительной головкой а, поверочной плитой б и несколькими измерительными головками в) |
|
Продолжение таблицы 3
|
Измерение радиального биения |
|
|
С базированием измеряемой детали в центрах(измерительной головкой) |
|
|
С базированием измеряемой детали в патроне, имеющем прецизионное вращение (измерительной головкой) |
|
|
С базированием измеряемой детали в призме (измерительной головкой) |
|
Наиболее точным при измерении среднего диаметра d2 резьбы является метод с использованием трех проволочек (рис. 2, а), когда во впадины резьбы вкладывают цилиндрические калибры проволочки, диаметр dn которых определяют по формуле
,
где р шаг резьбы, мм; половина угла профиля. При этом проволочки будут касаться боковой поверхности резьбы в зоне среднего диаметра. Измерив размер по проволочкам, определяют средний диаметр резьбы по формуле
d2 = М А,
где М размер, замеренный с проволочками; А поправка (может быть выбрана по таблицам): А = 3dn 0,866p.

Рис. 2. Измерение среднего диаметра резьбы с использованием трех (а), двух (б) и одной (в) проволочек
При измерении с использованием трех проволочек резьб с углами подъема более 7° дополнительно определяют поправку методом последовательных приближений. Этот метод при диаметре резьбы 18...50 мм дает погрешность измерения 0,008...0,03 мм. Применяют также методы с использованием двух или одной проволочек (рис. 2 б, в). Тогда Р размер, замеренный с использованием двух проволочек, Q с использованием одной проволочки.
Средний и внутренний диаметр резьбы можно измерить на универсальном или инструментальном микроскопе теневым способом или с помощью ножей. На этих же микроскопах контролируют элементы профиля резьбы: шаг, угол профиля.
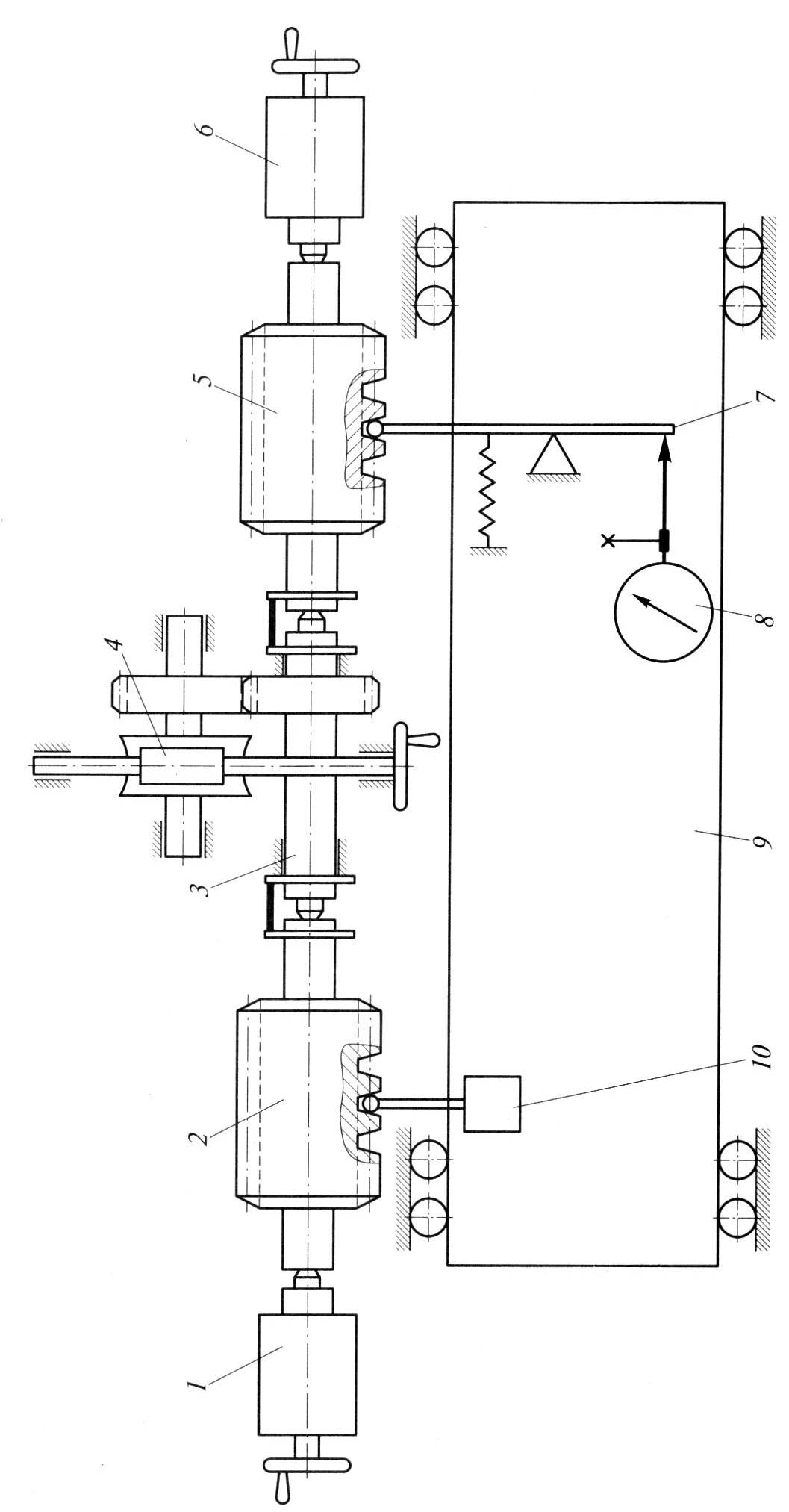
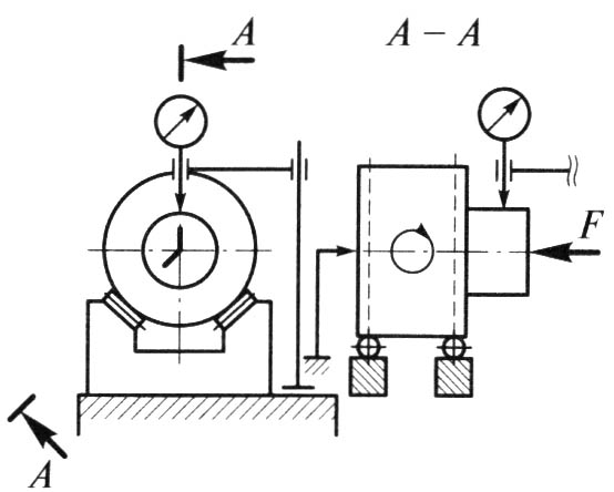
Для определения погрешности шага резьбы ходового винта используют прибор БВ-542, схема которого представлена на рис. 3. Принцип работы этого прибора основан на непрерывном сравнении винтового движения образующих контролируемого и образцового винтов.


Рис. 4. Эскиз ходового винта токарного станка 16К20
Таблица 4. Маршрут изготовления ходового винта токарного станка 16К20 в условиях серийного производства
|
№ операции |
Наименование операции |
Содержание операции |
Технологическая база |
Модель |
|
005 |
Токарно-винторезная |
Подрезать и зацентрировать торцы и снять фаски с двух сторон |
Наружная поверхность |
Токарно-винторезный станок 16К20 |
|
010 |
Токарно-винторезная |
Обточить поверхность А, подрезать торец Г, прорезать канавку и снять фаски |
Центровочные отверстия и торец |
Токарно-винторезный станок 16К20 |
|
015 |
Токарно-винторезная |
Обточить канавку и снять фаски с другой стороны |
Центровочные отверстия и торец |
Токарно-винторезный станок 16К20 |
|
020 |
Кругло-шлифовальная |
Шлифовать наружную поверхность ходового винта в размер диаметром 44,5 мм h 6 |
Центровочные отверстия |
Кругло-шлифовальный станок |
|
025 |
Токарно-винторезная |
Нарезать трапецеидальную резьбу Р=12 мм с припуском 0,5 мм |
Центровочные отверстия и торец |
Токарно-винторезный станок 1622Б |
Продолжение таблицы 4
|
№ операции |
Наименование операции |
Содержание операции |
Технологическая база |
Модель |
|
030 |
Токарно-винторезная |
Точить канавку трапецеидальной резьбы с припуском 0,12 мм, снять фаску 7°30' |
Центровочные отверстия и торец |
Токарно-винторезный станок 1К62В |
|
035 |
Вертикально-сверлильная |
Сверлить отверстие диаметром 8 мм под штифт |
Наружная поверхность |
Вертикально-сверлильный станок 2Н125 |
|
040 |
Слесарная |
Зачистить заусенцы, промыть и протереть |
Слесарный верстак |
|
|
045 |
Кругло-шлифовальная |
Шлифовать до диаметра 44 мм -0,017 |
Центровочные отверстия |
Кругло-шлифовальный станок ЗМ151В |
|
050 |
Токарно-винторезная |
Править винт с припуском до 0,05 мм, проточить боковые стороны резьбы с припуском 0,05 мм, снять фаски 0,25 мм по ниткам резьбы |
Центровочные отверстия |
Токарно-винторезный станок 1622В |
|
055 |
Токарно-винторезная |
Нарезать трапецеидальную резьбу Р=12 мм окончательно |
Центровочные отверстия |
Токарно-винторезный станок 1622В |
|
060 |
Кругло-шлифовальная |
Шлифовать поверхность диаметром 28 мм h6 окончательно |
Центровочные отверстия |
Кругло-шлифовальный станок ЗМ151В |
|
065 |
Контрольная |
Проконтролировать ходовой винт |
Центровочные отверстия |
Контрольно-измерительная установка |
|
070 |
Слесарная |
Протереть винт и покрыть антикоррозионным раствором |
Слесарный верстак |






