Высокочастотный генератор синусоидальных сигналов
СОДЕРЖАНИЕ
Перечень условных обозначений, символов, единиц, сокращений и терминов
ВВЕДЕНИЕ
1 КЛАССИФИКАЦИЯ ГЕНЕРАТОРОВ
1.1 Классификация частот
1.2 Виды генераторов
1.3 Классификация генераторов
2 ОБЗОР ОСНОВНЫХ МЕТОДОВ ГЕНЕРАЦИИ ЧАСТОТ
2.1 Резонансный метод
2.2 Основные источники погрешности
3 ГЕНЕРАТОР ВЫСОКИХ ЧАСТОТ
3.1 Назначение и область применения
3.2 Проведение поверки
3.3 Основные технические характеристики
3.4 Схема генератора ВЧ
4. Выбор принципиальной схемы
4.1 Электрический расчет схемы
4.2 Анализ схемы
ВЫВОДЫ
ПЕРЕЧЕНЬ ИСПОЛЬЗУЕМОЙ ЛИТЕРАТУРЫ
ПРИЛОЖЕНИЕ
ПЕРЕЧЕНЬ УСЛОВНЫХ ОБОЗНАЧЕНИЙ, СИМВОЛОВ, ЕДИНИЦ, СОКРАЩЕНИЙ И ТЕРМИНОВ
СИ средство измерений;
СИТ средства измерительной техники;
ФВ физическая величина;
ЭВМ электронно-вычислительная машина;
СКО средне квадратическое отклонение;
ВЧ высокая частота;
ГВЧ генератор высоких частот.
ВВЕДЕНИЕ
Развитие многих направлений науки и техники определяются точностью измерения времени и частоты. Из семи основных физических величин (длина, масса, время, сила электрического тока, термодинамическая температура, сила света и количество вещества) эталоны времени и частоты являются самыми точными. Это свидетельствует о том внимании, которое проявляет общество в процессе научной и производственной деятельности к вопросам измерения времени и его производной частоты.
Измерения частоты наиболее точный и быстро развивающийся вид измерений. Во-первых, единица времени (частоты) является основной единицей системы СИ; во-вторых, определение секунды связано с пересчетом событий, а пересчет является самым точным методом измерений; в-третьих, повышение точности измерений частоты необходимо для прикладного использования в телекоммуникациях, навигации, космической отрасли. За последние 50 лет суммарная относительная погрешность первичных государственных эталонов на основе цезиевых реперов частоты уменьшилась с ± 110 до ± 1,510, то есть точность возрастала на порядок за каждые 10 лет. Никакой другой вид измерений не имеет такого значительного прироста, ведь возрастание точности в 23 раза за 10 лет уже считается отличным показателем. Проведенные исследования и сличения уже показывают возможность достижения погрешностей ± 110… ± 110. Но исследования в области измерения частоты продолжаются.
Таким образом, целью работы является систематизация и закрепление теоретических знаний с помощью основных разделов дисциплины: «Расчет и проектирование средств измерительной техники», приобретение навыков проектирования, разработки основных методов измерения, расчета и обеспечение основных метрологических характеристик.
1 КЛАССИФИКАЦИЯ ГЕНЕРАТОРОВ
1.1 Классификация частот
Частотой колебаний называют число полных колебаний в единицу времени:
(1.1)
где tвремя существования n колебаний.
Для гармонических колебаний частота , где Т период колебаний. Единица частоты герц определяется как одно колебание в одну секунду. Частота и время неразрывно связаны между собой, поэтому измерение той или другой величины диктуется удобством эксперимента и требуемой погрешностью измерения. В Международной системе единиц СИ время является одной из семи основных физических величин. Частота электромагнитных колебаний связана с периодом колебания Т и длиной однородной плоской волны в свободном пространстве (следующими соотношением: .
Спектр частот электромагнитных колебаний, используемых в радиотехнике, простирается от долей герца до тысяч гигагерц. Этот спектр вначале разделяют на два диапазона низких и высоких частот. К низким частотам относят инфра звуковые (ниже 20 Гц), звуковые (20 20 000 Гц) и ультразвуковые (20200 кГц).
Высокочастотный диапазон, в свою очередь, разделяют на высокие частоты (20 кГц 30 МГц), ультравысокие (30 300 МГц) и сверхвысокие (выше 300 МГц). Верхняя граница сверхвысоких частот непрерывно повышается, и в настоящее время достигла 80 ГГц (без учета оптического диапазона).
Такое разделение объясняется разными способами получения электрических колебаний и различием их физических свойств, а также особенностями распространения на расстояние. Однако четкой границы между отдельными участками спектра провести невозможно, поэтому такое деление в большой степени условно.
1.2 Виды генераторов
Генератором радиосигнала называется устройство, в котором энергия одного или нескольких внешних источников преобразуется в энергию высокочастотных колебаний (радиосигнала). Генератор всегда включает в себя нелинейный генераторный прибор, в котором и происходит это преобразование, внешние электрические цепи источники питания.
Виды генераторов:
1. По форме выходного сигнала:
- синусоидальных сигналов (генератор Мейснера, генератор Хартли (индуктивная трёхточка), генератор Колпитца (ёмкостная трёхточка) и др.);
- прямоугольных импульсов мультивибратор;
- функциональный генератор прямоугольных, треугольных и синусоидальных импульсов.
2. По частотному диапазону:
- низкочастотные;
- высокочастотные.
3. По принципу работы:
- стабилизированные кварцевым резонатором;
- блокинг-генератор;
- RC-генератор.
1.3 Классификация генераторов
По ГОСТ 15094 генераторы подразделяются на 6 видов: низкочастотные, высокочастотные, импульсные, сигналов специальной формы, шумовых сигналов и качающейся частоты. Однако следует учитывать, что классификационные границы условны, некоторые генераторы занимают промежуточное положение между низко- и высокочастотными, некоторые бывают комбинированными по виду сигнала. Для оптических генераторов существует аналогичная классификация. Кроме генераторов стандартизованных видов бывают генераторы отраслевого назначения (в составе контрольно измерительной аппаратуры).
Г2 генераторы шума, имитируют белый или розовый шум.
Примеры: Г2-37, Г2-47, Г2-59
Г3 генераторы низкой частоты, обычно от 20 Гц до 200 кГц, реже до 2 или 10 МГц, модуляция сигнала, как правило, не предусмотрена.
Примеры: Г3-102, Г3-109, Г3-122
Г4 генераторы высокой частоты, предназначены для работы в радиочастотном диапазоне, различные виды модуляции.
Примеры: Г4-83, Г4-129, РГ4-14
Г5 генераторы импульсов, воспроизводят последовательности прямоугольных импульсов, некоторые генераторы способны генерировать кодовые импульсные последовательности.
Примеры: Г5-54, Г5-80, Г5-89
Г6 генераторы сигналов специальной формы, воспроизводят последовательности импульсов разной формы: треугольной, пилообразной, трапецеидальной и др.
Примеры: Г6-17, Г6-22, Г6-39
Г8 генераторы качающейся частоты ;
ОГ генераторы оптического диапазона
Примеры: ОГ-2-1, ОГ4-163, ОГ5-87
Генераторы отраслевого назначения воспроизводят специальные сигналы, например, сложной формы или со сложными комбинированными методами модуляции, манипуляции; предназначены для проверки и настройки определенных видов радиоаппаратуры.
Основные нормируемые характеристики:
1. Диапазон воспроизводимых частот;
2. Точность установки частоты и ее нестабильность;
3. Диапазон установки выходных уровней (напряжения или мощности);
4. Точность установки выходного уровня, погрешность аттенюатора;
5. В зависимости от вида генератора могут быть дополнительные параметры характеристики модуляции, временные характеристики импульсов и т.д.
2. ОБЗОР ОСНОВНЫХ МЕТОДОВ ГЕНЕРАЦИИ ЧАСТОТ
Определение установки частоты производят методом прямого измерения частоты электронно-счетным частотомером. Электронно-счетный частотомер должен обеспечивать измерение частоты генератора во всем диапазоне или в части диапазона устанавливаемых значений частоты. Структурная схема соединения приборов при измерении частоты представлена на (рис. 2.1).

1- выход основных импульсов, 2 вход сигнала для измерения периода.
Рисунок 2.1 Структурная схема соединения приборов при измерении частоты.
2.1 Резонансный метод
Состоит в настройке резонансной колебательной цепи, предварительно прокалиброванной по образцовому генератору и частотомеру, на измеряемую частоту и отсчитывание ее значения по шкале, связанной с элементом настройки. Метод применяется на частотах от 100 кГц до 100 ГГц.
Резонансный метод основывается на сравнении измеряемой частоты с частотой собственных колебаний колебательного контура или резонатора, которые предварительно градуируются. Приборы, измеряющие частоту резонансным методом, называют резонансными частотомерами. Эти простые приборы применяются в частотном диапазоне от сотен килогерц до сотен гигагерц. Обобщенная структурная схема резонансного частотомера представлена на рис.2.3.
Рисунок 2.3 Обобщенная структурная схема резонансного частотомера.
Сигнал измеряемой частоты через элемент связи возбуждает колебательную систему. С помощью механизма настройки изменяется частота собственных колебаний колебательной системы. При равенстве измеряемой и собственной частот возникает резонанс-возрастание интенсивности колебаний в колебательной системе. Момент резонанса фиксируется с помощью индикатора резонанса, который связан с колебательной системой через элемент связи. По шкале отсчетного устройства отсчитывают значение измеряемой частоты.
Основным узлом резонансного частотомера является перестраиваемая по частоте колебательная система. На частотах до сотен мегагерц в качестве колебательной системы применяются резонансные контуры с сосредоточенными постоянными, на более высоких частотах вплоть до 1 ГГц контуры с распределенными постоянными в виде отрезков коаксиальной или полосковой линии, на еще более высоких частотах применяются объемные резонаторы, на частоте свыше 30 ГГц открытые резонаторы.
В качестве индикаторов резонанса применяется чаще всего полупроводниковый детектор с микроамперметром магнитоэлектрической системы. Однако в тех случаях, когда требуется измерить частоту последовательности радиоимпульсов большой скважности, применяют усилители напряжения видеоимпульсов. На рис. 2.4 приведена схема резонансного волномера с колебательной системой в виде контура с сосредоточенными параметрами L и C.
Рисунок 2.4 Схема резонансного волномера с колебательной системой.
Измерительный контур имеет индуктивную связь с цепью источника колебаний и автотрансформаторную связь с индикатором. Индикатор фиксирует напряжение, снимаемое с части катушки L. Влияние входной и индикаторной цепей на измерительный контур может быть оценено введением в него вносимых реактивного и активного сопротивлений. Напряжение, поступающее на индикаторную цепь, можно выразить как
(2.4)
где и - собственное активное и реактивное сопротивления измерительного контура;
- коэффициент включения индикаторной цепи;
- амплитуда напряжения на контуре.
Напряжение будет максимальным при . Частоту отсчитывают по шкале конденсатора переменной ёмкости при настройке на максимум напряжения. Однако, если градуировка измерительного контура была выполнена при источнике колебаний, имеющем активное выходное сопротивление, непосредственно включенном в измерительный контур, то при измерениях появляется погрешность из-за влияния реактивного вносимого сопротивления. Вот почему в резонансных частотомерах связь с источником колебаний и индикатором должна быть очень слабой.
Можно привести еще один аргумент в пользу слабой связи: необходимость малого активного вносимого сопротивления для обеспечения высокой добротности контура, которая определяет избирательные свойства, а следовательно, и влияет на точность настройки.
2.2 Основные источники погрешности
Для данного проектирования генератора ВЧ применяется резонансный метод измерения частоты, так как заданные метрологические характеристики подходят для проектирования данного генератора.
Рассмотрим основные источники погрешности резонансного волномера. Реализация основной погрешности может быть записана в виде:
(2.5)
где - относительная погрешность образцового прибора, по которому проводилась градуировка;
- относительная погрешность настройки в резонанс; погрешность появляется при градуировке и при измерении;
- погрешность градуировки, обусловленная неточностью нанесения делений на шкале;
- погрешность отсчета.
Среднее квадратическое значение может быть оценено по классу точности образцового прибора:
= / .
Оценим границы погрешности, обусловленной настройкой в резонанс . Воспользуемся формулой, для этого необходимо записать выражение, связывающее отклонение стрелки прибора в цепи индикатора резонансного частотомера и частоту измеряемого сигнала . Очевидно, при линейном детекторе независимо от типа колебательной системе таким выражением будет
(2.6)
где - резонансное значение напряжения, поступающее на индикаторную цепь;
- резонансная частота измерительного контура;
- нагруженная добротность контура;
- коэффициент передачи линейного детектора.
Относительная погрешность, обусловленная настройкой в резонанс:
(2.7)
Здесь , - разрешающая способность стрелочного прибора; для приборов с подвижной частью на кернах =0,1 дел.
Погрешность, обусловленная настройкой в резонанс, обратно пропорционально нагруженной добротности контура и пропорциональна корню квадратному из относительной разрешающей способности стрелочного прибора в цепи индикатора.
Основная погрешность резонансных частотомеров лежит в пределах от 0,01 до 2…3 %. Резонансные волномеры, кроме погрешности, характеризуются диапазоном частот и чувствительностью. В настоящее время резонансные волномеры сохранили свое значение в диапазоне сантиметровых, миллиметровых и субмиллиметровых волн. В качестве колебательных систем используются короткозамкнутые отрезки линий передач, объемные и открытые резонаторы.
3. ГЕНЕРАТОР ВЫСОКИХ ЧАСТОТ
3.1 Назначение и область применения
Генератор ВЧ представляет собой лабораторный прибор, предназначенный для получения синусоидальных колебаний высокой частоты в диапазоне от 10 до 100 МГц.
Прибор рассчитан для эксплуатации:
- температура (2935) К (205) С;
- относительная влажность воздуха (6515) %;
- атмосферное давление (1000004000) Н/м (75030) мм рт.ст.;
- напряжение сети (2204,4) В, частота 50 Гц.
Прибор применяется для регулировки и испытания высокочастотных ступеней радиоаппаратуры в лабораторной и цеховой практике.
3.2 Проведение поверки
1. Поверка должна проводиться в нормальных условиях, оговоренных в ГОСТ 2226182.
2. Допускается проводить поверку в рабочих условиях, если поверяемый генератор и образцовые средства поверки сохраняют свои метрологические параметры в этих условиях.
3. Поверитель должен ознакомиться с содержанием технических описаний и инструкций по эксплуатации поверяемого генератора и используемых средств поверки.
4. Должны быть проведены все указанные мероприятия по обеспечению условий безопасной работы, а также операции по созданию и сохранению требуемых внешних условий.
5. Поверяемый генератор и используемые средства поверки должны быть заземлены и прогреты под током в течение времени.
3.3 Основные технические характеристики
1. Диапазон частот от 10 до 100 МГц;
2. Погрешность градуировки по частоте не превышает - 1%;
3. Напряжение в пределах от
до 2 В снимается со специального гнезда;
4. Надёжность: 10 тыс.часов;
5. Погрешность:
%,
3 %.
6. Шаг: 100; 10
; 10
;
7. Форма сигнала: синусоидальная;
8. Коэффициент гармоник: < 2 %;
9. Источник питания: сеть;
Условия, при которых эксплуатируется данный прибор нормальные. Проводятся все указанные мероприятия по обеспечению условий безопасной работы, а также операции по созданию и сохранению требуемых внешних условий. Рассмотренный генератор заземляют и прогревают под током в течение времени 15 мин.
3.4 Схема генератора ВЧ
Схема генератора ВЧ состоит из следующих основных элементов: генератора высокой частоты, генератора модулирующей частоты, измерителя уровня выходного напряжения, измерителя коэффициента глубины модуляции и выпрямителя. Генератор высокой частоты для исключения паразитной частотной модуляции и реакции аттенюатора на частоту выполнен по двухступенчатой схеме с электронной связью между ступенями.
Задающий генератор работает на лампе 6С5 и представляет собой трехточечную схему с катодной связью. Для большей устойчивости работы часть колебательного контура задающего генератора между катодом и корпусом, зашунтирована сопротивлением в 27 кОм. Колебания высокой частоты от задающего генератора подаются на усилитель с сопротивления связи в 1000 Ом, включенного в анодную цепь лампы 6С5.
Усилитель, работающий по схеме последовательного питания, выполнен на лампе 6К7. Лампа 6К7 выполняет одновременно роль модулятора. Кроме того, изменением экранного напряжения потенциометром "Установка несущей" этой лампы устанавливается уровень выходного высокочастотного напряжения.
Устройство для регулировки величины выходного напряжения, помимо потенциометра "Установка несущей", состоит из плавного аттенюатора, ступенчатого аттенюатора и делителя напряжения на конце выходного кабеля.
Модулятор генерирует синусоидальные колебания с частотой в 400 Гц. Он работает на лампе типа 6Ф6С, соединенной триодом, и представляет собой генератор по схеме Мейснера. Для подбора оптимального режима, обеспечивающего устойчивую работу модулятора при малом коэффициенте нелинейных искажений, напряжение возбуждения регулируется потенциометром, включенным на часть витков сеточной катушки.
Измеритель уровня выходного напряжения собран на одной половине лампы типа 6Х6С. Он представляет собой диодный вольтметр. Вторая половина лампы типа 6Х6С используется для компенсации начального отклонения стрелочного измерителя, получающегося за счет начального тока первой половины лампы. Переменная составляющая выпрямленного напряжения задерживается от проникновения на выход детектора фильтром, состоящим из индуктивности в 100 мГн и емкостей в 2000 и 1500 пФ. В то же время напряжение модулирующих частот во всем диапазоне от 50 до 8000 Гц подается через фильтр на модулометр.
Измеритель коэффициента глубины модуляции состоит из усилителя низкой частоты и диодного вольтметра, проградуированного непосредственно в процентах глубины модуляции. Градуировка модулометра, как и всякого другого модулометра подобного типа, справедлива только при определенном напряжении выхода, в данном случае, соответствующем напряжению на зажимах аттенюатора в 1 В.
Выпрямитель прибора собран по двухполупериодной схеме на лампе типа 6Ц5С и питается от трансформаторов с феррорезонансной стабилизацией, что дает примерно десятикратное снижение колебаний вторичных напряжений по сравнению с колебаниями напряжения сети, чем обеспечивается большее постоянство параметров генератора.
Структурная схема Генератора ВЧ представлена в приложении А.
- Выбор принципиальной схемы
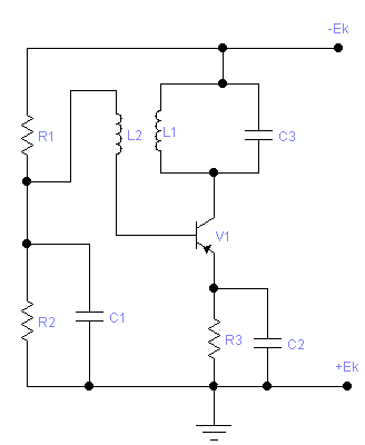
Известно много разновидностей схем транзисторных генераторов типа LC, но любая из них должна содержать: колебательную систему (обычно колебательный контур), в которой возбуждаются требуемые незатухающие колебания; источник электрической энергии, за счет которого в контуре поддерживаются незатухающие колебания; транзистор, с помощью которого регулируется подача энергии от источника в контур; элемент обратной связи, посредством которого осуществляется подача необходимого возбуждающего переменного напряжения из выходной цепи во входную.
Простейшая схема транзисторного генератора типа LC приведена на рисунке 1.1. Такая схема называется генератором в трансформаторной связью и используется обычно в диапазоне высоких частот.
Элементы R1, R2, R3 и С2 предназначены для обеспечения необходимого режима по постоянному току и его термостабилизации. С помощью конденсатора С1 емкостное сопротивление, которого на высокой частоте незначительно, заземляется один конец базовой обмотки. В момент включения источника питания в коллекторной цепи транзистора появляется ток IK, заряжающий конденсатор С3 колебательного контура. Так как к конденсатору подключена катушка L1, то после заряда он начинает разряжаться на катушку. В результате обмена энергией между конденсатором и катушкой в контуре возникают свободные затухающие колебания, частота которых определяется параметрами контура
(1.1)

Рисунок 1.1-Транзисторный автогенератор
Переменный ток контура, проходя через катушку L1, создаёт вокруг нее переменное магнитное поле. Вследствие этого в катушке обратной связи L2, включенной в цепь базы транзистора, наводится переменное напряжение той же частоты, с которой происходят колебания в контуре. Это напряжение вызывает пульсацию тока коллектора, в котором появляется переменная составляющая.
Переменная составляющая коллекторного тока восполняет потери энергии в контуре, создавая на нем усиленное транзистором переменное напряжение. Это приводит к новому нарастанию напряжения на катушке связи L2, которое влечет за собой новое нарастание амплитуды тока коллектора и т.д.
Нарастание коллекторного тока наблюдается лишь в пределах активного участка выходной характеристики транзистора. Что же касается амплитуды колебаний в контуре, то ее рост ограничивается сопротивлением потерь контура, а также затуханием, вносимым в контур за счет протекания тока в базовой обмотке.
Незатухающие колебания в контуре автогенератора установятся лишь при выполнении двух основных условий, которые получили название условий самовозбуждения.
Первое из этих условий называют условием баланса фаз. Сущность его сводится к тому, что в схеме должна быть установлена именно положительная обратная связь между выходной и входной цепями транзистора. Только в этом случае создаются необходимые предпосылки для восполнения потерь энергии в контуре.
Поскольку резонансное сопротивление параллельного контура носит чисто активный характер, то при воздействии на базу сигнала с частотой, равной частоте резонанса, напряжение на коллекторе будет сдвинуто по фазе на 180о. Напряжение, наводимое на базовой катушке за счет тока IK, протекающего через контурную катушку L1, равно
(1.2)
где - коэффициент взаимоиндукции между катушками.
Очевидно, необходимо так выбрать направление намотки базовой катушки, чтобы . Только в этом случае общий фазовый сдвиг в цепи усилитель - обратная связь будет равен нулю, т.е. в схеме будет установлена положительная обратная связь. Если же , то обратная связь окажется отрицательной и колебания в контуре прекратятся.
На практике выполнение условия баланса фаз достигается соответствующим включением концов катушек L1 и L2. При отсутствии самовозбуждения необходимо поменять местами концы катушки связи L2. При этом автогенератор должен самовозбудиться, если в схеме нет других неисправностей. Выполнение условия баланса фаз является необходимым, но недостаточным для самовозбуждения схемы. Второе условие самовозбуждения состоит в том, что для существования автоколебательного режима ослабление сигнала, вносимое цепью ОС, должно компенсироваться. Иными словами, глубина положительной ОС должна быть такой, чтобы потери энергии в контуре восполнялись полностью.
При наличии ОС коэффициент усиления равен
(1.3)
где - коэффициент усиления усилителя без обратной связи; - коэффициент передачи цепи обратной связи.
Для рассматриваемой схемы коэффициент , показывающий, какая часть переменного напряжения контура подается на базу транзистора в установившемся режиме работы, равен
(1.4)
где - амплитуда тока в контуре автогенератора.
Учитывая, что усилитель с положительной обратной связью переходит в режим генерации при условии , получаем значение коэффициента передачи цепи обратной связи, необходимое для самовозбуждения,
. (1.5)
Условие самовозбуждения, выраженное формулой (1.5), называют условием баланса амплитуд.
Выбор энергетического режима генератора. Транзисторный автогенератор типа LC может работать в разных режимах. Для установки соответствующего режима выбирается коэффициент использования коллекторного напряжения . Этот коэффициент равен отношению амплитуды переменного напряжения на контуре к постоянному напряжению на коллекторе ЕК
. (1.6)
Рисунок 1.2 Графики зависимости коэффициен-тов разложения импульсов тока
При устанавливается недонапряженный режим работы автогенератора. При режим работы называют перенапряженным. Обычно используется критический режим работы автогенератора. В этом случае автогенератор отдает требуемую полезную мощность при достаточно высоком КПД. Форма тока в коллекторной цепи автогенератора зависит от режима работы. Если ток проходит на протяжении всего периода напряжение на входе, то колебания его имеют синусоидальную форму и их называют колебаниями первого рода. Этот режим характеризуется малым КПД и поэтому в автогенераторах используется редко. Более выгодным является режим колебаний второго рода с отсечкой коллекторного тока. Угол отсечки коллекторного тока транзистора в критическом режиме составляет .
Известно, что ток, имеющий форму импульсов, можно разложить в ряд Фурье и представить в виде суммы постоянного тока, переменного тока той же частоты, что и частота повторения импульсов, переменного тока удвоенной частоты, а так же переменных токов более высоких частот. Важно отметить, что именно первая гармоника тока создает на контуре генератора переменное напряжение требуемой частоты, амплитуда которого определяется по формуле
, (1.7)
где - резонансное сопротивление контура автогенератора.
Для токов других частот контур имеет малое сопротивление и токи этих частот проходя через контур, не создавая на нем заметного напряжения. Таким образом, несмотря на то, что ток коллектора по форме отличается от синусоидального, колебательное напряжение на контуре оказывается синусоидальным.
Амплитуду первой гармоники, а также величину постоянной составляющей импульсного тока можно найти с помощью коэффициентов разложения и , зависящих от угла отсечки рисунок 1.2
Между амплитудным значением первой гармоники тока , постоянной составляющей тока и максимальным значением импульсного тока существуют соотношения
; (1.8)
(1.9)
Для анализа и расчета транзисторных генераторов допустимо пользоваться идеализированными характеристиками транзисторов рисунок 1.3.
Один из основных параметра, в схеме генератора, является крутизна линии критического режима рисунок 1.3б. У некоторых типов транзисторов сотен миллиампер на вольт и выше.
Важными параметрами являются также крутизна характеристики тока коллектора
при (1.10)
и напряжение среза , определяемое для заданного рабочего напряжения на коллекторе рисунок 1.3б.
Главную особенность работы транзистора на высоких частотах составляет влияние времени пробега носителей тока. Это время невелико и на сравнительно низких частотах им можно пренебречь, но с повышением частоты влияние это значительно увеличивается. Действие времени проявляется, прежде всего в том, что заряды, инжектированные эмиттером в один и тот же момент времени, приходят к коллектору в разное время. Появляется рассеяние носителей тока, которое приводит к уменьшению коэффициента усиления транзистора по току, тем более сильному, чем выше частота генерируемых колебаний. Инерционность носителей тока приводит также к возникновению между первой гармоникой коллекторного тока и коллекторного напряжения на контуре фазового сдвига пр, зависящего от времени движения носителей тока
Существенное влияние на работу транзисторного генератора в области высоких частот оказывают емкости эмитерного и коллекторного p n переходов транзистора. С повышением частоты для поддержания на требуемом уровне коллекторного тока и полезной мощности на выходе генератора необходимо увеличить амплитуду напряжения возбуждения на участке база эмиттер.
4.1 Электрический расчет схемы