Преобразователь угловых перемещений
Курсовой проект
по электронике
на тему
«Преобразователь угловых перемещений»
Оглавление.
Задание.
Преобразователь угловых перемещений.
1) Функциональная схема.

Рис. 1
2) Диапазон возможных перемещений -180°..360°.
3) Погрешность измерения 0.2%.
4) Чувствительность аналогового выхода 0.01 В/град.
5) Напряжение питания 27 В, 400 Гц.
6) Отображение информации для условий малой освещенности.
7) Разработать принципиальную электрическую схему преобразователя, рассчитать ее параметры, разработать конструкцию.
1. Введение
В мировой практике известны разные методы измерения прецизионных линейных и угловых перемещений объектов.
К ним относятся:
- Резистивные измерители перемещений (прецизионные потенциометры).
- Емкостные измерители перемещений.
- Измерители со световой решеткой.
Потенциометры как делители напряжения используются в электронике уже очень много лет. Наилучший пример этого регулировка силы звука в радиоприемниках. Прецизионные потенциометры используются, прежде всего, в различных областях промышленности, например в измерительной, управляющей, регулирующей технике и технике автоматизации. Прецизионные потенциометры отличаются от обычных потенциометров намного улучшенными техническими характеристиками, малыми электрическими и механическими допусками и заметно увеличенным временем эксплуатации.
При помощи подвижного ползунка некоторый потенциал снимается с элемента сопротивления, имеющего определенное общее напряжение. Следуя этому принципу деления напряжения, потенциометр может использоваться как источник стандартных значений и как датчик позиций. В прецизионных потенциометрах максимально допустимый ток 1мА. Допустимое напряжение зависит от размера и общего сопротивления.
Различают следующие элементы сопротивления:
а) Проволока как элемент сопротивления.
Это очень традиционное исполнение. В зависимости от значения общего сопротивления используются различные металлические легирующие элементы.
Преимущества проволоки как элемента сопротивления: возможны малые допуски на линейность, на сопротивление и на температурный коэффициент. Сопротивления общего назначения могут изготавливаться малыми сериями. Прекрасные электрические данные, низкие затраты на изготовление, высокая гибкость.
Недостатками являются низкая разрешающая способность из-за перехода с витка на виток, относительно невысокий срок эксплуатации из-за стирания, высокий электрический уровень шума связанный с износом, малая пригодность при ударных и вибрационных нагрузках и высокой скорости перестановки.
б) Элементы сопротивления гибридной техники
Эта техника предлагается на рынке лишь немногими изготовителями. Она представлена промежуточным решением между проволокой и проводящими искусственными материалами как элементами сопротивления. Витки проволоки заполняются в специальном процессе в толстослойной массе и весь элемент покрывается этой пастой.
Преимущества в сравнении с проволокой: высокая разрешающая способность, высокая продолжительность эксплуатации, высокая устойчивость к ударным и вибрационным нагрузкам, допускается высокое число оборотов.
в) Проводящие искусственные материалы как элементы сопротивления
Эта современная технология используется, прежде всего, в современных одновитковых потенциометрах, и при этом может быть достигнут очень высокий срок эксплуатации.
Преимущества этой техники: очень высокий срок эксплуатации, практически бесконечная разрешающая способность, высокая устойчивость к ударным и вибрационным нагрузкам, высокое число оборотов. Малые допуски при этом трудно реализовать, отсюда дороговизна. Плохой температурный коэффициент, пригодный только для потенциометров с <360° углом поворота.
Очень часто и особенно рукой тяжело установить точное желаемое значение, так как это требует точного позиционирования оси потенциометра, соединенной с ползунком на высокоразрешающем элементе сопротивления. Поэтому различают:
а) Многооборотный потенциометр
Много лет уже широко известен прецизионный потенциометр на 10 механических оборотов, то есть с механическим углом поворота до 3600°. Исполнение в проволочной гибридной технике может быть приобретено за очень низкую цену. Из-за очень больших количеств таких потенциометров выпускаемых в мире они используются как точные регулировщики напряжения на передних платах измерительных, управляющих и регулирующих приборов. Чем больше механический угол поворота, и тем самым механическое число поворотов, тем выше точность установки.
б) Потенциометр с одним механическим оборотом (угол поворота 360°)
Этот вид часто используется как аналоговый датчик угла поворота. Для многих применений вполне достаточно одного поворота для всего интервала сопротивления, особенно если весь интервал сопротивления должен быстро выставляться.
2 Емкостные измерители перемещений.
Конденсаторы подразделяются на два основных типа: переменной и постоянной емкости. Конденсаторы переменной емкости имеют конструкцию, позволяющую изменять емкость в заданных пределах. Существует два типа переменных конденсаторов: поворотные или роторные и подстроечные.
Поворотный конденсатор изображен на рис. 1. Он имеет ряд электрически связанных между собой неподвижных пластин (статор), между которыми располагаются подвижные пластины (ротор), также соединенные между собой электрически. Подвижные пластины жестко закреплены на вращающейся относительно статора оси. Диэлектриком служит воздух. Поворот оси изменяет площадь перекрытия роторных и статорных пластин конденсатора, что приводит к изменению емкости. При полном перекрытии площади пластин емкость максимальна.

Рис. 2
Основная формула для расчета емкостных датчиков, определяет емкость конденсатора, из двух одинаковых пластин, каждая площадью
S (м2) и расстоянием между ними D (м).
Eo=8.85*10-12 Ф/м
Формула определяеёт возможные сферы применения датчиков, т.е.
-Реакция на изменение геометрии (S или D).
-Реакция на изменение диэлектрической проницаемости ED
Характерные области применения емкостных датчиков прецизионные измерения механических перемещений, толщиномеры, измерение уровней и давления, определение химического состава и влажности вещества. От температуры диэлектрическая проницаемость зависит сильнее у диэлектриков с полярными молекулами.
Для измерения емкости можно использовать различные кратные единицы:
(10-6 микрофарада, 10-9 нанофарада, 10-12 пикофарада).
Тип датчика №1: с переменным зазором, пределы измерения 0-1 мм.
Характеристика №1
Рис. 3
Тип датчика №2: дифференциальный, с переменным зазором. Пределы измерения (0-1) мм.
Характеристика №2
Рис. 4
Тип датчика №3: с переменной диэлектрической проницаемостью, перемещение диэлектрика в зазоре, он же измеритель уровня жидкости в баке.
Характеристика №3
Рис. 5
Тип датчика №4: Поворотный конденсатор, измерение угла поворота оси.
Важной характеристикой конденсатора переменной емкости является закон изменения емкости в зависимости от угла поворота ротора.
- Прямоемкостный конденсатор характеризуется линейной зависимостью емкости от угла поворота ротора.
- Прямоволновой конденсатор имеет квадратичную зависимость емкости от угла поворота.
- Логарифмический конденсатор характеризуется постоянством относительного изменения емкости при повороте ротора на 1о.
Возможна система с поворачивающейся пластиной диэлектрика и неподвижными электродами. Во всех случаях, зависимость емкости, от угла поворота обеспечивается формой пластины.
3. Разработка функциональной схемы преобразователя угловых перемещений.
Функциональная схема преобразователя угловых перемещений состоит из десяти источников излучения (светодиоды), позиционирующей кодирующей маски, десяти фотодиодов, десяти усилителей, блока выделения оборота, большего, чем 360°, блока запоминания состояния, трех преобразователей кода, тактового генератора и блока индикации.
Источником излучения служат светодиоды (3Л115А), свет из которых, по световодам проходит через кодирующую решетку и попадает через световоды на фотодиоды (ФД-20КП). На границах «светодиод световод», «световод маска среда» и «световод фотодиод» устанавливаются линзы для предотвращения рассеивания светового потока. Ток от фотодиода поступает на усилитель и с помощью компаратора преобразуется в напряжение.
Кодирующая маска разделена на 360 секторов по 1° каждый, на каждый сектор приходится по 9 отверстий. Таким образом, каждый градус закодирован соответствующим двоичным девятиразрядным числом. Для кодировки использовался код Грея код, в котором при переходе к следующей позиции изменяется значение лишь одного разряда. На границе 359-го и 0-го градусов расположено дополнительное отверстие, сдвинутое на полградуса относительно начала отсчета (0-го градуса).
Маска выполнена на тонком стекле (0.3 мм). Отверстия (в виде щелей) выполнены по методу точной фотолитографии.
Далее импульсы с дополнительного отверстия и отверстия, соответствующего младшему разряду кода Грея попадают на блок выделения направления. Сигнал от блока выделения направления разрешает чтение с одной из двух схем запоминания состояния (одна для углов от -180° до -1° и другая для углов от 0° до 360°). С неё угол поворота в двоичном коде поступает на преобразователь кода, а затем на блок индикации. Из-за того, что данные идут непрерывным потоком, изображение на индикаторе может мерцать или отображаться некорректно. Для этого на задерживающий вход преобразователя кода подаётся сигнал с тактового генератора и информация на индикатор выводится строго по тактам.
К выходному цифровому сигналу подключается ЦАП для формирования выходного напряжения.
Значения углов в коде Грея представлены в табл. 1.
Функциональная схема в развернутом виде изображена на рис. 6.
Код Грея.
Табл. 1
|
|
Двоичный код. |
||||||||
|
0 |
0 |
0 |
0 |
0 |
0 |
0 |
0 |
0 |
0 |
|
1 |
0 |
0 |
0 |
0 |
0 |
0 |
0 |
0 |
1 |
|
2 |
0 |
0 |
0 |
0 |
0 |
0 |
0 |
1 |
1 |
|
3 |
0 |
0 |
0 |
0 |
0 |
0 |
0 |
1 |
0 |
|
4 |
0 |
0 |
0 |
0 |
0 |
0 |
1 |
1 |
0 |
|
5 |
0 |
0 |
0 |
0 |
0 |
0 |
1 |
1 |
1 |
|
6 |
0 |
0 |
0 |
0 |
0 |
0 |
1 |
0 |
1 |
|
7 |
0 |
0 |
0 |
0 |
0 |
0 |
1 |
0 |
0 |
|
8 |
0 |
0 |
0 |
0 |
0 |
1 |
1 |
0 |
0 |
|
9 |
0 |
0 |
0 |
0 |
0 |
1 |
1 |
0 |
1 |
|
10 |
0 |
0 |
0 |
0 |
0 |
1 |
1 |
1 |
1 |
|
11 |
0 |
0 |
0 |
0 |
0 |
1 |
1 |
1 |
0 |
|
12 |
0 |
0 |
0 |
0 |
0 |
1 |
0 |
1 |
0 |
|
13 |
0 |
0 |
0 |
0 |
0 |
1 |
0 |
1 |
1 |
|
14 |
0 |
0 |
0 |
0 |
0 |
1 |
0 |
0 |
1 |
|
15 |
0 |
0 |
0 |
0 |
0 |
1 |
0 |
0 |
0 |
|
16 |
0 |
0 |
0 |
0 |
1 |
1 |
0 |
0 |
0 |
|
17 |
0 |
0 |
0 |
0 |
1 |
1 |
0 |
0 |
1 |
|
18 |
0 |
0 |
0 |
0 |
1 |
1 |
0 |
1 |
1 |
|
19 |
0 |
0 |
0 |
0 |
1 |
1 |
0 |
1 |
0 |
Функциональная схема преобразователя угловых перемещений.

Рис. 6
4. Разработка и расчет принципиальных схем, узлов преобразователя угловых перемещений.
4.1. Разработка кодирующей маски.
Для разработки маски, необходимо вычислить шаг, с которым будет происходить измерение угла. Этот шаг задается погрешностью устройства (0.2%). Таким образом, если диапазон измерения - 540°, то, составив пропорцию, получим:
Следовательно, измерение будет производиться с точностью до 1 градуса, и маску необходимо разделить на 360 секторов по 1 градусу каждый.
Если разместить все 10 линз диаметром 1.5 мм в секторе 1°, то маска получится очень большой. Для уменьшения физических размеров маски, возьмем только часть светового потока, проходящего через линзу, т.е. поставим перед каждой линзой заграждающую пластину, имеющую щель шириной 0.1 мм. Таким образом, «сузив» световой поток, можно ближе расположить линзы к центру окружности, уместив их в 1°, и тем самым уменьшить физические размеры маски.
Рассчитаем диаметр сетки:



4.2. Расчет тока фотодиода.
Мощность, излучаемая каждым светодиодом: Рс = 10 мВт. Потеря сигнала при переходе через границу «линза - световод» и «световод - линза» составляет 1 дБ, а при переходе через границу «линза маска линза» - 5 дБ.

Рис. 7
Диаметр линзы d = 1.5 мм.
Ширина прорези на маске l = 0.1 мм.

Рис. 8











мВт
В данных расчетах Р потеря сигнала в 1 дБ, Р1- мощность светового потока, падающего на маску, х мощность светового потока, прошедшего через маску, P_out мощность светового потока поступившего на фотодиод.
Воспользуемся формулой для вычисления тока в фотоприемнике:

мкА
Где It = 1 мкА темновой ток фотодиода, S = 0.3 А/Вт, Pf мощность светового потока, падающего на фотодиод (в нашем случае Pf = 0.048 мВт), If ток в фотодиоде (измеряется в мкА).
Величины тока лежащие в диапазоне от If/2 до If соответствуют логической единице, а величины он 0 до If/2 соответствуют логическому нулю.

Рис. 9
4.3. Расчет усилителя.
При облучении фотодиода потоком света мощностью 0.048 мВт фотодиод выдает ток 15.4 мкА на нагрузку 1 кОм. Напряжение, выделяемое на нагрузочном резисторе:
U=15.4 мВ.
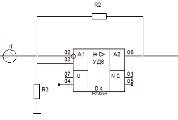
Между фотодиодом и компаратором должен стоять усилитель (140УД6) с единичным коэффициентом усиления и большим входным сопротивлением.

Рис. 10
Примем сопротивление . Сопротивление возьмем равным .
Возьмем среднее значение . Тем самым перейдем от импульсов треугольной формы к импульсам прямоугольной формы, необходимым для работы микросхем. Напряжение на выходе ОУ будет равно .
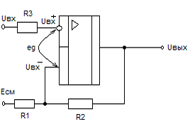
4.4. Расчет компаратора.
Используем в качестве компаратора операционный усилитель с положительной обратной связью, т.к. в компараторе без ОС может возникать «дребезг» выходного сигнала, т.е. небольшая высокочастотная помеха (мВ) в момент срабатывания может привести к многократному изменению выходного сигнала в пределах ± Eп
Чтобы устранить влияние помехи необходимо обеспечить срабатывание и отпирание компаратора при разных напряжениях, т.е. получить характеристику с гистерезисом.

Рис. 11
Такая характеристика может быть получена с помощью ОУ, охваченного положительной обратной связью.
ПОС образуется, если часть выходного сигнала ОУ подать на неинвертирующий вход ОУ. Часть выходного сигнала формируется с помощью резистивного делителя.

Рис. 12
В такой схеме условием срабатывания или отпускания будет . Определим входные напряжения, при которых происходит срабатывание и отпускание:
а)
б)
Для момента срабатывания и
Для момента отпускания и
используется для перемещения характеристика вдоль оси входных напряжений без изменения её ширины.
Ширина петли гистерезиса может быть изменена за счет глубины ПОС, т.е. за счет выбора отношения резисторов и . При этом
Рассчитаем ОУ. Т.к. на вход компаратора подаются импульсы прямоугольной формы. Напряжение питания стандартное (5 В). Рассчитаем значения резисторов и :
Выберем , тогда
Итак, если компаратор сработал, то на его выходе присутствует напряжение, соответствующее логической единице (), а если не сработал то логический ноль ().
Для реализации данной схемы лучше всего подходит микросхема К554СА3 с внешней ПОС.
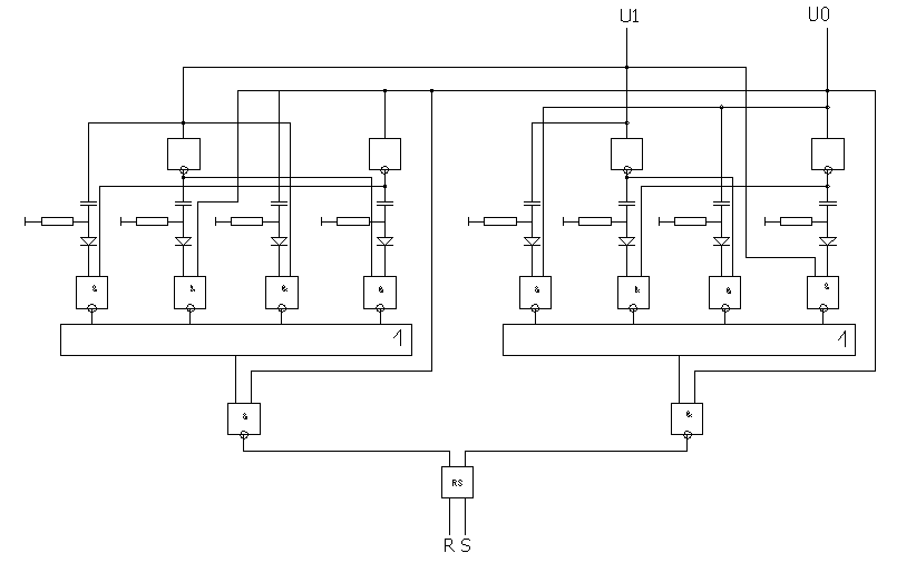
4.5. Разработка и расчет блока выделения оборота > 360°.
Данный блок предназначен для определения повторного прохода нулевого угла. Для этого между 359-м и 0-м углами сделана дополнительная прорезь. Фронт сигнала от этого датчика вместе с фронтами сигналов от датчиков младшего разряда кода грея для 359-го и 0-го углов составляют условие перехода через 0 по и против часовой стрелке.
Рассмотрим переход через 0 по часовой стрелке.

Рис. 13
Зарисуем временные диаграммы напряжения на U0 и U1:

Рис. 14
Запишем логическую функцию для перехода по часовой стрелке:
Рассмотрим переход через 0 против часовой стрелки.

Рис. 15
Зарисуем временные диаграммы напряжения на U0 и U1:

Рис. 16
Запишем логическую функцию для перехода по часовой стрелке:
На основе этих формул реализована логическая схема.
Для того, чтобы выделить сигнал по переднему фронту требуется интегрирующая цепочка:
Рис. 17
Примем сопротивление дифференцирующей цепочки
R14=1 кОм
Необходимый фронт входного импульса 100нс. Для срабатывания микросхемы, примем постоянную времени дифференцирующей цепочки Т=300 нс.
Тогда С=Т/R=300 пф.
Для выделения заднего фронта необходимо на вход интегрирующей цепочки подать инверсный сигнал.
Рис. 18
В данной схеме использованы следующие элементы:
- Четыре RS-триггера К561ТР2
- Четыре логических элемента 2И-НЕ К176ЛА7
- 6 инверторов К155ЛН1
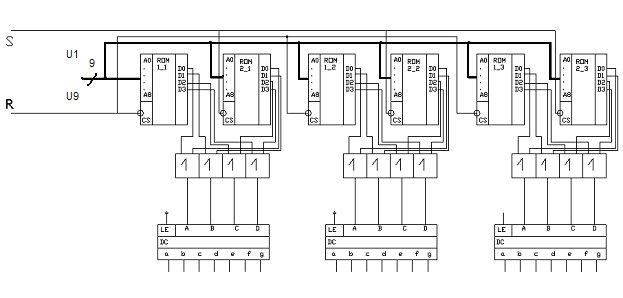
4.6. Разработка схемы запоминания состояния.
Схема запоминания состояния выполнена на ПЗУ (ROM) 505РЕ3 емкостью 4096 бит (512х8).
Сигналы с RS триггера ( и ) из блока выделения полного оборота подаются на входы CS (chip select) соответствующих ПЗУ. Т.е. чтение может происходить только с одного блока ПЗУ. Всего для каждого оборота используется 3 микросхемы. На адресные входы всех микросхем подается сигнал от девяти фотодиодов (исключая сигнал U0) в соответствующие ячейки памяти предварительно записывается угол (в каждую микросхему соответствующий разряд десятичного значения угла). Если граничное значение пройдено по часовой стрелке, то срабатывает правая ветвь схемы определения поворота и работает первый блок ПЗУ, что соответствует значениям углов от 0° до 359°. Если же граничное значение пройдено против часовой стрелки, то срабатывает левая часть схемы определения поворота и работает второй блок ПЗУ, что соответствует значениям углов от -1° до -180°.
Далее сигналы с соответствующих блоков ПЗУ суммируются через элементы ИЛИ-НЕ (Четыре логических элемента 2ИЛИ-НЕ К561ЛЕ5) и отправляются на двоично-десятичный дешифратор для 7-сегментного индикатора (CD4511BCJ).
Рис. 19
4.7. Разработка и расчет тактового генератора.
Генератор выполнен на трех инверторах микросхемы 1533ЛА3. Три инвертора соединены последовательно с резистором в цепи положительной обратной связи. Этот же резистор создает линейный режим по входу первого инвертора D1:1.
Постоянная времени генерации равна
T=RC
Пусть R3=500 Ом, а частота генерации F=2 Гц.
Найдем емкость конденсатора.
С1=1/2*p*F=1 мФ

Рис. 20
5. Расчет погрешностей устройства.
Погрешность в цифровой схеме может возникнуть при появлении внешних помех, например помехи по питанию, электромагнитные помехи. Это может привести к появлению ложных импульсов и, как их следствие, неправильный вывод результата измерения на индикатор.
Еще одним источником помех является сама маска. При её неточном изготовлении, или загрязнении отверстий, устройство считает информацию некорректно.
По заданию, погрешность составляет 0.2%, что соответствует точности измерения в 1°
Также в схеме присутствует погрешность ОУ (под погрешностью ОУ понимают напряжение, которое появляется на выходе усилителя, когда на вход подано нулевое напряжение). В преобразователе ток-напряжение сопротивления и взяты одинаковыми для уменьшения погрешности от входных токов. В ОУ с ПОС также для уменьшения погрешности от входных токов. желательно выбрать меньшим.
Дополнительная температурная погрешность. Паспортными параметрами, определяющими эту погрешность, являются и . При изменении температуры на величину возникает дополнительная температурная погрешность: Она может составлять десятки мВ. Для ОУ УД6 температурный коэффициент равен 0.1.
6. Разработка печатной платы и печатного узла.
Разработка печатной платы преобразователя угловых перемещений был реализован с помощью программы P-CAD 2002.
Элементная база была взята из стандартных библиотек программного обеспечения. После расстановки микросхем на плате, программе были указаны выводы микросхем и порядок их соединения. Разводка осуществлялась в автоматическом режиме в двух слоях.
Для разводки были заданы следующие параметры:
- Ширина проводящих линий 0.254 мм.
- Шаг координатной сетки 2.5 мм.
- Размер платы 120х160 мм.
7. Заключение
Потенциометры как делители напряжения используются в электронике уже очень много лет. Наилучший пример этого регулировка силы звука в радиоприемниках. Прецизионные потенциометры используются, прежде всего, в различных областях промышленности, например в измерительной, управляющей, регулирующей технике и технике автоматизации. Прецизионные потенциометры отличаются от обычных потенциометров намного улучшенными техническими характеристиками, малыми электрическими и механическими допусками и заметно увеличенным временем эксплуатации.
При помощи подвижного ползунка некоторый потенциал снимается с элемента сопротивления, имеющего определенное общее напряжение. Следуя этому принципу деления напряжения, потенциометр может использоваться как источник стандартных значений и как датчик позиций. В прецизионных потенциометрах максимально допустимый ток 1мА. Допустимое напряжение зависит от размера и общего сопротивления.
В процессе работы была разработана принципиальная схема, рассчитаны узлы устройства: источники излучения(светодиоды), маска, фотодиоды, усилители, блок выделения оборота > 360°, схема запоминания состояния, тактовый генератор, спроектирована печатная плата.
По заданию визуализация результатов должна производиться на цифровых индикаторах. Для этого использовались 4 индикатора 3ЛС320Г красного цвета.
8. Список используемой литературы.
- Ахназарова С.Л., Кафаров В. В. Оптимизация эксперимента в химии и химической технологии. М.: Высшая школа, 2008. 318 с.
- Васильков Ю.В., Василькова Н.Н. Компьютерные технологии в математическом моделировании. М.: Финансы и статистика, 2009. 256 с.
- Васильков Ю.В, Иняц Н. Статистические методы в управлении предприятием: доступно всем. -М.: РИА «Стандарты и качество», 2011.-280с.
U
EMBED Excel.Chart.8 \s EMBED Equation.3 