Рассчитать и запроектировать металлическую эстакаду
МИНИСТЕРСТВО ОБРАЗОВАНИЯ И НАУКИ УКРАИНЫ
ДОНБАССКИЙ ГОСУДАРСТВЕННЫЙ ТЕХНИЧЕСКИЙ УНИВЕРСИТЕТ
Кафедра СГ и ГС
Курсовой проект
по строительным конструкциям
Вариант №1
Выполнил: ст.гр. ГИ-10-1
Войченко Г.О.
Проверил: асс. Шульгин П.Н.
Алчевск 2011
СОДЕРЖАНИЕ
|
Задание на курсовой проект |
3 |
|
|
Реферат |
4 |
|
|
Введение |
5 |
|
|
1. |
Выбор основных размеров галереи и построение ее геометрической схемы |
6 |
|
2. |
Определение нагрузок на галерею |
7 |
|
3. |
Расчет усилий в несущих элементах галереи |
10 |
|
4. |
Подбор сечений элементов галереи |
11 |
|
5. |
Конструирование и расчет сварных узлов |
14 |
|
6. |
Проектирование опоры |
17 |
|
7. |
Расчет железобетонного фундамента |
20 |
|
Заключение |
25 |
|
|
Использованная литература |
ЗАДАНИЕ НА КУРСОВОЙ ПРОЕКТ
На выполнение курсового проекта по дисциплине «Проектирование и строительство горнотехнических зданий и сооружений», часть 1 «Строительные конструкции».
Тема: Рассчитать и запроектировать металлическую эстакаду.
Основные данные для проектирования:
- Назначение эстакады транспортная.
- Вид и характеристика транспорта конвейер 650+650 мм.
- Высота эстакады в начале hН = 11 м; в конце hК = 19 м.
- Длина эстакады L = 48 м.
- Объемный вес транспортируемого материала = 8,5 кН/м3.
- Район строительства Луганская область.
- Нормативная нагрузка на кровлю:
От снега 1000 Па
От пыли 300 Па
- Ширина галереи 5800 мм.
- Тип галереи V.
РЕФЕРАТ
Проект выполнен в соответствии с заданием на курсовой проект, расчеты выполнены в соответствии с существующими нормами и правилами,
Данный курсовой проект является итогом изучения дисциплины ''Строительные конструкции", цель изучения которой - приобрести знания, необходимые для творческого решения вопросов проектирования горнотехнических зданий, необходимых для творческого решения вопросов проектирования горнотехнические зданий и сооружений на поверхности горных предприятий,
Задачей выполнения данного проекта так же является закрепление приобретенных знаний по курсу "Горнотехнические здания и сооружения", применительно к конкретным условиям и выбранным материалам.
Проект содержит 24 страниц, 7 рисунков, 2 таблицы.
ЭСТАКАДА, ФЕРМА, СТЕРЖНИ, УГОЛОК, СВАРНОЕ СОЕДИНЕНИЕ, ОПОРА, ФУНДАМЕНТ.
Проект виконаний відповідно до завдання на курсовий проект, розрахунки виконані відповідно до існуючих норм і правил
Даний курсовий проект є підсумком вивчення дисципліни ''Будівельні конструкції", мета вивчення якої - придбати знання, необхідні для творчого вирішення питань проектування гірничотехнічних будівель, необхідних для творчого вирішення питань проектування гірничотехнічні будівель і споруд на поверхні гірських підприємств
Завданням виконання даного проекту так само є закріплення придбаних знань по курсу "Гірничотехнічні будівлі і споруди", стосовно конкретних умов і вибраних матеріалів.
Проект містить 24 сторінок, 7 малюнків, 2 таблиці.
ЕСТАКАДА, ФЕРМА, СТРИЖНІ, КУТОЧОК, ЗВАРНЕ З'ЄДНАННЯ, ОПОРА, ФУНДАМЕНТ.
ВВЕДЕНИЕ
Эстакадами называют сооружения наклонных и горизонтальных мостов, играющие роль поддерживающих устройств, при перемещении по ним производственных грузов и движения людей. Для наклонных эстакад предельный угол подъема определяется в зависимости от вида применяемых транспортных средств.
На поверхности шахты эстакады устраивают чаше всего с пролетным строением коробчатого сечения из связанных между собой поверху и понизу ферм с параллельными поясами. Фермы и связи образуют несущий каркас Многопролетной галереи, в которой размещаются транспортирующие устройства (конвейеры, рельсовые пути). Эстакады, оборудованные конвейерами, называются конвейерными галереями. Галереи делают обычно закрытыми.
Ранее, несущие конструкции эстакад (опоры, пролетные строения) на предприятиях горной промышленности выполнялись, как правило, из стального проката. Широкое развитие сборного железобетона и внедрение предварительно напряженных конструкций создали условия для перехода на железобетонные эстакады.
-
ВЫБОР ОСНОВНЫХ РАЗМЕРОВ ГАЛЕРЕИ И ПОСТРОЕНИЕ ЕЕ ГЕОМЕТРИЧЕСКОЙ СХЕМЫ
- Основные размеры
Принимаем высоту по осям фермы, равную 3 м, расположение конвейеров по нижнему ярусу. Опоры стальные. Пролетные строения стальные решетчатые сварные фермы. Покрытие и перекрытие приняты из сборных железобетонных плит размером 1,5 х 6 м.
Стены из утепленных панелей 2,4 х 6 м с деревянным каркасом, обшитым волнистыми асбоцементными листами или из легкобетонных панелей 1,2 х 6 м.
Кровля рулонная с защитным слоем. Утеплитель пенобетон. Полы из бетона. Гидроизоляция холодная асфальтовая мастика. Оконные пролеты отсутствуют.
Принятая конструкция соответствует типовой серии ИС-01-15. При ширине ленты конвейера ВЛ = 650+650 мм, принимаем к расчету пятый тип данной серии: ВГ = 5.8 м, hГ =3 м.
- Угол наклона галереи.
1.3. Определение параметров опор и пролетов.
Примыкание к зданию консольное. Длина консоли, равная длине перекрытия, Lk = 6 м.
Т.к. Lr >30 м и с целью обеспечения устойчивости галереи предусматриваем неподвижную промежуточную опору геометрическая схема приведена на рис.1.
Высота опоры:

Рисунок 1 Геометрическая схема галереи.
2. ОПРЕДЕЛЕНИЕ НАГРУЗОК НА ГАЛЕРЕЮ
Расчетные нагрузки на ферму пролетного строения транспортной галереи определяем по таблице 3.2 [1].
Расчеты по определению нагрузок представляем в виде таблицы 1.
Таблица 1 Определение нагрузок на фасадную ферму, Н/м.
|
Вид нагрузки |
Нормативная нагрузка (qn) |
Коэффициент надежности нагрузки (f) |
Расчетная нагрузка (q) |
|
1.Нагрузка на пол галереи:
|
|||
|
|
16540 |
1,1 |
18194 |
|
|
6500 |
0,9 |
5850 |
|
|
650 |
1,2 |
780 |
|
|
1900 |
1,2 |
2280 |
|
|
9100 |
1,1 |
10010 |
|
2. Собственный вес фермы |
3000 |
1,05 |
3150 |
|
q2 = (1,2) |
40264 |
||
|
3. Нагрузка на кровлю:
|
|||
|
|
11200 |
1,1 |
12320 |
|
|
1880 |
1,2 |
2256 |
|
|
4143 |
1,4 |
5800 |
|
|
2500 |
1,3 |
3250 |
|
q3 = 3 |
23626 |
Расчетные схемы фасадной и ветровой ферм приведены на рисунке 2. 
а) расчетная схема фасадной фермы; б) расчетная схема ветровой фермы.
Рисунок 2 Ферма пролетного строения галереи
Для упрощения расчетов по определению внутренних усилий в стержнях фермы пролетного строения объемную конструкцию фермы рассмотрим в вид плоских ферм фасадных, воспринимающих вертикальные нагрузки и ветровых, воспринимающих горизонтальные нагрузки от ветра.
Определяем величины сосредоточенных нагрузок приложенных к узлам фермы по формулам:
где q1 и q2 расчётная нагрузка соответственно по п.п. 1, 2 и 3 табл. 3.1.
lп длина панели фермы, 6 м.
Величины сосредоточенных загрузок, приложенных к узлам ветровой фермы, определяем по формулам:
где А1 и А2 ветровые площади соответственно крайнего и среднего узла ветровой фермы, м;
f =1,4 коэффициент надежности нагрузки;
V нормативное значение средней составляющей ветровой нагрузки на высоте «z» над поверхностью земли:
где W0 нормативное значение ветрового давления, 380 Мпа;
k = 1,25 коэффициент, учитывающий изменение скоростного напора на высоте (табл. 3,4 [2]);
с1 аэродинамический коэффициент, равный для наветренной стороны СН = 0,8, для подветренной стороны СП = -0,6.
-
РАСЧЕТ УСИЛИЙ В НЕСУЩИХ ЭЛЕМЕНТАХ ГАЛЕРЕИ
Определяю опорные реакции и усилия в стержнях ветровой и фасадной фермы. Значения усилий в стержнях фасадной и ветровой ферм представляем в табличной форме.
Таблица 2 Усилия в стержнях фермы.
|
Фасадная ферма |
Ветровая ферма |
||
|
№ стержня |
Усилия, кН |
№ стержня |
Усилия, кН |
|
1,8 |
29,6 |
1,3 |
-3,6 |
|
2,3,6,7 |
-582,7 |
2 |
-4,8 |
|
4,5 |
-776,9 |
4,14 |
0 |
|
9,21 |
-35,4 |
5 |
-2,4 |
|
10 |
-374,1 |
6 |
-4,025 |
|
11 |
441,6 |
7 |
-3 |
|
12,15,18 |
-70,8 |
8 |
-1,342 |
|
13 |
-124,7 |
9,13 |
-4,2 |
|
14 |
147,2 |
10 |
1,342 |
|
16 |
124,7 |
11 |
-5,4 |
|
17 |
-147,2 |
12 |
4,025 |
|
19 |
374,1 |
15,17 |
3,6 |
|
20 |
-441,6 |
16 |
4,8 |
|
22,25 |
291,4 |
||
|
23,24 |
679,9 |
4. ПОДБОР СЕЧЕНИЙ ЭЛЕМЕНТОВ ГАЛЕРЕИ
Проектируем наиболее сильно загруженные стержни (сжатые и растянутые), и по ним принимаем сечение остальных стержней фермы.
Принимаем марку стали конструкции и устанавливаем ее расчетное сопротивление.
Ферма выполнена из стали марки ВСтЗпс6-1 расчетное сопротивление которой 240 МПа (табл. 50, табл. 51 (3)).
Устанавливаем расчетную длину стержней (табл.. 11 (3)). При расчете сжатых стержней (поясов, опорных распоров, стоек) расчетную длину в плоскости фермы принимают равной их геометрической длине, т.е. расстоянию между центрами смежных узлов.
Принимаем коэффициент условий работы (табл. 6 (4)) для сжатых стержней поясов и опорных раскосов при расчете на устойчивость с = 0,95, для сжатых элементов решетки ферм при гибкости 60, с=0,8, для растянутых элементов ферм, с=0,95.
Принимаем тип сечения стержней (табл. 29 (5)). Для элементов решетки используем тавровое сечение из равнобоких уголков. Для сжатых стержней поясов ферм рекомендовано сечение из двух неравнобоких уголков, располагаемых широкими полками в плоскости ветровой фермы. Крестовое сечение из двух или четырех уголков рекомендовано в поясах пространственных ферм, в опорных и средних стойках ферм.
Принимаем толщину фасок (табл. 33 (5)). При усилии в опорном раскосе 600 кН толщину фасок для фермы принимаем 10 мм.
Определим поперечное сечение растянутого стержня и установим его конструкцию.
Необходимую площадь поперечного сечения определяю по формуле:
где N усилие в стержне, кН;
Ry расчетное сопротивление стали, Па;
с коэффициент условий работы элемента.
По необходимости площади выбираем типовое сечение:
290 х 90 х 9 /ГОСТ 8509-93
Проверяю стержень на изгиб:
Ближайшее значение радиуса инерции Т-образного сечения из двух равнобоких уголков в площади фермы
.
где h высота профиля;
- условие выполняется.
Определяем максимальное расстояние между прокладками стержня, равное:
где iy радиус инерции сечения одного уголка относительно оси, параллельной площади расположения прокладки и которая проходит через центр веса сечения уголка.
Принимаем конструктивный размер 1500 мм, составляем эскиз конструкции стержня.
Определяем поперечное сечение сжатого стержня и установим его конструкцию.
Необходимую площадь поперечного сечения определяем по формуле:
где коэффициент продольного изгиба.
Определяем минимальный радиус инерции сечения стержня:
Принимаем 2180 х 180 х 12.
Устанавливаем фактическую гибкость принятого сечения и соответствие минимальной гибкости значения коэффициента .
Проверим напряжения в стержне, что не должны превышать Ry:
- условие выполняется.
Определим максимальное расстояние между прокладками стержня, которое равно:
Принимаем конструктивный размер 1500 мм, составляем эскиз конструкции стержня.

Рисунок 3 Эскиз стержней
-
КОНСТРУИРОВАНИЕ И РАСЧЕТ СВАРНЫХ УЗЛОВ
Определим расчетное сопротивление сварного соединения угловым швом на срез (условный), табл.3 {3}:
по металлу шва:
где - нормативное сопротивление металлу шва сварного соединения с угловыми швами. При ручной сварке электродами Э42, 342А и др. =410МПа,
- коэффициент надежности по металлу шва; при < 490 МПа, = 1,25.
По металлу границы сплавки:
где - нормативное значение временного сопротивления стали, для стали марки ВСт3пс6-1 = 370 МПа.
Определяем усилия в швах обушка и пера (расчет ведем для сжатого стержня):
,
где N0, Nn усилия в швах обушка и пера соответственно,
h высота профиля,
z0 расстояние от нейтральной оси пересечения до внешней поверхности обушка.

Рисунок 4 Сварное соединение
Посчитаем расчетную длину шва по обушку и по перу по формулам:
по металлу шва
по металлу границы сплавки
где f,z коэффициенты, которые зависят от вида сварки. При ручной и полуавтоматной сварке f = 0,7; z = 1;
kf катет шва:
t наименьшая толщина элементов, что свариваются
, - коэффициенты условия работы шва, равные 1;
n число швов. Для стержней из двух уголков n=2
По обушку:
по металлу шва
по металлу границы сплавки
По перу:
по металлу шва
по металлу границы сплавки
Принимаем конструктивную длину швов, больше расчетной на 10 мм, значит, длина шва по обушку составит 27 см, по перу 10 см.
Аналогично производим расчет для растянутого стержня. Длина швов составляет: по обушку 29 см, по перу 11 см, катет шва 9 мм.
6. РАСЧЕТ ОПОРЫ
Принять для колонны и базы сталь марки ВСт3пс6-1, коэффициент условия работы с= 1, коэффициент условия работы бетона В2 = 1. Длина колонны lx = 15 м, ly = 5,8 м. Расчетное усилие N = 680 кН. Класс бетона В 15.
- Определяю расчетную длину колонны по схеме ее закрепления:
где = 1 коэффициент приведения длины,
lх = 15 м, lу = 5,8 м геометрические длины колонны.
2. Устанавливаю расчетное сопротивление стали. Для марки стали ВСт3пс6-1 табл. 5.1 (4): Ry = 240 МПа.
3. Определяем необходимую площадь поперечного сечения:
где = 0,419 коэффициент продольного изгиба,
4. Определяем наименьшие радиусы сечения колонны:
где = 120 гибкость стержня.
5. По сортаменту принимаем двутавр типа К: 30К1/ГОСТ26020-83
6. Определяем фактическое значение гибкости стержня:
При = 115,8, = 0,434
7. Определяем фактическое напряжение в колонне:
8. Определяем необходимую площадь опорной плиты:
где RB = 8.5 МПа расчетное сопротивление бетона сжатию.
Приблизительный размер сторон бетонной плиты:
Конструктивно принимаем: , фактическая площадь опорной плиты составит
9. Определяем реактивный отпор фундамента:
10. Принимаем базу колонны в виде плоской плиты с передачей всех усилий через сварные швы. Делаем расчет толщины плиты по изгибающему моменту в консольном участке плиты.
11. Изгибающий момент в опорной раме:
12. Определяем толщину плиты:
Конструктивно принимаем 10 мм. Для крепления базы используем болты 20 мм.
13. Определяем параметры сварного соединения. Примем, что вся продольная сила передается через сварные швы. Примем следующие параметры сварки:
f = 0.7, z = 1.0, Rwf = 180МПа, Rwz = 166МПа, wf = wz = 1.0.
Конструктивно принимаем расчетную длину шва lw = 180 см и вычисляем высоту катета шва:
По металлу шва:
По металлу границы сплавки:
Конструктивно согласно полученным результатам принимаем высоту катета шва равную 30 мм.
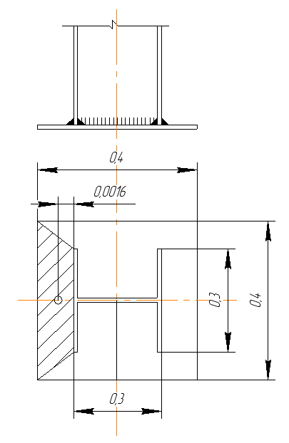
Составляем эскиз базы колонны с расчетной схемой (рис.4):

Рисунок 5 Конструкция и расчетная схема базы колонны
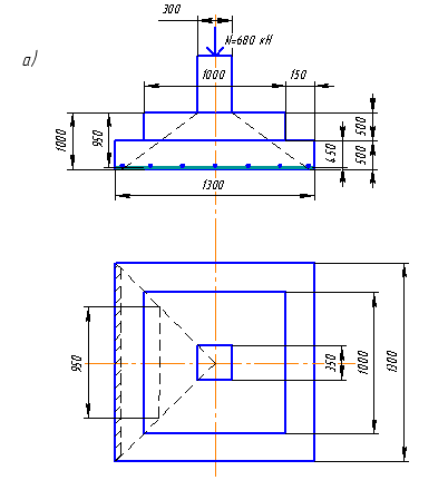
7. РАСЧЕТ ФУНДАМЕНТА
В качестве фундамента под металлическую колонну принимаем железобетонный фундамент. Глубина заложения фундамента 1,4 м, грунт пески средней крупности, расчетное сопротивление грунта - R0 0,4 МПа, удельный вес гранта - 11 = 11 19 кН/м 3, коэффициент пористости грунта 0,55.
Производим расчет центрально-сжатого фундамента.
Характеристика бетона:
Класс бетона В 15, Rb = 8.5 МПа, Rbt = 0.75 МПа, Е = 2,3 ·10 4
Коэффициент условий работы С =1
Коэффициент условий работы бетона В2 = 1
Площадь опорной плиты базы колонны:
Аоп = 0,16 м2
Размер плиты
Реактивный отпор фундамента - q = 6,25 МПа.
Определяю поперечный размер подошвы фундамента:
где N предварительное напряжение:
Nп = N / f
Nп = 680 / 1,15 = 591,3 кН
Ro расчетное сопротивление грунтов при предварительном определении размеров подошвы фундамента;
ср средняя нагрузка от веса единицы объема фундамента и грунта на его уступах.
Принимаем:
Тогда:
Конструктивно принимаем:
Площадь подошвы составляет:
Определяем высоту фундамента:
Принимаем высоту фундамента равную 1 м, с высотой уступа 50 см, h1 = h2 = 500 мм.
Определяем расчетное сопротивление грунта подставы:
где С1 и С2 коэффициенты условий работы;
k = 1.1 при определении прочностных характеристик грунта по СНиП;
М, Mq,, Mo коэффициенты, принятые в зависимости от угла внутреннего трения;
kz = 1, при ширине фундамента меньше 10 м;
b ширина подошвы фундамента;
db глубина подвала;
сп расчетное значение удельного сцепления грунта
.
Определяем давление под подошвой фундамента:
Условие выполняется.
Проверяю прочность фундамента на продавливание:
где F расчетная сила, которая продавливает:
Ао площадь части фундамента:
Условие выполняется.
Проверяю прочность фундамента на действие поперечной силы в сечениях 1-1 и 2-2.
Напряжение под подошвой фундамента от расчетных нагрузок составляет:
где Gп = Б V,
V объем фундамента;
Б объемный вес бетона;
G = Gп f;
Gгр.п = г Vг;
Vг = A(d1 h) + (A b 2)n2
Gгр = Gгр.п f;
Gп = 24 1,345 = 32,28 кН;
G = 32,28 1,1 = 35,51;
Vг = 1.69(1,4 1) + (1.69 1,3 2)2 = 0.68;
Gгр.п = 1,1 0.68 = 0.75;
Gгр = 0.75 1,1 = 0.83;
Условие выполняется.
Поперечная сила в сечениях 1-1 и 2-2 равняется:
Проверяю условие:
Условие выполняется, поперечная арматура не нужна.
Определяю сгибающий момент в сечениях 1-1 и 2-2.
Рассчитываю площадь сечения рабочей арматуры:
; ;
Принимаю арматуру класса А-II, диаметром 8 мм.
Проверяю процент армирования:
Условие выполняется.

Рисунок 6 Конструкция фундамента

Рисунок 7 Конструкция армировки
ЗАКЛЮЧЕНИЕ
Для настила пола применяют железобетонные плиты. Плиты укладывают на нижние связи металлического каркаса галереи, а в случае необходимости и на дополнительные поперечины, опираемые на нижние пояса ферм. Для установки конвейеров укладывают продольные брусья. Каркас стены утепленных галерей заполняют легкими, преимущественно ячеистыми материалами, например пенобетонными плитами. Обшивку стен холодных галерей устраивают из асбоцементных листов. В качестве утеплителя для полов и покрытий применяют различные легкие теплоизоляционные материалы.
Кровлю эстакад делают, как правило, двухскатной. По условиям пожарной безопасности целесообразно галереи с железобетонными сборными элементами ограждающих конструкций. Для устройства перекрытий следует применить унифицированные плиты: например, с размерами 1,5 х 6,1,5 х 3 м.
Нередко конвейерные галереи оборудуют паровым или водяным отоплением. Трубы отопления целесообразно укладывать вдоль галереи под конвейерами, так как при этом обеспечивается более равномерный прогрев транспортируемого материала. Радиаторы применяют обычные, устанавливают их у стен.
Для периодического смыва пыли с полов, стен и потолков в галереях целесообразно укладывать водопроводные трубы с кранами.
Фермы пролетного строения служат в закрытых галереях каркасом наружных стен, а в открытых - ограждением. Решетку ферм проектируют обычно с нисходящими к середине раскосами, что обеспечивает работу более длинных элементов (раскосов) на растяжение, более коротких - на сжатие. Раскосы в первой от опоры панели рекомендуется делать восходящими, т.е. работающими на сжатие, что приводит к лучшему распределению усилий в элементах первой панели. Необходимая высота ферм определяется размерами оборудования, возможностью беспрепятственного прохода людей, рациональным соотношением с величиной пролета и составляет 2,5 - 3 м. При значительных пролетах высота ферм доводится до 4 м.
Фермы изготавливают, как правило, сварными, за исключением монтажных стыков, собираемых на болтах.
Свободная температурная деформация ферм обеспечивается устройством гибких (в продольном направлении) промежуточных опор и подвижной опоры в одном из концов эстакады (обычно в верхнем). Простейшим видом подвижной опоры является скользящая опора. При пролетах более 30 м и значительном весе пролетного строения эстакады применяют катковые опоры.
Стальные плоскости опоры, т.е. гибкие в направлении вдоль эстакады, делают в виде вертикальных ферм. При относительно, небольшой высоте опора представляет собой прямоугольную ферму состоящую из четырех-пяти панелей.
СПИСОК ИСПОЛЬЗОВАННОЙ ЛИТЕРАТУРЫ
- Стальные конструкции производственных зданий: Справочник / А. А. Нилов, В. А Пермяков, А. Я. Прицкер. - К.: Будівельник, 1986 - 272 с.
- Строительные конструкции горнотехнических зданий и сооружений. Программа, методические указания, контрольные вопросы для самостоятельных занятий студентов специальности 6.090304.01 (Шахтное и подземное строительство) очной и заочной форм обучения / сост В. Б. Волошин. - Алчевск: ДГМИ, 1988 - 49 с.
- СНиП 11-23-81. Стальные конструкции. М.: Стройиздат, 1986.
- Баклашов И. В., Борисов В. Н., Проектирование и строительство горнотехнических зданий и сооружений: Учеб. для вузов /под ред. И. В. Баклашова. - М.: Недра, 1990.-272 с.
- Файбшпенко В. К. Металлические конструкции: Учеб. пособие для вузов. - М.: Стройиздат, 1984. - 336 с.
- СНиП 2.01.07-85. Нагрузки и воздействия. М.: Стройиздат, 1986.
Металлические конструкции /М. М. Жербин, В. А. Владимирский.-К.: Вища шк., 1986.-215 с.
Рассчитать и запроектировать металлическую эстакаду