Назначение и принципы работы блоков питания
Назначение и принципы работы блоков питания
Блок питания является одним из самых ненадежных устройств компьютерной системы, т.к. в его составе имеются электронные, электрические и электромеханические элементы. Блок питания наиболее подвержен влиянию внешних факторов и в тоже время на его работу могут повлиять элементы являющиеся его нагрузкой.
Главное назначение блоков питания преобразование электрической энергии, поступающей из сети переменного тока, в энергию, пригодную для питания узлов компьютера. Блок питания преобразует сетевое переменное напряжение 220 В, 50 Гц (120 В, 60 Гц) в постоянные напряжения +5, +12 и в +3,3 В. Как правило, для питания цифровых схем (системной платы, плат адаптеров и дисковых накопителей) используется напряжение +3,3 или +5 В, а для двигателей (дисководов и различных вентиляторов) +12 В. Компьютер работает надежно только в том случае, если значения напряжения в этих цепях не выходят за установленные пределы.
Замечание Когда фирма Intel начала выпускать процессоры, для которых требовалось напряжение 3,3 В, источников питания с таким выходным напряжением еще не было. Поэтому изготовители системных плат начали встраивать трансформаторы, преобразующие напряжение +5 в 3,3 В. Такие преобразователи генерируют большое количество теплоты, что нежелательно для персонального компьютера.
Сигнальные функции
Блок питания также вырабатывает и отрицательные напряжения -5 и -12В. Питание -5 В поступает на контакт В5 шины ISA (при ее наличии), а на самой системной плате оно не используется. Это напряжение предназначалось для питания аналоговых схем в старых контроллерах накопителей на гибких дисках, поэтому оно и подведено к шине. В современных контроллерах напряжение -5 В не используется; оно сохраняется лишь как часть стандарта шины ISA.
Блок питания в системе с шиной МСА (Micro Channel Architecture), a также в блоки питания SFX не имеют сигнала -5 В. В подобных системах это напряжение не используется, поскольку в них всегда устанавливаются новейшие контроллеры дисководов.
Напряжения +12 и -12 В на системной плате также не используются, а соответствующие цепи подключены к контактам В9 и В7 шины ISA. К ним могут подсоединяться схемы любых плат адаптеров, но чаще всего подключаются передатчики и приемники последовательных портов. Если последовательные порты смонтированы на самой системной плате, то для их питания могут использоваться напряжения -12 и +12 В.
Замечание Нагрузка источников питания для схемы последовательных портов весьма незначительна. Например, работающий одновременно на два порта сдвоенный асинхронный адаптер компьютеров PS/2 для выполнения операций с портами потребляет всего 35 мА, как по цепи +12, так и -12 В.
В большинстве схем современных последовательных портов указанные напряжения не используются. Для их питания достаточно напряжения +5 В (или даже 3,3 В). Если в компьютере установлены именно такие порты, значит, сигнал +12 В от блока питания не подается.
Напряжение +12 В предназначено в основном для питания двигателей дисковых накопителей. Источник питания по этой цепи должен обеспечивать большой выходной ток, особенно в компьютерах с множеством отсеков для дисководов. Напряжение 12 В подается также на вентиляторы, которые, как правило, работают постоянно. Обычно двигатель вентилятора потребляет от 100 до 250 мА, но в новых компьютерах это значение ниже 100 мА. В большинстве компьютеров вентиляторы работают от источника +12 В, но в портативных моделях для них используется напряжение +5 В (или даже 3,3 В).
Блок питания не только вырабатывает необходимое для работы узлов компьютера напряжение, но и приостанавливает функционирование системы до тех пор, пока величина этого напряжения не достигнет значения, достаточного для нормальной работы. Иными словами, блок питания не позволит компьютеру работать при "нештатном" уровне напряжения питания. В каждом блоке питания перед получением разрешения на запуск системы выполняется внутренняя проверка и тестирование выходного напряжения. После этого на системную плату посылается специальный сигнал Power_Good (питание в норме). Если такой сигнал не поступил, компьютер работать не будет. Напряжение сети может оказаться слишком высоким (или низким) для нормальной работы блока питания, и он может перегреться. В любом случае сигнал Power_Good исчезнет, что приведет либо к перезапуску, либо к полному отключению системы. Если ваш компьютер не подает признаков жизни при включении, но вентиляторы и двигатели накопителей работают, то, возможно, отсутствует сигнал Power_Good. Столь радикальный способ защиты был предусмотрен фирмой IBM, исходя из тех соображений, что при перегрузке или перегреве блока питания его выходные напряжения могут выйти за допустимые пределы и работать на таком компьютере будет невозможно.
Замечание Иногда сигнал Рower_Good используется для сброса вручную. Он подается на микросхему тактового генератора (8284 или 82284 в компьютерах PC/XT и AT). Эта микросхема управляет формированием тактовых импульсов и вырабатывает сигнал начальной перезагрузки. Если сигнальную цепь Power_Good заземлить каким-либо переключателем, то генерация тактовых сигналов прекращается и процессор останавливается. После размыкания переключателя вырабатывается кратковременный сигнал начальной установки процессора и разрешается нормальное прохождение сигнала Рower_Good. В результате выполняется аппаратная перезагрузка компьютера.
В компьютерах с более новыми формфакторами системной платы, типа micrо АТХ и NLX, предусмотрен другой специальный сигнал. Этот сигнал, называемый PS_ON и используется для программного отключения источника питания (и, таким образом компьютера). Сигнал PS_ON используется операционной системой (например, Windows которая поддерживает расширенное управления питанием (Advanced Power Management - APM). Когда выбираеся команду Завершение работы из главного меню, Windows полностью автоматически отключает источник питания компьютера. Система, не обладающая этой особенностью, только отображает сообщение о том, что можно выключить компьютер.
Конструктивные размеры блоков питания
Размеры блока питания и расположение его элементов характеризуются конструктивными размерами, или формфакторами. Характеристики формфакторов также распростроняются на корпуса системных блоков и системные платы. Узлы одинаковых конструктивных размеров взаимозаменяемы. Проектируя компьютер, разработчики обычно выбирают одинаковые формфакторы всех компонентов PC. При разработке оригинальной конструкции блок питания получится уникальным, т.е. пригодным только для конкретной системы. Используемый в PC источник питания, в отличие от других типов источников, высокоэффективен, генерирует минимальное количество теплоты, имеет небольшой размер и низкую цену.
Замечание Даже если два источника питания имеют один и тот же формфактор, они могут значительно отличаться качеством и эффективностью (КПД). Практически все новые блоки питания несовместимы с прежними моделями. Например, в блоках питания для систем АТХ используются абсолютно новые сигналы PS_ON.
Размер блока питания определяется конструкцией корпуса. Промышленными стандартами можно считать представленные ниже модели корпусов и блоков питания.
|
Устаревшие |
Современные |
|
PC/XT |
LPX (Slimline) |
|
AT/Desktop |
АТХ |
|
AT/Tower |
SFX |
|
Вaby-AT |
NLX |
Существует множество модификаций блоков питания каждого типа, которые различают по выходным мощностям. В настоящее время практически во всех новых компьютерах иcпользуется формфактор АТХ. Ниже представлено соответствие между формфакторами сиcтемных плат и блоков питания.
|
формфактор системной платы |
Чаше всего используемый формфактор блока питания |
Другие используемые формфакторы блока питания |
|
Вaby-AT |
LPX |
Вaby-AT, AT-Tower, AT-Desk |
|
LPX |
LPX |
- |
|
АТХ |
АТХ |
- |
|
Micro- АТХ |
АТХ |
SFX |
|
NLX |
АТХ |
- |
Стандарт АТ
Блок питания PC АТ обычно имел стандартный конструктив и набор жгутов (кабелей) с разъемами питания для соединения с системной платой и периферийными устройствами. На задней стенке блока устанавливается входной разъем питающего кабеля, а также может быть установлен транзитный выходной разъем для питания монитора. Подключение монитора к такому разъему не только сокращает количество вилок, включаемых в розетку питания, но и обеспечивает связь «земель» монитора и системного блока. В некоторых типах блоков питания транзитный разъем может отсутствовать. При этом монитор включают в дополнительную розетку и хорошо, если при этом соблюдают правила заземления.
Блок вырабатывает основное стабилизированное напряжение +5 В при токе 10-50 А; +12 В при токе 3,5-15 А для питания двигателей устройств и интерфейсных цепей; -12 В при токе 0,3-1 А для питания интерфейсных цепей; -5 В при токе 0,3-0,5 А (обычно не используется, присутствует только для соблюдения стандарта ISA Bus). Уровни напряжений 12 В, -12 В, -5 В обычно пропорциональны нагрузке цепи +5 В. Для регулировки выходного напряжения обычно имеется подстроечный резистор, хотя та доступа к нему может потребоваться и разборка блока питания.
Выходные цепи блоков питания формата AT выводятся гибкими жгутами проводов со стандартным набором разъемов (рис. 9). Разъемы для питания накопителей имеют ключи, исключающие возможность неправильного соединения. Однако иногда встречаются блоки с ошибочно собранными разъемами, в результате чего на шину питания +5 В попадает +12 В, чего устройства, как правило, не выдерживают. Традиционные разъемы питания системной платы PS-8, PS-9 всегда устанавливаются рядом так, чтобы четыре черных провода GND шли подряд. Их ключи весьма условны, а ошибка подключения чревата выгоранием системной платы. Цвета проводов в жгутах стандартизованы:
GND - черный;
-12V коричневый;
+5V красный;
-5V голубой;
+12V желтый;
P.G. белый (питание в норме).

К системной плате К накопителям
Рис. 9. Выходные разъемы блока питания формата AT
Стандарт АТХ
Новейшим стандартом на рынке PC-совместимых компьютеров стал АТХ (рис.10), который определил новую конструкцию системной платы и блока питания. В его основе лежит стандарт LPX (Slimline), но существует ряд особенностей, которые следует отметить. Версии используемых спецификаций АТХ постоянно совершенствуются и модифицируются.
Блок питания в стандарте АТХ значительно отличается от традиционных как по габаритным размерам, так и по электрическому интерфейсу. Вентилятор блока питается от цепи +12 В и обеспечивает охлаждение всего системного блока.

Рис. 10. Блок питания стандарта АТХ
Главная особенность данного БП состоит в том, что вентилятор теперь расположен на стенке корпуса блока питания, которая обращена внутрь компьютера, и поток воздуха прогоняется вдоль системной платы, поступая извне. Такое решение в корне отличается от традиционного, когда вентилятор располагается на тыльной стенке корпуса блока питания и воздух выдувается наружу. Поток воздуха в блоке АТХ направляется на компоненты платы, которые выделяют больше всего тепла (процессор, модули памяти и платы расширения). Поэтому исчезает необходимость в ненадежных вентиляторах для процессора, в настоящее время получивших широкое распространение.
Другим преимуществом обратного направления воздуха является уменьшение загрязнения внутренних узлов компьютера. В корпусе создается избыточное давление, и воздух выходит в щели в корпусе, в отличие от систем другой конструкции. В АТХ-системах пыль будет «отгоняться» от устройства, поскольку внутрь воздух попадает только через одно входное отверстие на тыльной стороне блока питания. В системе, работающей в условиях повышенной запыленности, на воздухозаборнике БП можно установить фильтр, который предотвратит попадание в ПК частиц пыли.
Стандарт АТХ был разработан фирмой Intel в 1995 году и популярность завоевал после выпуска персональных компьютеров с процессором Pentium и Pentium Pro. После появления на рынке процессоров Pentium II (1997 год) и Pentium III (1999 год) этот тип корпуса стал использоваться повсеместно, заменив Baby-AT.
Конструкция АТХ (рис.11) выполняет такие же функции, как Baby-AT и Slimline, а так-же позволяет решить две серьезные проблемы, возникающие при их использовании. Каждый из традиционных блоков питания персональных компьютеров, применяющихся в PC, имеет два разъема, которые вставляются в системную плату. Проблема такова: если вы перепутаете разъемы, то сожжете системную плату! Большинство производителей качественных систем выпускают разъемы системной платы и блока питания с ключами, чтобы их нельзя было перепутать, но почти все дешевые системы не имеют ключей ни на системной плате, ни в блоке питания.
Чтобы предотвратить неправильное подключение разъемов блока питания, в модели АТХ предусмотрен новый разъем питания для системной платы. Он содержит 20 контактов и является одиночным разъемом с ключом. Его невозможно подключить неправильно В новом разъеме предусмотрена цепь питания на 3,3 В, что позволяет отказаться от преобразователя напряжения на системной плате.

Рис. 11. Внешний вид блока питания форм-фактора ATX/NLX
Для напряжения 3,3 В блок АТХ обеспечивает другой набор управляющих сигналов, отличающийся от обычных сигналов для стандартных блоков. Это сигналы Power_0n и Standby (последний также называется питанием малой мощности Soft Power, или SB).
Power_0n это сигнал системной платы, который может использоваться такими операционными системами, как Windows 9x (они поддерживают возможность выключения и пуска системы программным путем). Это также позволяет применять для включения компьютера клавиатуру. Для этого в интерфейс блока питания введен управляющий сигнал PS-ON, включающий основные источники +5, +3,3, +12, -12 и -5 В (рис. 12). Напряжение от этих источников поступает на выход блока только при удержании сигнала PS-ON на низком логическом уровне. При высоком уровне или свободном состоянии цепи выходные напряжения этих источников поддерживаются около нулевого уровня. О нормальном напряжении питания сигнализирует сигнал PW-OK (Power O'Key). Интерфейс управления питанием позволяет выполнять программное отключение питания.

Рис. 12. Временная диаграмма интерфейса управления питанием АТХ
Сигнал 5v_Standby (дежурный) всегда активен и подает на системную плату питание ограниченной мощности, даже если компьютер выключен. Параметры описанных свойств устанавливаются с помощью программы установки параметров Setup BIOS. Дежурный источник с допустимым током нагрузки 10 мА (АТХ версии 2.01) включается при подаче сетевого напряжения. Он предназначен для питания цепей управления энергопотреблением и устройств, активных и в спящем режиме (например, факсмодема, способного по поступлении входящего звонка «разбудить» машину). В дальнейшем предполагается увеличить мощность данного источника до допустимого тока 720 мА, что позволит «будить» компьютер даже по приему пакета от дежурного адаптера локальной сети.
Сигнал FanM представляет собой выход типа «открытый коллектор» от тахометрического датчика вентилятора блока питания вырабатывающего два импульса на каждый оборот ротора. Сигнал FanC предназначен для управления скоростью вентилятора подачей напряжения в диапазоне 0...+12 В при токе до 20 мА. Если уровень напряжения выше +10,5 вентилятор будет работать на максимальной скорости. Уровень ниже +1 В означает запрос от системной платы на остановку вентилятора. Промежуточное значения уровня позволяют плавно регулировать скорость. Внутри блока питания сигнал FanC подтягивается к уровню +12 В, так что если дополнительный разъем оставить неподключенным, вентилятор будет всегда работать на максимальной скорости. На дополнительном разъеме также имеются kohtакты 1394V (+) и 1394R (-) изолированного от схемной земли источника напряжения 8-48 В для питания устройств шины IEEE-1394 (FireWire). Цепь +3.3V Sense служит для подачи сигнала обратной связи стабилизатору напряжения +3,3
Все питающие и сигнальные провода к системной плате подключаются одним основным разъемом с надежным ключом (рис. 13а). На разъемах подключения накопителей, естественно, сохранилось традиционное назначение контактов. Расширенная спецификация для блока питания АТХ предусматривает передачу информации от датчиков вентилятора на системную плату, что обеспечивает контроль скорости вращения и температуры воздуха. Для этих целей предназначен дополнительный (необязательный) жгут с разъемом, изображенный на рис. 13 б.

Рис. 13. а) Основной разъем питания

Рис. 13. б) Дополнительный разъем
Другая проблема, решенная в конструкции АТХ, связана с системой охлаждения. На всех современных процессорах устанавливается активный теплоотвод, который представляет собой вентилятор (кулер), который крепится к радиатору процессора для его охлаждения. Практически все процессоры, выпускаемые фирмой Intel и другими производителями, поставляются с такими вентиляторами. В системах модели АТХ для дополнительного охлаждения процессора используется заслонка рядом с блоком питания, которая направляет воздушный поток от вентилятора к процессору. Блок питания модели АТХ берет воздух извне и создает в корпусе избыточное давление, тогда как в корпусах других систем давление понижено. Направление воздушного потока в обратную сторону позволило значительно улучшить охлаждение процессора и других компонентов системы.
Замечание Метод охлаждения, описанный в технических требованиях АТХ, не является обязательным. Изготовители могут использовать другие методы, например установку традиционного выдувающего вентилятора, а также пассивных радиаторов на системной плате АТХ. Это может оказаться лучшим решением для компьютера, если не гарантируется периодическая замена фильтра источника питания.
Стандарт NLX
Технические требования NLX, также разработанные Intel, определяют низкопрофильную системную плату, во многом похожую на АТХ. Однако в этом стандарте используется меньший формфактор. Как в предыдущих системах Slimline, системная плата NLX использует выносную плату (ризер - карту) для разъемов расширения. Системная плата NLX также разработана для упрощения доступа и обслуживания; системную плату легко выдвинуть из блока. Формфактор NLX предназначен для замены LPX (как формфактор АТХ функционально заменил Baby-AT).
Технические требования NLX не определяют новый формфактор источника питания, но существует отдельный документ, в котором приведены рекомендации для источника питания NLX. Чтобы источник питания поместился в корпус NLX, он должен соответствовать размерам формфактора LPX, но в нем должны использоваться разъем с 20 контактами, сигналы напряжения, в соответствии со спецификацией АТХ (и даже вентилятор должен быть расположен как в блоке питания АТХ). Хотя иногда можно приспособить источник питания для LPX, некоторые изготовители начали производить источники питания, специально созданные для использования в системах NLX.
Стандарт SFX (системные платы micro-ATX)
Фирма Intel разработала новые технические требования для системных плат, названных micro-ATX, Эти платы предназначены для недорогих систем; в них используется меньшее количество разъемов расширения, чем в NLX, и потому требования к источнику питания менее жесткие. Поскольку документация на платы micro-ATX определяет лишь формфактор системной платы, Intel разработала технические требования для нового источника питания, названного SFX (рис. 14).
Источник питания SFX специально разработан для использования в малых системах, содержащих ограниченное количество аппаратных средств. Блок питания может в течение длительного времени обеспечивать питание при мощности 90 Вт (135 Вт пиковой мощности) в четырех напряжениях (+5, +12, -12 и +3,3 В). Этой мощности достаточно для малой системы с процессором Pentium II, интерфейсом AGP, тремя разъемами расширения и тремя периферийными устройствами типа жестких дисков и CD-ROM.
Замечание Источник питания SFX не имеет выходного напряжения -5 В, необходимого для шины ISA. Поэтому в компьютерах с платой micro-ATX используется только шина РСI и интерфейс AGP для всех плат расширений, установленных в компьютер, а разъемов шины ISA нет совсем.

Рис. 14. Блок питания стандарта SFX с вентиляторам диаметром 60 мм
Несмотря на то что Intel разработала технические требования к источнику питания SFX специально для системной платы с формфактором micro-ATX, SFX это отдельный стандарт, который совместим с другими системными платами. В источниках питания SFX используется тот же разъем с 20 контактами, что и в стандарте АТХ, а также сигналы Power_0n и 5v_Standby. Отличия проявляются в расположении вентилятора.
Если используется стандартный источник питания SFX, то вентилятор диаметром 60 мм крепится на поверхности корпуса, причем он вдувает холодный воздух внутрь корпуса компьютера. Вентилятор обдувает источник питания, и через отверстия в задней панели корпуса теплый воздух удаляется. Такое расположение вентилятора уменьшает шум, но в то же время обладает недостатками, которые были характерны для систем охлаждения до введения стандарта АТХ. В любом случае необходимо использовать дополнительные охлаждающие элементы на наиболее тепловыделяющих элементах компьютера.
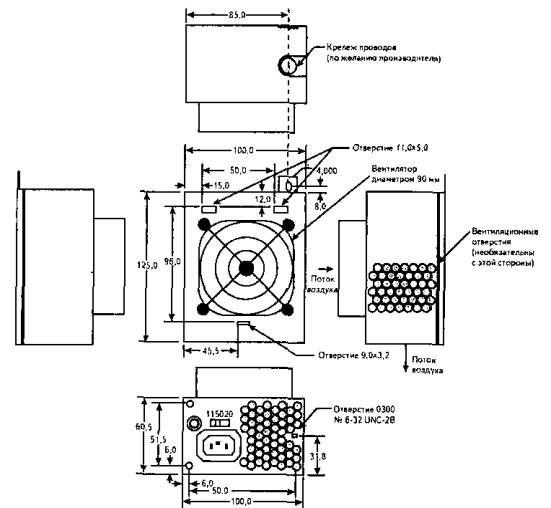
Для систем, которым необходимо более интенсивное отведение тепла, был разработан блок питания с вентилятором диаметром 90 мм. Этот больший по размеру вентилятор обеспечивает лучшее охлаждение элементов компьютера (рис. 15).

Рис. 15. Блок питания стандарта SFX с вентилятором диаметром 90мм
На рис. 16 показан внешний вид блока питания стандарта SFX с верхним расположением вентилятора диаметром 90 мм.

Рис.16. Блок питания стандарта SFX с верхним расположением вентилятора диаметром 90мм
Назначение и принципы работы блоков питания