Схемотехника блоков питания
Схемотехника блоков питания
Блоки питания аппаратуры, предназначенные для питания от сети переменного тока, в зависимости от назначения и мощности могут быть выполнены по различным схемам. Простейший блок питания с трансформаторным входом имеет схему, приведенную на рис..

Здесь понижающий трансформатор, работающий на частоте питающей сети 50/60 Гц, кроме обеспечения требуемого напряжения также обеспечивает и гальваническую развязку питаемых цепей от сети переменного тока. Выходное напряжение может стабилизироваться непрерывным или импульсным низковольтным стабилизатором напряжения. Главный недостаток такого блока большие габариты низкочастотного силового трансформатора. Трансформатор блока питания, рассчитанный на частоту 60 Гц, на частоте 50 Гц может ощутимо нагреваться. Естественно, от сети постоянного тока (редко, но такая бывает) такой блок работать не может. Блоки питания с трансформаторным входом применяются при небольшой выходной мощности, чаще всего в выносных адаптерах, обеспечивающих питание модемов, хабов и прочих маломощных устройств внешнего исполнения. Такие блоки достаточно часто монтируются прямо на вилке питания.
Уменьшить габариты и вес блока питания позволяет перевод понижающего трансформатора на высокую частоту десятки кГц. В этом случае входное напряжение сразу выпрямляется и после фильтрации поступает на высокочастотный преобразователь. Высокочастотные импульсы преобразователя поступают на понижающий импульсный трансформатор, который обеспечивает и гальваническую развязку выходных и входных цепей. Преобразователь чаще всего делают управляемым, так что на него возлагаются и функции регулирующего элемента стабилизатора напряжения. Управляя шириной импульса, можно изменять величину энергии, поступающей через трансформатор в выпрямитель, и, следовательно, регулировать (стабилизировать) его выходное напряжение. В зависимости от мощности стабилизатор строится по однотактной или двухтактной схеме. Однотактная схема несколько проще (рис. ), и ее применяют в блоках питания мониторов, где мощность обычно не превышает сотни ватт. В мониторах частоту импульсного блока обычно синхронизируют с частотой генератора строчной развертки во избежание видимых помех.

Рис. . Однотактный блок питания: СФ сетевой фильтр, Ф формирователь импульсов, ОС усилитель обратной связи
Двухтактные преобразователи сложнее, но они обеспечивают большую выходную мощность. Такие блоки широко используются в блоках питания PC .
Если блок питания должен вырабатывать несколько выходных напряжений, преобразователь может стабилизировать лишь одно из них. Обычно для стабилизации выбирают основное питающее напряжение, для блоков PC это цепь +5 В. Остальные напряжения могут быть стабилизированы дополнительными выходными стабилизаторами, но часто их оставляют и нестабилизированными. При этом появляется не сразу очевидная связь: чем больше нагрузка по основной (стабилизированной) цепи, тем выше напряжения на остальных шинах.
Импульсные блоки питания имеют малые габариты, но компактный трансформатор представляет собой довольно сложное изделие. Импульсные помехи, которые могут проникать как в питаемые, так и в питающие цепи, подавляют тщательно разработанными фильтрами. Внешнее излучение подавляется металлическим экраном, в который заключают весь блок.
Импульсные блоки питания не критичны к частоте сети (50 или 60 Гц) и часто позволяют работать в широком диапазоне входных напряжений. Некоторые блоки питания имеют переключатели диапазона входного напряжения. Современные блоки, у которых указано свойство Autoswitching Power Supply, имеют компоненты с большим запасом по допустимому напряжению и не требуют переключения номинала входного питающего напряжения они работают в диапазоне 110 -230 В. Такие блоки применяются в большинстве современных мониторов.
Наличие выпрямителя и накопительного конденсатора на входе бестрансформаторного блока питания обусловливает ярко выраженную динамическую нелинейность входной цепи. На рис. приведены осциллограммы напряжения сети и потребляемого тока, которые иллюстрируют эту нелинейность. Пока мгновенное значение напряжения ниже напряжения на накопительном конденсаторе выпрямителя, ток практически не потребляется. На верхушках синусоиды ток резко возрастает, так что в его спектре очень сильно выражена 3-я гармоника. Для питающей сети такой характер нагрузки нежелателен , но с ним приходится мириться. Конечно, нелинейность имеется и в трансформаторном блоке питания, но она несколько сглаживается низкочастотным трансформатором.

Рис. . Нелинейность входной цепи бестрансформаторного блока питания
Блок питания персонального компьютера
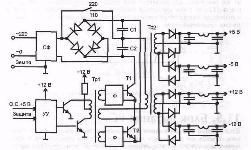
Блок питания PC обеспечивает напряжениями постоянного тока системный блок со всеми его сложными и часто привередливыми устройствами. С самых первых моделей PC здесь применяется двухтактная схема преобразователя с бестрансформаторным входом, без революционных изменений эта схема дошла и до наших дней. Упрощенная схема блока питания приведена на рис.. Входное напряжение после высокочастотного фильтра выпрямляется и поступает на накопительные конденсаторы (С1 и С2), являющиеся главными хранителями энергии на случай кратковременного провала питающего напряжения. Мощные высоковольтные транзисторы Т1 и Т2 и конденсаторы С1 и С2 образуют полумостовую схему генератора преобразователя, нагрузкой которого является высокочастотный импульсный силовой трансформатор Тр2. Этот трансформатор обеспечивает и гальваническую развязку выходных и входных цепей. Преобразователь является регулирующим элементом стабилизатора напряжения основного источника +5В. Остальные напряжения могут быть стабилизированы дополнительными выходными стабилизаторами, но чаще их оставляют и нестабилизированными. При этом чем больше нагрузка блока по основной (стабилизированной) цепи, тем выше напряжения на остальных шинах.
Убедиться в этом просто понаблюдайте за вентилятором процессора, который питается от цепи +12 В, изменяя нагрузку по цепи +5 В например, с подключенной системной платой и без нее. При подключении нагрузки скорость вращения вентилятора повышается. Это происходит потому, что с повышением тока нагрузки преобразователь вырабатывает более широкие импульсы, а выходное напряжение нестабилизированных выпрямителей (при постоянной нагрузке) будет пропорционально их ширине. По этой причине уровни напряжения на неосновных выходах большинства блоков питания будут соответствовать номиналам лишь при номинальной (и сбалансированной) нагрузке. Но, как правило, потребители этих напряжений не требуют особой точности напряжения, а стабильность обеспечивается относительным постоянством нагрузки основной цепи.

Рис. . Двухтактный блок питания PC: СФ сетевой фильтр, УУ устройство управления, Ф формирователи импульсов, Тр1 трансформатор развязки цепей управления, Тр2 силовой трансформатор
Двухтактные блоки питания PC строятся на основе управляющей микросхемы TL494CN или ее аналогов. Эта микросхема содержит встроенный генератор и управляет ключами выходных транзисторов, воспринимая сигнал обратной связи из цепи +5 В и сигнал отключения по токовой перегрузке. Для определения перегрузки по току последовательно с первичной обмоткой силового трансформатора включают еще и трансформатор тока (он на рис. 8 не показан), с выхода которого сигнал через пороговую схему подается на вход управляющей микросхемы. Интересная особенность блоков питания построенных на микросхеме TL494CN, заключается в идеологии управления выходными ключами. Вопреки ожиданиям, связанным с эксплуатацией импульсных блоков питания, эта микросхема управляет запиранием выходных ключей, а не активным отпиранием.
Благодаря такому подходу упрощается процесс запуска источника. При включении блока питания F симметричный мультивибратор, образованный выходными транзисторами совместно с трансформатором, начинает плавно возбуждаться. Когда выход и напряжение цепи +12 В, от которого питается и управляющая микросхема, достигает уровня нескольких вольт, микросхема приступает к исполнению cboих сдерживающих регулировочных обязанностей и блок выходит в рабочий режим управляемый генератором микросхемы. Заметим, что некоторые блоки питания не запускаются без нагрузки.
Блоки питания PC не критичны к частоте сети (50 или 60 Гц) и могут работать даже от сети постоянного тока. Переключение диапазона входного напряжения осуществляется переключателем S1, который преобразует мостовую схему выпрямителя в схему выпрямителя с удвоением для питания от сети 110-127В. При включении блока, предназначенного для работы при напряжении 110 В в сеть 220 В, часто выходят из строя ключевые транзисторы или диоды. Современные блоки, у которых указано свойство AutoSwitching Power Supply, имеют компоненты с большим запасом по допустимому напряжению и не требуют переключения номинал входного питающего напряжения они работают в диапазоне 110-230 В.
Поскольку большинство цепей блока питания находится под высоким напряжением, ремонт блока требует соответствующей квалификации и знаний техники безопасности.
Рекомендации по ремонту блока.
- Для проверки и ремонта блока питания полезно иметь нагрузку мощные резисторы по крайней мере, для цепи +5 В (резистор 5 Ом, 5 обеспечит ток 1 А, что вполне достаточно для проверки работоспособности). Использование в качестве нагрузки системной платы или накопителей чревато их выходом из строя в процессе ремонта блока.
- Если блок питания не включается, отключите его от сети и разрядите накопительные конденсаторы (С1 и С2 на рис.8). После этого проверьте омметром диоды и транзисторы чаще всего выходят из строя высоковольтные диоды и транзисторы. Заменять неисправные элементы желательно на однотипные.
- После замены неисправных элементов не торопитесь подавать питание какая-нибудь незамеченная «мелочь» может снова вывести из строя замененные детали. Не подключая сетевое напряжение, на шину +12 В подайте напряжение 10-12 В от внешнего источника. Если генератор управляющей микросхемы исправен, он «заведется», а по форме импульсов на базах выходных ключевых транзисторов можно судить об исправности большинства цепей формирования управляющих импульсов или о характере неисправности. Питание от сети на ремонтируемый блок следует подавать только после проверки его силовых цепей (диодов и транзисторов) и базовых цепей выходных ключей.
Блок питания PC обычно имеет стандартный конструктив и набор жгутов (кабелей) с разъемами питания для соединения с системной платой и периферийными устройствами. На задней стенке блока устанавливается входной разъем питающего кабеля, а также может быть установлен транзитный выходной разъем для питания монитора. Подключение монитора к такому разъему не только сокращает количество вилок, включаемых в розетку питания, но и обеспечивает связь «земель» монитора и системного блока. В некоторых типах блоков питания транзитный разъем может отсутствовать. При этом монитор включают в дополнительную розетку и хорошо, если при этом соблюдают правила заземления. На задней стенке устанавливается и переключатель диапазона питающего напряжения, если таковой присутствует в блоке. На задней стенке также может устанавливаться выключатель питания. В конструктиве АТХ на передней панели системного блока устанавливается кнопка управления сигналом Power Good. Таким образом, провода с напряжением питающей сети удалось убрать с передней части корпуса компьютера, и теперь высокое напряжение присутствует только внутри корпуса блока питания.
Мощность блока питания зависит от назначения корпуса системного блока лежит в диапазоне от 100-150 Вт для обычных компьютеров до 350-500 Вт для мощных серверов. Для блоков с транзитным разъемом питания монитора потребляемая мощность (коммутируемая выключателем питания) иногда указывается с учетом дополнительных 100 Вт, потребляемых монитором.
Блок вырабатывает основное стабилизированное напряжение +5 В при токе 10-50 А; +12 В при токе 3,5-15 А для питания двигателей устройств и интерфейсных цепей; -12 В при токе 0,3-1 А для питания интерфейсных цепей; -5 В при токе 0,3-0,5 А (обычно не используется, присутствует только для соблюдения стандарта ISA Bus). Уровни напряжений 12 В, -12 В, -5 В обычно пропорциональны нагрузке цепи +5 В. Для регулировки выходного напряжения обычно имеется подстроечный резистор, хотя та доступа к нему может потребоваться и разборка блока питания. Если старые системные платы хорошо себя чувствовали при номинале питания 5,0-5,1 В, ) современные платы иногда лучше себя чувствуют при напряжении питании 4,9-4,95 В.
Кроме питающих напряжений, блок питания формата ATX вырабатывает сигнал P.G. (Power Good) питание в норме. Этот сигнал с уровнем в 3 - 6 В вырабатывается через 0,1-0,5 с после включения питания при нормальных выходных напряжениях блока. При отсутствии этого сигнала на системной плате непрерывно вырабатывается сигнал аппаратного сброса процессора, появление сигнала «выпускает» систему в нормальную работу. Этот сигнал должен сброситься раньше, чем пропадет напряжение +5 В при отключении блока. Отсутствие должной задержки сигнала при включении и запаздывание при выключении может приводить к потере информации в CMOS и ошибкам при загрузке по включении питания. Нажатие кнопки «RESET» по действию почти эквивалентно замыканию P.G. на «схемную землю».
Выходные цепи блоков питания формата AT выводятся гибкими жгутами проводов со стандартным набором разъемов (рис. ). Разъемы для питания накопителей имеют ключи, исключающие возможность неправильного соединения. Однако иногда встречаются блоки с ошибочно собранными разъемами, в результате чего на шину питания +5 В попадает +12 В, чего устройства, как правило, не выдерживают. Традиционные разъемы питания системной платы PS-8, PS-9 всегда устанавливаются рядом так, чтобы четыре черных провода GND шли подряд. Их ключи весьма условны, а ошибка подключения чревата выгоранием системной платы. Цвета проводов в жгутах стандартизованы:
GND - черный;
-12V коричневый;
+5V красный;
-5V голубой;
+12V желтый;
P.G. белый (питание в норме).

К системной плате К накопителям
Рис. . Выходные разъемы блока питания формата AT
Вентилятор блока питается от цепи +12 В и обеспечивает охлаждение всего системного блока. В традиционных блоках питания вентилятор работает на отсос воздуха из корпуса системного блока. В современных качественных блоках питания устанавливают так называемый Fan Processor, регулирующий скорость вращения вентилятора в зависимости от температуры. Это позволяет увеличить ресурс вентилятора и снижает шум при нормальной температуре окружающего воздуха.
Блок питания в стандарте АТХ значительно отличается от традиционных как по габаритным размерам, так и по электрическому интерфейсу. Блок имеет дополнительный источник напряжением +3,3 В для питания процессора и «дежурный» (Standby) маломощный источник с выходной цепью +5VSB. Дежурный источник с допустимым током нагрузки 10 мА (АТХ 2.01) включается при подаче сетевого напряжения. Он предназначен для питания цепей управления энергопотреблением и устройств, активных и в спящем режиме (например, факсмодема, способного по поступлении входящего звонка «разбудить» машину). В дальнейшем предполагается увеличить мощность данного источника до допустимого тока 720 мА, что позволит «будить» компьютер даже по приему пакета от дежурного адаптера локальной сети. В интерфейс блока питания введен управляющий сигнал PS-ON, включающий основные источники +5, +3,3, +12, -12 и -5 В (рис. ). Напряжение от этих источников поступает на выход блока только при удержании сигнала PS-ON на низком логическом уровне. При высоком уровне или свободном состоянии цепи выходные напряжения этих источников поддерживаются около нулевого уровня. О нормальном напряжении питания сигнализирует сигнал PW-OK (Power O'Key), по действию аналогичный сигналу P.G. традиционных блоков. Интерфейс управления питанием позволяет выполнять программное отключение питания.

Рис. . Временная диаграмма интерфейса управления питанием АТХ
Все питающие и сигнальные провода к системной плате подключаются одним основным разъемом с надежным ключом (рис. __а). На разъемах подключения накопителей, естественно, сохранилось традиционное назначение контактов. Расширенная спецификация для блока питания АТХ предусматривает передачу информации от датчиков вентилятора на системную плату, что обеспечивает контроль скорости вращения и температуры воздуха. Для этих целей предназначен дополнительный (необязательный) жгут с разъемом, изображенный на рис. __ б. Сигнал FanM представляет собой выход типа «открытый коллектор» от тахометрического датчика вентилятора блока питания вырабатывающего два импульса на каждый оборот ротора. Сигнал FanC предназначен для управления скоростью вентилятора подачей напряжения в диапазоне 0...+12 В при токе до 20 мА. Если уровень напряжения выше +10,5 вентилятор будет работать на максимальной скорости. Уровень ниже +1 В означает запрос от системной платы на остановку вентилятора. Промежуточное значения уровня позволяют плавно регулировать скорость. Внутри блока питания сигнал FanC подтягивается к уровню +12 В, так что если дополнительный разъем оставить неподключенным, вентилятор будет всегда работать на максимальной скорости. На дополнительном разъеме также имеются kohtакты 1394V (+) и 1394R (-) изолированного от схемной земли источника напряжения 8-48 В для питания устройств шины IEEE-1394 (FireWire). Цепь +3.3V Sense служит для подачи сигнала обратной связи стабилизатору напряжения +3,3
а)Основной разъем питания б)Дополнительный разъем


Цепи блоков питания АТХ имеют стандартизованную цветовую маркировку
- СОМ черный (соответствует цепи GND традиционных блоков);
- +5V красный;
- +12V - желтый;
- -5V - белый;
- -12V синий;
- +3.3V оранжевый;
- +3.3V Sense коричневый (может подходить к контакту 11);
- +5VSB - малиновый (purple);
- PS-ON зеленый;
- PW-OK-серый.
Дополнительный разъем:
- +3.3V Sense белый с коричневыми полосками;
- FanC белый с синими полосками;
- FanM белый;
- 1394V белый с красными полосками;
- 1394R белый с черными полосками.
Вентилятор может располагаться снаружи корпуса блока питания АТХ, так что он оказывается над процессором (положение процессора на системной плате зафиксировано стандартом). Вентилятор забирает воздух снаружи корпуса, пропускает его через блок питания и обдувает им процессор. Таким образом обеспечивается возможность в случае небольшого тепловыделения процессора (и большого пассивного радиатора) обходиться без дополнительного вентилятора процессора.
6
Схемотехника блоков питания