Оборудование горловины станции устройствами электрической централизации ЭЦ-12-00
Содержание
Введение
1 Эксплутационная часть
1.1 Характеристика горловины станции
1.2 Назначение и характеристика системы централизации
2 Техническая часть
2.1 Однониточный план горловины станции с расчётом ординат стрелок и сигналов
2.2 Сигнализация станционных светофоров
2.3 Выбор типа рельсовых цепей
2.4 Двухниточный план станции
2.5 Маршрутизация горловины станции
2.6 Схема кнопочных реле для светофоров, стоящих в створе
2.7 Кабельные сети ЭЦ
3 Технологическая часть
3.1 Проверка видимости пригласительного огня
4 Охрана труда
4.1 Вопросы охраны труда при техническом обслуживании светофоров
5 Обеспечение безопасности движения устройствами электрической централизации
5.1 Вопросы обеспечения безопасности движения поездов при выключении светофоров из централизации
Заключение
Список использованный источников
Введение
Железная дорога прочно вошла в нашу жизнь, как быстрое и удобное средство передвижения. Она имеет важное значение для обеспечения потребностей населения и перемещения грузов. При огромных российских расстояниях железные дороги практически единственный выход для поддержания экономики и связи с отдалёнными регионами. [1]
Среди всех видов транспорта во многих странах ведущее место занимает железнодорожный транспорт, что объясняется его универсальностью: возможностью обслуживать все отрасли экономики и удовлетворять потребности населения в перевозках практически во всех климатических зонах и в любое время года.
Российские железные дороги крупнейшая, хорошо развитая, динамично и эффективно функционирующая система. Железнодорожная сеть и имеет протяжённость более 85 тыс. км, огромное количество станций, оборудованных ЭЦ. [1]
Электрическая централизация (ЭЦ) это автоматизированная система централизованного управления стрелками и сигналами станции при помощи электрической энергии, обеспечивающая взаимное замыкание стрелок и сигналов.
Электрическая централизация является высокоэффективным техническим средством управления стрелками и сигналами железнодорожных станций, повышающим пропускную способность и перерабатывающую способность станций, безопасность движения поездов, а также средством улучшения условий труда обслуживающего персонала. [1]
Устройства электрической централизации обеспечивают:
- дистанционный перевод стрелок и постоянный электрический контроль их положения с применением электромеханических и релейных устройств и приборов;
- контроль свободности станционных путей, стрелочных секций и других изолированных участков;
- проверку условий безопасного проследования по маршруту подвижного состава и замыкание установленного маршрута;
- дистанционное включение на светофоре, ограждающем установленный маршрут, разрешающего показания и выдачу разрешающих сигнальных частот в релейные цепи, входящие в установленный маршрут;
- исключение возможности задания маршрутов, враждебных установленному;
- автоматическое размыкание маршрута после использования его поездом;
- контроль состояния устройств электрической централизации и поездного положения на пульте электрической централизации;
- контроль взреза стрелки и исключение возможности её перевода после взреза. [1]
Целью курсового проекта является оборудование горловины станции устройствами электрической централизации ЭЦ-12-00.
Задачи курсового проекта:
- построить двухниточную горловину станции
-однониточный и двухниточный план станции
-раскрыть вопросы охраны труда при техническом обслуживании светофоров Среди всех видов транспорта во многих странах ведущее место занимает железнодорожный транспорт, что объясняется его универсальностью: возможностью обслуживать все отрасли экономики и удовлетворять потребности населения в перевозках практически во всех климатических зонах и в любое время года.
1 Эксплутационная часть
1.1 Характеристика горловины станции
На горловине станции находятся два главных пути, три приемо-отправочных пути и один тупик. Минимальная длина приёмо-отправочного пути составляет 1050 метров. На главных путях задействован тип рельсов Р65, марка стрелок 1/11, ширина междупутий 6,5 м. На боковых путях применяется тип рельсов Р50, марка стрелок1/9 и ширина междупутий 5,3 м. Прилегающие перегоны оборудованы числовой кодовой автоблокировкой переменного тока 50 Гц. Система сигнализации: трёхзначная. Род тяги на данном участке применён электрический переменного тока. Рельсовые цепи нормально-замкнутые. Для управления стрелочными электроприводами установлена пятипроводная схема. Тип электропривода: невзрезной СП-6М. В горловине станции установлены линзовые с двухнитевыми лампами на красном и жёлтом огне светофоры.
1.2 Назначение и характеристика системы централизации
ЭЦ-12-00 предназначена для управления стрелками и сигналами станций до 15 стрелок и организации движения поездов и маневровой работы с обеспечением безопасности движения и предоставлением необходимой информации оперативному персоналу. В качестве аппарата управления на промежуточных станциях применяются пульты табло ППНБМ наклонного типа из блочных элементов. Для монтажа аппаратуры используются релейные (СР-ЭЦИ) и кроссовые (СК-ЭЦИ) стативы, кабельросты и кабельные соединители со штепсельными разъемами системы ЭЦИ- электрической централизации с индустриальным монтажом.
ЭЦ-12-00 представляет собой электрическую централизацию с центральными зависимостями и центральным питанием. Система питания устройств ЭЦ может быть, как батарейной, так и без батарейной. В системе предусмотрен как маршрутный, так и раздельный способы управления объектами централизации. При реализации маршрута используются как секционный, так и маршрутный способ размыкания. [1]
2 Техническая часть
2.1 Однониточный план горловины станции с расчётом ординат стрелок и сигналов
При выполнении курсового проекта первоначальными данными является схематический план горловины станции, на котором условно изображены светофоры, электроприводы, пост централизации, релейные шкафы, трасса кабельных сетей и другие сооружения. Пути и стрелки при этом изображаются одной линией (ниткой), поэтому план называют однониточным. При разделении на изолированные участки горловины станции необходимо руководствоваться следующими основными правилами:
- изолирующие стыки, ограничивающие стрелочные рельсовые цепи со стороны остряков стрелки, устанавливаются у конца рамного рельса;
- изолирующие стыки необходимо устанавливать в створе со светофорами;
- в изолирующую секцию нельзя включать более трёх одиночных или двух перекрёстных стрелочных переводов;
- между стрелками, по которым возможны независимые друг от друга одновременные передвижения, устанавливается изолирующий стык.
Главные приемо-отправочные пути нумеруются римскими цифрами, к номеру пути добавляется буква «П», а боковые - арабскими. Стрелки нумеруются порядковыми нечетными номерами.
По назначению светофоры подразделяются на входные, выходные, маршрутные, маневровые, горочные и заградительные. Все светофоры устанавливаются с правой стороны по направлению движения. На входных светофорах должны быть предусмотрены красный, зелёный и два желтых огня, используемые в соответствии с инструкцией по сигнализации, так же предусматривается лунно-белый огoнь пригласительного сигнала. [1]
Выходные светофоры устанавливаются в створе с изолирующего стыка, определяющими приемо-отправочные пути от горловины, и предназначаются для запрещения или разрешения поезду отправиться со станции на перегон.
Входным светофорам присваивают литера Н, НД, так как направление нечётное. Выходные светофоры обозначают буквами по направлению Движения с индексом пути отправления (4II, Ч6, Ч4, Ч3, Ч5).
Маневровые светофоры устанавливают в районах централизованных стрелок, располагая их в соответствии с разработанной маршрутизацией передвижения в начальных точках маневровых маршрутов. В качестве манёвровых светофоров применяют карликовые светофоры.
Маневровые светофоры расположенные в горловине станции имеют литеры М1, М3, М5, М7, М9, М11, М13, М15, М17, М19, М21.
Ординатой называется расстояние от оси пассажирского здания или от оси поста ЭЦ до стрелки или светофора. Расчёт ординат стрелок и светофоров ведётся с помощью специальных типовых таблиц, где учитывается: тип рельсов, марка крестовины стрелочного перевода, тип стрелочного перевода, схемы укладки стрелочных переводов, радиус переводной кривой, ширина междупутий, конструктивное исполнение светофоров.
Ордината горловины станции до светофора Ч6:
525 м
На ординате 525 будет расположен светофор Ч4.
Далее по типовым таблицам, учитывая типы рельсов, марки крестовин, схемы укладки стрелочных переводов, конструктивное исполнение светофоров, рассчитываются ординаты стрелок.
Стрелка 25 = 525 + 55 = 580 м;
Стрелка 23 = 580 + 47,7 = 628 м;
Стрелка 17 = 627,7 + 45,9 = 574 м;
Стрелка 19 = 673,6 - 99,8 = 574 м;
Стрелка 13 = 573,8 + 73,7 = 648 м;
Стрелка 15 = 647,5 - 78,8 = 569 м;
Стрелка 21 = 568,7 - 21,1 = 548 м;
Стрелка 9 = 647,5 + 45,9 = 693 м;
Стрелка 11 = 693,4 + 99,8 = 594 м;
Стрелка 7 = 693,4 + 18,1 = 712 м;
Стрелка 5 = 711,5 + 78,8 = 790 м;
Стрелка 3 = 711,5 + 43,5 = 755 м;
Стрелка 1 = 755 + 99,8 = 855 м;
Исходя из ординат стрелок, рассчитываются ординаты светофоров.
Ч6, Ч4 = 525 м;
Ч II = 628 - 70 = 558 м;
Ч3 = 547,6 - 55 = 493 м;
Ч5 = 548 - 55 = 493 м;
М21 = 574 - 4,3 = 570 м;
М19 = 674 + (3,5 + 62) = 739 м;
М17 = 594 - 4,3 = 589,3 м;
М15 = 569 + (3,5+55) = 634 м;
М13 = 790 - (3,5 +55) = 731 м;
М11 = 693 + 2,82 = 696 м;
М9 = 594 + (3,5 + 62) = 660 м;
М7 = 790 + 2 = 792 м;
М5 = 855 - (3,5 + 62) = 790 м;
М3 = 855 + 4,3 = 859 м;
М1 = 755 + (3,5 + 62) = 821 м;
НД = Н = 859 + 300 =1159 м.
2.2 Сигнализация станционных светофоров
Выполнение требований сигналов, установленных Инструкцией по сигнализации на железнодорожном транспорте РФ, обеспечивает бесперебойность и безопасность движения поездов и маневровой работы.
Станционные светофоры по назначению подразделяются на следующие типы: входные - разрешающие или запрещающие поезду следовать с перегона на железнодорожную станцию; выходные - разрешающие или запрещающие поезду отправиться с железнодорожной станции на перегон, маневровые - разрешающие и запрещающие производство маневров. В качестве источников света в светофорах используют светоизлучающие диоды или лампы накаливания. Светофоры применяются линзовые; по расположению они подразделяются на мачтовые, карликовые.
По конструкции светофоры могут быть мачтовыми и карликовыми. Входные, выходные светофоры с главных путей и боковых, по которым предусматривается безостановочный пропуск поездов, а также дополнительные входные светофоры для приема на станцию поезда, следующего по «неправильному» пути, устанавливаются мачтовые. Маневровые и остальные выходные светофоры применяются карликовые.
Все станционные светофоры устанавливаются с правой стороны пути по направлению движения в соответствии с требованиями габарита приближения строений. Исключением является дополнительный входной светофор, который допускается устанавливать с левой стороны пути по направлению движения. При невозможности установить светофор с правой стороны пути его располагают над осью ограждаемого пути.
Основные значения сигналов, подаваемых светофорами (независимо от места установки и назначения их), следующие:
- один зеленый огонь - разрешается движение с установленной скоростью";
- один желтый мигающий огонь - разрешается движение с установленной скоростью, следующий светофор открыт и требует проследования его с уменьшенной скоростью;
- один желтый огонь разрешается движение с готовностью остановиться; следующий светофор закрыт;
- два желтых огня, из них верхний мигающий - разрешается проследование светофора с уменьшенной скоростью; поезд следует с отклонением по стрелочному переводу; следующий светофор открыт;
- два желтых огня - разрешается проследование светофора с уменьшенной скоростью и готовностью остановиться у следующего светофора; поезд следует с отклонением по стрелочному переводу;
- один красный огонь - "Стой! Запрещается проезжать сигнал";
- один лунно-белый огонь разрешается маневровому составу проследовать маневровый светофор и далее руководствоваться показаниями попутных светофоров или указаниями руководителя маневров;
- один синий огонь запрещается маневровому составу проследовать маневровый светофор.
Входными светофорами подаются сигналы: один зелёный огонь, один желтый мигающий огонь, один желтый огонь, два желтых огня, из них верхний мигающий, два желтых огня - один красный огонь.
Выходными светофорами подаются сигналы: один зеленый огонь, один жёлтый огонь, два желтых огня, из них верхний мигающий, два желтых огня, один красный огонь.
Маневровыми светофорами подаются сигналы: лунно-белый, синий. [2]
2.3 Выбор типа рельсовых цепей
На станциях при электротяге переменного тока по рельсовым цепям протекает тяговый ток частотой 50 Гц и его нечетные гармоники. Для разделения обратного тягового и сигнального токов применяют сигнальный ток, отличающийся от тягового тока и его гармоник по частоте.
В начале при электротяге переменного тока в РЦ применяли сигнальный ток частотой 75 Гц, который вырабатывался машинными преобразователями частоты, располагаемыми на длины РЦ, увеличивало потребление мощности и создавало трудности с резервированием питания. Кроме этого получение частоты 75 Гц было достаточно сложным.
На станциях, расположенных на участках с электротягой переменного тока, применяют разветвленные и неразветвлённые фазочувствительные РЦ с непрерывным питанием и путевым реле типа ДСШ-13. Для пропуска обратного тягового тока используются двухниточные рельсовые цепи с одним, двумя и тремя дроссель-трансформаторами и однониточные рельсовые цепи. За основу построения схемы РЦ принимается схема фазочувствительной двухниточной двухдроссельной рельсовой цепи, кодируемой с обоих концов.

Рисунок 1 Схема неразветвлённой рельсовой цепи при электротяге переменного тока
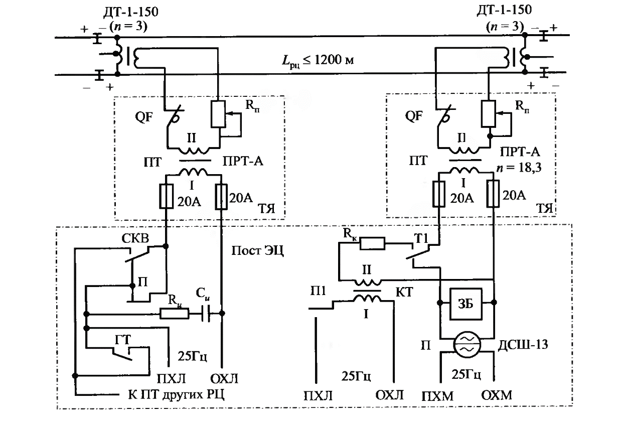
На основе схемы (рисунок 1) можно получить другие схемы РЦ. На питающем и релейном концах РЦ установлены дроссель-трансформаторами согласуют аппаратуру питающего и релейного концов с рельсовой линией. Напряжение на путевой обмотке путевого реле регулируется подбором напряжения на вторичной секционной обмотке путевого трансформатора ПТ, расположенного на питающем конце РЦ. На релейном конце РЦ вторичная обмотка путевого трансформатора подключается в соответствии с коэффициентом трансформации, устанавливаемым нормалями РЦ. Резистор является ограничителем тока в обмотке трансформатора ПТ и защищает путевое реле от помех тягового тока. Его величина выбирается по условиям режимов работы РЦ. На релейном конце параллельно путевой обмотке реле включен защитный блок ЗБ-ДСШ, который представляет собой LC фильтр, настроенный в резонанс на частоту 50 Гц. Этот блок защищает путевое реле от помех на частоте тягового тока. На чистоте сигнального тока блок ЗБ-ДСШ имеет емкостное сопротивление и вместе с индуктивностью путевой обмотки путевого реле образует параллельный колебательный контур с большим сопротивлением на частоте 25 Гц. [1]
2.4 Двухниточный план станции
Двухниточный план станции строится после получения во всех контурах четного числа изолирующих стыков. Для расчёта горловина станции вычерчивается в однониточном изображении. На изображении горловины станции переносятся все изолирующие стыки с однониточного плана. Затем в каждом замкнутом контуре подсчитывается количество стыков. Если при этом получается чётное число стыков, то стыки расставлены правильно и чередование полярности обеспеченно.
На основании однониточного плана горловины станции с расставлением изолирующих стыков для образования разветвлённых и неразветвлённых рельсовых цепей составляется двухниточный план горловины станции, на нём отмечается размещение путевого оборудования рельсовых цепей, светофоры, названия путей, стрелочных секций.
На двухниточном плане горловины станции выполняется чередование полярности в смежных рельсовых цепях. Условно плюсовую рельсовую нить каждой рельсовой цепи изображают утолщённой, а минусовую тонкой линией. После определения полярности во всех рельсовых цепях при правильной расстановке стыков в смежных рельсовых цепях граничащие нити должны быть разной полярности. [1]
На двухниточном плане станции изображаются стрелочные переводы, показываются места установки стрелочных электроприводов, путевых дроссель-трансформаторов, трансформаторных ящиков с обозначением конца рельсовой цепи (питающий или релейный), поездных и маневровых светофоров с указанием цвета сигнальных огней, места расположения маневровых колонок, групповых разветвительных муфт и обозначения стрелочных и путевых секций.
На стрелках показываются стрелочные электроприводы, нумерация которых соответствует нумерации стрелочных переводов. Так как горловина станции расположена на электрифицированном участке, то на приемо-отправочных путях показана их электрификация. Для пропуска обратного тягового тока в обход изолирующих стыков служит дроссель-трансформаторы.
Питающие и релейные концы, а также дополнительные изолирующие стыки и стрелочные соединители разветвлённых РЦ располагаются с учётом необходимости обтекания сигнальным током рамных рельсов, стрелочных соединителей, всех ответвлений РЦ.
Стрелочные секции обозначаются по номерам крайних стрелок, входящих в этот изолированный участок. Путевые без стрелочные секции обозначаются по номерам соседних стрелок. Участки пути за входными светофорами обозначаются, как правило, по литерным знакам входных светофоров, за которыми они расположены. Расчет ординат стрелок и светофоров производится от оси поста электрической централизации.
2.5 Маршрутизация горловины станции
При оборудовании горловины станций устройствами автоматики и телемеханики учитываем особенности организации движения поездов, связанные с возможностью нахождения и перемещения по путям одновременно нескольких подвижных единиц, а также с выполнением операций с грузами, с обслуживанием пассажиров, с формированием и расформированием составов, с их техническим осмотром и ремонтом. [1]
Маршруты, одновременное движение по которым невозможно, называются враждебными. К ним относятся: встречные маршруты приёма, а также приёма и маневров на один и тот же путь; попутные маршрут приёма на путь и маршрут надвига на горку с этого пути при возможности осаживания надвигаемого состава; попутные или встречные маршруты, устанавливаемые по одним и тем же стрелкам в одном и том же положении. Одновременная установка враждебных маршрутов должна исключаться схемными зависимостями.
Основным маршрутом называется кратчайший путь следования по горловине станции, имеющий наименьшее количество враждебных маршрутов и допускающий наибольшую скорость движения. Вариантные маршруты отличаются от основных положением стрелки.
Маневровым маршрутом называется часть путевого развития горловины станции, подготовленная для маневров. Началом маневрового маршрута является разрешающее показание маневрового светофора, а концом: следующий попутный маневровый светофор, приёмо-отправочный путь, бес стрелочная секция в горловине станции, нецентрализованная зона станции. [1]
Условия зависимости между стрелками, сигналами и маршрутами изображаются в виде таблицы.
В таблице 1 представлены основные поездные маршруты.
Таблица 1 Основные поездные маршруты.
|
Направление |
Номер маршрута |
Наименование маршрута |
Литер светофора |
Стрелки |
|||||||||
|
1/3 |
5/7 |
9/11 |
13/15 |
17/19 |
21 |
23 |
25 |
||||||
|
Поездные маршруты |
Станция А |
Прием |
1 2 3 4 5 |
На путь IП На путь 3П На путь 4П На путь 5П На путь 6П |
Н Н Н Н Н |
+ + + + |
+ + + + + |
+ + - + - |
+ + + |
+ + + |
+ - |
- - |
- + |
|
Отправление |
6 7 8 9 10 |
С пути IIП С пути 3П С пути 4П С пути 5П С пути 6П |
ЧII Ч3 Ч4 Ч5 Ч6 |
+ - + - + |
+ + |
+ + + + + |
- - |
+ + + |
+ - |
+ - - |
- + |
В таблице 2 представлены вариантные маршруты.
Таблица 2 Вариантные маршруты
|
Направление |
Номер маршрута |
Наименование маршрута |
Литер светофора |
Стрелки |
|||||||||
|
1/3 |
5/7 |
9/11 |
13/15 |
17/19 |
21 |
23 |
25 |
||||||
|
Вариантные маршруты |
Станция А |
Прием |
11 |
На путь IП |
Н |
+ |
+ |
- |
- |
||||
|
Отправление |
12 13 14 |
С пути IIП С пути 4П С пути 6П |
ЧII Ч4 Ч6 |
- - - |
+ + + |
- - - |
+ + + |
+ - - |
- + |
В таблице 3 представлены маневровые маршруты.
Таблица 3 Маневровые маршруты
|
Направление |
Номер маршрута |
Наименование маршрута |
Стрелки |
|||||||||
|
1/3 |
5/7 |
9/11 |
13/15 |
17/19 |
21 |
23 |
25 |
|||||
|
1 |
2 |
3 |
4 |
5 |
6 |
7 |
8 |
9 |
10 |
11 |
||
|
Маневровые маршруты |
Станция А |
М1 |
15 16 17 18 19 20 21 22 |
До светофора М11 За светофор М17 До светофора М19 За светофор М21 На путь 3П На путь 4П На путь 5П На путь 6П |
+ + + + + + + + |
+ + + + + + + + |
- - + + - + - |
- - |
+ + + |
+ - |
- - |
- + |
Продолжение таблицы 3
|
1 |
2 |
3 |
4 |
5 |
6 |
7 |
8 |
9 |
10 |
11 |
||
|
М3 |
23 24 25 26 27 28 29 30 31 32 |
За светофор М5 До светофора М9 До светофора М11 За светофор М17 До светофора М19 За светофор М21 На путь 3П На путь 4П На путь 5П На путь 6П |
+ + - + + - - + - + |
+ + + + |
+ + + + + + + |
+ - - |
+ + + |
+ - |
- - |
- + |
||
|
М5 |
33 |
За светофор М3 |
+ |
|||||||||
|
М7 |
34 35 36 37 38 39 40 41 42 43 |
До светофора М11 За светофор М13 До светофора М15 За светофор М17 До светофора М19 За светофор М21 На путь 3П На путь 4П На путь 5П На путь 6П |
- + + - - - + - + - |
- - + - - |
+ + + |
+ + + |
+ - |
- - |
- + |
|||
|
М9 |
44 45 46 47 48 |
За светофор М17 До светофора М19 За светофор М21 На путь 4П На путь 6П |
+ + + + + |
- + + |
- - |
- + |
||||||
|
М11 |
49 50 51 52 53 54 55 |
За светофор М17 До светофора М19 За светофор М21 На путь 3П На путь 4П На путь 5П На путь 6П |
- - + + - + - |
+ - - |
+ + + |
+ - |
- - |
- + |
||||
|
М13 |
56 |
За светофор М7 |
+ |
|||||||||
|
М15 |
57 58 |
На путь Ч3 На путь Ч5 |
+ + |
+ - |
||||||||
|
М17 |
59 60 61 62 63 64 |
За светофор М1 За светофор М3 До светофора М5 За светофор М7 За светофор М9 За светофор М11 |
+ + |
+ - |
- + + - + - |
|||||||
|
М19 |
65 66 67 |
За светофор М21 На путь 4П На путь 6П |
- + + |
- - |
- + |
Продолжение таблицы 3
|
1 |
2 |
3 |
4 |
5 |
6 |
7 |
8 |
9 |
10 |
11 |
||
|
М21 |
68 69 70 71 72 73 74 75 |
За светофор М1 За светофор М3 До светофора М5 За светофор М7 За светофор М9 За светофор М11 До светофора М17 За светофор М19 |
+ + |
+ - |
+ + + + + + |
+ + + |
+ - - + - + - - |
|||||
|
ЧII |
76 77 78 79 80 81 82 83 |
За светофор М1 За светофор М3 До светофора М5 За светофор М7 За светофор М9 За светофор М11 До светофора М17 За светофор М19 |
+ + |
+ - |
- + + - + - |
+ + + + + + + + |
+ + + + + + |
|||||
|
Ч3 |
84 85 86 87 88 89 |
За светофор М1 За светофор М3 За светофор М7 За светофор М11 До светофора М13 За светофор М15 |
+ - |
+ + + |
+ + + |
- - + - + + |
+ + + + + + |
|||||
|
Ч4 |
90 91 92 93 94 95 96 97 |
За светофор М1 За светофор М3 До светофора М5 За светофор М7 За светофор М9 За светофор М11 До светофора М17 За светофор М19 |
+ + |
+ - |
- + + - + - |
+ + + + + + + + |
- - - - - - - - |
- - - - - - - - |
||||
|
Ч5 |
98 99 100 101 102 103 |
За светофор М1 За светофор М3 За светофор М7 За светофор М11 До светофора М13 За светофор М15 |
+ - |
+ + + |
+ + + |
- - + - + + |
- - - - - - |
|||||
|
Ч6 |
104 105 106 107 108 109 110 111 |
За светофор М1 За светофор М3 До светофора М5 За светофор М7 За светофор М9 За светофор М11 До светофора М17 За светофор М19 |
+ + |
+ - |
- + + - + - |
+ + + + + + + + |
- - - - - - - - |
+ + + + + + + |
2.6 Схема кнопочных реле для светофоров, стоящих в створе
Схема кнопочных реле строится по плану станции по первой цепи межблочных соединений маршрутного набора. Кнопочные реле служат для включения по шинам ВН, ВЧ соответствующих реле направления, включения угловых реле, коммутации цепей автоматических кнопочных реле и других цепей маршрутного набора.
При нажатии кнопок установки маршрутов реле КН срабатывает через фронтовой контакт повторителя кнопки К, после чего самоблокируется по цепи КН через фронтовые контакты противоповторных, вспомогательных промежуточных или конечных реле и тыловые контакты стрелочных управляющих реле по всему маршруту.
Цепь блокировки реле КН строится по двум обмоткам: по первой обмотке кнопочное реле через фронтовой контакт реле МП подключается к цепи КН за сигналом при движении по этому сигналу, по второй обмотке через фронтовой контакт реле ВКМ при движении до этого сигнала и по обеим обмоткам через фронтовые контакты реле ВП кнопочное реле подключается к цепи КН за и перед светофором, если кнопка была нажата в качестве вариантной. Такое подключение реле КН к цепи блокировки позволяет контролировать работу реле ПУ, МУ по всему устанавливаемому маршруту.
Если маршрут устанавливается нажатием двух кнопок и по трассе набираемого маршрута имеются попутные или встречные светофоры, то цепь блокировки кнопочных реле начала и конца маршрута в наборных блоках этих сигналов соединяется фронтовыми контактами реле АКН. Применение такой схемы блокировки кнопочных реле, когда эти реле выключаются одновременно после включения всех управляющих стрелочных реле по маршруту, обеспечивает стабильную работу набора при установке маршрута, состоящего из нескольких элементарных маршрутов и кроме того , позволяет отказаться от применения медленнодействующих на отпадание вспомогательных промежуточных и кнопочных реле (В, ВКМ, ВКП, ВП) Использование этих реле нормальнодействующего типа исключает возможны нарушения при работе маршрутного набора в режиме с накоплением маршрутов.
В случае, когда светофоры стоят в створе или с участка пути и нажата кнопка одного из них в качестве вариантной, первоначально минус батареи в цепь блокировки реле КН этого светофора подается через последовательно соединённые тыловые контакты реле ВП и реле ВКМ наборной группы светофора противоположного направления до срабатывания реле АКН этого светофора.
Для создания цепи блокировки реле КН при задании маневрового маршрута до светофора, стоящего в створе, после срабатывания реле ВКМ и накоплении маршрута до светофора, стоящего в створе противоположного направления, служит цепь, соединяющая контакты реле ВП в цепи КН обоих сигналов через последовательно включённые фронтовые контакты реле ВКМ. [1]
2.7 Кабельные сети ЭЦ
В кабельную сеть светофоров включают цепи входных и маневровых светофоров. В РШ входного светофора входят цепи управления и контроля входными светофорами, питания шкафа, увязки устройств ЭЦ с системами интервального регулирования движения поездов, питания и приборов участков приближения и удаления пограничных с ним станционных РЦ, разъединителями высоковольтно-сигнальной линии автоблокировки.
Проектируемая кабельная сеть для светофоров рассчитывается на три режима напряжения: 220 В дневной, 180 В ночной и 110 В двойного снижения напряжения.
Жильность кабеля от поста ЭЦ к РШ входных светофоров определяется схемой включения светофоров и схемой увязки устройств ЭЦ с перегонными устройствами; к РШ переездов схемой включения переездной сигнализации. [1]
Число проводов к светофору зависит от типа светофора, наличия пригласительного огня, световых указателей и определяется по принципиальным схемам типовых решений.
Жильность кабеля от поста ЭЦ к РШ входного светофора определяется схемой включения светофоров Н, НД схемой увязки устройств централизации с двухпутной автоблокировкой и составляет 31 рабочую жилу. Питание ламп производится с поста напряжением 220 В с применением понижающих трансформаторов. В релейный шкаф подключаются кабели приборов РЦ участка удаления 2УП, участка приближения 1ПП и двух бес стрелочных секций НДП и НПП.
В соответствии с расположением светофоров на двухниточном плане , размещением муфт РМ и выбранной трассой кабеля составлена кабельная сеть светофоров и установлены муфты РМ С1, С3, С5.
В муфте С1 (821) подключены два кабеля: в один соединены два маневровых светофора М1, М3, а в другой М5, М7.
Длинна кабеля от поста до разветвительной муфты РМ или объекта централизации определяется по формуле
=1,03(L+6п++1,5+1),
Где 1,03 коэффициент, учитывающий увеличение на 3% длины кабеля на изгибы в траншее и просадку грунта ( от общей длинны кабеля);
L - расстояние от оси поста релейной централизации по ПМ или объекта централизации по ординатам, указанным на однониточном плане станции, в м;
6п переход по путям (6 м ширина пути и междупутья, п число пересекаемых путей);
длинна кабеля на ввод в здании поста (расстояние поста ЭЦ от трассы кабелей плюс или минус расстояние от оси поста ЭЦ до места ввода: плюс 15 м на ввод при кроссовой системе монтажа или 25 м на ввод в релейное помещение), м;
1,5 высота подъема кабеля со дна траншей и разделка, м;
1 при длине кабеля в 50 м и более запас у муфты на случай его перезаделки, м;
Длина кабеля от ПМ до объекта или между объектами определяется по формуле
= 1,03[L +6п+2(1,5+1)].
Полученная при расчёте длинна кабеля округляется в большую или меньшую сторону до числа 5.
LЭЦ-РШ=1,03(1159+61+25+1,5+1)=1230 м;
LЭЦ-С5=1,03(558+60+25+1,5+1)=605 м;
LЭЦ-С3=1,03(696+60+25+1,5+1)=745 м;
LC3-C1=1,03 [(821-696)+60+2(1,5+1)]=135 м;
LС5-Ч6=1,03 [(558-525)+60+2(1,5+1)]=45 м;
LЧ6-Ч4=1,03 [(525-525)+61+2(1,5+1)]=10 м;
LС5-ЧII=1,03 [(558-558)+62+2(1,5+1)]=20 м;
LЧII-М21=1,03 [(570-558)+63+2(1,5+1)]= 40 м;
LС5-Ч3=1,03 [(558-493)+64+2(1,5+1)]= 100 м;
LЧ3-Ч5=1,03 [(493-493)+61+2(1,5+1)]=10 м;
LС3-М17=1,03 [(696-589)+60+2(1,5+1)]= 115 м;
LМ17-М19=1,03 [(678-589)+61+2(1,5+1)]= 105 м;
LС3-М11=1,03 [(696-696)+62+2(1,5+1)]=20 м;
LМ11-М9=1,03 [(696-660) +61+2(1,5+1)]=50 м;
LС3-М13=1,03 [(731-696)+62+2(1,5+1)]= 55 м;
LМ13-М15=1,03 [(731-634)+61+2(1,5+1)]= 110 м;
LС1-М5=1,03 [(821-790)+60+2(1,5+1)]=40 м;
LМ5-М7=1,03 [(792-790) +63+2(1,5+1)]=25 м;
LС1-М1=1,03[(821-821)+62+2(1,5+1)]=20 м;
LМ1-М3=1,03 [(859-821) +61+2(1,5+1)]=50 м;
3 Технологическая часть
3.1 Проверка видимости пригласительного огня
Электромеханик (старший электромеханик) находясь на требуемом расстоянии от светофора, запрашивает ДСП о возможности проверки пригласительного огня указанного светофора.
Если позволяет поездная обстановка, дежурный по станции в Журнале осмотра делает запись о срыве пломбы с кнопки пригласительного сигнала, срывает пломбу и нажимает кнопку указанного светофора, о чем сообщает электромеханику (если кнопки пригласительных сигналов оборудованы счетчиком числа нажатий, это отражается в записи). Электромеханик (старший электромеханик), наблюдая за работой пригласительного сигнала, проверяет его видимость.
Об окончании проверки видимости пригласительного огня следует сообщить дежурному по станции.
Аналогично проверяют видимость пригласительных огней других светофоров станции.
Если обнаружено, что видимость пригласительного огня светофора не удовлетворяет требованиям, то необходимо проверить чистоту линзового комплекта или светоизлучающей поверхности светодиодной светооптической системы (ССС), измерить напряжение на лампе или ССС, проверить правильность наводки светового луча.
Недостатки, выявленные при проверке, должны быть устранены.
Об окончании проверки видимости пригласительных огней светофоров и пломбировании сорванных при проверке кнопок пригласительных сигналов электромеханик (старший электромеханик) делает запись в Журнале осмотра (если кнопки пригласительных сигналов оборудованы счетчиком числа нажатий, то в записи фиксируется показание счетчика). [3]
4 Охрана труда
4.1 Вопросы охраны труда при техническом обслуживании светофоров
Светофорные мачты следует устанавливать при помощи механизмов и приспособлений, исключающих случайное падение мачты. Все работы, связанные с установкой светофоров, должны производиться под руководством старшего электромеханика.
При выгрузке собранных светофоров (с фундаментами) и одновременной установке их в готовые котлованы стоять в котловане и оставлять светофор в незасыпанном котловане, подниматься на мачту до засыпки и утрамбовки грунта в котловане запрещается.
После установки светофора запрещается спускаться в незасыпанный котлован для изъятия грунта из-под фундамента.
При раздельной установке светофора и фундамента устанавливать мачты следует начинать только после засыпки и утрамбовки грунта в котловане вокруг фундамента.
Запрещается находиться под мачтой во время ее подъема, производить подъем мачты при прохождении поездов по соседним путям, а также при сильном ветре, во время дождя и в темное время суток.
Подъем мачт на электрифицированных участках допускается только при снятом в контактной сети напряжении и в присутствии работника дистанции электроснабжения.
Подниматься и поднимать на установленную мачту детали светофора следует только после того, как стакан светофорной мачты будет укреплен на анкерных болтах фундамента гайками и контргайками, а на электрифицированных участках, кроме того, после заземления стакана. Работник, стоящий внизу, должен быть в защитной каске.
Работы по техническому обслуживанию светофоров, расположенных в опасной зоне (на расстоянии менее 2 м от контактной сети, под напряжением), должны выполняться не менее чем двумя работниками.
Запрещается выполнять работы на светофорах, расположенных на расстоянии менее 2 м от частей контактной сети, находящихся под напряжением, а также во время грозы, дождя и плохой видимости (туман, снегопад).
При работе на светофорной мачте необходимо применять монтерский предохранительный пояс. Запрещается работать на одной светофорной мачте двум работникам, находящимся на разных уровнях.
Электромеханик и электромонтер перед началом работ на мачте светофора должны проверить исправность крепления светофорной лестницы и мачты, проверить исправность заземления, а при наличии искрового промежутка временно замкнуть его съемной медной перемычкой сечением не менее 50 . По окончании работы перемычку необходимо снять.
Подниматься на опоры и специальные конструкции контактной сети, не несущие устройств сигнализации и связи, запрещается.
Перед работой в смотровой люльке электромеханик и электромонтер должны проверить надежность ее крепления к светофорному мостику.
Все работы на светофорных мачтах во время движения поездов по соседним путям следует прекратить, находиться при этом на мачте светофора запрещается.
Заземление светофоров следует осуществлять, как правило, к средним выводам дроссель-трансформаторов, а при их отсутствии или отдаленном расположении - непосредственно к тяговому рельсу. [4]
5 Обеспечение безопасности движения устройствами электрической централизации
5.1 Вопросы обеспечения безопасности движения поездов при выключении светофоров из централизации
Ремонт светофоров, сигнального кабеля к светофору, замена монтажа в схеме управления и другие работы должны производиться с выключением светофора из управления.
Движение поездов в этом случае должно производиться в порядке, установленном Инструкцией по движению поездов и маневровой работе на железнодорожном транспорте Российской Федерации. Как правило, для производства плановых работ, связанных с выключением действия светофора, должны выбираться промежутки времени, свободные от движения поездов.
Плановая замена светофора должна производиться путем переключения сигнальных показаний заменяемого светофора на вновь установленный.
При невозможности предварительной установки нового светофора для замены существующего светофора должно предусматриваться «окно» с прекращением движения поездов.
При маневровых передвижениях дежурному по станции запрещается открывать сигналы до выключенного светофора, если на нем погашен запрещающий огонь, до тех пор, пока не будет приготовлен и проверен установленным ТРА железнодорожной станции порядком маршрут, ограждаемый выключенным светофором.
Выключение светофора из управления производится в следующем порядке.
Электромеханик СЦБ, имея разрешение на выключение светофора, с согласия старшего электромеханика СЦБ по регистрируемому в Журнале выключений разрешению диспетчера дистанции СЦБ, и согласовав с дежурным по станции время начала работ, делает запись в Журнале осмотра о его выключении. В этой записи указывается цель выключения светофора и порядок ограждения маршрута.
Дежурный по станции производит действия, исключающие случайное открытие светофора, и расписывается под текстом записи электромеханика СЦБ с указанием времени, разрешая тем самым электромеханику СЦБ выключить светофор.
Электромеханик СЦБ выключает светофор путем изъятия предохранителей или отключением обмоток сигнальных реле. На месте выключения устанавливает табличку «Выключено» и приступает к выполнению работ.
Закончив работу, электромеханик СЦБ сообщает об этом дежурному по станции, который в свободное от движения поездов время, разрешает включить светофор для проверки его действия. Электромеханик СЦБ включает светофор и, в зависимости от характера выполненной работы, проверяет:
1) после выполнения работ, связанных с нарушением действия запрещающего показания светофора - наличие на светофоре запрещающего огня и его видимость;
2) после замены линзового комплекта, ССС - правильность установки светофильтра-линзы или ССС, видимость сигнального огня;
3) после замены светофорной головки - правильность расположения огней на светофоре путем открытия светофора на соответствующие огни, видимость сигнальных огней;
4) после замены светофора - правильность расположения огней на светофоре, соответствие сигнальных показаний светофора таблице взаимозависимостей сигнальных показаний светофоров данной станции, напряжение на лампах; видимость сигнальных огней, габарит установки светофора;
5) после замены (ремонте) монтажа в светофоре, кабеля к светофору, а также монтажа в схеме управления - соответствие сигнальных показаний светофора таблице взаимозависимостей сигнальных показаний светофоров данной железнодорожной станции, правильность перекрытия светофора с разрешающего показания на запрещающее, контроль перегорания ламп светофора, перекрытие светофора на запрещающее показание при перегорании ламп разрешающих огней, переход с зеленого огня на желтый при перегорании лампы зеленого огня, переключение на резервную нить при двухнитевых лампах, соответствие всех фактически возможных сигнальных показаний на светофоре (красного, зеленого, желтого, двух желтых огней) контрольным показаниям на аппарате управления, напряжение на лампах;
6) после ремонта маршрутного указателя с отключением монтажа - соответствие сигнальных показаний маршрутного указателя таблице взаимозависимостей сигнальных показаний данной железнодорожной станции, видимость сигнальных показаний маршрутного указателя;
7) после ремонта зеленой светящейся полосы или светового указателя белого цвета с отключением монтажа - действие при включении и их видимость;
8) после замены сигнального механизма прожекторного светофора - действие механизма на все сигнальные показания, а также правильность переключения с каждого разрешающего показания на запрещающее, видимость сигнальных огней;
9) после выполнения работ, связанных с нарушением действия схемы кодирования, - соответствие посылаемых в рельсовую цепь кодов сигнальным показаниям светофора.
Проверку соответствия сигнальных показаний светофора таблице взаимозависимостей сигнальных показаний светофоров данной железнодорожной станции, правильности перекрытия с разрешающего показания на запрещающее, контроля перегорания ламп, соответствия всех сигнальных показаний на светофоре контрольным показаниям на аппарате управления, правильности сигнализации маршрутного указателя электромеханик СЦБ должен выполнять совместно с дежурным по станции.
Убедившись в правильности действия светофора, электромеханик СЦБ должен сделать запись в Журнале осмотра о проведенных проверках, нормальном его действии и включении, под этой записью ставит свою подпись дежурный по станции.
Работы по проверке устройств СЦБ, связанные с перекрытием выходных светофоров, на железнодорожных станциях с полуавтоматической блокировкой, где имеется возможность повторного их открытия, должны производиться при отсутствии поездов на перегоне с разрешения дежурного по станции и по согласованию с диспетчером поездным, с оформлением электромехаником СЦБ записи в Журнале осмотра.
На железнодорожных станциях, не имеющих возможности повторного открытия выходного светофора, проверку правильности изменения разрешающего показания на запрещающее необходимо производить при отправлении первого поезда. [5]
Заключение
В курсовом проекте были построены однониточный и двухниточный планы горловины станции. Произведены расчёты ординат стрелок и светофоров. Построены схема кнопочных реле для светофоров и кабельная сеть светофоров. Составлена маршрутизация горловины станции.
Техническая часть раскрывает вопрос проверке видимости пригласительного огня.
В разделе Охрана труда рассмотрено техническое обслуживание светофоров.
В последнем разделе рассмотрены вопросы обеспечения безопасности движения поездов при выключении светофоров из централизации.
Список использованный источников
1 Системы железнодорожной автоматики, телемеханики и связи. Ч.1. [Электронный сетевой ресурс] / А.В Горелик М.:УМЦ ЖДТ, 2012 Режим доступа:/ www.books.ru
2 Инструкция по сигнализации на железнодорожном транспорте РФ: приложение от 4 июня 2012 г. №162. Приложение №7 к ПТЭ / Минтранс РФ. Екатеринбург: ИД «Урал Юр Издат», 2012.
3 Устройства СЦБ. Технология обслуживания. Сборник технологических карт. ОАО «РЖД»,2013. 237 с.
4 Инструкция по охране труда для электромеханика и электромонтёра устройств сигнализации, централизации и блокировки в ОАО «РЖД» М: ТРАНСИЗДАТ, 2010 80 с.
5 Инструкцию по обеспечению безопасности движения поездов при технической эксплуатации устройств и систем СЦБ: утв. 20.09.2011 г. ЦШ-530-11 / ОАО «РЖД». Екатеринбург: ИД «Урал Юр Издат», 2012. 148 с.
Оборудование горловины станции устройствами электрической централизации ЭЦ-12-00