Разработка электротехнических решений для ГАЭС, установленной мощностью 200 МВт
Содержание
|
Нормативные ссылки |
5 |
|
|
Определения |
5 |
|
|
Обозначения и сокращения |
5 |
|
|
Введение |
6 |
|
|
1 |
ОСНОВНАЯ ЧАСТЬ |
7 |
|
1.1 |
Принцип действия и технологическая схема |
7 |
|
1.2 |
Основные параметры ГАЭС |
8 |
|
1.3 |
Схема выдачи мощности электростанции в энергосистему |
13 |
|
1.4 |
Определение числа отходящих линий |
15 |
|
1.5 |
Структурная электрическая схема |
16 |
|
1.6 |
Выбор трансформаторов |
17 |
|
1.7 |
Главная схема электростанции |
19 |
|
1.8 |
Расчёт токов короткого замыкания |
24 |
|
1.9 |
Выбор аппаратов и проводников главной электрической схемы |
29 |
|
1.10 |
Оценка капитальных затрат на реализацию проекта |
38 |
|
Заключение |
39 |
|
|
Список использованных источников |
40 |
|
|
Приложение 1. Технические данные генератора |
41 |
|
|
Приложение 2. Технические данные силовых трансформаторов |
42 |
|
|
Приложение 3. Технические данные выключателей |
43 |
|
|
Приложение 4. Технические данные разъединителей |
44 |
|
Нормативные ссылки
В настоящем проекте использованы нормативные ссылки на следующие стандарты:
ГОСТ 14209-97 Руководство по нагрузке силовых трансформаторов.
Определения
В настоящем проекте применены термины и определения по ГОСТ Р 19431-84, ГОСТ Р 52735-2007, ГОСТ 24291-90, ГОСТ Р 52002-2003, а также следующие термины с соответствующими определениями:
1 гидроаккумулирующая электростанция: гидроэлектростанция, используемая для выравнивания суточной неоднородности графика электрической нагрузки;
2 структурная электрическая схема: схема трансформаторных соединений между генераторами и распределительными устройствами основных напряжений;
3 главная электрическая схема: схема электрических и трансформаторных соединений между основными элементами, связанными с производством, преобразованием и распределением электроэнергии;
4 собственные нужды электростанции: комплекс вспомогательного электрического оборудования, обеспечивающего бесперебойную работу основных агрегатов.
Обозначения и сокращения
ВЛ воздушная линия электропередачи;
ВН высшее напряжение;
ГАЭС гидроаккумулирующая электростанция;
КПД коэффициент полезного действия;
КЗ короткое замыкание;
КРУ комплектное распределительное устройство;
ЛЭП линия электропередачи;
НН низшее напряжение;
РУ распределительное устройство;
РУСН распределительное устройство собственных нужд;
СН собственные нужды;
ТТ трансформатора тока;
ТН трансформатор напряжения;
ЭДС электродвижущая сила
Введение
Калининградская область расположена на побережье Балтийского моря, имеет районы с возвышенным рельефом, что является важным стратегическим ресурсом, позволяющим развивать генерацию, основанную на принципе гидроаккумулирования энергии.
Гидроэнергоресурсы Калиниградской области активно использовались еще в довоенный период, о чем свидетельствуют существующие многочисленные гидротехнические сооружения разной степени сохранности.
Дефицит независимых от поставок топлива через границы соседних государств энергоисточников в области и появлением технологий обеспечения полной автоматизации с отказом от большого числа эксплуатационного персонала послужили предпосылками для разработки проектов восстановления электрической мощности существующих гидроэлектростанций и оценки потенциала для строительства других электростанций, использующих возобновляемые источники энергии.
Кроме того, энергосистема Калининградской области в качестве главного источника имеет тепловую электростанцию, которая не приспособлена для целей регулирования графика нагрузки энергосистемы. При централизованной работе энергосистемы области в составе единой энергетической системы проблемы регулирования графика нагрузки не так актуальны, как при изолированном режиме работы энергосистемы области, который возможен в будущем. Проблему регулирования (выравнивания) графика нагрузки энергосистемы и снижения потребной установленной мощности тепловых электростанций способна решить гидроаккумулирующая электростанция, электрическая часть которой разрабатывается настоящим проектом.
Опыт строительства ГАЭС как в России, так и за рубежом показал техническую и экономическую эффективность данного вида электростанций.
Практическая значимость работы состоит в том, что она может быть использована как вариант при оценке необходимости строительства гидроаккумулирующей электростанции в Калининградской области.
Основная цель данной работы разработка электротехнических решений для ГАЭС, установленной мощностью 200 МВт .
В комплексе задач проектирования ГАЭС выделены особо: решения по выдаче мощности, главной электрической схеме, электрооборудованию.
1. ОСНОВНАЯ ЧАСТЬ
1.1. Принцип действия и технологическая схема
Гидроаккумулирующие электростанции используют принцип насосного аккумулирования энергии. Технологическая схема простейшей ГАЭС представлена на рисунке 1. В составе станции предусматриваются /1,2/ верхний и нижний бассейны, связанные трубопроводной системой, и машинное здание, выполняемое в подземном, полуподземном или поверхностном исполнении.
При покрытии пиков нагрузки ГАЭС работают в турбинном режиме и вырабатывают электрическую энергию. При этом происходит сработка верхнего и заполнение нижнего бассейна. В часы пониженной нагрузки энергосистемы ГАЭС работает в насосном режиме и перекачивает воду из нижнего бассейна в верхний.
ГАЭС чаще всего выполняется с обратимыми агрегатами двухмашинная система, состоящая из реверсивного двигатель-генератора и обратимой гидромашины, смонтированных на вертикальном валу.
В геологических, геодезических и гидрологических условиях Калининградской области верхний бассейн устраивается путем частичной срезки и обвалования возвышенности.
Нижним бассейном может служить водохранилище, озеро или даже море. В нашем случае в качестве нижнего бассейна и источника воды используется Балтийское море. На ГАЭС чаще всего применяется схема компоновки сооружений (см. рисунок 1) с напорными (зарядными) насосо-турбинными трубопроводами. Непосредственно у верхнего бассейна сооружается водоприемник, через который вода по напорным водоводам поступает к турбинам и насосами подается в верхний бассейн. Эффективность строительства ГАЭС зависит от наличия благоприятного рельефа местности, который способствовал бы получению возможно большего перепада между бассейнами при наименьшем расстоянии между ними и при возможно меньшем объеме работ для создания этих бассейнов.
Выбранное место строительства ГАЭС (см. рис. 8) позволяет получить перепад высот около 80 м (абсолютные отметки варьируются от 56 м до 116 м над уровнем моря). Рельеф местности представлен Вармийской холмисто-моренной возвышенностью /3,4/, сложенной песчано-гравийными и валунно-суглинистыми основаниями четвертичного периода (гляциальные отложения и краевые ледниковые образования). Расстояние от берега Балтийского моря (Калининградского залива) составляет 9 км.
Для ГАЭС с искусственно создаваемым верхним резервуаром характерно суточное аккумулирование, которое может сочетаться с недельным циклом. Ориентировочная продолжительность работы ГАЭС в турбинном режиме 4 6 часов, в насосном 6 8 часов в сутки. При недельном цикле гидроаккумулирования заряд осуществляется ночью во время выходных суток, а разряд днём в рабочие дни с суточным подзарядом в минимумы нагрузок рабочих суток.
1.2 Основные параметры ГАЭС
1.2.1 Структура и динамика потребления электрической энергии
В основном спрос на электрическую энергию в Калининградской области формируют непромышленные потребители, транспорт, сфера услуг и домашние хозяйства. На их долю в 2012 году приходилось 70,6% от полезного отпуска электроэнергии.
На рисунке 2 представлена диаграмма общего потребления электроэнергии Калининградской области в 2012 году, на рисунке 3 динамика потребления электроэнергии /5/.
Рисунок 2 Структура потребления электроэнергии Калининградской
области
Рисунок 3 Динамика потребления электроэнергии в Калининградской области
1.2.2 Анализ графиков электрических нагрузок Калининградской области
Участие ГАЭС в покрытии графика нагрузки
Режим работы потребителей электроэнергии изменяется в часы суток, дни недели и месяцы года. Эти изменения изображают в виде графиков нагрузок, на которых по оси ординат откладывают активные (кВт) нагрузки, а по оси абсцисс время, в течение которого удерживаются эти нагрузки.
На период курсового проектирования (2014, 2015 годы) максимальная мощность нагрузки энергосистемы Калининградской области составляла 742 МВт (01.12.2014 г.). Исторический максимум нагрузки был зафиксирован 06.02.2012г. и составил 807 МВт (см. рисунок 4).
Рисунок 4 Динамика изменения максимума нагрузки
Согласно прогнозам /5/ в 2018 году максимум нагрузки энергосистемы Калининградской области может составить 1070 МВт.
Ввод в эксплуатацию 2 энергоблока Калинингрдской ТЭЦ-2 (900 МВт) в 2011 году и развитие распределённой генерации с использованием электростанций небольшой мощности в будущем позволят самосбалансироваться с достаточным резервом и не получать энергию извне. Максимальная пропускная способность существующих магистральных ЛЭП 330 кВ, связывающих Калининградскую энергосистему с ОЭС Северо-Запада, составляет 400…500МВт.
Строительство ГАЭС позволит улучшить режимы эксплуатации основных ТЭЦ, а возможно, и АЭС Калининградской области и удешевить электроэнергию, отпускаемую потребителям.
Рисунки 5, 6 иллюстрируют типичную динамику изменения электрических нагрузок региональной энергосистемы в различное время года и суток по данным /6/.

Рисунок 5 Суточные графики электрической нагрузки рабочего дня

Рисунок 6 Суточные графики электрической нагрузки воскресного дня

Рисунок 7 Участие электростанций в покрытии графика нагрузки
Из рисунка 7 видно, что ГАЭС в состоянии покрывать не более 10% максимальной нагрузки, поэтому мощность ГАЭС принимается
Руст.=0,10Рmax=0,181070=193 (МВт).
Отечественными заводами изготавливаются обратимые генераторы мощностью 50/55МВт СВО-845/140-44Т, следовательно необходимую мощность обеспечат 4 гидроагрегата по 50 МВт.
Таким образом, далее в расчетах принимается установленная мощность ГАЭС равная 200 МВт.
Зная установленную мощность ГАЭС в турбинном режиме, средневзвешенный напор и к.п.д. полного цикла гидроаккумулирования возможно определить необходимую отчуждаемую полезную площадь и объём верхнего искусственного резервуара.
, (1)
, (2)
где - полезный объём верхнего резервуара ГАЭС, м3;
- установленная мощность агрегатов ГАЭС, кВт;
- время работы в турбинном режиме в сутки, часов;
- средневзвешенный напор, м;
- КПД гидроаккумулирования, о.е. (/1/);
- средняя полезная площадь акватории верхнего резервуара, м2;
- глубина сработки, ориентировочно 6-10% от напора (стр. 36, /1/) , м.
(м3)
(м2)
Ориентировочные размеры резервуара ГАЭС составят 734х500 м. Проектом предлагается для размещения верхнего бассейна ГАЭС использовать свободную от населённых пунктов и земель специального назначения территорию южнее пос. Ладушкин и восточнее пос. Пятидорожное (см. рис. 8).
Потребление энергии в насосном режиме и выработка энергии в турбинном режиме определяются по формулам:
, (3)
, (4)
где - энергия, затрачиваемая на закачивание воды в резервуар ГАЭС,
кВт*ч/сут;
- энергия, вырабатываемая гидротурбинами ГАЭС;
- КПД гидроагрегата, о.е (/7/) .
(кВт*ч/сут).
(кВт*ч/сут).
Технический потенциал (располагаемая мощность) ГАЭС в оптимальном режиме определяется по формуле:
, (5)
где - коэффициент полезного действия агрегата (турбины и генератора)
(стр. 26, /1/)
Из формулы (5) можно выразить расчётный расход воды через турбины ГАЭС:
(6)
Расчётный расход воды через турбины и сооружения ГАЭС по (6) составит:
Соответственно расход через каждый из четырёх гидроагрегатов составит 72,5 м3/с.

Рисунок 8 - Место расположения ГАЭС на карте
1.3 Схема выдачи мощности электростанции в энергосистему
ГАЭС обычно сооружаются вблизи узлов нагрузки энергосистемы и короткими линиями 110 750 кВ соединяют с узловыми подстанциями.
В правилах /8, 9/ регламентирован выбор номинального напряжения выдачи мощности и предельных токов КЗ. Напряжение принимается по одной из шкал номинального напряжения сети: 1102205001150 или 110330750 кВ. Сочетание напряжений входящих в разные шкалы, не применяется, кроме районов стыкования сетей, использующих разные системы номинальных напряжений.
Схема выдачи мощности должна обеспечивать выдачу мощности электростанции в систему и электроснабжение ГАЭС в насосном режиме как в нормальном режиме так и при плановых ремонтах элементов схемы.
Располагаемая к выдачи мощность (Рвыд) определяется исходя из установленной мощности и учёта расхода на собственные нужды (Рс.н.):
(7)
Мощность потребителей собственных нужд определяется по справочным данным (табл.1.17, /10/) по отношению .
, (8)
где Руст установленная мощность электростанции (Руст=NГАЭС), МВт.
Реактивная мощность собственных нужд по известному выражению:
(9)
;
;
.
tgс.н.=0,62 принят исходя из средневзвешенного значения коэффициента мощности потребителей системы собственных нужд (электроприводы насосов, задвижек, заслонок, решёток и т.д.) равного cosс.н=0,85.
Наивыгоднейшее напряжение (Uэн) предварительно определяется по эмпирической формуле:
, (10)
где L длина линии, км;
Р максимальная передаваемая одной ЛЭП мощность, МВт.
Для выдачи мощности 196 МВт на расстояние до 50 км желательно использовать стандартное напряжение 330 кВ как ближайшее к расчётному экономически целесообразному:
(кВ)
Выдачу мощности ГАЭС целесообразно осуществлять на шины крупных узловых подстанций и тепловых электростанций. Проектируемую ГАЭС предлагается подключить к шинам ПС О-1 «Центральная», связанной существующей сетью 110; 330 кВ с Калининградской ТЭЦ-2, график нагрузки которых целесообразно регулировать при помощи пусков ГАЭС.
Схема присоединения ГАЭС к энергосистеме на напряжении 330 кВ представлена на рис. 9.

Рисунок 9 Структурная схема присоединения ГАЭС к энергосистеме
1.4 Определение числа отходящих линий
Подход к выбору числа отходящих ВЛ зависит от следующих факторов:
- значением выдаваемой мощности и перетока обменной мощности между узлами системы;
- необходимости учёта резервирования пропускной способности оставшимися в работе линиями выдачи мощности при отключении одной из них.
Поскольку определение значений перетоков обменной мощности требует специального расчёта с учётом всей ОЭЭС, то за максимально возможную выдаваемую мощность примем установленную мощность АЭС с вычетом мощности потребителей собственных нужд.
Согласно табл. 4.3. /10/ предельная мощность передаваемая по линиям 330 кВ составит 270-450 МВт на расстояние до 700 км, а натуральная мощность составляет 360 МВт.
Минимальное количество ЛЭП 330 кВ по условиям обеспечения надёжности выдачи всей мощности равно двум.
Сечение проводов ЛЭП определяется по экономической плотности тока в нормальном режиме работы:
Sэк = Iн.р / Jэк , (11)
где Iнр наибольший расчётный ток нормального режима;
Jэк экономическая плотность тока, принимаемая согласно мировым
тенденциям равной 0,5 А/мм2.
Наибольший расчётный ток (без учёта мощности потерь) вычисляется исходя из установленной мощности станции:
, (12)
где Рвыд установленная мощность электростанции, кВт;
сosном номинальный коэффициент мощности генератора (приложение 1);
n количество линий или цепей.
Утяжелённый режим характеризуется повышенным током, например при отключении одной из линий выдачи мощности.
(13)
Рассчитаем сечения проводов линий выдачи мощности станции.
Наибольшие токи на одну линию (цепь):
сosном=0,9 (для генератора мощностью 50 МВт);
Экономически целесообразное сечение проводов:
Sэк = 185 / 0,5 = 370 (мм2) принимаем провод марки 2АС-300/39.
Проверка по нагрузке аварийного режима:
Iутж=370 A < Iдоп=2*710=1420 A,
где Iдоп=1420 А длительно допустимый ток для двух проводов АС-300/39 в расщепленной фазе ЛЭП 330 кВ, принятый по табл. 1.3.29 /8/.
1.5 Структурная электрическая схема
Структурной схемой определяются соединения между генераторами, трансформаторами и распределительными устройствами.
Структурная электрическая схема ГАЭС формируется по блочному принципу, без распределительного устройства генераторного напряжения. Высокая маневренность и переменный режим работы ГАЭС обуславливает применение укрупнённых и объединённых блоков (по 2 гидрогенератора на 1 трансформатор) с установкой генераторных выключателей и реверсивных разъединителей (см. рисунок 10).

Рисунок 10 Структурная электрическая схема ГАЭС
В виду того, что ГАЭС выполняет особую функцию в энергосистеме, а задача питания местной нагрузки не ставилась, то распределительные устройства для подключения ЛЭП электроснабжения потребителей не предусматриваются.
Распределительное устройство собственных нужд (РУСН) 6 кВ предназначено для электроснабжения потребителей собственных нужд как в турбинном, так и в насосном режиме работы ГАЭС.
1.6 Выбор трансформаторов
В качестве блочных применяются двухобмоточные трансформаторы с расщепленной обмоткой низшего напряжения и, что характерно для ГАЭС с обратимыми гидроагрегатами, с устройством регулирования напряжения под напряжением (РПН).
Выбор мощности трансформатора выполняется с учётом его нагрузочной способности, а также специфичности нагрузки (переток мощности через трансформатор в насосном режиме больше, чем в турбинном режиме). Для трансформатора блока «обратимый генератор - трансформатор» с ответвлением на собственные нужды формула для расчёта мощности выглядит следующим образом.
, (14)
где Рном.г и Qном.г номинальные активная и реактивная мощности генератора,
МВт и Мвар;
Рс.н. и Qс.н. активная и реактивная мощности потребителей собственных нужд,
МВт и Мвар.
Нагрузка ГАЭС и соответственно блочного трансформатора может иметь значительное понижение нагрузки (отключение одного из парных гидрогенераторов), поэтому можно учесть возможность систематических перегрузок без снижения срока службы.
, (15)
где kп.сист допустимый коэффициент систематических перегрузок, принимаемый по графикам нагрузочной способности, приведённым в стандарте /11/.
Выбор блочного трансформатора по формулам (1.5, 1.6).
;
Предварительно принимаем к установке блочный трансформатор ТРДЦН-125000/330-У1 330/11-11 кВ со схемой соединения Ун/Д-Д-11.
Для анализа среднего коэффициента загрузки (использования установленной мощности) трансформатора производится эквивалентирование графика нагрузки.
Эквивалентирование по /12/ графика нагрузки (рисунок 11) выполняется по формуле:
, (16)
S1, S2, Sm нагрузка трансформатора по графику, МВА;
t интервал времени, соответствующей усреднённой нагрузке.
Эквивалентный коэффициент нагрузки трансформатора по (16):
Так как Kэкв=0,76 < Kдоп=1,15 /табл.1.36, 12/ для =00С, то выбранный трансформатор обладает достаточной нагрузочной способностью.

Рисунок 11 График нагрузки блочного трансформатора ГАЭС с обратимыми
гидрогенераторами
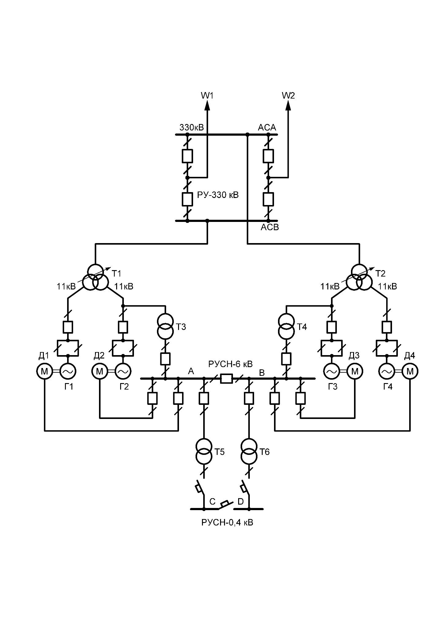
1.7 Главная схема электростанции
На рисунке 12 представлена упрощённая схема поясняющая основные узлы электрической части ГАЭС.
РУ высшего напряжения выполняется по наиболее экономичной и надёжной схеме для четырёх присоединений (две линии и два трансформатора) «четырёхугольник».
Пуск обратимого агрегата в турбинный режим производится так же как и пуск обычного гидроагрегата. Пуск в насосный режим сложнее и требует большего времени. Прямой пуск электродвигателя такой мощности приведёт к недопустимому снижению напряжения на шинах, к которым подключается машина. Проектом предусматривается пуск с помощью вспомогательного асинхронного электродвигателя с фазным ротором на одном валу с гидроагрегатом. Когда агрегат достигает подсинхронной частоты вращения, он возбуждается и входит синхронизм.
В цепях электрических машин установлены выключатели и по два параллельно соединенных разъединителя для изменения порядка чередования фаз (реверсирующие разъединители). В зависимости от режима агрегата (двигательный или генераторный) включают соответствующий разъединитель. Пуск агрегатов в насосный режим осуществляется асинхронными электродвигателями М мощностью 1 МВт, напряжением 6 кВ. Электроэнергию двигатели получают с шин РУСН-6кВ. Трансформаторы ТЗ, Т4 присоединены глухой отпайкой к блочным трансформаторам. Остальная нагрузка СН присоединяется к шинам низкого напряжения 0,4 кВ через понижающие трансформаторы Т5, Т6.

Рисунок 12 Главная схема ГАЭС
Построение схемы собственных нужд координируется с принятым способом запуска обратимых гидроагрегатов в насосный режим.
В данном проекте предусматривается пуск гидроагрегата при помощи вспомогательного асинхронного двигателя.
Электроснабжение потребителей собственных нужд ГАЭС осуществляется переменным током напряжением 6 и 0,4 кВ. Оперативный ток постоянный 220 В (данным проектом не разрабатываются)
Распределительные устройства собственных нужд как 6 кВ так и 0,4 кВ принимаются с одной системой сборных шин. Число секций РУСН-6кВ принимается равным числу блоков. Распределительное устройство 0,4 кВ также секционируется на две секции - по числу трансформаторов СН 6/0,4 кВ.
1.7.1 Выбор мощности трансформаторов собственных нужд
Номинальная мощность трансформаторов собственных нужд первой ступени (6 кВ) выбирается в соответствие с расчётной нагрузкой. При этом перегрузка трансформаторов не допускается в виду высоких требований надёжности. Расчётная мощность складывается из мощностей потребителей СН: двигателей для асинхронного пуска и трансформаторов второй ступени 6/0, 4кВ.
, (17)
Где РД1, QД1 суммарные активная и реактивная мощности электродвигателей
первой ступени напряжения, МВт, Мвар;
Р2, Q2 суммарные активная и реактивная мощности электроприёмников
второй ступени, МВт, Мвар.
При определении расчётной нагрузки двигателей используется расчётный переводной коэффициент, который определяется следующим образом:
, (18)
где kр коэффициент разновремённости максимумов нагрузки двигателей;
kн.ср, ср, cosср средние значения коэффициентов нагрузки, КПД, мощности двигателей.
Коэффициент разновременности по (16):
При курсовом проектировании удобно воспользоваться упрощённой формулой:
, (19)
где Рном.Д1 сумма номинальных мощностей двигателей;
Sном.Т2 сумма номинальных мощностей трансформаторов второй ступени 6/0,4 кВ.
Расчётная мощность трансформатора 11/6 кВ (Т3, Т4), с учётом 100% резервирования составит:
В расчёте принята стандартная мощность трансформаторов 6/0,4кВ (Т5, Т6) 1000кВА.
Предварительно принимается трансформатор типа ТМ-6300/10-У1 мощностью 6300 МВА, У/Д-11.
1.7.2 Расчёт токов нормального и утяжелённого режимов
1.7.2.1 Цепи генераторов
Наибольший ток нормального режима принимается при загрузке генератора до номинальной мощности Pн, при номинальном напряжении Uн и коэффициенте мощности cosн:
Iн.р = Pн / (3Uнcosн) (20)
Наибольший ток определяется при условии работы генератора в режиме двигателя и снижении напряжения на его зажимах на 5%:
Iутж = Pн / (3·0,95·Uнcosн) (21)
Расчёт по (20) и (21):
Iн.р = 50·103/ (3·11·0,9)=2916 (А);
Iутж = 55·103 / (3·0,9511·0,9)=3377 (А).
1.7.2.2 Цепи трансформаторов
Наибольший ток нормального режима принимается исходя из передачи номинальной мощности трансформатора:
Iн.р = Sн / (3Uн) (22)
Наибольший ток ремонтного или послеаварийного режима принимается с учётом длительно допустимых систематических перегрузок:
Iутж = Kп.сист·Iн.р , (23)
где Kп.сист допустимый коэффициент загрузки трансформатора при систематической перегрузке, принимается в соответствии со стандартом /11/.
Расчёт по (22) и (23):
1)Трансформаторы Т1, Т2:
принимается 0,5 мощности, так как
обмотка НН трансформатора расщеплена;
;
;
.
2)Трансформаторы Т3, Т4 11/6 кВ:
;
;
;
.
3)Трансформаторы Т5, Т6 6/0,4 кВ
;
;
;
.
1.7.2.3 Цепи секционных, шиносоединительных выключателей, сборные шины
распределительных устройств
Расчётный ток нормального режима определяется с учётом токораспределения по шинам при наиболее неблагоприятном эксплуатационном режиме. Такими режимами являются: отключение части генераторов, перевод отходящих линий на одну систему шин, а источников питания на другую. Обычно ток, проходящий по сборным шинам, секционному и шиносоединительному выключателям, не превышает расчётного тока самого мощного генератора или трансформатора, присоединённого к этим шинам.
1.7.2.4 Отходящие линии 330 кВ
Выбор количества и сечений отходящих ВЛ на напряжении 330кВ выполнен в разделе 1.3.
;
.
1.8 Расчёт токов короткого замыкания
Для проверки проводников и аппаратов любого присоединения по аварийному режиму определяются расчётные условия короткого замыкания (КЗ): составляется расчётная схема, схема замещения, намечаются места расчётных точек КЗ, определяется расчётное время протекания тока КЗ.
Расчётная схема составляется для нормального режима работы с учётом режимных мер по ограничению токов КЗ.
Схема замещения составляется для начального момента тока КЗ и поэтому все источники вводятся в неё своими сверхпереходными параметрами.
Расчётная схема представлена на рисунке 13, а схема замещения на рисунке 14.

Рисунок 13 Схема расчётная

Рисунок 14 Схема замещения
Поскольку основной целью проведения расчёта токов КЗ является выбор проводников и аппаратов по условиям термической и электродинамической стойкости, то за основной расчётный вид примем трёхфазное КЗ.
Сопротивление системы определяется исходя из заданного уровня тока КЗ в точке присоединения к сети. По данным ОАО «Янтарьэнерго» на шинах РУ-330 кВ ПС О-1 «Центральная» расчётное значение периодической составляющей тока трёхфазного КЗ составляет:
.
Расчёт на разных ступенях напряжения удобно производить в базисных величинах.
Определение основных параметров схемы замещения.
Принимаемые базисные величины:
Sб=100 МВА - мощность
Uб1=340 кВ Uб2=11 кВ Uб3=6,3 кВ - напряжения ступеней
Базисный ток ступени определяется по формуле:
(24)
Расчёт по (24)
Сопротивление системы вычисляется исходя из заданной величины тока КЗ в точке присоединения к энергосистеме.
(25)
Реактивное и активное сопротивления ЛЭП выдачи мощности:
(26)
(27)
где x0, r0 удельные реактивное и активное сопротивления, Ом/м (табл. П10, /13/).
Сопротивление лучей схемы замещения двухобмоточного трансформатора с расщепленной обмоткой низшего напряжения:
, (28)
, (29)
где uкВ-Н - напряжение КЗ между обмоткой высшего напряжения и параллельно
соединенными ветвями обмотки низшего напряжения;
uкН1-Н2 - напряжение КЗ между ветвями обмотки низшего напряжения
(измеряется при разомкнутой обмотке высшего напряжения);
Sном номинальная мощность трансформатора, МВА;
Uном номинальное напряжение, кВ.
Расчёт сопротивлений Т1, Т2 по (26), (27):
;
Сопротивление двухобмоточного трансформатора:
(30)
где uk напряжение короткого замыкания, %;
Sном номинальная мощность трансформатора, МВА
Сопротивление генератора в именованных еденицах:
(31)
где Sном номинальная мощность генератора (Р/cosном);
хd сверхпереходное сопротивление генератора по продольной оси.
Для синхронных генераторов сверхпереходная ЭДС в предшествующем режиме определяется по формуле:
, (32)
В формуле (30) знак «+» относится к синхронным машинам, которые к моменту КЗ работали в режиме перевозбуждения, а знак «-» - к работавшим с недовозбуждением.
;
.
При преобразовании исходной схемы замещения замену двух источников ЭДС можно произвести по формуле:
, (33)
где Е1, Z1 и Е2, Z2 ЭДС и полное сопротивление ветвей источников ЭДС.
Полное сопротивление элемента схемы определяется по формуле:
, (34)
где Ri, Xi активное и реактивное сопротивления, рассчитанные по (25)…(31).
Сопротивление элемента эквивалентного двум параллельным ветвям схемы:
(35)
Периодический ток КЗ от эквивалентного источника определяется по следующей формуле:
(36)
Максимальный ударный ток КЗ:
, (37)
где - ударный коэффициент принимаемый по справочным данным.

Рисунок 15 Эквивалентная схема замещения для точки К1
Расчёт эквивалентных сопротивлений и ЭДС конечной эквивалентной схемы замещения (рисунок 15) при последовательном упрощении исходной схемы и составляющих токов КЗ от источников «системы» и генераторов для точки К1 по (33)…(37):
;
;
;
;
;
;
(кА);
Аналогично рассчитывается ток КЗ в других точках КЗ. Результаты расчёта сведены в таблицу 1.
Таблица 1 Расчётные значения токов КЗ
|
Параметр |
Точка КЗ |
|||
|
К |
К1 |
К2 |
К3 |
|
|
РУ-330кВ ПС О-1 |
РУ-330кВ ГАЭС |
шины 11кВ ГАЭС |
РУСН-6 кВ ГАЭС |
|
|
Периодическая составляющая тока КЗ , кА |
10,497 |
9,82 |
24,3 |
6,1 |
|
Амплитуда ударного тока КЗ iуд, кА |
26,42 |
26,88 |
66,3 |
16,0 |
1.9 Выбор аппаратов и проводников главной электрической схемы
1.9.1 Выбор коммутационных аппаратов
Коммутационные аппараты главной схемы должны быть способны включать и отключать соответствующие цепи в продолжительных и в кратковременных аварийных режимах, в том числе в режиме КЗ. Специфическим режимом является режим включения на КЗ. Во включенном положении коммутационные аппараты должны быть способны пропускать сквозной ток КЗ.
В соответствии с правилами /8/ и руководящим указаниям по выбору аппаратов и проводников /13/ выключатели выбираются по сформулированным условиям условиям см. таблицу 2.
Таблица 2 Условия выбора и проверки выключателей
|
Условие выбора и проверки |
Вид проверки |
|
выбор по уровню изоляции |
|
|
выбор по номинальному току |
|
|
выбор по току в утяжеленном режиме |
|
|
выбор по отключающей способности периодической составляющей |
|
|
проверка по отключающей способности апериодического тока |
|
|
проверка по включающей способности |
|
|
проверка по включающей способности |
|
|
проверка по электродинамической стойкости |
|
|
проверка по термической стойкости |
Выбор и проверка выключателя РУ-330 кВ
С учётом условий эксплуатации к установке предварительно принимается выключатель колонковый элегазовый ВГГ-УЭТМ-330II*-40/3150 У1.
Проверка по уровню изоляции:
- условию соответсвует.
Продолжительные режимы характеризуются токами, полученными в разд. 3.1.:
;
.
Проверка выключателя по кратковременному режиму КЗ.
Расчетной точкой КЗ для выбора генераторных выключателей является точка К3. Для нее из расчета токов КЗ имеем:
.
Проверим выключатель по включающей способности:
,.
Проверяем выключатель по отключающей способности:
.
Апериодическая составляющая тока КЗ в момент начала расхождения контактов:
(38)
где время начала расхождения контактов выключателя (по каталожным данным
завода-изготовителя), с;
Tа постоянная времени затухания апериодической (табл. 45.5, /14 /)
Время начала расхождения контактов выключателя определяется суммой времён tсобст собственного времени выключателя и tотк времени отключения выключателя:
=tсобст+tоткл (39)
=tсобст+tоткл=0,025+0,05=0,075(с).
Номинальный ток отключения апериодической составляющей тока КЗ:
, (40)
где - номинальное относительное содержание апериодиеской составляющей, %.
.
Апериодическая составляющая тока КЗ по (38):
- условие проверки выполняется.
Таким образом, выключатель удовлетворяет условиям проверки по включающей и отключающей способности.
Проверка на электродинамическую стойкость:
- условия выполняются.
Проверка на термическую стойкость
Термический импульс (интеграл Джоуля) определим согласно указаниям /13/ и упрощённой методике /15/ при tотк=2,6с<4с (при отказе «своих» и действии резервных защит) по упрощённой формуле:
, (41)
где tотк полное время отключения повреждения с учётом уставки времени срабатывания релейной защиты и времени срабатывания выключателя, с.
Расчёт по (41):
Условие термической стойкости аппарата:
выполняется.
Выбор и проверка выключателей в цепи генератора и в РУСН-6 кВ аналогичны приведённым для РУ-330 кВ и, для сокращения объёма текстовой части, не приводится.
Разъединители выбираются по условиям, сформулированным в табл. 3.3.
Таблица 3 Условия выбора и проверки разъединителей
|
Условие выбора и проверки |
Вид проверки |
|
выбор по уровню изоляции |
|
|
выбор по номинальному току |
|
|
выбор по току в утяжеленном режиме |
|
|
проверка по электродинамической стойкости |
|
|
проверка по термической стойкости |
Выбор и проверка разъединителя в цепи 330 кВ блочного трансформатора Т1-330/11 кВ.
Предварительно принимается разъединитель полупантографного типа РПГ-330/3150 УХЛ1.
Расчетной точкой КЗ для выбора разъединителя РУ-330 кВ является точка К1. Для нее из расчета токов КЗ имеем:
.
Проверка выбранного разъединителя по сформулированным условиям:
;
;
;
Расчёт подтверждает возможность применения данных разъединителей в РУ-330 кВ.
Выбор и проверка разъединителей в цепи генератора аналогичны приведённым для РУ-330 кВ и, для сокращения объёма текстовой части, не приводится.
1.9.2 Выбор измерительных трансформаторов тока и напряжения
Выбор измерительных трансформаторов тока (ТТ) производится по следующим условиям:
- выбор по уровню изоляции,
- выбор по номинальному току,
- выбор по току в утяжеленном режиме,
- проверка по динамической стойкости,
- проверка по термической стойкости;
- соответствие класса точности требуемой точности измерений.
Также производится проверка по нагрузке вторичной цепи, по предельной допустимой 10% полной погрешности измерения, максимально допустимому вторичному напряжению (1000В).
Выбор измерительных трансформаторов напряжения (ТН) производится по следующим условиям:
- выбор по первичному напряжению электроустановки
- по схеме соединения обмоток;
- классу точности;
- вторичной нагрузки.
Выбор и расчётная проверка трансформаторов тока в цепи 330 кВ трансформатора Т1-330/11 кВ.
Предварительно по расчётным условиям установки принимается трансформатора элегазовый ТОГФ-330-II*-0,2S/0,5/10Р/10Р-200-400-800/5 УХЛ1.
Номинальное напряжение ТТ должно соответствовать номинальному напряжению установки:
Uн.ТТ=330= Uн.уст=330 (кВ)
Номинальный первичный ток должен быть возможно ближе к расчётному току присоединения.
Наибольший расчётный (утяжелённый) ток трансформатора:
Iутж = 244А
Выбираем ТТ с шкалой переключаемых обмоток с номинальным первичным током 200-400-800А (принимаем ответвление I1.н= 400 А).
Для подключения токовых цепей измерительных приборов предусматривается две из восьми вторичных обмоток, обеспечивающая класс точности 0,2S (коммерческий учёт электроэнергии) и 0,5 (измерения тока и мощности), а для релейной защиты обмотки класса точности 10Р.
Проверка на 10% полную погрешность токовых цепей РЗ по кривым предельных кратностей
Для токовых защит с независимой характеристикой выдержки времени кратность составит:
Кmax.1 = 1,1·Iп.о/I1.н (42)
где 1,1 коэффициент, учитывающий увеличение кратности первичного тока по сравнению с кратностью вторичного тока, вследствие 10% погрешности ТТ.
Кmax.1 =1,1·9820/400 = 27 (принимается ТТ с предельной кратностью 20)
Из кривых предельных кратностей ТТ находим Zн.доп.1=1,2 Ом (в классе точности 10Р) и Zн.доп.2=1,2 Ом (в классе 0,2S) - допустимое значение сопротивления вторичной нагрузки.
Условие: Zн.расч<Zн.доп,
где Zн.расч -сопротивление вторичных цепей.
Определяем вторичную нагрузку. Сопротивление соединительных проводов:
rпр = l/j·S, (43)
где l - длина провода от ТТ до зажимов вторичных устройств, м;
S - сечение провода, мм2;
j - удельная проводимость для меди равна 57 м/(Ом*мм2).
Расчёт по (43)
rпр= 100/57*4,0=0,43 (Ом),
Для схемы соединения ТТ и реле защиты «звезда» вторичная нагрузка в наиболее загруженных фазах А и С:
Zн.расч.1=2rпр+rр+rип+rконт, (44)
где rр сопротивление аппаратуры РЗ (по каталогу), Ом;
rип сопротивление измерительных приборов (по паспорту), Ом;
rконт переходное сопротивление контактов, Ом.
Zн.расч.1=2·0,43+0,05+0,1+0,15=1,16 (Ом),
Условие: Zн.расч<Zн.доп.1 - выполняется: 1,16<1,2 (Ом)
Вывод: трансформаторы тока ТОГФ-330 удовлетворяют требованиям <10%.
Проверка надёжной работы реле при максимальном значении тока КЗ
Для определения максимальной токовой погрешности fmax используется зависимость А=(f). Коэффициент А:
А=Кmax.1 /Кном , (45)
А=27 /20 =1,35
По графику А=(f) (рис. 12, /16/ для А=1,35 находим максимальную токовую погрешность fmax=30% что меньше допустимых 80% для цифровых реле защиты.
Проверка по условию предотвращения опасных перенапряжений во вторичных цепях ТТ и защиты при максимальных значениях тока КЗ
Максимальное вторичное напряжение:
U2.max=2kуkmaxI2. номZн.расч, (46)
где kу ударный коэффициент тока КЗ (табл.45.5, /14/);
I2. ном номинальный вторичный ток ТТ, А.
U2.max= 21,782751,16=394(В)
Условие U2.max=394< U2.доп=1000 (В) выполняется.
Проверка по режиму трёхфазного короткого замыкания
Трансформатор тока устойчив к термическому действию токов КЗ при соблюдении условия:
.
Трансформатор тока устойчив к динамическому воздействию токов КЗ при соблюдении условия:
.
Выбор и проверка трансформаторов тока в цепи генератора и в РУСН-6 кВ аналогичны приведённым для РУ-330 кВ и, для сокращения объёма текстовой части, не приводится.
Выбор трансформаторов напряжения наружной установки на шинах РУ-330 кВ.
Номинальное напряжение ТН должно соответствовать номинальному напряжению установки:
Uн.ТН=330= Uн.уст=330 (кВ)
Номинальное напряжение вторичной обмотки Uн.2=100 В.
Схемы соединения обмоток и класс точности:
- «звезда с выведенной нейтралью» первичная обмотка с емкостным делителем
напряжения 330 кВ;
- «звезда» вторичная обмотка учёта электроэнергии - 0,2S;
- «звезда» вторичная обмотка для устройств РЗ и А, измерений - 0,5;
- «открытый треугольник» (фильтр 3U0) РЗ и А 3Р.
Предварительно примем трансформатор напряжения ёмкостный типа НДЕ-330-У1.
Вторичная нагрузка складывается из мощности обмоток следующих приборов:
ЩП120 цифровых ватт- и варметров - 2хSном=10ВА;
Н-348 и Н-344 регистрирующие ваттметр и вольтметр - 2хSном=10ВА;
Е-849/1-6 преобразователь активной и реактивной мощности - Sном=1,5ВА;
Е-855/1-М1 преобразователь напряжения - Sном=1,2ВА;
ПСЧ-4ТМ.05Д счётчик активной и реактивной электроэнергии Sном=2,3ВА.
Цифровых реле защиты 2хSном=10ВА.
Суммарная нагрузка вторичной обмотки составит S2=65 ВА
(ВА), следовательно мощность вторичной обмотки ТН выбрана верно.
Выбор и проверка трансформаторов напряжения в цепи генератора и в РУСН-6 кВ аналогичны приведённым для РУ-330 кВ и, для сокращения объёма текстовой части, не приводится.
1.9.3 Выбор ошиновки распределительных устройств
Ошиновка современных распределительных устройств может выполняться заводом-изготовителем электротехнического оборудованияи поставляться комплектно в собранном или в готовом (узлами, блоками) к сборке виде. В таком случае выбор и проверка осуществляется по условиям, сформулированных для аппаратов. Ошиновка распределительных устройств также может выполняться на месте монтажа. Такая ошиновка подразделяется по конструктивному исполнению на гибкую или жёсткую. Это определяет порядок расчёта в соответствии с рекомендациями /13/.
Гибкая ошиновка выполняется голым проводом с креплением на изоляторах и подвесных гирляндах и применяется на открытых распределительных устройствах.
При проектировании необходимо выбрать марку провода и количество проводов на фазу, а также подобрать количество изоляторов в гирляндах в зависимости от механической нагрузки и степени загрязнения атмосферы.
С учётом необходимости сокращения площади РУ на ГАЭС проектом принимается жёсткая ошиновка комплектного блочного ОРУ-330 кВ, выполняемая из трубчатых алюминиевых шин на изолирующих шинных опорах. Короткие перемычки между аппаратами, а также ошиновка силовых трансформаторов выполняются гибкими. Применение жёсткой ошиновки экономит до 25% финансирования и 15% площади РУ.
Ошиновка цепи генераторов комплектные экранированные токопроводы 20кВ.
Ошиновка РУСН-6 кВ жёсткая, входит в состав ячеек КРУ-6 кВ.
1.9.3.1. Выбор проводников ошиновки по нагреву током в продолжительном режиме осуществляется по условиям:
;
Для ошиновки ОРУ-330 кВ примем и комплект жёсткой ошиновки марки ОЖК.330.3150 (ШНК-13600-330/3150УХЛ1; ШН-550-330/3150УХЛ1) с номинальным током 3150 и напряжением 330 кВ:
.
На спусках к аппаратам и в цепи блочных трансформаторов принимается стандартный провод марки 2хАСКП-300/39:
Цепи 11 кВ генераторов Г1…Г4 и силовых трансформаторов Т1… Т2 выполняются комплектным экранированным токопроводом ТЭНЕ-СЭЩ-20-12500-400У1:
.
Ошиновка комплектного распределительного устройства КРУ-СЭЩ-70-10, применяемого в РУСН-6 кВ имеет следующие параметры:
.
1.9.3.2 Проверка выбранных проводников по режиму КЗ
Проверка комплектных ошиновки и шинопроводов осуществляется аналогично проверке аппаратов (см. раздел 1.8.1):
;
Проверка комплектной ошиновки РУ-330 кВ
;
- условиям проверки удовлетворяет.
Проверка комплектного шинопровода 11 кВ в цепи генераторов:
;
- условиям проверки удовлетворяет.
Термический импульс в точке К2 по (39)
Проверка токоведущих частей КРУ-10 кВ РУСН-6 кВ:
;
- условиям проверки удовлетворяет.
Термический импульс в точке К3 по (39)
Сечение проводников некомплекной ошиновки должно быть не меньше минимально допустимого, отвечающего термической стойкости Smin:
, (47)
где Ст параметр по табл. 8.4. /13/.
Для участков РУ-330 кВ, выполненных гибким проводом:
, условие выполняется.
По электродинамической стойкости гибкие проводники, закреплённые на опорных изоляторах и выводах аппаратов, проверке не подлежат в виду того, что применяется гибкий провод, деформации которого под действием тока КЗ допустимы. Электродинамические воздействия на изоляторы комплектной ошиновки РУ-330 кВ от гибких перемычек учтены заводом-изготовителем в общем параметре тока электродинамической стойкости:
.
1.10 Оценка капитальных затрат на реализацию проекта
Для оценки капитальных затрат на данном этапе проектирования удобно воспользоваться укрупнёнными показателями стоимости.
Капитальные затраты на реализацию проекта определяются по формулам:
K=KВЛ+KГАЭС, (48)
, (49)
, (50)
где - удельные капиталловложения в строительство ГАЭС, млн. руб./кВт
/18/;
- укрупнённая стоимость строительства 1 км воздушной ЛЭП,
млн.руб./км (табл.1, /17/) ;
- длина двухцепной ЛЭП 330 кВ на стальных свободностоящих опорах,
км.
Расчёт по (48)…(50):
(млн. руб);
(млн. руб);
K=308,65+12·103=12,309·103 (млн. руб.) 12,31( млрд. руб.)
Заключение
При проектировании рассмотрены местные условия для строительства ГАЭС, выбрано место строительства, технологическая схема, на основании анализа графика нагрузки энергосистемы Калининградской области выбрана установленная мощность, с учётом существующей схемы нормального режима энергосистемы выбрана точка присоединения к энергосистеме и схема выдачи мощности, разработаны основные решения по электротехнической части ГАЭС с применением унифицированных схем, современных серийно выпускаемых аппаратов. Конструктивное исполнение главной схемы предусматривает применение комплектных распределительных устройств, ошиновки, шинопроводов, поставляемых готовыми к сборке компактными узлами и блоками, что позволяет уменьшить сроки строительства, увеличить надёжность, сократить площадь застройки и элекропомещений, обеспечить удобство обслуживания. Выбор аппаратов и проводников производился с учётом практики и методики проектирования аналогичных объектов, на основании действующих нормативных технических документов.
Основные технические решения проекта:
- выдача мощности по двум ЛЭП 330 кВ на узловую подстанцию
ПС О-1 «Центральная»;
- два укрупнённых блока 2х50 МВт с обратимыми гидрогенераторами;
- напряжение РУВН 330 кВ, схема - «четырехугольник»;
- генераторное напряжение 11 кВ, схема блок «генератор-трансформатор»;
- напряжение РУСН 6 кВ, схема «одна секционированная выключатеелм система
шин».
Список использованных источников
1. Гидроаккумулирующие электростанции / Бабурин Б.Л. [и др.] М.: Энергия, 1978
2. Гидроэнергетические установки: Учебник для вузов / Щавелев Д.С. [и др.] Л.: Энергоиздат, 1981
3. Географический атлас Калининградской области / гл. ред. Орлёнок В.В. - Калининград: Изд-во КГУ; ЦНИТ, 2002
4. Калининградская область. Общегеографическая карта. ФГУП «Балт АГП». 2014
5. Схема и программа перспективного развития электроэнергетики Калининградской области на 2013-2018 годы. Приложение к приказу Министерства развития инфраструктуры Калининградской области от 30 апреля 2013 года № 45
6. Генеральная схема размещения объектов электроэнергетики до 2020г.
распоряжение № 215-р от 22.02.2008г. Правительства Российской Федерации.
7. Гидравлические турбины [Электронный ресурс]: ОАО Силовые машины Режим доступа: http://www.power-m.ru
8. Правила устройства электроустановок. 7-е изд. М.: НЦ ЭНАС, 2006.
9. СО 153-34.20.161-2003. Рекомендации по проектированию технологической части гидроэлектростанций и гидроаккумулирующих электростанций. М.: НЦ ЭНАС, 2003
10. Неклепаев Б. Н., Крючков И. П. Электрическая часть электростанций и подстанций: Справочные материалы для курсового и дипломного проектирования. - М.: Энергоатомиздат, 1989
11. ГОСТ 14209-97 Руководство по нагрузке силовых трансформаторов
12. Балаков Ю.Н. Проектирование схем электроустановок: Учебное пособие для вузов / Балаков Ю.Н., Мисриханов М.Ш., Шунтов А.В. 2-е изд. Стереотип. М.: Издательский дом МЭИ. 2006
13. РД 153-34.0-20.527-98 Руководящие указания по расчёту токов короткого замыкания и выбору электрооборудования. М.: НЦ ЭНАС, 2006
14. Электротехнический справочник: в 4 т. Т.3. Производство, передача и распределение электрической энергии / Под общ. ред. профессоров МЭИ В.Г. Герасимова и др. М.: Издательство МЭИ, 2004
15. Электрическая часть станций и подстанций / Васильев А.А. [и др.] М.: Энергоатомиздат, 1991
16. Трансформаторы тока в схемах релейной защиты. М.: НТФ «Энергопресс», 1998
17. Укрупнённые стоимостные показатели линий электропередачи и подстанций напряжением 35-750 кВ
18. Роль гидроэнергетики [Электронный ресурс]: ОАО «Русгидро» Режим доступа: http://www.rushydro.ru
Приложение 1
Технические данные генератора
Таблица 1 - Технические данные генератора
(данные табл. 2.2 /10/)
|
Наименование параметра |
Значение |
|
|
Тип |
СВО-845/140-44Т |
|
|
Номинальная частота вращения, об/мин |
136,4 |
|
|
Номинальная мощность |
Режим генератора, МВт |
50 |
|
Режим двигателя, МВт |
55 |
|
|
Номинальное напряжение, кВ |
11 |
|
|
Номинальный ток, кА |
2,945 |
|
|
сosН |
0,9 |
|
|
ОКЗ |
0,77 |
|
|
Статическая перегружаемость |
1,7 |
|
|
Сопротивления, отн. ед. |
X”d |
0,18 |
|
Xd |
0,26 |
|
|
Xd |
0,77 |
|
|
Х2 |
- |
|
|
Х0 |
- |
|
|
Коэффициент полезного действия, % |
96,9 |
|
|
Схема соединения обмоток |
Y |
|
|
Число выводов |
6 |
|
|
Возбудитель, тип |
СТС(СТН)-375-800 |
|
|
Номинальное напряжение возбуждения Uf.ном, А |
300 |
|
|
Номинальный ток возбуждения If.ном, А |
800 |
|
|
Система возбуждения |
тиристорная |
Приложение 2
Технические данные силовых трансформаторов
Таблица 1 - Технические данные силовых трансформаторов
(данные табл. 3.8 /10/)
|
Обозначение |
Т1, Т2 |
Т3, Т4 |
Т5, Т6 |
|
|
Тип |
ТРДЦН- 125000/330 У1 |
ТМ-6300/10 У1 |
ТМГ-1000/6 У1 |
|
|
Номинальная мощность, МВА |
ВН |
125 |
6,3 |
1 |
|
СН |
- |
- |
- |
|
|
НН |
125 |
6,3 |
1 |
|
|
Номинальное напряжение обмоток, кВ |
ВН |
347 |
11 |
6,3 |
|
СН |
- |
- |
- |
|
|
НН |
11 |
6,3 |
0,4 |
|
|
Диапазон регулирования РПН-авто |
+/-6х2% |
- |
- |
|
|
Потери, кВт |
Pх |
125 |
7,4 |
2,45 |
|
Рк |
380 |
46,5 |
11 |
|
|
Напряжение КЗ, % |
uк.вн-нн |
11 |
7,5 |
5,5 |
|
uк.нн-нн |
28 |
- |
- |
|
|
uк.вн-сн |
- |
- |
- |
|
|
uк.сн-нн |
- |
- |
- |
|
|
Ток холостого хода Iх, % |
0,55 |
0,8 |
1,4 |
|
|
Схема и группа соединений |
Ун/Д-Д-11-11 |
Д/Д-0 |
Д/Ун-11 |
Приложение 3
Таблица 1 - Технические данные выключателей главной схемы
(данные каталогов ЗАО «Уралэлектротяжмаш», ОАО «ВО
«Электроаппарат», ЗАО «ГК «Электрощит», ОАО «Контактор» )
|
Обозначение |
Q1…Q4 |
Q6…Q8 |
Q9…Q11 |
QF1…QF3 |
|
Тип |
ВГГ-УЭТМ-330II*-40/3150 У1 |
ВГГ-20- 90/6300 У2 |
ВВУ-П3-10-20/1600 У2 |
ВА50-45Про ПРОТОН 25 |
|
Номинальное напряжение, кВ |
330 |
20 |
10 |
0,69 |
|
Номинальный ток, А |
3150 |
6300 |
1600 |
2500 |
|
Номинальный ток отключения, кА |
40 |
90 |
20 |
65 |
|
Номинальное относит. содержание апериодической составляющей, % |
47 |
40 |
40 |
40 |
|
Номинальный ток электродинамической стойкости, кА |
102 |
230 |
50 |
100 |
|
Номинальный ток включения (действующее значение), кА |
40 |
90 |
20 |
65 |
|
Номинальный ток включения (амплитудное значение), кА |
102 |
230 |
50 |
143 |
|
Номинальный ток термической стойкости, кА |
40 |
90 |
20 |
- |
|
Время протекания тока термической стойкости, с |
3 |
3 |
3 |
- |
|
Собственное время отключения, с |
0,025 |
0,1 |
0,05 |
0,015 |
|
Полное время отключения, с |
0,05 |
- |
- |
- |
Приложение 4
Таблица 1 - Технические данные разъединителей главной схемы
(данные каталогов ЗАО «ЗЭТО)
|
Обозначение |
QS1…QS8 |
QS9…Q20 |
|
Тип |
РПГ330/3150УХЛ1 |
РРТЗ-20/6300УХЛ3 |
|
Номинальное напряжение, кВ |
330 |
20 |
|
Номинальный ток, А |
3150 |
6300 |
|
Номинальный ток электродинамической стойкости, кА |
160 |
200 |
|
Номинальный ток термической стойкости, кА |
63 |
80 |
|
Время протекания тока термической стойкости, с |
2 |
3 |
PAGE \* MERGEFORMAT1
EMBED Equation.3
EMBED Equation.3
Разработка электротехнических решений для ГАЭС, установленной мощностью 200 МВт