ВАЛ ТИХОХОДНЫЙ
Министерство образования и науки РФ
ФГБОУ ВО Кемеровский технологический институт
пищевой промышленности ( университет )
Кафедра «Прикладная механика»
ВАЛ ТИХОХОДНЫЙ
Пояснительная записка к курсовому проекту по курсу “Детали машин и основы конструирования”
КС.01.00.00.ПЗ
Студент гр РС-032 Ахметшин В.Л
Руководитель Гоголина И.В
Кемерово 2015
Содержание
Техническое задание……………….....………………………….…………….…...................................….3
Введение……………………………………………………………………..….............................................4
- Кинематический и силовой расчеты привода…………………..…….........................................5
- Выбор электродвигателя……………………………………..…...............................…....5
- Определение общего КПД привода……………………..….....................................5
- Определение требуемой мощности двигателя…………..…...................................5
- Определение максимальной и минимальной частоты .вращения………………………………………............…….….........................................5
- Выбор электродвигатель…………………………....…….................................…....6
- Кинематический и силовой расчеты привода………………….................................….7
- Определение общего передаточного числа и разбивка его по передачам…………………………………………………….….........................................7
- Определение частот вращения на каждом валу привода…....................................7
- Определение угловых скоростей на каждом валу привода.…...............................7
- Определение мощностей на каждом валу привода………….….............................8
- Определение крутящих моментов на каждом валу привода…...............................8
- Выбор электродвигателя……………………………………..…...............................…....5
2. Расчёт передачи
2.1.1 Расчёт передачи зацеплением на ЭВМ (приложение 1 )
2.2.1 Анализ результатов и выбор оптимального решения.....................................................10
3. Проектировочный расчёт валов......................................................................................................11
3.1.1 Проектировочный расчёт тихоходного вала....................................................................11
3.1.2 Проектировочный расчёт быстроходного вала................................................................11
4. Выбор муфты...................................................................................................................................12
5.Выбор шпонки ..................................................................................................................................12
6. Выбор типа подшипников качения: обоснование, тип, серия.......................................................13
7. Уточненный расчёт тихоходного вала.
7.1.1 Определение опорных реакций. Построение эпюр изгибающих и крутящих моментов.
Выявление опасных сечений..............................................................................................................14
7.2.1 Проверочный расчёт вала на выносливость....................................................................16
8. Проверка долговечности подшипников.........................................................................................18
9. Смазка зацепления подшипников...................................................................................................20
Заключение………………………………………………………………….........................................…..21
Список литературы……………………………………………………........…..................................…….22
Техническое задание
по прикладной механике студенту Ахметшину В.Л гр. РС-032. Вариант 1
Выполнить кинематический и силовой расчеты привода по схеме, приведенной на рисунке 1. Выполнить расчет червячной передачи и спроектировать червячное колесо.
Мощность на приводном валу рабочей машины Pр.м. = 1,7 кВт.
Частота вращения этого вала р.м. = 3,3 с-1.

Рисунок 1-Кинематическая схема электромеханического привода
Также представить пояснительную записку и рабочий чертеж тихоходного вала формата А3.
Введение
В данной работе требуется произвести кинематический и силовой расчеты привода, состоящий из электродвигателя, муфты, червячного редуктора, клиноременной передачи и вала рабочей машины.
Достоинства червячной передачи: большое число передач, передаточное число постоянно, плавность, бесшумность.
Недостатки червячной передачи: большая сила трения, низкий КПД, особые требования к смазке.
Редуктор это механическая передача, находящаяся в отдельной закрытой коробке (называемой корпусом), служащая для уменьшения угловой скорости и повышения крутящего момента на ведомом (тихоходном) валу.
Достоинства клиноременной передачи: передача крутящего момента на расстоянии, простота изготовления, бесшумность.
Недостатки клиноременной передачи: непостоянное передаточное число, ремень должен быть постоянно натянут ( нагрузка на валы )
Муфта состоит из двух полумуфт и соединительных элементов. Служит для соединения двух валов и передачи крутящего момента без изменения его значения и направления.
Цель работы: приобретение навыков работы с учебной, справочной литературой, государственными и отраслевыми стандартами. А также научиться анализировать назначение и условия работы деталей и принимать обоснованные, конструктивные и технологические решения.
- Кинематический и силовой расчеты привода
- Выбор электродвигателя.
- Определение общего КПД привода
общ = ч· р· м· п3;
где ч КПД закрытой червячной передачи;
р КПД клиноременной передачи;
м КПД муфты;
п КПД пары подшипников.
Примем [2, с.7 таблица 1.1 ]
ч=0,8; р=0,94; м=0,98; п=0,99;
общ=0,8·0,94·0,98·0,993=0,72.
- Определение требуемой мощности электродвигателя

- Определение максимальной и минимальной частоты вращения
n`min = nр.м · umin ; n`max=nр.м·umax;
umin = umin ч · umin рм; umax = umax ч · umax рм;
nр.м. =
где, - частота вращения вала рабочей машины; - частота вращения вала рабочей машины, об/мин; - передаточное отношение редуктора;
n`min =15,76 · 32=504,32 ; n`max=15,76·150=2364
umin =16·2=32; umax = 50·3=150
nр.м. =
- Выбираем электродвигатель [ 2, с. 456]
АИР 90L4 ТУ 16-525.564 84 с характеристикой:
Рэд = 2,2 кВт;
nс = 1500об/мин;
nас = 1395 об/мин.
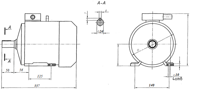
Выбранный электродвигатель представлен на рисунке 2.

Рисунок 2-Электродвигатель АИP90L4 с установочными и габаритными размерами
1.2 Кинематический и силовой расчеты привода.
1.2.1 Определение общего передаточного числа и разбивка его по передачам
uобщ =
Примем u2 = 40 , тогда u1 = .
1.2.2 Определение частот вращения на каждом валу привода
Вал двигателя n = nac = 1395 об/мин;
Вал I n1 = n/ u1 = 631,22 об/мин;
Вал II n2 = n1 / u2 = 15,78 об/мин;
Вал III n3 = n2 = 15,78 об/мин.
1.2.3 Определение угловых скоростей на каждом валу привода
Вал двигателя =
Вал I 1=*n1/30 = 66.06 с-1;
Вал II 2=*n2/30= 1,65 с-1;
Вал III 3=2 = 1,65 с-1.
1.2.4 Определение мощностей на каждом валу привода
Вал двигателя Р = Рэд = 2,36 кВт;
Вал I Р1 = Р · р · п =2,19 кВт;
Вал II Р2 = Р1 · ч · п = 1,73 кВт;
Вал III Р3 = Р2 · м · п = 1,67 кВт
1.2.5 Определение крутящих моментов на каждом валу привода
Вал двигателя Н· м;
Вал I Н· м ;
Вал II Н· м ;
Вал III Н · м .
Результаты расчетов введены в таблицу 1.
Таблица 1 Результаты расчетов
|
Номер вала |
n, (об/мин) |
, (с-1) |
Р, (кВт) |
Т, (Н·м) |
|
Вал привода |
1395 |
146,01 |
2,36 |
16,16 |
|
Вал I |
631,22 |
66,06 |
2,19 |
33,15 |
|
Вал II |
15,78 |
1,65 |
1,73 |
1048,48 |
|
Вал III |
15,78 |
1,65 |
1,67 |
1012,12 |
2 Расчёт передачи
2.1.1 Расчёт передачи зацеплением на ЭВМ ( приложение А )
2.2.1 Анализ результатов расчета и выбор оптимального варианта
Выбираем второй вариант с материалом венца колеса БрОЗЦ7С5Н1 , так как он является наиболее оптимальным. В нем выполняются условия: н [н] и f [f] и в этом варианте средние силы и габариты.
а = 450 мм, БрС30
df = 216 мм;
df 1,35d = 1,3526 = 35,1;
216 35,1 условие выполняется.
2) а = 200 мм, БрО3Ц7С5Н1
df 1,25d = 1,3526 = 35,1;
60 35,1 условие выполняется.
а = 110 мм, БрА10ЖЗМц2
df = 54 мм;
df 1,25d = 1,3526 = 35,1;
54 35,1 условие выполняется
3 Проектировочный расчет валов
3.1.1 Проектировочный расчет тихоходного вала
d=(7...8) Ттв
d=7=71,05. Уточняем диаметр: d=70 [4,с.452]
Диаметр под подшипником
dn=d+2tцил
dn=72+25,1=82,2мм. Примем стандартное значение dn=85мм.
Диаметр буртика подшипника
dбn=dn+3r
dбn2 =85+33,5=95,5мм. Уточняем диаметр буртика подшипника=100[4,с. 452]
3.1.2 Проектировочный расчёт быстроходного вала
d=(7...8) Тбв
d=7=25,68. Уточняем диаметр: d=26[4, с. 452]
Диаметр под подшипником
dn=d+2tцил dn=26+23,5=33. Примем стандартное значение dn=35мм.
Диаметр буртика подшипника
dбn=dn+3r
dбn2 =35+32=41мм. Уточняем диаметр буртика подшипника=42 [4,с.452]
Формулы и значения tцил, r берем из таблицы [2,с. 46]
4 Выбор муфты
Выбираем муфту компенсирующую жёсткую цепную ГОСТ-20742-81.
Достоинство муфты-при монтаже и демонтаже не требуется осевого смещения узлов. Для удержания смазочного материала муфту закрывают кожухом. Чтобы предотвратить утечку масла, в кожух встраивают уплотнения. Кожух выполняют литым из лёгких сплавов.
Тр=КТкон
Тном=1048,48 К=(1,1...1,4)
Тр=1,41048,48=1467,87
где, - номинальный длительно действующий момент;
Ткон- динамическая составляющая момента
К- коэффициент режима работы. При спокойной работе и небольших
разгоняемых при пуске массах к 1,1….1,4
Принимаем по расчетам Муфта цепная 2000-63-1.1 ГОСТ 20742-81
5 Выбор шпонки
1)Диаметр выходного конца тихоходного вала d=70мм lст=105
Длину ступицы назначают на 8...10 мм больше длины шпонки
Учитывая длину ступицы определяем длину шпонки
l = lст - 10мм=105-10=95мм. Из стандартного ряда выбираем длину шпонки l = 90 мм [1, c.476 ]
Определяем длину шпонки
l = lр + b=27+20=47мм
Принимаем «Шпонка 201290 ГОСТ 23360 78».
2) Диаметр буртика подшипника тихоходного вала dбп=100 мм lст=80
Определяем длину шпонки
l = lст - 10мм=80-10=70мм из стандартного ряда выбираем длину шпонки l = 70 мм [1, c.476 ]
Принимаем «Шпонка 281670 ГОСТ 23360 78».
3)Диаметр выходного конца быстроходного вала d=26 мм lст=39
Определяем длину шпонки
l = lст - 10мм=39-10=29мм из стандартного ряда выбираем длину шпонки l = 28 мм [1, c.476 ]
Принимаем «Шпонка 8728 ГОСТ 23360 78».
Проверка прочности шпоночных соединений ( Приложение Б )
6 Выбор типа подшипников качения
Конические и червячные колёса должны быть точно и жестко зафиксированы в осевом направлении. Шариковые радиальные подшипники характеризует малая осевая жесткость. Поэтому в силовых передачах для опор валов конических и червячных колес применяют конические роликовые подшипники.
Опоры червяка в силовых червячных передачах нагружены значительными осевыми силами. Поэтому в качестве опор вала червяка выбираем конические роликовые подшипники серии 7517А ГОСТ 333-79

7 Уточнённый расчёт тихоходного вала
7.1.1 Определение опорных реакций. Построение эпюр изгибающих и крутящих моментов. Выявление опасных сечений
A B C D
На тихоходном валу определим самое опасное сечение, построив эпюры крутящих и изгибающих моментов в горизонтальной и вертикальных плоскостях, а также суммарную эпюру.
Для построения эпюр воспользовались количественной мерой сил, которые взяли из выбранного нами варианта с материалом венца БрОЗЦ7С5Н1
Fa= H
Fr=2400.856 H
Ft=6553 H
Fm=125=125
d=320mm
Mиз===136.72 Нм
1) Строим эпюру Мг
Ма=-Fta+Rb(a-b)-Fm(a+b+c)=65530.0064+Rb (0.064+0.064)-4047.53 (0.064+0.064+0.136)=419.392+Rb0.128-1068.54792
0.128Rb=419.392+1068.54792+1487.93992=11624.531 Rb
Mb=Ftb-Ra(a+b)-Fmc=65530.064-Ra0.128-4047.530.136
Ra 0.128=419.392-550.46408
Ra=-1024.0006
F=Ra+Rb-Fm-Ft=0
Участок AB=Raa=-1024.00060.064=-65.53
Участок BC=Ra(a+b)-Ftb=-1024.00060.128-65530.136=-550.46
Участок CD=Fmc=-550.46
2) Строим эпюру Мв
Ma=-Fra-M+Rb(a+b)=-2400.8560.064-M+Rb 0.128
Rb=2268.553
Mb=Fra-M-Ra(a+b)=2400.8560.064-136.72-Ra 0.128
Ra=132.303
F=Ra+Rb-Fr=0
Участок ABверх=Raa=132.3030.064=8.46
Участок ABнижн=Raa-M=132.3030.064-136.72=-128.25
3) Строим суммарную эпюру
A=
B верхняя=
B нижняя=
C=
D=0
Опасным сечением будет место под подшипник, так как в этой точке суммарная эпюра достигает наибольшего значения.
7.2.1 Проверочный расчёт вала на выносливость
Расчет на статическую прочность, заключается в определении d вала в опасном сечении и рассчитываем по формуле:
==55.30мм
Т.к. диаметр опасного сечения=55.30мм( что меньше допускаемого 80мм.),то прочность вала обеспечивается
Определим эквивалентный изгибающий момент
Мэкв== =1184.19446НмОпределим эквивалентное напряжение
экв = ==19.28МПа
Определим осевой момент сопротивления сечения
==60261.0156
Определим напряжение в опасных сечениях
==9.13 МПа
к===8.54 МПа
а=0,5 а=4,27 МПа
Определим пределы выносливости вала в рассматриваемом сечении:
==99.15 Н/мм2
==85.36 Н/мм2
Определим КD и КD коэффициенты снижения предела выносливости, вычисляемые по формулам
Примем [4,с.214 таблица 12.18] =4.6 ; =3.2
=(4.6+1-1)=3.53
=(3.2+1-1)=2.46
где К и К эффективные коэффициенты концентрации напряжений,
Кd и Кd коэффициенты влияния размеров поперечного сечения,
Определим коэффициент запаса прочности [4,с. 227]
==9.53
где S и S - коэффициенты запаса по нормальным и касательным напряжениям, определяемые по зависимостям
==10.85
=
8 Проверка долговечности подшипников
Определим суммарные реакции опор для расчета подшипников [4, с. 243]
Fr1.2=
Fr1==11625.2839Н
Fr2==2488.9576Н
Значения взяли из пункта-"уточненный расчет тихоходного вала"
Определим осевые составляющие [4,с. 244]
Famin1.2=0.83eFr1.2, где " е"-коэффициент осевого нагружения
Famin1=0.830.3911625.2839=3763.1044Н
Famin2=0.830.392488.9376=805.6755Н
В соответствии с получившимися значениями находим значения X и Y для опор.
Отношения е X=1 Y=0
Находим эквивалентные нагрузки при Кб=1 и Кт=1
Pr1.2=(VXFr1.2+YFa1.2) КбКт
Pr1=(1111625.2839+03763.1044) 11=11625.2839
Pr2=2488.9576
Определим расчетную долговечность подшипников при a23=0.6 [4, с.105]
L10ah1.2=a1a23
L10ah1= 10.6=4090572.73ч
L10ah2=693169954.647ч
Вывод: L10ah =693169954.647ч. Это больше требуемой долговечности L10ah=20000ч, поэтому подшипник 7517А пригоден.
9 Смазка зацепления подшипников
Для червячных редукторов используют смазывание жидким маслом картерным способом (окунанием) , при котором масло в корпус заливается так, чтобы венец зубчатого колеса был в него погружен. При вращении колеса масло захватывается зубьями, разбрызгивается, попадает на внутренние стенки корпуса редуктора, оттуда стекает в нижнюю его часть (масляную ванну). Внутри корпуса образуется взвесь частиц масла в воздухе (масляный туман), которая оседает на все детали редуктора.
Окружная скорость не должна превышать 12,5м/с
Определим окружную скорость червяка согласно [1, с. 40]
где d1 делительный диаметр червяка, мм;
n1 частота оборотов червяка, об/мин
Определим окружную скорость колеса
где d2 делительный диаметр колеса, мм;
n2 частота оборотов колеса, об/мин
По рекомендации [1, с. 172] выберем масло Литол-24.
Определим глубину погружения червяка согласно [1, c. 174].
hм=2m...0.25d2 =28...0.25320=16...80мм.
При картерном смазывании передач подшипники смазываются брызгами масла.
Заключение
В данной работе был выполнен кинематический и силовой расчет привода. выполнен проектировочный расчет валов, выбран тип подшипников качения, определен тип смазывания подшипников и зацепления, выполнен уточненный расчет валов, проверены подшипники качения на долговечность, подобран тип муфты. В графической части проекта был выполнен сборочный чертеж тихоходного вала на формате А3 со спецификацией.
Выполнив проверочный расчет валов, и проанализировав полученные данные, мы можем с уверенностью сказать, что данные изделия удовлетворяют необходимым условиям прочности, т.к. коэффициент запаса прочности в несколько раз больше допускаемого S=9.5>[S]=2. Исходя из этого, полученные ранее расчеты принимаем как основные.
Произведя проверку прочности шпоночных соединений (раздел 5), мы определили минимальную рабочую длину шпонок, их ширину, высоту, действующие и допускаемые напряжения.
В разделе 6 мы проверили выбранные подшипники на долговечность. Из результатов видно, что средняя долговечность подшипников полностью удовлетворяет заданному ресурсу редуктора.
Погрешность расчетов составляет
P=(P1-P2/P2)100%=(2.36-2.19/2.19)100%=7%
Результаты расчета показали, что погрешность передаточного числа составляет 0,01% ,а погрешность мощности 7%. Таким образом, принимаем произведенные ранее расчеты как основные.
Список литературы
1 Дунаев, П.Ф. Конструирование узлов и деталей машин: Учеб. пособие для техн. спец. вузов/П.Ф.Дунаев, О.П.Леликов,М.:Издательский центр "Академия", 2001.-447с.
2 Детали машин: Учебное пособие по выполнению курсового проекта для студентов механических и технологических специальностей заочной формы обучения/ Л.В Грачёва[и др.],-К.: Кемеровский технологический институт пищевой промышленности, 2003.-180с.
3 Дунаев, П.Ф Курсовое проектирование " Детали машин " учебное пособие для учащихся машиностроительных специальностей техникумов /П.Ф.Дунаев, О.П.Леликов 1990.-399с.
Изм.
Лист
№ докум.
Подпись
Дата
Лист
2
КС.01.00.00.ПЗ
Разраб.
Ахметшин В.Л.
Пров.
Гоголина И.В.
Т. контр.
Н. контр.
Утв.
ВАЛ ТИХОХОДНЫЙ
Лит.
Листов
КемТИПП гр. РС-032
Изм.
Лист
№ докум.
Подпись
Дата
Лист
3
КС.01.00.00.ПЗ
4
3
Вал I I I
n 3, 3, Р3, Т3
Вал I
n1, 1, Р1, Т1
Вал I I
n2, 2, Р2, Т2
u2, 2
u1, 1
Вал двигателя
n, , Р, Т
Изм.
ист
№ докум.
Подпись
Дата
Лист
4
КС.01.00.00.ПЗ
Изм.
Лист
№ докум.
Подпись
Дата
Лист
5
КС.01.00.00.ПЗ
Изм.
Лист
№ докум.
Подпись
Дата
Лист
6
КС.01.00.00.ПЗ
Изм.
Лист
№ докум.
Подпись
Дата
Лист
7
КС.01.00.00.ПЗ
Изм.
Лист
№ докум.
Подпись
Дата
Лист
8
КС.01.00.00.ПЗ
Изм.
Лист
№ докум.
Подпись
Дата
Лист
9
КС.01.00.00.ПЗ
Изм.
Лист
№ докум.
Подпись
Дата
Лист
10
КС.01.00.00.ПЗ
Изм.
Лист
№ докум.
Подпись
Дата
Лист
11
КС.01.00.00.ПЗ
Изм.
Лист
№ докум.
Подпись
Дата
Лист
12
КС.01.00.00.ПЗ
Изм.
Лист
№ докум.
Подпись
Дата
Лист
13
КС.01.00.00.ПЗ
Изм.
Лист
№ докум.
Подпись
Дата
Лист
14
КС.01.00.00.ПЗ
Изм.
Лист
№ докум.
Подпись
Дата
Лист
15
КС.01.00.00.ПЗ
Изм.
Лист
№ докум.
Подпись
Дата
Лист
16
КС.01.00.00.ПЗ
Изм.
Лист
№ докум.
Подпись
Дата
Лист
17
КС.01.00.00.ПЗ
Изм.
Лист
№ докум.
Подпись
Дата
Лист
18
КС.01.00.00.ПЗ
Изм.
Лист
№ докум.
Подпись
Дата
Лист
19
КС.01.00.00.ПЗ
Изм.
Лист
№ докум.
Подпись
Дата
Лист
20
КС.01.00.00.ПЗ
Изм.
Лист
№ докум.
Подпись
Дата
Лист
21
КС.01.00.00.ПЗ
Изм.
Лист
№ докум.
Подпись
Дата
Лист
22
КС.01.00.00.ПЗ
ВАЛ ТИХОХОДНЫЙ