Фильтр нижних частот с заданными параметрами
Задание:
Спроектировать фильтр нижних частот с заданными параметрами:
Аппроксимация АЧХ по Чебышеву, частота среза Fс = 70 Гц, неравномерность в полосе пропускания Mmax = 1 Дб, частота задержания Fз = 160 Гц, ослабление на частоте задержания Fз Mmin = 50 Дб, коэффициенты усиления по напряжению: 1 и 4, Rвх100кОм, Rн=300 Ом, Iн max = 4 мА, Uвх = -7 В …+7 В, защита от КЗ на выходе фильтра.
- Определение порядка фильтра и его структуры.
Для фильтра нижних частот нормированная частота = Fз/Fс=160/70=2.2857
Определим порядок фильтра:
Округлим n вверх до ближайшего целого числа. Таким образом n=7, и искомый фильтр нижних частот будет содержать 1 звено 1-го порядка и 3 звена 2го порядка.
Коэффициенты для 0,5 дБ:
1 звено: А1=1,016, звено 1-го порядка
2 звено: А2=0,677, B2=0,114, второе звено 2го порядка
3 звено: А3=0,254, B3= 0,319, третье звено 2го порядка
4 звено: А4=0,256, B4= 0.462, четвертое звено низкодобротное 2го порядка
Следовательно:
Частотная характеристика фильтра соответственно запишется в виде:
, при подстановке нормированной частоты получим: 0.707*2.247*0.802*0.555=0.708 или 20lg(0.708)=-3.005, при подстановке получим: 0.555*0.706*0.444*0.336=0.058 или 20lg(0.058)=-24.664.
Следовательно, технические требования АЧХ в полосе пропускания на частоте среза и задерживания выполняются.
|
0 |
0,1 |
0,2 |
0,3 |
0,4 |
0,5 |
0,6 |
0,7 |
0,8 |
0,9 |
1 |
|
|
f,кГц |
0 |
3 |
6 |
9 |
12 |
15 |
18 |
21 |
24 |
27 |
30 |
|
К(f) |
1 |
1 |
1 |
1 |
1 |
1 |
1 |
0,997 |
0,979 |
0,903 |
0,708 |
Из таблицы видно, что нелинейность в полосе пропускания не превышает 5дБ.

- Реализация звеньев фильтра.
Для реализации НЧ звена 1 порядка выберем схему, приведённую на рисунке 2.2.1.
Рис. 2.2.1 Фильтр нижних частот первого порядка с инвертирующим усилителем.
Коэффициент передачи НЧ звена 1 порядка:
А1=1,016; K0=-1;-3;-9; Fс = 70 Гц
При определении номиналов сопротивлений R1 и R2 имеем свободу выбора
Расчётные соотношения для нахождения навесных компонентов:
;
Согласно ряду E24, выберем значение ёмкости конденсатора =30 нФ.
Находим значение резистора R2:
Ом
Согласно номинальному ряду E192, выбираем значение резистораравным 77,7 кОм
В качестве активных элементов фильтра используем операционные усилители LF411A.
Выбранный операционный усилитель удовлетворяет заданным требованиям на амплитуду входного сигнала Uвх = -7 В …+7 В.
Защита выхода ОУ от короткого замыкания осуществляется с помощью резистора, включенного последовательно с выходом ОУ. Этот резистор ограничивает выходной ток ОУ в случае короткого замыкания нагрузки.
Примем значение данного резистора
Напряжение, исходя из параметров ОУ, примем равным 12 В.
В таком случае выходной ток будет равен 12 В / 7,77 кОм = 1,5 мА.
Допустимый выходной ток для ОУ LF411A равен 6 мА, следовательно, условия ТЗ выполняются. Если ФНЧ работает на нагрузку, то из-за образовавшегося делителя напряжения на выходе схемы сигнал фильтра ослабляется.
Следовательно, требуется поднять коэффициент передачи всего фильтра.
Это достигается изменением первого звена в 25 раз, умножая номинал на .
При = -1, имея = 77,7 кОм, получаем значение сопротивления R1=77,7 кОм. Умножаем значение на . Получаем = 3,1 кОм. Согласно номинальному ряду E192, выбираем окончательное значение резистора R1: R1= 3,12 кОм.
При = -3 получаем значение сопротивления R1=25,9. Умножаем значение на . Получаем =1 кОм. Согласно номинальному ряду E192, выбираем окончательное значение резистора R1: =1 кОм.
При = -9 получаем значение сопротивления R1=8,6. Умножаем значение на . Получаем =344 Ом. Согласно номинальному ряду E192, выбираем окончательное значение резистора R1: =344 Ом.
Для обеспечения большого Rвх в качестве первого каскада проектируемого фильтра включаем повторитель напряжения на ОУ, входное сопротивление которого ограничиваем подключением параллельно входу резистора номиналом 100 кОм.
Для защиты проектируемого ФНЧ от опасных дифференциального и синфазного напряжений параллельно входу первого каскада (повторителя напряжения на ОУ) подключим 2 встречно-соединённых диода, которые при превышении допустимого напряжения открываются и ограничивают входной сигнал уровнями ±7 В.
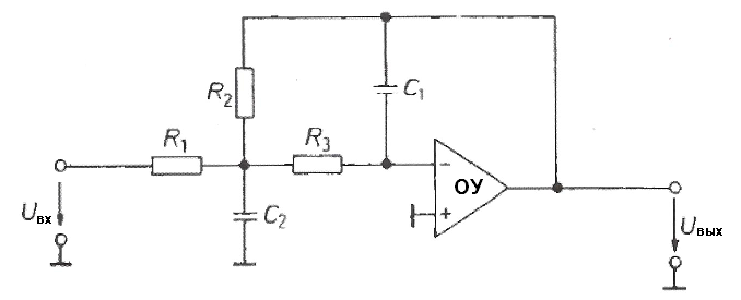
Для реализации первого звена второго порядка выберем схему, приведенную на рисунке 2.2.2.

Рис. 2.2.2. Активный фильтр нижних частот второго порядка с многопетлевой отрицательной обратной связью.
Коэффициент передачи низкочастотного звена второго порядка:
А2 = 0,677, B2 = 0,114, K0 = -1.
Расчётные соотношения для вычисления номиналов навесных компонентов:
Согласно ряду E24 выберем значение ёмкости конденсатора C1=1,3 нФ.
Для того, чтобы сопротивление резистора R2 было действительным, должно выполняться условие:
; ; ; C2 2,574*10-9 Ф
Согласно ряду E24 выберем значение ёмкости конденсатора C2 = 2,7 нФ.
=471129 Ом.
Согласно номинальному ряду E192 выберем значение резисторов R1 = R2 = 475 кОм.
Согласно номинальному ряду E192 выберем значение резистора R3 = 357 кОм.
Для реализации второго звена второго порядка выберем схему, приведенную на рисунке 2.2.2.
Коэффициент передачи низкочастотного звена второго порядка:
А3 = 0,254, B3 = 0,319, K0 = -1.
Расчётные соотношения для вычисления номиналов навесных компонентов:
Согласно ряду E24 выберем значение ёмкости конденсатора C1=1,3 нФ.
Для того, чтобы сопротивление резистора R2 было действительным, должно выполняться условие:
; ; ; C2 51,428*10-9 Ф
Согласно ряду E24 выберем значение ёмкости конденсатора C2 = 56 нФ.
= 158694,7 Ом.
Согласно номинальному ряду E192 выберем значение резисторов R1 = R2 = 160 кОм.
Согласно номинальному ряду E192 выберем значение резистора R3 = 642 кОм.
Для реализации третьего звена второго порядка выберем схему, приведенную на рисунке 2.2.2.
Коэффициент передачи низкочастотного звена второго порядка:
А4 = 0,256, B4 = 0.462, K0 = -1.
Расчётные соотношения для вычисления номиналов навесных компонентов:
Согласно ряду E24 выберем значение ёмкости конденсатора C1=1,3 нФ.
Для того, чтобы сопротивление резистора R2 было действительным, должно выполняться условие:
; ; ; C2 73,315*10-9 Ф
Согласно ряду E24 выберем значение ёмкости конденсатора C2 = 75 нФ.
= 40568,3 Ом.
Согласно номинальному ряду E192 выберем значение резисторов R1 = R2 = 40,7 кОм.
Согласно номинальному ряду E192 выберем значение резистора R3 = 562 кОм.
На этом расчет номиналов радиоэлементов всех звеньев ФНЧ закончен.
- Моделирование активного фильтра в программе Micro-Cap.



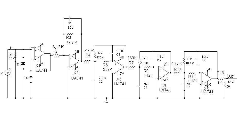
Рис. 2.3.1. Принципиальная схема фильтра, представленного в интерфейсе программы Micro-Cap, для коэффициента усиления K0 =1.
|
Наименование вывода |
Цепь |
|
VC |
+15 В |
|
VE |
-15 В |
|
0 |
GND |
|
In |
Вход |
|
Out |
Выход |

Рис. 2.3.2. Принципиальная схема фильтра, представленного в интерфейсе программы Micro-Cap, для коэффициента усиления K0 =3.
|
Наименование вывода |
Цепь |
|
VC |
+15 В |
|
VE |
-15 В |
|
0 |
GND |
|
In |
Вход |
|
Out |
Выход |

Рис. 2.3.3. Принципиальная схема фильтра, представленного в интерфейсе программы Micro-Cap, для коэффициента усиления K0 =9.
|
Наименование вывода |
Цепь |
|
VC |
+15 В |
|
VE |
-15 В |
|
0 |
GND |
|
In |
Вход |
|
Out |
Выход |
Переключение коэффициента усиления по напряжению в спроектированном ФНЧ осуществлялось подключением к инвертирующему входу ОУ DA2 сопротивления R2 с другим номиналом, обеспечивающим требуемый коэффициент усиления. Для K0 = 1 номинал R2 = 2,05 кОм; для K0 = 3 номинал R2 = 681 кОм; для K0 = 9 номинал R2 = 229 кОм.
Моделирование работы спроектированного ФНЧ в программе Micro-Cap 9 показало, что заданные в ТЗ условия выполняются как при идеальном ОУ, задаваемой в его модели уровнем Level 1, так и при модели, отражающей реальные характеристики выбранного ОУ (Level 3).



R2
1
R1
Фильтр нижних частот с заданными параметрами