Обладнання для газліфтного способу видобутку нафти
Обладнання для газліфтного способу видобутку нафти
Вступ
Нафтогазова промисловість одна із провідних галузей, на яких базується економіка України. Сьогодні спостерігається активне втручання політики у справи нафтогазової промисловості, що є основним джерелом збагачення країни. Розвиток даної галузі залежить від показників обладнання, що застосовується в ній, зокрема, від обладнання, що застосовується для буріння свердловин. Варто зазначити, що обладнання, яке використовується сьогодні є застарілим. Майже всі відкриття, що використовуються у них сягають лише 60-70років.
На ситуацію в паливно-енергетичному комплексі України впливає і структура балансу енергоспоживання в країні. В перерахунку на умовне паливо частка нафти і газу в балансі енергоспоживання становить близько 55%. І це за умови, що Україна забезпечує себе нафтою власного видобутку на 10%, а газом на 40-50%. Ускладнює ситуацію також надмірне споживання газу, як основного виду палива. Щороку Україна споживає газу більше ніж такі країни як Франція, Італія чи Японія.
Протягом останнього десятиріччя нафтогазова галузь України перебуває у затяжній глибокій кризі, одним із проявів якої є сповільнення, а в окремих випадках цілковите призупинення модернізації і реконструкції обєктів нафтогазового комплексу, удосконалення технологічних проектів у сфері пошуку і розвідки родовищ, буріння свердловин, видобутку і транспортування нафти і газу. Ці чинники у своїй сукупності і взаємозв'язку значною мірою впливають на ефективність виробничих процесів. Відносна стабілізація показників видобутку та транспортування нафти і газу у 1999-2003 роках не є результатами корінних змін у науково-технічній галузі, а скоріше свідчить про інтенсивне використання сировинної бази, виробничих потужностей, інтелектуального потенціалу галузі, який було створено у попередні десятиріччя.
В даній курсовій роботі розглядаються питання пов'язані з обладнанням для видобутку нафти газліфтним способом, його вибір, вивчення конструкції та принципу дії, розрахунками на міцність, а також особливу увагу приділяється питанням відносно аналізу інструменту для монтажу свердловинного газліфтного обладнання.
1 Загальна частина
1.1 Конструкція та обладнання газліфтних свердловин
На гирлі газліфтних свердловин встановлюють спрощену фонтанну арматуру або комплектну газліфтну установку для безперервного газліфта типу Л і для похило спрямованих свердловин типу ЛН, ЛНТ, а для періодичного газліфта - типу ЛНП, причому установка ЛНТ призначена для відбору рідини Із високопродуктивних свердловин по затрубному простору.
Умовні позначення установок; Л, ЛН, ЛНТ, ЛНП тип газліфтної установки; перше число після букв умовний діаметр ліфтової колони НКТ, мм, букви А, Б, В - умовий зовнішній діаметр газліфтного клапана, який дорівнює відповідно 38, 25 і 20мм; наступне двозначне число допустимий перепад тиску на свердловинне обладнання. МПа; останнє тризначне число максимальний діаметр пакера, мм; К виконання за корозійною стійкістю (аналогічно до фонтанних арматур). Наприклад, ЛН- 73Б-35 -112К2, ЛНТ-73Б-35.
Установка типу Л включає свердловинне обладнання, яке складається із свердловинних камер типу К, газліфтних клапанів типу Г, пакера ПН-ЯГМ і прийомного клапана. В установках типу ЛН використовують свердловинні камери типу КТ або КТ1, які разом з відхилювачами типу ОК чи ОКС забезпечують надійну посадку газліфтних клапанів комплектом канатної техніки, а також пакер типу 2ПД-ЗГ з гідравлічним ущільненням і ніпелем. У комплекті установок типу ЛНТ використовують свердловинні камери типу КТ1Н, газліфтні клапани типу ЗГ, прийомний клапан типу КПП і посадочний ніпель Установки типу ЛНП на відміну від установок типу ЛН включають тільки свердловинні камери типу КТ1, газліфтні клапани типу 5Г, роз'єднувач колони типу 4РК, пакер типу 2ПД-ЗГ, прийомний клапан КИПІ з ніпелем і перевідник Гирлове обладнання представлене фонтанною арматурою.
Умовні позначення газліфтних клапанів: Г - газліфтний клапан сильфонного типу; цифра перед буквою Г - номер моделі, перші цифри за буквою Г - умовний діаметр клапана, мм: наступні дві цифри - робочий тиск, МПа; Р - робочий газліфтний клапан (без букви Р -пусковий).Наприклад, 2ГР-25-21, 5Г-25-35: 2ГР-25-35К2; Г-38-21.
Для внутрішньосвердловинного газліфта розроблені установки УШІ і УВЛГ, причому установка УВЛГ забезпечує також одночасний роздільний відбір газу. Вони включають пакери ПН-ЯГМ та ПД-ЯГМ (або 1ПД-ЯГ з якорем ЯГ-1), вибійний пристрій прямої або перехресної течії з дроселем і золотником, телескопічне з'єднання та циркуляційні клапани.
В основному використовується групова система газорозподілу - газ подається від компресорної станції через декілька блочних розподільних батарей ГРБ-14 (підключають 14 газліфтних свердловин), які встановлюють на газорозподільних пунктах. На кожній газовій лінії монтують голчастий регулювальний вентиль (штуцер) і вимірювальну шайбу (діафрагму), а іноді замість штуцера регулятор тиску "після себе".

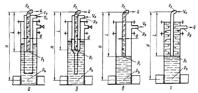
а, б, в - відповідно дво-, півтора- і однорядний підйомники кільцевої системи; г-однорядний підйомник центральної системи.
Рисунок 1.1 - Газліфтні підйомники.
Арматура, що встановлюється на гирлі газліфтних свердловин, аналогічна фонтанній арматурі, і має те ж призначення - герметизацію гирла, підвіску підйомних труб і можливість здійснення різних операцій по перемиканню напряму закачування газу, операцій по промивці свердловини і ін.
На газліфтних свердловинах часто використовується фонтанна арматура, що залишається після періоду фонтаннної експлуатації, але звичайно застосовується спеціальна спрощена і легша арматура, оскільки можливі неполадки в ній не загрожують відкритим фонтаном. Часто арматуру пристосовують для нагнітання газу або тільки в міжтрубний простір, або в центральні труби. Коли експлуатація газліфтних свердловин супроводжується інтенсивним відкладенням парафіну, арматура гирла додатково обладнується лубрикатором, через який в НКТ вводиться скребок, що спускається на дроті для механічного видалення парафіну з внутрішніх стінок труб. Для боротьби з відкладенням парафіну застосовуються і інші методи, як, наприклад, засклені або емальовані труби, на гладкій поверхні яких парафін не утримується і несеться потоком рідини. На гирлі газліфтних свердловин встановлюється регулююча апаратура - звичайно клапан-регулятор тиску з мембранним виконавчим механізмом, регулюючи тиск після себе, для підтримки постійного тиску газу, що нагнітається в свердловину, оскільки в магістральних лініях часто спостерігаються коливання тиску, що порушують нормальну роботу свердловин, що іноді викликають і їх зупинку. У системах централізованого газопостачання регулятори тиску, різні витратоміри, а також запірна арматура встановлюються на газорозподільних пунктах (ГРП). При такій централізації контролю і управління за роботою газліфтних свердловин поліпшується надійність і якість їх обслуговування.
1.2 Обґрунтування доцільності застосування газліфтного
способу
При газліфтній експлуатації пластову енергію, що надходить у свердловину, доповнюють закачуванням газу в свердловину з поверхні, тобто здійснюють штучне фонтанування, яке називають газліфтним підйомом, а спосіб експлуатації - газліфтним. Умова роботи газліфта записується:
Gеф + R0зак Rо (1.1)
де Gеф ефективний газовий фактор, м3/м3;
R0зак питома витрата закачуваного газу (віднесена до витрати рідини). м3/м3;
Rо необхідна питома витрата газу, м3 /м3.
При закачуванні повітря чи вуглеводневого газу відповідно розрізняють ерліфт чи газліфт, а якщо газ подають компресором компресорний газліфт (інколи компресорний спосіб експлуатації). При безкомпресорному газліфті природний газ виходить під власним тиском із газових родовищ. Різновидом його є внутрішньосвердловинний безкомпресорний газліфт, коли перепуск газу здійснюється із газового покладу безпосередньо у нафтовій свердловині
Область застосування газліфта високодебітні свердловини з великими вибійними тисками, свердловини з високими газовими факторами і вибійними тисками нижче тиску насичення, пісочні свердловини, викривлені свердловини, а також свердловини у важкодоступних умовах (наприклад, затоплюваність, паводки, болота, відсутність доріг і т.д.). Газліфт можна застосовувати тільки при наявності достатньої кількості закачуваного газу.
Якщо на родовищі була організована газліфтна експлуатація, але дебіти і вибійні тиски зменшились, то переводять роботу свердловини з безперервного на періодичний газліфт (газ закачують періодично). І.Г. Белов рекомендує такий перевід при загальній питомій витраті газу не менше 200 м3/м3 на 1000 м глибини спуску 73 мм підйомних труб і дебіті менше 50 т/доб.
Залежно від числа рядів труб, концентрично розміщених у свердловині розрізняють конструкції дво-, півтора - та однорядних підйомників (рис. 1.1), а залежно від скерування подачі газу - кільцеву (газ подають у кільце - затрубний чи міжтрубний простори) та центральну (газ подають у центральні труби) системи підйомників.
Його перевагами є те , що на відміну від всіх інших, крім фонтанного в його конструкції відсутня колона штанг. Він поступається у простоті конструкції тільки фонтанному способу видобування. Обладнання розміщене на поверхні, що полегшує технічне обслуговування, а обладнання яке розміщене в свердловині має порівняно довший строк експлуатації. Газліфтний спосіб дає змогу ефективно експлуатувати свердловини, продукція яких містить велику кількість газу, піску і води, а також свердловини із значним викривленням ствола, низькими динамічними рівнями і високими температурами.
В нашому випадку доцільність заключається в тому, що наша свердловина розміщена у важкодоступному місці і недалеко від неї розміщена газова свердловина.
1.3 Вибір типу ліфта
Зважаючи на те, що наша свердловина високодебітна з середнім вибійним тиском нам потрібно використовувати безперервний газліфт. Вибираємо однорядний підйомник кільцевої системи типу Л.

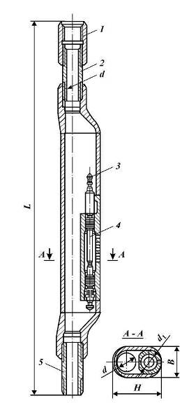
1- манометр; 2,4 - запірний пристрій; 3 фланець; 5 трійник; 6 дросель; 7 перевідник трубної головки; 8 відвід; 9 хрестовина; 10 свердловинна камера; 11- газліфтний клапан; 12 пакер; 13 приймальний клапан; 14 колона НКТ; 15 експлуатаційна колона
Рисунок 1.2 - Схема конструкції однорядного газліфтного підйомника
За проведеними розрахунками в розрахунковій частині вибираємо наступне газліфтне обладнання [4]:
- колона насосно-компресорних труб складається з рівноміцних труб НКМ 73;
- свердловинні камери типу К-73А-210;
- газліфтні клапани типу Г38 пускові, типу Г38 робочі;
- пакер типу ПН ЯГМ - 136 210 (для приєднання до колони НКТ використовуємо перевідник)
2 Спеціальна частина
2.1 Аналіз свердловинного обладнання для газліфтної експлуатації свердловин
До складу свердловинного обладнання газліфтної установки входять свердловинні камери, газліфтні клапани і проміжний пакер з гідромеханічним управлінням і приймальним клапаном.
Серед різних методів зниження пускового тиску, заснованого на видаленні частини рідини з підйомної колони, найбільш ефективне застосування пускових газліфтних клапанів, які встановлюють в свердловинних камерах нижче за статичний рівень рідини. За способом управління газліфтні клапани працюють від тиску в затрубному просторі, тиску стовпа рідини в НКТ і перепаді тиску між ними.
Найбільшого поширення набули клапани, керовані затрубним тиском сильфонного типу серії Г і що випускаються з умовним зовнішнім діаметром 20, 25, 38 мм з діапазоном тиску зарядки 2 - 7 МПа (табл. 2.1).
Газліфтні клапани Г складаються з пристрою для зарядки, сільфоннної камери, пари шток - сідло, зворотного клапана і пристрою для фіксації клапана в свердловинній камері.
Сільфонна камера заряджається азотом через золотник. Тиск в сильфонній камері клапана регулюють на спеціальному пристосуванні стенду СИ - 32. Сильфонна камера - герметична зварна посудина високого тиску, основним робочим органом якого є металевий багатошаровий сильфон. Пара шток сідло є запірним пристроєм клапана, до якого газ поступає через вікна кишені свердловинної камери.
Герметизація натиску надходження газу забезпечується двома комплектами манжет. Зворотний клапан призначений для запобігання перетіканню рідини з підйомних труб в затрубний простір свердловини.
Таблиця 2.1 Технічна характеристика газліфтних клапанів [2]
|
Параметр |
Г-20 |
Г-20Р |
Г-25 |
Г-25Р |
1Г-25 |
1Г-25Р |
Г-38 |
Г-38Р |
|
Умовний зовнішній діаметр, мм |
20 |
20 |
25 |
25 |
25 |
25 |
38 |
38 |
|
Робочий тиск, МПа |
21 |
21 |
21 |
21 |
21 |
21 |
21 |
21 |
|
Діаметр прохідного отвору сідла, мм |
5,0 |
5,0 6,5 |
5,0 6,5 8,0 |
5,0 6,5 |
5,0 6,5 8,0 |
5,0 6,5 |
5,0 6,5 8,0 9,5 12,5 |
5,0 6,5 8,0 |
|
Робочий хід сильфона на стиск, мм |
4 |
4 |
4 |
4 |
4 |
4 |
6 |
6 |
|
Діапазон тисків заряджання сильфону, МПа |
2-7 |
2-7 |
2-7 |
2-7 |
2-7 |
2-7 |
2-7 |
2-7 |
|
Габаритні розміри, мм: діаметр довжина |
32,0 610 |
32,0 610 |
29,0 485 |
29,0 485 |
32,0 485 |
32,0 485 |
40,5 540 |
40,5 550 |
|
Маса, кг |
1,5 |
1,5 |
1,2 |
1,2 |
1,2 |
1,2 |
3,0 |
3,2 |
Газліфтні клапани Г за призначенням діляться на пускові і робочі (рис. 2.1)
Тиском, що управляє, для пускових клапанів є тиск газу затрубного простору свердловини. Впливаючи на ефективну площу сильфону, газ стискає його, внаслідок чого шток піднімається, і газ, відкриваючи зворотний клапан, поступає в підйомні труби.
Число встановлюваних клапанів залежить від тиску газу в свердловині і її глибини. Закриваються вони послідовно у міру зниження рівня в затрубному просторі свердловини.
Пониження рівня в затрубному просторі свердловини триває до глибини розташування нижнього (робочого) клапана.
На заданому технологічному режимі свердловина повинна працювати через робочий клапан при закритих верхніх (пускових) клапанах, які використовуються тільки в період пуску свердловини.

а, в клапан закритий; б, г клапан відкритий;
1 вузол зарядки; 2 корпус; 3 сильфон; 4 шток; 5 сідло; 6 корпус сідла; 7 вузол зворотного клапана; 8 - штуцер
Рисунок 2.1 Пусковий (а, б) і робочий (в, г) сильфонні газліфтні клапани
Іншим типом використовуваних клапанів є диференціальний тип (КУ-25 і КУ-38), тобто тиск, що працює від перепаду, в НКТ і затрубному просторі.
Застосування газліфтних клапанів дозволяє регулювати надходження газу, що нагнітається з кільцевого простору в колону підйомних труб.
Газліфтні клапани в свердловинних камерах встановлюють спеціальним інструментом, що спускається на дроті гідравлічною лебідкою. Ексцентричність свердловинної камери забезпечує при встановленому клапані збереження вільного прохідного перерізу НКТ. Це дозволяє виконувати необхідні роботи в свердловині без підйому НКТ .
Свердловина під газліфтну експлуатацію може бути обладнана після закінчення буріння і розкриття експлуатаційного об'єкту спуском НКТ з глухими (хибними) клапанами. Після закінчення фонтанування або після зниження гирлового тиску глухі клапани замінюються робочими і свердловину переводять на газліфтну експлуатацію.
Свердловинні камери призначені для посадки газліфтних або інгибіторних клапанів, глухих або циркуляційних пробок при експлуатації нафтових свердловин фонтанним або газліфтним способом.
Сильфонна камера є конструкцією, що складається з наконечників, сорочки і кишені.

1 - муфта; 2, 5 - патрубок; 3 - кулачковий фіксатор; 4 - газліфтний клапан
Рисунок 2.2 - Свердловинна камера і розміщений в ній газліфтного клапана

1 муфта; 2 упор; 3 манжета; 4 стовбур; 5 обойма; 6 конус; 7 шпонка; 8 плашка; 9 плашкотримач; 10 гвинт; 11 - кожух; 12 - поршень; 13 - корпус клапана; 14 - кулька; 15 - сідло; 16 зрізний гвинт
Рисунок 2.3 Проміжний пакер ПН-ЯГМ з гідромеханічним управлінням
Сорочка виготовлена із спеціальних овальних труб. Для ущільнення клапана в кишені передбачені посадочні поверхні. У кишені камери є перепускні отвори, через які газ поступає до газліфтного клапана. При ремонтно-профілактичних роботах в кишені може бути встановлена циркуляційна пробка, а при необхідності заглушити перепускні отвори глуха пробка.
Одним з елементів внутрішньосвердловинного обладнання газліфтних свердловин є проміжний пакер з гідромеханічним управлінням. Пакер призначений для ізоляції затрубного простору свердловин від трубного, а також відокремлення зон затрубного простору, розташованих вище і нижче за нього.
Пакер ПН-ЯГМ (рис. 2.3) складається з ущільнюючого пристрою, що включає манжети ущільнювачів з обоймами і призначених для герметизації роз'єднуваних просторів стовбура свердловини, і пристрою для фіксації пакера в експлуатаційній колоні. Останній пристрій, що утримує пакер від ковзання із-за перепаду тиску над і під ним, складається з корпусу, шпонки, плашки і плашкотримача. Його спускають в свердловину на задану глибину на кінці колони НКТ.
Пакер фіксується на місці гідроприводом, що складається з кожуха і поршня. Процес здійснюється при перекритті проходу пакера кулькою, що скидається, або приймальним клапаном і створенням додаткового гідравлічного тиску усередині колони НКТ.
Манжети ущільнювачів пакера деформуються під дією осьового зусилля від ваги колони НКТ. Прохід пакера звільняється від сідла з кулькою при збільшенні гідравлічного тиску до значення необхідного для зрізу гвинтів клапанного пристрою, а при застосуванні приймального клапана витяганням його інструментом канатної техніки. Робочий тиск 21 МПа.
Пакер витягують зі свердловини підйомом колони НКТ.
2.2 Інструмент для монтажу і демонтажу свердловинного обладнання
Цанговий інструмент типу ИЦ, ИЦК, ИЦГ
ИЦ- для захоплення і витягання складових частин комплекту інструменту з різьбленням ШГ16 і захватною головкою діаметром 30 мм;
ИЦК1-22 і ИЦГ-22 - для захоплення і витягання приймального клапана.
Цанговий інструмент всіх приведених типорозмірів розрізняється тільки габаритними розмірами.

1 - перевідник; 2 - ковпак; 3 - пружина; 4 - корпус; 5 - штифт; 6 - пружина захоплення; 7 - обмежувач; 8 - сердечник; 9 - цанга; 10 - корпус цанги.
Рисунок 2.1 - Цанговий інструмент типу ИЦК - 35
Цанга віджимається вниз пружиною захоплення, а вгору - пружиною. Переміщенню цанги вгору разом з сердечником перешкоджає штифт, що фіксує положення сердечника щодо корпусу.
Комплект інструменту разом з цанговим інструментом спускають до глибини, з якою передбачається витягнути знімне устаткування. Посадка цангового інструменту на захватну головку витягаючого устаткування фіксується на гирлі по зменшенню натягнення дроту. Потім підводять комплект інструменту і за допомогою механічного яса проводять легкий удар вниз. При ударі пір'я цанги, упираючись в захватну головку, переміщають цангу вгору, стискають пружину захоплення і виходять з вікон корпусу. У цанговому захопленні утворюється отвір для вільного проходу захоплюваної головки. Зусиллям пружини захоплення цанга повертається в нижнє положення, пір'я цанги, увійшовши до вікна, замикає захватну головку і захоплюють її за торці. Ударами яса вгору витягують знімне устаткування, потім піднімають разом з комплектом інструменту на гирлі свердловини, де віджиманням цанги звільняють з цангового інструменту.
У разі потреби цанговий інструмент можна звільнити від устаткування, що витягується в свердловині, для чого ударами вниз зрізають штифт перевідника. Під дією пружини сердечник, переміщаючись вгору, рухає обмежувач з цангою і звільняє захватну головку знімного устаткування.
Призначений для захоплення і витягання з свердловини газліфтних клапанів, інструменту канатної техніки і іншого знімного свердловинного устаткування, не закріпленого різьбленням.
Передбачений цанговий інструмент чотирьох типорозмірів:
ІЦК-22 - для захоплення і витягання газліфтних клапанів діаметром 25 мм і знімного свердловинного устаткування із захватною головкою діаметром 22 мм.
Інструмент ИСК1-22 і ИСК2-22 для спуску газліфтних клапанів
Призначений для спуску в свердловину і установки в карман свердловинної камери газліфтних клапанів, глухих і циркуляційних пробок.
Після установки газліфтного клапана в карман свердловинної камери ударом ясса вгору зрізається латунний штифт і тим самим звільняється інструмент для спуску газліфтного клапана.

1 - корпус; 2 - стабілізатор; 3 - штифт; 4 - трубчастий штифт.
Рисунок 2.2 - Інструмент типу ИСК1-22
Для центрування клапана з інструментом зазор між встановленим клапаном і корпусом регулюють за допомогою гвинта, що підвищує надійність попадання інструменту з клапаном в кишеню свердловинної камери. Діаметр встановлюваного в інструмент ИСК1-22 латунного штифта - 3 мм. Інструмент для
спуску газліфтних клапанів ИСК2-22 відрізняється від інструменту ИСК1-22 наявністю в корпусі зрізаючих гвинтів. Вони зрізаються ударом яса вгору після установки газліфтного клапана в кишеню свердловинної камери.
Призначений для захоплення і витягання з свердловини газліфтних клапанів, інструменту канатної техніки і іншого знімного свердловинного устаткування, не закріпленого різьбленням.
Передбачений цанговий інструмент чотирьох типорозмірів:
ІЦ-22 - для захоплення і витягання газліфтних клапанів діаметром 25 мм і знімного свердловинного устаткування із захватною головкою діаметром 22 мм.

Рисунок 2.3 - Устєвий лубрикатор для опускання і піднімання газліфтних клапанів з допомогою канатної техніки.
Для заміни газліфтних клапанів в ексцентричних камерах або установки замість газліфтних клапанів просто заглушок, не вдаючись при цьому до глушення або зупинки свердловини, на гирлі свердловини встановлюється спеціальне устаткування гирла газліфта ОУГ-80х350 з прохідним діаметром 80 мм і розраховане на тиск 35 МПа, що є лубрикатором особливої конструкції. На фланець верхньої хрестовини 1 газліфтної арматури або на фланець буферної засувки встановлюється малогабаритний перекриваючий механізм - превентор 2 з ручним приводом, що має еластичні (гумові) ущільнюючі елементи, за допомогою яких можна перекрити свердловину навіть у тому випадку, коли в ній залишається дріт. На превентор за допомогою швидкознімних з'єднань кріпляться секції лубрикатора 3, на верхньому кінці якого є сальник 4 для пропуску дроту 5 або тонкого каната і ролик 6. Внизу арматури зміцнюється натяжний шків 7, через який канатик прямує на барабан лебідки з механічним приводом. Паралельно лубрикатору кріпиться невелика знімна щогла 8 з поліспастом 9 для полегшення підняття і збірки лубрикатора і введення в нього необхідного інструменту або витягання піднятих клапанів. Натяжний шків пов'язаний механічно з датчиком 10, що перетворює силу натягнення канатика в електричні сигнали, передавані по кабелю 11 на індикаторний пристрій. Датчик показує натягнення канатика і дає інформацію про захоплення і витягання газліфтного клапана з посадочної камери. Взагалі при використанні канатної техніки по натягненню каната можна судити про операції, що проводяться, на глибині.
У зв'язку з цим точність визначення натягнення каната, запобіганню його обриву надається особливе значення при використанні канатної техніки. Як привід для барабана лебідки використовується гідравлічний двигун для точнішого і плавнішого здійснення цих операцій.

Рисунок 2.4 - Послідовність операцій при витягуванні газліфтного клапана із кармана ексцентричної камери з допомогою канатної техніки
3 Розрахункова частина
3.1 Розрахунки пов'язані з вибором газліфтного обладнання
3.1.1 Розрахунок підйомника
Розрахунок підйомника зводиться до визначення його діаметру, довжини і потрібної витрату газу за методикою запропонованою А. П. Криловим для заданої свердловини.
Допустимий відбір нафти (дебіт свердловини) визначаємо за формулою
, м3/добу (3.1)
де коефіцієнт продуктивності, = 80 м3/(МПадобу) ;
максимально допустима депресія, = 1,2 МПа.
Q = 80 1.2 = 96 м3/добу
Вибійний тиск при даному дебіті
, МПа (3.2)
де пластовий тиск, = 4.0 МПа.
МПа
Тиск біля низу колони НКТ
, МПа (3.3)
де робочий тиск в пусковій лінії біля устя свердловини, = 4.0 МПа;
втрати напору на рух газу від компресора до башмака НКТ,
= 1.1 МПа.
МПа
Середня густина суміші (нафти і газу) між вибоєм і низом колони НКТ
, кг/м3. (3.4)
Густина суміші на вибої і біля низу колони НКТ і можуть бути знайдені за формулою А. П. Крилова
, кг/м3 (3.5)
де діаметр свердловини, D = 0.168 м;
густина рідини, = 830 кг/м3;
газовий фактор свердловини, = 20 м3/м3;
коефіцієнт розчинності газу в нафті, = 4.0 м3/(м3МПа).
Для визначення в формулу (3.5) для потрібно замість підставити значення :
Діаметр підйомника з умов його роботи на режимі визначаємо за формулою:
, мм (3.6)
де відносне занурення підйомних труб
. (3.7)
Приймаємо стандартний діаметр = 62 мм. Вказати для вибраних труб зовнішній діаметр = 73 мм та товщину стінки =5,5 мм.
Оптимальну повну питому витрату газу (включаючи власний газ свердловини) визначити за формулою
, м3/м3 (3.8)
де - атмосферний тиск, Па.
м3/м3
Питома витрата нагнітального газу з врахуванням розчинності газу складає
, м3/м3 (3.9)
м3/м3
Добова витрата газу буде
, м3/добу. (3.10)
м3/добу
Годинна витрата газу
, м3/год. (3.11)
м3/год
Для перевірки правильності проведення розрахунків визначаємо за тими ж вихідними даними діаметр підйомних труб і питому витрату газу за спеціальною номограмою А. П. Крилова. Для цього потрібно знати: дебіт свердловини , м3/добу; відносне занурення НКТ ; абсолютний тиск біля низу колони НКТ , МПа; приведений динамічний рівень, який визначається за формулою
, м. (3.12)
м
За спеціальною номограмою А. П. Крилова:
- діаметр підйомних труб = 73 мм.;
- питому витрату газу = 180 м3/м3.
Порівнявши результати розрахунку за формулами і отримані за номограмою, робимо висновок що розрахунок газліфтного підйомника проведено вірно .
3.1.2оРозрахунок газліфтних клапанів
Для пуску в роботу даного підйомника шляхом продавлювання рідини із кільцевого простору через башмак знадобився би максимальний пусковий тиск
, Па. (3.13)
13 106 Па.
Якщо робочий тиск газу в пусковій лінії менший ніж необхідний пусковий, то для пуску свердловини слід встановити на колоні НКТ пускові клапани.
Визначаємо місце встановлення першого клапану:
, м. (3.14)
м
Для визначення місця встановлення другого клапана необхідно скористатися номограмою [ ] , за якою знайти максимальний перепад тиску на рівні першого клапану; він же буде і закриваючим перепадом тиску для першого клапану.
Отже, = 3,65 МПа.
Глибину встановлення другого клапану визначити за формулою
, м. (3.15)
м.
Закриваючий перепад тиску біля другого клапану знаходимо аналогічно за тією ж номограмою [ 3].
Отже, = 3,2 МПа.
Глибина встановлення третього клапану буде
, м. (3.16)
м
Закриваючий перепад тиску біля третього клапану знаходимо аналогічно за тією ж номограмою [ ].
Отже, = 2,35 МПа.
Розрахунок припиняємо, оскільки глибина встановлення чертвертого клапана перевищує довжину спущених НКТ.
Визначаємо за номограмою [3] площу отворів на кожному клапані при витраті , м3/год; тиску за трубами , МПа; закриваючих перепадах тиску клапанів , МПа.
Cумарні площі поперечних перерізів отворів знайдені: у першому клапані 27 мм2, у другому клапані 27sмм2 і в третьому 27sмм2.
Виконуємо підбір необхідного для газліфтної експлуатації свердловини обладнання (газліфтну установку, свердловинні камери, газліфтні клапани, пакер).
- Вибір ФА
Визначаємо діаметр прохідного перерізу фонтанної арматури по дебіту свердловини та швидкості руху суміші в підйомнику V = 0,5 м/с за формулою:
(3.17)
де, Q секундна подача при заданих умовах, м3/с;
знаходимо секундну подачу при нормальних умовах:
Підставивши дані в формулу (3.17) отримаємо:
Приймаємо найближче стандартне значення d = 50 мм.
Виходячи з виконаних вище розрахунків вибираємо для експлуатації даної свердловини комплекс обладнання, який включає в себе:
1 Фонтанна арматура типорозміру АФК2-5014К1;
2 В комплекті фонтанної арматури крани шарові КПШ 50 х 14
3.3 Розрахунки на міцність вузлів і деталей фонтанної арматури
3.3.1 Розрахунок фланцевого з'єднання
3.1.1 Розрахунок фланцевого зєднання.
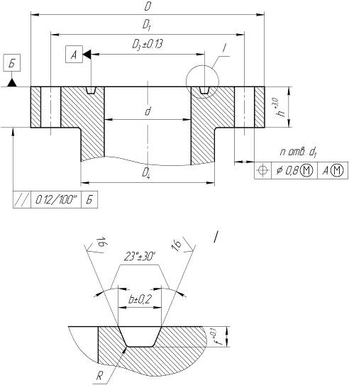
Для робочих тисків 14 МПа застосовуються фланцеві зєднання виконання 1 із зазором між торцями фланців. Вони комплектуються прокладками типу П ортогонального поперечного перерізу з двостороннім контактом (рис. 3.1, 3.2).
Розрахунок фланцевого зєднання виконуємо при двосторонньому дотику поверхні проточки до прокладки.
Визначаємо зусилля затяжки в зєднанні за формулою:
(3.18)
де: D3 = 82,5 мм середній діаметр прокладки;
Р = 0,12 106 МПа очікуваний тиск на усті;
bеф = 0,125b ефективна ширина прокладки;
де: b = 12 мм ширина прокладки;
bеф = 0,12512 = 1,5 мм.
m = 10 коефіцієнт, що враховує пружні властивості прокладки.
3.1.2 Перевірочний розрахунок фланцевого зєднання на статичну міцність.
Перевірочний розрахунок (див. розрахункову схему на рис. 3.3) фланцевого зєднання на статичну міцність виконуємо за перевіркою коефіцієнту запасу міцності з нерівності:
(3.19)

Рисунок 3.1 - Фланець типу 1

Рисунок 3.2 Прокладка типу П
Рисунок 3.3 Розрахункова схема фланцевого зєднання.
де: [зг] = т/n допустимі напруження згину;
n = 2,5 коефіцієнт запасу міцності;
т = 380 границя текучості матеріалу фланців;
[зг] = 380/2,5 = 125 МПа.
Визначаємо згинаючий момент, який діє в фланцевому зєднанні за формулою:
; (3.20)
де,
, плече згину;
- ділильний діаметр кола центрів отворів під шпильки, м
D1 = 127,0 мм = 0,127 м;
- середній діаметр небезпечного перерізу, м,
, м
де - більший діаметр шийки, м ;
м
WА-А момент опору фланця в небезпечному перерізі, м3, який визначаємо за формулою:
(3.21)
де, - ширина торця прокладки, м
;
- повна висота тарілки фланця, м
= 34 мм = 0,034 м ;
- глибина канавки, м
= 8,0 мм = 0,008 м.
Підставивши дані в формулу (3.4) отримаємо:
м3.
Підставивши дані в нерівність (3.2) отримаємо:
Як видно з розрахунків, статична міцність фланцевого зєднання забезпечується, оскільки виконується нерівність (3.19) за якою проводились розрахунки.
3.1.3 Розрахунок шпильки фланцевого зєднання.
Розрахунок шпильки зводиться до визначення її діаметра. Визначаємо діаметр шпильки по дну впадини різі за формулою:
(3.22)
де: n = 3,5 мінімально допустимий коефіцієнт запасу міцності;
Рзат = 11070,4 Па зусилля затяжки шпильок (обчислене вище);
Т = 637 МПа границя текучості для матеріалу шпильок;
z = 8 кількість шпильок в фланцевому зєднанні;
Приймаємо діаметр шпильки dшп = 16 мм.
3.4 Розрахунок колони насосно-компресорних труб на статичну міцність
При газліфтній експлуатації газової свердловини колона насосно-компресорних труб сприймає навантаження тільки від власної ваги.
Визначаємо вагу колони насосно-компресорних труб в повітрі за формулою:
(3.23)
де: L = 16000 м довжина колони насосно-компресорних труб;
m = 9,73 кг приведена маса 1 м погонного насосно-компресорних труб даного діаметру;
g = 9,81 м/с2 прискорення вільного падіння.
Визначаємо максимальні напруження, що виникають в тілі труби за формулою:
(3.24)
де: Dзов = 73 мм зовнішній діаметр насосно-компресорних труб;
dвн = 62 мм внутрішній діаметр насосно-компресорних труб;
Визначаємо коефіцієнт запасу міцності за формулою:
(3.25)
де: т = 380 МПа границя текучості для матеріалу труб.
Отже необхідна міцність колони насосно-компресорних труб забезпечена, оскільки:
n = 2,9 > [n] = 1,5.
4 Монтаж, випробування та техобслуговування обладнання
Найважливішим досягненням в області газліфтної експлуатації було створення і освоєння так званої техніки і технології спуску і витягання газліфтних клапанів через НКТ, встановлюваних в спеціальних ексцентричних камерах, розміщених на колоні насосно-компресорних труб на розрахункових глибинах. Це виключило необхідність витягання колони труб для заміни пускових або робочих клапанів при їх відмові або поломці.
У розрахункових місцях на колоні труб встановлюються спеціальні ексцентричні камери з кишенею для введення в нього газліфтного клапана. У посадочній кишені клапан, що спускається в нього, ущільнюється за допомогою верхніх і нижніх кілець з нафтостійкої гуми і стопорної пружинної клямки. На зовнішній стороні ексцентричної камери в місці розташування клапана між його кільцями ущільнювачів робляться крізні отвори. Через ці отвори газ з міжтрубного простору проходить в посадочну кишеню, а потім через бічні отвори в самому клапані і його сідло - в насосно-компресорні труби. Ексцентрична камера робиться таким чином, що прохідний перетин колони труб і їх співвісність повністю зберігалася. У верхній частині ексцентричної камери (рис. 2.3) встановлюється спеціальна втулка напрямної, орієнтуюча інструмент, на якому спускається клапан так, щоб він при відхиленні точно потрапляв в посадочну кишеню. На нижньому кінці збірки посадочного інструменту є захватний пружинний пристрій, який звільняє головку клапана після його посадки в кишеню. Посадочний інструмент, що має шарнірні з'єднання, після того, як він буде правильно орієнтований втулкою, напрямної, переламується в цих шарнірних з'єднаннях за допомогою пружинних пристроїв з тим, щоб подовжня вісь клапана, що спускається, співпала з подовжньою віссю посадочної камери. Посадочний інструмент спускається в НКТ на сталевому дроті діаметром від 1,8 до 2,4 мм через гирло свердловини.
Клапани витягуються також за допомогою канатної техніки. Для цього в свердловину спускається екстрактор, який, потрапляючи в ексцентричну камеру, після подальшого невеликого підйому орієнтується втулкою, там напрямної, в
площині посадочної камери клапана. Після орієнтації екстрактора його ланки під дією пружин переламуються в спряженнях так, що стають в положення перед ловильною головкою клапана. Захватне пружинне пристосування на кінці екстрактора при посадці на ловильну головку клапана захоплює її і при підйомі вириває сам клапан з посадочної камери.
Газліфтні клапани встановлюються і витягуються за допомогою гідравлічної лебідки, змонтованої в кузові мікроавтобуса, або на спеціальній рамі, переносимій вертольотом при використанні на заболочених територіях. Такий агрегат (ДГТА-4) розроблений проектною організацією Азінмаш. Агрегат змонтований на шасі автомобіля УАЗ-452 і складається з масляного насоса з приводом від двигуна автомобіля, двошвидкісної лебідки з приводом від гідродвигуна, системи гидрообладнання, що включає клапанні і золотникові пристрої, а також гідросистему управління лебідкою. Перед оператором в кабіні встановлені індикатор натягнення дроту і покажчик глибини.
Устаткування, вживане для фонтанної і компресорної експлуатації, у свердловині ідентичне. Підземне устаткування включає одну або дві колони насосно-компресорних труб (дворядний ліфт); наземне складається з гирлової арматури, що служить для підвішування колон насосно-компресорних труб, герметизації гирла свердловини, контролю і регулювання режиму її роботи; нагнітальних ліній; обв'язування гирлової арматури з нагнітальними лініями; трапної установки.
В даний час у зв'язку з впровадженням на нафтових родовищах ряду принципово нових систем сумісного збору і транспорту нафти і газу на свердловинах трапи не споруджуються.
Арматура, фонтану, є з'єднанням на фланцях різних трійників, хрестовиків і занурюючих пристроїв (засувки або крани). Між фланцями для ущільнення укладають сталеве кільце із спеціальної маловуглецевої сталі, яке має овальний перетин. Фланцеві з'єднання кріплять болтами.
Колону насосно-компресорних труб спускають за допомогою двох елеваторів.
При згвинченні і розгвинчуванні труб уручну широко використовують елеватори конструкції Халатяна. Елеватори надягають на муфту труби і підвішують до крюка стропами. Перед згвинченням різьблення труб змащують.
Для полегшення і прискорення операцій по згвинченню труб застосовують комплекс механізмів АПР. У цей комплекс входять автомат з електроприводом, забезпеченим реверсивним перемикачем, і інструменти нової конструкції (елеватор, трубні ключі і ін.).
При роботі з комплексом АПР використовують один елеватор ЗГ, постійно підвішений на гаку, що значно полегшує роботу. Перед спуском колони труб автомат АПР центрують, закріплюють на колонному фланці, і в нього вставляють клинову підвіску. Завершальні операції при спуску колони труб залежать від способу підвіски труб на гирлі.
При підвісці труб на різьбленні повітряного трійника необхідно:
приєднати підйомний патрубок до центральної засувки або перевідної котушки;
підняти з підлоги повітряний трійник з перевідною котушкою або центральною засувкою і нагвинчувати на колону труб, а потім посадити їх хрестовик трубної головки;
з'єднати повітряну лінію із засувкою повітряного трійника;
від'єднати підйомний патрубок, зняти і опустити на мостки;
зачепити ялинку арматури канатним стропом, підняти і встановити на центральну засувку або перевідну котушку;
з'єднати ялинку арматури болтами з центральною засувкою або перевідною котушкою;
з'єднати викиди арматури.
При підвісці труб на фланці-планшайбі до неї приєднують підйомний патрубок. Піднімаючи планшайбу, її нагвинчують на колону труб і ставлять на хрестовик. Потім від'єднують підйомний патрубок і встановлюють ялинку арматури разом з перевідною котушкою на хрестовик.
Для збору і транспорту нафти і газу з свердловин, фонтанів, на промислах (старих) використовують індивідуальні трапні установки, тобто обслуговуючі тільки одну свердловину, і групові установки, призначені для збору продукції з декількох свердловин. В даний час широко поширені групові замірні установки. У них заміряють продукцію свердловин без сепарації газу.
Пускові клапани повинні володіти великим закриваючим перепадом тиску, щоб закритися тоді, коли рівень рідини, що відтісняється, досягне наступного клапана і дасть доступ газу через другий клапан. У такій послідовності клапани працюють до тих пір, поки рівень рідини не досягне башмака НКТ або робочого клапана. Після цього свердловина переходить на нормальний режим роботи, а тиск газу стає рівним робочому тиску. При великих закриваючих перепадах число клапанів на колоні труб буде найменшим. При послідовній роботі пускових клапанів з деякого моменту часу починається притока рідини з свердловини, і це вносить зміни в порядок розрахунку їх розміщення.
Перед освоєнням робочому необхідно перевірити фонтанну арматуру, а саме:
- плавність відкриття - закриття всіх запірних пристроїв арматури і наявність змащувальної рідини в порожнині корпусу і затвора шляхом її контрольного набивання;
- затягування всіх фланцевих робочому (при необхідності підтягнути шпильки);
- відповідність положення стрілки на корпусах засувки і регульованих дроселів направленню потоку середовища з свердловини;
- правильність встановлення втулки покажчика на регульованих дроселях. (Для цього обертанням маховика наконечник доводять до) упора в сідло. При цьому нульова відмітка робочому на рівні торця втулки штока. В цьому робочому втулка покажчика надійно закріплюється на штоку за допомогою стопорного гвинта).
Щоб уникнути поломки відводів від вібрації при роботі вітрових та інших навантажень слід передбачити опори, додаткові кріплення для ялинки фонтанної
арматури. Для надійної роботи кожної засувки необхідно повернути маховик на 1/4 оберта у напрямі відкриття.
Після освоєння свердловини слід провести під набивання мастила у вузли ущільнень штоків, робочому і затворів корпусів засувок.
Перед початком роботи всі стволові запірні пристрої повинні бути відкриті, а всі запірні пристрої на відводах закриті, за винятком того, до якого кріпиться фланець з манометром для виміру тиску в затрубному просторі.
На бокових відводах арматури встановлюються потрібного перетину змінні втулки дроселя. Для встановлення необхідного режиму експлуатації перевіряється тиск в трубному і в затрубному просторі. На всіх режимах тиск у фонтанній арматурі не повинен перевищувати допустимий. Категорично забороняється експлуатувати засувки в напіввідкритому положенні затвора.
Висновок
В наш час особливо актуальною стала проблема раціонального використання енергії. На нашій свердловині, виходячи з даних умов, ми застосували безперервний газліфтний спосіб експлуатації свердловини. Недалеко від нашої свердловини розміщена газова свердловина з середнім вибійним тиском. Ми скористалися продукцією сусідньої свердловини для видобування нафти на нашій. Тим самим ми не витрачаємо електроенергію, у випадку застосування компресорного способу нагнітання повітря (ерліфта) чи газу (газліфта), а це досить вагомо.
Потрібно акцентувати увагу вибору найекономічного методу видобування нафти. В даній курсовій роботі, на мою думку, ми застосували досить економний метод видобування нафти.
Висновки
Під час виконання курсової роботи було проведено аналіз схем обладнання, що застосовується для газліфтної експлуатації свердловин. Було вибрано наземне і підземне обладнання для газліфтного способу видобутку газу із свердловини .
В спеціальній частині розділі проведено детальний опис конструкції вибраного обладнання, розглянуто інструмент для монтажу газліфтного обладнання за допомогою канатної техніки .
В розрахунковій частині було розраховано газліфтний підйомник, перевірено його елементи на статичну міцність, а також деталі вузлів фонтанної арматури.
Також було запропоновано раціональний метод монтажу газліфтного обладнання, заходи по його раціональній експлуатації та заходи безпеки при монтажу, експлуатації та ремонту.
Перелік посилань на джерела
1 Абдулаев Ю.Г., Велиев Т.К., Джафаров Ш.Т. Монтаж, эксплуатация и ремонт оборудования фонтанных и нагнетательных скважин. М.: Недра, 1989.
2 Авербух Б.А., Калашников Н.В., Кершенбаум Я.М. Ремонт и монтаж бурового и нефтепромыслового оборудования. М.: Недра, 1976.
3 Нефтепромысловое оборудование. Справочник / под ред. Бухаленко Е.И. М.: Недра, 1990.
4 Костриба І.В. Нафтопромислове обладнання, задачі, вправи. Київ.: Віпол 1996.
5 Молчанов Г.В., Молчанов А.Г., Машины и оборудование для добычи нефти и газа. М.: Недра, 1990.
6 Муравьев И.М., Базлов М.Н, Жуков А.И. Технология и техника добычи нефти и газа. М.: Недра, 1971.
7 Чичеров Г.Л. Нефтепромысловые машины и механизмы. М.: Недра, 1983.
8 Шульга В.Г., Бухаленко В.И. Устьевое оборудование нефтяных и газовых скважин. М.: Недра, 1978.
Обладнання для газліфтного способу видобутку нафти