Проектирование подстанции напряжением 110/35/10 кВ
СОДЕРЖАНИЕ
|
ВВЕДЕНИЕ |
3 |
|
1 ОПИСАТЕЛЬНАЯ ЧАСТЬ |
4 |
|
1.1 Обоснование и выбор основных потребителей электроэнергии |
4 |
|
1.2 Характеристика и назначение районных потребителей |
4 |
|
2 РАСЧЕТНАЯ ЧАСТЬ |
6 |
|
2.1 Определение максимальных мощностей потребителей |
6 |
|
2.2 Выбор трансформатора собственных нужд |
9 |
|
2.3 Определение полных мощностей потребителей с учетом потерь |
11 |
|
2.4 Определение полной мощности главного понизительного трансформатора |
12 |
|
2.5 Выбор главного понизительного трансформатора |
12 |
|
2.6 Определение мощности подстанции |
13 |
|
2.7 Расчет токов короткого замыкания |
14 |
|
2.8 Выбор оборудования подстанции |
28 |
|
2.9 Выбор релейной защиты |
38 |
|
3 СПЕЦИАЛЬНАЯ ЧАСТЬ |
45 |
|
3.1Устройство отделителя |
45 |
|
3.2Монтаж,ремонт и эксплуатация отделителей |
47 |
|
4 ЭКОНОМИЧЕСКАЯ ЧАСТЬ ПРОЕКТА |
51 |
|
4.1 Капитальные вложения в проект |
51 |
|
4.2 Определение текущих затрат в проект |
52 |
|
4.3 Расчет эффективности проекта |
58 |
|
5 OXPAНA ТРУДА И ПРОТИВОПОЖАРНАЯ ЗАЩИТА |
61 |
|
5.1 Охрана труда |
61 |
|
5.2 Техника безопасности при монтаже трансформатора тока |
62 |
|
5.3 Противопожарная защита |
64 |
|
ЗАКЛЮЧЕНИЕ |
67 |
|
СПИСОК ИСПОЛЬЗОВАННЫХ ИСТОЧНИКОВ |
68 |
ВВЕДЕНИЕ
Энергетическое производство охватывает широкую совокупностьпроцессов, связанных с использованием энергетических ресурсов, производством и распределением электрической энергии и теплоты. Ведущимзвеном энергетического производства является электроэнергетика. Предприятиями, преобразующими энергетические ресурсы ивырабатывающими электрическую энергию и теплоту, являются электрическиестанции.
В качестве энергетических ресурсов на электростанциях используютсяугли, торф, горючие сланцы, нефть, природный газ, механическая энергия рек, энергия расщепления атомов химических элементов и др. В зависимости отвида используемой энергии электростанции разделяют на тепловые (конденсационные КЭС и теплоэлектроцентрали ТЭЦ), гидравлические ГЭС иатомные АЭС.
Среди стран СНГ Казахстан занимает третье место по запасам и добыче угляи первое место по добыче угля на душу населения. Наибольший объем добычи угля в республике приходится на Центральный (Караганда) и Северо-Восточные (Павлодар) регионы 96,2%.Производство электрической энергии в Казахстане осуществляют 102 электрических станций различной формы собственности. Общая установленная мощность электростанций Казахстана составляет 20 844,2 МВт, располагаемая мощность 16 945,5 МВт.
Электрические станции разделяются на электростанции национального значения, электростанции промышленного назначения и электростанции регионального назначения.
К электрическим станциям национального значения относятся крупные тепловые электрические станции, обеспечивающие выработку и продажу электроэнергии потребителям на оптовом рынке электрической энергии Республики Казахстан.
К электростанциям промышленного значения относятся ТЭЦ, с комбинированным производством электрической и тепловой энергии, которые служат для электро-теплоснабжения крупных промышленных предприятий и близлежащих населенных пунктов.
Специфической особенностью электроэнергетики является то, что еепродукция не может накапливаться для последующего использования,поэтому потребление соответствует производству электроэнергии и вовремени, и по количеству (с учетом потерь).
В промышленности электроэнергия применяется в действие различных механизмов и самих технологических процессах; без нее невозможно действие современных средств связи и развитие кибернетики,вычислительной и космической техники.Так же велико значение электроэнергии в сельском хозяйстве,транспортном комплексе и в быту.[1. с. 2-3; 8. с. 3-5]
1 ОПИСАТЕЛЬНАЯ ЧАСТЬ
1.1 Обоснование и выбор основных потребителей электроэнергии
Данная подстанция проектируется для Экибастузского района.
Данные по потребителям сведены в таблицу 1.1
Таблица 1.1- Потребители электрической энергии
|
Наименование потребителей |
Установленная мощность Pv. кВт |
Категория потребителей |
|
Электроцех |
1400 |
2 |
|
Электромеханический цех |
1300 |
2 |
|
Насосная |
1600 |
1 |
|
Столярный цех |
1500 |
2 |

Рисунок 1.1 -Структурная схема подстанций
1.2 Характеристика и назначение районных потребителей
Характеристики потребителей сведены в таблице 1.2
Таблица 1.2- Характеристика потребителей
|
Наименование потребителей |
Коэффициент |
Напряжение линии потребителя, кВ |
|
|
спроса Кс |
мощности cos |
||
|
1.Электроцех 2. Электромеханический цех 3. Насосная 4. столярный цех |
0,55 0,5 0,51 0,52 |
0,9 0,85 0,88 0,87 |
35 10 10 35 |
2 РАСЧЕТНАЯ ЧАСТЬ
2.1 Определение максимальных мощностей потребителей
Определяем мощность нагрузки подстанции [2, с 245]
Sпс= Udн(2IэА0,65IэВ)0,83КМ ;кВА (2.1)
где, Udн- номинальное выпрямленное напряжение на шинах подстанции, кВ,
Udн = 10кВ;
IэА и IэВ-эффективные токи подстанции, А;
КМ коэффициент, учитывающий влияние внутри суточной неравномерности движения, КМ=1,45.
Sпс= 10(2470+0,65540)0,831,45 = 15537,18 кВА
Максимальную активную мощность потребителей определяем по формуле[2,с 160]
Pmax=PyKc, кВт (2.2)
где, Py- установленная мощность потребителей электроэнергии, кВт;
Кс - коэффициент спроса, учитывающий режим работы, загрузку и к.п.доборудования.
Потребитель №1
Pmax1=Py1 Кс1 = 1400 0,55 = 770кВт
Потребитель №2
Pmax2 = Py2Кc2= 1300 0,5 = 650 кВТ
Потребитель №3
Рmах3 = РузКcз = 1600 0,51 = 816 кВт
Потребитель №4
Рmах4 = Ру4 КС4 = 1500 0,52 = 780 кВт
Определяем реактивную мощность потребителей[2,с 160]
Q = Pmaxtg кВар (2.3)
где tg определяется по известному значению cos.
Pmax активная мощность потребителя.
Потребитель №1
Q1= Pmax1tg1 =7700,48 = 369,6 кВар
Потребитель №2
Q2=Рmax2tg2 = 650 0,62 = 403 кВар
Потребитель №3
Q3 = Рmах3tg3= 816 0,54 = 440,64 кВар
Потребитель №4
Q4= Рmах4tg4= 780 0,57 = 444,6 кВар
Определяем активную суммарную нагрузку[2,с 160]
Рmax = Рmах1 + Рmаx2 + РmахЗ + Рmах4,+ Рmах5, кВт (2.4)
Pmax= 770 + 650 + 816 + 780 = 3016 кВт
Определяем суммарную реактивную мощность потребителей[2,с 160]
Qmax = Q1 + Q2 + Q3 + Q4 + Q5, кВар (2.5)
Qmax = 369,6 + 403 + 440,64 + 444,6 = 1657,84 кВар
На основании полученных максимальных мощностей и заданных типовых графиков нагрузки вычисляем активные мощности каждого потребителя для каждого часа суток по формуле [6, с 12]
кВт, (2.6)
где pn - число процентов из типового графика для n - го часа;
100 - переводной коэффициент из процентов в относительные единицы.
Данные расчета активной нагрузки по часам суток для каждого потребителя сводим в таблицу 2.1
Таблица 2.1 Расчет активной нагрузки потребителей
|
Часы |
Активная нагрузка, кВт |
Суммарная |
|||
|
Потребитель1 |
Потребитель2 |
Потребитель3 |
Потребитель4 |
||
|
1 |
2 |
3 |
4 |
5 |
6 |
|
0(24) 1 2 3 4 5 6 7 8 9 10 11 12 13 14 15 16 17 18 19 20 21 22 23 |
268,8 231 268,8 191,7 169,4 215,6 292,6 268,7 600,6 730,7 693 600,6 422,7 693 770 576,7 576,7 653,7 499,7 422,7 385 422,7 191,7 154 |
226,9 195 226,9 161,8 143 182 247 226,8 507 616,8 585 507 356,8 585 650 486,8 486,8 551,8 421,8 356,8 325 356,8 161,8 130 |
284,9 244,8 284,9 203,1 179,5 228,4 310,08 284,7 636,4 774,3 734,4 636,4 447,9 734,4 816 611,1 611,1 692,7 529,5 447,9 408 447,9 203,1 163,2 |
272,3 234 272,3 194,2 171,6 218,4 296,4 272,3 608,4 740,2 702 608,4 428,2 702 780 584,2 584,2 662,2 506,2 428,2 390 428,2 194,2 156 |
1052,9 904,8 1052,9 750,8 663,5 844,4 1146,08 1052,5 2352,4 2862 2714,4 2352,4 1655,6 2714,4 3016 2258,8 2258,8 2540,4 1957,2 1655,6 1508 1655,6 750,8 603,2 |
На основании данных таблицы 2.1 строим график суммарной нагрузки потребителей рис.2.1.
2.2 Выбор трансформатора собственных нужд
Определяем примерную мощность, расходуемую на собственные нужды и для питания автоблокировки.
Sсн = 0,005Smяг+ SaбкВА, (2.7)
где Saб - мощность автоблокировки, Saб= 100 кВА.
Sсн = 0,005 15537,183 + 100 = 177,68 кВА

Рисунок 2.1 График активной нагрузки
Для окончательного выбора трансформатора собственных нужд необходимо учесть нагрузку на вентиляцию, освещение и отопление S'CH,
S'CH= 161,1кВА
Sтсн = SCH+ S'CH ,кВА (2.8)
Sтсн = 0,177,68 + 124,1= 301,78 кВА
+++Согласно условию Sнтр Sтсн, выбираем трансформатор собственных нужд типа ТМ 250/10 кВ, Sнтр=250 Sтсн=162,59 [3, с33].
2.3 Определение полных мощностей потребителей с учетом потерь
Определяем наибольшую полную мощность на шинах 10 кВ с учетом постоянных и переменных потерь в высоковольтных сетях и понижающих трансформаторах
(2.9)
где Рпост и Рпер - постоянные потери в стали трансформаторов и переменныепотери в сетях и трансформаторах, принимаемых соответственно равными2% и 8%;
Крм - коэффициент разновременности максимумов нагрузки, Крм = 0,95;
Р2mах максимальное значение суммарной нагрузки на 10 кВ, кВт;
Q2mах сумма реактивных мощностей всех потребителей в час максимума суммарной нагрузки, кВар.
Определяем наибольшую полную мощность на шинах 35 кВ с учетом постоянных и переменных потерь в высоковольтных сетях и понижающих трансформаторах [2,с159]
кВА (2.10)
кВА
2.4 Определение полной мощности главного понизительного
трансформатора
Определяем полную мощность первичных обмоток главного понизительного трансформатора [2,с 159]
Smax110= (Smax10+ Smcн+ Smяг+Smax35)Крт, кВА (2.10)
где, Крт - коэффициент, учитывающий разновременность появления наибольших нагрузок на стороне 10 кВ и 35 кВ,Крт = 0,95 + 0,98.
Smax110 = (1472,45 + 301,78 + 15537,185 + 1691,41) 0,95 = 18421,14 кВА
2.5 Выбор главного понизительного трансформатора
Выбираем необходимую мощность главного понизительного трансформатора из условия[2,с 158]
Sном.тр Sтр.расч (2.12)
При питании потребителей первой категории на подстанции устанавливают не менее 2-х трансформаторов. Мощность их целесообразно принять такой, чтобы при отключении одного из них электроснабжение обеспечивалось оставшимся в работе трансформатором. Их мощность определяем по формуле[2,с 158]
(2.13)
где Крез - коэффициент резерва, Крез, = 1,251,4;
Smax110 - суммарная максимальная нагрузка первичной обмотки трансформатора, кВА;
n - количество трансформаторов, n = 2.
Выбираем трансформатор типа ТДТН-20000/110 [3,с 40]. Данные трансформатора заносим в таблицу 2.2
+++Таблица 2.2- Характеристика силового трансформатора
|
Тип трансформатора |
Номинальная мощность МВА |
Напряжение обмоток |
Напряжение к.з.,% |
Ток х.х. |
||||
|
ВН |
СН |
НН |
ВН-СН |
ВН-НН |
СН-НН |
|||
Выбор преобразовательных агрегатов и тяговых трансформаторов.
Для этого выбираем выпрямитель типа ПВЭ-5А, работающий по трехфазной мостовой схеме, ток Idn= 3000 А.
Определяем расчетное количество рабочих выпрямителей [2, с 412]
+++ (2.14)
Принимаем два выпрямителя.
Определяем минимальную мощность преобразовательного трансформатора
+++ (2.15)
Выбираем тяговый трансформатор типа ТМРУ-16000/10, который комплектуется с выбранным выпрямителем [3,с 116). Данные тягового трансформатора заносим в таблицу 2.3
+++Таблица 2.3- Характеристика тягового трансформатора
|
Типтрансформатора |
Номинальная мощность SH, кВА |
Номинальный ток преобразователя Idn, А |
Напряжение к.з. Uk, % |
|
ТМРУ-20000/10 |
11100 |
3000 |
7 |
2.6 Определение мощности подстанции
Определяем полную мощность подстанции, которая зависит от количества и мощности понижающих трансформаторов и схемы электроснабжения подстанции [2.c 414]
Smn = n·Sнmp, МВА (2.16)
где, n-число главных понижающих трансформаторов, n=2
Sнтр мощность главного понижающего трансформатора, кВА
Smn = 2·10000 =20000 МВА
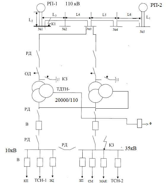
2.7 Расчет токов короткого замыкания
Для расчета токов короткого замыкания составляем однолинейную расчетную схему с указанием всех элементов цепи короткого замыкания (рисунок 2.2)

Рисунок 2.2- Расчетная схема
Определяем относительные сопротивления.
При вычислении относительных сопротивлений за базисную мощность принимаем Sбаз = 100 тыс.кВА.
Определяем относительные сопротивления системы [2, с 184]
По расчетной схеме составляем электрическую схему замещения одной фазы (рисунок 2.3).
(2.17)
Определяем относительные сопротивления линий электропередач [2, с 179]
(2.18)
где, Х0 - индуктивное сопротивление 1 км линии, для ВЛ 6220 кВ,
Х0 = 0,4 Ом/км;
L-длина линии, км;
Sбаз-базисная мощность, тыс.кВА, S6aз=100 тыс.кВ;
Uср - среднее расчетное напряжение линии, кВ, Ucp= 115кВ.
Определяем расчетные напряжения обмоток трехобмоточного трансформатора [2,с181]
(2.19)
(2.20)
(2.21)
Определяем относительные сопротивления обмоток трансформатора
(2.22)
(2.23)
(2.24)

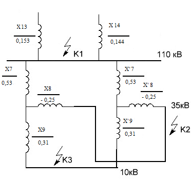
Рисунок 2.3 Схема замещения для максимального режима
Преобразуем схему замещения. Определяем относительное соотношение в точке К1.

Рисунок 2.4 Схема преобразования 1

Рисунок 2.5 Схема преобразования 2
Определяем относительное сопротивление в точке К2 Для того, чтобы определить относительное сопротивление в точке К2 пренебрегаем третьей обмоткой трансформатора.

Рисунок 2.6 Схема преобразования 3
Для того чтобы определить относительное сопротивление считаем, что по 3 обмотке трансформатора ток не проходит.
Определяем относительное сопротивление в точке КЗ. Для того, чтобы определить относительное сопротивление в точке КЗ пренебрегаем второй обмоткой трансформатора.

Рисунок 2.7 Схема преобразования 4
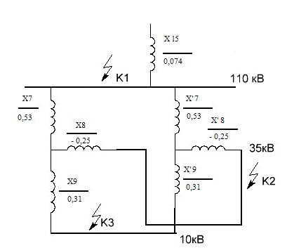
Расчет относительных сопротивлений по минимальному режиму По минимальному режиму расчет ведем с учетом одной линии и одного трансформатора (рисунок 2.8)

Рисунок 2.8 Схема замещения для минимального режима
Определяем относительное сопротивление в точке К1 (рисунок 2.9)
Определяем относительное сопротивление в точке К2
Определяем относительное сопротивление в точке К3

Рисунок 2.9 Схема преобразования
Относительные сопротивления, соответствующие минимальному и максимальному значению токов к.з., сводим в таблицу 2.4
Таблица 2.4-Относительное сопротивление для токов к.з.
|
Точки к.з |
Максимальное значение токов к.з |
Минимальное значение токов к.з |
|
К1 |
0,26 |
0,14 |
|
К2 |
0,66 |
0,965 |
|
К3 |
1,11 |
1,84 |
Вычисление токов короткого замыкания для всех характерных точек сводим в таблицу 2.5
Таблица 2.5- Расчет токов короткого замыкания
|
Точка к.з. |
Расчетная формула |
Максимальное значение токов к.з. в кА |
Минимальное значение токов к.з. в кА |
|
1 |
2 |
3 |
4 |
|
Kl |
+++ |
||
|
К2 |
|||
|
К3 |
Расчет максимального тока к.з. в тяговой сети 10 кВ постоянного тока.
Определяем относительные сопротивления тяговой сети .[2,с 455]
+++ (2.25)
где, Idn номинальный выпрямленный ток одного выпрямительного преобразователя подстанции, А;
N - количество выпрямительных преобразователей на подстанции;
Sn.a - номинальная мощность всех трансформаторов выпрямительных преобразователей, МВА;
Sk - мощность к.з. на шинах, от которых питаются трансформаторы выпрямительных преобразователей, МВА;
Uk - напряжение к.з. этих трансформаторов. %.
2.8 Выбор оборудования подстанции
Максимальные рабочие токи определяем с учетом перегрузочных способностей оборудования по присоединениям, перспективы развития потребителей и распределения нагрузки на шинах:
Таблица 2.6- Расчет максимальных рабочих токов
|
Наименование присоединений |
Расчетные формулы и числовые значения |
Значения максимального рабочего тока, А |
|
1 |
2 |
3 |
|
1 Ввод подстанции |
138,46 |
|
|
2 Первичная обмотка ВН понижающего транс- форматора |
236,18 |
|
|
3 Перемотка транзитной подстанции |
138,46 |
продолжение таблицы2.6
|
1 |
2 |
3 |
|
4 Вторичная обмотка СН- понижающего трансформатора |
674,82 |
|
|
5 Вторичная обмотка НН- понижающего трансформатора |
4123,93 |
|
|
6 Первичная обмотка ТСН |
1,96 |
|
|
7 Сборные шины 10 кВ |
591,95 |
|
|
8 Ввод РУ 10 кВ |
98,92 |
|
|
9 Районные потребители |
||
|
Потребитель 1 |
18,34 |
|
|
Потребитель 2 |
57,39 |
|
|
Потребитель 3 |
69,59 |
|
|
Потребитель 4 |
19,22 |
продолжение таблицы 2.6
|
1 |
2 |
3 |
|
10 Сборные шины 35 кВ |
79,19 |
|
|
11 Ввод РУ 35 кВ |
98,92 |
|
|
12 Питающая линия (фидер контактной сети) |
По заданию |
2500 |
где, Кп- коэффициент перспективы развития потребителей, Кп=1,3;
Крн- коэффициент распределения нагрузки по шинам первичного напряжения, Крн= 0,6 + 0,8;
Кпер-коэффициент допустимой перегрузки трансформаторов, Кпер=1,5;
UH1 - номинальное напряжение первичной обмотки ВН трансформатора;
UH2- номинальное напряжение вторичной обмотки трансформатора СН или НН.
Выбор токоведущих частей.
Для открытого распределительного устройства 110 кВ принимаем гибкую ошиновку. В качестве гибких шин принимаем голый многожильный провод АС 35 с Iдоп=175А.
Ошиновку выбираем по условию
IдопIраб.м (2.26)
где, Iдоп-длительно допускаемый ток, А
Iдоп= 175А>Iраб.м= 138А
Гибкую ошиновку присоединений открытых РУ на динамическую и термическую устойчивость не проверяют.
В закрытых РУ 10 кВ сборные шины выполняем жесткими алюминиевыми шинами.
Выбираем сборные шины 10 кВ марки А80x6 мм с Iдоп = 1170 А.
Проверяем сборные шины на механическую прочность по условию
+++GdonGpacч (2.27)
где,Gдоп = 650 Н/см2.
Определяем действующую силу на длине пролета между двумя опорами
,Н (2.28)
где, l - длина пролета, т.е. расстояния между соседними опорными изоляторами, см;
а - расстояние между осями шин, см .
Принимаем для шин 10 кВ: l = 100см, а = 25 см.
Н
Определяем изгибающий момент при числе пролетов n>2
Н.см (2.29)
Н.см
Определяем момент сопротивления при расположении шин плашмя
W= 0,167h2bсм2 (2.30)
W= 0,167 82 0,6 = 0,47 см2
Определяем механическое напряжение в материале шин
Н/см2 (2.31)
Н/см2
Сборные шины 10 кВ механически устойчивы, так как
+++Gдоп = 650 Н/см2Gpacч = 2,46 Н/см2
Проверка сборных шин на термическую устойчивость по условию
qвqmin (2.32)
где, qв-сечение шины, выбранное по наибольшему рабочему току, мм2;
qmin_ наименьшее допустимое сечение шины при нагреве её токами к.з.,мм2
qв = h b, мм2 (2.33)
qmin=, мм2 (2.34)
где, tф - фиктивное время, с;tф=1 с;
Ik - ток короткого замыкания, А;
С - коэффициент для алюминиевых шин, С= 88 АС1/2/мм2
qв = 80,6=4,80 мм2
qmin=
Сборные шины 10 кВ термически устойчивы, так как
qB = 480мм2qmin = 53 мм2
Выбор шин сводим в таблицу 2.7
+++Таблица 2.7- Выбор шин
|
Наименование присоединений |
Iраб.м, А |
Материал и сечение токоведущих частей |
Iдоп,А |
|
1 |
2 |
3 |
4 |
|
1 Вводы и перемычка РУ 110 кВ |
273 |
АС-95 |
330 |
|
2 Сборные шины 10 кВ |
769 |
А60х6 |
880 |
|
3 Вводы РУ 10 кВ |
1431 |
А100х6 |
1455 |
|
4 Вводы РУ 35 кВ |
314 |
А30х4 |
365 |
|
5 Сборные шины 35 кВ |
727 |
А40х5 |
540 |
|
6 Районные потребители |
|||
|
Потребитель 1 Потребитель 2 Потребитель 3 Потребитель 4 Потребитель 5 |
487 274 534 445 |
А40х5 А30х4 А40х5 А40х4 |
540 365 540 480 |
|
380 |
А30х4 |
365 |
|
Выбор изоляторов.
Изоляторы служат для механического крепления токоведущих частей и электрической изоляции их от заземленных конструкций и друг от друга.
Для этого изоляторы должны обладать достаточной электрической и механической прочностью, теплостойкостью и влагостойкостью.
Гибкие шины открытых РУ подстанций крепим на гирляндах подвесных изоляторов типа ПС-70 . Количество подвесных изоляторов в гирлянде при напряжении 110кВ принимаем 8 шт.
В аппаратуре применяют изоляторы различной конструкции - опорные и проходные.
Опорные и проходные изоляторы выбираем из условий
Uh Uсети, (2.35)
Iн Iраб.м (2.36)
0,6 Fраз Fрасч, (2.37)
где, Fpaз - разрушающая нагрузка на изгиб изолятора по справочнику, Н;
Fpacч_сила, действующая на изолятор при к.з., Н.
Для опорных изоляторов
(2.38)
Для проходных изоляторов
Fpacч= 0,088 i2у,Н (2.39)
Для опорных изоляторов
Fpacч= 0,178 i2у,Н (2.40)
Выбор изоляторов сводим в таблицу 2.8
+++Таблица 2.8- Выбор изоляторов
|
Наименование присоединений |
Тип изолятора |
||
|
1 |
2 |
3 |
4 |
|
1 Вводы подстанции |
ПС-70 |
продолжение таблицы 2.8
|
1 |
2 |
3 |
4 |
|
2 Сторона ВН понизительного трансформатора |
ОНСМ-110-300 |
||
|
3 Сторона СН понизительного трансформатора |
ОНС-35-500 |
||
|
4 Сторона НН понизительного трансформатора |
ОНС-10-2000 |
||
|
5 Сборные шины РУ-10 кВ |
ОФ-10-750 |
- |
|
|
6 Сборные шины РУ-35 кВ |
ОФ-35-750 |
- |
|
|
7 Ввод РУ-10кВ |
ПНМ/10-400/750 |
- |
|
|
8 Ввод РУ-35кВ |
ОФ-35-750 |
||
|
9 Первичная обмотка ТСН |
ОНС-10-300 |
||
|
10 Районные потребители |
|||
|
Потребитель 1 |
ПНМ-10/630-750 |
||
|
Потребитель 2 |
ПНМ-10/630-750 |
||
|
Потребитель 3 |
ПНМ-10/630-750 |
||
|
Потребитель 4 |
ПНМ-10/630-750 |
Выбор разъединителей, короткозамыкателей и отделителей.
Разъединители предназначены для оперативного переключения под напряжением участков сети с малыми токами замыкания на землю и создания видимого разрыва.
Короткозамыкатели предназначены для создания искусственного к.з. на подстанциях без выключателей со стороны высшего напряжения.
Короткозамыкатель включается автоматически под действием защиты, а отключается вручную.
Отделители представляют собой двухколонковые разъединители с ножамизаземления или без них.
Выбор отделителей, разъединителей, короткозамыкателей производим по условиям [2, с 220]
UнUp, (2.41)
IнIраб.м (2.42)
I2mtm Bk (2.43)
ip.c iy, (2.44)
где, Iт - предельный ток термической стойкости по справочнику, кА;
tт - время прохождения тока термической стойкости по справочнику, с;
inpc-предельный сквозной ток по справочнику, кА;
UH и IН - номинальные напряжение и ток, В и А;
Вк - тепловой импульс тока к.з., кА2 с.
Bk=I2кtткА2с, (2.45)
где, tт = 4 с для разъединителей
tr= 3 с для отделителей, короткозамыкателей
Выбор отделителей, разъединителей, короткозамыкателей сводим в таблицу 2.9
+++Таблица 2.9- Выбор отделителей, разъединителей и короткозамыкателей
|
Наименование присоединений |
Тип аппарата |
Тип привода |
Соотношение справочных и расчетных данных |
|||
|
кВ |
А |
кА |
кА2с |
|||
|
1 |
2 |
3 |
4 |
5 |
6 |
7 |
|
1 Вводы подстанции |
РНДЗ-110/630 |
ПРН-110 |
||||
|
2 Первичная обмотка понижающего трансформатора |
РНДЗ-110/630 |
ПРН-110 |
||||
|
ОДЗ-110М |
ШПОМ |
- |
||||
|
КЗ-110М |
ШПКМ |
- |
||||
|
3 Ввод РУ-35 кВ |
РНДЗ-35 |
ПРН-220 |
продолжение таблицы 2.9
|
1 |
2 |
3 |
4 |
5 |
6 |
7 |
|
4 Ввод РУ-35 кВ |
РВЗ-10 |
ПР-10 |
||||
|
5 Сборные шины 35 кВ |
РНД(З)-35 |
ПРН-220 |
||||
|
6 Районные потребители Потребитель №1 |
РНД(З)-35 |
ПРН-220 |
||||
|
7 Питающая линия (фидер) контактной сети |
РВК-10 |
ПР-3 |
Выключатели высокого напряжения предназначены для переключения электрических цепей переменного тока под нагрузкой.
Выбор высоковольтных выключателей производят по условиям
[2, с 219]
uн up, Iн Iрабм (2.46)
Iн.откIk , Iпр.сIк (2.47)
iпрсiy, I2ktm вк (2.48)
где, Iпр.с- предельный периодический ток к.з. по справочнику, кА.
Выбор высоковольтных выключателей сводим в таблицу 2.10
Таблица 2.10- Выбор высоковольтных выключателей
|
Наименование присоединений |
Тип аппарата |
Тип привода |
Соотношение справочных и расчетных данных |
|||||
|
кВ |
а |
кА |
кА |
кА |
кА2с |
|||
|
1 |
2 |
3 |
4 |
5 |
6 |
7 |
8 |
9 |
|
1 Ввод РУ10 кВ |
ВМП-10-1500-20 |
ПП-67 |
||||||
|
1 Сборные шины-10 кВ |
ВМП-10-1000-20 |
ПП-67 |
продолжение таблицы 2.10
|
1 |
2 |
3 |
4 |
5 |
6 |
7 |
8 |
9 |
|
3Обмотка ТСН 10 кВ |
ВМГ-10-630-20 |
ПЭ-11 |
||||||
|
4 Перемычка подстанции |
МКП-110-М-630-20 |
ПЭ-33 |
||||||
|
5 Районные потребители: |
||||||||
|
Потребитель 1 |
ВМП-10-630-20КУ |
ПЭ-11У |
||||||
|
Потребитель 2 |
ВМП-10-630-20КУ |
ПЭ-11У |
||||||
|
Потребитель 3 |
ВМП-10-630-20КУ |
ПЭ-11У |
||||||
|
Потребитель 4 |
ВМП-10-630-20КУ |
ПЭ-11У |
||||||
|
Потребитель 5 |
С 35М-630-10У1 |
ПЭ-12 |
||||||
|
7 Ввод РУ-35кВ |
ВБЗЕ |
ЭМ |
- |
- |
- |
|||
|
8 Питающая линия контактной сети |
ВР-2 |
ЭМ |
- |
- |
- |
Трансформаторы тока предназначены для измерения тока, питания цепей релейной защиты, а также для изоляции измерительных приборов, реле и обслуживающего персонала от высокого напряжения.
Трансформаторы тока надежно изолируют приборы от высокого напряжения, обеспечивают безопасность обслуживания и позволяют применять стандартные приборы и реле.
Номинальный ток вторичной обмотки трансформатора тока обычно составляет 5 А.
Выбор трансформаторов тока производят по условиям [2,с 220]
Uн Up, Iн Iраб (2.49)
Кроме того трансформатор тока выбирают по роду уставки, конструкции, классу точности.
Выбранный отдельно стоящий трансформатор тока проверяют на динамическую устойчивость
KqIlHiy (2.50)
на термическую устойчивость[2,с 220]
(KmIlH)2 tmВк (2.51)
где, Kq. -кратность электродинамической стойкости по справочнику;
I1н-номинальный ток первичной обмотки трансформатора тока, кА;
Кт - кратность термической стойкости по справочнику.
Принимаем, что в силовом трансформаторе на 110кВ встроен трансформатор тока ТВТ -110/600/5. Встроенные трансформаторы тока на динамическую и термическую устойчивость не проверяют.
Выбор трансформаторов тока сводим в таблицу 2.11
Таблица 2.11- Выбор трансформаторов тока
|
Наименование присоединений |
Тип трансформатора |
Соотношение паспортных и расчетных данных |
Kq |
Проверка на устойчивость |
|||
|
Термическую (KTI1H)2tT ВК |
Динамическую KqI1Hiу |
||||||
|
кВ |
А |
||||||
|
1 |
2 |
3 |
4 |
5 |
6 |
7 |
8 |
|
1 Первичная обмотка понижающего трансформатора |
ТВТ-110 |
Не проверяется |
|||||
|
2 Ввод РУ-35кВ |
ТПОЛ-35 |
250 |
(90 0,1)21 = 81 > 22 |
250 0,1 =35 > 12 |
|||
|
3 Обмотка ТСН |
ТПЛУ-10 |
250 |
(90 0,1)2 1= 81 > 22 |
250 0,1 = 35 > 12 |
|||
|
4 Сборные шины 10 кВ |
ТПОФ-10 |
90 |
(36 1,5)2 1 = 324>169 |
90 1,5 =192 > 12- |
|||
|
5 Районные потребители |
|||||||
|
Потребитель №1 |
ТПОФ-10 |
250 |
(90 0,1)2 1= 81 > 22 |
250 0,1 = 35 > 34 |
|||
|
Потребитель №2 |
ТПОФ-10 |
250 |
(90 0,1)2 1= 81 > 22 |
250 0,1 = 35 > 34 |
продолжение таблицы 2.11
|
1 |
2 |
3 |
4 |
5 |
6 |
7 |
8 |
|
Потребитель №3 |
ТПОФ-10 |
250 |
(90 0,1)2 1= 81 > 22 |
250 0,1 = 35 > 34 |
|||
|
Потребитель №4 |
ТПОФ-10 |
250 |
(90 0,1)2 1= 81 > 22 |
250 0,1 = 35 > 34 |
|||
|
Потребитель №5 |
ТПОЛ-35 |
150 |
(65 0,1)2 1= 42 > 4,2 |
150 0,1 = 21 > 5,2 |
|||
|
6Питающая линия контактной сети |
ТПОЛ-10 |
250 |
(90 0,2)2 1= 324 > 22 |
250 0,2 = 71 > 34 |
|||
|
7 Сборные шины 35 кВ |
ТФНД-35 |
150 |
(65 0,4)21 = 676 > 4,2 |
150 0,4 = 85 > 5,2 |
Выбор трансформаторов напряжения.
Трансформаторы напряжения предназначены для питания напряжением 100В измерительных приборов, цепей защиты, автоматики и сигнализации. В цепях защитных устройств применяют трансформаторы напряжения с дополнительной вторичной обмоткой.
Номинальное вторичное напряжение трансформатора напряжения равно 100 В.
Для катушек напряжения счетчиков и других приборов принимаем трансформаторы напряжения для РУ 10 кВ - НТМИ-10сS2h = 120 ВА.
Проверку на соответствие работы в принятом классе точности производим с учетом резерва подключения перспективных потребителей.Определение суммарной активной и реактивной мощностей приборов, присоединяемых к трансформатору напряжения НТМИ-10 сводим в таблицу 2.12
Таблица 2.12- Выбор суммарной активной и реактивной мощностей приборов
|
Прибор |
Тип |
Число катушек напряжения в приборе шт. |
Число приборов шт. |
Потребляемая мощность, ВА |
cosприб |
sinприб |
Общая |
||
|
мощность |
|||||||||
|
Одного прибора |
Всех приборов |
Вт |
ВАр |
||||||
|
1 |
2 |
3 |
4 |
5 |
6 |
7 |
8 |
9 |
10 |
|
Счетчик актив ной энергии |
САЗУИ670 |
2 |
3 |
4 |
24 |
0,38 |
0,93 |
9,12 |
22,3 |
|
Счетчик реактивной энергии |
СРЧИ673 |
3 |
3 |
7,5 |
45 |
0,38 |
0,93 |
17,1 |
41,8 |
продолжение таблицы 2.12
|
1 |
2 |
3 |
4 |
5 |
6 |
7 |
8 |
9 |
10 |
|
Вольтметр |
Э378 |
1 |
1 |
2 |
2 |
1 |
- |
2,0 |
- |
|
Реле напряжения |
РН-54 |
1 |
3 |
1 |
3 |
1 |
- |
3 |
- |
|
Итого |
31,22 |
64,1 |
Полная мощность, подключенная к трансформатору напряжения НТМИ-10
S2 = ВА (2.52)
S2 = ВА
Условия выбора удовлетворяется, так какS2h= 120ВА S2= 71,3 ВА.
Определение суммарной активной и реактивной мощностей приборов, присоединяемых к трансформатору ЗНОМ-35, сводим в таблицу 2.13
Таблица 2.13- Выбор суммарных мощностей приборов
|
Прибор |
Тип |
Число катушек напряжения в приборе шт. |
Число приборов шт. |
Потребляемая мощность, ВА |
cosприб |
sinприб |
Общая |
||
|
мощность |
|||||||||
|
Одного прибора |
Всех приборов |
Вт |
ВАр |
||||||
|
1 |
2 |
3 |
4 |
5 |
6 |
7 |
8 |
9 |
10 |
|
Счетчик актив ной энергии |
САЗУ- И 670 |
2 |
3 |
4 |
24 |
0,38 |
0,93 |
9,12 |
22,3 |
|
Счетчик реактивной энергии |
СРЧИ-673 |
3 |
3 |
7,5 |
45 |
0,38 |
0,93 |
17,1 |
41,8 |
|
Вольтметр |
Э378 |
1 |
1 |
2 |
2 |
1 |
- |
2 |
- |
|
Реле напряжения |
РН-54 |
1 |
3 |
1 |
3 |
1 |
- |
3 |
- |
|
Итого |
31,22 |
64,1 |
Полная мощность, подключенная к трансформатору напряжения ЗНОМ-35
S2 = ВА (2.53)
S2 = ВА
Условия выбора удовлетворяется, так как
S2h= 150ВА S2= 71,3 ВА.
Выбор устройств защиты от перенапряжений.
Здания и РУ подстанций защищаются от прямых ударов молнии от волн перенапряжений, набегающих с линии, а также от коммутационных перенапряжений. Защита от прямых ударов молнии открытых подстанций и ОРУ выполняется молниеотводами, устанавливаемыми на конструкциях открытых распределительных устройств или отдельно.
В настоящее время для защиты от коммутационных и атмосферных (грозовых) перенапряжений на подстанции применяются вентильные разрядники и ограничители перенапряжений (ОГШ).
Ограничители перенапряжений представляют собой разрядники без искровых промежутков. Основным отличием ОГШ от разрядников являются более низкие уровни (на 350%) ограничения перенапряжений (до 1,82,0UH). Показатели надежности грозозащиты при установке ОПН в два раза выше, чем при установке вентильных разрядников.
Ограничители перенапряжений выбираются в зависимости от вида защищаемого оборудования, рода тока и значения рабочего напряжения по условию
Uн = Upa6 (2.54)
где, Uн номинальное напряжение ограничителя, кВ;
Upa6 рабочее напряжение на шинах установки, кВ.
Выбор ограничителей сводим в таблицу 2.14
Таблица 2.14- Выбор ограничителей
|
Наименование присоединения |
Тип ограничителя |
UH/Upa6кВ |
|
1 Первичная обмотка понижающего трансформатора |
ОПН-110 |
110/110 |
|
2 Ввод РУ-10кВ |
ОПН-10 |
10/10 |
|
3 Ввод РУ-35 кВ |
ОПН-35 |
35/35 |
|
4 Трансформатор напряжения на 10 кВ |
ОПН-10 |
10/10 |
|
5 Трансформатор напряжения на 35 кВ |
ОПН-35 |
35/35 |
|
6 Трансформатор напряжения на 110 кВ |
ОПН-110 |
110/110 |
Расчет заземляющих устройств.
Расчет заземляющих устройств подстанции заключается в определении количества заземляющих элементов для принятого их расположения в зависимости от удельного сопротивления грунта и от наибольшего допустимого сопротивления заземляющего устройства.
Определяем периметр защищаемой зоны
Ln = 2(110+155) = 530 м
Выполняем заземлитель из круглых стальных электродов диаметром
12мм и длиной 5 м. Так как площадь контура заземления превышает 1000 м 2 по всей площади на глубине 0,7 м прокладываются горизонтальные полосы сечением 40x4 мм, образуя сетку с размерами ячеек 6x6 м.
Общая длина горизонтальных заземлителей
Lг=18110+25155 = 5855 м
Определяем число вертикальных заземлителей
n'в= ,шт (2.55)
где, а - расстояние между вертикальными заземлителями, а=6 м.
n'в== 89шт
Определяем расчетное удельное сопротивление грунта
расч = Кс, Ом м (2.57)
где, - удельное сопротивление грунта, Ом м, для суглинка р = 100 Ом м;
Кс - коэффициент сезонности, учитывающий просыхание и промерзание грунта, для третьей климатической зоны.
расчв= 1,45100 = 145 Ом;
расчг= 2,8100 = 280 Ом
Рассчитываем сопротивление горизонтальных заземлителей
Ом (2.57)
где, г - коэффициент использованиягоризонтальныхзаземлителей,
г = 0,20;Lr- длина горизонтальных заземлителей, м;
b- ширина полосы., b= 0,04 м;
h- глубина заложения полосы, h= 0,7 м.
Ом
Определяем необходимое сопротивление вертикальных заземлителей
rb, Oм (2.58)
где, rэ- требуемое по нормам значение сопротивления заземляющего
устройства, Ом,rэ 0,5 Ом.
rb=1,281 Ом
Определяем сопротивление одного вертикального заземлителя
Rзст= 0,226 расч, Ом (2.59)
Rзст = 0,226 145 = 32,8 Ом
Определяем уточненное количество вертикальных заземлителей
nB=шт (2.60)
где в - коэффициент использования вертикальных заземлителей, в = 0,35.
nв ==89шт
Принимаем в контуре 83вертикальных заземлителя.
2.9 Выбор релейной защиты
Релейной защитой называется совокупность специальных устройств, контролирующих состояние всех элементов системы электроснабжения и реагирующих на возникновение повреждения или ненормальный режим работы систем.
Назначением релейной защиты (РЗ) является выявление поврежденного элемента и быстрейшее его отключение от энергосистемы. Кроме того, устройства релейной защиты должны предупреждать повреждение элемента энергосистемы в случае возникновения ненормального и опасного для него режима работы (перегрузка, неполнофазный режим и др.).
Основные требования, предъявляемые к устройствам релейной защиты:
Селективность способность устройства релейной зашиты выявить и отключить именно поврежденный элемент энергосистемы, а не какой-либо иной, хотя при наличии короткого замыкания нарушается нормальная работа многих элементов энергосистемы.
Быстродействие способность релейной защиты в кратчайший промежуток времени (лучше всего мгновенно) выявить и отключить поврежденный элемент энергосистемы.
Чувствительность способность устройства релейной защиты четко отличать режим короткого замыкания любого вида (трехфазное, двухфазное, однофазное короткое замыкание) от всевозможных, даже утяжеленных режимов работы защищаемого объекта при отсутствии короткого замыкания.
Надежность отсутствие отказов или ложных срабатываний релейной защиты, что обеспечивается как функциональной, так и аппаратной надежностью устройства защиты.
Релейную защиту подстанции выполняют по схемам, предусматривающим применение постоянного оперативного тока.
Виды релейных защит каждого присоединения зависят от схем питания линии или мощности трансформаторов.
Расчет защит начинаем с наиболее удаленных присоединений от ввода подстанции.
Выбранную релейную защиту сводим в таблицу 2.14
Таблица 2.15- Расчет релейной защиты
|
Наименование присоединения |
Вид защиты |
Ток срабатывания Iсз, А |
Коэффициент чувствительности Кч |
Ток установки Iуср, А |
|
1 |
2 |
3 |
4 |
5 |
|
1. Районные потребители Потребитель№1 Потребитель№2 Потребитель№3 Потребитель№4 |
где Кн=1,11,2 Кв=0,85 Кз=1,53 |
где Кхс=1 |
продолжение таблицы 2.5
|
1 |
2 |
3 |
4 |
5 |
|
2. Сборные шины РУ 10кВ |
МТ3 Токовая отсечка |
где Кс=1,1 |
где Ксх=1 |
|
|
3. Ввод РУ 10кВ |
МТ3 с пуском по напряжению Напряжение пуска защиты |
где Кн=1,11,2; Кв=1,2 |
г де Ксх=1 где Кн=1,11,2 |
|
|
продолжение таблицы 2.5 |
||||
|
1 |
2 |
3 |
4 |
5 |
|
4. ТСН |
Токовая отсечка без выдержки времени МТ3 с с выдержкой времени |
где Кн=1,31,4 где Кн=1,151,25; Кв=0,85 |
||
|
5. Первичная обмотка понижающего трансформатора |
МТ3 с пуском по напряжению |
где Кн=1,11,2; Кв=0,85 где Кс=1,051,1 |
где Ксх= |
|
|
продолжение таблицы 2.5 |
||||
|
1 |
2 |
3 |
4 |
5 |
|
Напряжение пуска защиты Защита от перегрузки |
где Кн=1,11,2; Кв=1,2 где Кн=1,05; Кв=0,85 |
|||
|
6 Ввод РУ 35кВ |
МТ3 с пуском по напряжению |
где Кн=1,11,2; Кв=1,2 Кн=1,15 |
продолжение таблицы 2.5
|
1 |
2 |
3 |
4 |
5 |
|
+++7. Первичная обмотка трансформатора |
МТЗ |
3 СПЕЦИАЛЬНАЯ ЧАСТЬ..
3.1Устройство отделителя
Осмотр и проверка работы отделителя.
Осмотреть отделитель и выявить дефекты контактной системы, фарфоровой изоляции на наличие трещин и сколов, болтовых, штифтовых и шплинтовых соединений.
Произвести несколько операций включения и отключения отделителя с целью проверки правильности вхождения в контакты главных и заземляющих ножей. Заедание при отключении не допускается. Операции с отделителем при наличии больших трещин и сколов на изоляторе не допускаются. В этом случае необходимо провести механические испытания изоляторов на изгиб.
Поузловая разборка отделителя.
Вывинтить болты и отсоединить наконечники от главных контактных выводов отделителя. Расшплинтовать и отсоединить междуполюсные соединительные тяги.Расшплинтовать и отсоединить соединительные тяги заземляющих ножей. Расшплинтовать и отсоединить тягу от рычага. Расшплинтовать и отсоединить тягу от рычага и рычага.Расшплинтовать ,отсоединить и снять тяги . Расшплинтовать и отсоединить от обоих изоляторов тягу . Повторить переход для двух других фаз. Зафиксировать рукоятки приводов заземляющих ножей в отключённом положении отделителя.
Ремонт и испытание опорных изоляторов, замена дефектного опорного изолятора.

Рисунок 3.1 Основание изолятора.
Осмотреть и выявить дефектные опорные изоляторы 6
Особенно тщательно необходимо выявлять: сколы и следы ударов на поверхности изоляторов; трещины на поверхности изоляторов (особенно в области примыкания к фланцам); раковины, трещины, повреждения влагостойкого покрытия в армировке и цементном шве; трещины и сколы на фланцах изолятора.
Изоляторы необходимо отбраковывать при продольных или кольцевых трещинах, поверхностных сколах на ребрах изоляторов, превышающих допустимые значения: суммарная площадь сколов более 100 мм2, а глубина скола более 3 мм; поверхностном выкрошивании цементной смазки общим объемом у двух фланцев 10 см3 и более; трещины на корпусе фланцев.
Склеивание фарфоровых частей выполняется карбинольным клеем БФ-4, БФ-88 или клеем на основе эпоксидной смолы.
При объеме выкрошившейся цементной связки менее 10 см3 поврежденные места должны быть заделаны влагостойкой шпатлевкой (ПФ-00-2 или ХВ-00-5), при отсутствии шпатлевки внешние раковины или трещины можно залить густой краской или эмалью, предназначенных для покрытия цементных швов или арматуры (эмаль ПФ-15, серая эмаль ХВ-125, краски на олифе). Произвести механические испытания опорных изоляторовна изгиб. Удалить шплинт, поднять опорный изолятор над основанием отвести изолятор в сторону. Вынуть установочное кольцо из основания и шарики. Очистить детали основания и подшипники от старой смазки и промыть их бензином. Осмотреть, выявить и заменить дефектные подшипникии шарики . Заменить уплотнительные кольца , новыми, предварительно пропитанных маслом индустриальным или машинным С (ГОСТ1707-51).Вывинтить маслёнку, осмотреть, промыть бензином (при необходимости заменить), ввинтить на место. Смазать трущиеся части основания изоляторов смазкой ЦИАТИМ-201.Собрать основание. Установить опорный изолятор в основание и зашплинтовать шплинтом.
Замена опорного изолятора.
Вывинтить болты и снять контактный нож. Вывинтить болты. Удалить шплинт,поднять опорный изолятор над основанием , отвести изолятор в сторону и опустить его на землю. Поднять опорный изолятор и установить его на основание. Установить болты, подложив шайбы, и навинтить гайки. Произвести механические испытания нового опорного изолятора на изгиб согласно приложению .Установить контактный нож 9 и прикрепить его к опорному изолятору болтами, подложив шайбы .Повторить переходы для остальных изоляторов.Для выравнивания опорных изоляторов по высоте под фланцы изоляторов устанавливать прокладки.
Ремонт главной контактной системы, замена дефектного ножа.
Вывинтить болты отвинтить гайку и снять кожух .Очистить контактную систему от пыли и грязи. Зачистить оплавленные места на контактных поверхностях ламелей и контактной пластине. При наличии на ламелях прожогов глубиной более 2 мм. ламели заменить. При наличии на контактной пластине прожогов глубиной более 1 мм., а также при «отслаивании» её заменить главный контактный нож. Удалить шплинт и вынуть ось.

Рисунок 3.2 Контактная система отделителя.
Отвинтить гайки , вынуть шпильку , снять пластины , ламели , шайбы и пружину .Заменить дефектные ламели .Осмотреть снятые детали контактной системы, дефектные детали заменить. Собрать контактную систему, предварительно смазав её техническим вазелином. Отрегулировать контактное давление ламелей натягом шпильки .
Вытягивающее усилие в направлении вдоль ножа, прикладываемое к вставляемой в разъёмный контакт шине толщиной 11 мм., должно быть 8-9 кгс на 1 пару ламелей.Установить кожух, навинтить гайку, подложив шайбу. Установить болты в отверстия и навинтить гайки, подложив шайбы.Вывинтить болты, завинтить гайки и снять гибкую связь .Зачистить контактные поверхности на гибкой связи, планках и контактных пластинах .Вывинтить винт , снять ступицу. Очистить внутреннюю поверхность ступицы от старой смазки, промыть бензином, смазать новой смазкой ЦИАТИМ-201.Установить ступицу на место, проверить вращение ступицы (заедания и задевания не допускаются).Ввинтить винт.Установить гибкую связь на место, ввинтить болт, подложив планку и шайбу, навинтить гайки, подложив планку и шайбы.
3.2 Монтаж , и эксплуатация отделителя
Ремонт заземляющей контактной системы.
Очистить от пыли и грязи детали ножа заземления.Зачистить контактную поверхность контактов. Осмотреть пружины, при необходимости заменить их. Отвинтить гайки и снять пружины .Заменить дефектные пружины .Установить новые пружины и закрепить их болтами и гайками , подложив шайбы .
Проверить вытягивающее усилие вдоль оси ламелей разъёмного контакта, прикладываемое к вставляемой в разъёмный контакт шине толщиной 6 мм., равной толщине неподвижного контакта.Усилие должно быть равно 6-8 кгс.
Очистить неподвижный контакт от пыли и грязи. Отвинтить гайку , снять шайбу и контакт .Зачистить контактные поверхности контактной пластины, контакта , шайбы. Собрать неподвижный контакт.Вывинтить болты отвинтить гайки и снять гибкую вязь .Зачистить контактные поверхности на гибкой связи.
Установить гибкую связь на место, закрепить её болтом, подложив шайбы, и навинтить гайку.

Рисунок 3.3 Нож заземления.
Осмотреть контур заземления, подтянуть при необходимости болт заземления
Ремонт рабочих пружин.

Рисунок 3.4 Рабочая пружина.
Вывинтить), снять кожух и втулки.Отвинтить вилку с тяги.Отвинтить гайки с тяги .Снять держатель с тяги.Снять пружины и втулку с тяги .Вынуть тягу из кронштейна швеллера .Проверить качество резьбовых соединений .Заменить (при необходимости) шайбы.Очистить пружины от грязи и пыли.Осмотреть и выявить дефектные пружины .Заменить выявленные дефектные пружины .Очистить детали от пыли, грязи и ржавчины. Установить на тягу шайбы. Установить тягу в отверстие кронштейна .Установить на тягу втулку , пружины и навинтить держатель .Установить на тягу шайбу и навинтить гайку .Навинтить гайку, установить шайбу и навинтить вилку на тягу .Установить вилки и на рычаги оснований установить оси подложить шайбу и установить шплинты .В отключённом положении отделителя сжать пружину, вращая держатель ,до размера 605+-2мм.Законтрогаить держатель контргайкой .

Рисунок 3.5 Цоколь ведомого полюса.
Ремонт буфера.
Отвинтить гайки и снять буфер с цоколя .Отвинтить наконечник со штока .Снять шайбу и пружину со штока .Вынуть шайбы из наконечника .Вывинтить винты. Вынуть шток с поршнем и крышкой из цилиндра .Отвинтить гайку и снять поршень со штока . Протереть и очистить от пыли, грязи и ржавчины все детали буфера. Проверить качество и отбраковать резьбовые соединения буфера. Осмотреть пружинные шайбы и (трещины и надломы на допускаются).Осмотреть пружину (трещины и надлома не допускаются).Осмотреть крышу (трещины и надломы не допускаются).Осмотреть цилиндр и поршень (трещины и сколы не допускаются).Поверхности скольжения должны быть гладкие (задиры и заусеницы не допускаются). Небольшие задиры и заусеницы зачистить шлифовальной шкуркой .Заменить уплотнительные кольца и новыми . Смазать трущиеся части буфера смазкой ЦИАТИМ-201.Установить уплотнительные кольца в канавки поршня .Установить поршень на шток и навинтить гайку, подложив шайбу. Вставить шток с поршнем в цилиндр. Установить уплотнительное кольцо в крышу , установить крышку в цилиндр и ввинтить винты, подложив шайбы .Установить пружину и шайб на шток .Установить шайбы в наконечники навинтить наконечник на шток .Установить буфер на цоколь, вставить болты в отверстия, установить на болты шайбы и навинтить гайки, регулировка буфера путём установки шайб в наконечник производится при регулировке отделителя.
Ремонт подшипника передачи.
Удалить шплинты снять шайбы , вынуть ось и втулки , снять вилку . Удалить шплинт из шпильки , отвинтить гайку, вынуть шарики , шайбы , втулку .Очистить все детали подшипника от старой смазки и тщательно осмотреть.Заменить дефектные детали подшипника.Промыть все детали подшипника бензином.Установить в кольцевые канавки рычага новые уплотнительные кольца. Заполнить внутреннюю полость рычага смазкой ЦИАТИМ-201 и установить рычаг на шпильку кронштейна. Уложить во внутреннюю полость рычага шарики, установить шайбы на шпильки, установить на шпильки втулки, шайбы, шарики и навинтить гайки .Затянуть гайки так, чтобы рычаг вращался от руки с небольшим трением. Зашплинтовать гайку.
Сборка отделителя.
Установить тяги и закрепить их (без затяжки).Установить тяги и на место и их закрепить (без затяжки).Установить тягу на рычаг и рычаг и закрепить, предварительно выдержав угол 20+-2.Установить тягу на рычаг и предварительно закрепить. Установить соединительные тяги заземляющих ножей и предварительно закрепить. Установить междуполюсные тяги и предварительно закрепить.
Регулировка и окончательная сборка.
Включить отделитель. Во включённом положении главные контактные ножи и должны заходить за продольную ось полюса не более чем на 5 мм.в месте смыкания контакта. Зазор между торцами ножей должен быть не более 3 мм.при медленном включении отделителя. Это достигается установкой прокладок. Отключить отделитель. Замерить и отрегулировать расстояние в свету между концами главных ножей. Это расстояние должно быть не менее 1050 мм., что достигается регулировкой междуполюсных тяг. При этом угол поворота колонок должен составлять 90+-1 град. Отрегулировать дополнительный запас хода штока буфера,который должен быть 12-15 мм. Регулировка производится наконечником и вложенными в него шайбами. В отключённом положении отделителя резиновый буфер должен упираться в кронштейн.Отрегулировать вход в губки заземляющих ножей . Регулировка производится тягами. Закрепить все тяги отделителя окончательно. Установить втулки на кронштейн. Установить кожух на втулки и ввинтить болты, подложив шайбы .Проверить ход рычагов и тяг. Задевания за кожухи и другие части металлоконструкций не допускаются. Включить отделитель и замерить переходное сопротивление главного контакта каждого полюса, которое не должно превышать 175 мкОм. Подсоединить наконечник шинного спуска к отделителю.
Осмотр и ремонт тяги.
Произвести тщательный осмотр тяги и выявить трещины на трубе тяги, трещины и сколы на изоляционной вставке, степень коррозийного износа, проверить качество сварных и резьбовых соединений, при наличии трещин и сколов вставку заменить.Зачистить места, покрытые ржавчиной.Замерить сопротивление изоляции стеклотекстолитовой вставки, которое не должно быть менее 1000 МОм.
4 ЭКОНОМИЧЕСКАЯ ЧАСТЬ
4.1 Капитальные вложения в проект
Определение стоимости подстанции производим по укрупненным показателям стоимости строительства объектов с учетом основных узлов и элементов подстанции. В укрупненные показатели стоимости строительства включены средние данные, включающие в себя стоимость строительства, оборудования, приборов, приспособлений и их монтажа с учетом накладных расходов и плановых накоплений. В связи с изменением цен затраты на строительно-монтажные работы и стоимость оборудования необходимо умножать на коэффициент -115 [3 с. 153].
Расчет стоимости подстанции производим в таблице 4.1
Таблица 4.1- Расчет стоимости подстанции
|
Наименование |
Строительные работы тенге |
Монтажные работы тенге |
Оборудование тенге |
|
1 |
2 |
3 |
4 |
|
1. Верхнее строение пути |
1323300 |
- |
- |
|
2. Здание |
4870800 |
1357400 |
4680500 |
|
3.Благоустройство территории |
11199000 |
- |
- |
|
4. ОРУ-110 кВ |
1571900 |
942700 |
3880900 |
|
5. ОРУ-35 кВ |
948200 |
478500 |
2948000 |
|
6. РУ-10кВ |
79200 |
989100 |
1870000 |
|
7. Шкафы СН |
24200 |
3300 |
168300 |
|
8.Прожекторное освещение |
119900 |
156200 |
- |
|
9. Заземление |
154000 |
196900 |
- |
|
10. Отдельно стоящие молниеотводы |
145530 |
- |
- |
|
11. Подвеска шин к трансформаторам 110 кВ |
- |
25300 |
20900 |
|
12. Резервуар для слива масла V=30 м3 |
22660 |
5500 |
- |
|
13. Кабельные каналы |
217800 |
- |
- |
|
14. Прокладка кабелей и др. |
33000 |
2777500 |
- |
|
15.Портал шинных мостов и опоры |
82500 |
- |
|
|
16.Прокладка абсорбентых труб |
30800 |
- |
- |
продолжение таблицы 4.1
|
1 |
2 |
3 |
4 |
|
ИТОГО |
10822790 |
6032400 |
13668600 |
Стоимость подстанции определяется
Сmn=(Ccmp+Cмонm+ Собор)·5, тенге (4.1)
= (10822790+6032400+13668600)· 5=230523790тенге
где 5- переводной коэффициент.
4.2 Определение текущих затрат в проект
Определение эксплуатационного персонала подстанции
Расчетная нормативная численность работников подстанций определяется на основании единых нормативов численности персонала электросетевых организаций [13,с.19]. Нормативы установлены с учетом факторов, оказывающих наибольшее влияние на численность рабочих, т.е. учтены затраты времени на выполнение работ, на прием и сдачу смены, получение наряда, выполнение распоряжений надзора, осмотр и уборку рабочего места, проезд к месту производства работ и обратно, на отдых и личные надобности.
Перечень оборудования подстанции, принимаемого при расчете численности приводится в таблице 4.2
Таблица 4.2- Перечень оборудования подстанции
|
Наименование оборудования |
Количество оборудования |
|
1 Силовой трансформатор 110/10 кВ |
2 |
|
2 Разъединитель напряжением 110 кВ |
10 |
|
3 Отделитель напряжением 10 кВ |
2 |
|
4 Короткозамыкатель напряжением 110 кВ |
2 |
|
5 Выключатель масляный 35 кВ |
4 |
|
6 Разъединитель напряжением 10 кВ |
2 |
|
7 Выключатель вакуумный напряжением 10 кВ |
12 |
|
8 Трансформатор ТСН на напряжение 10 кВ |
2 |
|
9 Разъединитель напряжением 35 кВ |
9 |
Расчет явочной численности работников подстанции производится в таблице 4.3
Таблица 4.3- Расчет явочной численности работников подстанции
|
Наименование оборудования |
Ед. измерения |
Нормативы численности ед. изм. чел. |
Всего |
|
|
Количество оборудования |
Норматив численности на весь объем чел. |
|||
|
1 |
2 |
3 |
4 |
5 |
|
1 Силовой трансформатор напряжением 110 кВ 2 Присоединение с отделителем и короткозамыкателем напряжением 110 кВ 3 Присоединение вакуумным выключателем напряжением 10 кВ 4 Присоединение с разъединителем напряжением 10 кВ 5 Силовой трансформатор собственных нужд напряжением 10 кВ 6 Присоединение с разъединителем напряжением 110 кВ 7 Присоединение с масляным выключателем напряжением 35 кВ 8 Присоединение с разъединителем напряжением 35 кВ 9 Наружное освещение |
10 ед 10 ед. 10 ед. 10 ед. 10 ед. 10 ед. 10 ед. 10 ед. 100 св. |
9,28 1,75 0,62 0,47 1,83 0,72 1,56 0,43 0,35 |
2 2 12 2 2 4 4 9 |
1,856 0,35 0,064 0,094 0,366 0,144 0,624 0,378 |
|
Всего: 3,894 |
Сводный расчет численности производится в таблице 4.4
Таблица 4.4- Сводный расчет численности
|
№ П/П |
Наименование профессии |
Расчетная нормативная численности |
Коэффициент сменности |
Норматив численности |
|
1 |
Служащие Начальник подстанции Мастер подстанции |
1 1 |
1 1 |
1 1 |
|
2 |
Рабочие Электромонтер по обслуживанию подстанции 3, 4 и 5 разряда |
3,894x1,09=4,24 |
4,5 |
19 |
Планирование зарплаты на предприятии предусматривает определение объёма средств, необходимых для оплаты труда работников в соответствии с плановым выпуском продукции, установления правильных соотношений в уровнях зарплаты по цехам предприятия и категориям работающих с учётом характера производства, различий в уровне квалификации, условий труда.
Цель рациональной оплаты труда: обеспечение соответствия между трудовыми вкладами работника и его оплатой.
Фонд заработной платы-это количество денежных средств, предназначенных для выплаты заработной платы всем работникам предприятия за определенный период времени (месяц, квартал, год) определяется умножением среднемесячной зарплаты одного работника на численность работников предприятия и на 12 месяцев[12, с. 153]
Расчет заработной платы производится в таблице 4.5
Таблица 4.5 - Расчет заработной платы работников подстанции
|
Наименование профессий |
Количество работников чел. |
Тариф, ставка или оклад т |
Доплата за вред 10% т |
Ночные 50% т |
Праздничные 10% т |
Премиальные 20% т |
Годовой ФОТ тенге |
|
1 |
2 |
3 |
4 |
5 |
6 |
7 |
8 |
|
1 .Начальник подстанции 2. Мастер |
1 1 |
50000 45000 |
10000 9000 |
720000 153000 |
|||
|
Итого ИГР |
2 |
95000 |
20850 |
873000 |
|||
|
1 |
2 |
3 |
4 |
5 |
6 |
7 |
8 |
|
3.Электромонтеры по ремонту и обслуживанию подстанции: |
- |
||||||
|
3 разряд 4 разряд 5 разряд |
3 8 8 |
20000 25000 30000 |
2000 2500 3000 |
10000 12500 15000 |
2000 2500 3000 |
4000 5000 6000 |
456000 570000 684000 |
|
Итого |
19 |
75000 |
7500 |
Отчисления в пенсионный фонд составят [12 с.
Фпенс = ФОТНпенс=2583000·0,11=284130 тенге (4.2)
где ФОТ - годовой фонд оплаты труда, тенге;
Нпенс - норма отчислений в пенсионный фонд.
Отчисления в социальный фонд составят [12 с. 188]
Фсоц= (ФОТ-Фпенс) 0,11, тенге (4.3)
где ФОТ - годовой фонд оплаты труда, тенге;
0,11 - норма отчислений в социальный фонд.
Фсоц= (2583000- 284130) 0,11=252875,7 тенге
4.3Расчет эксплуатационных затрат
Эксплуатационные расходы включают в себя затраты на заработную плату, стоимость материалов и запасных частей, стоимость электрической энергии, расходуемой на собственные нужды, амортизационные отчисления, расходы на охрану труда, технику безопасности и прочие расходы.
Затраты на материалы определяются по формуле [12, с.188]
тенге (4.4)
где,Смn-стоимость подстанции, тенге;
Нм - принимаются 0,81,5% от стоимости основных фондов.
Расходы на электроэнергию зависят от стоимости 1кВт.ч промышленных предприятий и объема потребляемой энергии.
Расход электроэнергии для собственных нужд подстанции переменного тока принимается 0,5-0,7% от общего значения перерабатываемой энергии подстанцией в течении года [6, с.147]
= Кн· Sтn·8760·cosср,кВт.ч (4.5)
где, Кн - коэффициент нагрузки, Кн = 0,57;
- мощность подстанции, МВА;
- средний коэффициент мощности на шинах подстанции,
= 0,93;
8760 - годовое число часов работы подстанции.
= 0,5400008760 0,93 = 195523200кВт.ч
Расход электроэнергии на собственные нужды подстанции
кВт.ч (4.6)
Затраты на электроэнергию определяются по формуле[12, с. 189]
СЭЭ= Ц1квт·, тенге (4.7)
где, =8,47 тенге промышленная цена 1 к Вт.ч электроэнергии.
СЭЭ=8,47·977616=8280407, тенге
Расходы на спецодежду ведутся в таблице 4.6
Таблица 4.6 Расходы по спецодежде
|
Наименование |
Количество полученной одежды |
Цена, тенге |
Срок, год |
Расчет нормы расходов, тенге |
|
1 |
7 |
3 |
6 |
|
|
Костюм х/б |
21 |
4500 |
1 |
94500 |
|
Сапоги |
21 |
3800 |
1 |
79800 |
|
Теплозащитный костюм |
21 |
12000 |
4 |
252000 |
|
Каска текстиловая |
21 |
800 |
до износа |
16800 |
|
Рукавицы |
21 |
1250 |
до износа |
5250 |
|
Плащ |
21 |
9000 |
3 |
189000 |
|
Валенки |
21 |
4000 |
1 |
84000 |
|
Итого |
721350 |
Затраты на мыло для рабочих и служащих подсчитываются: с учетом норм расхода мыла в год: на одного рабочего - 2,4 кг; на служащего - 0,6 кг (стоимость мыла условно 250 тенте 1 кг)
Смб=Цм·(0,67·Чслуж+ 2,4 ·Чраб) + Сохр.тр.(4.8)
где Цм = 500 - цена 1 кГ мыла, тенге;
Сохр.тр - затраты на охрану труда (берутся из таблицы 4.6)
Смб = 500(0,672+2,419)+721350=744820 тенге
Амортизационные отчисления рассчитываются по каждой группе основных фондов, исходя из балансовой стоимости и установленных норм амортизационных отчислений. Они предназначены для устранения износа и замены полностью износившихся основных фондов и определяются по формуле
[12, с.33]
(4.9)
где - стоимость подстанции, тенге;
На- норма амортизационных отчислений, %
Основные фонды - это средства производства, которые сохраняя натурально-вещественную форму, действуют в течение длительного времени и переносят свою стоимость на вырабатываемую продукцию частями, по мере износа, в виде амортизационных отчислений.
Расчет амортизационных отчислений производим в таблице 4.7
Таблица 4.7-Расчет амортизационных отчислений
|
Наименование элементов |
Норма амортизации На % |
Амортизационные отчисления , тенге |
|
Электротехническое оборудование подстанции постоянного тока Силовое электротехническое оборудование РУ Строительная часть подстанции |
5,5 6,4 2,8 |
7517400 87479040 47194532 |
|
Всего |
142190972 |
К прочим расходам относятся: стоимость разных работ и услуг посторонних организаций, оплата суточных, подъемных. Они принимаются в размере 5 % от годового фонда заработной платы работников подстанции
Спр= ФОТ 0,05, тенге (4.10)
где ФОТ - фонд заработной платы работников, тенге
Спр = 2583000 0,05 =1291500 тенге
Эксплуатационные расходы подстанции определяются по формуле:
Эг= ФОТ +Фпенс +Фсоц + См + СЭЭ + Смб + Сам +Спртенге (4.11)
Эг=2583000 + 284130 + 252875,7 + 274714,11 + 744820 + 142190972 + 1291500=
147622011,81 тенге
Себестоимость продукции, представляя собой затраты предприятия на производство и обращение, служит основой соизмерения расходов и доходов, т.е. самоокупаемости - основополагающего признака рыночного хозяйственного расчета. Себестоимость - один из обобщающих показателей интенсификации и эффективности потребления ресурсов.
Себестоимость преобразуемой электроэнергии определяется [12, с. 189]
(4.12)
К факторам, влияющим на фактическое снижение себестоимости относятся:
-повышение технического уровня производства - это внедрение новой, прогрессивной технологии, механизация и автоматизация производственных процессов, прочие факторы, повышающих технический уровень производства;
-совершенствование организации производства и труда;
- совершенствование управления производством и сокращение затрат на него.
4.4 Расчет эффективности проекта
Согласно методическим рекомендаций по оценке эффективности инвестиционных проектов, в основе принятия решения о приемлемости проекта лежит определение его ценности.
Ценность проекта - это разница между выгодами по проекту и затратами на его реализацию и эксплуатацию, т.е.
Эт = Рт-Зт (4.13)
где Эт -ценность или эффект по проекту;
Pт - выгоды или поступления по проекту;
Зт -затраты на расходы по проекту.
Определяем срок окупаемости. Экономический эффект и срок окупаемости определяется путем расчета денежного потока по выручке.
Определяем сумму реализации электроэнергии в год.
Суммарный отпуск электроэнергии
Wотп=Wэ-Wсн (4.14)
Wотп= 195523200 - 977616= 194545584кВт.ч
Определяем сумму реализации электроэнергии в год
D=Цпром·Wотп (4.15)
D = 8194545584 =1556364672 тенге
Прибыль от реализации продукции представляет собой разницу между выручкой от реализации продукции, годовыми эксплуатационными расходами и общими затратами на производство и реализацию.
П = D-Sэ-Зэксп (4.16)
П=1556364672-165363746,4147622011,81 =1243378913,79 тенге
где, -стоимость производства и реализации отпущенной электроэнергии,
= = 194545584 0,85 = 165363746,4 тенге
где, - стоимость потерь электроэнергии,
Зэксп- затраты на эксплуатацию,
= 0,85 тенге/кВт.ч
Налог на прибыль
тенге (4.17)
Чистая прибыль
ЧП = П-НП = 1243378913,79298410939,30= 944967974,49 тенге (4.18)
Чистый денежный поток
ЧДП = ЧП+А = 944967974,49 + 142190972 = 1087158946,49тенге (4.19)
Чистый дисконтированный доход
ЧДД= (4.20)
тенге за 1 год
тенге за 2 год
Согласно (4.20), получаем
ЧДД = 970677630-30523790 =940153840 тенге
Определяем индекс доходности
Вывод: Срок окупаемости вложений составляет 2года.
Затраты на эксплуатацию по подстанции составляют 21511571,85 тенге.
Выгода от реализации электроэнергии составляет 209271000 тенге;
Прибыль за год по подстанции составляет 907464876,066 тенге
Чистый дисконтированный доход проекта, характеризующий величину экономического эффекта за рассматриваемый период (2года), составляет 940153840 тенге.
Индекс доходности проекта за год составляет 31,8. Это означает, что за расчетный период экономический эффект от реализации проекта в 31,8 раза превышает связанные с проектом затраты.
Таким образом, реализация данного проекта является эффективным вложением средств.
5 ОХРАНА ТРУДА И ПРОТИВОПОЖАРНАЯ ЗАЩИТА
5.1 Охрана груда
Охрана труда - система сохранения жизни и здоровья работников в процессе трудовой деятельности, включающая в себя правовые, социально-экономические, организационно-технические, санитарно-гигиенические, лечебно-профилактичес-кие, реабилитационные и иные мероприятия.
Элементы системы.
Необходимо отметить, что охрану труда нельзя отождествлять с техникой безопасности, производственной санитарией, гигиеной труда, ибо они являются элементами охраны труда, её составными частями. Таким образом в состав системы охраны труда входят следующие элементы:
Производственная санитария определяется как система организационных мероприятий и технических средств, предотвращающих или уменьшающих воздействие на работающих вредных производственных факторов.
Гигиена труда характеризуется как профилактическая медицина, изучающая условия и характер труда, их влияние на здоровье и функциональное состояние человека и разрабатывающая научные основы и практические меры, направленные на профилактику вредного и опасного воздействия факторов производственной среды и трудового процесса на работающих.
Электробезопасность - состояние защищённости работника от вредного и опасного воздействия электротока, электродуги, электромагнитного поля и статического электричества.
Пожарная безопасность состояние защищённости личности, имущества общества и государства от пожаров.
Промышленная безопасность состояние защищённости жизненно важных интересов личности и общества от аварий на опасных производственных объектах и последствий указанных аварий. В свою очередь охрана труда, электробезопасность, промышленная безопасность, пожарная безопасность являются составными частями
Безопасность жизнедеятельности наука о комфортном и безопасном взаимодействии человека с техносферой.
Управление безопасностью труда организация работы по обеспечению безопасности, снижению травматизма и аварийности, профессиональных заболеваний, улучшению условий труда на основе комплекса задач по созданию безопасных и безвредных условий труда. Основана на применении законодательных нормативных актов в области охраны труда.
Меры безопасности и охраны труда перед началом работ.
Перед началом работы электромонтер обязан одеть выделенную ему в соответствие с нормами специальную одежду и обувь.
Электромонтер должен работать по графику, утвержденному главным инженером предприятия. Электромонтер, придя на дежурство, должен принять смену от предыдущего дежурного, а после окончания работы сдать смену следующему дежурному в соответствии с графиком.
Время начала и окончаний рабочий смены устанавливается трудовым распорядком по предприятию.
Примечание: В случае невозможности выхода на дежурство по уважительной причине в соответствии с утвержденным графиком, электромонтер обязан заблаговременно поставить в известность начальника (мастера) участка.
Во время приема и сдачи смены электромонтер, принимающий смену обращает внимание:
а) на исправность отопления, сети рабочего и аварийного освещения, чистоту помещений и оборудования, на исправность блокировки выключателей с разъединителями;
б) на исправность окон и дверей, наличие дверных замков и отсутствие течи в потолочных перекрытиях РУ;
в) на отсутствие нагрева контактов токоведущих частей (клеммы) зажимов, стыков, шин;
г) на уровень и температуру масла в аппаратах и отсутствие течи масла из
них;
д) на состояние опорной и подвесной изоляции с целью определения степени загрязненности, наличие трещин, сколов и других повреждений;
е) на появление ненормального шума, стука, треска, свечения, вибрации, дыма, запаха у работающего оборудования;
ж) на состояние и исправность аккумуляторной батареи и под зарядных выпрямителей.
з) на исправность освещения на открытой части подстанции.
Требования безопасности и охраны труда во время работы.
Производить оперативные переключения на подстанции по заданию диспетчера и лиц, имеющих право на переключение.
Вести оперативно-техническую документацию, оперативный журнал, журнал дефектов, бланки переключений, суточную ведомость и.т.д.
Электромонтер во время работы обязан:
а) следить за температурой трансформаторов и контролировать работу подогрева масляных выключателей и их приводов
б) снимать показания счетчиков и подсчитывать расход электроэнергии за сутки и передавать диспетчеру.[7.с.55-56]
5.2 Техника безопасности на подстанции
Работать под поднятой крышкой трансформатора во время ревизии обмоток или переключателя ступеней напряжения разрешается только при условии, если между крышкой и баком трансформатора установлены предохранительные прокладки, надежно удерживающие выемную часть (керн) трансформатора.
Работать внутри бака разрешается только в том случае, если из бака полностью удалены масляные пары, выемная часть не висит над баком и внутри бака применены переносные лампы на напряжение не выше 12 В. Запрещаетсяиспользовать для промывки бака и арматуры трансформатора бензин или другиелегковоспламеняющиеся вещества. Удалять остатки масла из баков и очищать их внутреннюю поверхность разрешается только при вынутой и отведенной в сторону выемной части. Зажигать огонь и курить в баке трансформатора запрещено.
Проезды к помещению или месту, где производится сушка, должны обеспечить беспрепятственный проезд пожарной автомашины в случае возникновения пожара.
Помещение, в котором будет производиться сушка трансформатора и I ран сформатор н ого масла, должно быть обеспечено вентиляцией, телефоном, водоснабжением и противопожарными средствами.
В помещениях, предназначенных для сушки, запрещается находиться посторонним лицам, разводить открытый огонь или куршь. хранить бочки с трансформаторным маслом или другими горючими материалами, применять войлок, древесные стружки или паклю для теплоизоляции трубопроводов, емкостей и кожухов.
До начала сушки трансформаторов электрическим током корпуса, трубопроводы и баки трансформаторов должны быть заземлены. При сушке силовых трансформаторов необходимо место работы оградить. Во всех опасных местах необходимо вывесить знаки безопасности. Все электровоздуходувки и другие нагревательные приборы и аппараты должны иметь приспособление, не пропускающее искры.
При сварочных работах должны соблюдаться следующие условия:
- сварщик должен пройти специальный инструктаж по пожарной безопасности;
- при сварке обязательно должны применяться экраны;
- к сварке маслонаполненной аппаратуры могут допускаться сварщики высокой квалификации, прошедшие специальную подготовку и имеющие опыт данной работы.
Производить сварочные работы или пайку в помещении, в котором работает маслоочистительная аппаратура, запрещается.
Установка маслоочистительной аппаратуры на монтажной площадке должна позволять обслуживающему персоналу свободный подход к аппаратуре со всех сторон. Расстояние между стенами и оборудованием до аппаратуры должно быть не менее 0,75 м с трех сторон, а со стороны управления не менее 1,5 М.
Установку и крепление радиаторов, расширительного бака, выводов в фарфоровых маслонаполненных изоляторах и других деталей трансформатора разрешается производить только с помощью грузоподъемных механизмов. Перед тем как производить измерение сопротивления изоляции обмоток, необходимо отключить питание намагничивающей и рабочих обмоток, соединенных в схему нулевой последовательности.
Осмотр и ремонт высокочастотных печных установок следует производить только при выключенном общем рубильнике. Перед тем как войти внутрь каркаса, ограждающего генератор, напряжение с установки необходимо снять. Эксплуатация электроустановок при выключенных блокировочных устройствах создаст серьезную опасность для обслуживающего персонала. Двери, ведущие в помещения, где установлены вращающиеся преобразователи, должны быть всегда закрыты во избежание опасного воздействия производимого ими шума на человеческий организм. При эксплуатации высокочастотной установки ведется постоянное наблюдение за состоянием экранировки, устраняющей влияние электромагнитных излучений на обслуживающий персонал. Серьезную опасность для обслуживающего персонала представляет остаточный заряд на конденсаторах, который остается на них при отключении высокочастотной установки. Поэтому эти установки снабжают разрядными устройствами, автоматически действующими при открывании дверей. Систематический контроль за указанным автоматическим устройством является важным условием правильной эксплуатации высокочастотных установок.
Применяемые при электросварке флюсы выделяют газы, способные вызвать отравление. Поэтому в помещениях для сварочных работ предусматривается вентиляция.
При выполнении сварочных работ место сварки ограждают щитами или какими-либо другими устройствами, защищающими от действия световых лучей дуги. В местах сварочных работ вывешивают плакаты об опасности облучения сварочной дутой.
Необходимо следить, чтобы корпуса сварочных трансформаторов и генераторов, а также свариваемых конструкций и изделий были надёжно заземлены.
Особая осторожность требуется при электросварочных работах внутри металлических резервуаров. Такие работы необходимо выполнять, стоя на резиновом коврике в диэлектрических перчатках, галошах и в резиновом шлеме на голове. Снаружи резервуара ставится наблюдающий, для оказания работающему при необходимости первой помощи.[6.с27-31]
5.3 Противопожарная защита
Противопожарная защита комплекс мер и технологий, предназначенных для защиты от пожара то есть позволяющих снизить или полностью исключить возможность горения или повреждения огнем горючих материалов и объектов, построенных с их использованием.
Профилактические методы
Для защиты от огня применяются специальные жидкости, которыми пропитываются дерево и ткани, жаростойкие краски, штукатурки и др. Действие огнезащитных составов основано на изоляции защищаемого объекта от воздействия высокой температуры. Обычно такие меры не предотвращают возгорание в условиях пожара, но повышают стойкость защищенных материалов перед огнём. Даже использование стальных несущих конструкций не исключает их повреждения огнём в условиях длительного воздействия высоких температур.
Разработка противопожарных норм, правил и инструкций по проектированию, строительству и эксплуатации зданий и установок, а так же надзор за соблюдением правил ведет Управление пожарной охраны Министерства внутренних дел. Инспектор Государственного пожарного надзора, обнаружив нарушение правил, предписывает руководителю устранить нарушение, за невыполнение виновного могут оштрафовать или привлечь к уголовной ответственности. Основную ответственность за пожарную безопасность на территории хозяйства несет руководитель хозяйства. Количество членов Пожарно-сторожевой охраны (ПСО) устанавливает руководитель предприятия, либо общее собрание, по согласованию с местными органами пожарного надзора и с учетом имеющихся средств тушения пожаров.
По средствам пожаротушения проектируемая подстанция относится к третьей группе. Пожаротушение этой группы обеспечивается первичными средствами: ручными порошковыми и углекислотными огнетушителями, песком и передвижными средствами ближайшего пожарного депо. На подстанции предусмотрен щит для хранения пожарного инвентаря и средств пожаротушения. Щит укомплектовывается инвентарем и средствами пожаротушения в соответствии с требованиями правил пожарной безопасности и местными инструкциями по пожарной безопасности. Приказом по предприятию назначается ответственный за комплектацию подстанции защитными средствами и средствами тушения пожара, а также за их исправность и своевременную замену при необходимости.
К техническим средствам пожаротушения на подстанции относят: огнетушители порошковые, в электроустановках тушение производится при помощи углекислотных огнетушителей. Кроме ручных, применяют перевозимые углекислотные огнетушители УП-2М и порошковые огнетушители ОП-10. К простейшим средствам, применяемым для ликвидации огня относят: песок и земля - отделяют горящую поверхность от воздуха. В пожарный инструмент непременно входят лопаты, ведра, багры.
При проектировании производственных объектов сельскохозяйственного назначения необходимо предусматривать его влияние на уже существующие объекты и на окружающую среду. Трансформаторные подстанции следует располагать согласно проекту района электроснабжения, разрабатываемого в КЭС и документации СНиП.
Основными опасностями исходящими от воздушных линий электропередач являются магнитные поля, влияние которых увеличивается с увеличением номинального напряжения линии; пожары, возникающие вследствие падения проводов или попадания молнии в опоры; загрязнение в результате строительства или плановой очистки трассы.
Снижение вредного влияния магнитного поля достигается путем выдержки регламентированных размеров от линий электропередач, а при напряжениях свыше 110 кВ создания зон отчуждения.
Для предупреждения возгорания растительной массы необходима планомерная очистка трассы, но при этом ведется сжигание убранной растительной массы, что само по себе не экологично. При сжигании происходит тепловое загрязнение окружающей среды, поэтому необходимо предусмотреть меры по использованию растительной массы убираемой трассы. Один из вариантов - это зимняя расчистка в местах с хвойной растительностью, елки на новогодние праздники.
Под ЛЭП земля пригодна для возделывания, кроме участков под опорами. При сельскохозяйственном использовании земель трассы необходимо следить за высотой растительности, запрещается посадка деревьев и высоких кустарников.
ЗАКЛЮЧЕНИЕ
Дипломный проект выполнен на тему «Проектирование подстанции напряжением 110/35/10 кВ с разработкой вопроса: эксплуатация и ремонт масляных трансформаторов»
Сторона 110 кВ на подстанции выполнена по упрощенной схеме: отделитель и короткозамыкатель. Упрошенные схемы позволяют уменьшить расход электрооборудования, строительных материалов, снизить стоимость РУ, ускорить его монтаж.
РУ-110 кВ имеет две системы шин, секционированные выключателем с разъединителями.
На стороне 10 кВ принята схема с одной системой сборных шин с секционным выключателем. Схема с одной системой сборных шин позволяет снизить стоимость, монтаж, широко применять механизацию. Кроме того авария на сборных шинах приводит к отключению только половины потребителей, вторая секция и все присоединения к ней остаются в работе.
Была произведена обработка графиков нагрузок и рассчитана технически приемлемая мощность силовых трансформаторов 16,0 МВА.
В проекте произведен выбор коммутационной и защитной аппаратуры по самому тяжелому режиму- короткого замыкания.
В РУ-10 кВ применены вакуумные выключатели серии BP- аппараты нового поколения, которые оптимальным образом подходят для решения задач коммутации и защиты в сетях напряжением 10 кВ.
Преимущества- возможность работы в комплектных РУ любых типов, низкое энергопотребление по цепям управления, отсутствует необходимость обслуживания вакуумной камеры в течение всего срока эксплуатации, который составляет до списания не менее 25 лет, гладкая фактура и удачная геометрия полюса препятствует накоплению пыли на его поверхности.
Для защиты от коммутационных и атмосферных перенапряжений на подстанции вместо вентильных разрядников применяем ограничители перенапряжений.
Показатели надежности грозозащиты при установке ОПН в два раза выше, чем при установке вентильных разрядников.
Ограничители перенапряжений имеют преимущества по сравнению с вентильными разрядниками:
-простота конструкции и высокая надежность в эксплуатации;
-стабильность характеристик и устойчивость к старению;
-стойкость к атмосферным загрязнениям;
-уменьшение габаритов и веса ОПН в 10-20 раз позволяет установить их непосредственно вблизи защищаемого оборудования;
-ОПН в полимерном корпусе не требует специального обслуживания, не повреждаются при транспортировке и хранении.
Подстанция надежна и обеспечивает бесперебойность электроснабжения в соответствии с категорией надежности питаемых ею потребителей.
Подстанция проекта удобна и безопасна в эксплуатации.
СПИСОК ИСПОЛЬЗОВАННЫХ ИСТОЧНИКОВ
1. Назарбаев Н.А. Послание президента страны «Казахстан 2030»
2. Прохорский А.А. Тяговые и трансформаторные подстанции - ИздательствоТранспорт, 1990, 536с.
З. Давыдова И.К., Попов Б.И. Справочник по эксплуатации тяговых подстанций и постов секционирования - Издательство Транспорт, 1992, 416с.
4. Рожкова Л.Д., Козулин B.C. Электрооборудование станций и подстанций - Издательство Энергоатомиздат, 1987, 648с.
5. Почаевец B.C. Электрические подстанции - М., «Желдориздат», 2001, 507с.
6. «Правила техники безопасности и Правила техники эксплуатации электроустановок потребителей» Издательство «Энергоатомиздат», 1986,424с.
7. Чекалин Н.А., Полухина Г.Н.. Чекалина С.А. Охрана труда в электрохозяйствах промышленных предприятий - Издательство «Энергоатомиздат», 1990, 256с.
8. Крюков В.И. Обслуживание и ремонт электрооборудования подстанций и распределительных устройств - Издательство «Высшая школа», 1975, 266с.
9. Алексеева А.И., Купоров А.И. Экономика, организация и планирование хозяйства электроснабжения на железнодорожном транспорте - Издательство «Транспорт», 1980, 240с.
10. Бодунген И.Н., Порубанский Ю.А. Наладка оборудования электрических подстанций - М.,1963, с.22
11. Сибикин Ю. Д. Электрические подстанции - М., ИП РадиоСофт, 2012, 416с.
12. Гринберг-Басин М.М. Тяговые подстанции - Издательство «Транспорт» , 1986, 165с.
13. Номативы численности персонала электросетевых организаций, выполняющих эксплуатационные и ремонтные работы на линиях электропередачи и подстанциях напряжением до 220 кВ - Астана, 1999, 119с.
14. Нормативы численности работников хозяйства электроснабжения Республиканского государственного предприятия «Казакстантемиржолы» - Астана, 1999,26с.
15. Инструкция по тушению пожаров на энергетических предприятиях-Минэнерго 34.03.306-2000г.
71
Проектирование подстанции напряжением 110/35/10 кВ
