Детали машин
Детали машин.
Лекция 1.
Общие сведения о машинах, механизмах, узлах и деталях. Качество как основной показатель совершенства изделия. Критерии качества.
В материал лекции входит: определение содержания дисциплины “Детали машин”; вводятся понятия механизма, машины, узла и детали, включая классификацию последних; несколько разделов лекции посвящены понятию качества и его критериям (надежности, работоспособности и экономичности).
1.1. Задачи курса “Детали машин”.
До 80-х годов XIX столетия наука о машинах не имела четкого разделения и включала все вопросы конструирования, изготовления, эксплуатации. С течением времени и накоплением знаний в области машиностроения курс науки о машинах стал очень обширным, и произошло его разделение на ряд общетехнических и специальных дисциплин.
Первый учебный курс под названием “Детали машин” в России был написан в 1881 году профессором Кирпичевым В. Л. (1845-1913), курсовой проект ввел профессор ЛПИ Стожаров И.А. в 1930 г.
Современное машиностроение имеет очень большое значение для человеческого общества. Машины освобождают людей от тяжелой физической работы, позволяют повысить производительность труда, способствуют улучшению качества продукции и снижению ее стоимости.
Основными тенденциями развития современного машиностроения являются увеличение номенклатуры и числа различных машин; повышение мощности и производительности, технологичности и экономичности, обеспечение потребителю нормальных условий эксплуатации.
“Детали машин” научная дисциплина, в которой изучаются основы проектирования машин и механизмов.
Таким образом, задачей курса является изучение явлений, происходящих в соединениях деталей машин и передач, оценка методами сопротивления материалов НДС деталей с целью определения их размеров и придания им наиболее рациональной формы.
1.2. Основные определения курса. Классификация механизмов, узлов и деталей.
Машина это устройство, выполняющее движение для преобразования энергии, материалов и информации с целью облегчения умственного и физического труда человека (автомобиль, трактор, металлорежущий станок, ЭВМ и т. д.).
Привод устройство, приводящее в движение машину или механизм; состоит из источника энергии (электродвигатель), передаточного механизма (редуктор, коробка передач) и аппаратуры управления (гидравлической, пневматической, механической и др.).
Изделие любой предмет или набор предметов производства, изготовленный предприятием.
Деталь это изделие, изготовленное из однородного по наименованию материала без применения сборочных операций (вал, гайка, болт и т. д.).
Сборочная единица изделие, составные части которого подлежат соединению между собой сборочными операциями (свинчиванием, пайкой, опрессовкой и т.д.).
Узел это сборочная единица, состоящая из деталей, имеющих общее функциональное назначение (подшипник, муфта и др.). Узел является составной частью изделия (редуктора, привода и др.).
В машиностроении различают детали и узлы общего назначения (болты, гайки, валы, подшипники, шестерни и т.д.) и специального назначения (штоки, поршни, цилиндры и т.д.).
Курс “Детали машин” включает в себя три раздела:
1). Соединения и детали соединений:
а). Разъемные (можно разбирать и собирать вновь неограниченное число раз без повреждения деталей):
- резьбовые;
- шпоночные;
- шлицевые;
- клеммовые.
б). Неразъемные (невозможно разобрать без разрушения деталей):
- сварные;
- клеевые;
- паяные;
- заклепочные;
Отдельно рассматривают соединения с натягом поскольку они допускают ограниченное число разборок и новых сборок.
2). Механические передачи:
а). Передачи зацеплением:
- зубчатые;
- червячные;
- цепные;
б). Передачи трением:
- фрикционные;
- ременные;
3). Детали, обслуживающие вращательное движение:
- валы и оси;
- подшипники качения и скольжения;
- муфты приводов.
1.3. Качество. Критерии качества.
Качество это совокупность свойств изделия, определяющих степень его пригодности для использования по назначению.
Система условий, позволяющих оценить степень пригодности, называется критериями качества. С помощью критериев качества решается основная цель проектирования определение формы, размеров и материала детали.
Все критерии качества делятся на 3 группы:
1). критерии работоспособности;
2). критерии надежности;
3). критерии экономичности.
1.4. Критерии экономичности.
Экономичность минимальная стоимость затрат на проектирование, изготовление и эксплуатацию изделий.
Критериями экономичности являются:
Достижение экономического эффекта за счет совершения большего числа операций в единицу времени (например, с помощью внедрения в процесс производства современного высокопроизводительного оборудования) называют производительностью.
Достижение экономического эффекта за счет повышения КПД (например, путем уменьшения потерь не трение, на перемешивание масла и т.д.) называют энергоемкостью.
Достижение экономического эффекта за счет минимизации массы и габаритов изделия (например, с помощью более рационального выбора материалов, применения стандартных элементов и др.) называют материалоемкостью.
Технологичность это приспособленность изделия к его изготовлению с помощью передовых технологий.
Унификация и стандартизация применения наиболее рациональных форм и размеров деталей и узлов (например, замена деталей специального назначения в узле на детали общего назначения).
Достижение экономического эффекта за счет обеспечения положительного психологического климата при работе человека с изделием называют эстетичностью.
Достижение экономического эффекта за счет соответствия машины физиологическим и антропометрическим особенностям человека (например, более удобное расположение рычагов (тумблеров, кнопок) управления, рассчитанное на среднего человека и т.д.), называют эргономичностью.
Достижение экономического эффекта за счет положительного взаимодействия с окружающей средой (например, установка дополнительных очистных агрегатов, безотходное производство и т.д.) называют экологичностью.
1.5. Критерии надежности.
Надежность это свойство изделия выполнять в течение заданного времени свои функции, сохраняя установленные эксплуатационные показатели в заданных пределах.
Основными критериями надежности являются: безотказность, долговечность, ремонтопригодность, сохраняемость.
Безотказность свойство изделия непрерывно сохранять работоспособность в течение заданного времени.
Отказ событие, заключающееся в полной или частичной утрате работоспособности.
Безотказность характеризуется вероятностью безотказной работы
и интенсивностью отказов
.
Под вероятностью безотказной работы
понимают вероятность того, что в заданном интервале времени не произойдет отказ изделия.
Вероятность безотказной работы определяют по формуле:
,
где N первоначальное число изделий; n число отказавших изделий за время t.
Вероятность безотказной работы сложного изделия равна произведению вероятностей безотказной работы отдельных его элементов:
.
Интенсивность отказов
- отношение числа n отказавших в единицу времени t изделий к числу изделий
, исправно работающих в данный момент:
.
Вероятность безотказной работы можно оценить по интенсивности отказов:
.
Пример: По результатам испытания в одинаковых условиях партии изделий из шт. после наработки 5000 ч. наблюдали отказы шт. изделий, то вероятность безотказной работы этих изделий:
.
Долговечность свойство изделия длительно сохранять работоспособность до наступления предельного состояния при соблюдении норм эксплуатации. Под предельным, понимают такое состояние изделия, при котором его дальнейшая эксплуатация недопустима или нецелесообразна.
Долговечность характеризуется - техничеким и гамма-процентным ресурсами.
Технический ресурс суммарная наработка изделия от начала эксплуатации до перехода в предельное состояние (в часах, километрах пробега и др.).
Гамма-процентный ресурс суммарная наработка, в течение которой изделие не достигает предельного состояния с вероятностью
, выраженной в процентах (часто =90%).
Наработка продолжительность или объем работы изделия (в часах, километрах пробега, числах циклов нагружения).
Назначенный ресурс суммарная наработка, при которой прекращается эксплуатация изделия независимого от его состояния.
Срок службы календарная продолжительность эксплуатации изделия от начала до перехода в предельное состояние (включает наработку изделия и время простоев).
Ремонтопригодность это приспособленность изделия к предупреждению, обнаружению и устранению отказов. Важно при проектировании изделия предусмотреть возможность его ремонта (например, замены вышедших из строя элементов, доступность комплектующих и т.д.).
Сохраняемость свойства изделий сохранять эксплуатационные показатели на время и после сроков хранения.
Пути повышения надежности:
- обоснованный выбор материала конструкции (т.е. определение физико-механических свойств; вида, размеров и способа получения заготовок);
- уменьшение числа деталей в узлах (за счет использования рациональных конструкторских решений);
- обоснованное назначение размеров (т.к. с увеличением размеров детали растет в объеме детали и количество дефектов (вакансий, дислокаций, раковин));
- тщательный контроль при изготовлении и эксплуатации;
- применение предохранительных устройств и резервирования (дублирование важнейших элементов конструкции (например, наличие двух и более двигателей в самолете)).
- правильный выбор режима работы;
- защита от воздействия внешней среды.
Лекция 2.
Требования к деталям, критерии работоспособности.
В материал лекции входит: понятие работоспособности и ее критериев (прочности, жесткости, износостойкости, теплостойкости, виброустойчивости); понятие взаимозаменяемости.
2.1. Основные критерии работоспособности деталей и узлов машин.
Работоспособность это состояние изделия, при котором оно способно выполнять заданные функции с параметрами, установленными требованиями нормативно технической документации.
Основными критериями работоспособности являются:
- прочность;
- жесткость;
- износостойкость;
- теплостойкость;
- виброустойчивость.
Значение того или иного критерия для данной детали зависит от ее назначения и условий работы.

Жесткость это способность конструкции и ее элементов сопротивляться изменениям формы и размеров. Например, при недостаточной жесткости валов в зубчатой передаче может возникнуть прогиб, который приводит к неравномерности распределения нагрузки по зубьям колес из-за уменьшения площади контакта и заклиниванию подшипников качения из-за перекоса валов (пример см. рис. 2.1.).
Недостаточная жесткость деталей влияет на их взаимное расположение в механизмах, вызывает в подвижных сопряжениях повышенное трение, давление, температуру и др.
Расчет конструкций на жесткость.
Различают объемную жесткость (брус, пластина, оболочка) и контактную жесткость, т. е. жесткость, связанную с контактными деформациями поверхностных слоев в местах контакта деталей.
Объемная жесткость оценивается коэффициентом жесткости:
,
где - сила; - вызванная силой деформация.
Величина обратная жесткости называется податливостью:
.
Факторы, влияющие на жесткость:
- модуль упругости (Е, G);
- геометрические характеристики сечения детали (площадь, момент инерции и др.);
- вид нагрузки и типы опор.
Методы повышения жесткости:
- устранение изгиба (т.к. металлы лучше работают (воспринимают) растяжение-сжатие);
- применение материалов с высоким модулем упругости ();
- рациональное расположение и изменение количества опор (что приводит к уменьшению прогиба и плеч изгибающих моментов; см. рис. 2.2.);
- выбор рациональной формы поперечного сечения детали;
- применение в конструкции ребер жесткости (что приводит к изменению геометрических характеристик сечения деталей);

- уменьшение числа стыков (монолитная конструкция обладает большей жесткостью, чем конструкция аналогичного объема, изготовленная с помощью сборочных операций (сварки, свинчивания и т.д.));
- повышение качества поверхности (использование деталей с низкой шероховатостью).
Расчеты на жесткость сводятся к проверкам:
- удлинение;
- прогиб;
- угол поворота сечения при изгибе;
- угол закручивания.
Расчет ведется методами сопротивления материалов.
Виброустойчивость способность конструкции работать в диапазоне режимов, достаточно далеких от области резонанса (резонанс - совпадение или кратность частоты вынужденных колебаний и частоты собственных колебаний).
Вибрации снижают качество работы машин, увеличивают шум, усиливают изнашивание, вызывают дополнительные переменные напряжения в деталях и усталостное разрушение.
Расчеты на виброустойчивость сводятся к определению частот собственных колебаний механической системы и обеспечению их несовпадения с частотой вынужденных колебаний.
Для снижения колебаний:
- используют маховики и демпферы, рассеивающие энергию колебаний;
- устранение действия внешних сил (например, дополнительных колебаний, вызванных эксплуатируемым в непосредственной близости оборудованием);
- изменение жесткости упругой связи деталей;
- уменьшение шероховатости;
- применение упругих прокладок.
Теплостойкость способность конструкции работать в пределах заданных температур в течение заданного срока службы.
Нагрев деталей в процессе работы машины приводит к:
- снижению механических характеристик материала и к появлению пластических деформаций (при температуре свыше 300
);
- уменьшению зазоров в подвижных сопряжениях деталей, что приводит к схватыванию, заеданию, заклиниванию;
- снижению вязкости масла (т. е ухудшаются смазочные свойства масляного слоя).
Для обеспечения нормального теплового режима работы должен быть обеспечен тепловой баланс, т. е. сравнивают количество выделенной теплоты с количеством отведенной теплоты в единицу времени:
;
определяют рабочую температуру
и сравнивают с допускаемой:
.
Если условия не выполняются, то применяют:
- искусственное охлаждение,
- проектируют охлаждающие ребра,
- увеличивают размеры корпуса;
- заменяют пары скольжения парами качения;
- применяют материалы с малым коэффициентом линейного расширения.
Износостойкость свойство материала оказывать сопротивление изнашиванию. Изнашивание - процесс разрушения и отделения материала с поверхности тела при трении, который приводит к постепенному изменению размеров и формы. До 90% деталей подвижных сопряжений машин выходят из строя из-за износа.
Существуют различные виды изнашивания:
- усталостное изнашивание. При контакте деталей в них возникают контактные напряжения . В результате циклического нагружения на трущейся поверхности 1 образуются усталостные микротрещины 2. Смазочный материал, попадая в микротрещины, способствует их расклиниванию 3 и выкрашиванию частиц 4 металла, в результате чего на поверхности детали появляются мелкие ямки (питтинг), см. рис. 2.3. Такой износ характерен для зубчатых и фрикционных передач, подшипников качения.

Рис. 2.3. Схема усталостного изнашивания поверхности.
- абразивное изнашивание. Это разрушение поверхностных слоев материала трущихся пар твердыми абразивными частицами. Зерна абразива могут попадать на трущиеся поверхности извне, содержаться в материале трущихся пар или в продуктах износа. Методы борьбы: упрочнение поверхностей;
- водородное изнашивание. При работе узлы трения нагреваются, идет выделение водорода, который оседает на поверхности материала и проникает вглубь детали, вызывая охрупчивание, множество микротрещин и образование мелкодисперсного порошка материала. Методы борьбы: использовать стали легированные хромом, титаном, ванадием; снижение температуры в зоне контакта;
- молекулярно-механическое изнашивание. При больших давлениях происходит разрушение защитных масляных пленок на поверхностях сопряженных деталей. Отдельные участки поверхности могут вступить в молекулярный контакт. Происходит схватывание, а последующее перемещение поверхностей вызывает разрушение мест соединений (возникают задиры и борозды). Методы борьбы: повышение твердости за счет термообработки, использование специальных смазок, применение покрытий;
- коррозионно-механическое изнашивание (фреттинг-коррозия). Разрушение поверхности происходит под действием двух одновременных процессов: коррозии и механического изнашивания. Возникает при очень малых относительных перемещениях (колебаниях) сопряженных поверхностей, при этом происходит разрушение оксидных пленок, образуются ямки и порошок. Продукты износа не удаляются из зоны контакта и превращаются в абразивные частицы. Методы борьбы: уменьшение относительных смещений, поверхностное упрочнение, гальванопокрытия, напыление.
Износ вызывает:
- потери точности;
- снижение КПД;
- увеличение шума;
- увеличение вибрации;
- увеличение зазоров.
Меры борьбы с изнашиванием:
- замена сухого трения жидкостным (хорошее смазывание);
- увеличение твердости (например, закалка снижает износ в 2 раза) и чистоты обработки поверхностей;
- подбор материалов трущихся пар (например, использование антифрикционных материалов).
Прочность это способность конструкции и ее элементов выдерживать внешние воздействия (нагрузки) без разрушения и появления недопустимых остаточных деформаций. Прочность является важнейшим критерием работоспособности. Ему должны удовлетворять все детали.
Расчеты элементов конструкции на прочность будем осуществлять:
1). С помощью метода допускаемых напряжений. Т.е. определяют максимальные напряжения в опасном сечении и сравнивают их с допускаемыми, используя условие прочности:
- при растяжении и сжатии;
- при сдвиге;
- при кручении;
- при изгибе.
Пример: Определить диаметр стального стержня при воздействии на него растягивающей силы кН, МПа.
Решение:
1. Воспользуемся формулой для определения действительных напряжений:
;
2. Определим площадь поперечного сечения:
;
3. Используя данные формулы определим диаметр стержня:
мм.
2). С помощью определения коэффициента запаса прочности. Т.е. прочность деталей машин оценивают сравнением действительного коэффициента запаса прочности s рассчитываемой детали с допускаемым коэффициентом запаса прочности :
.
Коэффициент запаса прочности, показывает во сколько раз допускаемое напряжение больше опасного (для пластичных материалов , для хрупких ).
Для выбора допускаемых коэффициентов запаса прочности в машиностроении пользуются двумя методами: табличным и дифференциальным.
Дифференциальный метод использует формулы, которые учитывают различные факторы, влияющие на прочность рассчитываемой детали:
,
где - коэффициент, учитывающий точность определения действующих на деталь нагрузок и возникающих в ней напряжений; - коэффициент, учитывающий однородность материала детали; - коэффициент, учитывающий специфические требования безопасности рассчитываемой детали.
При точных методах расчета рекомендуется принимать и при расчетах средней точности - 1,2...1,6.
Коэффициент для стальных деталей из поковок и проката равен 1,2... 1,5; для деталей из стального литья - 1,5...1,8; для чугунных деталей - 1,5...2,5.
Коэффициент ; большие значения - для дорогостоящих деталей и повышенной надежности.
Методы повышения прочности:
- механическое упрочнение (обкатка роликами, обдувка дробью и др.);
- закалка ТВЧ;
- химическое упрочнение (цементация, азотирование, цианирование);
- термо-механическое упрочнение.
2.2. Взаимозаменяемость.
Взаимозаменяемостью называется свойство независимо изготовленных с заданной точностью деталей обеспечивать возможность сборки без подгонки сопрягаемых деталей в сборочную единицу, а сборочных единиц в изделие при соблюдении предъявляемых к ним требований.
При наличии взаимозаменяемости деталей упрощается и удешевляется эксплуатация машин и улучшается качество ремонта.
Взаимозаменяемость деталей машин обеспечивается системой допусков и посадок.
2.3. Стадии разработки при проектировании деталей и узлов машин.
Каждая новая конструкция должна быть лучше предыдущей. Поэтому перед конструкторами стоит непростая задача создать машину, которая не уступала бы мировым аналогам по надежности, ресурсу работы и экономичности, обеспечила повышение производительности труда.
Проектирование представляет собой поиск научно обоснованных, технически осуществимых и экономически целесообразных инженерных решений. Основная особенность проектирования многовариантность.
Современное проектирование включает следующие основные этапы:
1. Техническое задание. Включает в себя: назначение изделия, область применения, условия эксплуатации и технические требования. Техническое задание составляется совместно заказчиком и исполнителем, затем происходит окончательное оформление документа.
2. Техническое предложение. Это конструкторский документ, обосновывающий технико-экономическую целесообразность разработки изделия на основе анализа вариантов возможных решений с учетом достижений науки и техники, патентных материалов, возможностей машиностроительных заводов и смежных отраслей.
3, 4, 5. Эскизный проект (содержит общий вид и сборочные чертежи в эскизной проработке).
3 оценивают нагрузки и напряжения, определяют характерные отказы и главный критерий работоспособности.
4 выбор материала конструкции, оценка его механических характеристик, определяют допускаемые значения критериев работоспособности.
5 составление приближенной математической модели, предварительное определение размеров конструкции, эскизная компоновка и проверочные расчеты по критериям работоспособности.
6. Технический проект. Составление уточненной математической модели, окончательная обработка конструкции, проверочные расчеты по всему комплексу критериев и оптимизация конструкции.
7. Рабочий проект. Окончательное оформление рабочих чертежей, составление рабочей документации, технологических карт, проведение заводских испытаний опытного образца и государственные испытания, выпуск головной партии.
Лекция 3.
Прочность при переменных напряжениях.
В материал лекции входит: классификация циклов перемены напряжений; понятия усталости и контактной прочности деталей машин.
3.1. Циклы напряжений в деталях машин.

Многие детали машин или их элементы (валы, оси, зубчатые колеса, дорожки тел качения и т.д.) работают в условиях, когда возникающие в них напряжения периодически изменяют свое значение или значение и знак.
По характеру изменения во времени внешние нагрузки в машинах делят на:
- статические (постоянные) не изменяются во времени или изменяются достаточно медленно;
- динамические (переменные) т.е. изменяются во времени (см. рис. 3.1).
Причиной изменения напряжений могут быть как постоянные (например, при вращении вала, нагруженного изгибающим моментом, одни и те же участки вала оказываются то в растянутой, то в сжатой зоне или при поочередном входе в зацепление зубьев колес в зубчатой передаче), так и переменные внешние нагрузки (например, для автомобиля переменность нагрузки может быть связана: с качеством дороги (асфальт, грунтовка) или с остановом и разгоном у светофора).
Номинальная нагрузка нагрузка, соответствующая наиболее характерному режиму эксплуатации детали (в соответствии с выбранным критерием работоспособности), например, наиболее длительно действующая нагрузка.
Рабочая нагрузка нагрузка, воспринимаемая деталью в процессе эксплуатации машины. Для исполнительного органа внешняя нагрузка и является рабочей.
Расчетная нагрузка нагрузка, определяющая размеры и формы детали, соответственно рассматриваемому критерию прочности.
Эквивалентная нагрузка такая постоянная нагрузка, которая по воздействию на деталь эквивалентна всем основным и дополнительным нагрузкам (т. е. заданную переменную нагрузку можно заменить постоянной равноценной по повреждающему действию на деталь за тот же период времени).
Нагрузки могут быть заданы как усилие, крутящий момент или мощность.
Характеристикой напряженного состояния детали является цикл напряжений.
Цикл напряжений совокупность последовательных значений напряжений за один период при регулярном нагружении (см. рис. 3.2 - 3.4).

Т - период (продолжительность одного цикла);
- максимальное напряжение;
- минимальное напряжение;
- среднее напряжение;
- амплитуда цикла (абсолютная величина без учета знака);
- коэффициент асимметрии цикла (является основной характеристикой цикла).

;
;

;
;
.
Этот цикл является наиболее неблагоприятным для работы детали, т. к. характеризуется изменением не только значения, но и знака действующих напряжений (знакопеременный цикл).
Если
, то значит действуют постоянные статические напряжения.
3.2.Усталость материалов деталей машин.
Опыты показывают, что при длительном воздействии переменных нагрузок, разрушение деталей наступает при напряжениях, значительно меньших предела прочности .
При работе детали в условиях перемены напряжений в материале возникают микротрещины, которые постепенно развиваются, проникая в глубь, поперечное сечение детали ослабляется и наступает внезапное разрушение (предел прочности сильно уменьшается), называемое усталостным. Под усталостью понимают процесс постепенного накопления повреждений материала (трещин) под действием переменных напряжений.
Способность материала воспринимать многократные действия переменных напряжений от заданной нагрузки без разрушения называют сопротивлением усталости.
Для оценки сопротивляемости материала действию переменных напряжений используют предел выносливости, который определяют с помощью испытания на сопротивление усталости (на выносливость) партии из 15-20 стандартных образцов, доводимых до разрушения при различных значениях напряжений
.
Задавая образцам различные значения напряжений
, определяют число циклов N, при котором произошло их разрушение. По полученным данным строят кривые усталости (кривые Веллера), см. рис. 3.5.

Для большинства сталей после циклов кривая усталости становится горизонтальной, т.е. образцы не разрушаются. Поэтому базу испытаний ограничивают .
Пределом выносливости () называют наибольшее напряжение цикла, при котором не происходит усталостное разрушение образца при достижении базы испытания.
Для образцов и деталей при коэффициенте асимметрии цикла () пределы выносливости при нормальных напряжениях обозначают
. Для сталей можно принять ; .
3.2.1. Влияние концентрации напряжений на предел выносливости.
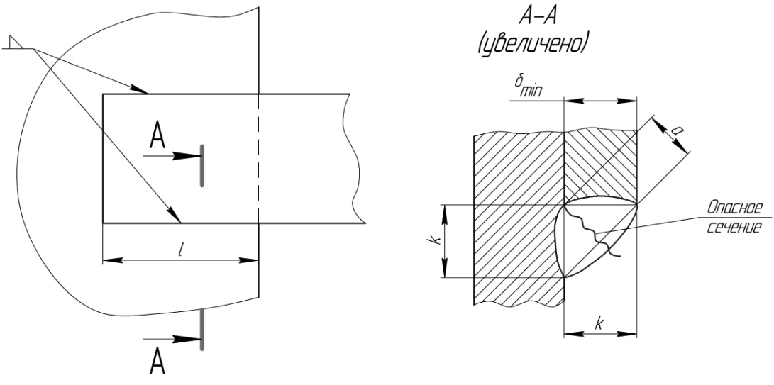
Возле отверстий, шпоночных пазов, у оснований резьбы, в местах, где резко меняется площадь поперечного сечения деталей, напряжение распределяется неравномерно, т.е. возникает концентрация напряжений. Влияние концентрации напряжений на предел выносливости учитывают эффективным коэффициентом концентрации напряжений :
,
где - предел выносливости гладкого образца; - предел выносливости образца (детали) с концентратором напряжений при том же виде нагружения.
Для наиболее характерных концентраторов напряжений значения приведены в соответствующих таблицах.
3.2.2. Влияние абсолютных размеров детали на предел выносливости.
Опытным путем установлено, что с увеличением абсолютных размеров детали их предел выносливости снижается, так как с увеличением размеров детали растет в объеме детали и количество дефектов (вакансий, дислокаций, раковин, шлаковых включений и др.), а, следовательно, возрастает вероятность того, что данные дефекты попадут в зону концентрации напряжений. Влияние абсолютных размеров детали на предел выносливости учитывают коэффициентом влияния абсолютных размеров поперечного сечения :
,
где - предел выносливости стандартного лабораторного образца диаметром ; - предел выносливости образца (детали) диаметром .
Значения для различных материалов и размеров поперечных сечений приведены в соответствующих таблицах.
3.2.3. Влияние качества обработки поверхности на предел выносливости.
С увеличением шероховатости поверхности детали предел выносливости понижается. Микронеровности поверхности (зависят от качества механической обработки) создают условия для образования микротрещин и сами являются концентраторами напряжений (первичные усталостные микротрещины возникают обычно в поверхностном слое). Влияние состояния поверхности на предел выносливости учитывают коэффициентом влияния качества обработки поверхности :
,
где - предел выносливости испытуемого образца (детали) с определенной обработкой поверхности; - предел выносливости стандартного тщательно отполированного образца.
Значения для различных видов механической обработки приведены в соответствующих таблицах.
3.2.4. Влияние упрочнения поверхности на предел выносливости.
Для повышения несущей способности деталей используют разные способы поверхностного упрочнения: цементацию, закалку ТВЧ, наклеп (накаткой роликами, дробеструйной обработкой). Упрочнение поверхности детали значительно повышает предел выносливости, что и учитывают коэффициентом влияния поверхностного упрочнения :
,
где - предел выносливости образца (детали) с поверхностным упрочнением; - предел выносливости стандартного лабораторного образца.
Значения для различных видов поверхностного упрочнения приведены в соответствующих таблицах.
На практике характеристики сопротивления усталости ответственных деталей определяют экспериментально с помощью испытаний деталей в условиях, приближенных к условиям эксплуатации. При этом используют коэффициенты снижения предела выносливости и , учитывающие все приведенные выше коэффициенты:
и .
Тогда предел выносливости детали в рассматриваемом сечении:
и ,
где - предел выносливости гладких стандартных образцов.
3.3. Контактная прочность деталей машин.

Работоспособность некоторых деталей машин (фрикционные, зубчатые, червячные и цепные передачи, подшипники качения) определяет контактная прочность, т.е. прочность их рабочих поверхностей, контактирующих под нагрузкой. Разрушение поверхностей происходит из-за действия контактных напряжений в месте контакта двух прижатых друг к другу деталей, см. рис. 3.6.
Контактные напряжения обозначают , индекс Н в честь немецкого ученого Герца (Hertz), который в 1882 г. первым дал решение задачи о напряженном состоянии в зоне контакта (контактная задача).
При отсутствии внешней нагрузки начальный контакт криволинейных поверхностей происходит в точке (контакт двух шаров) или по линии (контакт двух цилиндров). После приложения внешней нагрузки начальный контакт переходит в контакт по малой площадке, в пределах которой действуют контактные напряжения, быстро убывающие по мере удаления от зоны контакта, см. рис. 3.6.
Если величина контактных напряжений больше допускаемой (), то на поверхности деталей возникают вмятины, борозды, раковины и трещины.
Величина контактных напряжений определяется по формуле Герца, полученной для зоны касания двух цилиндров по общей образующей:
,
где - упругая постоянная материалов соприкасающихся тел, определяемая по формуле:
;
- удельная контактная нагрузка;
- нормальное усилие между цилиндрами;
- длина контактной линии;
- модули упругости материалов контактирующих тел;
- коэффициенты Пуассона материалов контактирующих тел;
- приведенный радиус кривизны;
- приведенный модуль упругости.

При вращении цилиндров под нагрузкой каждая точка их сопряженных поверхностей нагружается только во время прохождения зоны контакта, а контактные напряжения в этих точках изменяются по прерывистому отнулевому циклу (рис. 3.7).
Циклическое действие контактных напряжений является причиной усталостного разрушения сопряженных поверхностей (на поверхностях контакта возникают усталостные микротрещины).
Методы увеличения контактной прочности деталей машин:
- увеличение поверхностной твердости;
- уменьшение шероховатости;
- применение смазки;
- замена растягивающих напряжений сжимающими (постоянные растягивающие напряжения уменьшают сопротивление усталости, а сжимающие затрудняют зарождение и рост усталостных трещин).
Лекция 4.
Сварные соединения.
В материал лекции входит: сварные соединения, их общая характеристика и область применения; основные виды сварных соединений, типы сварных швов, допускаемые напряжения; расчет сварных стыковых соединений.
4.1. Общие сведения о сварке.
Сварка это процесс получения неразъемного соединения, которое образуется за счет сил межатомного взаимодействия материалов путем местного нагрева соединяемых деталей.
Сварные соединения наиболее распространенный и совершенный тип неразъемных соединений. Сваркой соединяют детали из конструкционных углеродистых и легированных сталей, цветных сплавов и неметаллов. Сварные соединения широко применяют в строительстве (например, сварные конструкции мостов, лестниц и др.), в машиностроении от единичного до массового типов производства (например, при производстве станин, рам, корпусов редукторов, кузовов автомобилей, трубопроводов и др.) и других отраслях промышленности.
Достоинства сварных соединений:
- низкая стоимость изготовления, вследствие малой трудоемкости сварки и простоты конструкции сварного шва (не требуется моделей, форм или штампов);
- низкая металлоемкость (по сравнению с заклепочными соединениями экономия металла 15-20%, с литыми конструкциями - 30%);
- герметичность и плотность соединения;
- возможность автоматизации процесса сварки;
- возможность сварки деталей сложной конфигурации и больших размеров.
Недостатки сварных соединений:
- возможность получения скрытых дефектов сварного шва (трещин, шлаковых включений, раковин и др.);
- трудность контроля качества сварного шва;
- коробление деталей из-за неравномерности нагрева в процессе сварки (особенно характерно для тонкостенных деталей);
- низкая прочность при переменных режимах нагружения (сварной шов является сильным концентратором напряжений).
В современном машиностроении используют разнообразные способы сварки. Наиболее широкое распространение получила электрическая сварка электродуговая и контактная.
При электродуговой сварке металл в зоне соединения доводится до расплавления, а соединение образуется после отвердевания металла. Электродуговая сварка, бывает трех видов:
- автоматическая высокопроизводительна и экономична, обеспечивает высокое качество сварного шва (используется в массовом и серийном производстве, в конструкциях с длинными швами);
- полуавтоматическая (используется в конструкциях с короткими прерывистыми швами, в серийном производстве);
- ручная малопроизводительна, качество шва в значительной степени зависит от квалификации сварщика (применяют в единичном и мелкосерийном производстве).
Для защиты расплавленного материала от вредного действия окружающего воздуха на поверхность электрода наносят толстую защитную обмазку, которая выделяет большое количество шлака и газа, образуя изолирующую среду, или производят сварку под слоем флюса.
При контактной сварке разогрев происходит при прохождении электрического тока между двумя электродами, сдавливающими соединяемые детали. Металл в зоне соединения доводится не до жидкого (электродуговая сварка), а только до пластичного состояния. Контактная сварка бывает:
- стыковая соединение образуется за счет сдавливания предварительно нагретых торцов соединяемых деталей;
- точечная соединение образуется в отдельных точках, к которым подводят электроды сварочной машины, а не по всей поверхности стыка;
- шовная (роликовая) - соединение выполняют с помощью электродов, имеющих форму роликов (шов имеет вид узкой непрерывной ленты, расположенной вдоль стыка деталей).
4.2. Классификация сварных соединений.
1). По взаимному расположению свариваемых деталей сварные соединения подразделяются на:
- стыковые соединения или соединения встык (С) - свариваемые элементы примыкают торцевыми поверхностями друг другу (рис. 4.1.). Соединения встык являются наиболее надежными и простыми из всех сварных соединений и зачастую применяются в конструкциях подверженных воздействию переменных напряжений.

Соединения встык выполняют с помощью стыковых швов, которые в зависимости от толщины соединяемых деталей выполняют односторонними (рис. 4.1, а) или двусторонними (рис. 4.1, б), т.к. при значительной толщине соединяемых элементов одностороннего шва может быть недостаточно для надежного соединения.
Соединение встык используют для сварки не только листов и полос, но также труб, уголков, швеллеров и других фасонных профилей.

- нахлесточные соединения или соединения внахлестку (Н) - боковые поверхности соединяемых элементов частично перекрывают друг друга (рис. 4.2.). Соединения внахлестку выполняют с помощью угловых швов с различной формой поперечного сечения:
- нормальные - профиль представляет собой равнобедренный треугольник ( катет шва, равный толщине меньшей из соединяемых деталей, но не менее 3 мм.), см. рис. 4.2, а.;
- вогнутые имеют, благодаря своему профилю, малую концентрацию напряжений, применяются в ответственных конструкциях при переменных нагрузках; вогнутый профиль получают механической обработкой шва, что повышает стоимость соединения, рис. 4.2, б.;
- выпуклые образуют резкое изменение сечения деталей в месте соединения, что является причиной повышенной концентрации напряжений, рис. 4.2, в.;
- специальные - профиль представляет собой неравнобедренный прямоугольный треугольник (), применяются при переменных нагрузках, значительно снижают концентрацию напряжений, рис. 4.2., г.

- тавровые соединения или соединения втавр (Т) - торец одного элемента под углом (обычно прямым) приварен к боковой поверхности другого элемента. Соединения втавр выполняют либо угловыми швами, рис. 4.3, а, либо стыковым швом, рис. 4.3, б.
- угловые соединения (У) - соединяемые элементы приваривают по кромкам один к другому, см. рис. 4.4.

2). В зависимости от типа сварного шва различают сварные соединения:
- со стыковыми швами (в стыковых и тавровых соединениях);
- с угловыми швами (в нахлесточных, тавровых и угловых соединениях), не применяют в силовых конструкциях, т.к. имеют большей эффективный коэффициент концентрации напряжений .
По отношению к действующей нагрузке угловые швы делят на:
- лобовые - расположены перпендикулярно линии действия силы (рис. 4.5);

Рис. 4.5. Лобовой шов.
- фланговые - расположенные параллельно линии действия силы (рис. 4.6);

Рис. 4.6. Фланговый шов.
- комбинированные - состоят из сочетания лобовых и фланговых швов (рис. 4.7);

Рис. 4.7. Комбинированный шов.
- косые расположенные под углом к линии действия силы (рис. 4.8).

Рис. 4.8. Косой шов.
4.3. Расчет на прочность сварных соединений.
Основным критерием работоспособности швов сварных соединений является прочность. Расчет на прочность основан на допущении, что напряжения в шве распределены равномерно как по длине, так и по сечению.
4.3.1. Расчет сварных стыковых соединений.
Стыковые соединения наиболее предпочтительны, т. к. стыковой шов обладает примерно той же прочностью, что и основной металл соединяемых деталей, вследствие малой концентрации напряжений.
Практикой установлено, что при действии постоянных нагрузок разрушение соединений, выполненных сваркой встык, происходит в большинстве случаев не по шву, а в так называемой зоне термического влияния, где из-за высокой местной температуры происходит понижение физико-механических свойств основного металла (рис. 4.9).

Поэтому расчет на прочность стыковых соединений проводят по номинальному сечению деталей в этой зоне - утолщение (наплыв металла) не учитывают. В зависимости от работы стыкового шва его соответственно рассчитывают на растяжение или на сжатие.
Примеры расчета сварных стыковых соединений:
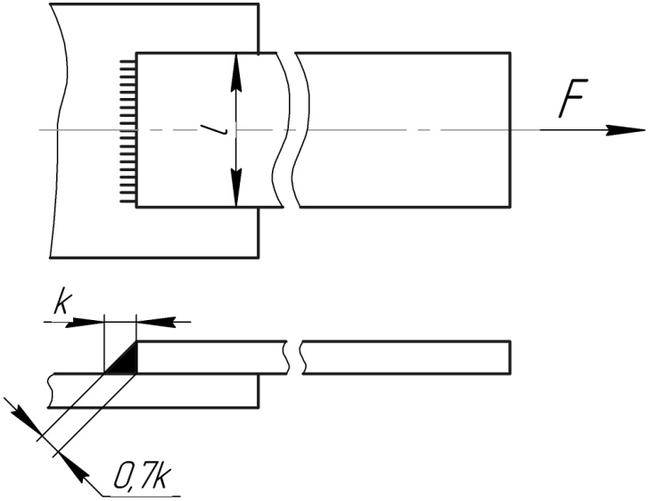
1). Соединение нагружено растягивающей силой F (рис. 4.10.):

,
где - расчетное напряжение в шве при растяжении; - сила, растягивающая или сжимающая соединяемые элементы; - толщина детали , b длина шва (А площадь поперечного сечения шва); - допускаемое напряжение для шва при растяжении.
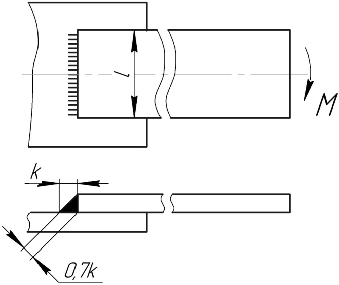
2). Соединение нагружено изгибающим моментом (рис. 4.11.).

,
где - момент сопротивления сечения шва при изгибе.
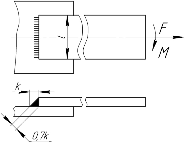
3). Соединение нагружено растягивающей силой и изгибающим моментом (рис.4.12.).
.

4.3.2. Расчет сварных нахлесточных соединений.
Сварное нахлесточное соединение выполняют фланговыми, лобовыми или косыми угловыми швами. Угловые швы в конструкциях часто не предназначены для передачи нагрузок, т.к. обладают высокой концентрацией напряжений. Основными характеристиками углового шва являются катет и рабочая высота (определяет наименьшее сечение в плоскости, проходящей через биссектрису прямого угла, по которому происходит разрушение срез), см. рис. 4.13. Обычно для шва , оптимальная величина катета - . Величина нахлестки должна быть не менее ().

Рис. 4.13.
Длину лобовых и косых швов в нахлесточном соединении не ограничивают, а длину фланговых швов ограничивают интервалом , т.к. в швах длинной менее 30 мм концентрация напряжений достаточна велика (особенно на концах шва), а при длинных швах существует высокая неравномерность в распределении касательных напряжений.
Условие прочности нахлесточного соединения выполненного фланговым швом (рис. 4.6.) имеет вид:
.
Для уменьшения касательных напряжений лобовые швы накладывают с двух сторон (рис. 4.5.). Расчет лобовых швов (как и фланговых) ведут по напряжениям среза:
.
Применяют также комбинированные швы, состоящие из фланговых и лобовых и косые швы (рис. 4.7. и рис. 4.8.):
,
где - периметр комбинированного шва; - периметр косого шва.
Примеры расчета сварных нахлесточных соединений:
1). Соединение нагружено растягивающей силой (рис. 4.14).

,
где - толщина детали, - длина шва.
2). Соединение нагружено изгибающим моментом (рис. 4.15).

,
где - момент сопротивления сечения шва при изгибе.
3). Соединение нагружено растягивающей силой F и изгибающим моментом (рис. 4.16).

.
4.3.3. Расчет сварных тавровых соединений.
Расчет тавровых сварных соединений (см. рис. 4.3) ведут аналогично стыковым и нахлесточным сварным соединениям в зависимости от используемых типов швов:
- для стыкового шва (швы с глубоким проплавлением, рис. 4.3., а) расчет проводят по нормальным напряжениям растяжения:
;
- для углового шва (рис. 4.3., б) расчет проводят по напряжениям среза:
.
4.4. Допускаемые напряжения для сварных швов.
Основное требование при проектировании сварных конструкций - обеспечение равнопрочности шва и соединяемых им деталей. В соответствии с этим требованием в зависимости от размеров и расположения свариваемых деталей устанавливают соответствующий тип шва данного соединения. Если сварное соединение осуществляется несколькими швами, то их располагают так, чтобы они были нагружены равномерно.
Прочность сварного соединения зависит от:
- качества основного материала (легко или трудно свариваемые);
- совершенства технологического процесса сварки (автоматическая, ручная и т.д.);
- конструкции соединения и способа сварки (от расположения деталей и используемого типа сварного шва);
- характера действующих нагрузок (постоянные или переменные).
Значительно снижают прочность: непровары, шлаковые и газовые включения и т. д. Эти дефекты являются основными причинами образования трещин как в процессе сварки, так и при эксплуатации изделий (особенно при переменных и ударных нагрузках).
Допускаемые напряжения на растяжение основного металла при статических нагрузках:
,
где допускаемый коэффициент запаса прочности (в зависимости от используемой стали); - предел текучести основного металла; - допускаемое напряжение на растяжение основного металла.
Допускаемые напряжения для сварных швов при статической нагрузке задают в долях от допускаемого напряжения на растяжение основного металла :
- при растяжении (сжатии);
- при срезе.
При переменных нагрузках значения допускаемых напряжений снижают умножением на коэффициент :
,
где - эффективный коэффициент концентрации напряжений; - коэффициент асимметрии цикла; и - числовые коэффициенты.
Верхние знаки в этой формуле принимают, если больше абсолютное значение растягивающего напряжения, а нижние - сжимающего.
Для углеродистых сталей принимают и , а для низколегированных и . Значение эффективных коэффициентов концентрации напряжений для стали принимают в зависимости от типа сварного шва:
- для стыковых швов;
- для лобовых швов;
- для фланговых швов.
Пути повышения прочности сварных соединений:
- применение соответствующего типа сварки и электрода (в зависимости от вида нагрузки и расположения деталей);
- равномерное нагружение сварных швов (симметрично относительно действующей нагрузки);
- применение соответствующего профиля сварного шва (вогнутого, специального и т.д.);
- применение нескольких сварных швов (тем самым увеличиваем общую длину шва и соответственно уменьшаем действующие напряжения).
Лекция 5.
Соединения с натягом.
В материал лекции входит: характеристика соединений с натягом, особенности технологии сборки и область применения. Критерии работоспособности и расчет на прочность.
5.1. Общие сведения.
Соединение двух деталей можно осуществить без применения болтов, шпонок, сварных швов и т.д., для этого достаточно при сборке запрессовать одну деталь в другую (рис. 5.1.). При этом диаметр охватываемой детали (вала) делают больше, чем диаметр отверстия охватывающей детали (втулки).

Рис. 5.1.
Натягом называют положительную разность диаметров вала и отверстия: (измеряется в мкм). В месте соединения детали упруго деформируются - диаметр посадочных (контактирующих) поверхностей становится общим , на поверхностях деталей возникает контактное давление и соответствующие ему силы трения. Силы трения обеспечивают неподвижность соединения и позволяют воспринимать вращающий момент, осевую силу и изгибающий момент.
Нагрузочная способность соединения зависит от величины натяга, который в свою очередь зависит от величины нагрузки.
С помощью натяга можно осуществлять сборку не только цилиндрических деталей, но и призматических и конических.
Соединения с натягом применяют для установки на валы и оси зубчатых колес, шкивов, звездочек, маховиков, подшипников качения и т.д., используют при изготовлении составных коленчатых валов, червячных колес и др.
Соединения деталей с натягом относят к неразъемным соединениям условно, т.к. они допускают ограниченное число разборок и новых сборок.
Достоинства соединений с натягом:
- простота конструкции;
- хорошее восприятие больших статических и динамических нагрузок;
- хорошее центрирование соединяемых деталей;
- возможность разборки соединений (ограниченно).
Недостатки соединений с натягом:
- сложность разборки;
- возможность уменьшения натяга соединяемых деталей и повреждения их посадочных поверхностей при сборке (запрессовке), а вследствие этого требование повышенной точности изготовления посадочных поверхностей (например, пониженная шероховатость);
- высокая концентрация напряжений у краев отверстия втулки.
По способу сборки различают соединения с натягом выполненные:
- прессованием;
- температурным деформированием (нагревом втулки либо охлаждением вала).
Прессование достаточно распространенный и несложный способ сборки, выполняемый на прессах; однако, у данного метода есть недостатки: смятие и частичное срезание (шабровка) шероховатостей посадочных поверхностей (а, следовательно, уменьшение натяга), возникновение неравномерных деформаций деталей по длине контакта и повреждений их торцов. Срезание и смятие шероховатостей приводят к ослаблению прочности соединения до 1,5 раз по сравнению с соединением выполненным температурным деформированием.
Сборку температурным деформированием выполняют с предварительным нагревом охватывающей (втулки) или с охлаждением охватываемой детали (вала). Температура нагрева должна быть ниже температуры низкого отпуска, чтобы не происходило структурных изменений в металле, т.е. изменений физико-механических свойств материала (для сталей - , для бронз - ). Для охлаждения вала используют твердую углекислоту или жидкий воздух ).
5.2. Расчет соединений с натягом.
Основной задачей расчета соединения с гарантированным натягом является выбор посадки, обеспечивающей передачу заданной нагрузки.
При определении несущей способности соединения принимают допущение контактные давления распределяются равномерно по поверхности контакта (в действительности, контактные давления по длине соединения распределены неравномерно из-за вытеснения сжатого материала к торцам втулки (контактные давления у торцов втулки превышают среднее значение в 2-3 раза)).
Критерии работоспособности соединений с натягом:
- прочность соединения - за счет неподвижности деталей, которая обеспечивается силами трения, возникающими на поверхности контакта (т.е. для надежного соединения деталей силы трения () должны быть больше внешних сдвигающих сил (осевой силы, крутящего и изгибающего моментов);
- прочность деталей, образующих соединение, т.к. натяг может вызвать их разрушение или недопустимые деформации.

Рис. 5.2.
Рассмотрим несколько расчетных случаев:
1). Соединение нагружено осевой силой (рис. 5.2., а).
Условие прочности соединения (несдвигаемости деталей соединения):
,
где - действующая на соединение осевая сила; ( - нормальная сила (произведение площади контакта на давление)) сила трения; - коэффициент трения (табличная величина); - диаметр и длина посадочной поверхности соответственно.
Выполнив соответствующие преобразования и подстановки:
;
,
получим формулу для расчета минимального потребного давления на поверхности контакта :
,
где коэффициент запаса сцепления.
2). Соединение нагружено крутящим моментом Т (рис. 5.2.,б).
Условие прочности соединения (несдвигаемости деталей соединения):
,
где ( окружная сила трения) - момент трения, - внешний крутящий момент.
Выполнив преобразования, аналогично предыдущему примеру, получим формулу для расчета минимального потребного давления на поверхности контакта :
.
3). Соединение нагружено осевой силой и крутящим моментом (рис. 5.2., в).
Условие прочности соединения (несдвигаемости деталей соединения):
,
где ( - окружная сила).
Формула для расчета минимального потребного давления на поверхности контакта :
.
Коэффициент трения зависит от способа сборки, давления на поверхности контакта , шероховатости поверхности, скорости запрессовки, вида смазки поверхностей при сборке и т.д.
Для стальных и чугунных деталей:
- при сборке с запрессовкой;
- при сборке с нагревом охватывающей детали.
Если одна из соединяемых деталей стальная или чугунная, а другая латунная или бронзовая, то рекомендуется принимать .
5.3. Определение расчетного натяга.

Рис. 5.3.
При определении расчетного натяга используют результаты решения задачи Ламе для толстостенных труб под действием внутреннего и внешнего давлений (Габриэль Ламе (1795-1870 гг.) французский математик, физик и инженер, член Петербургской и Парижской АН, несколько лет работал в России вместе с Клапейроном):
,
где - расчетный натяг; и - коэффициенты:
,
где и , и - модули упругости и коэффициенты Пуассона материалов вала и втулки соответственно; - посадочный диаметр; - диаметр отверстия охватываемой детали; - наружный диаметр охватывающей детали (индекс 1 для охватываемой детали, индекс 2 для охватывающей детали), см. рис. 5.3.
При запрессовке неровности поверхностей будут подвергаться срезу и смятию, что приведет к уменьшению натяга, т.е. к ослаблению соединения. Для компенсации этого явления определяют действительный натяг посадки (минимальный требуемый натяг соединения необходимый для восприятия и передачи внешних нагрузок):
,
где и - высота микронеровностей и среднее арифметическое отклонение профиля посадочной поверхности вала соответственно; и - то же для втулки, мкм.
По значению подбирают соответствующую стандартную посадку.
5.4. Проверочный расчет на прочность соединяемых деталей.

При изготовлении деталей соединения из одинаковых материалов обычно более слабым элементом оказывается охватывающая деталь (т.к. наибольшие напряжения (растягивающие) возникают у ее внутренней поверхности), см. рис. 5.4. Расчет втулки на прочность проводят в следующем порядке:
1). Для подобранной стандартной посадки находят максимальный натяг ;
2). Определяют максимальный расчетный натяг:
;
3). Определяют максимальное давление на поверхности контакта при максимальном натяге (с помощью формулы Ламе):
.
4). Записывают условие прочности для соответствующего случая нагружения.
Лекция 6.
Шпоночные и шлицевые соединения.
В материал лекции входит: шпоночные и шлицевые соединения, их достоинства и недостатки, классификация; виды повреждений и критерии работоспособности. Расчет шпоночных и шлицевых соединений.
6.1. Шпоночные соединения.
Шпоночные соединения служат для передачи вращающего момента от вала к установленным на нем деталям (зубчатым колесам, шкивам, муфтам и т. д.) или наоборот.
Шпоночные соединения осуществляются с помощью призматических деталей - шпонок, которые устанавливаются в пазах вала и ступицы детали (см. рис. 6.1). Шпоночные пазы на валах получают фрезерованием (дисковой открытый паз или пальцевой фрезами глухой паз (рис. 6.5)), а в ступицах протягиванием или долблением (соответственно долбяком или одношлицевой протяжкой).
Классификация шпоночных соединений.
1). По возможности перемещения детали шпоночные соединения могут быть:
- подвижными - деталь может перемещаться по валу в осевом направлении (рис. 6.6) шпонки в таком соединении отличаются от обыкновенных большей длиной;

- неподвижными - когда такое перемещение невозможно.
2). По форме шпонки шпоночные соединения делят на:
- призматические (см. рис. 6.2);
- сегментные (см. рис. 6.3);
- клиновые (см. рис. 6.1);
- тангенциальные (в материале лекции не рассматриваются).
Основные типы шпонок стандартизованы.
3). Различают шпоночные соединения:
- напряженные (осуществляются клиновыми и тангенциальными шпонками);
- ненапряженные (осуществляются призматическими и сегментными шпонками).

Шпоночные соединения широко применяют в машиностроении (в том числе и в массовом производстве) для передачи малых нагрузок (при больших нагрузках шпоночный паз сильно ослабляет вал рекомендуют переходить на шлицевые соединения), возможности размещения длинных ступиц, при необходимости легкой сборки и разборки.
Достоинства шпоночных соединений:
- простота разборки и сборки;
- надежность в эксплуатации;
- компактность и простота конструкции.
Недостатки шпоночных соединений:
- ослабление вала и ступицы шпоночными пазами (в зоне шпоночного паза возникает концентрация напряжений, что ограничивает нагруженность соединения);

- высокие требования к точности выполнения шпоночных пазов;
- необходимость в дополнительных деталях для осевой фиксации зубчатых колес, шкивов и т. п. (например, втулок, проектирование буртиков валов и т.д.).
6.2. Напряженные шпоночные соединения.
Напряженные шпоночные соединения получают при применении клиновых и тангенциальных шпонок. При сборке таких соединений возникают предварительные (монтажные) напряжения.
Клиновые шпонки (ГОСТ 2406880) представляют собой односкосные клинья с уклоном 1: 100 (см. рис. 6.1), которые ударами молотка забивают в пазы вала и ступицы. При этом создается напряженное соединение, передающее за счет сил трения как вращающий момент, так и осевую силу и препятствующее относительному смещению детали вдоль вала. Рабочими поверхностями клиновых шпонок являются верхняя и нижняя широкие грани. По боковым граням имеется зазор.
Достоинства соединения клиновыми шпонками:
- хорошее восприятие ударных и переменных нагрузок;
- способность воспринимать осевые нагрузки (нет необходимости фиксировать ступицу в осевом направлении).
Недостатки соединения клиновыми шпонками:
- при запрессовке происходит радиальное смещение ступицы по отношению к валу и перекос детали, что вызывает биение.
Из-за наличия биения данные соединения применяют в тихоходных передачах (.), поэтому применение клиновых шпонок ограничено.
6.3. Ненапряженные шпоночные соединения.
Ненапряженные шпоночные соединения получают при применении призматических и сегментных шпонок. При сборке таких соединений не возникает предварительных напряжений.
Соединения призматическими шпонками (ГОСТ 23360-78) имеют наибольшее распространение, см. рис. 6.2. Шпонку запрессовывают в паз вала (так называемая врезная шпонка). Рабочими поверхностями призматических шпонок являются узкие боковые грани. Для упрощения сборки между шпонкой и ступицей предусмотрен радиальный зазор. Призматические шпонки не удерживают детали от осевого смещения вдоль вала. Для фиксации деталей (колес, шкивов и т.д.) от осевого смещения применяют распорные втулки, проектируют дополнительные ступени вала и т.д.
По форме торцов различают шпонки трех исполнений: со скругленными торцами (А), с плоскими торцами (В), с одним плоским, а другим скругленным торцом (С), см. рис. 6.4.
Достоинства соединений призматическими шпонками:
- простота конструкции и низкая стоимость.
Недостатки соединений призматическими шпонками:
- низкая взаимозаменяемость (необходима ручная подгонка или подбор шпонки по пазу);
- малонадежны при действии ударных, реверсивных и циклических нагрузок.
Ширину и высоту призматических шпонок выбирают в зависимости от посадочного диаметра соединения (диаметра вала). Глубина врезания шпонки в ступицу (в приближенных расчетах) .
Соединения сегментными шпонками (ГОСТ 24071-80) являются разновидностью соединений призматическими шпонками (рис. 6.3). Сегментные шпонки, так же как и призматические, работают боковыми гранями.

Рис.6.4. Типы призматических шпонок.
Достоинства соединений сегментными шпонками:
- простота конструкции, взаимозаменяемость и технологичность (шпонки и пазы для них просты в изготовлении, удобны при монтаже и демонтаже);
- глубокая посадка шпонки предохраняет ее от выворачивания под нагрузкой.
Недостатки соединений сегментными шпонками:
- глубокий паз под шпонку значительно ослабляет вал (поэтому сегментные шпонки применяют для передачи небольших вращающих моментов).
Сегментные шпонки характеризуются шириной и диаметром заготовки . Высота шпонки , длина и расчетная длина .

Рис. 6.5. Шпоночные пазы в валу: закрытый (а) и открытый (б).

Материал шпонок и допускаемые напряжения.
Стандартные шпонки изготавливают из углеродистой или легированной стали с пределом прочности . Величина допускаемых напряжений зависит от режима работы, прочности материала вала и втулки, типа посадки втулки на вал.
Для неподвижных соединений допускают:
при переходных посадках ;
при посадках с натягом .
Меньшие величины для чугунных ступиц и при резких изменениях нагрузки.
В подвижных (в осевом направлении) соединениях допускаемые напряжения значительно снижают в целях предупреждения задира и износа: .
6.4. Расчет шпоночных соединений.
При проектировании шпоночного соединения ширину и высоту шпонок принимают по соответствующему ГОСТу в зависимости от диаметра вала. Длину шпонки принимают в зависимости от длины ступицы и согласовывают с ГОСТом. Достаточность принятых размеров шпонки проверяют расчетом соединения на прочность (проверочный расчет).
На шпоночное соединение действует вращающий момент , вызывающий напряжения среза в шпонке и напряжения смятия на боковых гранях шпонки и пазов ступицы и вала, см. рис. 6.2 (для упрощения расчетов считают, что напряжения смятия равномерно распределены по площади контакта боковых граней шпонок и шпоночных пазов; контактным давлением, возникающим при посадке шпонок в паз вала с натягом, пренебрегают).
Следовательно, призматические шпонки рассчитывают на смятие и срез по следующим формулам:
,
,
где - вращающий момент; - диаметр вала; - ширина шпонки; - рабочая длина шпонки; - глубина врезания шпонки в ступицу; и - расчетное и допускаемое напряжение на смятие для более слабого материала шпоночного соединения (вала, шпонки или ступицы); и - расчетное и допускаемое напряжение на срез для материала шпонки.
Проверочный расчет сегментной шпонки проводится так же, как и для призматической шпонки:
,
,
где - длина шпонки.
У стандартных шпонок размеры поперечного сечения и подобраны таким образом, что прочность соединения определяет напряжение смятия (расчет на срез не проводят).
Если прочность не достаточна, то устанавливают одну или несколько дополнительных шпонок (однако, установка нескольких шпонок сильно ослабляет вал, поэтому в таких случаях шпонки заменяют шлицевыми соединениями или соединением с натягом).
6.5. Шлицевые соединения.
Для соединения ступицы с валом помимо шпонок и натяга часто используют выступы на валу, называемые шлицами (зубьями), которые входят в соответствующие пазы ступицы. Такое соединение ступицы с валом называется шлицевым или зубчатым и предназначено для передачи вращающего момента между валом и деталью. Шлицевые соединения относятся к разъемным; размеры соединений, а также допуски на них стандартизованы.
Зубья (шлицы) на валах получают фрезерованием, строганием или накатыванием, зубья в отверстиях - протягиванием или долблением.
Классификация шлицевых соединений.
1). По характеру соединения шлицевые соединения могут быть:
- подвижными - деталь может перемещаться по валу в осевом направлении (например, перемещение зубчатых колес в коробках передач станков, автомобилей и т.д.);
- неподвижными - для закрепления детали на валу (см. рис. 6.7).
2). По форме профиля зубьев шлицевые соединения делят на:
- прямобочные (см. рис. 6.7);
- эвольвентные (рис. 6.8);
- треугольные (рис. 6.9).

Рис. 6.7.
3). По способу центрирования (обеспечения совпадения геометрических осей вала и ступицы) ступицы относительно вала:
- с центрированием по наружному диаметру (рис. 6.7, а);
- с центрированием по внутреннему диаметру (рис. 6.7, в);
- с центрированием по боковым поверхностям зубьев (рис. 6.7, б).
При этом зазор в контакте поверхностей: центрирующих практически отсутствует, нецентрирующих значительный.
Достоинства шлицевых соединений по сравнению со шпоночными:
- передача больших нагрузок (благодаря большой площади контакта зубьев);
- лучшее центрирование соединяемых деталей (вала и ступицы);
- возможность работы при больших скоростях;
- меньшее число деталей соединения (две детали), меньшая длина ступицы и меньшие радиальные размеры.
Недостатки шлицевых соединений:
- сложная технология изготовления, а, следовательно, более высокая стоимость.
6.6. Соединения с прямобочным профилем зубьев.
Соединения с прямобочными зубьями применяются в неподвижных и подвижных соединениях ( шлицевых соединений используемых в машиностроении имеют прямобочный профиль зубьев), см. рис. 6.7. В прямобочных соединениях (ГОСТ 1139-80) зубья вала имеют постоянную толщину и расположены в радиальном направлении, они входят во впадины соответствующей формы в ступице. Стандартом предусмотрены три серии соединений с прямобочным профилем зубьев: легкая, средняя и тяжелая. Они отличаются высотой и числом зубьев (число зубьев от 6 до 20). У соединений тяжелой серии зубья выше, а их число больше, что позволяет передавать большие нагрузки. Соединения с прямобочным профилем применяют с центрированием ступицы по наружному и внутреннему диаметрам и боковым поверхностям шлицев.
Центрирование по боковым поверхностям (рис. 6.7, б) обеспечивает более равномерное распределение нагрузки по зубьям, но снижает точность центрирования ступицы на валу. Поэтому оно применяется при невысоких требованиях к соосности и для передачи значительных и переменных по значению или направлению вращающих моментов (например, в шлицевых соединениях карданных валов автомобилей). Центрирование по наружному (рис. 6.7, а) или внутреннему диаметру (рис. 6.7, в) более точное, поэтому эти виды соединений применяют в тех случаях, когда требуется повышенная точность совпадения геометрических осей соединяемых деталей (например, соединение зубчатого или червячного колеса с валом).
6.7. Соединения с эвольвентными зубьями.
Соединения с эвольвентными зубьями (ГОСТ 6033-80), так же как и с прямобочными зубьями, применяются в неподвижных и подвижных соединениях, см. рис. 6.8. Боковая поверхность выступов очерчена по эвольвенте (как профиль зубьев зубчатых колес). Отличие данного профиля заключается в большем угле зацепления () и меньшей высоте выступа (равна модулю), что связано с отсутствием перекатывания.

Рис. 6.8.
Применяют центрирование по боковым поверхностям зубьев (рис. 6.8, а), реже по наружному диаметру (рис. 6.8, б); данные соединения имеют высокую точность центрирования.
Достоинства эвольвентных шлицевых соединений по сравнению с прямобочными:
- повышенная прочность эвольвентных зубьев (в связи с утолщением выступа к основанию и наличием галтели);
- большая нагрузочная способность вследствие большей площади контакта и большего количества зубьев (от 6 до 82);
- технологичность изготовления (в производстве требуется меньшая номенклатура инструментов).
Недостатки эвольвентных шлицевых соединений:
- дороговизна изготовления (вследствие сложности используемых инструментов).
Соединения с эвольвентными зубьями применяют в основном для передачи больших вращающих моментов.

6.8. Соединения с треугольным профилем.
Шлицевые соединения треугольного профиля применяют в неподвижных соединениях, см. рис. 6.9. Изготавливают по отраслевым нормалям (например, ОСТ 100092-73). Обычно соединения имеют большое число мелких выступов-зубьев (число зубьев ; модуль ). Выступы выполняют как на цилиндрических, так и на конических поверхностях. Применяют центрирование только по боковым поверхностям, точность центрирования невысокая.
Соединения с треугольным профилем применяют для передачи небольших вращающих моментов тонкостенными ступицами, пустотелыми валами, а так же в соединениях торсионных валов, стальных валов со ступицами из легких сплавов, в приводах управления.
Шлицевые валы и ступицы изготавливают из среднеуглеродистых и легированных сталей с временным сопротивлением МПа.
6.9. Расчет шлицевых соединений.
Основными критериями работоспособности шлицевых соединений являются сопротивление рабочих поверхностей смятию и изнашиванию.
Изнашивание боковых поверхностей зубьев обусловлено микроперемещениями (взаимным относительным скольжением) деталей соединения при действии изгибающего и вращающего моментов или несовпадения осей вращения (из-за наличия зазоров, погрешностей изготовления и монтажа).
Пути повышения износостойкости:
- увеличение твердости контактирующих поверхностей;
- уменьшение зазоров;
- применение соответствующей смазки.

Число и размеры поперечного сечения шлицев принимают в зависимости от диаметра вала по соответствующему ГОСТу. Длина шлицев определяется длиной ступицы, а если ступица подвижная, то ходом ее перемещения.
Упрощенный (приближенный) расчет шлицевых соединений по критерию смятия является основным для шлицевых соединений (обычно проводится как проверочный). При приближенном расчете предполагают, что напряжения смятия на рабочих поверхностях распределены равномерно, см. рис. 6.10:
,
где - расчетный вращающий момент (наибольший из длительно действующих моментов при переменном режиме нагружения), Н·м; коэффициент, учитывающий неравномерность распределения нагрузки между выступами (зависит от точности изготовления), ; - средний диаметр соединения, мм; - число зубьев; - рабочая высота выступа, мм; - длина соединения, мм; - допускаемые напряжения смятия, МПа.
Для прямобочного профиля:
; ,
где - наружный диаметр зубьев вала; - внутренний диаметр ступицы; - размер фаски.
Для эвольвентного профиля:
; ,
где - модуль зубьев соединения.
Для зубьев треугольного профиля:
; .
Если расчетное напряжение превышает допускаемое более, чем на 5%, то увеличивают длину ступицы, изменяют размеры, термообработку и повторяют проверочный расчет.
Неточности расчета (из-за принятых допущений) компенсируют выбором допускаемых напряжений смятия , установленных с учетом опыта эксплуатации. Допускаемое напряжение на смятие шлицевого соединения принимают: МПа, причем большие значения применяют при тяжелых условиях эксплуатации (знакопеременной нагрузке, отсутствии смазки и т.д.).
Лекция 7.
Резьбовые соединения.
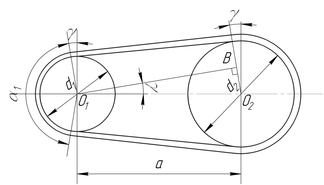
В материал лекции входит: резьбовые соединения, классификация резьб. Основные геометрические параметры резьб. Соотношение сил в винтовой паре. Условие самоторможения. КПД винтовой пары.
Резьбовые соединения являются наиболее распространенными разборными соединениями используемыми в машиностроении (болты, винты, шпильки, гайки и т. д.). Резьбовое соединение образуют две детали: у одной из которых на наружной, а у другой на внутренней поверхности выполнены расположенные по винтовой линии выступы соответственно наружная и внутренняя резьбы.
Резьба чередующиеся выступы и впадины, расположенные по винтовой линии на телах вращения, для соединения, уплотнения деталей или обеспечения перемещений одной детали по другой.
Достоинства резьбовых соединений:
- обеспечивают возможность многократной сборки разборки.
- простота конструкции.
- низкая стоимость.
- высокая степень унификации и стандартизации.
- возможность создания больших осевых усилий.
- возможность самоторможения (исключает саморазвинчивание).
Недостатки резьбовых соединений:
- высокая концентрация напряжений в витках резьбы и как следствие этого плохое восприятие вибраций (циклических нагрузок).
Винтовая линия.
Винтовая линия линия, образованная на боковой поверхности прямого кругового цилиндра точкой, перемещающейся таким образом, что отношение между ее осевым перемещение а и соответствующим угловым перемещением постоянно, но не равно нулю или бесконечности.
Рис. 10.1. Параметры винтовой линии.
Осевое перемещение , при условии ,
где k - коэффициент пропорциональности.
Осевое перемещение, соответствующее полному обороту , называют шагом или ходом винтовой линии.
Угол подъема винтовой линии: ,
где d - диаметр окружности основания цилиндра.
При перемещении по боковой поверхности цилиндра нескольких точек, равномерно расположенных по окружности основания, получают несколько (n) винтовых линий.
Представим теперь, что по винтовой линии перемещают контур какой-либо фигуры (треугольника, трапеции), лежащей в плоскости, проходящей через ось цилиндра. Каждая точка контура, выступающая над поверхностью цилиндра, при этом описывает линию с одинаковым шагом формирует винтовую поверхность витка резьбы соответствующего профиля.
Классификация резьбовых соединений.
1). По форме образующих поверхностей (см. рис. 10.2.):
а). цилиндрические;
б). конические (для герметичных изделий).

Рис. 10.2. Пример конической и цилиндрической резьб.
2). По форме профиля витков:
а). с треугольным профилем (метрическая резьба) (рис. 10.3., а);
б). упорная (рис. 10.3., б);
в). трапецеидальная резьба (рис. 10.3., в);
г). с прямоугольным профилем (рис. 10.3., г);
д). круглая резьба (в тонкостенных изделиях и для соединения неметаллов) (рис. 10.3., д).

Рис. 10.3. Типы резьб в зависимости от профиля.
3). По направлению линии витков:
а). правая;
б). левая.
4). По числу заходов винтовой линии:
а). однозаходная;
б). многозаходная (одно-, двух- и т.д.).
5). По назначению:
а). крепежные (метрическая);
б). крепежно-уплотнительная (трубная цилиндрическая);
в). ходовая (упорная).
Метрическая резьба.
Основные параметры метрической резьбы.
Рис. 10.4. Основные параметры метрической резьбы.
d - наружный диаметр наружной резьбы (номинальный диаметр резьбы);
- внутренний диаметр наружной резьбы;
- средний диаметр (ширина впадины равна ширине выступа);
- внутренний диаметр наружной резьбы по впадине;
- угол профиля резьбы;
- шаг резьбы, т.е. расстояние между одноименными сторонами соседних профилей, измеренное в направлении оси резьбы;
- ход резьбы, т.е. расстояние между одноименными сторонами одного и того же витка в осевом направлении (для однозаходной резьбы ; для многозаходной , где z число заходов);
- теоретическая высота профиля;
- рабочая высота профиля;
, и - соответственно наружный, внутренний и средний диаметры внутренней резьбы;
- угол подъема резьбы (винтовой линии).
Угол подъема резьбы определяют на среднем диаметре (угол подъема больше на меньшем диаметре):
.
Резьба одного номинального диаметра может иметь разные шаги (крупный и мелкий). Меньшему шагу соответствует больший внутренний диаметр . Для крепежных деталей желательно применять резьбы с крупным шагом. Резьбы с мелким шагом меньше ослабляют деталь, их отличает повышенное самоторможение, т.к. при малом шаге угол подъема мал (пример обозначения резьбы с мелким шагом: ). Мелкие резьбы применяют в резьбовых соединениях, подверженных действию переменных нагрузок, а также в тонкостенных и мелких деталях.
Соотношение сил в винтовой паре.
Рис. 10.5.
Если винт нагружен осевой силой F , то для завинчивания гайки к ключу необходимо приложить момент завинчивания , а к стержню винта - реактивный момент (момент сил трения в резьбе), который удерживает стержень от вращения (рис. 10.5.):
,
где - момент сил трения на опорном торце гайки.
Принимаем приведенный радиус сил трения на опорном торце гайки равным , при этом:
,
где ; - наружный диаметр опорного торца гайки; - диаметр отверстия под винт; f коэффициент трения на торце гайки.
Рис. 10.6. Силы в винтовой паре: а при завинчивании; б при развинчивании.
Момент сил трения в резьбе определим, рассматривая гайку как ползун, поднимающийся по виткам резьбы, как по наклонной плоскости (рис. 10.6., а). Ползун находится в равновесии, если равнодействующая системы внешних сил отклонена от нормали n-n на угол трения . В нашем случае внешними являются осевая сила и окружная сила .
Из прямоугольного треугольника получим:
;
,
где - угол подъема резьбы.
- приведенный угол трения в резьбе; - приведенный коэффициент трения в резьбе.
;
.
Получим:
.
При отвинчивании гайки окружная сила и силы трения меняют направление (рис. 10.6., б). При этом получим:
.
Момент отвинчивания с учетом трения на торце гайки:
.
Таким образом стержень винта не только растягивается силой , но и закручивается моментом .
Условие самоторможения резьбы.
Самоторможение это отсутствие самопроизвольного движения гайки под действием осевой нагрузки.
Запишем условие самоторможения резьбы без учета трения на торце гайки:
.
При =0,1…0,3 , следовательно, все крепежные резьбы - самотормозящие. Данные значения справедливы только при статических нагрузках. При переменных нагрузках и вибрациях (вследствие взаимных микросмещений поверхностей трения) коэффициент трения значительно снижается (до 0,02 и ниже). При невыполнении условия самоторможения происходит самоотвинчивание.
Для предотвращения самоотвинчивания увеличивают трение между гайкой и деталью (с помощью шайбы или жестко соединяют гайку с деталью, или гайку с болтом).
КПД винтовой пары.
Определяют отношением полезной работы на винте к затраченной работе за один оборот винта или гайки.
;
;
.
Для крепежных резьб понятие КПД не имеет смысла, а для резьбовой пары передачи винт-гайка стремятся получить высокие значения КПД.
Методы повышения КПД винтовой пары:
- КПД возрастает с увеличением угла подъема резьбы , для этого применяют многозаходную резьбу;
- КПД возрастает с уменьшением приведенного угла трения , для этого применяют резьбы с малым углом наклона рабочей грани профиля и снижают коэффициент трения f (используют смазочный материал, используют для деталей пары антифрикционные материалы (бронза и др.)).
Распределение нагрузки по виткам резьбы.
Рис. 10.7. Распределение нагрузки по виткам резьбы.
Данная задача была впервые решена русским инженером Жуковским Н.Е. в 1902г.
Учет распределения нагрузки по виткам имеет значение при определении высоты гайки.
Осевая нагрузка винта передается через резьбу гайке (рис. 10.7.). Каждый виток резьбы нагружается силами , где z - число витков резьбы гайки.
.
В общем случае не равны между собой, т.е. нагрузка между витками распределяется неравномерно, что особенно опасно при переменных нагрузках:
;
;
…;
.
Обычно на практике гайки имеют 5-6 витков. Т.к. не имеет смысла делать большее количество витков (последние (верхние) витки мало нагружены). Поэтому разрушение винта чаще всего происходит по первому витку.
При расчете винтовой пары принимают, что нагрузка распределена равномерно по всем виткам. Погрешности вычислений компенсируют выбором допускаемых напряжений, т.е. вводят коэффициент запаса.
Для более равномерного распределения нагрузки по виткам резьбы используют специальные гайки (висячие гайки (гайки с кольцевой выточкой)).
Лекция 11.
Резьбовые соединения.
В материал лекции входит: расчет одноболтового соединения при различных случаях нагружения: ненапряженное болтовое соединение; болтовое соединение нагружено силами, сдвигающими детали в стыке; болт с эксцентричной головкой; болт затянут, внешняя нагрузка раскрывает стык деталей.
Классы прочности и материалы резьбовых соединений.
Стальные винты, болты и шпильки изготовляют 12 классов прочности, которые обозначают двумя числами, разделенными точкой: 3.6, 4.6, 4.8, 5.6, 5.8, 6.6, 6.8, 6.9, 8.8, 10.9, 12.9, 14.9. Первое число, умноженное на 100, указывает минимальное значение временного сопротивления в Н/мм; произведение чисел, умноженное на 10, определяет предел текучести в Н/мм (для класса прочности 3.6 значения приблизительные).
При выборе класса прочности (см. таб. 11.1.) для резьбовых деталей учитывают значение и характер нагрузки: например, класс прочности 4.6 рекомендуют для деталей общего назначения; 5.6 для деталей малой нагруженности; 6.6 для деталей средней нагруженности; 12.9 для деталей высокой нагруженности.
Таблица 11.1.
Классы прочности и механические характеристики болтов, винтов и шпилек (выборка)
|
Класс прочности |
Временное сопротивление , Н/мм |
Предел текучести , Н/мм |
Марка стали |
|
|
болта |
гайки |
|||
|
4.6 5.6 6.8 |
400 500 600 |
240 300 360 |
20 30, 35 20, 20кп |
20, Ст3кп3 10, 10кп 15, 15кп |
Материалы резьбовых деталей. Стандартные крепежные резьбовые детали общего назначения изготовляют из низко- и среднеуглеродистых сталей Ст3кп3, 10, 20, 35 и др. Резьбовые детали из этих сталей получают методом холодной штамповки с последующей накаткой резьбы. Легированные стали 40Х, 30ХГСА применяют для весьма ответственных винтов, болтов, шпилек и гаек.
Для повышения коррозионной стойкости резьбовые изделия, подверженные действию воды или других окислительных сред, оксидируют, омедняют или оцинковывают. В некоторых случаях резьбовые детали изготавливают из неметаллических материалов (нейлон, полиамид и др.).
Допускаемые напряжения в болтах при постоянной нагрузке.
Допускаемое напряжение растяжения определяют в зависимости от предела текучести материала и коэффициента безопасности S:
.
Для контролируемой силы затяжки коэффициент безопасности S принимают по таблице 11.2 в зависимости от диаметра d болта.
Расчет резьбы на прочность.
Под действие осевой силы (силы затяжки) в стержне винта возникают напряжения растяжения, в теле гайки сжатия, в витках резьбы смятия, среза.
Чаще всего разрушение винта происходит по первому или второму витку, считая от опорного торца гайки; реже в области сбега резьбы и в подголовочном сечении; для мелких резьб возможен срез витков.
Рис. 11.1.
Определим напряженное состояние элементов резьбы (см. рис. 11.1.):
1). Смятие кольцевой поверхности АВ.
,
где - нагрузка на первый виток; q интенсивность нагрузки;
- площадь до смятия.
;
.
2). Изгиб витка, как консольной балки.
;
;
;
.
3). Срез по цилиндрической поверхности АС.
.
4). Разрыв стержня винта по внутреннему диаметру.
,
где - напряжение разрыва;
А плошадь поперечного сечения.
Резьба должна быть спроектирована таким образом, чтобы все виды разрушения были равновероятны, при этом обеспечивается равнопрочность резьбы по всем параметрам. Равнопрочность резьбы и стержня болта является одним из условий назначения высоты стандартной детали.
Стандартные высоты гаек и глубины завинчивания исключают необходимость расчета на прочность резьбы стандартных крепежных деталей.
Высота гаек:
- стандартных: ;
- высоких: ;
- низких: ,
где d номинальный диаметр резьбы.
Расчет ненапряженного болтового соединения
(стержень болта нагружен только внешней растягивающей силой без предварительной затяжки).

Рис. 11.2.
Примером служит резьбовой участок крюка для подвешивания груза (рис. 11.2.). Расчет ведут в предположении осевого нагружения растягивающей статической нагрузкой . Опасным является сечение, ослабленное резьбой. Площадь этого сечения оценивают приближенно по внутреннему диаметру резьбы .
Условие прочности по напряжениям растяжения в стержне:
;
и расчетный внутренний диаметр резьбы:
,
где А площадь опасного сечения.
Напряженное резьбовое соединение
(расчет винта на совместное действие растяжения и кручения).

Рис. 11.3. Винтовая стяжка.
В результате предварительной затяжки, еще до приложения нагрузки в соединении возникают напряжения и деформации.
Примером таких соединений может служить винтовая стяжка или затянутый болт без внешней нагрузки.
Эквивалентное напряжение в винте (болте) определяется по 4-й теории прочности:
,
где или - напряжение растяжения;
- напряжение от скручивания стержня винта (болта) при затяжке.
Здесь момент сил трения в резьбе под действием осевого усилия или , который вызывает в витках напряжение кручения , влияние которого учитывается коэффициентом 1,3.
Для стандартных резьб при коэффициенте трения :
,
где 1,3 коэффициент, учитывающий влияние моментов трения на витках резьбы.
.
Болтовое соединение нагружено силами, сдвигающими детали в стыке.
Рис. 11.4.
Условием надежности соединения является отсутствие сдвига деталей в стыке. Конструкция может быть выполнена в двух вариантах.
Болт поставлен с зазором (рис. 11.4.). При этом внешнюю нагрузку F уравновешивают силами трения в стыке, которое образуется от затяжки болта. Без затяжки болтов детали могут сдвигаться в пределах зазора, что недопустимо.
или ,
где i число плоскостей стыка деталей, f =0,15-0,2 коэффициент трения в стыке,
K коэффициент запаса (K=1,3-1,5 при статической нагрузке, K=1,8-2 при переменной нагрузке).
Прочность болта оценивают по эквивалентному напряжению:
.
В соединении с зазором внешняя нагрузка не передается на болт, поэтому болт рассчитывают только на статическую прочность по силе затяжки даже при переменной внешней нагрузке. Влияние переменной нагрузки учитывают путем увеличения коэффициента запаса.
Болт поставлен без зазора.
Рис. 11.5.
Такая установка болта в отверстие соединяемых деталей обеспечивает восприятие внешней нагрузки стержнем болта (рис. 11.5.). Стержень болта рассчитывают по напряжениям среза и смятия.
Условие прочности по напряжениям среза:
,
где d номинальный диаметр.
Закон распределения напряжений смятия по цилиндрической поверхности контакта болта и детали трудно установить точно. В значительной степени зависит от точности размеров и формы деталей соединения.
,
.
Из двух величин напряжений в этих формулах расчет прочности выполняют по наибольшей, а допускаемое напряжение определяют по более слабому материалу болта и детали.
Вариант установки болтов с зазором дешевле, чем без зазора, т.к. не требует точных размеров болта и отверстия, однако, условия работы болта, поставленного с зазором, хуже, чем без зазора.
Эффект эксцентричного нагружения болта.
Эксцентричное нагружение болта возникает из-за непараллельности опорных поверхностей детали и гайки или головки болта, например вследствие уклона полки швеллера, погрешностей изготовления деталей, болтов, гаек и т. д. Во всех этих случаях кроме напряжений растяжения в стержне болта появляются напряжения изгиба. Например, для болта на рис. 11.6., а напряжение растяжения в стержне:
,
а напряжения изгиба при больших значениях а, не ограничивающих деформацию болта,
.
Если принять х = d1 , то
.
При малых значениях угла напряжения изгиба определяют с учетом деформации, допускаемой этим углом (рис. 11.6., б):
.
Здесь
Рис. 11.6.
Расчетным напряжением будет меньшее из двух. Приняв за расчетное первое напряжение, получим:
.
Это отношение позволяет отметить, что эксцентричное нагружение может значительно уменьшать прочность болтов.
При разработке и изготовлении конструкции соединений необходимо принимать все меры, устраняющие эксцентричное нагружение (например, подкладывать под гайку косую шайбу и т. п.).
Болт затянут, внешняя нагрузка раскрывает стык деталей.
Примером служат болты для крепления крышек резервуаров, нагруженных давлением р жидкости или газа (рис. 11.7.).
Рис. 11.7.
Fзат - сила затяжки болта; р удельное давление жидкости или газа; результирующая всех давлений р; - внешняя нагрузка соединения, приходящаяся на один болт (z - число болтов).
Затяжка болтов должна обеспечить герметичность соединения или нераскрытие стыка под нагрузкой.
Задача о распределении нагрузки между элементами такого соединения статически неопределима и решается с учетом совместной деформации болтов и деталей стыка.
После приложения внешней нагрузки к затянутому соединению болт дополнительно растянется на некоторую величину , а деформация сжатия деталей уменьшится на ту же величину.
Если обозначим коэффициент внешней нагрузки (учитывает приращение нагрузки болта в долях от силы F, ()), то дополнительная нагрузка болта равна , а уменьшение затяжки стыка - . Величину коэффициента определяют по условию равенства деформаций болта и деталей, возникающих после приложения внешней нагрузки.
,
где - податливость болта, равная его удлинению единичной нагрузке; - суммарная податливость соединяемых деталей.
Из предыдущего равенства имеем:
.
Далее получим приращение нагрузки на болт:
расчетную (суммарную) нагрузку болта:
и остаточную затяжку стыка от одного болта:
.
При больших сдвигающих нагрузках применяют также специальные разгрузочные устройства (рис. 12.7.): штифты (а), втулки (б), шпонки (в), упоры (г) и т. п. В таких конструкциях болты, поставленные с зазором, воспринимают только нагрузки, раскрывающие стык деталей.
Рис. 12.7.
Обозначение стандартизированной резьбы.
Метрическая резьба (ГОСТ 9150-81):
В условное обозначение входит буква М, значение наружного диаметра (мм), поле допуска, а также значение шага (для резьб с мелким шагом) и длина свинчивания (мм), если она отличается от нормальной.
Обозначение поля допуска резьб состоит из обозначения поля допуска среднего диаметра, помещаемого на первом месте, и обозначения поля допуска диаметра выступов. Если поле допуска диаметра выступов совпадает с полем допуска среднего диаметра, то его в обозначении поля допуска резьбы не повторяют.
Наибольшее распространение имеют поля допусков: для наружной резьбы 6д и 8д, для внутренней 6Н и 7Н.
Примеры условного обозначения резьбы:
- наружный диаметр 12 мм, с крупным шагом, с полем допуска 6д: М12-6д;
- внутренний диаметр 12 мм, с шагом 1 мм, с полем допуска 6Н, левой (обозначается LH), с длиной свинчивания 11 мм: М12х1LH-6Н-11;
- внутренний диаметр 12 мм, с крупным шагом, с полем допуска среднего диаметра 5Н и полем допуска внутреннего диаметра 6Н: М12-5Н6Н.
Трапецеидальная резьба (ГОСТ 9484-81 и ГОСТ 24739-81):
В обозначение входят буквы Tr, наружный диаметр (мм), шаг (мм) и поле допуска.
В тех случаях, когда поле допуска наружного (внутреннего) диаметра отлично от поля допуска среднего диаметра, то его дополнительно указывают в обозначении поля допуска резьбы. Для многозаходных резьб в скобках проставляют условное обозначение шага буква Р и значение шага (мм).
Примеры условного обозначения резьбы:
- номинальный диаметр 40 мм, однозаходная с шагом 6 мм, наружной: Tr40х6-7е;
- номинальный диаметр 40 мм, трехзаходная с шагом 6 мм, внутренней, левой, со значением хода 18 мм: Tr40х18(Р6)LH-8H.
Трубная цилиндрическая резьба (ГОСТ 6357-81):
В условное обозначение входит буква G, номинальный диаметр резьбы (дюймы) и класс точности среднего диаметра. Для трубной цилиндрической резьбы установлены два класса точности А и В.
Пример условного обозначения трубной цилиндрической резьбы с размером резьбы 1 класса точности А, левой: G1LH-A.
Упорная резьба (ГОСТ 10177-82):
В условное обозначение входит буква S, значения (мм) номинального диаметра и шага, буквы LH для левой резьбы, значения хода для многозаходной резьбы.
Основные отклонения: для наружной резьбы h, для внутренней AZ.
Примеры условного обозначения упорной резьбы:
- номинальный диаметр 80 мм, шаг 16 мм, наружной с полем допуска 7h: S80х16-7h;
- номинальный диаметр 80 мм, шаг 16 мм, наружной с полем допуска 7h, двухзаходной со значением хода 20 мм, левой S80х20(Р16)LH-7h;
- номинальный диаметр 80 мм, шаг 16 мм, наружной с полем допуска 7AZ и длиной свинчивания, отличной от нормальной 250 мм: S80х16-7AZ-250.
Лекция 10.
Механические передачи.
В материал лекции входит: общие сведения о механических передачах; зубчатые передачи; их достоинства и недостатки, классификация и область применения; материалы зубчатых передач; геометрия прямозубых цилиндрических колес.
10.1. Общие сведения о механических передачах.

Большинство современных машин создается по схеме двигатель - передача - рабочий орган машины (рис. 10.1.). Все двигатели для уменьшения массы, габаритов и стоимости выполняют быстроходными (рабочие же органы машины для выполнения своих функций часто требуют относительно малых угловых скоростей).
Непосредственное соединение двигателя с рабочим органом машины применяется крайне редко (например, гидравлические насосы, вентиляторы). Как правило, между двигателем и рабочим органом машины устанавливают промежуточный механизм - передачу.
Передача - это механизм, служащий для передачи механической энергии на расстоянии. Передавая механическую энергию, передачи могут выполнять следующие функции:
- понижать (или повышать) частоты вращения от вала электродвигателя к валу исполнительного органа с увеличением (или уменьшением) вращающего момента;
- изменять направление потока мощности (для передачи механической энергии между валами с пересекающимися осями);
- преобразовывать один вид движения в другой (например, вращательное в поступательное и т.д.);
- реверсировать движение (т.е. изменять направление движения рабочего органа машины при постоянной угловой скорости двигателя - прямой и обратный ход);
- распределять энергию двигателя между несколькими исполнительными органами машины (часто встречается в металлорежущих станках).
Классификация механических передач.
1). По принципу действия различают:
- передачи за счет сил трения (фрикционные и ременные);
- передачи зацеплением (зубчатые, винтовые, червячные, цепные).
2). По способу соединения ведущего и ведомого звеньев различают:
- передачи непосредственного контакта (зубчатые, червячные, фрикционные);
- передачи гибкой связью (цепные и ременные).
3). По характеру изменения скорости различают:
- понижающие передачи (редукторы);
- повышающие передачи (мультипликаторы).

Основные кинематические и силовые соотношения в передачах.
Во всех механических передачах различают два звена (см. рис. 10.2):
- входное (или ведущее) с параметрами (параметры и размеры ведущего звена имеют индекс “1”);
- выходное (или ведомое) с параметрами (параметры и размеры ведомого звена имеют индекс “2”).
Особенности каждой механической передачи и ее применение определяют следующие основные характеристики:
- мощность и вращающие моменты на ведущем и ведомом валах в кВт и кН/м соответственно:
и ,
где - окружная сила, Н; - окружная скорость, м/с; - угловая скорость, .
Вращающий момент ведущего вала является моментом движущих сил, его направление совпадает с направлением вращения вала. Момент ведомого вала - момент сил сопротивления, поэтому его направление противоположно направлению вращения вала.
- частота вращения и угловая скорость ведущего и ведомого валов в об/мин и соответственно.
Основные характеристики необходимы для выполнения проектного расчета (т. е. для определения геометрических размеров) любой передачи.
Дополнительными характеристиками являются:
- КПД передачи:
,
где и мощности на ведущем и ведомом валах соответственно, кВт.
КПД характеризует потери мощности в передаче. Для многоступенчатой передачи, состоящей из нескольких отдельных последовательно соединенных передач, общий КПД:
,
где - КПД каждой передачи (зубчатой, червячной, ременной и др.) или кинематической пары (подшипников, муфты).
- окружная скорость ведущего или ведомого звена, м/с:
,
где - угловая скорость, ; - частота вращения, об/мин; - диаметр, мм (колеса, шкива и др.). Окружные скорости обоих звеньев передачи при отсутствии скольжения равны.
- окружная сила, кН:
.
- передаточное число и передаточное отношение :
и .
В передаче, понижающей частоту вращения (угловую скорость ), ; при частота вращения (угловая скорость) повышается, т.е. понижающая и повышающая передача соответственно.
Для многоступенчатой передачи общее передаточное отношение и общее передаточное число определяют по формулам:
,
где и - передаточные отношения и передаточные числа ступеней передачи соответственно.
10.2. Зубатые передачи.
10.2.1. Общие сведения о зубчатых передачах.
Зубчатая передача - это механизм, который с помощью зацепления передает или преобразует движение с изменением скоростей и моментов (по величине и направлению).
Меньшее зубчатое колесо передачи называется шестерней, большее - колесом.
Классификация зубчатых передач.
1). В зависимости от взаимного расположения зубчатых колес различают передачи:
- с внешним зацеплением;
- с внутренним зацеплением.
Передачи с внутренним зацеплением компактнее передач с внешним зацеплением, но их изготовление и монтаж сложнее (значительную трудность представляет финишная обработка профилей зубьев колеса), поэтому более распространены передачи с внешним зацеплением.
2). По форме зубчатых колес различают:
- цилиндрические передачи;
- конические передачи;
- эллиптические передачи;
- фигурные передачи.
Наиболее широко распространены зубчатые колеса круглой формы, т.е. цилиндрические и конические (особенно цилиндрические); остальные зубчатые колеса встречаются крайне редко.
3). По форме и расположению зубьев на поверхности колеса различают:
- передачи с прямым зубом (прямозубые);
- передачи с косым зубом (косозубые);
- шевронные передачи;
- передачи с арочным (круговым) зубом.
Прямозубыми называют передачи, у которых зубья расположены параллельно осям колес, косозубыми - передачи, у которых зубья наклонены под углом () к образующей делительного цилиндра при параллельных осях колес.
4). По взаимному расположению геометрических осей валов различают передачи:
- с параллельными осями (цилиндрические);
- с пересекающимися осями (конические);
- с перекрещивающимися осями (винтовые и гипоидные).
Цилиндрические зубчатые передачи могут быть прямозубыми, косозубыми, шевронными и с круговым зубом; конические зубчатые передачи - прямозубыми, косозубыми и с круговым зубом. Винтовые передачи состоят из двух цилиндрических косозубых колес; гипоидные передачи - из двух конических косозубых или с круговым зубом колес.
5). По величине окружной скорости различают:
- тихоходные зубчатые передачи (окружная скорость м/с);
- скоростные зубчатые передачи (окружная скорость м/с);
- быстроходные зубчатые передачи (окружная скорость м/с).
Некоторые зубчатые передачи работают со скоростями до 150 м/с.
6). По конструктивному исполнению различают:
- закрытые зубчатые передачи;
- открытые зубчатые передачи.
В открытых передач зубья колес работают всухую или периодически смазываются пластичным смазочным материалом и не защищены от влияния внешней среды. Закрытые передачи помещаются в пыле- и влагозащитные корпуса (картеры) и работают в масляной ванне (например, редукторы).
7). В зависимости от числа ступеней зубчатые передачи бывают:
- одноступенчатые;
- многоступенчатые (т.е. включающие две и более последовательно расположенных зубчатых передачи (ступени), например, первая ступень может быть цилиндрической прямозубой, а вторая - конической косозубой и т.д.).
8). В зависимости от относительного движения валов различают:
- рядовые передачи (оси передачи не перемещаются в пространстве);
- планетарные передачи (оси передачи перемещаются в пространстве).
Зубчатые передачи наиболее распространены среди механических передач. Их применяют в широком диапазоне нагрузок: от часовых механизмов и приборов до тяжелых машин для передачи различных вращающих моментов (до ) и мощностей (до 50 МВт) с диаметрами колес от долей миллиметра до 10 м и более.
Достоинства зубчатых передач (по сравнению с другими механическими передачами):
- малые габариты;
- высокий КПД (до 97-98%);
- высокая долговечность и надежность в работе (в том числе и при больших нагрузках);
- постоянство передаточного отношения (из-за отсутствия проскальзывания);
- сравнительно малые нагрузки на валы и опоры;
- простота обслуживания.
Недостатки зубчатых передач:
- повышенные требования к точности изготовления и монтажа;
- шум в работе при больших скоростях;
- высокая жесткость (не позволяет компенсировать динамические нагрузки).
Материалы зубчатых колес.
Выбор материала зубчатых колес зависит от:
- назначения передачи;
- передаваемой мощности;
- окружной скорости;
- точности изготовления.
Основными материалами зубчатых колес служат термически обрабатываемые стали, так как они по сравнению с другими материалами лучше обеспечивают контактную прочность и прочность зубьев на изгиб.
В зависимости от твердости рабочих поверхностей зубьев различают стальные зубчатые колеса:
1). твердостью . Чистовое нарезание зубьев производят после термообработки (нормализации, улучшения). При этом получают довольно высокую точность изготовления зубьев без применения отделочных операций (шлифовки, притирки и т.д.). Стальные зубья твердостью хорошо прирабатываются и воспринимают динамические нагрузки. Для выравнивания долговечности колес и лучшей прирабатываемости твердость зубьев шестерни принимают больше твердости зубьев колеса:
- для прямозубых передач
- для косозубых передач ,
где твердость зубьев шестерни по Бринеллю; - твердость зубьев колеса.
Зубчатые колеса твердостью применяют в мало- и средненагруженных передачах, а также в передачах с большими колесами, термическая обработка которых затруднена (в основном в мелкосерийном и единичном производстве).
Зубчатые колеса обычно изготавливают из качественных углеродистых сталей 35, 40, 45, 50 и легированных сталей 35Х, 40Х, 40ХН и др.
2). твердостью (в этом случае используют шкалу Роквелла , ). Стальные зубья твердостью плохо прирабатываются и нуждаются в высокой точности изготовления. Нарезание зубьев производят до термической обработки (вследствие высокой твердости заготовок после ТО (закалки ТВЧ, цементирования, азотирования, нитроцементации)). Причем некоторые виды термообработки вызывают коробление зубьев, поэтому для исправления формы зубьев применяют отделочные операции. При твердости колес не требуется обеспечивать разность твердости рабочих поверхностей зубьев шестерни и колеса.
С увеличением твердости рабочей поверхности зубьев допускаемые напряжения увеличиваются раза (например, для стали 40ХН МПа и МПа - до и после термообработки соответственно), а нагрузочная способность - в раза.
Зубчатые колеса твердостью применяют средне- и тяжелонагруженных передачах при больших окружных скоростях (в основном в крупносерийном и массовом производстве).
Зубчатые колеса твердостью обычно изготавливают из средне- и малоуглеродистых легированных сталей 40Х, 40ХН, 12ХН3А, 15Х, 18ХГТ, 38Х2МЮА и др.
Помимо сталей зубчатые колеса выполняют из чугунов и пластмасс.
Чугуны в основном применяют для изготовления крупногабаритных зубчатых колес тихоходных открытых передач (т.к. чугунные зубья могут работать при бедной смазке и хорошо сопротивляются заеданию). Основные недостатки чугунов - малые допускаемые напряжения и низкая прочность при ударных нагрузках. Чугунные колеса изготавливают из серого и модифицированного чугуна марок СЧ21, СЧ24, СЧ25, СЧ30, СЧ35.
Пластмассы (текстолит, капролон, нейлон и др.) применяют в быстроходных малонагруженных передачах, в приборах и небольших силовых установках (часто в паре с металлическими колесами). Пластмассовые зубчатые колеса (по сравнению с металлическими) хорошо воспринимают переменные нагрузки (амортизируют удары, гасят механические вибрации) и, следовательно, обеспечивают бесшумность работы передачи, имеют более низкий износ зубьев.
10.2.2. Геометрия прямозубых цилиндрических колес.
Профили зубьев зубчатых колес выполнены по эвольвенте. Эвольвента (кривая BC на рис. 10.4) - это кривая, описываемая точкой отрезка, перекатываемого без скольжения по окружности; эту окружность называют основной. Эвольвентный профиль обеспечивает постоянство передаточного отношения передачи, 
высокую прочность и долговечность зубьев колес, относительно малое скольжение на рабочих поверхностях зубьев и, следовательно, высокий КПД. Благодаря этим свойствам колеса с зубьями эвольвентного профиля получили широкое применение в машиностроении.
Геометрия и основные параметры зубчатого зацепления цилиндрических прямозубых колес (нарезанных без смещения режущего инструмента) показаны на рис. 10.5:
и - диаметры окружностей выступов зубьев;
и - диаметры окружностей впадин зубьев;
и - диаметры делительных окружностей шестерни и колеса (на делительном диаметре толщина зуба равна ширине впадины, а их сумма - окружному делительному шагу);
и - диаметры начальных окружностей шестерни и колеса (начальные окружности перекатываются одна по другой без скольжения). Для зубчатых колес, нарезанных без смещения, и ;
и - диаметры основных окружностей шестерни и колеса;
- высота зуба, где - высота головки зуба; - высота ножки зуба (причем, обычно , );
- угол зацепления стандартизован и равен (угол между линией зацепления и прямой, перпендикулярной межосевой линии);
- активная линия зацепления (траектория общей точки контакта сопряженных зубьев при ее движении);

Рис. 10.6.
- угол наклона зубьев (угол между плоскостью, проходящей через ось зубчатого колеса и боковой поверхностью зуба), см. рис. 10.6, б и в. Угол наклона:
- для косых зубьев ;
- для шевронных зубьев .
- окружной шаг зубьев (расстояние между одноименными профилями (точками) соседних зубьев по дуге концентрической окружности (делительной, начальной и т.д.) зубчатого колеса), см. рис. 10.6, а, б, в;
- нормальный шаг зубьев (косых, шевронных и арочных); кратчайшее расстояние (по нормали к профилю зуба) по одной из соосных поверхностей (делительной, начальной и т.д.) зубчатого колеса, см. рис. 10.6, б и в:
.
У прямозубых колес (рис. 10.6, а).
- радиальный зазор между головкой и впадиной зубьев сопряженного колеса;
- межосевое расстояние, мм:
.
Знак минус подставляют для внутреннего зацепления.
При работе передачи в зацеплении находится одновременно одна или несколько пар зубьев. Количественной оценкой многопарности зацепления является коэффициент торцевого перекрытия:
,
где - длина активной линии зацепления (). Например, если коэффициент торцевого перекрытия , то это значит, что времени работы передачи в зацеплении находится одна пара зубьев, а времени работы передачи - две пары зубьев.
На практике для расчета пользуются приближенной формулой:
.
В прямозубых передачах коэффициент торцевого перекрытия (обычно ), в косозубых, шевронных и с круговым зубом - . С увеличением коэффициента перекрытия повышается плавность зацепления зубьев, уменьшаются динамические нагрузки на них и снижается шум, возникающий при работе передачи. Поэтому в быстроходных и высоконагруженных передачах вместо прямых зубьев применяют косые, шевронные и арочные зубья.
Для прямозубых колес длина окружности делительного диаметра связана с числом зубьев и шагом :
,
где - окружной модуль зубьев. Тогда для косых, шевронных и арочных зубьев модуль определяется также в нормальном направлении и называется нормальным модулем:
.
Для прямых зубьев .
Так как делительная окружность является базовой при определении размеров зубьев, то размеры зубьев цилиндрических зубчатых колес вычисляют по делительному нормальному модулю, который называют модулем зацепления . Модуль зацепления - основная характеристика размеров зубчатых и червячных колес. Модули стандартизованы в диапазоне мм (ГОСТ 9563-60).
10.2.3. Особенности геометрии цилиндрических косозубых и шевронных колес.
Зубья косозубых и шевронных колес нарезают тем же инструментом, что и зубья прямозубых колес. Наклон зубьев получают поворотом режущего инструмента на угол , рис. 10.6, б и в.
Профиль косого зуба в нормальном сечении () соответствует исходному профилю режущего инструмента (инструментальной рейки), следовательно, , как и в прямозубом колесе.
Делительный диаметр и межосевое расстояние для косозубых колес определяют по формулам:
.
Достоинство косозубых передач (по сравнению с прямозубыми):
- бльшая нагрузочная способность передачи при одинаковых габаритах (благодаря бльшей длине контактных линий);
- меньшие габариты передачи при тех же нагрузках;
- плавность работы и меньший шум, лучшее восприятие динамических нагрузок (благодаря бльшему коэффициенту торцевого перекрытия ).
Основным недостатком косозубых передач является возникновение осевой силы, дополнительно нагружающей опоры и валы.
При расчетах зуба на прочность используют сечение, нормальное к направлению зуба.
10.3. Точность зубчатых передач.
При изготовлении зубчатых колес неизбежны погрешности (например, отклонения шага, профиля и направления зуба; перекос осей колес и др.), которые приводят к повышенному шуму при работе, потере точности передачи и дополнительным динамическим нагрузкам.
Точность зубчатых колес регламентируется ГОСТом 1643-81, предусматривающим 12 степеней точности в порядке их убывания от 1 до 12. В машиностроении наиболее часто применяют 6 и 7 (в быстроходных передачах), 8 и 9-ю (в тихоходных передачах) степени точности. Выбор степени точности производят в зависимости от окружной скорости колес . С ростом точности зубчатых колес существенно возрастает стоимость их изготовления.
Для каждой степени точности установлены четыре нормы:
- норма кинематической точности - характеризует погрешность углов поворота колес за один оборот (погрешность может быть связана с отклонениями шага и профиля при изготовлении колес).
- норма плавности работы - характеризует колебания угловой скорости за один оборот колеса (колебания вызывают дополнительные нагрузки и шум).
- норма контакта зубьев -
13.2. Ременные передачи.
Ременная передача - передача трением с гибкой связью. Передача состоит из двух шкивов: ведущего 1 и ведомого 2, закрепленных на валах, и ремня, надетого на шкивы с предварительным натяжением (см. рис.13.3.), Нагрузка передается силами трения, возникающими между шкивами и ремнем.

Рис.13.3.
Мощность, передаваемая ременной передачей, обычно до 50 кВт, хотя может достигать 2000 кВт и больше. Скорость ремня м/с, а высокоскоростных передачах до 100 м/с и выше. Ограничение мощности и минимальной скорости вызвано большими габаритами передачи. Верхний предел скоростей ограничивается ухудшением условий работы ремней в связи с ростом действующих на них центробежных сил, нагревом, образованием воздушных подушек между ремнем и шкивами и отсюда резким понижением долговечности и КПД передач.
Достоинства ременных передач:
- простота конструкции, эксплуатации и малая стоимость;
- возможность передачи движения на значительные расстояния;
- возможность работы с высокими частотами вращения;
- плавность и бесшумность работы вследствие эластичности ремня;
- смягчение вибраций и толчков вследствие упругости ремня;
- предохранение механизмов от перегрузок вследствие возможного проскальзывания ремня (к передачам с зубчатым ремнем это свойство не относится).
Недостатки ременных передач:
- большие радиальные размеры, в особенности при передаче значительных мощностей;
- малая долговечность ремня в быстроходных передачах (1000…5000 часов);
- большие нагрузки на валы и подшипники от натяжения ремня, необходимость устройств для натяжения ремня;
- непостоянное передаточное число вследствие неизбежного упругого скольжения ремня;
- чувствительность нагрузочной способности к наличию паров влаги и нефтепродуктов.
Области применения ременных передач:
Ременные передачи применяют в приводах для передачи движения от электродвигателя, когда по конструктивным соображениям межосевое расстояние должно быть достаточно большим, а передаточное число может быть не строго постоянным (приводы металлорежущих станков, конвейеров, транспортных, дорожных, строительных и сельскохозяйственных машин и др.).
Классификация ременных передач.

Рис. 13.4.
1). В зависимости от формы поперечного сечения ремня бывают передачи:
- плоскоременные (рис. 13.4., а, б);
- клиноременные (рис. 13.4., в, г);
- поликлиноременные (рис. 13.4., д);
- круглоременные (рис. 13.4., е);
- зубчатоременные.
2). В зависимости от скорости ремня передачи могут быть:
- тихоходные ( до 10 м/с);
- среднескоростные ( до 30 м/с);
- быстроходные ( до 50 м/с);
- сверхбыстроходные ( до 100 м/с).
3). В зависимости от схемы передачи бывают:
Рис. 13.5.
- открытые (применяются при параллельном расположении валов и одинаковом направлении вращения шкивов (рис. 13.5., а));
- перекрестные (применяются при разном направлении вращения шкивов, в такой передачи ветви ремня перекрещиваются (рис. 13.5., б));
- полуперекрестные (применяются, когда оси валов перекрещиваются под некоторым углом (рис. 13.5., в));
- угловые (применяются, когда оси валов пересекаются под некоторым углом (рис. 13.5., г));
- регулируемые (применяются в тех случаях, когда требуется регулировка передаточного отношения (рис. 13.5., д));
- с натяжным роликом (применяются при малых межосевых расстояниях и больших передаточных отношениях; автоматически обеспечивается натяжение ремня (рис. 13.5., е)).
Детали ременных передач.
Приводные ремни.
Приводные ремни должны обладать достаточными прочностью, гибкостью, износостойкостью и высоким коэффициентом трения со шкивами. Основные типы приводных ремней плоские, клиновые и поликлиновые.
Плоские ремни (рис. 13.4., а, б).
В машиностроении применяют следующие типы плоских ремней:
- кожаные ремни обладают хорошей тяговой способностью и высокой долговечностью, хорошо переносят колебания нагрузки. Однако, высокая стоимость значительно ограничивает их применение.
- прорезиненные ремни состоят из нескольких слоев хлопчатобумажной ткани, связанных между собой вулканизированной резиной. Ремни прочные, эластичные, малочувствительные к влаге и колебаниям температуры. Их в основном применяют при скорости ремня 30 м/с. Прорезиненные ремни следует оберегать от попадания масла, бензина и щелочей, которые разрушают резину.
- хлопчатобумажные ремни изготовляют как цельную ткань с несколькими слоями основы и утка, пропитанными специальным составом (битум, озокерит). Работают на шкивах сравнительно малых диаметров с большими скоростями. Тяговая способность и долговечность у этих ремней меньше, чем у прорезиненных.
- шерстяные ремни ткань с многослойной шерстяной основой и хлопчатобумажным утком, пропитанная специальным составом (сурик на олифе). Работают при резких колебаниях нагрузки и при малых диаметрах шкивов. Такие ремни менее чувствительны к температуре, влажности и кислотам, однако их тяговые свойства ниже, чем у других типов ремней.
- пленочные ремни ремни из пластмасс на основе полиамидных смол. Армированных кордом из капрона или лавсана. Эти ремни обладают высокими статической прочностью и сопротивлением усталости. Применяются для передач мощностью до 15 кВт при скорости ремня 50...100 м/с .
Клиновые ремни.
Клиновые ремни (рис. 13.4., в, г) имеют трапециевидное сечение с боковыми рабочими сторонами, соприкасающимися с канавками на шкивах и обладают повышенным сцеплением со шкивами.
Такие ремни при том же натяжении обеспечивают в раза большую силу трения по сравнению с плоскими. Это позволяет при одинаковой передаваемой мощности получить передачу с меньшим натяжением ремня и меньшими габаритами.

Рис. 13.6.
Клиновые ремни состоят (см. рис. 13.6.) из корда - 3, оберточного тканевого слоя - 1 и слоев резины (слой растяжения - 2 и сжатия - 4), свулканизованных в одно изделие. Корд является тяговым элементом ремня, он выполняется из нескольких рядов прорезиненной ткани. Клиновые нормальные ремни это ремни общего назначения, их выпускают семи сечений: 0(Z) *, А (А), Б (В), В (С), Г(D), Д(Е) и Е, отличающихся размерами. Сечение ремня выбирают в зависимости от передаваемой мощности Р1 и частоты вращения п1 малого шкива. Сечение ремней 0(Z) применяют для передаваемых мощностей до 2 кВт, а сечение Е свыше 200 кВт. Недостатком ремней является их большая высота, что приводит к значительной деформации сечения при изгибе и к неравномерному распределению нормальных давлений в зоне контакта ремня со шкивами, что снижает их КПД и долговечность.
Клиновые узкие ремни (ТУ 38-4053475) являются развитием ремней нормальных сечений. Применяются при 40 м/с. Их выпускают четырех сечений: УО, УА, УБ, УВ. Меньшая ширина ремня способствует более равномерному распределению нагрузки по нитям высокопрочного корда. Поэтому тяговая способность и долговечность их выше, чем у нормальных ремней, и при ровной площади сечения они передают примерно в два раза большую мощность, что обусловило их наибольшее распространение в современных машинах.
В клиноременной передаче может быть один ремень или комплект ремней. Комплектом считают два (или более) ремня, предназначенных для одновременной работы в передаче. Рекомендуется максимальное число ремней z 8. При большом числе ремней трудно обеспечить равномерность их нагружения.
Поликлиновые ремни.
Поликлиновые ремни (рис. 13.4., д) - это бесконечные плоские ремни с продольными выступами-ребрами на внутренней поверхности. Применяются при 40 м/с. Их выпускают трех сечений: K(J); Л(L); М(М) длиной 400...4000мм и с числом ребер z = 2... 36 для сечения К и z = 4...20 для сечений Л и М. Сечение ремня выбирают в зависимости от передаваемой мощности Р1, частоты вращения п1 и диаметра d1, малого шкива. Поликлиновые ремни сочетают достоинства плоских ремней (монолитность и гибкость) и клиновых (повышенная тяговая способность). Эти ремни тоньше клиновых, а ширина их примерно в 1,5 раза меньше, чем комплекта клиновых ремней ровной тяговой способности. Это объясняется более равномерным распределением нагрузки по рабочим поверхностям ремня, чего трудно добиться при большом числе параллельно работающих клиновых ремней. Они обеспечивают большее постоянство передаточного числа, обладают повышенной плавностью при большой скорости и малыми габаритами. Передачи поликлиновыми ремнями являются развитием клиновых передач.
Шкивы.
Форма рабочей поверхности обода шкива определяется видом ремня. Для плоских ремней шкивы имеют гладкую рабочую поверхность обода. Для центрирования ремня поверхность ведомого шкива делается выпуклой (рис. 13.7., а), а ведущего цилиндрической.
Для клиновых ремней (рис. 13.7., б) конструкция шкива и размеры обода зависят от числа и размеров канавок для ремней. Число и сечение ремней определяют расчетом. При огибании шкива угол клина ремня по сравнению с исходным (0 = 40°) уменьшается; изменение угла тем больше, чем меньше диаметр шкива. Для обеспечения правильного контакта ремня со шкивом угол канавки выбирают в зависимости от диаметра шкива. По стандарту канавки выполняют с углом =34...40°. Конструкция шкива для поликлиновых ремней показана на рис. 13.7., в, а для круглых ремней на рис. 13.7., г.

Рис. 13.7.
Диаметры шкивов плоскоременных передач по ГОСТ 1738373 (выборка) и клиноременных по ГОСТ 2089875 (выборка) d (мм): 63, 71, 80, 90, 100, 112, 125, 140, 160, 180, 200, 224, 250, 280, 315, 355, 400, 450, 500, 560, 630, 710, 800...4000. Диаметры шкивов следует брать возможно большими (если позволяют габариты), это повышает долговечность, КПД и тяговую способность передачи.
Материалы и способ изготовления шкивов зависят от максимальной скорости ремня. При до 30 м/с применяют литые шкивы из чугуна; при до 60 м/с применяют стальные литые или сварные шкивы. В быстроходных передачах рекомендуется применять шкивы из алюминиевых сплавов. Шкивы из пластмасс применяют для уменьшения массы. Они экономичны при массовом производстве и не требуют механической обработки. Шкивы из текстолита допускают до 25 м/с.
Натяжные устройства.
Натяжные устройства в ременных передачах позволяют свободно надевать новые ремни на шкивы, создавать предварительное натяжение и периодически восстанавливать его или непрерывно поддерживать по мере вытягивания ремней в процессе эксплуатации (за счет создания силы трения между ремнем и шкивом). Наиболее простым и распространенным способом натяжения ремней является перемещение одного из шкивов.
Рис. 13.8.
Обычно этот способ используют для передачи движения от электродвигателя, который устанавливают в салазках плиты устройство периодического действия (рис.13.8., а) или на качающейся плите устройство постоянного действия (рис. 13.8., б), где натяжение создается силой тяжести качающейся части. На практике большинство передач работает с переменным режимом нагрузки, поэтому ремни с постоянным предварительным натяжением в период недогрузок оказываются излишне натянутыми, что ведет к резкому снижению долговечности. В этом случае целесообразно применять автоматическое натяжение ремня; при котором оно меняется в зависимости от нагрузки в результате действия реактивного момента, возникающего на статоре двигателя (рис. 13.8., в).
Геометрические зависимости.
Межосевое расстояние а ременной передачи определяет в основном конструкция привода машины. Рекомендуют:
для передач плоским ремнем
;
для передач клиновым и поликлиновым ремнем
,
где и - диаметры шкивов; - высота сечения ремня.

Рис. 13.9.
Расчетная длина ремня равна сумме длин прямолинейных участков и дуг обхвата шкивов:
.
По найденному значению из стандартного ряда выбирают ближайшую большую расчетную длину ремня . При соединении концов длину ремня увеличивают на 30…200 мм.
Межосевое расстояние при окончательно установленной длине ремня :
.
Угол обхвата ремнем малого шкива:
.
Из треугольника (см. рис. 13.9.)
.
Практически не превышает , поэтому приближенно принимают рад, тогда
рад или .
Следовательно,
.
Для передачи плоским ремнем рекомендуют , клиновым или поликлиновым .
Силы в передаче.
Рис. 13.10.
В ременных передачах полезная нагрузка передается силами трения (между ремнем и шкивом), создаваемыми предварительным натяжением ремня силой . В состоянии покоя и при холостом ходе каждая ветвь ремня натянута одинаково с силой (рис. 13.10., а). При рабочем ходе, т. е. при передаче вращающего момента , происходит перераспределение натяжений в ветвях ремня: натяжение в ведущей ветви увеличивается до , а в ведомой уменьшается до (рис. 13.10., б). Из условия равновесия шкива имеем:
,
или
,
где - окружная сила, передаваемая ремнем, кН.
При работе передачи без учета центробежных сил геометрическая длина ремня остается неизменной, так как дополнительное удлинение ведущей ветви компенсируется равным сокращением ведомой ветви. Поэтому сумма натяжений ветвей под нагрузкой и на холостом ходу остается постоянной:
.
Получим:
; .
При обегании ремнем шкивов на него действуют центробежная сила:
,
где А площадь сечения ремня, мм; - плотность материала, кг/м; v - скорость ремня, м/с.
Эти уравнения устанавливают изменение натяжений F1 и F2 в зависимости от сил Ft и F0, но не вскрывают тяговой способности передачи, которая связана силой трения между ремнем и шкивом. Эта связь без учета центробежных сил установлена уравнением Эйлера:
где е основание натурального логарифма; f - коэффициент трения (для резинотканевых ремней f 0,35); с - угол скольжения (для гарантий от пробуксовки принимают с0,7 1). Формула показывает, что отношение F1/F2, а, следовательно, и сила Ft зависят от угла скольжения и коэффициента трения (выгодно увеличивать оба параметра).
При обегании ремнем шкивов в ремне возникает дополнительная сила натяжения от действия центробежных сил:
,
где - плотность материала ремня, кг/м; А - площадь поперечного сечения ремня, м. Сила ослабляет полезное действие предварительного натяжения F0. Она отбрасывает ремень от шкива и тем самым понижает тяговую способность передачи. Однако влияние силы , на работоспособность передачи существенно сказывается только при м/с.
Таким образом, натяжение в ведущей и ведомой ветвях ремня при работе:
,
и для холостого хода .
Ветвь ремня, набегающую на ведущий шкив, называют ведущей, а ветвь ремня, сбегающую с него, - ведомой.
Нагрузка на валы и подшипники. Силы натяжения ветвей ремня нагружают валы и подшипники. Из треугольника Oab (см. рис. 13.11.) равнодействующая сила:
,
где - угол обхвата.

Рис. 13.11.
Направление силы принимают по линии центров шкивов передачи. Обычно в 2…3 раза больше окружной силы , что является серьезным недостатком ременных передач.
Скольжение ремня и передаточное число.
В ременной передаче различают два вида скольжения: упругое при нормальной работе передачи и буксование при перегрузке. Рассмотрим причины их возникновения.
Натяжения ветвей ремня F1 и F2 неодинаковы. При огибании ремнем ведущего шкива натяжение его падает от F1 до F2 (см. рис. 13.12.). Ремень укорачивается и скользит по шкиву в направлении, обратном его вращению, т. е. ремень отстает от шкива, так как его скорость оказывается меньше скорости шкива. На ведомом шкиве натяжение ремня возрастает от F2 до F1. Ремень удлиняется, что также приводит к его скольжению (ремень опережает шкив). Такое скольжение ремня называют упругим.
Рис. 13.12.
Упругое скольжение происходит не по всей дуге обхвата 1, а по дуге с1 называемой дугой скольжения. Дуга скольжения располагается со стороны сбегания ремня со шкива. Со стороны набегания ремень имеет дугу покоя 1, с1, по которой он движется вместе со шкивом без скольжения, имея наибольшую нагрузку. При холостом ходе упругое скольжение и дуга скольжения равны нулю. По мере роста полезной нагрузки (силы Ft) дуга скольжения растет, когда с1= 1 наступает буксование передачи. При буксовании полезная нагрузка не может быть передана, т. е. тяговая способность ремня исчезает. Таким образом, упругое скольжение не является постоянной величиной, а зависит от значения нагрузки.
Упругое скольжение ремня - это нормальное и закономерное явление для любой ременной передачи. Оно возникает в результате разности натяжения ведущей неведомой ветвей и является причиной непостоянства передаточного числа и снижения скорости ремня. При этом потеря скорости (1 2) происходит только на ведущем шкиве, где направление скольжения, показанное мелкими стрелками на дуге с1, не совпадает с направлением вращения шкива. Упругое скольжение ремня характеризуется коэффициентом скольжения:
= (1 2)/ 1
где 1 и 2 - скорости ведущей и ведомой ветвей ремня, равные окружным скоростям шкивов.
Окружные скорости шкивов 1=1d1/2 и 2= 2d2/2. Вследствие упругого скольжения 2< 1 из формулы 2= 1(1). При этом передаточное число:
и = 1/2 = 1d2/( 2d1) = d2 [d1 (1 )].
При нормальных рабочих нагрузках 0,01...0,02. Небольшое значение позволяет для обычных расчетов принимать
и d2/ d1.
Для плоскоременных передач рекомендуется и 5, для клиноременных и 7.
Напряжения в ремне.
Наибольшие напряжения создаются в ведущей ветви ремня. Они складываются из напряжений:
- напряжение от предварительного натяжения:
,
причем с увеличением 0 снижается долговечность ремня;
- полезное напряжение (удельная окружная сила):
;
- напряжения от натяжения в ветвях ремня при рабочим ходе:
;
- напряжение от центробежных сил:
- напряжение изгиба (возникает в ремне при огибании шкивов (рис. 13.13.)):
,
где Е - модуль упругости материала ремня.
Рис. 13.13.
На рис. 13.14. показана эпюра суммарных напряжений в ремне. Наибольшего значения они достигают в сечении ремня при набегании его на малый шкив:
.
Рис. 13.14.
Сравнивая различные составляющие max и учитывая, что по соображениям компактности передачи стремятся принимать небольшие значения d1, можно отметить напряжение изгиба и1 как наибольшее. Оно может в несколько раз превышать все другие составляющие суммарного напряжения в ремне и, изменяясь по отнулевому циклу, является главной причиной усталостного разрушения ремня. На практике значение и1 ограничивается минимально допустимым /d1.
Расчет ременных передач.
Критерии работоспособности ременных передач: тяговая способность - надежность сцепления ремня со шкивами и долговечность, определяемая усталостью ремня.
Тяговая способность ремня характеризуется кривыми скольжения и КПД (рис.13.15.), устанавливающими зависимость относительного скольжения и КПД передачи от нагрузки, которую выражают через коэффициент тяги , показывающий, какая часть предварительного натяжения ремня полезно используется для передачи нагрузки:
.
Кривые скольжения для всех типов ремней получают экспериментально. При возрастании коэффициента тяги от нуля до критического значения наблюдается только упругое скольжение, которое пропорционально нагрузке, и кривая скольжения имеет прямолинейный участок. Передача работает нормально.
При дальнейшем увеличении коэффициента тяги от до к упругому скольжению добавляется частичное буксование. Нормальная работа передачи нарушается. Зона частичного буксования ( до ) определяет способность передачи переносить кратковременные перегрузки, например при пуске. При некотором значении наступает полное буксование, ведомый шкив останавливается.
Коэффициент тяги характеризует предел рационального использования ремня. Значение соответствует наибольшей нагрузке на ремень Ft, до которой отсутствует буксование:
.
Рис. 13.15.
КПД передачи растет с ростом нагрузки вследствие уменьшения роли потерь холостого хода и достигает максимума в зоне критического значения коэффициента тяги. В зоне частичного буксования КПД резко снижается вследствие увеличения потерь на скольжение, при этом ремень быстро изнашивается. Поэтому рабочую нагрузку рекомендуется выбирать вблизи критического значения . В этом случае значение КПД принимают: для плоскоременных передач 0,97, для клиноременных 0,96.
За основу создаваемых методов расчета ремней на долговечность принята кривая усталости описываемая уравнением:
где mах - максимальное напряжение цикла; т и С параметры кривой усталости (для резинотканевых ремней m=6; для клиновых m =11); N число циклов напряжений за полный срок службы (до разрушения).
Расчет плоскоремениых передач. В связи с тем, что в настоящее время еще не накоплены экспериментальные данные для теоретически обоснованных расчетов на долговечность, то ее учитывают косвенным путем, а основным расчетом является расчет по тяговой способности, который выполняют как проектировочный. При расчете по тяговой способности определяют требуемую площадь сечения ремня:
A = b,
где b и - ширина и толщина ремня. Расчет на долговечность выполняют как проверочный по частоте пробегов ремня в секунду. Долговечность ремня, т. е. его способность сопротивляться усталостному разрушению, зависит как от значений напряжений, так и от частоты цикла напряжений. Из эпюры напряжений (см. рис. 13.14.) видно, что ремень работает при переменных напряжениях, причем один цикл напряжений соответствует полному пробегу ремня. Частота цикла напряжений равна частоте пробега ремня в секунду:
,
где U - действительная частота пробега ремня в секунду, ; v - окружная скорость (скорость ремня), м/с; - расчетная длина ремня, м; [U] - допускаемая частота пробега ремня, , при которой не появляются признаки усталостного разрушения.
Для резинотканевых ремней [U]5 , для синтетических [U]50 . Если U>[U], то увеличивают l.
Расчет передач клиновыми и поликлиновыми ремнями. Расчет производят из условий тяговой способности и долговечности. Ограниченное число типоразмеров стандартных клиновых и поликлиновых ремней позволило экспериментально определить допускаемую приведенную мощность , передаваемую одним ремнем или одним клином поликлинового ремня, в зависимости от диаметра малого шкива и скорости ремня в условиях типовой передачи: при угле обхвата , передаточном числе , спокойной нагрузке и базовой длине ремня .
Условия работы проектируемых передач отличаются от стандартных. Поэтому расчет их следует вести с учетом поправочных коэффициентов по мощности, передаваемой одним ремнем или одним клином поликлинового ремня в действительных условиях эксплуатации. Допускаемая мощность:
,
где - коэффициент, учитывающий влияние угла обхвата на тяговую способность ремня. С уменьшением угла обхвата от 180 до значения коэффициента изменяются от 1 до 0,76 тяговая способность понижается;
- коэффициент, учитывающий влияние на долговечность длины ремня в зависимости от отношения расчетной длины ремня к базовой длине . При изменении отношения от 0,6 до 1,6 значения коэффициента увеличиваются от 0,9 до 1,1;
- коэффициент передаточного числа , учитывающий меньшие напряжения изгиба в ремне на большем шкиве: при ;
- коэффициент динамичности нагрузки и режима работы. Значения коэффициента выбирают в зависимости от вида приводного двигателя, режима работы, числа смен работы: .
Сечение ремня выбирают по графику, примерный вид которого показан на рис. 13.16., в зависимости от передаваемой мощности и частоты вращения меньшего шкива (ведущего вала).
Экспериментально для каждого сечения ремня определены рекомендуемые минимальные значения диаметра меньшего шкива в зависимости от передаваемого вращающего момента . По возможности следует избегать применения шкивов минимальных диаметров.
Рекомендуют определять по формуле:
, мм,
где - для ремней нормальных сечений, - для узких и поликлиновых ремней.

Рис. 13.16.
При расчете клиноременных передач определяют требуемое число ремней z в передаче для обеспечения среднего ресурса эксплуатации (2000ч). По ГОСТ 1284.380:
,
где P1 - передаваемая мощность на ведущем валу, кВт;
- коэффициент, учитывающий неравномерность распределения нагрузки между ремнями: при ; при ; при .
Для передач с клиновым ремнем рекомендуют из-за неодинаковой длины ремней и неравномерного поэтому их нагружения; для поликлиновых ремней (сечение К) (сечения Л и М).
Рекомендуют применять поликлиновые ремни с четным числом клиньев.
Сила предварительного натяжения одного ремня без учета влияния центробежных сил (ГОСТ 1284.280):
,
где - мощность на ведущем валу передачи, кВт; - скорость ремня, м/с; - число клиновых ремней в комплекте или число клиньев поликлинового ремня; - масса 1 м клинового ремня или одного клина поликлинового ремня, кг/м.
Средний ресурс , ч, ремней в эксплуатации при среднем режиме работы для классов ремней I, II, III и IV соответственно составляет: 2000, 2500, 2700 и 3700. С учетом режима работы и климатических условий ресурс вычисляют по формуле:
,
где - коэффициент режима работы. Режим работы оценивают возможными кратковременными перегрузками: легкими до 120% (), средний до 150% (), тяжелый до 200% (), очень тяжелый до 300% ().
Коэффициент климатических условий эксплуатации для центральных и южных районов равен 1; для районов с холодным климатом 0,75.
Лекция 14.
Фрикционные передачи.
В материал лекции входит: фрикционные передачи; их достоинства, недостатки, область применения и виды разрушения; основные виды фрикционных передач: цилиндрическая фрикционная передача, коническая фрикционная передача, лобовой вариатор, торовый вариатор, клиноременный вариатор, дисковый вариатор.
Работа фрикционной передачи основана на использовании сил трения. Передача состоит из двух катков, закрепленных на валах (см. рис.14.1.). Подшипники ведомого вала выполнены неподвижными, благодаря чему вал может перемещаться в направлении линии центров передачи. Пружина сжатия, действующая на подвижный подшипник, прижимает катки один к другому силой , нагрузка передается силой трения , возникающей в месте контакта вращающихся катков.
Условие работоспособности фрикционной передачи:
,
где - передаваемая окружная сила; - сила трения (f - коэффициент трения скольжения между катками). Нарушение этого условия приводит к буксованию и быстрому износу катков.
Рис. 14.1.
Следовательно, откуда сила прижатия катков:
,
где s - коэффициент запаса сцепления; s=1,25. . .1,5 для силовых передач и s 3 для передач приборов; f - коэффициент трения скольжения между катками; f =0,15. . .0,20 для стали по стали или чугуну всухую и f =0,04. . .0,05 для стали по стали в масле. Значение силы во много раз больше силы , что является большим недостатком фрикционных передач.
Достоинства фрикционных передач:
- плавность и бесшумность работы;
- простота конструкций и эксплуатации;
- возможность бесступенчатого регулирования передаточного числа.
Недостатки фрикционных передач:
- большие давления на валы и подшипники из-за большой силы прижатия катков, что усложняет конструкцию передачи и увеличивает ее размеры;
- непостоянство передаточного числа из-за неизбежного упругого скольжения катков;
- повышенный износ катков.
Классификация фрикционных передач:
1). По назначению:
- нерегулируемые передачи (т. е. с постоянным передаточным числом);
- регулируемые передачи или фрикционные вариаторы (с плавным бесступенчатым регулированием передаточного числа).
2). По способу прижатия катков:
- с постоянной силой (например, пружины, собственный вес элементов передачи и т. п.);
- с переменной силой (т. е. с силой, которая автоматически изменяется пропорционально изменению передаваемой силы требуется применение специальных нажимных устройств).
3). По взаимному расположению валов:
- цилиндрические (при параллельном расположении валов);
- конические (при пересекающихся валах);
- лобовые (при перекрещивающихся валах).
4). В зависимости от условий работы передачи:
- открытые (при работе передачи всухую, т. е. без смазки);
- закрытые (при работе передачи с использованием смазки).
Материалы фрикционных катков должны иметь: высокий коэффициент трения f, что уменьшает: требуемую силу прижатия ; высокий модуль упругости Е, что уменьшает потери на трение; высокую износостойкость; контактную прочность и теплопроводность. Наиболее конструктивное сочетание материалов катков: закаленная сталь по закаленной стали; чугун по чугуну; текстолит по стали или чугуну. Иногда для повышения коэффициента трения один из катков облицовывают прессованным асбестом, прорезиненной тканью и т.п.
Как правило, рекомендуется ведомый каток делать из более твердого материала, чтобы избежать образования на нем лысок, появляющихся при буксовании передачи. Буксование наступает при перегрузках, когда не соблюдается условие . При буксовании ведомый каток останавливается, а ведущий скользит по нему, вызывая местный износ (лыски). Передачи с неметаллическими рабочими поверхностями могут работать только всухую, а с металлическими - в масле или всухую. При работе в масле увеличивается долговечность передачи, так как уменьшается износ и улучшается охлаждение катков (теплопроводность).
Виды разрушения фрикционных передач:
- усталостное разрушение, характерное для передач, работающих в масле;
- износ характерен для передач, работающих всухую;
- задир поверхности возникает в быстроходных высоконагруженных передачах при разрыве масляной пленки на рабочей поверхности катков. Обычно задир связан с буксованием или перегревом передачи.
Все виды разрушения зависят от значения напряжений в месте контакта. Поэтому основным критерием работоспособности и расчета фрикционных передач с металлическими катками является их контактная прочность, которая зависит от значения контактных напряжений H. Наибольшее значение H определяют по условию прочности
,
где [H] - допускаемое контактное напряжение для менее прочного из материалов пары катков. Для закаленных сталей [H] = 1000…1200МПа.
Область применения фрикционных передач.
Фрикционные передачи с постоянным передаточным числом в качестве силовых передач в машиностроении применяют крайне редко (в фрикционных прессах, молотах и т. п.) из-за неконкурентоспособности с зубчатыми передачами по габаритам, надежности и КПД. Передаваемая мощность до 20 кВт, допускаемая скорость катков до 25 м/с. Эти передачи нашли ограниченное использование в виде кинематических передач в приборах (магнитофоны, кинокамеры и т. п.), где требуется плавность и бесшумность работы.
Фрикционные вариаторы широко применяют как в силовых, так и в кинематических передачах, когда требуется бесступенчатое регулирование передаточного числа.
Основные типы фрикционных передач и вариаторов.
В большинстве современных рабочих машин необходимо регулировать скорость рабочих органов в зависимости от изменяющихся свойств обрабатываемого объекта, условий технологического процесса, загрузки машины и т. п. Для этого машины снабжают ступенчатыми коробками передач или механически регулируемыми передачами - вариаторами, которые обеспечивают плавное (бесступенчатое) изменение угловой скорости ведомого вала при постоянной угловой скорости ведущего вала. Вариаторы позволяют установить оптимальный скоростной режим и регулировать скорость на ходу. Применение их способствует повышению производительности машины, качеству продукции, уменьшению шума и вибраций. Основной кинематической характеристикой любого вариатора является диапазон регулирования:
Д = 2max / 2min = umax / umin ,
где 2 max и 2 min - максимальная и минимальная угловые скорости ведомого вала; umax и umin - максимальное и минимальное значения передаточного числа передачи.
Цилиндрическая фрикционная передача.
Применяется для передачи движения между валами с параллельными осями.
На рис. 14.1. показана схема простейшей цилиндрической фрикционной передачи с нерегулируемым передаточным числом. Опоры ведомого вала выполнены подвижными (плавающими) в направлении центров и находятся под действием пружины сжатия, вследствие чего обеспечивается прижимная сила .
В цилиндрической фрикционной передаче окружная скорость ведомого катка несколько меньше скорости ведущего катка . Первоначальный контакт по линии переходит под нагрузкой вследствие упругих деформаций в контакт по площадке. При контакте по линии имеет место равенство окружных скоростей ведущего и ведомого катков (качение), а при контакте по площадке скорости сопряженных точек катков не равны возникает скольжение.
Влияние проскальзывания учитывают с помощью коэффициента скольжения:
,
где - для стальных катков; - для текстолита; - для резины по стали.
Передаточное число:
u = 1/2 = d2 / [d1 ( 1 )] d2 / d1,
В силовых передачах рекомендуется u7.
Геометрический расчет передачи.
Межосевое расстояние:
.
Диаметр ведущего катка:
Диаметр ведомого катка:
Силы в передаче.
Окружная сила:
,
где - крутящий момент на ведущем вале.
Прижимная сила:
.
Коническая фрикционная передача.
Применяется для передачи движения между валами с пересекающимися осями (рис. 14.2.). Угол между осями валов может быть различным, чаще всего = 1+ 2=90, где 1 и 2 - углы при вершинах конусов ведущего и ведомого катков.
Рис. 14.2.
Передаточное число:
.
где и .
Следовательно:
.
Необходимые величины сил прижатия и определяют из уравнений:
; .
Из приведенных выше формул следует, что с увеличением передаточного числа уменьшается и увеличивается . Поэтому в понижающих конических передачах прижимное устройство целесообразно устанавливать на ведущем валу.
Лобовой вариатор.
Лобовой вариатор (рис. 14.3.) состоит из катков 1 и 2, установленных на взаимно перпендикулярных валах и прижатых один к другому пружиной сжатия. Вращение от ведущего вала к ведомому передается силой трения. Каток 1 соединен с ведущим валом длинной направляющей шпонкой. При перемещении его вдоль шпонки изменяется расстояние х от оси вращения ведомого вала, вследствие чего изменяется передаточное число и угловая скорость 2. Действительно, из условия равенства окружных скоростей катков (скольжением пренебрегаем) имеем:
, откуда .
Предельные значения передаточного числа:
; .
Диапазон регулирования:
.
Если каток 1 передвинуть в положение А, то произойдет изменение направления вращения ведомого вала (реверсирование).
В отношении КПД и износостойкости лобовые вариаторы уступают другим конструкциям. Однако простота и возможность реверсирования обеспечивают лобовым вариаторам достаточно широкое применение в передачах приборов.
Рис. 14.3.
Торовый вариатор.
Торовые вариаторы состоят из двух соосных катков с тороидной рабочей поверхностью и двух промежуточных роликов (рис. 14.4.). Торовые чашки (сферические катки) 1 и 2 закреплены на концах валов. Вращение от ведущего вала к ведомому передается двумя роликами 3, свободно установленными на осях 4. Изменение угловой скорости 2 ведомого вала достигается поворотом роликов вокруг шарниров 5. Ведущий вал вращается с постоянной угловой скоростью 1, а угловая скорость 2 может быть равна, больше или меньше 1. Если оси роликов перпендикулярны осям валов, то 2 = 1. При отклонении осей роликов влево 2 > 1, а при отклонении вправо 2 < 1.
Рис. 14.4.
Торовые вариаторы нормализованы для мощностей 1,5. . .15 кВт; диапазон регулирования при работе всухую , при работе в масле .
Передаточное число:
.
Из всех вариаторов торовые наиболее компактны, имеют минимальное скольжение и высокий КПД (до 0,95), но требуют высокой точности изготовления и монтажа.
Клиноременный вариатор (вариатор с раздвижными конусами).
Рис. 14.5.
На параллельных валах попарно установлены раздвижные конические диски, из которых составлены два регулируемых шкива 1 и 2 (Рис.14.5.). Для связи шкивов применяют стандартные клиновые нормальные ремни и клиновые широкие ремни. Изменение угловой скорости ведомого вала достигается изменением соотношения рабочих радиусов шкивов и путем одновременного осевого сдвигания дисков одного шкива и раздвигания дисков другого шкива на одну и ту же величину.
При принудительном сдвигании конических дисков ведомого вала ремень перемещается к наружному диаметру шкива 2 - рабочий радиус увеличивается. При этом происходит раздвигание дисков шкива 1, что позволяет ремню переместиться к оси шкива рабочий радиус уменьшается. В этом случае угловая скорость увеличивается. Для уменьшения надо раздвигать диски шкива 2 и сдвигать диски шкива 1. При регулировании длина ремня не изменяется.
Предельные значения передаточного числа:
; .
Диапазон регулирования Д зависит от ширины ремня. Клиновые ремни нормальных сечений позволяют получить. Наиболее перспективными являются широкие клиновые ремни. Вариаторы с широким клиновым ремнем с двумя регулируемыми шкивами стандартизованы (ГОСТ 2293178) для мощностей 0,37. . .15 кВт при.
Клиноременные вариаторы наиболее просты и достаточно надежны, благодаря чему они получили наибольшее распространение среди вариаторов в общем машиностроении. Их успешно применяют в металлорежущих станках, текстильных машинах, мотороллерах и специальных колесных машинах повышенной проходимости в качестве бесступенчатых коробок передач.
Дисковые вариаторы.

Рис. 14.6.
В этих вариаторах момент передается за счет трения между набором ведущих и ведомых дисков. Изменения передаточного отношения достигают перемещением ведущего вала 1 относительно ведомого вала 2. При этом изменяется межосевое расстояние а и рабочий диаметр .
Передаточное число:
.
Основной идеей конструкции дискового вариатора является увеличение числа точек контакта между фрикционными элементами. Это позволяет значительно снизить контактные давления, а вместе с этим и износ дисков. Значительно снижается и сила прижатия .
=,
где m число мест контакта, равное удвоенному числу ведущих дисков (выполняют и более); с число ведущих валов 1.
Прижатие осуществляют пружиной или шариковым зажимным устройством. Диски изготовляют из стали и закаливают до твердости (50…60 HRC). Вариатор работает в масле. Обильная смазка значительно уменьшает износ и делает работу вариатора устойчивой, независимой от случайных факторов, влияющих на трение. Снижение коэффициента трения при смазке в этих вариаторах компенсируют увеличением числа контактов.
Выполняют вариаторы мощностью до 40 кВт с диапазоном регулирования до 4,5 при КПД 0,8…0,9.
Лекция 15.
Цепные передачи.
В материал лекции входит: цепные передачи; их достоинства, недостатки и область применения; детали цепных передач (цепи, звездочки); натяжение и смазывание цепи; КПД цепных передач; силы в ветвях цепи; расчет цепных передач.
Цепную передачу относят к передачам зацеплением с гибкой связью. Она состоит
из ведущей 1 и ведомой 2 звездочек и охватывающей их цепи 3 (рис. 15.1.). В состав передачи также часто входят натяжные и смазочные устройства, ограждения. Цепь состоит из шарнирно соединенных звеньев, за счет чего обеспечивается гибкость цепи.

Рис. 15.1.
Достоинства цепных передач:
- способность передавать движение при значительных межосевых расстояниях (до 8 м.);
- меньшие, чем у ременных передач, габариты;
- отсутствие проскальзывания;
- высокий КПД;
- относительно малые силы, действующие на валы;
- возможность легкой замены цепи.
Недостатки цепных передач:
- высокий уровень шума;
- неизбежность износа шарниров цепи из-за отсутствия условий для жидкостного трения;
- непостоянство скорости движения цепи, особенно при малых числах зубьев звездочек;
- необходимость более точной установки валов, чем для ременной передачи;
- необходимость смазывания и регулирования.
Область применения.
Цепные передачи применяют при значительных межосевых расстояниях, а также для передачи движения от одного ведущего вала к нескольким ведомым в тех случаях когда зубчатые передачи неприменимы, а ременные недостаточно надежны. Наибольшее распространение передачи получили в сельскохозяйственном, транспортном и химическом машиностроении, станкостроении, горнорудном оборудовании и подъемно-транспортных устройствах.
Они могут работать в диапазонах: кВт; м/с; ; м.
Детали цепных передач.
Цепи.
Цепи по назначению разделяют на три группы:
- грузовые - используют для закрепления грузов (рис. 15.2., а и б.);
- тяговые - применяют для перемещения грузов в машинах непрерывного транспорта (конвейерах, подъемниках, эскалаторах и др.) см. рис. 15.2., в.;
- приводные - используют для передачи движения (рис. 15.2., г, д, е, ж, з.).
- фасоннозвенные (рис. 15.2., и, к.).
Приводная цепь это главный элемент цепной передачи состоит из соединенных шарнирами отдельных звеньев.

Рис. 15.2. Основные типы цепей: а круглозвенная, б пластинчатая шарнирная, в тяговая пластинчатая, г роликовая однорядная, д роликовая двухрядная, е роликовая с изогнутыми пластинами, ж зубчатая с внутренними направляющими пластинами, з зубчатая с боковыми направляющими пластинами, и крючковая, к втулочно-штыревая.
Основные типы стандартизованных приводных цепей: роликовые, втулочные и зубчатые.
Роликовые приводные цепи. Состоят из двух рядов наружных 1 и внутренних 2 пластин (рис. 15.3.). В наружные пластины запрессованы оси или валики 3, пропущенные через втулки 4, запрессованные в свою очередь во внутренние пластины. На втулки предварительно свободно надеты закаленные ролики 5. Зацепление цепи со звездочкой происходит через ролик, который, поворачиваясь на втулке, перекатывается по зубу звездочки. Такая конструкция позволяет выравнять давление зуба на втулку и уменьшить изнашивание втулки и зуба.
Рис. 15.3.
Роликовые цепи имеют широкое распространение. Их применяют при скоростях м/с.
Втулочные приводные цепи по конструкции подобны роликовым, но не имеют роликов, что удешевляет цепь, уменьшает ее массу, но существенно увеличивает износ втулок цепи и зубьев звездочек. Втулочные цепи применяют в неответственных передачах при м/с.
Втулочные и роликовые цепи изготовляют однорядными и многорядными с числом рядов 2, 3 и 4 (рис. 15.4.). Многорядная цепь с меньшим шагом позволяет заменить однорядную с большим шагом и тем самым уменьшить диаметры звездочек, снизить динамические нагрузки в передаче.
Рис. 15.4.
Зубчатые приводные цепи состоят из звеньев, составленных из набора пластин и шарнирно соединенных между собой (рис. 15.5.). Каждая пластина имеет по два зуба и впадину между ними для размещения зуба звездочки.
Рис. 15.5.
Число пластин определяет ширина цепи, которая зависит от передаваемой мощности. Рабочими гранями являются плоскости пластин, расположенные под углом . Этими гранями каждое звено цепи вклинивается между двумя зубьями звездочки, имеющими трапециевидный профиль. Благодаря этому зубчатые цепи работают более плавно, с малым шумом, лучше воспринимают ударную нагрузку и допускают более высокие скорости.
Однако по сравнению с другими зубчатые цепи тяжелее и дороже. Их применяют при скоростях м/с.
Шаг цепи p является основным параметром цепной передачи. Чем больше шаг, тем выше нагрузочная способность цепи, но сильней удар звена о зуб в момент набегания на звездочку, меньше плавность, сильнее шум, больше износ шарниров. При больших скоростях применяют цепи с малым шагом.
Материал цепей. Цепи должны быть износостойкими и прочными. Пластины цепей изготовляют из сталей 50, 40Х и др. с закалкой до твердости 40…50 . Оси, втулки, ролики и призмы из цементуемых сталей 20, 15Х и др. с закалкой до твердости 52…65 .
Звездочки.
Звездочки цепных передач отличаются от зубчатых колес лишь профилем зубьев, размеры и форма которых зависят от типа цепи (рис. 15.6.).
Рис. 15.6. Звездочки роликовой и втулочной цепи.
Геометрические параметры звездочек.
Делительная окружность звездочек проходит через центры шарниров цепи:
,
где z число зубьев звездочки.
Шаг p у звездочек измеряют по хорде делительной окружности. Делительный диаметр звездочки для зубчатых цепей больше ее наружного диаметра.
Для увеличения долговечности цепной передачи принимают по возможности большее число зубьев меньшей звездочки. При малом числе зубьев в зацеплении находится небольшое число звеньев, что снижает плавность работы передачи и увеличивает изнашивание из-за большого угла поворота шарнира.
Число зубьев малой звездочки принимают из условий обеспечения минимальных габаритов и плавного хода передачи:
для роликовых и втулочных цепей
при условии ;
для зубчатых цепей
при условии ,
где u передаточное число.
Число зубьев большой звездочки :
для втулочных цепей
;
для роликовых цепей
;
для зубчатых цепей
.
Материал звездочек должен быть износостойким и хорошо сопротивляться ударным нагрузкам. Звездочки изготовляют из сталей 45, 40Х и др. с закалкой и цементуемых сталей 15, 20Х и др. С целью снижения уровня шума и изнашивания цепи в быстроходных передачах изготавливают зубчатый венец звездочек из пластмасс.
Причины выхода из строя цепных передач.
Цепные передачи выходят из строя по следующим причинам: износ шарниров, приводящий к удлинению цепи, увеличению шага цепи и, как следствие, к нарушению ее зацепления с зубьями звездочек; усталостное разрушение пластин по проушинам, характерное для закрытых быстроходных передач, работающих при хорошем смазывании, когда износ шарниров не является определяющим; проворачивание валиков и втулок в пластинах в местах запрессовки, связанное с низким качеством изготовления; усталостное выкрашивание и разрушение роликов; износ зубьев звездочек. Ресурс цепных передач в стационарных машинах должен составлять 10...15 тыс. ч, он чаще всего ограничивается долговечностью цепи.
Натяжение и смазывание цепи. КПД цепных передач.
Натяжение цепи. По мере изнашивания шарниров цепь вытягивается. Что вызывает захлестывание звездочки цепью. Регулирование натяжения цепи осуществляют устройствами, аналогичными применяемым для натяжения ремня, т. е. перемещением вала одной из звездочек, нажимными роликами или оттяжными звездочками.
Натяжные устройства должны компенсировать удлинение цепи в пределах двух звеньев, при большей вытяжке два звена цепи удаляют. Увеличение шага цепи вследствие износа в шарнирах не компенсируется ее натяжением. По мере изнашивания цепи шарниры располагаются все ближе к вершинам зубьев и возникает опасность соскакивания цепи со звездочек.
Смазывание цепи оказывает решающее воздействие на ее долговечность. При скорости цепи м/с применяют капельное постоянное (4…10 кап/мин) или внутришарнирное смазывание. При м/с смазывание погружением в масляную ванну (ведомую ветвь цепи погружают на глубину высоту пластин) или масленками-капельницами (20 кап/мин). При м/с смазывание погружением в масляную ванну или циркуляционное смазывание от насоса.
В тихоходных малонагруженных передачах применяют периодическое смазывание ручной масленкой через 6…8 часов работы.
КПД передачи зависит от потерь на трение в шарнирах цепи, в контакте цепи с зубьями звездочек, в опорах валов, а также на перемешивание масла при смазывании погружением. Обычно среднее значение КПД .
Основные параметры цепных передач.
Цепь за один оборот звездочки проходит путь . Время t (в секундах) одного оборота звездочки: . Следовательно, скорость v, м/с цепи:
,
где p шаг цепи, м.; , и , - соответственно числа зубьев и частоты вращения ведущей и ведомой звездочек.
Из равенства скоростей цепи на звездочках следует:
.
Передаточное число цепной передачи меняется в пределах поворота звездочки на один зуб, что заметно при малом числе z. Непостоянство передаточного числа вызывает неравномерность хода передачи и поперечные колебания цепи. Для цепных передач рекомендуют .
Оптимальное межосевое расстояние передачи принимают из условия долговечности цепи:
,
где р шаг цепи.
Меньшие значения для , большие для .
Формула для определения длины цепи получена по аналогии с формулой для длины ремня, число звеньев получают делением длины цепи на шаг. Число звеньев цепи W зависит от межосевого расстояния а, шага Р и чисел зубьев звездочек z1 и z2:
.
Полученное значение W округляют до ближайшего большего четного числа. Четное число звеньев цепи позволяет избежать применения переходных звеньев при соединении концов цепи.
Межосевое расстояние передачи при окончательно выбранном числе шагов W:
.
Для исключения перенатяжения цепи из-за неточностей изготовления и монтажа передачи ведомая ветвь должна иметь небольшое провисание, для чего расчетное межосевое расстояние уменьшают на .
Силы в ветвях цепи.
Окружная сила на звездочках:
,
где Т1 - вращающий момент на ведущей звездочке, Нм; d1 - делительный диаметр ведущей звездочки, мм; Р1 - мощность на ведущей звездочке, кВт; - скорость движения цепи, м/с.
Предварительное натяжение цепи от провисания ведомой ветви:
,
где - коэффициент провисания: для горизонтальных передач , для наклоненных к горизонту до - , для вертикальных - ; q масса 1 м. цепи, кг/м; а межосевое расстояние, м; .
Натяжение цепи от центробежных сил:
.
Сила нагружает звенья цепи по всему ее контуру, но звездочками не воспринимается.
Натяжение ведущей ветви цепи работающей передачи:
.
Натяжение ведомой ветви цепи равно большему из натяжений или .
Нагрузка на валы звездочек. Цепь воздействует на валы звездочек с силой:
,
где - коэффициент нагрузки вала: при спокойной нагрузке и наклоне линии центров звездочек к горизонту - , при - . При ударной нагрузке увеличивают на 10…15%.
Направление силы принимают по линии центров звездочек.
Расчет цепных передач.
Расчет цепной передачи начинают с определения величины статической силы, при которой происходит разрушение цепи:
где S - коэффициент безопасности, зависящий от степени ответственности передачи, точности определения действующих нагрузок и коррозионного воздействия на передачу. Минимальные значения коэффициента безопасности принимают S = 6...10. По найденному значению по стандартам на приводные цепи находят несколько вариантов цепи, для которых разрушающая сила несколько больше требуемой (Fр > F'р). Найденные варианты различаются шагом и числом рядов цепи. Предварительный расчет, как правило, не позволяет выбрать единственный наиболее целесообразный вариант, а лишь очерчивает область возможных решений.
Основным критерием работоспособности цепных передач является долговечность цепи, определяемая изнашиванием шарниров, поэтому расчет передачи проводят по условию износостойкости шарниров цепи. Нагрузочную способность цепи определяют из условия: среднее давление в шарнире звена цепи не должно превышать допускаемое :
,
где - коэффициент эксплуатации; Ft - окружная сила на звездочках; А - площадь проекции шарнира.
Площадь проекции шарнира:
где d - диаметр вала; b - длина втулки. Для стандартных цепей А определяется по таблицам в зависимости от шага Р.
Коэффициент эксплуатации представляют в виде:
,
где - коэффициент динамичности нагрузки: при равномерной нагрузке (ленточные, цепные конвейеры), при толчках (металлорежущие станки, компрессоры);
- коэффициент, учитывающий способ смазывания передачи: при непрерывном смазывании , при регулярном капельном , при периодическом ;
- коэффициент наклона передачи к горизонту: при , при . Угол наклона получают из компоновки привода;
- коэффициент способа регулирования натяжения цепи: при регулировании положения оси одной из звездочек , при регулировании оттяжными звездочками или нажимными роликами , для нерегулируемой передачи ;
- коэффициент режима работы: при односменной работе , при двухсменной , при трехсменной .


естеров А.А.
Конспект лекций по ДМ
Детали машин