Расчет тупиковой подстанции для электроснабжения нового микрорайона
Факультет Техники и современных технологий Кафедра Энергетики
Уровень образования Бакалавриат
Направление Электроэнергетика
Профиль Электроэнергетические системы и сети
ВЫПУСКНАЯ КВАЛИФИКАЦИОННАЯ РАБОТА
на тему:
«Расчет тупиковой подстанции
для электроснабжения нового микрорайона»
Студент:
______________
подпись
Научный руководитель: ______________
подпись
Допущена к защите:
Заведующий кафедрой Энергетики
к.т.н. ________________
подпись
« ____» _______________ 2015 г.
Москва 2015 г.
ОГЛАВЛЕНИЕ
ВВЕДЕНИЕ…………………………………………………………………….........3
ГЛАВА 1. ТЕОРЕТИЧЕСКИЕ АСПЕКТЫ ПРОЕКТИРОВАНИЯ……………...5
1.1 Современное состояние энергетики Московской области……………..5
1.2 Анализ нагрузок, категории потребителей
и необходимой мощности……………………………………………….6
Вывод по главе 1……………………………………………………………..14
ГЛАВА 2. ПРАКТИЧЕСКАЯ ЧАСТЬ ……………………………………………15
2.1 Выбор силовых трансформаторов………………………………….......15
2.2 Выбор главной схемы электрических соединений подстанции……...16
2.3 Выбор марки и сечения проводов линий высокого и низкого напряжения…………………………………………………………………..18
2.4 Расчет токов короткого замыкания…………………………………….20
2.5 Выбор основного оборудования, токоведущих частей и КИП……….24
2.6 Выбор релейной защиты и автоматики………………………………...37
2.7 Собственные нужды……………………………………………………..56
2.8 Выбор конструкции РУ всех напряжений……………………………..57
Вывод по главе 2…………………………………………………………….59
ГЛАВА 3. ТЕХНИКО-ЭКОНОМИЧЕСКОЕ ОБОСНОВАНИЕ ………………...60
3.1 Затраты на проектирование, строительство и монтаж …………..…...60
3.2 Расчет издержек………………….……………………………………...61
3.3 Анализ экономической эффективности ……………………………….63
Вывод по главе 3…………………………………………………………….63
ЗАКЛЮЧЕНИЕ……………………………………………………………………65
СПИСОК ИСПОЛЬЗОВАННОЙ ЛИТЕРАТУРЫ………………………………67
ВВЕДЕНИЕ
Актуальность работы состоит в том, что в связи со строительством новых жилых микрорайонов в городах увеличивается и потребление электрической энергии. В настоящее время многие существующие подстанции очень сильно устарели или же их мощности не хватает для питания всех потребителей. Чтобы устранить эту проблему необходимо строить новые подстанции с возможностью их дальнейшего расширения, реконструировать и модернизировать уже имеющиеся подстанции.
Одной из особенностей при проектировании понизительной подстанций является закладывание запаса мощности при выборе оборудования. Это необходимо в связи с тем, что населенные пункты, предприятия со временем расширяются и если данный запас не предусмотреть при проектировании, то существует вероятность, что через несколько лет после строительства подстанции будет необходима ее реконструкция.
Практическая значимость состоит в возможности использования результатов расчета на реальной подстанции Московской области.
Объектом исследования данной выпускной квалификационной работы выступает г. Видное Московской области, в котором для электроснабжения новых строящихся микрорайонов необходимо разработать проект новой тупиковой подстанции 110/10 кВ.
Предметом исследования выступает тупиковая подстанция, а также технико-экономические показатели, связанные с проектированием и строительством подстанции.
Цель работы проектирование тупиковой подстанции 110/10 кВ, выбор всего необходимого оборудования с учетом различных режимов работы.
Задачи работы состоят в следующем:
- Проанализировать характеристики потребителей;
- Выбрать схему электрических соединений подстанции, основное оборудование (включая силовые трансформаторы и трансформаторы собственных нужд и токоведущие части;
- Рассчитать релейную защиту и автоматику подстанции;
- Определить конструкцию РУ, компоновку сооружений на площадке подстанции;
- Рассмотреть вопросы технико-экономического обоснования.
Результатом работы будет являться готовый проект понизительной тупиковой подстанции 110/10 кВ.
Работа состоит из трех глав, включающих в себя описание текущего состояние энергетики Московской области, выбора основного электрооборудования и главной схемы электрических соединений подстанции, а также технико-экономическое обоснование строительства подстанции.
Авторы, в научных произведениях которых рассматривалась проблема исследования: И. И. Артюхов, В. Д. Куликов, В. В. Тютьманова, Б. Н. Неклепаев, Л. Д. Рожкова, В. С. Козулин.
- ТЕОРЕТИЧЕСКИЕ АСПЕКТЫ ПРОЕКТИРОВАНИЯ
1.1 Современное состояние энергетики Московской области
ОАО «Мосэнерго» самая крупная из региональных генерирующих компаний Российской Федерации и технологически неотъемлемая часть Единой энергетической системы России. Компания один из крупнейших производителей тепла в мире.
В составе ОАО «Мосэнерго» работают 15 электростанций (а именно ГЭС-1 им. П.Г. Смидовича, ТЭЦ-8, ТЭЦ-9, ТЭЦ-11 им. М.Я. Уфаева, ТЭЦ-12, ТЭЦ-16, ТЭЦ-20, ТЭЦ-21, ТЭЦ-23, ТЭЦ-25, ТЭЦ-26, расположенные на территории г. Москвы, ГРЭС-3 им. Р.Э. Классона, ТЭЦ-17, ТЭЦ-22, ТЭЦ-27 расположенные на территории Московской области) установленной электрической мощностью 12,7 тыс. МВт. Установленная тепловая мощность компании 40,4 тыс. Гкал/ч. Электростанции ОАО «Мосэнерго» поставляют свыше 60% электрической энергии, потребляемой в Московском регионе, и обеспечивают более 70% потребностей Москвы в тепловой энергии.
Техническое развитие один из приоритетов деятельности компании. ОАО «Мосэнерго» в числе первых в России приступило к масштабному строительству и вводу генерирующих мощностей на основе технологии парогазового цикла, позволяющей существенно повысить эффективность и улучшить экологические показатели производства.
Акции ОАО «Мосэнерго» обращаются на Московской бирже. Общество регулярно реализует мероприятия по повышению инвестиционной привлекательности и капитализации компании.
ОАО «Мосэнерго» информационно открытая компания, руководствующаяся в своей деятельности принципами корпоративного управления, принятыми в цивилизованном бизнесе.
Мосэнерго это уникальный коллектив высоко профессиональных специалистов, круглосуточно обеспечивающих теплом и светом жителей Москвы и Московской области. Их опыт и знание современных технологий, высочайший уровень ответственности, умение работать в сложных ситуациях делают будущее московской генерации энергоэффективным.
ОАО «Мосэнерго» - лидер по объему введенных мощностей среди российских генерирующих компаний. В 2007-2011 годах на ТЭЦ-21, ТЭЦ-26 и ТЭЦ-27 Мосэнерго введены современные парогазовые энергоблоки суммарной мощностью свыше 1,7 тысяч МВт. В 2014 году введены газотурбинная установка ГТУ-65 на ТЭЦ-9 и парогазовый энергоблок ПГУ-420 на ТЭЦ-16 Мосэнерго.
Преимущества блоков на базе ПГУ высокая эффективность и экономичность. Использование парогазового цикла позволяет достичь существенной экономии газа, снизить выбросы вредных веществ в атмосферу.
В настоящее время Мосэнерго ведет строительство ПГУ-220 на ТЭЦ-12 и ПГУ-420 на ТЭЦ-20, их ввод в эксплуатацию запланирован на 2015 год (www.mosenergo.ru)
1.2 Анализ нагрузок, категории потребителей и необходимой мощности
Проектируемая подстанция будет снабжать электроэнергией новые жилые микрорайоны г. Видное. Жилые микрорайоны относятся ко второй категории по надежности электроснабжения.
Для жилых микрорайонов типовой график нагрузки задается следующими значениями (таблица 1.1 и 1.2)
Таблица 1.1
Параметры зимнего графика нагрузки жилого микрорайона
|
Час |
0-1. |
1-2. |
2-3. |
3-4. |
4-5. |
5-6. |
6-7. |
7-8. |
8-9. |
9-10. |
10-11 |
11-12 |
|
i, % |
60 |
50 |
40 |
40 |
45 |
55 |
70 |
80 |
85 |
70 |
50 |
45 |
|
Час |
12-13 |
13-14 |
14-15 |
15-16 |
16-17 |
17-18 |
18-19 |
19-20 |
20-21 |
21-22 |
22-23 |
23-24 |
|
i, % |
40 |
40 |
60 |
70 |
80 |
90 |
100 |
100 |
95 |
85 |
80 |
70 |

Рисунок 1.1 - Зимний график нагрузки жилого микрорайона
Таблица 1.2
Параметры летнего графика нагрузки жилого микрорайона
|
Час |
0-1. |
1-2. |
2-3. |
3-4. |
4-5. |
5-6. |
6-7. |
7-8. |
8-9. |
9-10. |
10-11 |
11-12 |
|
i, % |
55 |
40 |
25 |
25 |
25 |
40 |
45 |
65 |
70 |
65 |
45 |
45 |
|
Час |
12-13 |
13-14 |
14-15 |
15-16 |
16-17 |
17-18 |
18-19 |
19-20 |
20-21 |
21-22 |
22-23 |
23-24 |
|
i, % |
35 |
35 |
45 |
55 |
55 |
60 |
70 |
80 |
85 |
85 |
75 |
60 |

Рисунок 1.2 - Летний график нагрузки жилого микрорайона
При известной Pрасч. можно перевести типовой график в график нагрузки заданного потребителя, используя соотношение для каждой ступени графика [8]:
Pi = i % · Ррасч. / 100 (МВА), (1.1)
где i %- ордината соответствующей ступени типового графика, в %.
Pрасч - расчетная мощность предприятия, МВт. Суточные графики нагрузки жилых микрорайонов по сезонам (зима, лето), представлены в таблицах 1.1-1.6. Графики нагрузок для всех микрорайонов аналогичны графикам, представленным на рисунках 1.1 и 1.2.
Таблица 1.1
Расчет зимнего графика нагрузки микрорайонов 1, 2 и 4
|
Час |
0-1. |
1-2. |
2-3. |
3-4. |
4-5. |
5-6. |
6-7. |
7-8. |
8-9. |
9-10. |
10-11 |
11-12 |
|
i, % |
60 |
50 |
40 |
40 |
45 |
55 |
70 |
80 |
85 |
70 |
50 |
45 |
|
Pi |
2,4 |
2 |
1,6 |
1,6 |
1,8 |
2,2 |
2,8 |
3,2 |
3,4 |
2,8 |
2 |
1,8 |
|
Час |
12-13 |
13-14 |
14-15 |
15-16 |
16-17 |
17-18 |
18-19 |
19-20 |
20-21 |
21-22 |
22-23 |
23-24 |
|
i, % |
40 |
40 |
60 |
70 |
80 |
90 |
100 |
100 |
95 |
85 |
80 |
70 |
|
Pi |
1,6 |
1,6 |
2,4 |
2,8 |
3,2 |
3,6 |
4 |
4 |
3,8 |
3,4 |
3,2 |
2,8 |
Таблица 1.2
Расчет летнего графика нагрузки микрорайонов 1, 2 и 4
|
Час |
0-1. |
1-2. |
2-3. |
3-4. |
4-5. |
5-6. |
6-7. |
7-8. |
8-9. |
9-10. |
10-11 |
11-12 |
|
i, % |
55 |
40 |
25 |
25 |
25 |
40 |
45 |
65 |
70 |
65 |
45 |
45 |
|
Pi |
1,6 |
1 |
1 |
1 |
1,6 |
1,8 |
2,6 |
2,8 |
2,6 |
1,8 |
1,8 |
1,6 |
|
Час |
12-13 |
13-14 |
14-15 |
15-16 |
16-17 |
17-18 |
18-19 |
19-20 |
20-21 |
21-22 |
22-23 |
23-24 |
|
i, % |
35 |
35 |
45 |
55 |
55 |
60 |
70 |
80 |
85 |
85 |
75 |
60 |
|
Pi |
1,4 |
1,8 |
2,2 |
2,2 |
2,4 |
2,8 |
3,2 |
3,4 |
3,4 |
3 |
2,4 |
1,4 |
Таблица 1.3
Расчет зимнего графика нагрузки микрорайонов 3 и 6
|
Час |
0-1. |
1-2. |
2-3. |
3-4. |
4-5. |
5-6. |
6-7. |
7-8. |
8-9. |
9-10. |
10-11 |
11-12 |
|
i, % |
60 |
50 |
40 |
40 |
45 |
55 |
70 |
80 |
85 |
70 |
50 |
45 |
|
Pi |
2,2 |
1,6 |
1 |
1 |
1 |
1,6 |
1,8 |
2,6 |
2,8 |
2,6 |
1,8 |
1,8 |
|
Час |
12-13 |
13-14 |
14-15 |
15-16 |
16-17 |
17-18 |
18-19 |
19-20 |
20-21 |
21-22 |
22-23 |
23-24 |
|
i, % |
40 |
40 |
60 |
70 |
80 |
90 |
100 |
100 |
95 |
85 |
80 |
70 |
|
Pi |
1,4 |
1,4 |
1,8 |
2,2 |
2,2 |
2,4 |
2,8 |
3,2 |
3,4 |
3,4 |
3 |
2,4 |
Таблица 1.4
Расчет летнего графика нагрузки микрорайонов 3 и 6
|
Час |
0-1. |
1-2. |
2-3. |
3-4. |
4-5. |
5-6. |
6-7. |
7-8. |
8-9. |
9-10. |
10-11 |
11-12 |
|
i, % |
55 |
40 |
25 |
25 |
25 |
40 |
45 |
65 |
70 |
65 |
45 |
45 |
|
Pi |
1,65 |
1,2 |
0,75 |
0,75 |
0,75 |
1,2 |
1,35 |
1,95 |
2,1 |
1,95 |
1,35 |
1,35 |
|
Час |
12-13 |
13-14 |
14-15 |
15-16 |
16-17 |
17-18 |
18-19 |
19-20 |
20-21 |
21-22 |
22-23 |
23-24 |
|
i, % |
35 |
35 |
45 |
55 |
55 |
60 |
70 |
80 |
85 |
85 |
75 |
60 |
|
Pi |
1,05 |
1,05 |
1,35 |
1,65 |
1,65 |
1,8 |
2,1 |
2,4 |
2,55 |
2,55 |
2,25 |
1,8 |
Таблица 1.5
Расчет зимнего графика нагрузки микрорайона 5
|
Час |
0-1. |
1-2. |
2-3. |
3-4. |
4-5. |
5-6. |
6-7. |
7-8. |
8-9. |
9-10. |
10-11 |
11-12 |
|
i, % |
60 |
50 |
40 |
40 |
45 |
55 |
70 |
80 |
85 |
70 |
50 |
45 |
|
Pi |
3 |
2,5 |
2 |
2 |
2,25 |
2,75 |
3,5 |
4 |
4,25 |
3,5 |
2,5 |
2,25 |
|
Час |
12-13 |
13-14 |
14-15 |
15-16 |
16-17 |
17-18 |
18-19 |
19-20 |
20-21 |
21-22 |
22-23 |
23-24 |
|
i, % |
40 |
40 |
60 |
70 |
80 |
90 |
100 |
100 |
95 |
85 |
80 |
70 |
|
Pi |
2 |
2 |
3 |
3,5 |
4 |
4,5 |
5 |
5 |
4,75 |
4,25 |
4 |
3,5 |
Таблица 1.6
Расчет летнего графика нагрузки микрорайона 5
|
Час |
0-1. |
1-2. |
2-3. |
3-4. |
4-5. |
5-6. |
6-7. |
7-8. |
8-9. |
9-10. |
10-11 |
11-12 |
|
i, % |
55 |
40 |
25 |
25 |
25 |
40 |
45 |
65 |
70 |
65 |
45 |
45 |
|
Pi |
2,75 |
2 |
1,25 |
1,25 |
1,25 |
2 |
2,25 |
3,25 |
3,5 |
3,25 |
2,25 |
2,25 |
|
Час |
12-13 |
13-14 |
14-15 |
15-16 |
16-17 |
17-18 |
18-19 |
19-20 |
20-21 |
21-22 |
22-23 |
23-24 |
|
i, % |
35 |
35 |
45 |
55 |
55 |
60 |
70 |
80 |
85 |
85 |
75 |
60 |
|
Pi |
1,75 |
1,75 |
2,25 |
2,75 |
2,75 |
3 |
3,5 |
4 |
4,25 |
4,25 |
3,75 |
3 |
Суммарный график нагрузок потребителей определяется с учетом потерь мощности на тупиковой понизительной подстанции.
Суммируя значения мощностей iх-ступеней графиков нагрузки всех потребителей и потери мощности на подстанции для каждой ступени, получают суммарный (совмещенный) график нагрузки подстанции для сезонов (зима, лето) согласно выражения:
P пс(i)=P(i) + Pпост. + Pпер.+ Pс.н. МВА, (1.2)
где P(i) суммарная мощность всех предприятиями i-ступени;
Pпост. постоянные потери, которые составляют 1% от Pmax,
где Pmax - максимальное значение активной мощности i-ступени совмещенного графика, Pmax = 23,0 МВт [8,13];
Pпост.=0,01 Pmax, (1.3)
Pпост.=0,01 · 23 = 0,23 МВА;
Pс.н. потери на собственные нужды, составляют 0,5% от Pmax
Pс.н.= 0,005 Pmax, (1.4)
Pс.н.= 0,005 · 23 = 0,1, МВА,
Pпер переменные потери, зависящие от значения мощности каждой ступени и вычисляются по формуле [8,13]:
Pпер = P (i)2 / 10 Pmax, МВА. (1.5)
Расчет суммарных графиков нагрузки потребителей (зима, лето) на шинах подстанции сведен в таблицы 1.7 1.8.
Таблица 1.7
Суммарный зимний график нагрузки подстанции
|
Час |
0-1. |
1-2. |
2-3. |
3-4. |
4-5. |
5-6. |
6-7. |
7-8. |
8-9. |
9-10. |
10-11 |
11-12 |
|
Pi |
13,8 |
11,5 |
9,2 |
9,2 |
10,4 |
12,7 |
16,1 |
18,4 |
19,6 |
16,1 |
11,5 |
10,4 |
|
Рпост |
0,23 |
|||||||||||
|
Рс.н. |
0,12 |
|||||||||||
|
Рпер |
0,8 |
0,6 |
0,4 |
0,4 |
0,5 |
0,7 |
1,1 |
1,5 |
1,7 |
1,1 |
0,6 |
0,5 |
|
Pпсi |
15,0 |
12,4 |
9,9 |
9,9 |
11,2 |
13,7 |
17,6 |
20,2 |
21,6 |
17,6 |
12,4 |
11,2 |
|
Час |
12-13 |
13-14 |
14-15 |
15-16 |
16-17 |
17-18 |
18-19 |
19-20 |
20-21 |
21-22 |
22-23 |
23-24 |
|
Pi |
9,2 |
9,2 |
13,8 |
16,1 |
18,4 |
20,7 |
23,0 |
23,0 |
21,9 |
19,6 |
18,4 |
16,1 |
|
Рпост |
0,23 |
|||||||||||
|
Рс.н. |
0,12 |
|||||||||||
|
Рпер |
0,4 |
0,4 |
0,8 |
1,1 |
1,5 |
1,9 |
2,3 |
2,3 |
2,1 |
1,7 |
1,5 |
1,1 |
|
Pпсi |
9,9 |
9,9 |
15,0 |
17,6 |
20,2 |
22,9 |
25,7 |
25,7 |
24,3 |
21,6 |
20,2 |
17,6 |
Таблица 1.8
Суммарный летний график нагрузки подстанции
|
Час |
0-1. |
1-2. |
2-3. |
3-4. |
4-5. |
5-6. |
6-7. |
7-8. |
8-9. |
9-10. |
10-11 |
11-12 |
|
Pi |
12,7 |
9,2 |
5,8 |
5,8 |
5,8 |
9,2 |
10,4 |
15,0 |
16,1 |
15,0 |
10,4 |
10,4 |
|
Рпост |
0,22 |
|||||||||||
|
Рс.н. |
0,11 |
|||||||||||
|
Рпер |
0,7 |
0,4 |
0,2 |
0,2 |
0,2 |
0,4 |
0,5 |
1,0 |
1,2 |
1,0 |
0,5 |
0,5 |
|
Pпсi |
13,7 |
9,9 |
6,2 |
6,2 |
6,2 |
9,9 |
11,2 |
16,3 |
17,6 |
16,3 |
11,2 |
11,2 |
|
Час |
12-13 |
13-14 |
14-15 |
15-16 |
16-17 |
17-18 |
18-19 |
19-20 |
20-21 |
21-22 |
22-23 |
23-24 |
|
Pi |
8,1 |
8,1 |
10,4 |
12,7 |
12,7 |
13,8 |
16,1 |
18,4 |
19,6 |
19,6 |
17,3 |
13,8 |
|
Рпост |
0,22 |
|||||||||||
|
Рс.н. |
0,11 |
|||||||||||
|
Рпер |
0,3 |
0,3 |
0,5 |
0,7 |
0,7 |
0,9 |
1,2 |
1,6 |
1,8 |
1,8 |
1,4 |
0,9 |
|
Pпсi |
8,7 |
8,7 |
11,2 |
13,7 |
13,7 |
15,0 |
17,6 |
20,3 |
21,6 |
21,6 |
18,9 |
15,0 |
По результатам конечной суммы Pпс(i) таблиц 1.7 1.8 для сезонов года (зима, лето) строятся графики суммарной (совмещенной) нагрузки подстанции с учетом потерь (рисунки 1.3 и 1.4).

Рисунок 21.3 Зимний график суммарной (совмещенной) нагрузки подстанции
с учетом потерь

Рисунок 1.4 Летний график суммарной (совмещенной) нагрузки подстанции
с учетом потерь
Построение графика полной мощности подстанции необходимо для выбора и проверки на перегрузочную способность силовых трансформаторов на понизительной подстанции.
Произведем расчет средневзвешенного коэффициента мощности нагрузки для каждой ступени графика нагрузки - tg св (i) по [10]:
tg св(i) = P1(i) · tg 1 + P2(i) · tg 2 +…./ P1-n(i) (1.6)
Затем вычисляем полную мощность с учетом выше найденных средневзвешенных коэффициентов для каждого часа графика полной мощности подстанции по [10]:
, (1.7)
где P(i) сумма активных мощностей i-ой ступени графика полной мощности подстанции.
Результаты расчетов сведены в таблицы 1.9 и 1.10.
Таблица 1.9
Полная мощность подстанции в зимний период
|
Час |
0-1 |
1-2 |
2-3 |
3-4 |
4-5 |
5-6 |
6-7 |
7-8 |
8-9 |
9-10 |
10-11 |
11-12 |
|
tgcвi |
0,54 |
0,54 |
0,54 |
0,54 |
0,54 |
0,54 |
0,54 |
0,54 |
0,54 |
0,54 |
0,54 |
0,54 |
|
Pпсi |
15,0 |
12,4 |
9,9 |
9,9 |
11,2 |
13,7 |
17,6 |
20,2 |
21,6 |
17,6 |
12,4 |
11,2 |
|
S(i) |
17,0 |
14,1 |
11,3 |
11,3 |
12,7 |
15,6 |
20,0 |
23,0 |
24,5 |
20,0 |
14,1 |
12,7 |
|
Час |
12-13 |
13-14 |
14-15 |
15-16 |
16-17 |
17-18 |
18-19 |
19-20 |
20-21 |
21-22 |
22-23 |
23-24 |
|
tgcвi |
0,54 |
0,54 |
0,54 |
0,54 |
0,54 |
0,54 |
0,54 |
0,54 |
0,54 |
0,54 |
0,54 |
0,54 |
|
Pпсi |
9,9 |
9,9 |
15,0 |
17,6 |
20,2 |
22,9 |
25,7 |
25,7 |
24,3 |
21,6 |
20,2 |
17,6 |
|
S(i) |
11,3 |
11,3 |
17,0 |
20,0 |
23,0 |
26,1 |
29,2 |
29,2 |
27,6 |
24,5 |
23,0 |
20,0 |
Таблица 1.10
Полная мощность подстанции в летний период
|
Час |
0-1 |
1-2 |
2-3 |
3-4 |
4-5 |
5-6 |
6-7 |
7-8 |
8-9 |
9-10 |
10-11 |
11-12 |
|
tgcвi |
0,54 |
0,54 |
0,54 |
0,54 |
0,54 |
0,54 |
0,54 |
0,54 |
0,54 |
0,54 |
0,54 |
0,54 |
|
Pпсi |
13,7 |
9,9 |
6,2 |
6,2 |
6,2 |
9,9 |
11,2 |
16,3 |
17,6 |
16,3 |
11,2 |
11,2 |
|
S(i) |
15,6 |
11,3 |
7,1 |
7,1 |
7,1 |
11,3 |
12,7 |
18,5 |
20,0 |
18,5 |
12,7 |
12,7 |
|
Час |
12-13 |
13-14 |
14-15 |
15-16 |
16-17 |
17-18 |
18-19 |
19-20 |
20-21 |
21-22 |
22-23 |
23-24 |
|
tgcвi |
0,54 |
0,54 |
0,54 |
0,54 |
0,54 |
0,54 |
0,54 |
0,54 |
0,54 |
0,54 |
0,54 |
0,54 |
|
Pпсi |
8,7 |
8,7 |
11,2 |
13,7 |
13,7 |
15,0 |
17,6 |
20,3 |
21,6 |
21,6 |
18,9 |
15,0 |
|
S(i) |
9,9 |
9,9 |
12,7 |
15,6 |
15,6 |
17,1 |
20,0 |
23,1 |
24,6 |
24,6 |
21,5 |
17,1 |
По полученным значениям мощностей S(i) строятся графики полной мощности подстанции (рисунки 1.5 и 1.6).

Рисунок 1.5 Зимний график полной мощности подстанции

Рисунок 1.6 Летний график полной мощности подстанции
Для жилых микрорайонов продолжительность использования максимальной нагрузки равна Tmax = 6000 часов.
Данная величина показывает, сколько часов за рассматриваемый период установка должна была бы работать с неизменной максимальной нагрузкой, чтобы отпустить с шин подстанции действительное количество электрической энергии Wп за этот период времени.
Время максимальных потерь:
Выводы по разделу 1
Подводя итог вышесказанному, следует заметить, что Московская область с прилегающими акваториями имеет огромный природно-ресурсный потенциал.
ГЛАВА 2. ПРАКТИЧЕСКАЯ ЧАСТЬ
2.1 Выбор силовых трансформаторов
Число силовых трансформаторов, которые устанавливаются на понизительных подстанциях всех категорий принимается, как правило, не более двух. При установке 2-х трансформаторов и отсутствия резервирования по сетям низшего напряжения мощность каждого из них выбирается с учетом загрузки трансформатора не более 70% от суммарной максимальной нагрузки подстанции в номинальном режиме.
Мощность силового трансформатора на понизительной подстанции должна быть такой, чтобы при выходе из работы одного из них второй воспринял основную нагрузку подстанции с учетом допускаемой перегрузки в послеаварийном режиме и возможного временного отключения потребителей третьей категории. В соответствии с существующей практикой проектирования мощность трансформаторов на подстанции рекомендуется выбирать из условия допустимой перегрузки в послеаварийных режимах до 40% на время максимума по условию [2,7]:
Sн.тр. Smax / 1,4, (2.1)
где Smax - максимальная расчетная мощность подстанции по расчету раздела 1.5
Sн.тр. 29,2 / 1,4 = 20,9 МВА,
Принимаем трансформатор ТРДН-25000/110/10. Технические характеристики трансформаторов сводим в таблицу 2.1 [11,13]
Таблица 2.1
Технические характеристики трансформаторов ТРДН-25000/110/10
|
Номинальная мощность Sнт, (МВА) |
25 |
|
Номинальное напряжение на стороне ВН UВН, кВ |
110 |
|
Номинальное напряжение на стороне НН UНН, кВ |
10,5 |
|
Напряжение КЗ (ВН-НН) Uк, % |
10,5 |
|
Ток ХХ ix, % |
0,75 |
|
Потери КЗ Рк, кВт |
121 |
|
Потери ХХ Рх, кВт |
31,5 |
2.2 Выбор главной схемы электрических соединений подстанции
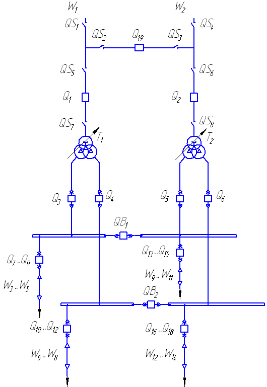
В общем виде принципиальная схема понизительной районной подстанции представлена на рисунке 2.1. Распределительное устройство (РУ) высокого напряжения (ВН) выполнено по схеме «Два блока с выключателями и неавтоматической перемычкой со стороны линии»; РУ низкого напряжения (НН) по схеме «Две, секционированные выключателем, системы шин».

Q1…Q19 выключатели; QS1… QS8 разъединители; W1, W2 питающие линии, W3… W14 - отходящие линии; Т1, Т1 силовые трансформаторы; QB1, QB2 секционные выключатели
Рисунок 2.1 Главная схема электрических соединений подстанции
Принцип работы подстанции, представленной на рисунке 1.1, вкратце можно описать следующим образом:
- в нормальном режиме выключатели Q1, Q2, Q3, Q4, Q5 и Q6 включены. Ремонтная перемычка разомкнута разъединителями QS3 и QS2 и выключателем Q19. Разъединители QS1, QS4, QS5, QS6, QS7, QS8 замкнуты. Питание потребителей осуществляется по двумя высоковольтными линиями W1 и W2 через выключатели и разъединители, а затем через трансформаторы;
- при выводе в ремонт линии W1(W2) или ее повреждении отключаются выключатель Q1, Q3 и Q4 (Q2, Q5 и Q6) и трансформатор Т1 (Т2) на некоторое время остается без питания, при этом на стороне низшего напряжения действием устройств автоматического включения резервного питания (АВР), будут включены секционные выключатели QB1 и QB2 и электроснабжение потребителей не нарушиться;
- при повреждении трансформатора Т1 (Т2) газовая защита, дифференциальная защита или максимально токовая защита отключает выключатели на низшей стороне Q3 и Q4 (Q5 и Q6) трансформатора и на высшей стороне Q1 (Q2). После этого на стороне низшего напряжения действием АВР будет включен секционный выключатель и электроснабжение потребителей не нарушится.
Следует отметить, что недостатком представленной схемы является тот факт, что при аварии в линии автоматически отключается поврежденная линия и трансформатор.
2.3 Выбор марки и сечения проводов линий высокого и
низкого напряжения
В ЛЭП напряжением 10-110 кВ принимаем провод сталеалюминевый АС [2]. Сечения проводов ЛЭП в нормальном режиме определяем из экономической плотности тока [2,12]. Экономическое сечение проводника линии определяется по формуле [12]
, (2.2)
где Imax - максимальный ток нормального рабочего режима
jэк. экономическая плотность тока, зависящая от материала проводника и Tmax [2,11]. Для неизолированных проводов при Tmax > 5000 jэк. = 1,0 А/мм2.
Максимальный ток нормального рабочего режима определяем по формуле:
(2.3)
где Smax максимальная расчетная мощность линии, МВА
UНОМ напряжение воздушной линии, кВ.
n- количество цепей воздушной линии.
По величине экономического сечения принимаем ближайшее стандартное сечение проводника [9,11,13].
Выбранное сечение должно удовлетворять условию нагрева [2]:
Imax Iдоп , (2.4)
где Iдоп длительно допустимый ток провода по [9,11,13].
Результаты выбора сечений проводов сводим в таблицу 2.2.
Таблица 2.2
Результаты выбора ВЛ-110 кВ и ВЛ-10 кВ
|
Назначение |
Smax, (МВА) |
Imax, (A) |
Fэк, (мм2) |
Провод |
Iдоп, (А) |
|
Питающая ВЛ 110 кВ |
29,2 |
73 |
73 |
АС-95/16 |
330 |
|
Микрорайон 1 |
4/0,78 |
141 |
141 |
АС-150/24 |
450 |
|
Микрорайон 2 |
4/0,76 |
145 |
145 |
АС-150/24 |
450 |
|
Микрорайон 3 |
3/0,95 |
87 |
87 |
АС-95/16 |
330 |
|
Микрорайон 4 |
4/0,93 |
118 |
118 |
АС-120/19 |
375 |
|
Микрорайон 5 |
5/0,91 |
151 |
151 |
АС-150/24 |
450 |
|
Микрорайон 6 |
3/0,95 |
87 |
87 |
АС-95/16 |
330 |
Проверим провода питающей линии 110 кВ по условиям короны [2,6,9].
Правильный выбор сечения проводника обеспечивает снижение действия короны до допустимых значений. Провода не будут коронировать если максимальная напряженность поля у поверхности любого провода будет не более 0,9 Ео [6,8] то есть Еmax 0,9 Ео кВ/см - при расположении проводов в треугольник
Максимальная напряженность поля у поверхности нерасщепленного провода:
, (2.5)
где U - линейное напряжение, кВ,
rо радиус провода, см,
Dср. среднее геометрическое расстояние между проводами фаз, см;
кВ/см.
Начальное значение критической напряженности электрического поля:
, (2.6)
где m коэффициент, который учитывает шероховатость поверхности провода, принимаем m=0,82
кВ/см.
0,9 Ео = 0,9 27,7 = 24,9 кВ/см Еmax = 3,5 кВ/см.
Выбранный провод проходит по условию короны.
2.4 Расчет токов короткого замыкания
Основная причина аварийных режимов в электрических установках это трехфазные, двухфазные, двухфазные на землю и однофазные короткие замыкания.
Расчеты аварийных режимов при проектировании электроустановки нужны для выбора аппаратуры подстанции и проверки токоведущих частей на их термическую и электродинамическую стойкость, и кроме того для расчета релейной защиты и заземляющих устройств.
Все элементы сети необходимо представить схемами замещения. На данных схемах приводим активные и индуктивные сопротивления элементов, по которым могут протекать токи КЗ.
Схема замещения для нашего варианта сети представлена на рисунке 2.11

Рисунок 2.2 Схема замещения для расчета токов КЗ
На рисунке 2.2: Хс, Xл, Xт - индуктивные сопротивления системы, ВЛ-110 кВ, силовых трансформаторов.
Rл, Rт активные сопротивления ВЛ-110 кВ, силовых трансформаторов.
n количество цепей ВЛ-110 кВ, трансформаторов на подстанции.
Расчет токов КЗ выполняем в системе именованных единиц [4,7].
Расчет сопротивлений схем замещения системы, ВЛ-110 кВ, трансформаторов. При КЗ на шинах ВН подстанции (точка К1) индуктивное сопротивление системы определяется по выражению [4,5,6,7]:
; (2.7)
Ом.
Активное сопротивление ВЛ-110 кВ [2,3,4,5]:
Rл = r0·L. (2.8)
Реактивное сопротивление ВЛ-110 кВ [2,3,4,5]:
Xл = x0·L. (2.9)
где L - длина ЛЭП, км;
r0 , x0 удельные активные и индуктивные сопротивления провода, Ом/км [11,13].
Rл = 0,306 · 40 = 18,36 Ом;
Xл = 0,397 · 40 = 23,82 Ом.
При коротком замыкании на шинах НН подстанции (точка К2), индуктивное сопротивление системы определяется по формуле:
, (2.10)
где Uс.н.2 средне-номинальное напряжение ступени КЗ, Uс.н.2 = 10,5 кВ.
Ом.
Активное сопротивление ВЛ-110 кВ:
; (2.11)
Ом.
Реактивное сопротивление ВЛ-110 кВ [4,5,6,7]:
; (2.12)
Ом.
Расчетные сопротивления обмоток трансформатора:
активное сопротивление трансформатора:
; (2.13)
Ом;
; (2.14)
Ом;
реактивное сопротивление трансформатора:
, (2.15)
Ом,
, (2.16)
Ом.
|
где |
напряжение короткого замыкания трансформатора; |
|
|
UНН |
средне-номинальное напряжение обмотки НН; |
|
|
номинальная мощность трансформатора. |
Суммарные активное и реактивное сопротивления цепи трансформатора при КЗ на шинах низшего напряжения:
rТ = rВН + rНН1 = 0,002 + 0,03 = 0,03 Ом. (2.17)
хТ = хВН + хНН1 = 57,88 + 810,34 = 868,22 Ом. (2.18)
Результирующее сопротивление до точки короткого замыкания К1:
; (2.19)
Ом.
Результирующее сопротивление до точки короткого замыкания К2:
; (2.20)
Ом.
Расчет трехфазного КЗ на шинах 110 кВ в точке К-1:
, (2.21)
А = 2,1 кА.
Расчет трехфазного КЗ на шинах 10,5 кВ в точке К-2:
, (2.22)
кА.
Ударный ток на ВН:
, (2.23)
где kу - ударный коэффициент, определяемый по выражению [4,7];
(2.24)
где Та - постоянная времени затухания апериодической составляющей тока короткого замыкания, которая может быть определена по формуле:
(2.25)
где Хрез, Rрез соответственно результирующие (суммарные) индуктивные и активные сопротивления до точек КЗ (т.т. К1 и К2);
= 2f угловая частота (f = 50 Гц).
= 2 · 3,14 · 50 = 314 рад/с.
с;
с;
кА.
кА.
2.5 Выбор основного оборудования, токоведущих частей и КИП
Выбор и проверка ошиновки распределительного устройства высокого напряжения.
Токоведущие части в РУ высокого напряжения выполняются гибкими сталеалюминевыми проводами марки АС. Сечение проводников и ошиновка в пределах ОРУ было выбрано в пункте 2.3.
Гибкие провода крепятся на гирляндах подвесных изоляторов типа ПФ6-В с числом изоляторов в гирлянде 6 при напряжении 110 кВ.
Выбор и проверка ошиновки распределительного устройства низкого напряжения.
Соединение силового трансформатора с КРУ выполним шинным мостом. Согласно ПУЭ /1/ в пределах открытых и закрытых распределительных устройств всех напряжений шины и ошиновка по экономической плотности тока не проверяются. Так как шинный мост, соединяющий трансформатор с КРУ, небольшой длины и находится в пределах подстанции, то выбор сечения шин производится по нагреву (по допустимому току):
, (2.26)