Тапсырмалар мен мысалдар трінде берілген инженерлік графика негіздері
АЗАСТАН РЕСПУБЛИКАСЫ БІЛІМ ЖНЕ ЫЛЫМ МИНИСТЕРЛІГІ
АРААНДЫ МЕМЛЕКЕТТІК ТЕХНИКАЛЫ УНИВЕРСИТЕТІ
Ж.З. Рамазанова, Л.Н. Демидович, Л.Н. Безуглова
Тапсырмалар мен мысалдар трінде берілген инженерлік графика негіздері
араанды 2008
АЗАСТАН РЕСПУБЛИКАСЫ БІЛІМ ЖНЕ ЫЛЫМ МИНИСТЕРЛІГІ
АРААНДЫ МЕМЛЕКЕТТІК ТЕХНИКАЛЫ УНИВЕРСИТЕТІ
рылыс материалдар мен бйымдар технологиясыны кафедрасы
Ж.З. Рамазанова, Л.Н. Демидович, Л.Н. Безуглова
Тапсырмалар мен мысалдар трінде берілген инженерлік графика негіздері
ылыми жрдем ретінде университетті
ылыми жиналысымен бекітілген
араанды 2009
УДК 514.18 (075)
ББК 30.11 я 73
Д30
Университетті редакциалы- баспа кеесімен сынылан:
Рецензенттер:
Ахметова С.С арМТУ-ды техникалы ылыми кандидаты
Егоров В.В. Е.А. Букетов атындаы арМУ-ды педагогиклы ылыми докторы, техникалы ылым кандидаты, профессор.
Смирнов Ю.М. арМУ-ды техникалы ылым докторы, профессор, арМТУ-ды баспа-редакциялы кеесті мшесі.
Рамазанова Ж.З., Демидович Л.Н., Безуглова Л.Н.
Д30 Мысалдар мен тапсырмалардаы инженерлік графика: Оу ралы Рамазанова Ж.З., Демидович Л.Н., Безуглова Л.Н.; араанды Мемлекеттік Техникалы Университет. - араанды: арМТУ-баспасы, 2009.102 б.
ISBN 9965-710-19-8
сынылып отыран оу ралы кндізгі оу нысандаы 1 курс студенттеріне сынылан жне студенттерді зіндік дайындалуына арналан тапсырмалардан, жалпы геометриялы сызба курсына кіретін тапсырмаларды шешілуінен ралады. Оу ралы бес блімінен трады. рбір блімде студент з бетімен не тжіриебелік жаттыуларда орындай алатын техникалы сызбалар мен тапсырмаларды оу мен шешу туралы апарат бар.
Авторлар оу ралдаы материалды сраптау мен орналастыру кезінде инженерлерге ойылатын графикалы дайындытаы азіргі заман талаптарымен жне студентті зіндік дайындалуына баытталу талаптары (санасан) ескерген. Материал барлы оу бадармаларыны таырыптары бойынша сынылан. Бл з кезегінде техникалы профильдегімамандытар шін студенттерді дайында дегейі байланысты ауырлыы р трлі тапсырмаларды олдануа ммкіндік береді.
Оу ралы тртібіні мемлекеттік стандартына сйкес растырылан жне мынандай мамандытары арналан: 0507024 «Технологиялы машиналар мен рылылар», 050709 «Металургия», 050716 «рылы растыру», 050710 «Материалтану мен жаа материалдар технологиясы», 050901 «Кліктік тасымалдау, озалысы мен олданылуы йымдастыру», 050713 «Клік, кліктік техника мен технология», 050718 «Электроэнергетика», 050717 «Жылу энергиясы», 050719 «Радиотехника, Электроника жне телекомуникация», 050707 «Тау ке ісі», 050904 «Трмыс ызмет крсету мен сервис», 050731 «ауіпсіз мірсалты мен оршаан ортаны орау», 050712 «Машинарастыру», 050732 «Стандарттау, метрология мен сертификаттау».
УДК 514.18 (075)
ББК 30.11 я 73
ISBN 9965-710-19-8
© Караанды мемлекеттік техникалы университеті, 2009
Мазмны
Кіріспе __________________________________________________________5
1 ГЕОМЕТРЛІКСЫЗБА____________________________________________6
1.1 ЕСКД стандарттары. Сызбаларды белгілеу ережелері__________________6
1.1.1 Нысаны, негізгі жазбалар_________________________________________6
1.1.2 Масштаптар____________________________________________________6
1.1.3 Тзулер ________________________________________________________6
1.1.4 Шрифттер ______________________________________________________7
1.1.5 Материалдыоды географиалы белгілеу____________________________7
1.2 лшемдерін белгілеу_______________________________________________7
1.3 Сопа детальдарды лшемдерін белгілеу жаттыулар___________________8
1.4 Геометриялы растыру____________________________________________9
1.4.1 Конусты _______________________________________________________9
1.4.2 Енкіш __________________________________________________________10
1.4.3 Ыыстыру ______________________________________________________ 10
1.5 Негізгі жазба ______________________________________________________11
1.6 «Геометриялы сызба» блімі бойынша баылу сратар _________________12
2 ЖОБАЛАУ СЫЗБАСЫ____________________________________________22
2.1 Суреттерді жіктеу___________________________________________________22
2.1.1 Трлері __________________________________________________________22
2.2 Негізгі трлеріне жаттыулар__________________________________________23
2.3 ПЧ1 графикалы модулішін тапсырмалар ______________________________36
2.4 Кескіндерді жіктелуі________________________________________________40
2.5 Тр мен кескіндерді осылуына жаттыулар____________________________41
2.6 Сеченияларды жіктелуі _____________________________________________47
2.7 Дрыс сечения тадауа арналан жаттыулар___________________________49
2.8 Сечения мен кескіндердірастырылуына жаттыулыр___________________50
2.9 Шыарылатын элементтер___________________________________________ 52
2.10 Суреттерді оуа арналан жаттыулар (трлерді, кескін, има,
шыарылатын элементтерді ), ______________________________________53
2.11 Крделі кескіндерді орындау ПЧ2 графикалы модулі
шін жаттыулар_______________________________________________________54
2.12 «Жобаларды сызу» _________________________________________________60
3 РАЗЪЕМДІ ОСЫНДЫЛАР__________________________________________68
3.1 осындылыр жіктелуі _______________________________________________68
3.2 Резъболы осындылар ______________________ ________________________69
3.3 Резъбоны белгіленуі мен жіктеленуі__________ _________________________69
3.4 Жіктелу белгісіне арай резъбоны анытау жаттыуларо___________________70
3.5 Резьбоныконструктивті жне технологиялы элеметтер___________________71
3.6 Резьбаны белгілеу мен суреттеуге арналан жаттыулар____________________72
3.7 «Разъемді» осындылар РС3 графикалы модуль__________________________74
3.8 «Разъемді осындылар» бліміні баылау сратары _____________________77
4МАШИНА РАСТЫРУШЫЛЫ СЫЗУ_______________________________83
4.1 рылыларды трлері_______________________________________________ 83
4.2 Конструторлы жаттарды трлері____________________________________ 83
4.3 Жинау сызбасы______________________________________________________ 84
4.4 рылыны конструторлы жаттылыын оуа арналан тжіриебелік
тренинг ____________________________________________________________86
4.5 «Машинарастырудаы сызу» бліміндегі баылау
сратары _____________________________________________________________87
5 Жалпы кріністегі сызбаны оу мен детальдеу _________________________ 90
5.1 Жалпы кріністегі сызбаны оу ________________________________________ 90
5.2 Детальдеуді орындаудаы кезектілік ____________________________________91
5.3 ралыны конструктивті элеменнтерін суреттеу_________________________92
5.4 Істерлік ойын ________________________________________________________94
5.5 «Жалпы кріністегі сызбаларды оу мен детальдеу» графикалы
модуліне тапсырмалары ________________________________________________ 95
5.6 «Жалпыкріністегі сызбаны оу» бліміне арналан баылау сратары_________95
Кіріспе
Инженерлі техникалы мамандытарды оу процесі кезіндегі ерекше орына инженерлі графика ие болып отыр, ол базалы білімді алыптастыру арылы арнай тртіптерді зерттеуге, студенттерді курстты жмыстарды, дипломды жобаларды жасау жне болашатаы ксіптік ызмет етуге ммкіндік береді.
Оу ралы жоары жне орта оу орындарындаы студенттерге арналан «Инженерлі графика» курсыны бадарламасынан арастырылан барлы таырыптарды амтиды.
Оу ралыны ерекшелігі теориялы материалды тжіриебедегі мысалдармен, стандарттарда крініс тапан конструкторлы жаттарды орындалу ережелерімен тыыз байланыста болып отыр.
зін-зі тексеруге арналан мысалдар мен сратар жалпы оу курсыны рамдас блігі болып табылады жне оытылатын материалдарды бекітуге арналан, сонымен атар ЖОО мен ОМОО тлектерін дайындау дегейіні жне рамындаы жиілігін минимума жеткізуіні, Мемлекеттік білім беру стандарттарына сйкес талаптарды орындау мен студенттерді білім дегейі баылауа арналан.
Оу ралы студенттерге арнайы оу тртібін мегеруге, оларды техникалы кзарастарын кеейтуге жне сызбасы бар кез келген техникалы дебиетті саналы трде оуа ммкіндік береді.
Авторлар оу ралдаы материалдарды сраптау мен орналастыру кезінде инженерлерге ойылатын графикалы дайындытаы азіргі заман талаптарымен жне студенттерді зіндік дайындалуына баытталу талаптарын ескерген.
Оу ралында графикалы тапсырмаларды нсалары мен сызбаларды орындалу лгілері келтірілген. Осы масаттарды кзде отыра, рбір блімде КБЖ бойынша техникалы сызбаларды белгілеуді жне орындау мен оу бойынша апараты бар саласында керекті білімді алыптастыратын графикалы иллюстрацияларды жеткілікті саны сынылады.
1 ГЕОМЕТРИЯЛЫ СЫЗБА
1.1 КБЖ стандартары. Сызбалар белгілеуді ережелері.
1.1.1 Форматтар, негізгі жазбалар.
Инженерлік графика техникалы жаттарда шоырланан графикалы лгілерді арасында техникалы апаратты сызбаа жеткізуді дістері мен ережелері туралы ылым. Конструкторлы жаттарды дайындау, белгілеу мен пайдаланудаы зара байланысан ережелері мен станымдары барлы конструкторлы жаттамаа таралатын трлерге атысты Конструкторлы жаттаманы бірыай жйесімен реттеледі.
2№301-68 МЕСТ-ке сйкес формат деп жеішіке ттас сызыпен айындалан сырты шектермен шектелген сызбанын кеістік лшемдері аталады. Барлы негізгі форматтар 1189х841 мм лшемдегі 1м2 аумаындаы АО форматынан бастау алады. Келесі кіші форматтар А1,А2,А3,А4- жне (А5) форматтарыбдан брыы лкен форматтарды ыса жаына сйкес дл аа блу арылы жасалады.
1.1.2 Масштабтары.
Масштабтар сызбадаы кескіндер сызытарыны лшемдері мен тп нсадаы (натурадаы) кескіндер сызытарыны лшемдері арасындаы атынасы. Масштапты тадау сызбаны масатына арай денелерді пішінімен лшемдерді байланысты болып отыр. Бір атар масштаптар 2.302-68 МЕСТ аныталан.
1.1.3 Тзулер.
2.303-68 МЕСТ- инженерлік графикадаы олданылатын тзулерді 9 типін анытайды. Оларды параметрлері негізгі жуан ттас тузуді параметрлерінен айындалады. Ал жуан тзу тадалан суреттін жне форматты крделігі, лкендігіне байланысты 0,5 - 1,4 мм лшемімен енін айындаймыз. Осы сызбадаы бір масштапта орындалан рбір тзуді параметрлері осы сызбадаы бір масштапта орындалан рбір тзуді параметрлері осы сызбадаы барлы суреттерге бірдей болуы керек.
1.1.4 Шрифттер.
2.304-81 МЕСТ орыс, латын жне грек алфавитіні ріптеріні, цифрлар мен 1/14 жне 1/10 сйкесінше еселенген А жне Б, тік жне исанан шрифттер типтері шін графикалы белгіленуі.
1.1.5 Материалдарды графическалы белгіленуі.
ндірісті барлы салаларындаы кескіндерді материалдарда графикалы белгіленуіні 2.306-68 МЕСТ-пен аныталады. Оан сйкес штрих жргізу материал трінде туелді немесе туелсіз жргізілуі ммкін.
1.2 лшемдерді белгілеу.
лшемдер лшемдік сандар мен лшемдік тзулер арылы жазылады. лшемдерді белгілеу бойынша тапмсырмаларды орындау алдында 2.307-68 МЕСТ арылы ойылатын келесілей ережерлерімен танысу керек:
- контурдан бірінші лшемдік тзуге дейінгі минималдыараашыты 10 мм-ден кем емес болуы керек, кршілес лшемдік тзулерарасындаы араашытылы 7 мм-ден емес;
- лшемдік сандар натуралды лшемдерге сйкес келеді.
- сандар ммкіндігінше лшемдік тзулер ортасында (лшем бірлігін крсетпей) миллиметрлермен белгіленеді;
- брыштарды лшемдік сандары лшемні бірліктерімен айындалады (градус, мин,сек);
- тзулердегі лшемдерді жалпы саны минимальді болуы керек;
- рбір лшемді бір реттенана белгілеуі керек;
- лшемдік тзулерді суретті контурынан тысары кеістікте ммкіндігінше белгілеу керек;
- шыыс тзулер лшем тзулеріні баыттаушыларынан 1…5 мм шыып трады;
- лшемдік тзулер соына баыттаушылармен шектеледі;
- лшемдік тзулер баыттаушысыны элементтеріні лкенділігі негізігі жуан ттас тзуді еніне байланысты айындалады жне сызбаны барлы кеістігінде бірдей шамамен 2,5 - 6 мм зындыпен сызады.
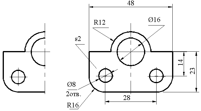
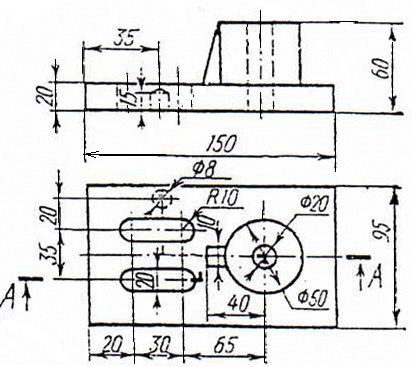
1.3 Сопа детальдерді лшемдерін белгілеуге арналан жаттыулар.
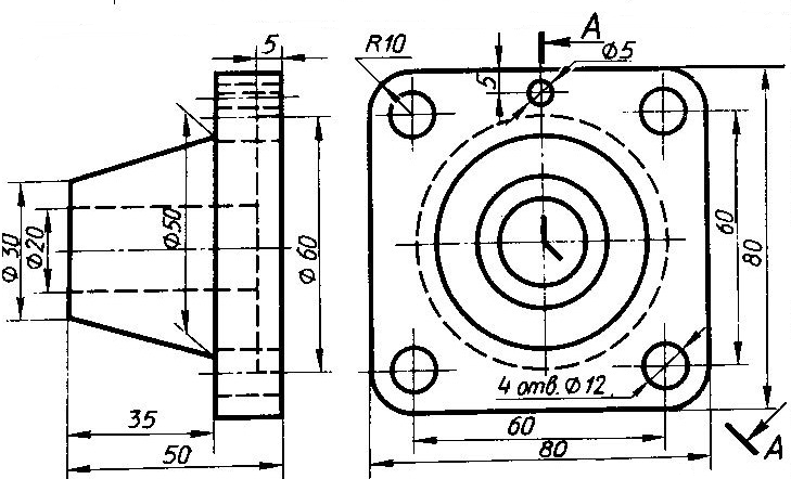
Сопа детальдерді суреттерін сынылан блшектерді симетриялы осьтерімен шектелетіндігі ескере отырып аятау. Суретті лайту. лшемжерін жазу. Сопа детальдерді алыдыы 2 мм.

1 сурет. Сопа детальдерді суреттелуі мен лшемдеріні белгіленуі.
лшемдерімен белгіленді бойынша тапсырмалар 1кестеде крсетілген.
1 кесте - лшемдерін белгілеуді жаттыулары шін арналан тапсырмалар.
|
Нса 1 Нса 2 Нса 3 Нса 4 |
|
Нса 5 Нса 6 Нса 7 Нса 8 |
1 кестені жаласы
|
|
|
Нса 13 Нса 14 Нса 15 Нса16
|
|
Нса 17 Нса 18 Нса 19 Нса 20 |
|
Нса 21 Нса 22 Нса 23 Нса 24 |
1.4 Геометриялы рылым.
Геометриялы рылымдара конустылыты, енкіштін, ыыстырушысы, шеберді а екі блікке блінуіні аныталуы мен рылымы жатызылады..
1.4.1 Конусты
Конустылы бл екі арама-арсы клдене кесілген конустардан диаметрлер айырмашалааны оларды ара ашытыына деген араатынасын айтамыз. Конустылыты айындайтын лшемділік санны алдында конустылыты белгісі ойылады. Ол екі абырасы те шбрыш кейіпінде суреттерлерді (2сур). Машина растыруда олданылатын 8593-81 МЕСТ 1:50 -1:0.866 интервалындаы конустылыты бекітеді.

2 сурет. Конустылыты белгілеуді мысалдары

3 сурет. Конустылыты рылуы. 4 сурет. Енкіштін рылуы.
1.4.2 Енкіш
Енкіш деп клдене мен ккжиектен кез келген ауытуды айтамыз. Енкішті сипаттайтын лшемдік санны алдында енкішті белгісін ояды. Белгіні брышы енкіштін баытына сйкес болуы тиіс, ал белгіні паралель болуы керек. Енкішті лшемі ретінде пайыз немесе араатынас олданылады. Саны бойынша енкіш брышты тангесіне те болады. 
5 сурет. Енкіш белгілеуді лгілері.
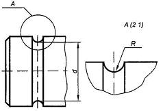
1.4.3 осылу
осылу деп тзулерді бір-біріне ауытымай ауысуына айтамыз. осылулар сырты, ішкі жне аралас болып блінеді. Сызбада осылуды радиусы мен осылу рылымыны жіішке тзулері крсетеді. осылуды рау шін, біз осылуды ортасы мен осылуды нктелерін табамыз (6-сур).

6 сурет. осылуы бар блшектін сызбасы.
Валдардаы галтельдерді осылуы лшемдерін 1.948-64 МЕСТ анытайды.
1.5 Негізігі жазба.
Форматты кеістігі (алаы) шектермен шектеледі.Оны ішіне 2.104-68* МЕСТбойынша 7-сур. Сйкес негізгі жазба орналастырылады.
7 сурет. Негізгі жазбаны лшемдері.
1.6 Геометриялы сызу блімі бойынша баылау сратары.
2 кесте - 2.301-68* МЕСТ
|
Сра |
Жауап |
|
1. Жіішке тзу сызыпен орындалатын шектермен айындалатын сызбаны кеістік лшемдері… |
a - сурет кеістігі b брылыу кеістігі c сызбаны лшемідері d рылуды лшемдері e - форматпен |
|
2. Форматтар мыналра блінеді … |
a басты жне басты емес b басты жне екінші дегейлі c басымды жне басымды емес d негізгі жне осымша e та жне жп |
|
3. Негізгі форматтарды рылуына негіз болан формат...ауданы … |
a - А4 ауданы 0,128 м2 b - А1, 1 м2 c - А0, 1 м2 d - А5, 1 м2 e - А2, 0,75 м2 |
|
4. А0 форматыны лшемдері… х … мм те |
a 841х594 мм b 1189х841 мм c 841х420 мм d 420х256 мм e 256х148 мм |
|
5. А1 форматыны лшемдері… х … мм те. |
a 841х594 мм b 814х459 мм c 954х814 мм d 841х1002 мм e 1002х764 мм |
|
6. А2 форматыны лшемдері … х … мм те |
a 594х420 мм b 420х297 мм c 420х360 мм d 297х210 мм e 210х148 мм |
|
7. А3 форматыны лшемдері … х … мм те |
a 480х297 мм b 420х297 мм c 564х420 мм d 594х420 мм e 420х360 мм |
|
8. Размеры формата А4 равны … х … мм те. |
a 420х364 мм b 420х297 мм c 297х210 мм d 210х148 мм e 594х420 мм |
|
9. А5 форматыны лшемдері … х … мм те |
a 148х105 мм b 210х160 мм c 210х297 мм d 210х148 мм e 420х297 мм |
|
10. ...формат олдануа сынылмайды. |
a - А0 c - А3 b - А1 d - А4 e - А5 |
|
11.Сызбаны шектері... тзулермен айындалады. |
a айырылан b жіішкерленген c жуандалан d - жіішке e -негізгі |
|
12. Негізгі жазба сызбаны тменгі о брышындаы сырты лшемдері… х … мм |
a 215х60 мм b 185х45 мм c 195х65 мм d 185х55 мм e 205х55 мм |
|
13. Клдене баытталан сызбалардаы 70х14 мм жазбасы … брышта орналасан |
a - сол жа тмегі, b о жа тмегі, c - жоары сол жа, d - жоары о жа, e - алыстаы сол жа |
|
14. Тік баытталан сызбалардаы 70х14 мм жазбасы (А4форматынан басасы)... брышта орналасан |
a - сол жа тмегі, b - о жа тмегі, c - жоары сол жа, d - жоары о жа, e - алыстаы сол жа |
|
15. А4 форматтаы 70х14 мм жазбасы… брышта орналасан |
a - сол жа тмегі, b - о жа тмегі, c - жоары сол жа, d - жоары о жа, e - алыстаы сол жа |
|
16. ...Форматы клдене орналаспайды |
a - А0, b - А1, c - А3, d - А4, e - А5 |
|
17. А2 форматы… А4 формата блуге болады |
a 8, b 4, c 3, d 2, e - 6 |
|
18. А1 форматты… А5 формата блуге болады |
a 6, b - 2, c - 16, d 4, e - 12 |
|
19. Сызбаны тігуге арналан сол жа жолыны ені… мм |
a 5, b 10, c - 15, d 20, e - 25 |
|
20. Клдене баытталан сызбаны 70х14 мм жазбасындаы сызба белгілерініжазылуы… жзеге асырылады … |
a тік аріппен b - исайан аріппен c - А типтегі аріппен d - шрифтом типа Б e кез келген аріппен "теріс жапен" |
3 кесте - 2.302-68* МЕСТ
|
Сра |
Жауап |
|
1. Масштаб бл: … сызыты лшемдеріні… сйкесінше сызыты лшемдеріне деген араатынасы |
a блшектер... сызбасы b тігінен орналасан блшекті... клдене орналасанны... c клдене сызбаны... тігінен орналасан блшекті... d клдене блшекті... тігінен блшекті e - сызбана ... блшектер |
|
2. Масштабты тадау мынаан байланысты … |
a сызбаны крделілігінен b жазбаны аріп нмерлерінен, c сызбаны ныыздылыына, d сызбаныі масаты, денені пішіні мен лшемдерді крделігіне байланысты, e - сызба форматына. |
|
3. ...лшемдеріне «масштаб» ымы олданылмайды. |
a - радиальді жне сызыты, b сызыты, c брышты, d радиальді, e диаметрлі. |
|
4. 1:5 масштабы... масштабы болып табылады |
a сйкеспеушілік, b кішірею c лаюды, d іс жзіндегі лшем, e - сйкестілікті |
|
5. 5:1 масштабы... масштабы болып табылады |
a лаюды, b кішірею c сйкеспеушілік, d аксонометрлік, e сйкестілікті |
|
6. 1:1 масштабы... масштабы болып табылады |
a табии лшемі b лаюды c аксонометриялы d кішірею e сйкестілікті |
|
7. 2:1масштабындаы 300 брыш... градуса те болады |
a - 600 b - 300 c - 150 d - 450 e - 900 |
|
8. 2,5:1 масштабындаы 25% енкіші…% те болады |
a - 62,5% b - 10% c - 25% d - 2,5% e - 6,25% |
|
9. 2 :1 масштабындаы 1:1 конустылы … те болады |
a - 1:2 b - 2:1 c - 3:1 d - 1:1 e - 1:3 |
|
10. 1:2 масштабында 100мм абырасы бар квадрат берілген. Сызбада квадратты абырасы … мм те болады |
a - 33,3 b 300 c 200 d 100 e - 50 |
|
11. 2:1. масштабында 100мм абырасы бар квадрат берілген. Сызбада квадратты абырасы зындыыны лшемдік саны... труы керек. |
a 200 b 25 c 150 d 50 e - 100 |
|
12. 1 : 2; 1 : 3; 1 : 2,5; 1 : 4; 1 : 5; 1 : 8; 1 : 10; 1 : 15 масштаптарынан… масштаптары ате жазылан (стандартпен арастырылан) |
a - 1:2 жне1:2,5; b жне 2:1 - 1:4 c - 1:15 жне 1:5; d - 1:3 жне 1:8 e - 1:5 жне 1:10 |
|
13. Негізгі жазбада келтірілген масштаб типі бойынша айындалады … |
a - М1:2 b - (1:2) c - 1:2 d - М(1:2) e - М(1:2) |
|
14. Жекеленген суреттерді орналасу масштабы... типі бойынша аныталады |
a - М1:2 b - (1:2) c - 1:2 d - М=1:2 e - М(1:2) |
|
15. Енкішті лшеміні саны бойынша ... те |
a - брыш тангенсіне, b - котангенсіне брыш, c - брыш синусына, d - брыш косинусына, e - брыш секансына |
4кесте - 2.303-68* МЕСТ
|
Сра |
Жауап |
|
1. 2.303-68* МЕСТ барлыы... тзулер типін анытайды... |
a тоыз, b - сегіз c жеті, d алты, e он |
|
2. Ені 0,5 1,4 мм, диапозонынан алынатын тзу... деп аталады. |
a здіксіз алы b ттас негізгі алы c здіксіз негізігі d алы негізі e - алы |
|
3. Жа ттас тзулерді алыдыы … те. |
a 1 мм, b - 0,75 мм c S/2 - S/3, d S/4 - S/5 e S/4 - S/6 |
|
4. Жа штрих-пунктирлі тзуді алыдыы ... те |
a - 1,2 мм, b 1 мм c - 0,75 d S/2 - S/3 e S/4 - S/5 |
|
5. алыдаттылынан штрих-пунктирлі тзуді алыдыы ... те. |
a - 1,2 мм b 1 мм c - 0,75 d т 1/4 S - 1/3 S e S/2 - 2S/3 |
|
6. Айырылан тзуді алыдыы … те |
a 3 - 4 мм b - 0,5 S - 0,8S c 2S - 3S d - 1,5S - 2S e S - 1,5S |
|
7. Штрихтік тзуде штрих зындыы … мм диапозонынан алынады. |
a 5 - 12 мм b 1 - 4 мм c 2 - 3 мм d 2 - 8 мм e 3 - 9 мм |
|
8. Штрихтік тзудегі штрихтер араашытылыы … мм те болады. |
a от 3 до 4 мм b от 2 до 3 мм c от 1 до 2 мм d от 0,5 до 1мм e - 24 мм |
|
9.Штрихтік тзулер … иылысу керек |
a аралыпен b - штрихтермен c еркін d - біркелкі e - 900 брышпен |
|
10. Штрихтік тзулер негізгі тзулерге ... осылуы керек. |
a - штрихтармен b - аралыпен c - еркін d - біркелкі e - 900 брыш |
|
11. Штрихтік тзу баытын … ауыстыру керек |
a штрихтер арасындаы аралыпен b - штрихте c - 900 брышпен d - 600 брышпен e - 300 брышпен |
|
12. Жіішке штрих-пунктирлі тзуді штрих зындыы … мм диапозанынан аныталады |
a 15 - 40 мм, b 10 - 5 мм c 5 - 30 мм, d 15 - 20 мм e 20 - 40 мм |
|
13. Жіішке штрих-пунктирлі тзуді зын штрихтері зындыы … мм диапозанынан аныталады |
a 6 - 8 мм, b 5 - 7 мм c 4 - 6 мм, d 3 - 5 мм e 2 - 4 мм |
|
14. Блшекті крінетін контур сызытары ... сызытарымен белгіленеді |
a - айырылан b жіішке ттас c жіішке штрихтелген d жіішке негізгі e жуан негізгі |
|
15. Сызба мен негізгі жазбаларды шектері ... сызытармен орындалады. |
a - жуан негізгі b - жіішке негізгі c жіішке кмекші d жуандатылан ттас e айырылан |
|
16. Шыарылатын жне лшемдік сызытар ... сызытармен орындалады. |
a - жуандатылан ттас b - жіішке ттас c жіішке штрихталан d - айырылан e - штрих - пунктерлі |
|
17. Тзуді штрихтелуі кескіндер мен иысулар ... сызытармен орындалады. |
a - штрихты b - штрих - пунктерлі жіішке c - жіішке ттас d - алыдатылан штрихты e - жуан негізгі |
|
18. Сызбадаы жадайатты тзуі ... тзуімен орындалады. |
a - жуан негізгі b - штрихты c - алыдатылан штрихты d - жіішке ттас e айырылан |
|
19. 12 мм кем диаметрлі шеберлерді орталы тзулері ... тзулермен орындалады. |
a - алыдатылан штрих - пунктерлі b - штрих - пунктерлі жіішке c - штрихты d - негізгі e - жіішке ттас |
|
20. Суретті зілуі тзуін ... тзумен орындалады. |
a ттас толынды b - штрихты c - штрих - пунктерлі жіішке d - алыдатылан штрих - пунктерлі e ттас жіішке |
|
21. Симитриялы емес блшектерді бліктеріні крінісі мен кескінні осылу тзулері ... тзумен орындалады |
a - штрих - пунктерлі жіішке b - ттас толынды c - штрих - пунктерлі алыдатылан d - алыдатылан штрихты e штрихты |
|
22. Контурды крінбейтін тзуі ... тзумен орындалады. |
a - жаштрих - пунктерлі b ттас жіішке, c штрихтік d - алыдатылан штрих - пунктерлі e - айырылан |
|
23. 12 мм арты диаметрлі шеберді орталы тзулері ... тзулермен орындалады |
a - ттас жіішке b - жіішке штрих - пунктерлі c - айырылан d - алыдатылан штрих e - штрихті |
|
24. Сызбадаы бояу беттері мен термдеу орындары ... тзулермен айындалады |
a - штрихті b -жіішке штрих - пунктерлі c - айырылан d - ттас жэіішке e - алыдатылан штрих - пунктерлі |
|
25. Кескін мен имадаы кесуші кеістікті орын алуы ... тзуімен айындалады |
a - айырылан b ттас жіішке c сыныы бар жіішке ттас d негізгі ттас e - штрихті |
|
26.Жіішке штрих-пунктері арасында … ойылады |
a нкте,b - те ыса штрих c сызыша, d екі нкте, e ш нкте |
|
27. Осьтік жне орталы тзулер блшек контураны тзулерінен … мм-ге шыып трып керек. |
a - 12 - 15мм, b -10 - 12мм c - 1 - 5 мм, d -5 - 10мм e - 2 -7мм |
|
28. Айырылан тзуді блімдері арасындаы аралы блшекті ... аныталады |
a формасымен, b -материалымен c термдеумен, d - лшемдермен e - бжырлыымен |
|
29. Сызбаны негізгі тзуіні алыдыы … байланысты |
a суретті топталуымен b сызбаны компоновкасымен c сызбаны оюлыы мен айындылыына d форматты орналасуы e - сызбаны форматы, масштабы жне кнделігіне байланысты |
|
30. Сызбаны жа штрих-пунктирлі тзулер … иылысуы керек. |
a - штрихтармен b штрихатармен жне аралытармен c - аралытармен d - еркін e ыса штрихтармен |
5 кесте - 2.304 68 МЕСТ
|
Сра |
Жауап |
|
1. А типтегі аріп Б типтегіден айырмашалыы … аныталады. |
a лшемдермен, b еселігімен c жазылуымен, d иілуімен e жолдарды адамымен |
|
2. А типтегі аріп еселігі ... те |
a-1/10, b-1/12, c -1/14, d -1/14,e - 1/16 |
|
3. Б типтегі аріп еселігі ... те |
a - , b - 1/6, c - 1/8, d - 1/10, e - 1/12 |
|
4. аріп лшемі … аныталады |
a - ріпиті алыдыы b еселігімен c олжазба ріпіні биіктігі 750-пен d тік жолдаы ріп биіктілігімен e тік олжазба ріп биіктілігімен |
|
5. Жолды тменгі блігіндегі аріпті ріп пен сандарды исайю брышы ... градуса те |
а - 75, b 70 c 65, d 60 e 55 |
|
6. арандашпен орындалатын сызбалар шін минималды рсат етілген аріп… |
a - 2,5, b 3,5 c 4,5, d 5,5 e 7
|
|
7. ріп тзулеріні алыдыы: … байланысты |
a - жол адаидары мен аріп нмірінен b аріпті еселігі мен исаюына c аріпті нмірі мен есілігіне d аріпті орындалуына (тушь,арандаш) e жол адамы мен аріп исаюына |
|
8. 2,5; 3,5; 5; 7,5; 10; 12; 14 аріптер атарында … аріптері ате жазылмаан |
а - 2,5 жне 3,5; b 3,5 жне 5 c 5 жне 7,5; d 7,5 жне 12 e 10 жне 14 |
|
9. 1,8; 3,5; 5; 10; 14; 20; 40 аріптер атарында … аріптер жазылмаан |
a - 1,5; 2 жне 3; b 1,6; 4 жне 6 c 2; 6 жне 30; d 2,2; 6,5 жне 29 e 2,5; 7 жне 28 |
|
10. Б аріпті сздері аріптіні арасындаы ашытыа … те болады. |
a - 2/10h; b 3/10h; c 1/14h d 2/14h; e 3/14h |
|
11. Б аріптіні мтін сздеріні арасындаы ашыты ... те болады |
a - 3/10h; b 6/10h; c 8/14h d 3/14h; e 5/14h |
|
12. Б типтегі аріп жазбаны жол адамы … те болады |
a - 12/10h; b 15/10h; c 17/10h d 12/14h; e 17/14h |
|
13.Мтіні жол ріптеріні биіктігі … те болуы тиіс |
a - 4/10h; b 5/10h; c 6/14h d 7/10h; e 8/10h |
|
14. Б аріпті олжазба ріптеріні кбісіні ені … те. |
a - 6/14h; b 5/14h; c 4/10h d 5/10h; e 6/10h |
6 кесте 2.306-68* МЕСТ
|
Сра |
Жауап |
|
1. Штрихтелуді иелмелі параллель тзулері сызбаны шектеулер тзулеріне атысты ... градус брышпен жргізіледі |
а 300 ; b 600 ; c 450 d 900 ; e 750 |
|
2. Штрихтелу тзуіні баыты ... тзулерді баытымен сйкес келмеуі |
а ттас, b айырылан c ттас жне айырылан d контурлы, осьтік жне орталыы e алыдатылан,ттас жне айырылан |
|
3. Ерекше жадайларда 450 брыш орнына штрихтелуді брышы олданады, ол ... немесе ... те |
а 25 жне 55 b 35 жне 70 c 10 жне 80 d 20 жне 70 e 30 жне 60 |
|
4. Штрихтелу сызытарыны арасын мына диапозоннан алу керек: … мм |
а 1 - 10; b 2 - 12 c 3 - 14; d 2 - 8 e 3 - 6 |
|
5.Бір блшек барлы суреттерде ... штрихтелу параметрлеріне тиіс болуы керек |
а ртрлі b бірдей c масштаба келтірілген d нормализацияланан e крініске пропорционалды |
|
6. Бір баыттаы доа немесе тзуді екінші баыттаы доа немесе тзуге ауысуы ... деп аталады |
a брылыспен; b айырылуы c ыысуымен; d бгіліс e иілу |
|
7. Ыысу доасы тетін нкте … деп аталады |
a ыысу полюсі b айырылу полюсі c айырылу орталыы d ыысу орталыы e брылуды полюсі |
7 кесте 2.307-68* МЕСТ
|
Сра |
Жауап |
|
1. лшемдік баыттаманы шкір зындыы ... мм те |
а 4 - 6; b 3 - 5; c 2 - 4; d 1 - 3; e 5 - 7 |
|
2. лшемдік баыттаманы шкір ені … мм те |
а 0,5 - 1; b 1,5 - 2 c 0,5 - 0,7; d 1,5 - 3; e 2 - 4 |
|
3. Тік лшемдік тзуді стінен лшемдік сан теді, сонда ол ... градуса ... брыланда арапайым сан ретінде оылуы тиіс |
а 1800 саат баытшасымен b 900 саат бадаршасына арсы c 900 саат бадаршасымен d 1800 саат баытшасына арсы e 300 саат баытшасына арсы |
|
4. Параллель лшемдік тзулер арасындаы араашыты ... мм кем емес |
а 8; b 4; c 5 d 7; e 9; |
|
5. Блшекті контуры мен кршілес лшемдік тзуді арасындаы ашыты ... мм кем емес болуы керек |
а 6; b 7; c 8 d 9; e 10 |
|
6. Шыарылатын тзулер лшемдік тзулерді соынан ... мм шыып труы керек |
а 1 - 5, b 1 -3, c 1 2 d 3 - 4, e 4 - 6 |
|
7. Доаны лшемі 1800 арты болса, ол ... деген белгімен аныталады |
a R b «диаметр» c r d D e d |
|
8. Диаметрді «сфера» белгісі … мм те |
a 3 - 4мм, b 4 - 5мм c лшемдік сандарды биіктігіне d жол ріптеріні биіктігіне e 5 - 6мм |
|
9. Тзу иілу немесе бір кеістікті екінші тзуге немесе кеістік иілуді сипаттайтын лшем ... аталады. |
a сыру b иілу c бйір d енкіш e тсу |
|
10. Енкішті лшемі сан бойынша … те. |
a брышыты секанына, b брышты косинусына c брышты синусына, d брышты котангенсіне e брышты тангенсіне |
|
11. Енкіш крініс табады … |
a атынаспен немесе пайызбен b тек атынаспен c тек пайызбен d брышты лшемімен e брышты секансымен |
|
12. «Енкіш» белгісіні тбесі ... жоа баытталуы керек |
a - сол жа b брышты шынайы тбесіне c о жа d арама-арсы брыш тбесі e сызбаны негізгі жазбасы |
|
13. Конусты бір-біріне арама-арсы ималардаы екі диаметрді айырмасын ималар аравсындаы ашытыа араатынасын кеісті ... сипаттайды |
A жалжымалыы b енкіш c конустылыы d рлеуі e инвалюттілігі |
|
14. «Конустылы» белгісі шыару тзуіні салмаыны стіне немесе ... тзуіні стінен ойылады |
а контур тзуі; b айырылан c орталыы; d осьтік; e иілген алыдатылан |
|
15. Цилиндрлік элементті диаметрін цилиндрлік элементті … проекцияланатын жерде ойылуы тиіс. |
a ауытусыз b ауытуы минималды c табии лкенділігі d шебер бойынша e шебер бойынша емес |
|
16. Бірдей 450 фаскторды лшемдері … |
a сызба бір рет топталады жне крсетіледі b фаск суреттеріні рбіреуінде крсетіледі c оларды орналасуына атысты топталады d басты кріністерде ана ойылады e шыару элементтерінде крсетіледі |
|
17. Жалпа блшектерді 450-ты емес фасктерді ажеттер лшемдері ... крсетеді |
a айналатын денелермен бірдей b блек c негізігі жазбаа параллель d х белгісі арылы e катет лшемі бойынша оларды топтасуы арылы |
|
18. 3х600 типі бойынша айнама денелерді 45-ты емес фасктерді лшемдері ...ойылады |
a ерекше жадайларда ана b фасктерді 450 а дейінгі брышы c жол берілмейді d фаск брышы 750-а дейін боланда ана рсат етіледі e 5 мм арты емес катеті бар фасктермен ана жол беріледі |
|
19. Сызбада диаметрлері бірдей ойытарды лшемдері ... крсетіледі |
a R* белгісімен b ойытарды проекциясы ауытусыз ткенде c ойытарды проекциясы шебер трінде болса d ойытарды саны крсету арылы бір рет e рбір ойыта жеке-жеке |
|
20. 1800 аз доаны лшемдері ... белгісімен крсетіледі |
a «диаметр», b d c D, d «енкіш» e R |
2. ПРОЕКЦИЯЛЫ СЫЗУ
2.1 Суреттерді жіктелуі
Суреттерді жіктелуі мен рылуы ережелері 2.305-68 МЕСТ арылы аныталады. алыптасу жолына байланысты негізгі, осымша жне жергілікті деп блінеді. Негізгі трі проекцияны негізгі кеістіктерінде жасалан трі.
2.1.1 Трлері
Негізгі трлері кбінесе проекционалды атынаста болады. Бл жадайда кріністерді аттарын анытайтын жазбаларды жазбайды. Мысалы, арттаы кріністерді о жатаы кріністен сола арай ауыстырып жазуа болады.
осымша кріністер бл денені проекцирлеуден пайда болан кріністер немесе проекцияны негізігі кеістіктеріне параллельді емес осымша кеістіктердегі оны бліктерін проекцирлеуден пайда болатын кріністерді айтамыз. Ол егер проекцияны негізгі кеістіктерін проецирлеуде объект формасыны ауытуы бар болса ана олданады. осымша трлері проекционалды байланыста (бндай тр жазылмайды), ауытумен (крінісі жазылады) жне ауыту мен брылыспен (крініс «брылды» деген белгімен жазылады) орындалады.
Жергілікті кріністер проекцияны бір кеістігінде денені шектеулі ана блігін проецирлеумен орындалады. Жергілікті крініс . Местный вид может быть ограничен волнистой линией обрыва или только контуром интересующей части предмета. Если местный вид выполнен в проекционной связи, то он не обозначается. Местные виды, выполненные со смещением, обозначаются и надписываются аналогично основным видам.
2.2 Негізгі трлері бойынша жаттыулар
сынылан кріністерді жинаын олдана отырып, бес блшекті сынлан кріністері арылы 8 кестені тиісті жерлерде толтыру керек. рбір блшек шін алдындаы, жоарыдан, сол жатан кріністерді анытап алу керек. Ол алтыншы блнекті шешілуіндегі мысалмен крсетілген. Жауапты крсетілген нысан бойынша (8 кесте) жазу керек.
8 кесте негізгі трлері
|
1 Блшек |
2 Блшек |
3 Блшек |
4 Блшек |
5 Блшек |
||||||||||
|
Негізгі крініс |
Жоары крініс |
Сол жатаы крініс |
||||||||||||
|
4 |
А |
М |
Тапсырмалар нса бойынша орындалады. 8 19 суретте крсетілген нсалар бойынша орындаыз. Блшектерді басты кріністері 1 6 сандарымен крсетілген кріністерден тадалады. Жоары кріністерді сол жатаы графадан, ал сол жа кріністерді о жатаы графадан тадалады.

8 сурет. 1 нса
Блшекті айын кріністері арылы, сынылан кріністеріні атарын олдана отырып, тиісті орындара алдыы, жоары жне сол жа кріністерді мысалды крсеткендей орналастыру керек. Мысалда крсетілген нысанда кестеге жауапты жазыыз.

9 сурет. 2 нса
Блшекті айын кріністері арылы, сынылан кріністеріні атарын олдана отырып, тиісті орындара алдыы, жоары жне сол жа кріністерді мысалды крсеткендей орналастыру керек. Мысалда крсетілген нысанда кестеге жауапты жазыыз.

10 сурет. 3 нса
Блшекті айын кріністері арылы, сынылан кріністеріні атарын олдана отырып, тиісті орындара алдыы, жоары жне сол жа кріністерді мысалды крсеткендей орналастыру керек. Мысалда крсетілген нысанда кестеге жауапты жазыыз.

11 сурет. 4 нса
Блшекті айын кріністері арылы, сынылан кріністеріні атарын олдана отырып, тиісті орындара алдыы, жоары жне сол жа кріністерді мысалды крсеткендей орналастыру керек. Мысалда крсетілген нысанда кестеге жауапты жазыыз.

12 сурет. 5 нса
Блшекті айын кріністері арылы, сынылан кріністеріні атарын олдана отырып, тиісті орындара алдыы, жоары жне сол жа кріністерді мысалды крсеткендей орналастыру керек. Мысалда крсетілген нысанда кестеге жауапты жазыыз.

13 сурет. 6 нса
Блшекті айын кріністері арылы, сынылан кріністеріні атарын олдана отырып, тиісті орындара алдыы, жоары жне сол жа кріністерді мысалды крсеткендей орналастыру керек. Мысалда крсетілген нысанда кестеге жауапты жазыыз.

14 сурет. 7 нса
Блшекті айын кріністері арылы, сынылан кріністеріні атарын олдана отырып, тиісті орындара алдыы, жоары жне сол жа кріністерді мысалды крсеткендей орналастыру керек. Мысалда крсетілген нысанда кестеге жауапты жазыыз.

15 сурет. 8 нса
Блшекті айын кріністері арылы, сынылан кріністеріні атарын олдана отырып, тиісті орындара алдыы, жоары жне сол жа кріністерді мысалды крсеткендей орналастыру керек. Мысалда крсетілген нысанда кестеге жауапты жазыыз.

16 сурет. 9 нса
Блшекті айын кріністері арылы, сынылан кріністеріні атарын олдана отырып, тиісті орындара алдыы, жоары жне сол жа кріністерді мысалды крсеткендей орналастыру керек. Мысалда крсетілген нысанда кестеге жауапты жазыыз.

17 сурет. 10 нса
Блшекті айын кріністері арылы, сынылан кріністеріні атарын олдана отырып, тиісті орындара алдыы, жоары жне сол жа кріністерді мысалды крсеткендей орналастыру керек. Мысалда крсетілген нысанда кестеге жауапты жазыыз.

18 сурет. 11 нса
Блшекті айын кріністері арылы, сынылан кріністеріні атарын олдана отырып, тиісті орындара алдыы, жоары жне сол жа кріністерді мысалды крсеткендей орналастыру керек. Мысалда крсетілген нысанда кестеге жауапты жазыыз.

19 сурет. 12 нса
Блшекті айын кріністері арылы, сынылан кріністеріні атарын олдана отырып, тиісті орындара алдыы, жоары жне сол жа кріністерді мысалды крсеткендей орналастыру керек. Мысалда крсетілген нысанда кестеге жауапты жазыыз.
2.3 ПЧ 1 Графикалы модульді жаттыулары.
9 кесте Блшекті екі берілген кріністері арылы шіншісін табу.
|
Нса 1 |
Нса 2 |
|
Нса 3 |
Нса 4 |
|
Нса 5 |
Нса 6 |
|
Нса 7 |
Нса 8 |
|
Нса 9 |
Нса 10 |
|
Нса 11 |
Нса 12 |
|
Нса13 |
Нса 14 |
|
Нса 15 |
Нса 16 |
|
Нса 17 |
Нса 18 |
|
Нса 19 |
Нса 20 |
|
Нса 21 |
Нса 22 |
|
Нса 23 |
Нса 24 |
|
Нса 25 |
Нса 26 |
2.4 Кескіндерді жіктелуі
Кескін деп денені бір немесе біршене кеістіктермен ойша ию кезінде пайда болатын кріністі айтамыз. Кескіндер денені ішкі рылымын анытау шін олданылады. Кескінде июшы кеістікке тиісті жне одан рі арай орналасан былыстарды крсетіледі. Кескін жеке осымша сурет болып табылмайды. Кбінесе, бір немес бірнеше негізгі кріністі орнына олданады. оюшы кеістіктерді сонына байланысты кескіндер жай жне крделі деп блінеді. Крделі кескіндер адамды жне сынан болып келеді. Бір суретте кріністі бліктер мен кескінні графикалы жмысты клемін минимализациялау шін олданылады. Бл жадайда крініс суретті сол жаында орналасады, ал кескін о жаында (айналма денелер шін крініс ось сті, ал кескін- ось асты). Крініс пен кескін осылуыны тзуі болып жіішке штрих-пунктирлі тзу болып табылады., яни осьтік симетриялы блшектер шін. Ал жіішке толынды тзу бейсиметрлиялы шін.
- Крініс пен кескін бліктеріні осылуына арналан жаттыулар.
Жаттыу 2.305-68. МЕСТ білімді олдануа баытталан. Таырыпты блок аталан таырып бойынша блшектерді кріністерді сызып аятауа баытталан 4 жаттыуды райды. Біріншіден бл жаттыуларды графикалы орындау шін еркін лшемдермен берілгендерді айта сызып алу керек.
1 Жаттыу. Крініс орныны алдында кріністі жартысын жне кескінні жартысын осу арылы суретті аятау.
2 Жаттыу. Крініс орныны алдында кріністі бір блігі мен кескінні бір блігін осу арылы суретті аятау.
3 Жаттыу. Фронтальді кескінді жасау арылы жеткіліксіз тзулерді олдану арылы басты суретті толытыру.
4 Жаттыу. Кріністі жартысын жне кескінні жартысын осу арылы суретті аятау. Резьбы мен рифленуді суреттерін орындау.
Бірінші жаттыуды орындалу мысалы 20 суретте крсетілген. Екі суреттерді жоарыдан жне алдынан деген кріністеріндегі контур рылымын аятау. Сол жатаы алдыы крініс жартысында блшекті крінетін блігін кріп баылаушыа айын крсетуіміз керек. Крініс пен кескінні жартыларын блшек симетрияны осьі бліп трады. Екінші жаттыуды орындау барысында крініс пен кескінні: абыра; ал ол блшек симетриясыны осьмен сйкес келеді, шекералар орналасуыны дрыстыын тексеріпалан жо.. Сондытан да крініс пен кескіндерді бліктерін жіішке толынды (обрыв тзуі) тзумен блетін болады.

20 сурет. Крініс жартысы мен кескінні жартысын осылуды мысалы.
шінші жаттыуда дрыс шешу шін кескін орындауды шарттылыына назар аударуа ажет. Шарттылы дегеніміз бндаы иятын кеістікті аттылы ыры типіндегі жа абыраны зындыы бойынша баытталуын айтамыз. Бндай элементтер 2.305-68 МЕСТ бойынша штрихсіз крсетіледі.
Тртінші жаттыуды масаты- брма мен рифлендіру тзулеріні суреттерімен сипатталатын кескіндер мен кріністерді орындау кезіндегі шарттылы пен ысартулардаы білімді бекіту. Тапсырманы блшекті ішкі жне сырты беттері айналманы беттері екенін ескере отырып, орындауды бастау керек. Цилиндрлік блшектер шін жоары жартысы ретінде, ал тмегісі кескін ретінде олданады. лшемдерін з еркімен лайтыыздар.

21 сурет. Втулканы сурет рылымы мен бастапы берілгендерді мысалы.
10 кесте - Кескінді орындауа арналан жаттыулар блогі.
10 - кестені жаласы
10 - кестені жаласы
10 - кестені жаласы
2.6 ималарды жіктелуі.
имада тек кесу кеістігіне енгенді крсетеміз. Кескінде кесу кеістігіндегі жне оны артындаы дниелерді крсетеді. ималарды орналасуына арай шыарылатын (22 сур.), салынан жне ос кріністі (23 сур.) деп блінеді.
Салынан иманы ерекшелігі оны контуры жіішке тзумен сызылады. ималарды белгілеуі кескіндердікімен бірдей. Шыарылан ималарды олдануы басым.

22 сурет. Шыарылан има мен кескіндер.

23 сурет. ималар.
ималар проекционалды байланыста крсетілуі ммкін (24сур). Егер фигураны имасы симметриялы болса, онда ол жазылмайды да белгіленбейді де. ос кріністегі немесе салынан бейсемметриялы ималар шін кесуші кеістікті орналасуы има тзуімен, баытшамен крсетіледі, біра ріптермен белгіленбейді.

24 сурет. Проекция байланысымен шыарылатын ималар.
24 суретте цилиндрлік беттегі «лыска» элементі крсетілген. Ол тік тртбрыш формасындаы цилиндрлік бетті кесіндемесі. Цилиндрді соындаы лысктар, мысалы, валдарда, осьтерде, шпиндельдерде жне таы баса пайдаланылады. Ол негізінен блшекті вантпен немесе аййналудан сатайтын планкамен фиксациялау шін параллель осьті аумаы ретінде олданылады. Сол жата немесе имада s «кілтпен» деген лшем ойлады.

25 сурет. Сол жата жне имадаы «лыска» элементі.
2.7 Дрыс иманы тадауа арналан жаттыулар.
Бл жаттыуды масаты ималарды суреттелу туралы білімді бекіту болып табылады.
Тапсырма: сынылан трт ималарды ішінен дрысын тауып (25сур), 11-кестені толтырыыз.
11 кесте ималарды тадау.
|
I Блшек |
II Блшек |
III Блшек |
IV Блшек |
V Блшек |
|
има - ? |
Дрыс шешімді табу шін 2.305-68 МЕМСТ ережелерін ескеру ажет: егер кесуші кеістік ойы пен шырларды шектейтін айналу кеістігіні осі арылы те, онда имадаы ойы пен шыр контурын толыымен крсету керек. Егер кесуші кеістік ойы пен шыр арылы тетін болса, онда ол жеке дара блшетерден раланы аныталады. Мнда кескінді пайдалану керек. Кескін керекті тзулерді осымша имасы екені креді.

26 сурет. Дрыс иманы тадауа арналан жаттыулар.
2.8 ималар мен кескіндерді рылымына арналан жаттыулар.
Тапсырма: Басты кріністі екі симметриялы, екі бейсимметриялы ималар мен кескінмен нсалар бойынша (12-кесте) толтыру керек. 2.305-68 МЕСТ талаптарына сйкес келетін жадайларда ималарды белгілеу жне жазу. Тапсырманы орындау лгісі 27 суретте (В-В кескін суреті) крсетілген.
12 кесте - иманы жне кескіндерді тапсырмалары орындау бойынша нсамалар 

27 сурет. ималар мен кескіндерге арналан жаттыуларды орындау мысалы.
2.9 Шыару элементтері
Шыару элементі бл негізігі суреттерде нысаны мен лшемі толытай крсетіле алмайтын денені лайтылан жеке осымша суреті. Шыару элементі олжазба ріптерімен жазылады, ал жашаларда суретті лаю масштабын крсетеміз (27,28,29 сур).

28 сурет. Проточка. 29 сурет. Канавка.

30 сурет. Ішкі проточка.
2.10 Суреттерді оылуы бойынша тапсырмалар
(кріністерді, кескіндерді, ималарды, шыару элементтерді суреттері)
Сызбадаы рбір суретті атауымен, мні болады. 2.305-68 МЕСТ сйкес блшекті басты крінісі болып крініс, кескін немемсе крініспен кескінні бірлесуі болуы ммкін.
31сур. кріп 13- кестені толтырыыз.
13 кестені Суретті оылуы
|
Сурет |
Мні |
|
1. Негізгі трлері |
|
|
2. Жергілікті трлері |
|
|
3. Кескіндер |
|
|
4. Жергілікті кескіндер |
|
|
5. Трлерімен кескіндерді бірлестігуі |
|
|
6. Сечения |
|
|
7. Шыару элементі |

31 сурет. Бейнелерді оуа арналан мысал.
2.11 графикалы модуліне ПЧ2 арналан тапсырмалар
«Крделі кескіндерді орындау»
Тапсырма: 1. Негізгі жне стінгі крінісін тапсырмасын айта салу.
2. Сол жа трін айта салу.
3. Крделі кескіндерді орындау.
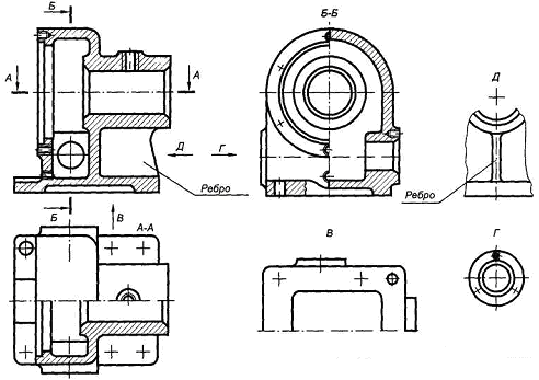
Берілген тапсырма пнні ойлау абілетін талап етеді, кейін оны сызбасы орындау керек. Осы тапсырманы негізгі ерекшелігі - 2.305-68 МЕСТ (32 сур.) бойынша крделі кескіндерді растыру дістерін іш жзінде олдануы болып табылады.

32 сурет. Крделі сатылы кескіндер.
Барлы крделі кескінділеріне атауы жазылады жне белгіленеді. Кескінділердегі штриховканы 2.306-68 МЕСТ сйкес жзеге асыру. лшемдерді 2.307-68 МЕМСТ бойынша ою.
14 - кесте Крделі кескіндер.
|
Нса 1 |
Нса 2 |
|
Нса 3 |
Нса 4 |
|
Нса 5 |
Нса 6 |
14 - кестені жаласы
|
Нса 7 |
Нса 8 |
|
Нса 9 |
Нса 10 |
14- кестені жаласы
|
Нса 11 |
Нса 12 |
|
Нса 13 |
Нса 14 |
14- кестені жаласы
|
Нса 15 |
Нса 16 |
|
Нса 17 |
Нса 18 |
|
Нса 19 |
Нса 20 |
14- кестені аяталуы
|
Нса 21 |
Нса 22 |
|
Нса 23 |
Нса 24 |
2.12 «Проекциялы сызба» блімі бойынша баылау сратары
1. Сызбада берілітін аппаратты графикалы блімі алай аталады...
2. Бейне мніне арай мынаан жіктеледі...
3. баылаушыа пнні крінетін блімімен аратылан бейнесі алай аталады…
4. трлері келесілерге блінеді
5. алыстаы
15 кесте 2.305-68* МЕСТ Трлері.
|
Сра |
Жауап |
|
1. Сызбамен берілетін апаратты графикалы блігі ... аталады. |
a Бейнесімен; b жоспармен c суретпен; d - эскиздері e - графикпен |
|
2. Мніне байланысты суреттер ... блінеді. |
a - шыарушы фрагментер, жоспарлар, карталар b - трлері, кескінділері, сечения (иылысуымен), шыару элементі c - жоспарлары, рассечки (блімдері), графиктері d - графиктері, эскиздері, фрагменты e - основные элементы, шыару фрагменттері, трлері |
|
3. Денені крінуге баытталан крінетін жаыны крнісі ... деп аталады. |
a жоспармен; b - сызбамен c трімен; d - фрагментом e - суретпен |
|
4. Крністер блінеді … |
a - баста, екінші дегейлі b кмектесуші, аксонометриялы c о, сол жа, жоары d негізгі, осымша, жергілікті e тік, клдене, иілген |
|
5. Алыстаы фронтальді кеістікке проекцирленуді нтижесінде тсірілген крніс ... деп аталады. |
a алдымен(передним); b - негізгімен c фасадпен; d - орталыымен e бастымен |
|
6. Басты крністі астында … крніс орналасады |
a стімен; b астымен; c солжапен d артымен; e ожапен |
|
7. Басты крністен сол жата … крніс орналасады |
a артымен; b ожапен; c стімен d астымен; e алдымен |
|
8. Басты крністен о жата … крніс орналасады |
a артымен; b ожапен; c солжапен d астымен; e стімен |
|
9. Жоары крністі стінде … крніс орналасады |
a артымен; b ожапен; c солжапен d астымен; e стімен |
|
10. Сол жа крністі о жаында … крніс орналасады |
a алдымен; b ожапен; c солжапен d астымен; e артымен |
|
11. Проекционды байланыстаы дтрлі схема бойынша сызбада орналасан негізгі трлері … |
a - белгіленеді жне жазылмайды b - кескін мен озалтуа жатады c - кескіндеуге жатады d - шыарылатын эелеметтермен блінеді e - з алауы бойынша белгіленеді |
|
12. р трлі беттерде орналасан негізгі кріністер … |
a - белгіленеді, біра жазылмайды b - белгіленеді жне жазылады c - белгіленбейді жне жазылмайды d - жазылады, біра белгіленбейді e кескінмен штаспайды. |
|
13. Проекционды байланыста орналасан біра сызбада осымша графикалы фрагменттермен блінген негізгі кріністер … |
a - белгіленбейді де жазылмайды да. b - жазылады, біра белгіленбейді c - белгіленеді жне жазылады d - кескінмен штаспайды e - белгіленеді, біра жазылмайды |
|
14. Проекционалды байланыссыз сызбаны компоновка шарттарына сай орналасан негізгі кріністер сызбады… |
a - кескінмен штаспайды b - белгіленеді, біра жазылмайды c - белгіленбейді де жазылмайды да d - белгіленеді жне жазылады e - жазылады, біра белгіленбейді |
|
15. Проекцияны негізгі кеістіктеріне параллеьді емес кеістіктегі денені немесе оны бір блігін проекциялеуден пайда болатын крініс… деп аталады. |
a жарым-жарты b - локальді c исы брышты d жергілікті e - осымша |
|
16. осымша кріністер ... орындалуы ммкін |
a проекционды байланыста, озалыспен, озалас пен айналумен b - проекционды байланыста, айналумен жне фазды ауытумен c брылыспен, айналумен d жазыты проекциясыны ауыстыруымен,брылыспен жне ауыстырумен e жазыты - параллельді ауыстырумен, айналу мен фазалы ауытумен |
|
17. Проекционды байланыста орындалан осымша кріністер … |
a - жазылады, біра белгіленбейді b - белгіленбейді де жазылмайды да c - белгіленеді, біра жазылмайды d - кескінмен штаспайды e - белгіленеді жне жазылады |
|
18. Ауытумен орындалан осымша кріністер … |
a - жазылады, біра белгіленбейді b - белгіленбейді де жазылмайды да c - белгіленеді жне жазылады d - кескінмен штаспайды e - белгіленеді, біра жазылмайды |
|
19. Сызбада ауытумен жне брылыспен орындалан осымша кріністер |
a белгіленбейді де жазылмайды да b жазылады, біра белгіленбейді c белгіленеді, біра жазылмайды d белгіленеді жне жазылады e кескінмен штаспайды |
|
20. денені модульді блігін прекциялеуден алынан кріністер … аталады |
a исы брышты b осымша c жарым-жарты d локальді e жергілікті |
|
21. Жергілікті кріністер ... шектеледі |
a лама толынды тзумен немесе тікелей блшекті контурымен b тек толынды тзумен c тек контурлы блшекпен d осьтік тзумен e айырылан |
16 кесте кескіндер
|
Сра |
Жауап |
|
1. Денені ойша бір немесе бірнеше жазытытармен ию кезіндегі алынан сурет … аталады. |
a кесінді; b кескін c тілік; d кесік e иылыс |
|
2. Кескіндер … анытау шін арналан |
a лшемдерден шекті ауытуларын b беттегі бжырларын c блшекті ішкі формасы мен лшемі d блшек материалдарыны мытылы дегейін e ішкі уыстарды делу сапасын |
|
3. Кескінде … крсетеді |
a алыста орналасын нрселерді b екінші планда крсетілген нрселерді c июшы кеістікті артындаы нрселерді ана d июшы кеістіктегі жне оны р жаындаына e тек июшы кеістіктегілерді |
|
4. Кескін з жеке дара осымша сурет болып табылмайды, ол … орнында орындалады |
a басты крініс b негізгі крініс c осымша жне жергілікті крініс d жергілікті крініс eбір немесе бірнеше негізгі кріністер |
|
5. Кескіндерді туелсіздік аидасы - бір суретте крсетілген кескін… |
a баса суретке крсетілмейді b тек басты кріністерде крсетіледі c тек осымша кріністерде крсетіледі d тек жергілікті кріністерде ана крсетіледі e тек жергілікті, осымша кріністерде ана крсетіледі |
|
6. Кесуші жазытыты баытына арай кескіндер … блінеді |
a зыннан, еніннен, диагональдік b клдене, тік жне енкіш c сатылы, радиальді и сынан d диагональді, енкіш и радиальді e радиальді, сынан и диагональді |
|
7. Тік кескіндер … блінеді |
a профильді жне профильдеуші емес b фронтальді жне профильді-проекцирленетін c профильді жне фронтальды d профильді- и фронтальді- диагональді e диагональді и радиальді |
|
8. Кескіндер ... белгі бойынша жіктеледі |
a алты; b екі c ш; d трт e бес |
|
9. Кесуші жазытытарды санына байланысты кескіндер … блінеді |
a моно- жне поли-кескіндер b бір- жне кп-жазытыы c бірретті жне кпретті d бірыай жне кпшілік e жай жне крделі |
|
10. Бір-біріне параллельді жазытытар ... кескінді райды. |
a сатылы; b сынан c баспалдаты; d параллельді e дискретті |
|
11. Бір-біріне параллельді емес жазытытар крделі ... кескінді райды |
a иылысатын b сынан c брышты d радиальді e полижазытыты |
|
12.Жазытытарды иылысу тзулері крделі кескінді рай отырып кескінде… |
a айырылан тзулер ретінде крсетеді b алы негізгі тзуімен крсетеді c крсетілмейді d суретті айналдырана дейін крсетеді e суретті айналдыраннан кейін крсетеді |
|
13.Денені жазытыпен июды толытыына арай кескіндер … блінеді |
a толы жне толы емес b максимальді жне минимальді емес c локальді жне максимальді d толы жне жергілікті e толы жне жарым-жартылай |
|
14.Денені осіне атысты июшы жазытыты орналасуына байланысты кескінде … блінеді |
a радиальді жне фронтальді b мидельді жне мидельді емес c симметриялы жне симметриялы емес d осьтік жне клдене e зыннан жне клдене |
|
15. … кескіндері барлы жадайда белгіленеді |
a крделі жне енкішті b зыннан жне клдене c радиальді жне диагональді d арапайым жне жергілікті e осымша жне жергілікті |
|
16. Бір суреттегі крініс пен кескін блшектеріні осылуы … шін олданылады |
a сызбаны крнектілігін кшейту b сызбаны апарттылыын арттыру c графикалы жмысты клемін минимизациялау d суретті серлігін арттыру e кескіндерді ерекшелеу |
|
17. Бір суретте крініс пен кескінні бліктерін осу кезінде (айналма денелеріне емес) кескін … крінеді, ал крініс … крінеді |
a жоары…сол жата b жоары …тменде c тмен … жоары d о жа…сол жа e сол жа…о жа |
|
18. Бір суретте крініс пен кескінні бліктерін осу кезінде айналма денелері шін кескін … крінеді, крініс … крінеді. |
a ось стінде…ось астында b о жа…сол жа c сол жа …о жа d жоары…тмен e тмен…жоары |
|
19. Бір суретте крініс пен кескінні бліктеріні осылу тзуі симетриялы блшектер шін … болады. |
a жа штрих - пунктирлі b жа толынды c штрихтік d пунктирлі e айрылан |
|
20. Бір суреттегі крініс пен кескінні бліктеріні осылуындаы симетриялы блшектер шін крінбейтін контурды тзуі крніс жатан … |
a крінеді b крінбейді c крінетінмен ауыстырылады d контура дейін жеткізілмейді e жуан штрих пунктирлімен ауыстырылады |
|
21. Бір суретте крініс пен кескінні барлы бліктеріні осылуында барлы ішкі лшемдерін … белгілеу керек. |
a крніс жатан b блшектік контур ішінен c кескінні жаынан d шыару тзулері жаынан e шыыс тзулерінде |
|
22. Бір суретте кескінні блімдерін жне кескінді осу кезіндегі керекті лшемдерді … ою керек. |
а шыару тзулері b шыыс тзулерінде c блшектік контур ішінен d крніс жатан e кескінні жаынан |
|
23. Егер крніс блімдеріні жне кескінні осылу тзуіне ыры тссе, онда оларды осылулары ... орындалады. |
a айырылан тзумен b штрих пунктирлі тзумен c штрих тзумен d жіішке, ттас тіке e лама толынды тзумен |
|
24. А-А, Б-Б жне т.б. кескін мен иманы белгілеу кезінде кезінде лшемді сандардан ... арты болуы тиіс. |
a аріпті екі нмеріне b аріпті ш нмеріне c 2 мм d 3 мм e 4-5 мм |
|
25. А-А, Б-Б жне т.б. ріптері кескін мен иманы белгілеу кезінде бадаршаларды тек … жаынан ойылады |
a ішкі b сырты c сол жа d о жа e тменгі |
|
26. Егер кесіндіні июшы жазытыы клдене болмаса, кесіндіні белгілеу ріптері ... атысты жазылады. |
a июшы жазытыты орналасуына b июшы жазытыты азимутына c ккжиекті тзуіне d жазытыты нормасына e клдене тзуді нормасына |
17 кесте има жне шыару элементтері
|
Сра |
Жауап |
|
1. имада … крсетіледі. |
a алыс пландаылар b ойылан проекцияда жатандар c оюшы жазытыты р жаындаылар d июшы жазытыа тскен жне одан р жатаылар e тек оюшы жазытыа тскендер ана |
|
2. има … деп блінеді. |
a шыарылан, салынан жне крніс озалысында b сол, о жа, орталы c негізгі, осымша, жергілікті d толы, локальді, жарым-жартылай e тменгі, жоары, ортанша |
|
3. Симметриялы ималар оюшы жазытыты проекция ізіні жаласында орындалса, онда сызбада … |
a белгіленеді жне жазылады b белгіленбейді жне жазылмайды c белгіленбейді, біра жазылады d белгіленеді, біра жазылмайды e жасаушыны алауы бойынша белгіленеді |
|
4. июшы жазытытан баса жата орналасып орындалан симметриялы има сызбада … |
a белгіленеді жне жазылады b белгіленбейді жне жазылмайды c жазылады, біра белгіленбейді d белгіленеді, біра жазылмайды e жасаушыны алауы бойынша белгіленеді |
|
5. Кесуші жазытытан баса жата орналасан бейсимметриялы има сызбада ... |
a белгіленбейді жне жазылмайды b белгіленеді, біра жазылмайды c белгіленеді жне жазылады d жазылады, біра белгіленбейді e жасаушыны алауы бойынша жазылады |
|
6.Салынан ималар ... тзулермен орындалады |
a жіішке толынды b жіішке штрих пунктирлі c штрихтік d жуан негізгі e ттас жа |
|
7. Шыарылан ималар ... тзумен орындалады |
а жуан негізгі b жіішке толынды c штрих пунктирлі d жіішке ттас e - айырылан |
|
8. Негізгі суретте крсетіле алмайтын денені бліктеріні, лшемдеріні жне формаларыны блек кріністері ... деп аталады |
a осымша b шыару элементі c осымша элементі d фрагментпен e тсіндіруші фрагментпен |
|
9. Негізгі суреттегі шыару элементіні орны ... сызылады жне ... типі бойынша жазылады |
a тік тртбрышпен …I, II… b ромбпен …1, 2… c тйыталан тзумен …А, Б… d тйыталан тзумен … I,II… e тік тртбрышпен …1, 2… |
|
10. Шыарылатын элементті суреті сызбада ... типі бойынша белгіленеді |
a А(4:1); b А/(4:1); c I/(4:1) d А(4:1); e 1(4:1) |
3. АЙЫРЫЛАН ОСЫЛЫСТАР
3.1 осындыларды жіктелуі
Денелерді бірлесіп олдану шін зара біріктіріп бекіту осылыс деп аталады. осындылар озалатын, озалмайтын жне айырылатын, айырылмайтын деп блінеді. Техникада кбінге олданылатын айырылатын осындылар шпоночтік, штифтік, шлицевтік, сонымен атар бл салада бранда осындылар- брандамалы (болт), винттік, зектік (шпилечные). Айырылмайтын осындылара пісіретін, жабыстыратын, бастыратын (заклапочные).
3.2 Брандау осындылары.
Бранда бл ттас контурды винттік озалыспен алыптасан жне цилиндрлік немесе консты жазытыа атысты жазыты. Бранда блшектерді е ке таралан трлеріні бірі. Бранда осындылароды конструктивті, арапайым жне шартты суреті бар. Конструктивтіде стандартты кестелер бойынша барлы конструктивті элементті толыанда, наты сызылады. арапайымдаланда гайка, шайба, стреженьдегі фаскалар толы профильді соы жібін, саылау мен стержень арасындаы араашыты, саылауда тесуден алан технологиялы лункалар крсетілмейді. Шартты суреттеу браданы сырты номиналды диаметрлі 2 мм-ге те немесе кем боланда олданылады
3.3 Браданы жіктелуі мен белгіленуі
Масатына арай брадалар бекітетін (метрикалы, бырлы дюймдік, шебер ж.т.б.) жне озалысты (тікбрышты, трапецидальды, тіректік) деп блінеді. Профиль бойынша брадалар метрикалы М (брыш 600), бырлы цилиндрлік С (550), трапецидиальді Tz (300), тіректік S (300 и 30), тікбрышты ж. т.б. деп блінеді. Барлы брадалар, тіктртбрыштардан басасы, стандартталан. Браданы салынуына арай о жне сол деп блінеді, пішініне арай цилиндрлік, конусты, пішініні сипатына арай ішкі, сырты, браданы адамы бойынша лкен (негізгі) адамды, кіші адамды, кірісі бойынша бір кірісті, кп кірісті деп блінеді.
Жмыс сызбаларында браданы белгілеуге кіреді:
- браданы типін крсететін ріп;
- номинальді айындайтын лшемдер;
- кп кірісті брадар брадар шін кірісті лкендігін жашаны ішінде бранданы адамын крсету арылы айындайды;
- сол жа бранда шін LH ріптері;
- рсат етілетін жол немесе натылыты сыныбы.
3.4 Бранданы классификациялы жіп арылы анытау жаттыуы.
р трлі белгілер бойынша бранданы типтер классификациясы кестесін толтыру.

33 сурет. Белгілері бойынша бранда классификациясы.
- Бранданы конструктивті жне технологиялы элементтері.
Барлы брандалар классификациялы белгілеріне арамастан сызбада бірдей суреттеледі, біра белгіленуі р трлі. Алдымен конусты дасканы жасайды, ол блшекті брандамен осылу кезінде баыттаушы ретінде жне шеттердегі витоктарды сынудан орау шін олданылады. Фасканы бранданы кесуден брын орындайды. Оны пішіні кесілген конус. Фаскаларды лшемдері 10549-80 МЕСТ бойынша аныталады.
Бранданы оюмен байланысты технологиялы элементтерге сбег, недорез, проточка жне фаска (34 сур.) кіреді, ал сбег пен недорезді алдын алу шін проточка олданылады. Сбег деп блшекті ттас жазытынан брандаа туіні участкісі аталады, онда бранда толы емес профильге ие. Сбег кескінні алшатауынан пайда болады. Недорез бранданы тыыз орындаанда пайда болады. Недорез сбегтен лкен болмау керек, ол инструментпен блшекті бетін тегістеу шін орындалады.

34 сурет. Ішкі жне сырты бранданы технология элементтері.
Бранда тесігі шін лшемдер: С фасканы зындыы; L брада ойылан зынды, Lo тесік ойылан зындыы, номинал бойынша (М6, М8 ж. Т.б.) стандартты бекіту німін (винт немесе болт) L=d+3,5p, Lo=d+6p формуларымен табады; Р браданы адамы.
- Браданы жазу мен белгілеуге арналан жаттыулар.
Жаттыу 1. Сырты L бетінде лкен адаммен метрикалы браданы суреттеумен белгілеу. Сол жа крінісін растыру.
Жаттыу 2. Ішкі L бетінде кіші адамымен метрикалы браданы суреттеумен белгілеу. Сол жа крінісін табу.
лшемдері ерікті. Суреттеу кезінде брада міндетті трде фасканы элементтерін ішкі жне сыртысын крсетеді.
18 кесте Ішкі жне сырты браданы суреттелуі.
|
нса 1 |
нса 2 |
|
нса 3 |
нса 4 |
18 - кестені жаласы
|
нса 5 |
нса 6 |
|
нса 7 |
нса 8 |
|
нса 9 |
нса 10 |
18 - кестені аяталуы
|
нса 11 |
нса 12 |
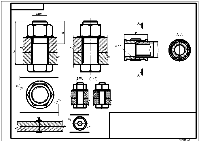
- «Айырылатын осылыстар» А 3 графикалы модуль.

35 сурет. Болтты жне бырлы осылыстар.
Берілген тапсырманы орындау шін 2.311-68 МЕСТ, 2.315-68 игеру ажет. 36 сур. Крсетілгендей болтты осылыстарды шартты атынастыр мен сызбада сызу керек. Болтты лшемдері есептеу сызбаа осымша болатын жеке дптерді тор бет аазында орындалады. Сызба тек 35 сур. крсетілгендегі лшемдермен ана сызылады. Тапсырмаларды нсалары 19 кестеде берілген.
Болтты осындылар шін арапайымдалан жне шартты суреттер орындалды. арапайым суреттерді 1:4 масштабында орындау керек. бырлы осылысты орындау кезінде сызбада тек 35 сур. лшемдер олданылады. Су немесе газ бырларыны муфтомен осылу схемасы 37 суретте крсетілген.

36 сурет. Болтты осылыстар шін шартты атынастар
19 кесте Болтты осылысты берілгендері
|
№ нсаны |
Болттарды осылуы |
№ нсаны |
Болттарды осылуы |
||||||
|
d |
a |
b |
m |
d |
a |
b |
m |
||
|
1, 13 |
16 |
25 |
35 |
60 |
7, 19 |
26 |
30 |
40 |
58 |
|
2, 14 |
14 |
22 |
44 |
48 |
8, 20 |
10 |
15 |
35 |
50 |
|
3, 15 |
18 |
25 |
30 |
45 |
9, 21 |
14 |
20 |
38 |
45 |
|
4, 16 |
27 |
20 |
40 |
60 |
10, 22 |
12 |
18 |
40 |
60 |
|
5, 17 |
22 |
25 |
35 |
55 |
11, 23 |
20 |
24 |
30 |
55 |
|
6, 18 |
24 |
20 |
24 |
50 |
12, 24 |
8 |
20 |
35 |
40 |

37 сурет. Су немесе газ бырыны муфтамен осындысы.
20 кесте. Су немесе газ бырыны муфтамен осындысыны берілгендері
|
Нсаны нмері |
бырлы бранданы белгіленуі |
d |
Dу |
d1 |
L |
L 0 |
Брауды тередігі L1 |
S |
|
1, 7, 13, 19 |
G 2 |
59,6 |
50 |
56,7 |
60 |
50 |
25 |
7 |
|
2, 8, 14, 20 |
G 1 3/4 |
53,8 |
44 |
50,8 |
55 |
44 |
22 |
7 |
|
3, 9, 15, 21 |
G 11/2 |
47,8 |
40 |
44,8 |
45 |
32 |
16 |
6 |
|
4, 10,16, 22 |
G 1 |
59,6 |
50 |
50,8 |
55 |
55 |
30 |
6 |
|
5, 11,17, 23 |
G 2 1/2 |
33,3 |
25 |
30,3 |
45 |
25 |
18 |
7 |
|
6,12,18, 24 |
G 1/2 |
59,6 |
50 |
50,8 |
40 |
30 |
15 |
7 |
3.8 «Айырылатын осылыстар» блімі бойынша баылау сратары
21 кесте. Блшектерді осылуы.
|
Сра |
Жауап |
|
1. Орта масатшін блшектерді зара белгілі бір ретпен бекітуді ... деп |
a осылуы; b - пісіру c штамповка; d - бірлестік e - байлам |
|
2. Блшектерді нысаны жне пішіні немесе оларды осатын элементтерді блдірмей ай растыру мен бзу (разборка) ммкін болатын осылыстар … деп атаймыз |
a бзылатын; b - айырылатын c озалатын d - алынатын e - растырылатын |
|
3. Блшектерді нысаны жне пішіні немесе оларды осатын элементтерді блдірмей, айта ратыру мен бзу ммкін емес осылыстар … деп айтамыз |
a ттас; b - бзылмайтын c - айырылмайтын; d - байламды e - атты |
|
4. німні блшектері жмыс кезінде бір-біріне атысты орын ауыстырып озалатын осылыстарды … деп айтамыз |
a нсамалары b - зілмелі c сыритын d жретін e озалмалы |
|
5. німні блшектері жмыс кезінде бір-біріне атысты орын ауыстырып озала алмайтын осылыстарды ... деп айтамыз |
a - константты b - фиксацияланан c тратымен; d - атты e озалмайтын |
22 кесте Брандама осылыстар
|
Сра |
Жауап |
|
1. Ттас тзу контурды цилиндрлік немесе конусты беттерде винттік озалыс кезінде пайда болатын жазыты ... деп айтамыз |
a бранда (резьба) b винт трінде c - геликоидпен d - цилиндроидпен e - коноидпен |
|
2. Бранды ою кезіндегі жалпа жазыты … |
a осьтік фронтальдік жазыты b ою ралыны кесу шеті c осьтік профильдік жазыты d - лкен диаметрлі цилиндрлік профильді блігі e - лкен диаметрлі конусты профильді блігі |
|
3. Егер гайка саат баытымен брау кезінде баылаушыдан стержень осімен алысша кететін болса, онда бранда … деп айтамыз |
a тменгі b сол жа; c о жа d - жоары e - прогрестеуші |
|
4. Егер гайка саат баытымен брау кезінде баылаушыдан стержень осімен жаындайтын болса, онда бранда … деп айтамыз |
a о жа; b - жоары c тменгі d сол жа e - регресивті |
|
5. детті бранда ... бруы мен орындалады |
a жоары b сол жа c о баалы d теріс баалы; e о жа |
|
6. ... бруы бар бранда белгілеу кезіндегі аталмайды |
a о жа b сол жа c о баалы d сол баалы e - жоары |
|
7. Сол жа бранда … белгісімен |
a HL; b LH; c - LP d PL; e L; |
|
8. Сол жа бранданы белгісі ... брандасын белгілеуден кейін белгіленеді. |
a - номинальді диаметр b июды зындыы; c - адам d мытылы сыныбы e - кіріс |
|
9. Бранданы ою кезіндегі бетті нысанына атысты жалпа контурды озалысына арай бранда ... блінеді |
a бекітетін жне озалатын b о жа жне сол жа c ірі жне кіші d - цилиндрлік жне конусты e сырты жне ішкі |
|
10. Конусты бранда ... конустылыы мен ойылады |
a - 1:40; b - 1:50; c - 1:12 d - 1:14; e - 1:16; |
|
11. Конусты бранда детте ... белгісі бар |
a K; b G; c - S d R; e Tr; |
|
12. Бір жалпа контурды озалысымен жасалан бранда ... деп айтамыз |
a жай b бір кірісті c бір ретті d бір полюсті e бір адамды |
|
13. Бірнеше жалпа контурды озалысымен жасалан бранда ... деп айтамыз |
a крделі b комбинацияланан c кп кірісті d кп полюсті e кп адамды |
|
14. ш кірісті гайка бір браанда болта атысты … ала жылжиды |
a бір адам b бір озалыс c ш озалыс d ш адам e алты озалыс |
|
15. Кпкірісті жне біркрісті брадамаларды арасынан ... брадасы тез айырылатын болып табылады. |
a - трапециедальді b - цилиндрлі c - кішіадамды d - сырты e кпкірісті |
|
16. Осьтік жазытыа деген браданы сырты контурыны проекциясы ... болып табылады |
a - бранданы профилі b браданы озалысы c браданы профиліні жоарлыы d браданы адамы, e - браданы модулі |
|
17. Брада профиліні жатар арасындаы брыш ... деп айтылады |
a - навивка брышы b - профиль брышы c брада ктерілісіні брышы d оюды брышы e сбег брышы |
|
18. Метрикалы браданы профиль брышы ... |
a - 500 ; b - 550 ; c - 600 d - 650 ; e - 700 |
|
19. Трапециедальді браданы профиль... брышы |
a - 600 ; b - 500 ; c - 400 d - 300 ; e - 200 |
|
20. быр браданы профиль брышы ... |
a - 350 ; b - 400 ; c - 450 d - 500 ; e - 550 |
|
21. Трек браданы профиль брышы ... |
a - 300 и 30 ; b - 350 и 00 c - 400 и 20 ; d - 550 и 40 e - 520 и 20 |
|
22. Масаты бойынша брандалар блінеді: |
a о жне сол жа b озалысты жне бекітетін c толыпрофильді жне тменпрофильді d сол жне о жа e ішкі жне сырты |
|
23. Метрическалы, бырлы жне конусты брандалар масатына арай ... |
a арнайы b - модульды c бекітетін d - озалатын e - жретін |
|
24. Трапецеидальды, тректік жне тік брышты брадалар масатына арай ... |
a арнайы b - модульды c бекітетін d - жретін e - озалатын |
|
25. Стерженьде орындалан брада бетіні сипаты бойынша ... болып табылады |
a конусты; b - цилиндрлі c ашы d - трдегі e - сырты |
|
26. Саылауда орындалан браданы бет жазытыыны сипаты бойынша ... болып табылады |
a ішкі b - жабы c саырау d - тйы e - цилиндр-конусты |
|
27. Винт сызыыны бір айналымына сйкес келетін браданы блігі браданы ... деп айтамыз |
a адам b - жібі c озалыс d -брылысы e профиль параметрі |
|
28. Браданы жіптеріні арама-арсы шыыыларыны арасындаы араашыты браданы ... деп айтамыз |
a минимальды сырты диаметрі b максимальды сырты диаметрі c - номинальды сырты диаметрі d - оптимальды сырты диаметрі e орташаланан сырты диаметрі |
|
29.Браданы жіптеріні арама-арсы ойытарыны арасы браданы ... деп айтамыз |
a адам b озалыс c кірімен d - ішкі диаметр e - сбегті |
|
30. Браданы кршілес жіптерні аттас элементтеріні арасындаы ашытыта браданы ... деп айтамыз |
a кесілмеген b - озалыс c сбегпен; d - профиль e - адам |
|
31. Браданы номиналды сырты жне ішкі диаметрлеріні айырмашылыыны жартысы браданы ... деп айтамыз |
a профиль биіктігі b - орташа диаметрі c - адамны медианосы d - орташаланан параметр e витокты номинальды биіктігі |
|
32. Метрикалы брада сызбада ... символмен белгіленеді |
a МЕ; b М; c - МТ d Мс; e - Мтр |
|
33. Трапецеидальді брада сызбада ... символмен белгіленеді |
a TR; b Tp; c - Tr d TP; e - PТ |
|
34. Трек брада сызбада ... символмен белгіленеді |
a Уп; b U; c - G d S; e - У |
|
35.Браданы соындаы толы емес профильді аймаы браданы ... деп айтамыз |
a кесілмеген b - кіріспеген c выклиниванием; d - сходом e - сбегпен |
|
36. Браданы соы мен блшекті трек бетіні арасындаы блшекті иылмаан блігі браданы ... деп айтамыз |
a недоводом; b - кесілмеген c сбегпен d - сходом e - шыуы |
|
37. рамына недоводпен сбегі бар блшек браданы ... деп айтамыз |
a сходпен; b - кесілмеген c шыуы d - градиентпен e - балтамен |
|
38. Кпкірісті брада шін адам орнына ... белгіленеді. |
a профильдік биіктігі мен заходтылыы b - заходтылы c Р кейінгі адаммен озалыс d заходтылы пен адам e адам мен заходтылы |
|
39. бырлы цилиндрлік браданы лшемдік саны ... белгіленеді |
a бырды сырты диаметрі b быр абыраны алыдыы c - браданы сырты номинальды диаметрі d бырды шартты кірісі e браданы адамы |
|
40. Метрикалы конусты брада ... символымен белгілінеді |
a РМК; b КМР; c - МКР d КМ; e МК; |
|
41. сырты бырлы брада ... символымен белгіленеді |
a R; b Dн; c - Тr d KTr; e Rc; |
|
42. Ішкі бырлы конусты брада ... символымен белгілінеді |
a R; b Rc; c - Rw d Rv; е - Rz |
|
43. Бірінші орындалуынны болтында ... бар |
a басында бір саылауы b - басында екі саылауы c нл саылауы d браданы соындаы бір саылауы e - браданы соындаы екі саылауы |
|
44. Екінші орындалуынны болтында ... бар |
a - басында бір саылауы b - басында екі саылауы c - нл саылауы d - браданы соындаы бір саылауы e - браданы соындаы екі саылауы |
|
45. зекті отырыс соыны зындыы ...байланысты . |
a яны материал аттылыы b - зекті материал аттылыы c осылатын блшекті алыдыы d - зектегі осьтік кшею e айналу моментіне |
|
46. Жалпы олданылатын зек зындыы ... араашытыы есептеледі |
a - зекті шектері арасындаа зындыпен b браданы созылмалы соыны басынан браданы отырысты соынан дейінгі ашыты c брадыны созылмалы соыны соынан басына дейінгі ашыты d - браданы созылмалы соыны басынан аяына дейінгі ашыты e - браданы отырыс соынан отырысты соына дейінгі ашыты |
|
47. I жне II орындаудаы гайкаларды зара айырмашылыы |
a алыдылы b сырты диаметр c фасокты баршылыымен d ішкі диаметрімен e - материалмен |
|
48. Фасок жо шайбалар ... орындауа жатады |
a арапайым b - деттегі c таза d - бірінші e - екінші |
|
49. «Болт 2 М12х1.25LH-6дх60.58.35Х029 МЕМСТ7798-70» белгілеуіндегі символ «2» символы … білдіреді. |
a кірістік b брадыаны жрісі c - профиль биіктігі d браданы адамын e болт орындалуын |
|
50. «Болт 2 М12х1.25LH-6дх60.58.35Х029 МЕМСТ7798-70» белгілеуіндегі символ «М» символы … білдіреді. |
a метрикалы брада b браданы кіші адамы c кіші брада d - модифицирленген болт e - модифицирленген брада |
|
51. «Болт 2 М12х1.25LH-6дх60.58.35Х029 МЕМСТ7798-70» ... белгілеуіндегі символ «12» нені білдіреді |
a браданы ішкі диаметрі b - браданы номинальды диаметрі c болтты басыны биіктігі d кілт шін лшемдер e - иылмаанны лкенділігі |
|
52. «Болт 2 М12х1.25LH-6дх60.58.35Х029 МЕМСТ7798-70» ... белгілеуіндегі символ «1.25» нені білдіреді |
a брада профиліні биіктігін b браданы озалысын c браданы адамын d недоводты лкенділігі e - сходты лкенділігі |
|
53. «Болт 2 М12х1.25LH-6дх60.58.35Х029 МЕМСТ7798-70» ... белгілеуіндегі символ «LH» нені білдіреді |
a накаткамен алынан сол жа брада b легирленген болат болтты c толы емес профильді сол жаын d сол жа брада e - легирленген болат болтты |
|
54. «Болт 2 М12х1.25LH-6дх60.58.35Х029 МЕМСТ7798-70» ... белгілеуіндегі символ «60» нені білдіреді |
a кілт шін лшемдер b длділік сыныбы c мытылы сыныбы d браданы ию зындыы e болт зындыы |
|
55. «Болт 2 М12х1.25LH-6дх60.58.35Х029 МЕМСТ7798-70» ... белгілеуіндегі символ «58» нені білдіреді |
a - мытылы сыныбы b - кілт шін лшемдер c - мытылы сыныбы d - болт зындыы e - браданы ию зындыы |
|
56. «Болт 2 М12х1.25LH-6дх60.58.35Х029 МЕМСТ7798-70» ... белгілеуіндегі символ «35Х» нені білдіреді |
a болт сыртыны материалын b - болт материалы c - мытылы сыныбы d - браданы ию зындыы e браданы жіп саны |
|
57. «Болт 2 М12х1.25LH-6дх60.58.35Х029 МЕМСТ7798-70» ... белгілеуіндегі символ «02» нені білдіреді |
a профиль биіктігіні ателігі b браданы адам ателігі c сырты бетіні типі d сырт бетіні алыдыы e - болт материалыны шифрі |
|
58«Болт 2 М12х1.25LH-6дх60.58.35Х029 МЕМСТ7798-70» ... белгілеуіндегі символ соы сандардаы «09» нені білдіреді |
a профиь биіктігіні ателігі b - браданы адам ателігі c - бетіні типі d - бетіні алыдыы e - болт материалыны шифрі |
|
59. зекке арналан яны тередігі ... |
a - l1+2P; b - l1+3P; c - l1+4P d - l1+5P; e - l1+6P |
|
60. арапайымдандырылан суреттерде брададылы осылыстарды ... крсетпейді |
a лыск, адам, браданы сбегі b - фаск, араларын, лунка, браданы соы жібі c - недовод, недорез, браданы сбегі d - адам, браданы недорезі e - браданы сбегі |
4. МАШИНА РАСТЫРУДАЫ СЫЗБА
4.1 німдерді трлері
2.101-68 МЕСТ бойынша німдер рылымына байланысты блшектерге, растыруды бірліктерге, комплекс пен комплектілерге блінеді. Блшек бл растыру операцияларыны бірыай материалдан ралан нім. Комплекс бл жалпы негізгі эксплуатациялы функцияларды орындауа арнаан, растырушы ксіпорында растыру операциялармен осылмаан екі жне одан да кп арнаулы нім. Комплект бл жалпы эксплуатоционды кмек беруші функцияларында орындауа арналан, растырушы ксіпорында растыру операцияларымен осылмаан екі жне одан да кп німдер.
4.2 Конструкторлы жаттарды трлері.
Конструкторлы жат жеке дара немесе бірлесе отырып німні рамын, рылысын анытап, оны дайындалуы, жасалуы, баылауына, абылдануы, эксплутация мен жндеу жайлы апаратты бар графикалы немесе мтіндік жаттар. ндірісті барлы салаларын арналан конструкторлы жат трлерін 2.102-68 МЕСТ анытайды.
Блшекті сызбасы блшекті жасау мен баылау шін керекті трлі апаратты бар жне блшекті суреті бар конструкторлы жат. «Трлі апаратты» сзін осымша, екінші дегейлі деп тсінуге болмайды. Себебі оларды біреуімен санаспау, не болмау блшекті сапалы жасалуына ммкіндік бермейді. Бан детте кіреді:
- лшемдер жне оларды шекті ауытулары
- Бетті бжырлыы жайлы апарат
- термо деу мен беттер туралы апарат
- Блшек жасалатын материалды сипаты туралы апарат
- блшекті сапалы орындалуын амтамасыз ететін арнайы техникалы талаптар.
Спецификация - німні рамын анытайтын негізігі конструкторлы жат. Жалпы жадайды спецификалы 8 блімінен трады. Олар мынандай кезекшілікте орналасуы керек: жаттама, комплекстер, растыру бірліктері, блшектер, стандарты блшектер, зге де нім материалдары мен комплекстер. Спецификацияны толтыру тртібін 2.108-68 МЕСТ анытайды.
4.3 Жинау сызбасы
арастырылып отыран таырып аясында студент блшектерді эскиздері бойынша крделі емес рау бірлігіні рау сызбасын орындау керек (винтель, клапан, насос жне т.б.). 2.10973 МЕСТ бл жмыс бойынша белгілі бір кезектілікті сынады. Алдынала кезеде істеу керек: німні масатын, рылымыны жне рекет ету аыдасын анытау, растыру бірліктерін анытау, растыру бірлігінде блшектерді саны анытау, зара осылыстарды трлерін атау, зара озалыс шекараларын анытау; німді бзу, рбір рамдас блікке атаумен белгілеуін беру; рамды сызбаны ру; рамды сызба бойынша блшекті барлы рамдас бліктеріні эскиздерін орындау.

«Вентиль» німі бір растыру бірлігіне ие (38сур.), ол шпиндель.
«Шпиндель» растыру бірлігіне келесідей блшектер кіреді: шпиндель, золотник (клапан), прокладка, шайба и гайка. «Шпиндель» растыру бірлігіне ебеген блшектер: вентиль корпусы, апаы, прокладка, салынатын гайка , басылатын втулка жне маховичок.
Стандартты німдер - гайка мен шайба.
Материал: сальникты набивкасы.
38 сурет. Вентильді жинау сызбасы
Жинау сызбасыны негізігі рылу кезегінде келесідей кезектілікті стану керек:
- Сызбаны негізіг жазбаларымен шекараларын орындау.
- Суреттерді санымен оларды мазмны жайлы сратарды шешу.
- Суретті масштабын анытау.
- Суретті планировкасын орындау (габаритты тікбрышты тртбрыштар, осьтік орталы, позицияларды нмерлерімен лшемдері шін орында анытау жне т.б.).
- Барлы суреттерде жіішке сызыпен базалы блшекті крсету.
- Базалы блшекке алаш жіктелетін блшекті ыайластырып осу, оан екінші жіктелетін жне солай рылымды сызба бойынша орындау.
- Керекті кескіндерді, ималарды, шыару элементтерін орындау.
- Обводканы тексеру, орындау, штриховканы салу.
- лшекмдерді (габаритты, осылатын, эксплуатационды, монтажды) жне блшек позицияларыны нмерлерін салу.
4.4 німгі конструкторлы жаттамасын оуа арналан тжірибелік тренинг.
німге атысты малімні берілеген конструкторлы жаттамасыны тізбесі алты жаттан трады. Маліммен сынылан німге атысты жатаманы зерттеп, кіші топтармен сратара жауап беру.
Бірінші топ: 1. німні жинау сызбасыны аты мен масштабын анытау.
2. німні комплектісіне енетін жатарын аттарын атап шыу.
3. німні (2.305-68 МЕСТ) жинау сызбасындаы суреттке атауын беру.
4. німдегі 9 блшек андай масатпен орындалан?
5. Жмыс сызбалары орындалан блшектерін атаыз?
Екінші топ: 1. нім анша жинау бірліктерінен ралады?
2. Жинау бірлігіне кіретін блшектерді атауларын атап шыыых.
3. «Ось» блшегіні сызбасындаы суретке ат беру.
4. німдегі 10 блшекті масаты не?
5. Сызбада андай элементтер арапайымдалан немесе шартты етіп жасалан?
шінші топ: 1. німні тл блшектеріні атауларын атап шыу.
2. німні стандартты блшектеріні атауларын атап шыу.
3. німні жинау бірлігін орындау кезінде олданылатын жинау опрерациясын атау.
4. «Болт М8х25 7798-70МЕСТ» жазуын талдап берііз.
5. Болтты осылыса кіретін блшектерді позиция нмерімен атауын атаыз.
Тртінші топ: 1. німдегі осылымтарды атап шыыыз.
2. німні спецификатция андай блімдерден ралды?
3. «Ось» блшегіні конструктивті элементтерін атап шыыыз.
4. «Шайба 8.65Г 6402-70МЕСТ» жазуын талдаыз.
5. німні жинау сызбасындаы шыару элементеріндегіблшектерге ат беру.
4.5 «Машина растыру» блімі бойынша баылау сратары
23 кесте 2.101-68 МЕСТ.
|
Сра |
Жауап |
|
1. Графиктегі з мтаждытары шін немесе сату шін шыарылатын зат немесе заттарды жиынтыы ...деп айтамыз |
a товар b ндіріс c продукция d продукт e нім |
|
2. Товарлар продукция трінде сатылуа арналан німдер ... ндірісіні німдеріне жатады |
a негізгі b кмектесуші c басты d товар e коммерциялы |
|
3. рылым бойынша німдер блінеді ... |
a блшектер, байламша, байлам b блшектер,байлам, машине c блшектер, жинау, комплекстер жне комплекттер d блшектер, жинаулар, агрегаттар e заттар,байламдар, конструкциялар |
|
4.Жинау операцияларынсыз, бірыай материалдардан жасалан блшек ... деп айтамыз |
a товар b элементпен c конструктив d блшектеу e зат |
|
5. Жинау операция арылы жиналан екі жне одан да кп блшектерден ралатын нім ...деп айтамыз |
a конструкция b байлам c комплекс d комплект e жинау бірлігі |
|
6. Жалпы негізгі ндірістік технологиялы функцияны орындауа арналан, бір толыанды зата ндірушімен осылмайтын: ртрлі блшектерден тратын німні ...деп айтамыз |
a комплекс b комплект c агрегат d машине e ондыры |
|
7. Жалпы кмектесуші ндірістік - технологиялы функцияны орындауа арналан, бір толыанды зата ндірушімен жиналмайтын: ртрлі блшектерден тратын німні ...деп айтамыз |
a комплекс b комплект c агрегат d жйе e ондыры |
|
8. Кспорындармен з мтаждытары мен товар белгісін сату шін шыарылатын нім ... ндірісті німіне жэатады. |
a кмектесуші b комбинацияланан c негізгі d толы e тйыталан |
|
9. рамдас блшектерді барлыына байланысты нім ... жне ... деп блінеді |
a специфициррленетіне жне специфицирленбейтін b бзылатын жне бзылмайтын c жай жне крделі d озалатын жне озалмайтын e озалатын жне бекітетін |
24 кесте - 2.102-68 МЕСТ *
|
Сра |
Жауап |
|
1. Мазмнына арай конструкторлы жаттар ... жне ... деп блінеді |
a фразеологиялы жне сызбалы b схемалы жнеконструктивті c кинематикалы жне монтажды d тексттік жне графикалы e жалпы жне негізгі масаттаы |
|
2. Блшек сызбасы, жинау сызбасы, схема ... конструктивті жаттара атысты |
a конструктт b эскизді c схемлы d сыхбалы e графикалы |
|
3. Техникалы тапсырма, техникалы шарттар, тсіндірме хат ... конструктивті жата жатады |
A тексттік b фразеологиялы c жалпы масатты d конструктивті e тікелей рекетті |
|
4. нірумен баылауа керекті блшекті суретімен зге апараттары бар негізгі конструктивті жат ... деп айтамыз |
a блшекті эскизі b блшек сызбасы c блшекті схема d блшекті суреті e блшек очергі |
|
5.Жинау мен баылау шін керекті блшекті суретімен зге апараттары бар конструкторлы жат ... деп айтамыз |
a комбинацияланан сызба b схемалы сызба c жинау сызбасы d жалпы крініс сызбасы e монтажды сызба |
|
6. Блшекті конструкциясын; оны рамдас блшектеріні зара рекеттесуін, оны жмыс аидаларын анытайтын конструкторлы жат ... деп айтамыз |
a комбинацияланан сызба b схемалы сызба c жинау сызбасы d жалпы крініс сызбасы e жалпы сызба |
|
7. Шартты сурет немесе белгілену тріндегі блшекті рамдас бліктері жне оларды арасындаы байланысы крсетілетін конструкциялы жат ... деп айтамыз |
a шартты сызба b ана c набросок d эскиз e схема |
|
8. німні рамын анытайтын негізгі конструкторлы жат ... болып табылады |
a спецификация, b ана c набросок, d эскиз e схема |
|
9. Негізігі конструкторлы жаттар ... . |
a жинау сызбасы мен техникалы сипаттау b блшекті сызбасы мен спецификация c жалпы кріністі сызбасы d схема мен техникалы тапсырма e техникалы тапсырма мен формуляр |
|
10. Кзмлшеріндегі масштабпен олмен (ралсыз) жасалан сызба ... деп айтамыз |
a кзмлшеріндегі b наброском, c эскизом d сурет, e планшет |
|
11. Тлжаттарды орындау шін жасалан жат ... деп айтамыз |
a кшірме b дубликат c белком, d оригинал e тлжат |
|
12. Одан кптеген кшірме шыаруа ммкіндік беретін жат ... деп айтамыз |
a дубликат b кшірме c белком, d оригинал e тлжат |
5. Жалпы кріністегі сызбаны оумен блшектеу
5.1 Жалпы кріністегі сызбаны оу
ВО (СБ) сызбаларын оу бл німні масатын, рамын, конструкциясын, зара орналасуын, бекітілуімен барлы блтеріні зара арым-атынасын зерттеп орыту керек. ВО жне СБ сызбасын келесідей кезектілікте оу сынылады:
1. СБ сызбасыны негізгі жазуын зерттеу: жинау бірлігіні атауы бойынша оны масатымен жмыс аидалар туралы ой рау; Сызбаны литері бойынша жасау кезеі туралы пікір рау (тжірибе лгісі, тжірибе партиясы, сериялы ндіріс жне т.б. ); німні іс жзіндегі лшемдері мен самаы бойынша масштабты зерттеу; Жасаушыны констукторлы жатамасыны йымдастырылуына назар аудару керек, сонымен атар сас німдерді жасаушыларды арасындаы «рейтинг» пен оны беделі трысынан талдау жасау керек; ВО (СБ) сызбасы неше бетте сызыланы туралы анытау
2. німні ысаша сипатын зерттеу, оны рылымымен жмыс аидасын білу;
3. Спецификацияны кріп алу (еркін кестеге); нім андай растыру бірлігіктерінен, оригинальды жне стандартты блшектерден раланы айтамыз; оларды араатынасы; тсі бар осылыстарды (передачтарды) баршылыы; оларды модульдері; гидравлика, пневматика элементтеріне назар аударыыздар; блшектер жасалаиын материалдара назхар аударыыздар; прокатты олданылуымен ара металдарды ию процессін балаыз, лигерленген конструкциялы болатын, тсті металдарды, сатылатын арнай масаттаы німдер (сорыштар, двигательдер, гидроцилиндрдер жэне т.б..); ндірісіне кз жеткізу; сызбада рбір рылымды блімді табу (блшек, растыру бірлігі), бл блімдер детте спецификацияда немесе жеке позициямен бос кестеде крсетіледі.
4. Сурет бойынша блшектерді геометриялы нысаны, зара орналасуын, оларды осылу тсілдері, орын ауыстыруда ммкіндігі, жмыс кезіндегі зара рекеттестігі, келетін блшектерді майлануын крсету.
5. німні толыымен жне рамдас бліктерді жиналуымен бзылуыны кезектілігін анытау.
растыру бірлігіні рлымымен жмысы туралы ымды ала отырып блшекті контурвы андай кеістік беттермен шектелгенін анытайды. Бл шін сызбада блшектерді барлы кріністерін, суреттерін тауып, осымша кріністерді, кескінмен ималара, жне т.б. ерекше кіл аудару керек, себебі негізгі кріністе аныталмаан элементтер нысандары крсетіледі. Блшекті блек элементтерні анытау кезінде иыншылытар туындаса, сызбаны оу процессін кршілес блшектерді суретін арау арылы жаластырамыз, ол бізге керекті блшекті кршілес блшектерді геометриясын анытауа септігін тигізеді. Сонымен атар ішкі кеістіктегі кейбір элементтері (конавка, фаска) баса блшектермен жасырылу ммкін. Мысалы, ол валдармен, осьтермен жне т.б. элементтермен иылмаан болып крінеді. з кезегінде, валды белгілі бір блігі оны осытан зге блшекпен жабылуы ммкін. СБ оуына суреттер арасындаы проекционды байланыс, трлі суреттердегі (масштабты ескере отырып) блшекті штрихтеуді параметрлері кмектеседі.
5.2 Блшекті орындауды реттелігі
Блшектеу жинау сызбасыны оу нтижелері бойынша блшекті жмыс сызбаларын дайындау. Блшектеу кезінде жинау сызбасында бір атар шарттылыпен ысартулар олданылады оларды блшектерді жмыс сызбаларында ескеру керек
Жалпы тртіп бойынша блшектеуді келесідей кезектілікте орындалу керек:
1. Стандартты, нормаланан жне сатылатын блшектер блшектелуден шыарылантылан, спецификацияда барлы оригиналды белгілеу керек.
2. Барлы суреттерде блшектерді табу, оны ішкі жне сырты нысаны, конструктивті ерекшеліктері мен лшемдерін табу.
3. Басты кріністі тадау. Ол крініс, кескін немесе крініспен кескін блшектеріні осылысы болуы ммкін. Жмыс сызбасыны басты крінісіндегі блшектерді орналасуы рылыс сызбасындаы орнына сйкес келмеуі де ммкін. Айналу денелері болып табылатын блшектер (валь,ось, саусатар, втулка жне т.б.) бас кріністерде клдене орналасады.
4. Керекті суретті саны (затты тсіну шін минимальді жне толыанды тсінігін беретін) жне оларды міні анытау.
5. Сызбаны нысаны жне суретті масштабын тадау.
6. 2.109-73 МЕСТ бойынша блшекті сызып, лшемдерді салу (39 сур.).

39 сурет. Вал мен апа блшектеріні лшемдерін база арылы ою.
5.3 Блшекті конструктивті элементтерін суреттеу
Кптеген машинаны бліктер нысандары орта элементтерге ие: саылаула (тесіктер), паздар, фаскалар, проточкалар, накаткалар, канавкалар жне т.б., белгілі бір стандарттармен ережелер бойынша орындалатын суреттер (40сур).
Конструктивті элементтерді лшемдері (фаска, орталы тесіктерді, проточкаларды жне т.б.) ВО сызбасы бойынша аныталмайды, олар анытама кестелерден алынады (рбір конструктивті элементте жеке МЕСТ бар).Блшекті сызбасында ВО німі сызбасында крсетілмеген не ысартылып, шартты немесе схемамен суреттелетен элементтер крсетілуі керек. Бндай элементтерге, мысалы, шлифовальді шеберді шыуы канавкалары жне проточкалар.

40
сурет. Блшекті конструктивті элементтерді атаулары.
Ол 2.305-68МЕМСТ* СБ сызбасында кейбір кіші конструктивті элементтерді суреттемелуі сынылуымен тсіндіріледі, біра егер ол сызбаны оылуына жне растыру опрецияларыны туіне кедергі жасамаса ана жол беріледі
Жмыс сызбасындаы блшекті кейбір элементтері СБ сызбасындаы элементтерден басаша суреттелуі керек. Мысалы, СБ сызбасындаы зектермен винттерге арналан ялар арапайымдалынып суреттеледі, онда брада ойы тедігіні айырмашылыан крсетілмейді. Жмыс сызбасындаы ялар жоарыда крсетілген талаптара сйкес болу тиіс (34сур.,3,5 пункті).
Шлифтеуші шеберді шыуына арналан канавкалар жне брада оюшы ралды шыуына проточкалар СБ сызбасында арапайымдалып суреттеледі. Жмыс сызбасында талан элементтер стандарттара (Б-осымшасы) сйкес суреттеледі.
5.4 Іскерлік ойын.
Іскерлік ойын 5 студенттен арты емес кіші топтармен орындалады. Бндай топтарды білімімен абілеті жоара, «кшбасшыны» йымдастырушылы абілеттіктеріне ие, лгерімі жоары студенттерді арасынан тадалатын басты конструктор басарады. Жмыс шін жауапкершілікті басты конструктор зге арапайым конструкторларды арасында бліп-бледі. Блініс іскерлік ойыны сценари жоспарына сйкес жргізіледі. Сценариде топты жмыс алгоритімі, істелінетін жмысты регламенті (орныдалу мерзімдері), Топ жмысыны жалпы ережелері, Ф тжірибедегі ндірістік талаптара сйкес конструкторлы бюродаы сияты функцияларды зара блу тртібі крсетіледі.
Іскерлік ойынны масаты студентерді коммуникабельді абілеттеріні дамуына алышарттарда жасалады, шыармашылы жмыс арылы таным процессіне шаыру, масаттарды оя білу, з ызметін йымдастырып оыны нтижесін баалай білу.
Іскерлік ойын бірнеше кезенде іске асады:
I кезе еркін жне сенімді атынасты орнатуа жне рль функцияларды тадау шін зара танысу (бас конструктор оытушымен немесе студенттермен тадалады );
II кезе ойылан міндеттерді анытаумен оны рамын білу (конструкторлы жаттаманы жасау шін німді тадау);
III кезе Сценаримен регламентке сйкес (тсініксіз сратарда бас конструктор оытушымен шешеді), рбір атысушыны рекет алгоритіміне сйкес тікелей жмысты орындауа кірісті.
IV кезе бас конструкторлар німні презентация тріндегі конструкторлы жаттамаларды комплектсіні жмысын тйіндеумен жмыс нтижелерін конкретизациялау;
V кезе жмысты орытындысын шыару жне серлермен алмасу . Ол анкете трінде туі ммкін (бл жмыста мен шін е бастысы не болды, мен зім шін жеке тлала жіне ксіптік жаынан зіне не пайда алдым, з тобына мен таы не айтым келеді).
Тапсырма: Оытушымен берілетін жалпы кріністі сызбасы бойынша німні рылымды схемасы, німні спецификациясы, жинау бірліктеріні спецификациясы, німні (вальдар, апатар) жмыс сызбалары орындалды.
німні барлы тжаттар А3 формат титулды парапен тігіледі жне жазылады. Онда топты барлы мшелері, міндеттері, олтабалары ойылады. німдегі рылымды схема А3 формат параында, спецификация А4 форматында, жмыс сызбалары А4 немесе А3 форматтарында сурететрді кптігі мен блшекті крделігіне арай орындалады.
5.5 Графикалы модульге атысты тапсырма
«Жалпы кріністегі сызбаны оылуы мен блшектенуі»
Тапсырма ВО (немесе СБ) сызбасын оу мен орындалуын кздейді. Бнда екі блшекті орташадан арты емес иындылы дегейіндегі жне бадарламалара сйкес сызбалар арастырылан. Нсамалар бойынша жеке тапсырманы сызбасында берілетін ВО-ны оу бойынша сратара жауап беру (25кесте). 25 кестеде блшектерді жазылуы тиіс позиция нмірлерін орындап крсетеді. Тапсырма графикалы блімні сомалы клеміне А3 формат (Вал сызбасы) жне А4 немесе А3 форматтары (апаты сызбасы) б.т.
25 кесте - Нсамар бойынша блшектеу шін арналан апарат.
|
Тапсырмалар нсамалары |
Блшектеу шін блшек позициясыны атауы мен нмірі |
|
01 Транспортерді созылмалы рылысы |
Вал (7), ползун (4) |
|
02 Транспортер |
Вал (16), подвеска (9) |
|
03 ол приводыны механизмі |
Вал (1), апа (10) |
|
04 Привод |
Вал (2), апа (4) |
|
05 Аралы валдар |
Вал (5), апа (2) |
|
06 ырлардаы транспортер |
Ось (6), негізгі (7) |
|
07 Сйыты шін сорыш |
Штуцер (5), стаушылар (23) |
|
08 Вариатор |
Созылмалы втулка (5), шкив (8) |
|
09 Соыш- вакуум |
Вал (4), сорыш апа (2) |
|
10 Кілиі роликтерді приводы |
Вал (2), апа (15) |
|
11 Привод |
Сауса (12), рычаг (4) |
|
12 Транспортера созылмалы |
Ось (7), ползун (6) |
|
13 Приводты вал |
Вал (1), апа (25) |
|
14 Приводты вал |
Вал (1), апа (23) |
|
15 Майлы-сорыш |
Валы бар тіс доалаы (6), апа (2) |
|
16 Созылмалы станция |
О жа жарты ось (6), планка (7) |
|
17 Тартушы роликтерді приводы |
Вал (3), ролик (4) |
|
18 Привод |
Вал (19), апа (11) |
|
19 Приводты вал |
Вал (22), апа (39) |
|
20 Приводты вал |
Вал (11), апа (3) |
|
21 осу механизмі |
Вал (7), апа (17) |
|
22 Созылмалы тартушы роликтері |
Вал (2), ролик (1) |
|
23 Тіс муфтасы |
Сауса (11), апа (3) |
|
24 Фрикционды муфта |
Вал (7), приводты шкив (1) |
|
25 Брылысты механизмі |
Сауса (13), апа (15) |
5.6 «Жалпы кріністегі сызбаларды оу» блімі бойынша баылау сратар
26 кесте лшемді базалар мени конструктивты элементтер.
|
Сра |
Жауап |
|
1. рылу бірлігіндегі блшекті орналасуын анытайтын тзулері немесе нктелеріні, бет кеістіктеріні жиынтыын ... база деп аталады |
a рылу b технологиялы c конструкторлы d лшейтін e негізгі |
|
2. Блшектерді деу кезінде лшемдерді анытау жргізетін бет кеістіктеріні, тзулер немесе нктелерді жиынтыын ... база деп аталады |
a негізгі b лшемді c конструкторлы d технологиялы e рылым |
|
3. Блшектерді зара дрыс орналасуын анытайтын бет кеістіктері, тзулері немесе нктелерді жиынтыы ... база деп аталады |
a негізгі b лшемді c конструкторлы d технологиялы e рылым |
|
4. лшемді базалар блінеді ... |
a негізгі жне кмектесуші b негізгі жне екінші дегейлі c жалпы жне жеке d персоналды жне комбинацияланан e ориентирленген жне ориентирленбеген |
|
5. Негізгі лшемді базадан ... ойылады |
a главные размеры детали b наибольшее число размеров c основной размер детали d одинаковые размеры детали e смежные размеры детали |
|
6. Кмектесуші лшемді базадан ... лшемдері ойылады. |
A единственные b главные c единичные d одинаковые e смежные |
|
7. Негізгі базаа атысты блшекті конструктивті элементтіні орнын анытайтын сызыты координатымен лшемдерді белгілейтін тсіл ... деп аталады |
a сызыты b базалы c тізбекші d координатты e негізгі |
|
8. Кезекті лшемді тізбек трінде брынысынан рбір келесі лшемі ойылатын лшем ою тсілі ... деп аталады |
a тізбек-тізбек b базалы c туелді d кезекті-реттік e тізбектік |
|
9. Координатты жне тізбектік тсілдерді элементтерін біріктіретін лшемдерді ою тсілі |
a комбинацияланан b араласан c жалпы d комбинаторлы e біріктірілген |
|
10. Тізбектік лшемдерді ою тсілі детте ... олданылады |
a блшекті кіші габариттерінде b блшекті лкен габариттерінде c блшекті литиймен жасаанда d блшекті штамповтауда e блшекті мехдеулі кезінде |
|
11. німні рамына анытайтын негізгі конструкторлы жат ... болып табылады |
a схема b техникалы сипаттау c спецификация d ру сызбасы e жалпы кріністі сызбасы |
|
12. Жалпы жадайда спецификалы бірінші блімі болып ... блімі болып табылады. |
a «Комплекстер» b «Комплекттер» c «ру бірліктері» d «жаттама» e «Блшектер» |
|
13. Жалпы жадайда спецификалы екінші блімі болып ... блімі болып табылады. |
a «жаттама» b «Блшектер» c «ру бірліктері» d «Баса німдер» e -«Комплекстер» |
|
14. Жалпы жадайда спецификалы шінші блімі болып ... блімі болып табылады. |
a «ру бірліктері» b «Стандартты німдер» c «Материалдар»; d «Детали» e «Баса німдер» |
|
15. Жалпы жадайда спецификалы тртінші блімі болып ... блімі болып табылады. |
a «жаттама» b «Блшектер» c «ру бірліктері» d «Баса німдер» e «Комплектілер» |
|
16. Жалпы жадайда спецификалы бесінші блімі болып ... блімі болып табылады. |
a «ру бірліктері» b «Материалдар» c «Стандартты німдер» d «Блшектер» e «Баса німдер» |
|
17. Жалпы жадайда спецификалы алтыншы блімі болып ... блімі болып табылады. |
a «жаттама» b «Блшектер» c «ру бірліктері» d «Баса німдер» e «Комплектілер» |
|
18. Жалпы жадайда спецификалы жетінші блімі болып ... блімі болып табылады. |
a «Комплектілер» b «Баса німдер» c «Блшектер» d «ру бірліктері» e «Материалдар» |
|
19. Жалпы жадайда спецификалы сегізінші блімі болып ... блімі болып табылады. |
a «Комплектілер» b «Материалдар» c «Баса німдер» d «Стандартты німдер» e «Блшектер» |
|
20. Спецификацияны алаш белгі негізгі жазумен … х … мм лшеммен жазылады |
a 55х185 мм; b 40х185 мм c 15х185 мм; d 30х210 мм e 45х210 мм; |
|
21. Бірінші беттен кейінгі беттер негізгі жазумен …х… лшеммен белгіленеді |
a 55х185 мм; b 40х185 мм c 15х185 мм; d 30х210 мм e 45х210 мм; |
|
22. Спецификация тек ... форматында орындалады … |
a А1; b А2 c А3; d А4 e А5 |
|
23. 70х14 мм лшемдегі негізгі жазу («штампик») спецификацияда ... орындалады |
a ыса жаты зынына жоары сол жа брышында b зын жаты зынына жоары о жа брышында c зын жаты зынына жоары сол жа брышында d ыса жаты зынына жоары о жа брышында e орындалмайды |
|
24. В15.002.007 белгіленуі бар німді спецификациясыны ... бліміне ткізу керек |
a «Блшектер» b «ру бірліктері» c «Стандартты німдер» d «Баса німдер» e «Материалдар» |
|
25. В15.002.000 СБ белгіленуі бар німді спецификациясыны ... бліміне ткізу керек |
a «ру байламдары» b «ру бірліктері» c «Стандартты нім» d «ру сызбасы» e «ру материалдары» |
|
26. Стандартты бекіту блшектері ... жне ... графаларында спецификация толтырылмайды |
a «Позиция» жне «Саны» b «Формат» жне «Белгіленуі» c «Атауы» жне «Ескерту» d «Ескерту» жне «Саны» e «Саны» жне «Атауы» |
|
27. ... бар німні рамдас кесілмеген бліктерін сызбады крсетуге рсат етіледі |
a спецификация b блшекті сызбасы c жеке дара ру сызбасы d жалпы кріністі сызбасы e схема |
|
28. ру сызбасындаы тесікті абырасы мен стержень арасындаы саылау... |
a штрихталмайды b минимальды болу керек c максимальды болу керек d крсетпеуге рсат бар e крсетуге рсат жо |
|
29.алпатар, алан, амтама жне т.б., егер олармен жабылан элементтерді крсету керек болса … крсетеді |
a млдіретіп крсетеді b шыару элементтерінде крсетеді c шартты трінде крсету d тыйым салынан e крсетуге рсат жо |
|
30. Фаск, проточка, шеберленгендер, ойытар жне т.б. кішігірім элементтер ру сызбасында ... крсетеді |
a крсетуге рсат жо b шартты трінде крсету c лайту трінде крсету d блшекті трінде крсету e тек шыару элементтерінде ана |
|
31. Бірнеше бірдей элементтерді суретері бар растырушы сызбада ... жол беріледі |
a рбіреуін крсетуге b біреуін толы, згелерін шартты трде крсетуге c жалпы саныны 20 % аз емесін крсетуге d жалпы саныны 10 % аз емесін крсетуге e оларды 2-3 есе лшемін згерту |
|
32. Саиналы проточкасы бар вал мойыныны зындыын ... оямыз |
a шыару элементтер трінде b проточкасыз c проточкамен d кескіндер трінде e ималар трінде |
|
33. Сызбада цилиндрлі элементтерді диаметрін бл элементтер проекционланатын жерде ммкіндігінше ... ою керек |
a шебер трінде b лаюмен c табии лшеммен d шеберлі емес e ауытусыз |
|
34. Цилиндрлік элементтерді орталы аралы ашытыын элементтер проекционалатын жердегі суреттерде ... ою керек |
a шыару элементтер трінде b ималар трінде c кескіндер трінде d тікбрыштар трінде e шебер трінде |
|
35. Х/б матадан тратын винтелді сальниктік тыыздаушыларды спецификацияны ... тарауында болуы тиіс |
a «Материалдар» b «блшектер» c «Комплекттер» d «Баса німдер» e «Маталар» |
|
36. М20х55.58 болтты спецификацияны ... тарауында болу тиіс |
a «Материалдар» b «Стандартты німдер» c «зге німдер» d «Комплекттер» e «Блшектер» |
|
37. Сызбада цилиндрлік пружиналарды суреті ... орналасады |
a жктемені диаграммсыз b басылан жадайда c клдене d тігінен e жмыс жадайында |
|
38. Стандартты бекіту блшектері спецификацияда ... орналасады |
a еркін b алыстайтын c шахматты d алфавитті e лаятын |
|
39.Позицияларды шыару тзулеріні срелері ... тзуінде орналасуы керек |
a диагональді b енкіш c негізгі d штрихтік e бір |
|
40. німні рамына кіретін позицияларыны нмірлерін ою кезіндегі алаша санды атарды мнін; ... тиісті болады |
a ру бірліктеріне b блшектерге c стандартты німдерге d комплект e комплекс |
Тапсырмалар мен мысалдар трінде берілген инженерлік графика негіздері


Нса 9 Нса10 Нса11 Нса12
































