Визначення параметрів і характеристик трансформаторів
|
СПУ-12 |
Звіт про лабораторну роботу №5 |
Хмара А.О. |
||
|
Визначення параметрів і характеристик трансформаторів |
||||
Визначити параметри і розрахувати характеристики силового трансформатора за даними дослідів холостого ходу і короткого замикання.
Досліджуваний трансформатор типу ТСШ 2,5 , автотрансформатор типу РНТ 220 6, вимірювальний комплект К 50, додатковий вольтметр електромагнітної системи на 30 В. Паспорт лабораторного трансформатора:
- залежність U2=f(Kнв) при cos2=0,8 і 1,0;
|
||||
|
Розробив |
Хмара А.О. |
Аркуш |
||
|
Перевірив |
Апухтін О.С |
1 |
||
|
Прізвище |
Підпис |
Дата |
Рис.1 Схема до виконання дослідів холостого ходу і короткого замикання
- Дослід холостого ходу трансформатора
Дослід холостого ходу проводимо для одного значення напруги, а саме при U=UН. Результати досліду холостого ходу заносимо в табл. 2.1. при цьому у схемі дослідження рис 2.1 вторинні виводи залишаємо розімкненими.
Таблиця 1 Експериментальні дані дослідів ХХ і КЗ
|
Фаза А |
Фаза В |
Фаза С |
|||||||
|
U, В |
I, А |
P, Вт |
U, В |
I, А |
P, Вт |
U, В |
I, А |
P, Вт |
|
|
ХХ |
127 |
2 |
50 |
129 |
2,5 |
40 |
130 |
2,8 |
60 |
|
КЗ |
22 |
12 |
75 |
22 |
9,25 |
75 |
22 |
8,75 |
75 |
- Дослід короткого замикання.
Для проведення досліду короткого замикання, не виключаючи схему рис.2.1, зменшуємо U1 до нуля. Відключаємо схему від мережі. Замикаємо вторинну обмотку накоротко. Плавно підвищуючи напругу U1, доводимо струм у первинній обмотці до IН і записуємо значення UK, IK, PK. Заносимо результати в таблицю 2.1.
|
U, В |
I, А |
P, Вт |
Z |
R |
X |
R75, |
Z75, |
cos |
|
|
ХХ |
222,7 |
1,4 |
50 |
159,1 |
25,5 |
157 |
31 |
39,7 |
0,16 |
|
КЗ |
22 |
5,78 |
75 |
3,8 |
2,24 |
3,07 |
2,72 |
4,1 |
0,58 |
Таблиця 2 Розрахунки за дослідами ХХ і КЗ
- За даними дослідів розрахуємо параметри заступної схеми трансформатора:
- у режимі ХХ:
- у режимі короткого замикання:
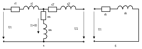
Вкажемо схеми заміщення та вкажемо їх параметри:

Рис. 2 Схеми заміщення для дослідів
Rm R0 =25.5 Ом
Xm X0 = 157 Ом
R1 + R2 = Rk = 2.24 Ом
X1 + X2 = Xk = 3.07 Ом
Будуємо залежність U = f(Kнв) та U2=f(Kнв) при cos2=0,8 і 1,0:
U = Kнв(UKа cos2+UKрsin2) , %,
Таблиця 3 Розрахунок для побудови графіків.
|
Kнв |
cos2 = 0,8 |
cos2 = 1,0 |
||
|
U, %, |
U2, В |
U, %, |
U2, В |
|
|
0 |
0,00 |
133 |
0 |
133 |
|
0,25 |
2,5 |
129,7 |
2,13 |
130,17 |
|
0,5 |
5 |
126,4 |
4,26 |
127,33 |
|
0,75 |
7,5 |
123,03 |
6,38 |
124,51 |
|
1 |
10 |
119,7 |
8,51 |
121,68 |
|
1,25 |
12,5 |
116,38 |
10,64 |
118,85 |
Приклад розрахунку:
cos2 = 0,8
Kнв=0,25
U = 0,25(8,51* 0,8+5,3*0,6) =2,5%
cos2 = 1,0
Kнв=0,25
U = 0,25(8,51* 1) =2,13%
Рис. 3 Залежність U = f(Kнв)
Рис.4 Залежність U2=f(Kнв)
U = UKа cos2+UKрsin2 , %
Таблиця 4 Дані для побудови U = f(2)
|
2о |
-90 |
-60 |
-30 |
0 |
30 |
60 |
90 |
|
U, % |
-5,3 |
-0,33 |
4,72 |
8,51 |
10,02 |
8,85 |
5,3 |
Рис.4 Залежність U = f(2)
Висновок: При виконанні роботи ознайомились з методикою проведення дослідів ХХ та КЗ трансформаторів та навчилися на їх базі розраховувати параметр трансформатора (схеми заміщення). Побудували характеристики трансформатора.
Визначення параметрів і характеристик трансформаторів