Синтез и исследование фтороборатных стекол, активированных редкоземельными ионами

МИНИСТЕРСТВО ОБРАЗОВАНИЯ И НАУКИ РОССИЙСКОЙ ФЕДЕРАЦИИ

_____

РОССИЙСКИЙ ХИМИКО-ТЕХНОЛОГИЧЕСКИЙ УНИВЕРСИТЕТ
имени Д.И. Менделеева

ФАКУЛЬТЕТ ТЕХНОЛОГИИ НЕОРГАНИЧЕСКИХ ВЕЩЕСТВ И ВЫСОКОТЕМПЕРАТУРНЫХ МАТЕРИАЛОВ

КАФЕДРА

ХИМИИ И ТЕХНОЛОГИИ

КРИСТАЛЛОВ

ВЫПУСКНАЯ КВАЛИФИКАЦИОННАЯ РАБОТА

НА ТЕМУ:

Синтез и исследование фтороборатных стекол,

активированных редкоземельными ионами

Заведующий кафедрой

Проф., д.х.н. Аветисов И.Х

Руководители работы

Доц., к.х.н. Петрова О.Б.

Асп. Анурова М.О.

Дипломант

Жукова Е.В.

Москва 2015 год


Содержание:

Введение (актуальность темы 2 страницы)

1. Обзор литературы (20-25страниц)

Боратные стекла (строение, свойства, получение) 2 стр

Оксифторидные стекла с фторидом свинцом
(строение, свойства, получение, применение) 2 стр

Стеклование в системе PbF2-B2O3 3 стр

Получение оксифторидных СКМ

Спектрально-люминесцентные свойства РЗЭ в стеклах

1.5.1. Свойства Pr3+ 2 стр

1.5.2. Свойства Nd3+ 2 стр

1.5.3. Свойства Eu3+ 2 стр

1.5.4. Свойства Er3+ 2 стр

1.5.5. Свойства Но3+ 2 стр

1.5.6. Свойства Yb3+ 2 стр

(схема уровней, спектры поглощения, люминесценции, наиболее интересные переходы)

1.6. Выводы из обзора литературы 1

2. Цели и задачи работы (1 страница)

3. Методика эксперимента (10-15 страниц)

3.1. Характеристика реактивов (2 стр)

3.2. Оборудование (2-3 стр)

3.2.1. Оборудование для варки, отжига и термообработки стекол

3.2.2. Вспомогательное оборудование

3.3. Методы исследования (10 стр)

3.3.1. Измерение напряжений на полярископе

3.3.2. Рентгенофазовый анализ (РФА)

3.3.3. Измерение плотности

3.3.4. Измерение показателя преломления и дисперсии

3.3.5. Измерение микротвердости

3.3.6. Элементный анализ

3.3.7. Спектры поглощения

3.3.8. Спектры люминесценции Nd3+, Er3+, Pr3+, Ho3+, Eu3+, Yb3+

Экспериментальная часть

Получение фтороборатных стекол 4 стр

4.2. Исследования стекол 16 стр

4.2.2. Термические напряжения в стёклах и отжиг

4.2.3. Обработка стекол, получение плоскопараллельных пластин

4.2.4. Элементный анализ стекол

4.2.5. Определение плотности стекол

4.2.6. Определение показателя преломления и дисперсии

4.2.7. Определение микротвердости стекол

4.2.8. Спектры поглощения стекол

4.2.9. Спектрально-люминесцентные свойства

5. Заключение и выводы 1 стр

6. Список использованной литературы


ВВЕДЕНИЕ

В настоящее время прозрачные стеклокристаллические материалы легированные РЗЭ представляют большой интерес для современной элементной базы фотоники. Высокие электрические и спектральные характеристики, широкая область изменения теплофизических параметров, сравнительная легкоплавкость выдвинули стекла и СКМ на основе боратных оксифторидных систем активированных РЗЭ в число наиболее перспективных для создания полифункциональных и лазерных материалов [1].

Прозрачную стеклокерамику или стеклокристаллические материалы (СКМ) можно рассматривать как композиционный материал, сочетающий в себе преимущества обоих компонентов, стекла и кристаллов. СКМ содержат внутри кристаллические частицы разных размеров. Если размер этих микрокристаллов меньше, чем длина волны видимого света, то данный материал называют прозрачным СКМ [2].

Стоит отметить, что прозрачные СКМ, кроме новых отличительных признаков, имеют преимущества стекол и монокристаллов и отсутствие недостатков, характерных для этих материалов. Аналогично стеклам, СКМ могут быть легко обработаны и использованы для изготовления волокон; они имеют большую емкость, к активирующим легирующим примесям, изотропны и имеют равномерно распределенные активаторы. Аналогично монокристаллам, стеклокерамика содержит редкоземельные примеси в строго упорядоченном лигандном окружении. В результате, их спектры люминесценции имеют более высокую интенсивность и меньшую полуширину по сравнению с аналогичными легирующими добавками в стеклах, то есть, их спектральные и люминесцентные свойства аналогичны свойствам монокристаллов. Сравнительно небольшой размер кристаллических частиц, погруженных в стеклянную матрицу, может существенно повлиять на фононные спектры компонента, изменения в которых влияют на люминесцентные свойства всего композиционного материала, в том числе и на время жизни возбужденного состояния, что отличает их от полностью кристаллических образцов.

Прозрачную оксифторидную стеклокерамику можно рассматривать как новый класс материалов, который сочетает в себе все лучшие свойства фторидных нанокристаллов, ответственных за контроль спектральных свойств редкоземельных легирующих примесей и отличные макроскопические особенности оксидных стекол (например, химическую стойкостью, механическую прочность и оптическое качество).

Оксифторидная прозрачная керамика привлекает внимание исследователей, поскольку содержит в виде кристаллических компонентов фторидные нанокристаллы , обладающие низкоэнергитическими фононными спектрами, высоким квантовым выходом люминесценции и длительным временем жизни для метастабильных состояний. Прозрачная оксифторидная стелокерамика имеет нанокомпозитный характер, и в ее стеклянной матрице естественным образом предотвращается агломерация наночастиц (последнее является ключевой проблемой современной нанотехнологии).

Таким образом, разработка и исследование новых лазерных СКМ в системе PbF2 - B2O3, активированных различными РЗЭ, представляет перспективное направление в области изучения материалов, в которых используется стекло. Цели данного раздела науки весьма разнообразны. Они могут заключаться как в создании новых материалов для оптических приборов (традиционный комплекс задач), так и в решении других, пока нетрадиционных задач в области фотоники (некоторые проблемы волоконно-оптических коммуникаций, проблемы микрооптики и др.)


1. ОБЗОР ЛИТЕРАТУРЫ

1.1. Боратные стекла

Оксид бора В2О3 (М=69.64 г/моль) принадлежит к группе стеклообразователей и имеет самое широкое применение в оптическом стекловарении и в других технологических приложениях.

Получение

Сам оксид чрезвычайно гигроскопичен и очень трудно кристаллизуем. Получается в виде стеклующейся жидкости обезвоживанием борной кислоты H3BO3 в вакууме выше 500 °С. Кристаллизация в виде безводных кристаллов В2О3 происходит только при повышенном давлении; Тпл. =723 К (450°С), Ткип. = 2250 °С. Плотность стекла (d20 = 1.781.83) с ростом содержания воды резко снижается. Тпл ~ 270 °C (540 K); с ростом содержания воды Тg также резко уменьшается. Вода удаляется из расплава барботированием осушенного азота или инертного газа. Через 3 часа при 1200 °С в расплаве остается ~ 0.25 мас.% Н2О, через 19 часов – 0.13 %. Полностью удалить воду из расплава не удается.

Технология, режимы варки и выработки боратных стекол

Для составления шихт применяют химически чистые материалы, в качестве источника бора используют борный ангидрид В2O3 или борную кислоту. Большинство шихт следует предварительно плавить при температурах 500-650оС (максимум), т.е. до полного удаления паров Н2О из шихт. Подъем температуры при этом производится медленно во избежание вспучивания шихты. Затем фриттированную шихту следует измельчить и загрузить в тигли для плавки. Плавка шихт производится при возможно быстром подъеме температуры. Длительный процесс плавки шихты, а также выдержка расплава в печи приводят к интенсивному улетучиванию компонентов стекломассы, особенно В2О3.

Чтобы снять термические напряжения проводится отжиг стекол. Верхняя температура отжига стекол, установленная на основании температур размягчения, находится в пределах 200- 600оС [3].

Строение

Боратные стекла состоят из планарных треугольников (BO3)3- или тетраэдров (ВО4), соединенных через атомы кислорода в трехмерную сеть [4,5]. Результаты исследования стекол структурно-чувствительными методами (ЯМР — ядерный магнитный резонанс, ЭПР — электронный парамагнитный резонанс, инфракрасная спектроскопии и спектроскопия комбинационного рассеяния света и др.) хорошо интерпретируются в предположении существования в стеклах структурных группировок, аналогичных, но несколько искаженных по отношению к имеющимся в соответствующих кристаллах [4, 6-11]. Например, предполагается, что стеклообразный борный ангидрид в основном построен из бороксольных колец, образованных тремя борокислородными треугольниками BO3 (рис 1.1) .

а) б)

- атом кислорода - атом бора

Рис.1.1.Структурные элементы боратных стекол. а) треугольник ВО3,
б) бороксольное кольцо В2О3 [8].

В структурах боратных кристаллов и стекол с содержанием B2O3 более 50 мол.% одновременно встречаются два типа жестких координационных полиэдров: треугольные ВО3 и тетраэдрические ВО4 комплексы. Другая отличительная особенность боратов состоит в том, что такие треугольники и тетраэдры объединяются в более крупные группировки, которые также могут рассматриваться как жесткие фрагменты структуры, поскольку они встречаются практически в неизменном виде в различных кристаллических структурах боратов и слабо изменяются от температуры и давления. Распространены несколько типов таких борокислородных группировок, причем количество координационных полиэдров в каждой из них редко превышает пять. Безводные бораты характеризуются каркасным, в редких случаях слоистым строением, среди водных боратов часто встречаются цепочечные и ленточные структуры [12,13].

Кроме основных группировок в стеклах: боратных треугольников [ВО3] и тетраэдров [ВО4], могут формироваться другие «сверхструктурные единицы»: бороксольные и метаборатные кольца, метаборатные цепи, пентаборатные, триборатные, диборатные и пироборатные группы [14] (рис. 1.2).

а) б) в)

Рис.1.2. Структуры некоторых боратных группировок, образующихся в боратных стеклах [7]. а) – пентоборатная; б) – триборатная;в) – диборатная группировки.

Свойства

Свойства боратных стекол зависят от катиона модификатора и сильно отличаются от свойств чистого стеклообразного оксида бора.

  • Плотность.

Значение плотностей отдельных оксидов при одинаковом процентно-молекулярном их содержании пропорциональны их молекулярным массам. Введение в состав боратных стекол определенного количества щелочей упрочняет их структуру и увеличивает плотность. Оксиды МеО повышают плотность стекла соответственно росту их молекулярных масс [11].

  • Вязкость.

В [11, 12] отмечается высокая вязкость боратных стекол и расплавов. Одной из важнейших характеристик стекла является температурная зависимость вязкости (Т). Переход от расплава в стеклообразное состояние и обратно происходит постепенно, когда вязкость непрерывно меняется от 108 до 1012 Пас без образования в системе новой фазы. Отличие вязкостного поведения борного ангидрида от кварцевого стекла показано в [15]. Для борного ангидрида и боратных стекол характерны нелинейная температурная зависимость вязкости в координатах lg() - 1/T и существенное увеличение энергии активации при значениях температуры, отвечающих величине вязкости ~103 Пас, что говорит о существенных структурных изменениях, происходящих в расплаве стекла.

  • Коэффициент термического расширения.

Коэффициент линейного термического расширения (КТР) тела – это относительное изменение его длины при изменении температуры на один градус; объемного - аналогичное увеличение объема материала. На рост термического расширения стекла преобладающее влияние оказывают ионный радиус и координационное число. Чем больше межатомное расстояние оксида, тем больше значение . Абсолютное значение коэффициента линейного термического расширения боратных стекол находится в пределах от 50 до 110·10-7 [16,17].

  • Характеристические температуры стекол и критерий устойчивости

От температуры стеклования очень сильно зависят термодинамические и упругие свойства стекол [6].

Стекла характеризуются температурой стеклования Tg и температурой кристаллизации Тх. В качестве критерия устойчивости стекол в литературе часто используют параметр[18]:

Т= Тх- Tg (1.1),

реже - S1=(Tx-Tg)/Tg (1.2),

S=(Tx-Tg)·(Tp-Tx)/Tg (1.3),

где Tg – температура стеклования,

Тх – температура начала кристаллизации,

Тс – температура пика кристаллизации.

  • Показатель преломления

Для B2O3 nD составляет 1.461.47 и зависит от содержания воды. Введение оксидов щелочных металлов увеличивает показатель преломления. Увеличение показателя при введении в B2O3 щелочных оксидов используется для поддержания показателя на необходимом уровне в составах трёхкомпонентных боросиликатных кронов, имеющих высокую химическую устойчивость и приемлемые для эксплуатации механические свойства. Сравнительное влияние оксидов МеО на увеличение показателя преломления идет в следующем порядке: ВеО, MgO, CaO, ZnO, CdO, BaO и PbO.

  • Механические свойства

В однокомпонентном стекле B2O3 реализуется графитоподобная структура: сильные химические связи внутри плоскостей и слабые связи между плоскостями или слоями.

Однако, если вводить в B2O3 оксиды щелочных или щелочно-земельных металлов, то благодаря тому, что ион кислорода, вносимый оксидом, может играть роль донора, бор, имеющий свободную p-орбиталь, образует дополнительную донорно-акцепторную связь с кислородом. При этом в стекле MexOy–B2O3 вследствие sp3-гибридизации образуются пространственные (трехмерные) BO4-тетраэдры. Каждая молекула оксида может перевести в четырехкоординированное состояние только одну молекулу бора. В результате получается смешанная структура, в которой плоские BO3 - треугольники чередуются с трехмерными BO4 - тетраэдрами. Таким образом обеспечивается частичная химическая сшивка плоскостей, что повышает общую связность структуры. Чем выше содержание оксида в стекле, тем выше его степень связности.

  • Электрические свойства

Электрическая проводимость стеклообразных композиций превосходит электропроводность твердых кристаллических тел того же состава. Благодаря химической устойчивости, простоте изготовления деталей различной сложности, значительной ионной проводимости стеклообразные твердые электролиты все больше привлекают к себе внимания ученых разных стран и все чаще находят широкое практическое применение в различных электрохимических устройствах.

  • Химическая стойкость.

Химическая устойчивость характеризует сопротивляемость стекол воздействию водных растворов, влажной атмосферы и других агрессивных сред. Она зависит от химического состава стекла, природы воздействующей среды, температуры, давления и ряда других факторов.

Химическая устойчивость очень сильно зависит от структуры стекол. Химическая устойчивость боратных стекол связана с отношением в стекле ВО4:ВО3 и со степенью связанности В2О3 в бораты [12]

Наиболее устойчивы боратные стекла, которые содержат в своем составе оксиды металлов в количестве, необходимом для связывания всего В2О3 в метабораты. Наиболее эффективно повышают устойчивость боратных стекол La2O3, ZrO2, TiO2, Nb2O3, Y2O5 [19].

1.2. Оксифторидные стекла с фторидом свинца

Стекла, содержащие B2O3, как правило, проявляют очень хорошие широкополосные свойства, но их люминесцентные характеристики не удовлетворительны по сравнению с низкофононными оксидами тяжелых металлов и стекол на основе фторидов. Введение PbF2 в обычные боратные стекла приводит к увеличению радиационных параметров для Ln3 + ионов. С этой точки зрения, боратных стекла, легированные различными лантаноидами, с относительно высоким содержанием PbF2 и низкой концентрацией B2O3 представляют особый интерес для исследования оптических свойств. Они принадлежат к стеклянным системам, являющимся перспективными люминесцентными материалами. Практически применяются для изготовления твердотельных лазеров, перестраиваемых в ближнем инфракрасном диапазоне и широкополосных оптических усилителей.

На структуру стекла очень большое влияние оказывает окружение ионов Ln3+, что вносит важный вклад в характеристику люминесценции. Замена PbO на PbF2 в PbО-B2O3 стеклах или термическая обработка исходных стекол является причиной структурных изменений локального окружения ионов Ln3+.

Исследования показывают, что, легированные Ln3+ , свинцовые оксифторидные боратные стекла являются перспективными материалами для NIR-твердотельного лазера и широкополосных оптических усилителей [20]. Введение PbF2 в структуру боратного стекла приводит к изменению сферы вокруг Ln3+. Анионная электроотрицательность атома F= 4,0 и большая прочность связи ионного типа говорит о небольшой ширине спектральной линии и длительном сроке службы люминесценции ионов Ln3 +.

Обычно варку и термическую обработку проводят на воздухе при атмосферном давлении. Это приводит к значительной (до десятков процентов) потери фтора [21].

В действительности, существует два основных механизма потери фтора в процессе подготовки оксифторидной стеклокерамики. Первый - пирогидролиз [22,23], то есть, реакция фторидов с водяным паром:

MF2 + H2O = MO + 2HF (2.1)

RF3 + H2O = ROF + 2HF (2.2)

Возможно, присутствие оксифторида свинца в стеклянной матрице [24] было результатом аналогичной реакции типа:

2PbF2 + H2O = Pb2OF2 + 2HF (2.3)

Стабильность различных соединений по отношению к пирогидролизу увеличивается в следующем ряду [25-27] :

(наименее устойчивы) UF4 - ThF4 - ZnF2 - CdF2 - PbF2 - AlF3 - CeF3 - MgF2 - BeF2 - CaF2 - SrF2 - BaF2 - NaF (наиболее устойчивы)

И

(наименее устойчивые) Sc; Lu - Ce - Yb - Ho - Tb - Tm - Gd – Er – Dy - Sm - Nd; Y - Eu - Pr - La (наименее устойчивые) для RF3

Кроме того, фториды металлов, как правило, не реагируют с сухим кислородом. Использование графитового тигля (вместо обычных алундовых-Al2O3-Те) приводит к созданию безводной восстановительной атмосферы и, следовательно, предотвращает пирогидролиз образцов.

Тем не менее, второй механизм является главной причиной потерь фтора, и это связано с обменными реакциями, приводящими к образованию и испарению летучего бора [28]:

3MF2 + B2O3 = 3MO + 2BF3 (2.4)

В обоих механизмах фтор улетучивается в дифузионных процессах.

1.3. Стеклование в системе PbF2-B2O3

В литературе стекла системе PbF2-B2O3 представлены небольшим количеством публикаций. Чаще встречаются исследования, в которых помимо PbF2 и B2O3 присутствуют еще другие оксиды или фториды – чаще всего PbO, Al2O3, CdF2, SiO2, YF3, а также активирующие добавки редкоземельных или переходных металлов.

Так в процессе варки фторид свинца частично окисляется до оксида, то необходимо рассмотреть стеклование и в тройной системе PbF2 – PbO – B2O3 (табл. 1.1).

Таблица 1.1. Обобщенные данные по исследованиям
в системах PbF2 – B2O3 и PbF2 – PbO – B2O3

Состав, мол.%

Условия получения

Измерения

ссылка

PbF2

B2O3

PbO

25-80

75-20

-

Плавка в кварцевом тигле при 100 К выше Tm. Охлаждение между двумя нержавеющими стальными пластинами.

Плотность, Tg, удельное электрическое сопротивление (частота 10Гц-100Гц, золотые напыленные электроды)

[29]

40-75

60-25

-

не указаны

Tg

[30]

70.3

60.2

50,3

29.7

39.7

49.6

-

не указаны

не указаны

[31]

50

50

-

не указаны

Tg

[32]

0-60

15-60

0-70

Плавление в кварцевом тигле при 600-900 С в течение 3-20 мин. Отлив на стальную пластинку при комнатной температуре. Отжиг при Tg в течение 30 мин. и медленное охлаждение при комнатной температуре.

Плотность, температурное расширение, Tg, электрическое сопротивление.

[33]

0-80

0-80

20-80

Плавление в платиновом тигле при 850-1250 С в атмосфере сухого аргона. Отлив в предварительно нагретую медную форму.

Вязкость, способность стеклообразования.

[34]

х = 0, 5, 10, 15 , 20 и 25

60

(40-х)

Плавление в фарфоровом тигле при 800-900С в течение 0.5 часа. Отлив в медную форму. Отжиг в течение 1 часа при температуре ~ Tg.

Плотность, величина упругости (методом ультразвуковой пульсации при частоте 5 мГц).

[35]

40-52

6-22

(36-47

Не указаны

Плотность

[36]

х = 0, 5, 10, 15 и 20

25

(50-х)

Плавление в платиновом тигле при 780С в течении 30 мин, отливка в форму, отжиг при 250С, 4,5 ч.

Плотность, Tg, электрические свойства

[37]

Из данных таблицы видно, что стекла в системе PbF2 – B2O3 подучены в диапазоне составов от 25 до 80 мол.%. В основном исследовали Tg (рис. 1.3). С ростом содержания PbF2 температура стеклования монотонно уменьшается.

Рис. 1.3. Обобщенные литературные данные по температуре

стеклования в системе PbF2-B2O3.

Область стеклования в системе B2O3 – PbF2 – PbO очень широкая, стекла не получены только в небольших участках с высоким содержанием оксида или фторида свинца.

В [38] было показано, что введение фтора в боратное стекло приводит к возрастанию доли четырехкоординированного бора за счет реакций типа:

2[BO2/2] + PbF2 [F-BО3/2],

и поэтому N4 во фторсодержащих стеклах больше, чем в чисто оксидных. Однако зависимость N4 = f ([F]) для этих стекол неизвестна. В первом приближении можно предположить, что в стеклах системы PbF2-РbО-В2O3 (во всем диапазоне концентраций PbF2) доля четырехкоординированного бора остается постоянной (N4 = 0.4).

В процессе синтеза стекол системы PbF2-РbО-В2O3 фторид свинца в первую очередь взаимодействует с боратной составляющей структуры, образуя F-Рb2+[BО4/2]- и F-Рb2+[O-BО2/2], возможность образования Pb1/22+[F- ВО3/2] по схеме 2[BО2/2] + PbF2 2Pb1/22+[F- ВО3/2] мало вероятна. В результате реакции избытка PbF2 с РbО образуются соединения типа [F-PbOPbF-] (РbО - PbF2), а избыток оксида свинца образует группировки Рb2+[РbO4/2]2-

1.4. Получение оксифторидных СКМ

Оксифторидная прозрачная керамика привлекает внимание исследователей, поскольку содержит в виде кристаллических компонентов фторидные нанокристаллы , обладающие узкими фононными спектрами, высоким квантовым выходом люминесценции и длительным временем жизни для метастабильных состояний. Прозрачная оксифторидная керамика имеет нанокомпозитный характер и в ее стеклянной матрице естественным образом предотвращается агломерация наночастиц (последнее является ключевой проблемой современной нанотехнологии). [20]

Получение

Методы синтеза прозрачной оксифторидной стеклокерамики могут быть классифицированы с использованием следующих двух критериев: (1) методы изготовления для получения исходного стекла или аморфного матрицы, и (2) расстекловывание (отжиг и / или лазерное облучение).

Общая черта этих групп их конечная ступенчатая термическая обработка необходимая, чтобы выполнить частичную кристаллизацию начальной матрицы.

Одним из самых известных методов является частичная девитрификация - контролируемая кристаллизация исходных стекол. Она включает два последовательных этапа, первый из которых – изготовление стекла. Он начинается с плавления смеси порошков оксида и фторида и последующего быстрого охлаждения расплава. Второй этап включает термообработку стекла при определенной температуре. Кинетика зарождения и роста кристаллов в стеклянной матрице определяет ее размер и концентрацию и, в свою очередь, определяется температурой и длительностью термической обработки образца, а также химическим составом стекломатериала. Температура обработки образца выбирается на основе данных термического анализа температуры для формирования стекла (стеклование) (Tg) и температуры кристаллизации (Тс). Таким образом, второй шаг всегда выполняется при температурах, близких к Tс.

Соседние наночастицы в оксифторидных стеклах когерентно ориентированных с кристаллографической точки зрения. Это было неоднократно отмечено при изучении различных кристаллических фаз, таких как гексогональная LaF3 [39,40] и кубические NaYF4 [41] и PbF2 [42] (рис. 3) и др. Образовавшиеся наночастицы в конце концов сливаются друг с другом и образуют агрегаты из монокристаллов очень сложной формы.

Рис. 1.4. (а)РЭМ изображение СКМ состава 90 (SiO2) 10 (PbF2) легированного 0,1 Er3 + и 0,3 Yb3 + (мол.%), который обрабатывали при 400°C, показывает наличие наночастиц PbF2 (темные пятна). (б) СЭМ микрофотография аналогичного состава образца, где наблюдаются PbF2 нанокристаллы. Правая верхняя боковая вставка соответствует спектру мощности, полученному из увеличенной области белого цвета. Правая нижняя вставка соответствует увеличенной детализации области кристаллическую структуры наночастиц PbF2 . [42].

Структурные изменения боратных стекол с PbF2, вызванные термической обработкой показаны на рис.8. Боратные стекла состава РbО–В2О3–Al2O3–WO3, легированные одним или двумя ионами Ln3+ являются частично кристаллизованными системами с наличием Ln3+BO3 фазы. Полностью аморфные боратные стекла с примесями Ln3+ можно получить в случае замены PbO на PbF2. Термическая обработка представляет собой переход от стекла к стеклокерамическому материалу. Анализ дифракции рентгеновского излучения показывает, что ромбические кристаллы PbF2 образуются при контролируемой кристаллизации исходного боратного стекла (рис. 6, часть а), в отличие от других оксифторидных систем (рис.6, часть b), содержащих кубическую - PbF2 фазу [43, 44].

Рис. 1.5. Термической обработки исходного РbО–В2О3–Al2O3–WO3 стекла; в качестве примера иона-активатора Ln3+ используется Er3+.

Таким образом, получение кубической фазы фторида свинца в фтороборатных системах затруднено, по сравнению с силикатными, германатными и телуратными. Связано это, скорее всего, с более низкими характеристическими температурами боратных систем, таким образом, температуры кристаллизации оказываются рядом или даже ниже температуры фазового перехода -PbF2-PbF2, проходящего при температурах 335-360С.

Оксифторидная стеклокерамика отличается от других видов СКМ не только их неоднородностью, но и рядом других специфических особенностей:

  • Фторидная добавка способствует снижению плотности щелочно-силикатных стекол. Тенденции к уменьшению плотности при введении фтора в щелочно-силикатные стекла наблюдаются и для безщелочных систем, в том числе при введении хлоридных добавок.
  • Действие фтора как ускорителя варки силикатных стекол имеет свои особенности. Фтор считается плавнем по отношению к силикатным расплавам, при введении его в шихту значительно снижается высокотемпературная вязкость.
  • С введением фторидов температуры кристаллизации стекол уменьшаются, также уменьшается и устойчивость стекол к кристаллизации.
  • Известно, что добавление в силикатное стекло фтора вызывает заметное изменение его оптических характеристик, в частности уменьшение показателя преломления.
  • Кристаллы, встроенные в стеклянную матрицу – это, главным образом, кристаллы фторидов, в то время как сама стеклянная матрица имеет преимущественно оксидную природу.
  • Спектроскопические свойства такой оксифторидной стеклокерамики похожи на свойства фторидных монокристаллов. Нанокристаллы фторидов, содержащиеся в оксифторидной стеклокерамике, характеризуются низкоэнергетическим фононным спектром, высоким квантовым выходом люминесценции, и длительным временем жизни в метастабильном состоянии. [45,46].
  • Данный класс материалов способен стабилизировать метастабильные кристаллические фазы, которые не могут быть получены и/или сохранены при комнатной температуре.
  • В этом материале стеклофаза препятствует агломерации наночастиц.
  • Стеклокерамика (в том числе оксифторидная керамика) содержит кристаллические включения наночастиц в стеклянной матрице, следовательно, решается одна из очень важных проблем современной нанотехнологии – инактивация высокоразвитой и активной поверхности наночастицами. Это особенно важно в случае фторидных наночастиц, так как их свечение может быть легко погашено путем адсорбции воды на их поверхности.
  • Стеклянная фаза оксифторидной стеклокерамики является химически довольно инертной, и это приводит к сниженной токсичности стеклокерамики по сравнению с кристаллическими фторидами.
  • Стеклокерамика часто легируется одним или более редкоземельными ионами в целях получения оптических материалов со свойствами, подходящими для различных применений в фотонике, со-активация позволяет в дальнейшем регулировать оптические свойства изготовленных образцов. Редкоземельные легирующие добавки и сo-легирующие примеси могут быть введены в исходную стекольную шихту в виде оксидов, которые являются более стабильными и менее гигроскопичными, чем соответствующие фториды [47-50]. Эти редкоземельные ионы будут находиться в нанокристаллической фазе полученной стеклокерамики. Последняя будет гарантировать, что редкоземельные ионы будут окружены таким же набором лигандов; их координация полиэдров будет такой же, как если бы они были введены в виде фторидов вместо вышеупомянутых оксидов.
  • Стеклокерамические изделия стоят сравнительно недорого. Они обладают лучшими механическими и тепловыми свойствами, чем стекла. Они могут быть легко получены путем термической обработки. Стеклокерамика сохраняет преимущества стекла как функционального материала; например, она используется для изготовления оптических волокон [51,52].

Применение

Включение полупроводниковых, сегнетоэлектрических и нелинейных оптических фаз в стеклянные матрицы может произвести к созданию весьма перспективных материалов для современной промышленности [20,45-46,53-55]. Это особенно важно для прозрачных СКМ, применяемых в фотонике, в связи с масштабами ее промышленного производства. Такие материалы, активированные ионами редкоземельных элементов, играют решающую роль в оптических усилителях, ап-конверсионных волокнах, твердотельных лазерах, медицинских датчиках, оптико-электронных чипах, свечении, надписях, 3D-дисплеях и т. д. [47-49].

1.5. Спектрально-люминесцентные свойства РЗЭ в стеклах

1.5.1. Свойства Pr3+

Оптические свойства иона активатора Рг3 + рассмотрим на примере системы 4SrO · 7B2O3: Рг3 +.

Спектры поглощения 4SrO · 7B2O3: Рг3 + представлены на рис. 1.6:

Рис.1.6. Спектры поглощения 4SrO · 7B2O3: Pr3 + стекол. А - образец 4SrO · 7B2O3

В - образец 4SrO · 7B2O3: Рr3 + (C1Pr3 + = 1,7 · 1020 см-3), С - образец 4SrO · 7B2O3: Рr3 + (N2Pr3 + = 3,5 · 1020 см-3).

Спектры поглощения 4SrO · 7B2O3: Рг3 + состоят из 8 негомогенных неструктурных широких полос поглощения. Энергетическая диаграмма переходов поглощения представлена на рис. 1.7. В табл. 2 представлены электронные переходы в соответствии с длиной волны поглощения излучения. Наибольшую интенсивность имеют 3Н4 3 F2 и 3H4 3F3 + 4 линии. Линии поглощения 3H4 3P2, 3P1 3H4 , 3H4 3P0 также очень интенсивны. Полоса поглощения max= 482 нм (3H4 3P0) находится в хорошем согласии со спектральным Ar + - лазерным излучением и может быть использована для эффективной люминесценцентной накачки[59,62] .

Рис. 1.6. Энергетическая диаграмма иона Pr3 +.

Таблица 1.2 Электронные переходы 4SrO · 7B2O3: Рг3 +.

Люминесценция 4SrO · 7B2O3: Рг3 + с Ar + -лазерной накачкой линии поглощения, соответствует переходу 3P0 3H4. На рис.1.7 представлены спектры люминесценции 4SrO ·7B2O3: Рг3 +. Зарегистрированные спектры люминесценции состоят из трех, не являющихся структурно неоднородными, широких спектральных полос. Наибольшая интенсивность имеет линия max = 606 нм. Контур этой линии имеет комплексный характер из трех крайних точек. Это объясняется перекрытием трех линий люминесценции, соответствующих переходам 1D23H4 ( max= 595 нм), 3P0 3H6 ( max = 606 нм), 3P0 3F2 (max=624нм). Меньшая интенсивность перехода также была зарегистрирована в 3P0 3F3 (=702нм), 1D2 3H6 ( = 824 нм), 1D2 3F2 ( = 877 нм).

Рис. 1.7. Спектры люминесценции 4SrO · 7B2O3: Рг3 +.

1.5.2. Свойства Nd3+

Оптические свойства иона активатора Nd3 + рассмотрим на примере системы 4SrO · 7B2O3: Nd3 + .

Спектры поглощения 4SrO·7B2O3: Nd3 + в диапазоне от 200 до 2600 нм представлены на рис 1.8, 1.9. Коротковолновый край поглощения 4SrO·7B2O3: Nd3+ соответствует 200 нм. Было зарегистрировано 14 полос поглощения соответствующих известным электронным переходам Nd3+. Наиболее интенсивны 4I9/22K13/2 +7G2/2+4G9/2, 4I9/2 2G7/2 + 4G5/2, 4I9/2 4f7/2 + 4S3/2, 4I9/24F5/2+2H9/2, 4I9/2 4F3/2. Кроме того, линии поглощения 4I9/2 2K13/2 +7G2/2 + 4G9/2 представляют интерес для лазерной люминесцентной накачки (вторая гармоника YAG: Nd3 +). Стоит отметить отсутствие поглощения на наиболее часто используемой длине волны 4F5/2 4I11/2 ( = 1064 нм). Это выгодное отличие 4SrO·7B2O3: Nd3 + от силикатных лазерных стекол, легированных неодимом. Энергетическая диаграмма со всеми зарегистрированными электронными переходами представлена на рис. 15. В таблице 1.3 представлены электронные переходы с максимальной длиной волны поглощения излучения. [56-58,61]

Рис. 1.8. Спектры поглощения 4SrO·7B2O3:Nd3+ в диапазоне от 200 до 1000 нм

Рис.1.9. Спектры поглощения 4SrO·7B2O3:Nd3 + в диапазоне от 900 до 2700 нм.

Рис. 1.10. Энергетическая диаграмма ионов Nd3+ в 4SrO·7B2O3 стеклянной матрице.

Таблица 1.3. Электронные переходы Nd3 + -ионов в 4SrO · 7B2O3:Nd3 +.

1.5.3. Свойства Ho3+

Оптические свойства иона активатора Ho3+ рассмотрим на примере оксифторидной стеклокерамики, легированной РЗЭ Ho3+, Nd3+ и Yb3+. Ап-конверсионный механизм люминесценции в стекле, активированном Nd3+ ,Yb3+, Ho3+ представлен на рис. 1.11.

Рис.1.11. Принципиальный механизм ап-конверсии с повышением частоты в 30SiO215AlO1.528PbF222CdF2(4,8 - х)GdF30.1NdF30.1HoF3xYbF3 при возбуждении 800 нм.

В начале, ионы Nd3+ возбуждаются 800 нм излучением, которое соответствует: Nd3+(4F5/2, 2H9/2) 4I9/2 переходам. (4F5/2, 2H9/2) возбужденные состояния быстро переходят на следующий низший 4F3/2 уроень, и затем происходит передача энергии между Nd3+ и Yb3+, [Nd3+: 4F3/2 4I9/2 и/или 4I11/2; Yb3+:2F5/22F7/2], с достаточно высоким эффективностью. В то же время, ионы Hо3+ поглощают фотоны 800 нм, провоцируя Hо3+ 5I4 5I8: переход, а затем уровень 5I5 заполняется через безызлучательный релаксационный процесс. Впоследствии энергия от Yb3+ передается к ионам Но3+ которые находятся на уровне 5I5, в результате Но3+ :( 5F2 , 3K8)5I5 возбуждения. Тогда 4f электроны без безизлучательно перейдут с (5F2, 3K8) на 5F3 или (5F4, 5S2) уровни с помощью мульти-фононной релаксации. Наконец, 4f электроны излучательно переходят на 5I8 уровень, давая синее (490 нм) и зеленое (545нм) люминесцентное излучение с высокой частотой свечения.

С другой стороны, поскольку изменение концентрации YbF3 едва ли достаточно для эффективной красной ап-конверсионной люминесценции, то для красного (650 нм) излучения может быть предложен следующий механизм: передача энергии от Nd3+ к Ho3+ благодаря кросс-релаксационному 4I15/24I11/2 перехода вместо 4F3/2 4I11/2 перехода. То есть, Ho3+: 4f электроны, находящиеся на 5I5 уровне, поглощают фотон, вследствие Nd3+:4I15/2 4I11/2 перехода, возбуждаясь, переходят на 5F5 уровень, затем излучательно переходя с 5F5 состояния в основное состояние 5I8, давая красную (650нм) апконверсную люминесценцию.

На рис. 1.12, представлены ап-конверсионные люминесцентные спектры Но3+ в 30SiO215AlO1.528PbF222CdF23.8GdF30.1NdF30.1HoF31YbF3 под 800 нм возбуждением до и после термической обработки. Три полосы излучения: 490 нм (синий), 545 нм (зеленый) и 650 нм (красный) соответствуют Но3+: (5F35I8), (5F4, 5S25I8) и (5F55I8) переходам, наблюдаемым в данном оксифторидном стекле после термообработки.

Рис. 1.12. Ап-конверсионные люминесцентные спектры Но3+ в 30SiO215AlO1.528PbF222CdF23.8GdF30.1NdF30.1HoF31YbF3 под 800 нм возбуждением до (а) и после (b) термической обработки при 450 °C в течение 30 мин.

Рис.1.13 представляет спектры оптического поглощения Но3+ в 30SiO215AlO1.528PbF222CdF23.8GdF30.1NdF30.1HoF31YbF3. Как можно видеть, между 5F2, 3K8 и следующим ниже 5F3 уровнем наблюдается энергитический зазор 560 см-1. Эта энергетическая щель очень узкая и очень чувствительна к изменению лигандного поля. Редкоземельные ионы в 50SiO250PbF2xErF3 стекле (х = 4 и 5) сильно связаны с фононной модой 930cм-1, но,в то же время, в стеклокерамике (кристаллическая фаза: - PbF2 твердый раствор) сильно связаны с фононной модой 230cм-1. [63]

Рис.1.13. Оптический спектр поглощения Но3+ в 30SiO215AlO1.528PbF222CdF23.8GdF30.1NdF30.1HoF3.

1.5.4. Свойства Еu3+

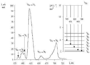
Исследование спектров поглощения 4SrO · 7B2O3: Еu3+ проводилось в спектральном диапазоне от 300 до 1100 нм. Три линии поглощения 7F0 5D2, 5D1 7F0, 7F0 5D0, соответствуют известным Еu3+ - электронным переходам. Полоса поглощения 7F0 5D0 имеет меньшую интенсивность, но находится в хорошем согласии со спектральными характеристиками второй гармоники YAG: Nd3+ – лазерного излучения и может быть использована для эффективной накачки 4SrO·7B2O3:Еu3+. Как источник накачки используется высокояркостный EP 2036 – 150B Paralight Corp светоизлучающий диод, который имеет хорошее согласие со спектральной линией поглощения 7F0 5D0 (max = 485 нм). Спектры люминесценции 4SrO·7B2O3:Еu3+ образца стекла на представлены рис. 1.14.

Рис. 1.14. Спектры люминесценции 4SrO·7B2O3:Еu3+.

Были получены пять негомогенных неструктурных широких полос поглощения: 5D0 7F0 (max = 586 нм), 5D0 7F1 (max = 600 нм), 5D0 7F2 (max = 620 нм), 5D0 7F3 (max = 658 нм), 5D0 7F4 (max= 705 нм) [60]. Спектры поглощения 4SrO·7B2O3: Еu3+ в спектральном диапазоне от 430 до 570 нм и энергетическая диаграмма Еu3+ представлены на рис. 1.15.

Рис.1.15. Спектры поглощения 4SrO·7B2O3:Eu3+ в спектральном диапазоне от 430 до 570 нм и энергетическая диаграмма Еи3+.

1.5.5. Свойства Er3+

Ионы Er3+ имеют чрезвычайно сложную схему энергетических уровней (рис.1.15.). Эта схема имеет несколько важных особенностей.

Рис. 1.15. Схема энергетических уровней иона Er3+ и основных лазерных переходов.

Во-первых, некоторые энергетические зазоры встречаются в схеме несколько раз. Это открывает возможность для реализации сложных схем трансформации возбуждений – ап-конверсии и кросс-релаксации. Во-вторых, величина энергетических зазоров между уровнями такова, что квантовый выход люминесценции с многих уровней оказывается очень чувствительным к матрице. Иными словами, число метастабильных уровней эрбия зависит от активируемой матрицы. Благодаря двум названным обстоятельствам на ионах эрбия было получено такое большое число каналов генерации, как ни на каком другом ионе [64].

Спектр поглощения стекла, активированного Er3+, представлен на рис.1.16.

Рис.1.16. Спектр поглощения иона эрбия в литий-боратном стекле. [65].

На спектре видны много узких полос поглощения, характерных для иона Er3+ в стеклах. Они отвечают за переходы с нижнего уровня 4I15/2 на уровни 4G7/2, 4G9/2, 4G11/2, 2G9/2, 4F3/2, 4F5/2, 4F7/2 , 2H11/2, 4S9/2, 4F9/2 и 4I9/2.

При отсутствии концентрационного тушения, которое связано с образованием кластеров, квантовая эффективность возбуждения люминесценции лазерного перехода 4I13/2 4I15/2 ионов Er3+ может быть высокой. Такие лазеры и усилители особенно актуальны для телекоммуникационного диапазона длин волн в окрестности 1.55 мкм.

Спектроскопические параметры для ионов Er3+ в свинцовых оксифторидных стеклах и СКМ сильно зависят от содержания PbF2. Необычно большая спектральная ширина линии ( = 100,5 нм) для 4I13/2 4I15/2 перехода Er3+ в образце стекла без PbF2 полезна для потенциальных широкополосных оптических применений (рис.1.17 а). Ширины линий для образцов стекла с PbF2 близки к 52,5 нм. Они значительно меньше, чем полученные для образца стекла без PbF2. Это означает, что часть ионов F соединена мостиком с Er3 +.

Рис.1.17. а) Спектры люминесценции для ионов Er3 + в свинцовых боратных стекол без и с PbF2.

б) Кинетика затухания люминесценции для Er3+ в свинцовых боратных стеклах без и с PbF2.

Анализ затухания люминесценции (рис.1.17 б) свидетельствует о том, что 4I13/2 время жизни ионов Er3 + увеличивается в стеклянных образцах, где PbO был частично заменен на PbF2. Для твердотельных лазерных активных сред и оптических усилителей требуется относительно долгое время жизни возбужденного состояния Er3+. Время жизни 4I13/2 для образцов стекла с PbF2 близко к 610 мкс. Люминесценция затухает дольше по сравнению с чисто оксидными образцами (m = 400 мкс). Далее замена PbO на PbF2 в боратных стеклах значительно повышает интенсивность люминесценции (рис. 1.17 а) и время жизни (рис. 1.17 б) Er3+. Полная замена PbO на PbF2 приводит к увеличению времени жизни 4I13/2 Er3+ ионов в два раза (от 400 мкс до 820 мкс), что является преимуществом с оптической точки зрения [66].

Переход от стекол к СКМ привел к изменениям спектроскопических свойств Er3+. Спектральные линии становятся более интенсивными и сужаются. Затухание свечения из возбужденных состояний ионов Er3+ в стеклокерамике относительно больше по сравнению с исходными стеклами. Такое поведение может быть объяснено изменениями в окружении ионов Er3+.

На рис. 1.18 представлены спектры люминесценции в близней ИК-области 1,5 мкм, измеренные для оксифторидных стекол и стеклокерамики, которые соответствуют основному 4I13/2 4I15/2 лазерному переходу Er3 +. Полосы люминесценции являются более интенсивными и сужеными в стеклокерамике, чем в исходных стеклах, то есть локальная структура вокруг оптически активных ионов была изменена, и часть ионов Er3+ была включена в кристаллическую фазу. Анализ затухания люминесценции для образцов оксифторида указывает, что 4I13/2 время жизни ионов Er3+ немного изменяется от 610 мкс (стекло) до 670 мкс (СКМ). Это говорит о том, что небольшое количество ионов Er3+ перешло в орторомбическую кристаллическую фазу PbF2.

Рис. 1.18. Спектры люминесценции для ионов Er3 + в оксифторидных свинцово-боратных стеколах до и после термической обработки.

Итак, введение PbF2 в структуру боратного стекла изменяет сферу вокруг ионов Er3+. Это приводит к уменьшению ширины спектральной линии для 4I13/24I15/2 перехода, увеличивая время жизни люминесценции для 4I13/2 уровня Er3+. Время жизни излучения для образца стекла с PbF2 достаточно большое, что говорит о том, что ионы F могут иметь особое влияние на время жизни люминесценции среди галогенидов.

Благодаря сложной схеме энергетических уровней иона Er3+ в концентрированных эрбиевых материалах возможны разнообразные процессы передачи возбуждений. Например, на спектрально-люминесцентные параметры эрбиевых материалов сильно влияют процессы ап-конверсии, когда в начальном состоянии два иона находятся на метастабильном уровне 4I13/2, а в конечном состоянии один ион переходит в основное состояние, а другой – в высокоэнергетическое состояние 4I9/2 [67]. Для эффективной ап-конверсии очень важно выбрать подходящий материал матрицы с «коротким» фононным спектром (высокие частоты фононов кристаллической решетки приводят к безызлучательной релаксации), широкой полосой пропускания и другими функциональными свойствами, например, хорошей биосовместимостью для медицинских применений.

Ап-конверсионные лазеры называют антистоксовыми, так как длина волны излучения меньше, чем длина волны накачки (в большинстве обычных лазеров с оптической накачкой реализуется противоположная ситуация, описываемая законом Стокса). Ап-конверсионная схема накачки заключается в поглощении активной средой нескольких фотонов, вследствие чего энергия перехода c конечного энергетического уровня превышает энергию каждого из поглощённых фотонов.

Даже при умеренной концентрации эрбия, когда еще нет явного образования кластеров, ведущего к расслоению оксидов на отдельные, несмешивающиеся фазы, в силикатных стеклах происходит значительное снижение квантовой эффективности люминесценции лазерного перехода 4I13/24I15/2 из-за эффекта ап-конверсии. Этот эффект вызван парным взаимодействием близкорасположенных в матрице ионов, одновременно находящихся в возбужденном состоянии 4I13/2, результатом которого является безызлучательная релаксация одного из них в основное состояние 4I15/2 и возбуждение другого на более высокий энергетический уровень 4I11/2 (рис. 1.19) [68].

Рис. 1.19. Возможные механизмы люминесценции Er3+

а) поглощение из возбужденного состояния,

б) ап-конвресия.

Таким образом, люминесценция в видимом диапазоне при ИК-накачке на длине волны 975 нм может быть возбуждена за счет ап-конверсионного заселения высоко лежащих термов или в результате поглощения из возбужденного состояния (переход 4I11/2 4F7/2).

1.5.6. Свойства Yb3+

Оптические свойства иона активатора Yb3+ рассмотрим на примере литиевоалюмосиликатных стеклокерамик, содержащих нанокристаллы
ErхYb2–хTi2O7.

На рис. 1.20 представлены спектры поглощения стекол и стеклокерамик литиевоалюмосиликатной системы в ближней ИК области. В спектрах поглощения исходных стекол (рис. 1.20 кривые 1) наблюдается характерная для ионов Yb3+ полоса в области длин волн 0,9–1,0 мкм, которая обусловлена переходами электронов с основного штарковского подуровня мультиплета 2F7/2 на штарковские подуровни мультиплета 2F5/2 ионов Yb3+ (рис.1.21).

Рис. 1.20. Спектры поглощения стекол (1) и стеклокерамик (2, 3) литиевоалюмосиликатной системы. Режимы термообработки стеклокерамик: 2 – 785 С, 12 ч + 800 С, 6 ч, 3 – 785 С, 12 ч + 900 С, 6 ч. а – образцы, содержащие ионы Er3+ и Yb3+. Вставка. Спектры поглощения исходного стекла (1) и стеклокерамики (2) в спектральном диапазоне 1400–1600 нм. б – образцы, содержащие ионы Yb3+. Вставка. Спектры поглощения образцов стеклокерамики (2, 3), совмещенные для удобства сопоставления.

Рис.1.21.Упрощённая схема энергетических переходов Yb3+.
Сплошные стрелки показывают переходы в поглощении и люминесценции при низкой температуре. Штриховые – соответствуют поглощению при повышенной температуре, когда растет заселенность возбужденных штарковских уровней.

Ион Yb часто применяют как со-активатор в системах с эрбием. В области 1 мкм у ионов Er3+ также имеется полоса поглощения, вызванная переходами 4I15/2 4I11/2. Однако сечение поглощения ионов эрбия намного ниже, чем сечение поглощения ионов иттербия, и у образцов, содержащих Yb3+ и Er3+, вклад Er3+ в общее поглощение в области длины волны 0,95 мкм пренебрежимо мал по сравнению с вкладом Yb3+.

1.6. Выводы их обзора литературы

  1. Стекла и СКМ в фтороборатных системах являются перспективными матрицами для получения люминесцентных и лазерных материалов.
  2. Наибольший интерес представляют материалы с большой долей PbF2, в литературе описаны стекла с содержанием PbF2 до 80 моль.%.
  3. В активированных Pr, Nd, Eu, Ho, Er, Yb стеклах можно получать люминесценцию в видимой и ИК-области. Для Ho и Er характерна ап-конверсия.


2. ЦЕЛИ И ЗАДАЧИ РАБОТЫ

Целью данной работы является получение свинцово-боратных оксифторидных стекло, с большим содержанием PbF2, активированных различными РЗЭ и исследование их свойств.

Задачи работы:

1. Синтезировать свинцово-боратные оксифторидные стекла в системе PbF2 – B2O3, легированные Pr, Nd, Eu, Ho, Er, Yb в разных концентрациях, оптимизировать условия синтеза для получения оптически качественных стекол.

2. Исследовать механические, оптические и спектральные свойства полученных стекол, установить влияние состава стекол на свойства.

3. Изучить влияние концентрации РЗЭ на спектры люминесценции оксифторидных стекол.


3.МЕТОДИКА ЭКСПЕРИМЕНТА

3.1. Характеристика реактивов

3.1 Характеристика реактивов(для некоторых РЗЭ не было найдено значение плотности, и , возможно, нужно добавить еще информации про молекулярную массу, энтальпию образования, и т.д?)

Все используемые реактивы приведены в таблице 3.1., а из основные свойства с таблице 3.2 – 3.9.

Таблица 3.1. Используемые реактивы

п/п

Наименование реактива

Химическая формула

Квалификация

ГОСТ или ТУ

1

Оксид бора (борный ангидрид)

B2O3

ОСЧ 12-3

ТУ 6-09-3558-79

2

Фторид свинца

PbF2

ОСЧ 7-3

ТУ 6-09-2037-72

3

Фторид празеодима

PrF3

ОСЧ

???

4

Фторид гольмия

HoF3

ОСЧ

???

Нитрат европия

Eu(NO3)3

ОСЧ

???

Фторид неодима

NdF3

ОСЧ

???

Фторид эрбия

ErF3

ОСЧ

???

Фторид иттербия

YbF3

ОСЧ

ТУ48-0531-348-88

Таблица 3.2. Оксид бора

Общие

Систематическое наименование

Оксид бора

Химическая формула

В2О3

Физические свойства

Состояние

Бесцветные гигроскопичные кристаллы, постепенно реагирующие с водой B2O3 + H2O = 2H3BO3

Модификации

Кристаллическая

стекловидная

аморфная
стекловидная

Плотность, г/см3

1,85

2,46

1,78 – 1,85

Получение

Обезвоживанием ортоборной кислоты

2H3BO3 = B2O3 + 3H2O

Термические свойства

Термическая стойкость

Не разлагается даже при 1000°С

Температура плавления, °С

294

465

557

Безопасность

ПДКрз

5 мг/м3

Класс опасности

3, не горюч, не пожароопасен

Токсичность

Относится к сильнодействующим токсическим веществам с политропным действием; обладает выраженным гепатотоксическим и гонадотропным действием.

Влияние на человека

Вдыхание пыли В2О3 раздражает слизистые оболочки, попадание на кожу вызывает зуд. Путь поступления в организм – ингаляционный. Вызывает хронический бронхит [69,70].

Таблица 3.3. Фторид свинца

Обшие

Систематическое наименование

Фторид свинца

Химическая формула

PbF2

Физические свойства

Состояние

Бесцветные кристаллы

Плотность, г/см3

8,24

Растворимость

- растворим в воде 0,064г/100г (20°С)

- растворим в азотной кислоте

Термические свойства

Температура плавления, °С

822

Температура кипения, °С

1292

Безопасность

ПДКрз, мг/м3

0,01

ПДКмр, мг/м3

0,007

ПДКсс, мг/м3

0,0003

Класс опасности

1

Токсическое действие

Острое отравление - жажда, жгучая боль в животе, рвота, понос, признаки нарушения функций центральной нервной системы. Свинцовая энцефалопатия[69,70].

Таблица 3.4. Фторид эрбия

Обшие

Систематическое наименование

Фторид эрбия

Химическая формула

ErF3

Физические свойства

Состояние

светло-розовые кристаллы(в эту графу может нужно дописать сингонию, параметры решетки и т.д.??)

Плотность, г/см3

???

Растворимость

- мало растворимы в воде

- реагируют с горячими кислотами

Термические свойства

Температура плавления, °С

1146

Температура кипения, °С

2200

Безопасность

ПДКрз, мг/м3

5

ПДКмр, мг/м3

0,46

ПДКсс, мг/м3

0,05

ОБУВ, мг/м3

0,046

Класс опасности

3

Токсическое действие

Раздражают слизистые оболочки. Вызывают изменения в лёгких, сердечный бронхит, снижение гемоглобина в крови, сильно раздражают повреждённую кожу, накапливаются в коллагеновой фракции костной ткани. [69,70].

Таблица 3.5. Фторид неодима

Обшие

Систематическое наименование

Фторид неодима

Химическая формула

NdF3

Физические свойства

Состояние

светло-синие кристаллы

Плотность, г/см3

6,51

Растворимость

- не растворим в воде, образует кристаллогидрат

- реагирует с горячими кислотами

Термические свойства

Температура плавления, °С

1413

Температура кипения, °С

2330

Безопасность

ПДКрз, мг/м3

5

ПДКмр, мг/м3

0,46

ПДКсс, мг/м3

0,05

ОБУВ, мг/м3

0,046

Класс опасности

3

Токсическое действие

Раздражают слизистые оболочки. Вызывают изменения в лёгких, сердечный бронхит, снижение гемоглобина в крови, сильно раздражают повреждённую кожу, накапливаются в коллагеновой фракции костной ткани. [69,70].

Таблица 3.6. Фторид празеодима

Обшие

Систематическое наименование

Фторид празеодима

Химическая формула

PrF3

Физические свойства

Состояние

темно-зеленые кристаллы тригональной формы

Плотность, г/см3

???

Растворимость

- мало растворим в воде

- реагирует с горячими кислотами

Термические свойства

Температура плавления, °С

1395

Температура кипения, °С

2300

Безопасность

ПДКрз, мг/м3

5

ПДКмр, мг/м3

0,46

ПДКсс, мг/м3

0,05

ОБУВ, мг/м3

0,046

Класс опасности

3

Токсическое действие

Раздражают слизистые оболочки. Вызывают изменения в лёгких, сердечный бронхит, снижение гемоглобина в крови, сильно раздражают повреждённую кожу, накапливаются в коллагеновой фракции костной ткани. [69,70].

Таблица 3.7. Фторид гольмия

Обшие

Систематическое наименование

Фторид гольмия

Химическая формула

HoF3

Физические свойства

Состояние

белые кристаллы

Плотность, г/см3

7,664

Растворимость

- не растворим в воде

- реагирует с горячими кислотами

Термические свойства

Температура плавления, °С

1360

Температура кипения, °С

2230

Безопасность

ПДКрз, мг/м3

5

ПДКмр, мг/м3

0,46

ПДКсс, мг/м3

0,05

ОБУВ, мг/м3

0,046

Класс опасности

3

Токсическое действие

Раздражают слизистые оболочки. Вызывают изменения в лёгких, сердечный бронхит, снижение гемоглобина в крови, сильно раздражают повреждённую кожу, накапливаются в коллагеновой фракции костной ткани. [69,70].

Таблица 3.8. Нитрат европия

Обшие

Систематическое наименование

Нитрат европия

Химическая формула

Eu(NO3)3

Физические свойства

Состояние

белые с желтоватым оттенком кристаллы

Плотность, г/см3

???

Растворимость

- растворяется в воде, образует кристаллогидраты

- реагирует с горячими кислотами

Термические свойства

Температура плавления, °С

1360

Температура кипения, °С

2230

Безопасность

ПДКрз, мг/м3

5

ПДКмр, мг/м3

0,46

ПДКсс, мг/м3

0,05

ОБУВ, мг/м3

0,046

Класс опасности

3

Токсическое действие

Раздражают слизистые оболочки. Вызывают изменения в лёгких, сердечный бронхит, снижение гемоглобина в крови, сильно раздражают повреждённую кожу, накапливаются в коллагеновой фракции костной ткани. [69,70].

Таблица 3.9. Фторид иттербия

Обшие

Систематическое наименование

Фторид иттербия

Химическая формула

YbF3

Физические свойства

Состояние

 бесцветные (белые) кристаллы

Плотность, г/см3

8,17

Растворимость

- не растворим в воде, образует кристаллогидраты

- реагирует с горячими кислотами

Термические свойства

Температура плавления, °С

1162

Температура кипения, °С

2200

Безопасность

ПДКрз, мг/м3

5

ПДКмр, мг/м3

0,46

ПДКсс, мг/м3

0,05

ОБУВ, мг/м3

0,046

Класс опасности

3

Токсическое действие

Раздражают слизистые оболочки. Вызывают изменения в лёгких, сердечный бронхит, снижение гемоглобина в крови, сильно раздражают повреждённую кожу, накапливаются в коллагеновой фракции костной ткани. [69,70].

В работе применялись материалы, описанные в таблице 3.10.

Таблица 3.10. Используемые материалы:

№ п/п

Название

материала

Марка

ГОСТ или ТУ

Свойства

1

Термопара

Термопара хромель-алюмель (ТХА)

ГОСТ 6616-94

Диапазон измерения при длительном измерении -200…+1000С

2

Тигли
корундовые

-

ГОСТ 9147-80

Изготовлены из вакуумплотного керамического материала КВПТ с нулевой открытой пористостью на основе оксида алюминия.
Объем тигля 5 мл.

3

Ступка с
пестиком агатовые

-

ГОСТ 801-78 или
ГОСТ 380-71

-

Материал тигля – корунд -Al2O3

Тугоплавкое вещество. Не взаимодействует с водой. Хорошо растворим в расплавленном криолите. Амфотерен. Обладает высокой плотностью – 3,5 г/см3. Тпл = 2046°С, Ткип=2980°С.

ПДКрз = 6 мг/м3и

ОБУВ = 0,052 мг/м3.

Класс опасности – 3.

Порошок оксида алюминия является аэрозолем фиброгенного действия [71].

  1. Оборудование

3.2.1.Оборудование для варки, отжига и термообработки стекол

3.2.1.1. Печь для варки стекол

Для варки стёкол применялась печь муфельная ПМ-12М1, представленная на рис.3.1.

Рис.3.1. Печь ПМ-12М1

Муфельная печь ПМ-12 предназначена для проведения высокотемпературной обработки металлов, керамики, реактивов и прочих материалов, ее характеристика представлены в таблице 3.11. Печь снабжена ПИД регулятором температуры.

Таблица 3.11. Технические характеристики

Диапазон регулируемых температур внутри муфеля, оС

до 1250

Терморегулирование

авт. с погрешностью ± 0,5%

Объем рабочей камеры, л

8,0

Максимальная потребляемая мощность, кВт

4,0

Потребляемая мощность в режиме поддержания температуры 1000 оС, кВт

1,0

Напряжение питания , В/Гц

220/50

Габаритные размеры, мм

470х 500х 600

Тип термопары

ТХА

Точность поддержания температуры, %

3

Материал нагревательного провода

КАNTHAL

Масса, кг

53

Печь снабжена микропроцессорным регулятором температуры РТ-1200. Печь выходила на стабильный режим за 1-2 часа в зависимости от необходимой температуры.

3.2.1.2.Прецизионная печь для отжига и термообработки стекол

Во время дипломной работы был собран блок управления для прецизионной печи, состоящий из силового блока СБ25М3 и регулятора температуры ТЕРМОДАТ-14Е5.

Силовой блок СБ25М3 (приборостроительное предприятие «МЕРАДАТ») предназначен для бесконтактного регулирования тока нагрузки до 25 А приборами ТЕРМОДАТ или другими управляющими устройствами и используется там, где требуется долгий срок службы и большой ресурс по числу коммутаций.

Прибор состоит из радиатора, блока управления и симистора. Схема управления построена на базе оптосимистора, имеющего оптическую развязку цепи управления от силовой цепи, и детектор прохождения напряжения через ноль. Тиристоры открываются в момент, когда напряжение на них близко к нулю. Поэтому прибор создает минимальные помехи в сети.

Прибор обеспечивает два метода управления мощностью электронагревателей: метод широтно-импульсной модуляции (ШИМ) и метод распределенных сетевых периодов.

Выбор метода управления мощностью производится с помощью управляющего устройства (ТЕРМОДАТА).

Таблица 3.12.Основные характеристики силового блока СБ25М3

Общие

Время срабатывание, не более

10 мс

Сопротивление изоляции между входом и выходом

106 Ом при 500 B DC

Напряжение пробоя между входом и выходом

1000 В

Рабочая температура окружающей среды

От -40 до +70 оС

Тепловыделение, не более

30 Вт

Вход

Входное напряжение управляющего сигнала

5…30 B DC

Ток управляющего сигнала, не более

30 мА

Выход

Коммутируемый ток, не более

25 А

Коммутируемое напряжение

30…380 B DC

Термодат-14Е5 предназначен для измерения и регулирования температуры. Регулирование температуры осуществляется по программе – графику технологического процесса. Программа может содержать участки роста и снижения температуры с заданной скоростью, а также участки поддержания температуры в течение заданного времени. Запуск программ происходит их меню прибора, по сигналу на дискретном входе или по интерфейсу RS485.

В приборе реализовано несколько методов управления мощностью. Это пропорционально-интегрально-дифференциальный закон (ПИД), двухпозиционный закон и трехпозиционный режим (для управления задвижкой с электроприводом).

Термодат-14Е5 имеет универсальный измерительный вход, дискретный вход и четыре выхода. Универсальный вход предназначен для подключения термопар или термосопротивлений. В зависимости от модели выходы могут быть: реле, транзисторный, симисторный и аналоговый. Дискретный вход может быть использован для включения и выключения регулирования.

Прибор может управлять как печью, так и холодильником. Предусмотрен также особый комбинированный режим – одновременное управление нагревателем и охладителем.

Таблица 3.13. Основные характеристики Термодат-14Е5

Общие характеристики

Полный диапазон измерения

От -270 оС до 2500 оС

Время измерения

Для термопары

Для термосопротивления

Не более 0,5 сек

Не более 0,7 сек

Класс точности

0,25

Разрешение

1 оС или 0,1 оС

Подключение термопары

Типы термопар

ТХА (К), ТХК (L), ТЖК (J), ТМКн (Т), ТНН (N), ТПП (S), ТПП(R), ТПР(В), ТВР (А-1, А-2, А-3).

Компенсация температуры холодного спая

Автоматическая компенсация или ручная установка температуры компенсации в диапазоне
от 0 до 100 оС или отключена

Блок управления предназначен для щитового монтажа. Размеры выреза в щите для монтажа 92*92 мм. Рабочая температуры в шкафу не должна превышать 50 оС. При подключении прибора к сети желательно установить предохранитель и внешний тумблер для включения прибора.

В нашем случае Термодат-14Е5 и СБ25М3 были смонтированы в одном корпусе (рис. 3.2-3.3) с отдельными пускателями для управляющей и силовой части.

Рис. 3.2. Схема монтажа блока управления.

Рис. 3.3. Общий вид блока управления и печи

1 – корпус блока управления; 2 – Термодат-14Е5; 3 – пускатель управляющей части;
4 – распределительная коробка для подключения печи; 5 – пускатель силовой части;
6 – вход термопары; 7 – ХА-термопара; 8 – шнур; 9 – печь сопротивления

3.2.2. Вспомогательное оборудование

Для взвешивания шихты и образцов использовались электронные весы Explorer Ohaus.

Обработка поверхности производилась на станке («Станок для огранки камней» Т-080.00.00 НПФ «Тогран»), снабжённом двигателем, вращающим вал, на который надевается планшайба. Процесс осуществлялся с водой – с использованием планшайб с зернистостью 60/40 и 40/28 для сокращения времени шлифовки и улучшения качества поверхности.

На том же станке проводилась полировка образцов на оловянной планшайбе без воды.

Качество поверхности оценивалось визуально. Толщина образцов в среднем составила 0,8 - 1 мм.

Для измерения размеров образцов использовался штангенциркуль по ГОСТ 166-80.

3.3. Методы исследования

3.3.1.Измерение напряжений на полярископе

Внутренние напряжения в стекле могут возникнуть в результате приложения внешних механических воздействий или могут быть вызваны быстрым или неравномерным охлаждением стекла при отливке. Наиболее простым, наглядным и распространенным методом определения наличия и величины напряжений прозрачных материалах является поляризационно-оптический метод.

Этот метод основан на том, что напряжение искажает конфигурацию оптической индикатрисы прозрачного тела, превращая шаровую индикатрису в эллипсоид вращения. В результате под действием напряжений возникает двойное лучепреломление.

В хорошо отожженном стекле разность хода световых лучей находится в пределах одной волны, при этом интерференция показывает характерные серовато-белые цвета первого порядка. В плохо отожженном или закаленном стекле в результате значительных остаточных напряжений разность хода световых лучей становится весьма большой и характеризуется интерференционными окрасками высших порядков.

Напряжения в стекле наблюдались с помощью полярископа ПКС-500.

3.3.2. Рентгенофазовый анализ (РФА)

Рентгенофазовый анализ (РФА) - в данной работе использовали для идентификации состава фаз, выделяющихся при кристаллизации стёкол.

РФА заключается в том, что предварительно истёртые в порошок образцы исследуются с помощью монохроматического пучка рентгеновских лучей. Метод основан на применении формулы Вульфа-Брэгга. Для упрощения описания дифракционной картины допускают, что имеют место отражения только первого порядка. Тогда формула Вульфа-Брэгга выглядит так:

2dhkl·sin = (3.1)

где dhkl – межплоскостное расстояние;

sin – синус угла отражения рентгеновских лучей;

h, k, l – дифракционные индексы;

– длина волны рентгеновского излучения.

«Метод порошка» обладает следующими достоинствами: высокая надёжность, быстрота проведения анализа, простота подготовки образца, невысокие требования к образцу (малые размеры, разориентированные агрегаты).

Рентгенограммы снимали на дифрактометре D8 Advance (Bruker) со скоростью съёмки 1о/мин (образец вращался в собственной плоскости) и шагом 0,05°. Съёмка проводилась в интервале углов 2q = 2070 (излучение CuKa c длиной волны l = 1,541874). Точность определения параметров решётки +5%·d. Чувствительность - до 5% примесной фазы.

Обработка экспериментальных данных и интерпретация фазового состава исследуемых образцов производится с помощью электронного каталога PCPDFWIN; база JCPDS-ICDD. Уточнение параметров решетки и окончательная расшифровка дифрактограмм проводилась в программе Bruker AX9 TOPAS v.4.2.

Анализ был проведён в Центре коллективного пользования РХТУ им. Д.И. Менделеева.

3.3.3. Измерение плотности

Плотность вычислялась расчётным методом, исходя из данных толщины образцов, массы, площади.

Масса измерялась на электронных весах марки А-160А с точностью ±0,0002г. Объем вычислялся исходя из данных о толщине, измеренной штангенциркулем, и средней площади поверхности стекол по формуле: V = S · d, где S – площадь поверхности, d – толщина. Плотность высчитывалась по формуле: .(г/см3) (9)

3.3.4. Измерение показателя преломления и дисперсии

Показатель преломления образцов измерялся с помощью геммологического рефрактометра РГ-1 (производитель – КЛИО), пределы измерения которого 1,3 – 1,80.

Максимальное измеряемое значение соответствует показателю преломления используемой иммерсионной жидкости. Исходя из предполагаемого показателя преломления для измеряемых образцов, использовалась иммерсионная жидкость 1,80+ refractive index liquid for refractometers производства GEM.

Погрешность измерений составила ±0,002.

Дисперсию показателя преломления измеряли методом Лодочникова с помощью микроскопа МИН-8. Пластинку исследуемого образца с плоскопараллельными полированными поверхностями закрепляли на стекле с нанесенной горизонтальной риской, причем боковая грань исследуемого образца была перпендикулярна нанесенной риске. Стекло помещали на столик Лодочникова, и, поворачивая столик вокруг горизонтальной оси, меняли угол падения лучей на пластинку, при этом наблюдали и измеряли смещение тени от риски. Показатель преломления рассчитывали по формуле Лодочникова:

, (3.2)

где d – толщина образца;

l – величина смещения тени от риски;

– угол наклона.

Погрешность измерений составила ±0,02.

Для определения дисперсии показателя преломления микроскоп МИН-8 снабжен тремя светофильтрами, позволяющими проводить измерения для красной (619 нм), желтой (540 нм) и синей (488 нм) линий спектра.

Средняя дисперсия показателя преломления определяется, как разность показателей преломления nF (488,1 нм) для синей линии спектра и nC (653 нм) для красной линии спектра. Величина средней дисперсии представляется как (nF-nC)105 и для большинства оптических стекол лежит в диапазоне 639-3178.

Коэффициент дисперсии (число Аббе) - задаётся отношением разности показателя преломления без единицы к средней дисперсии.

(3.3)

В большинстве случаев зависимость показателя преломления от длины волны света хорошо описывается дисперсионным уравнением Зельмейера, которое в упрощенном виде можно записать как:

, (3.4)

где A и B – коэффициенты, описывающие дисперсионные свойства конкретной среды. Для нахождения значений этих величин можно измерить показатель преломления исследуемого материала для нескольких длин волн видимого диапазона и затем аппроксимировать эти точки уравнением. Это удобно сделать, например, нанеся полученные экспериментальные точки на график в линеаризованных координатах 1/(n2-1) = f(1/), после чего провести через эти точки прямую. Рассчитав коэффициенты А и В, можно затем приближенно вычислить значения показателя преломления этого материала для любой длины волны оптического диапазона.

3.3.5. Измерение микротвердости

Твердость материала характеризует его способность сопротивляться вдавливанию в него другого тела или царапанию. Микротвердость стекол и ситаллов определяют, вдавливая алмазную пирамиду Виккерса с квадратным основанием и углом между гранями, равным 136, при различных нагрузках. На поверхности образца в результате этого образуются квадратные микроотпечатки, размер которых зависит от величины нагрузки и твердости образца. Длину диагонали микроотпечатка измеряют при помощи микроскопа.

Величину микротвердости подчитывают по формуле:

, кг/мм2, (3.5)

где P-нагрузка,

F-боковая поверхность пирамиды отпечатка.

Площадь F боковой поверхности квадратной пирамиды с известным углом =136 при вершине и известной длине диагонали основания L вычисляют по формуле: (3.6)

Тогда , (3.7)

а микротвердость:

, кг/мм2 (3.8)

Если выразить Р в граммах, а F-в микронах, то формула примет вид: , г/мм2 (3.9)

Значение твердости всего образца является средним арифметическим из результатов нескольких измерений микротвердости. Микротвердость определяют микротвердомером ПМТ-3.

3.3.6. Элементный анализ

Рентгеноспектральный микроанализ (РСМА) использовался для определения реальной концентрации ионов в стеклах. Полученные данные были использованы для оценки улетучивания компонентов, а так же вхождения в стекло материала тигля.

Образцы для РСМА подготавливались следующим образом: отполированные образцы с помощью эпоксидной смолы вклеивались в металлическую форму с целью его закрепления. При этом на одной металлической форме одновременно исследовались несколько образцов. Отполированные шлифы покрываются тонким электропроводящим слоем (углерод).

Чувствительность прибора составляет 0,01 масс. %. Излучение возбуждается в области, задаваемой оператором радиусом не менее 0,2 мкм. Возникающая, одновременно с излучением, вторичная электронная эмиссия используется для создания изображения поверхности изучаемого образца по различным методикам.

Анализ производится на установке «JSM-5900», совмещающей функции растрового сканирующего электронного микроскопа и рентгеноспектрального микроанализатора.

Обработка результатов анализа полностью компьютеризирована и проводится на оборудовании фирмы DEC под управлением многозадачной многопользовательской ОС RSX-11M. Количественный анализ проводили в нескольких точках (не менее 5), заданных оператором. Программа определяет весовое и атомное содержание до 15 элементов в каждой точке. Специальные программы позволяют загрузить эталонные образцы элементов и откалибровать прибор непосредственно в условиях опыта. При качественном анализе производится отображение текущего спектра и, по необходимости, его расшифровка поэлементно и отдельных линий (K,L,M).Спектр может быть записан, возможно, сравнение с другими, ранее снятыми спектрами. Микрофотографии поверхности с отметками проб сделаны во вторичных электронах в режиме Z-контраста.

После исследования планшет с образцами отжигается в муфельной печи для удаления эпоксидной смолы, а извлеченные пластинки стекла пригодны для дальнейшего исследования.

Анализ был проведён в Центре коллективного пользования Научного центра волоконной оптики РАН.

3.3.7. Спектры поглощения

Природа компонентов и соединений, способных окрашивать стекла, различна. Можно выделить три группы красителей: ионные, молекулярные и коллоидные. К группе ионных красителей принадлежат катионы переходных и редкоземельных элементов.

Поглощение стёкол и СКМ различных составов измеряли на спектрофотометре UNICO 2800 (UV/VIS) с диапазоном измерений 190-1100 нм.

Так как пучок света достаточно широкий, а образцы имеют разные размеры, была сделана алюминиевая ячейка с отверстием. Исследуемый образец приклеивался на отверстие с обратной стороны. Таким образом, пучок распространялся на образцы, имеющие одинаковую площадь, равную диаметру отверстия. Для получения спектра лампы прибора мы промерили пустую ячейку без образца.

Величину поглощения рассчитывали по следующей формуле:

(3.10)

где Iобр.- световой поток, прошедший через ячейку с образцом;

Iяч.- световой поток, прошедший через пустую ячейку;

d - толщина образца, см.

D –поглощение, см-1

3.3.8. Спектры люминесценции Nd3+, Er3+, Pr3+, Ho3+, Eu3+, Yb3+

3.3.8.1. Спектры люминесценции образцов с Nd3+

Спектры люминесценции Nd3+ в стеклах и СКМ исследовали с помощью спектрометра (рис. 3.5) QE65000 (Ocean Optics)

Рис. 3.5. Внешний вид Спектрометра QE65000.

Возбуждение люминесценции происходило диодом с длиной волны 785 нм.

Регистрация сигнала происходила на детектор на основе двумерной ПЗС-матрицы (размером 1044 64 пикселов) с покадровым переносом (FFT-CCD) фирмы Hamamatsu (Hamamatsu S7031-1006), который имеет квантовую эффективность на уровне 90% (определяемую как эффективность преобразования фотона в фотоэлектрон). Возможный диапазон съемки спектра от 782 до 939,9 нм, щель приемника 50 мкм.

Съемка производилась при комнатной температуре. При регистрации спектров люминесценции геометрия съемки выбиралась такой, чтобы уменьшить искажение спектра из-за влияния эффекта перепоглощения. При этом угол между направлением луча возбуждающего излучения, падающего на образец, и направления регистрируемой люминесценции выбирался близким к 180о.

3.3.8.2. Спектры люминесценции образцов с Er3+

Спектры люминесценции Er3+ в стеклах и СКМ исследовали с в двух спектральных диапазонах: 500-700 нм и 1400-1600 нм помощью прибора Fluorolog 3D (Horiba Jobin Yvon), для возбуждения использовали диод
exc = 975,0 нм. Условия и геометрия съемки была такой же, как и при снятии спектров Nd.

Спектры люминесценции остальных надо еще доделать и дописать сюда

3.3.8.6. Спектры люминесценции образцов с Yb3+

Были измерены спектры люминесценции ионов Yb3+ в стеклах и поликристаллических порошках: Для измерений использовался двойной монохроматор СДЛ-1 с набором стандартных светофильтров и различные источники возбуждения. Для возбуждения люминесценции Yb3+ использовался лазерный InAlGaAs диод с диапазоном перестройки излучения 962-968 нм. Излучение регистрировалось на длине волны =1 мкм. Чтобы минимизировать влияние эффекта перепоглощения при регистрации люминесценции, была использована геометрия регистрации люминесценции под углом, близким к 1800 относительно возбуждающего излучения. Спектры люминесценции для поликристаллов снимались с порошков, помещенных в иммерсионную жидкость с показателем преломления n > 1,7.

Сигнал регистрировался охлаждаемым фотоумножителем ФЭУ-83 и оцифровывался осциллографом С 9-8, полученные спектры обрабатывались на компьютере.


4. ЭКСПЕРИМЕНТАЛЬНАЯ ЧАСТЬ

4.1. Получение фтороборатных стекол

Были синтезированы стекла в системе PbF2-B2O3, а также в системе BaO-PbF2-B2O3 (образцы для сравнения), легированные различными РЗЭ в концентрациях 1 – 20 моль.%. Для синтеза стекол были подготовлены навески соответствующих составов. Навески были тщательно перемешаны в агатовой ступке, помещены в корундовый тигель и поставлены в печь. Масса навески шихты для одного эксперимента составляла ~ 9 г.

Варка стёкол осуществлялась в корундовых тиглях в печи ПМ-12M1 при температурах 850-1050 0С на воздухе. Толщина образцов составляла 2-3 мм.

Таблица 4.1. Условия синтеза стекол

Состав

Условия получения

Результат

1

80 PbF2

20 В2O3

Плавление в тигле при 850С в течение 30 минут. Отливка на стальную пластинку при комнатной температуре.

Расплав жидкий. Стекло желтоватое, чистое

2

80 PbF2

20 В2O3

1 PrF3

Плавление в тигле при 850С в течение 30 минут. Отливка на стальную пластинку при комнатной температуре.

Расплав жидкий. Стекло ярко-зеленоватое, чистое

3

80 PbF2

20 В2O3

1 Eu(NO3)3

Плавление в тигле при 850С в течение 30 минут. Отливка на стальную пластинку при комнатной температуре.

Расплав жидкий. Стекло желтоватое, чистое

4

80 PbF2

20 В2O3

1 HoF3

Плавление в тигле при 850С в течение 30 минут. Отливка на стальную пластинку при комнатной температуре.

Расплав жидкий. Стекло розоватое, чистое

5

80 PbF2

20 В2O3

6 YbF3

Плавление в тигле при 850С в течение 30 минут. Отливка на стальную пластинку при комнатной температуре.

Расплав жидкий. Стекло желтоватое, чистое

6

80 PbF2

20 В2O3

3 YbF3

Плавление в тигле при 850С в течение 30 минут. Отливка на стальную пластинку при комнатной температуре.

Расплав жидкий. Стекло желтоватое, чистое

7

85 PbF2

15 В2O3

1 NdF3

Плавление в тигле при 950С в течение 20 минут. Отливка на стальную пластинку при комнатной температуре.

Расплав жидкий. Стекло голубовато-лиловое, небольшая кристаллизация по краю отливки

8

85 PbF2

15 В2O3

1 EuF3

Плавление в тигле при 950С в течение 20 минут. Отливка на стальную пластинку при комнатной температуре.

Расплав жидкий. Стекло желтоватое, небольшая кристаллизация по краю отливки

9

85 PbF2

15 В2O3

1 ErF3

Плавление в тигле при 950С в течение 20 минут. Отливка на стальную пластинку при комнатной температуре.

Расплав жидкий. Стекло розоватое, чистое

10

90 PbF2

10 В2O3

1 NdF3

Плавление в тигле при 900С в течение 20 минут. Отливка на стальную пластинку при комнатной температуре.

Расплав очень жидкий. Кристаллизация примерно половины объема. Стекло голубовато-лиловое, сильно растрескавшееся.

11

90 PbF2

10 В2O3

1 ErF3

Плавление в тигле при 900С в течение 20 минут. Отливка на стальную пластинку при комнатной температуре.

Расплав очень жидкий. Кристаллизация примерно трети объема. Стекло розоватое.

12

95 PbF2

5 В2O3

1 NdF3

Плавление в тигле при 900С в течение 20 минут. Отливка на стальную пластинку при комнатной температуре.

Белый поликристаллический образец с заметными кристаллитами чешуйчатой формы

13

25 PbF2

25 BaO

50 В2O3

1 Eu(NO3)3

Плавление в тигле про 1050 0С в течение 30 минут. Отлив на стальную пластинку или в дюралевую форму при комнатной температуре.

Расплав вязкий, стекло бесцветное, чистое, растрескалось.

14

10 PbF2

40 BaF2

50 В2O3

6 YbF3

Плавление в тигле про 1050 0С в течение 30 минут. Отлив на стальную пластинку или в дюралевую форму при комнатной температуре.

Расплав вязкий, стекло бесцветное, чистое.

15

20 PbF2

30 BaO

50 В2O3

1 Eu(NO3)3

Плавление в тигле про 1050 0С в течение 30 минут. Отлив на стальную пластинку или в дюралевую форму при комнатной температуре.

Расплав вязкий, стекло бесцветное, чистое.

16

80PbF2–0,1ErF3–20B2O3

Плавление в тигле при 900С в течение 20 минут. Отливка на стальную пластинку при комнатной температуре.

Чистое желтоватое стекло

17

79PbF2–1ErF3–20B2O3

Плавление в тигле при 900С в течение 20 минут. Отливка на стальную пластинку при комнатной температуре.

Чистое розовое стекло

18

75PbF2–5ErF3–20B2O3

Плавление в тигле при 900С в течение 20 минут. Отливка на стальную пластинку при комнатной температуре.

Чистое розовое стекло

19

70PbF2–10ErF3–20B2O3

Плавление в тигле при 900С в течение 20 минут. Отливка на стальную пластинку при комнатной температуре.

Чистое ярко розовое стекло

20

60PbF2–20ErF3–20B2O3

Плавление в тигле при 900С в течение 20 минут. Отливка на стальную пластинку при комнатной температуре.

Расплав расслоился на стеклянную и кристаллическую часть

В системе PbF2-B2O3 получение качественных стекол возможно из шихты с содержанием PbF2 до 85%, при этом добавление 1 моль.% РЗЭ ионов положительно влияет на стеклование, чем более тяжелый РЗИ добавляется, тем заметнее положительное влияние.

Для закристаллизовавшихся при застывании составов был проведен рентгенофазовый анализ (рис. 4.1). Рентгенограммы кристаллической фазы отливок 90PbF2-10B2O3, активированных Nd и Er, практически совпадают. В обоих случаях выпадают фазы фторида свинца, в основном, -PbF2 и немного -PbF2. В случае 95PbF2-5B2O3 происходит полная кристаллизация расплава, что хорошо видно по отсутствию стеклянного гало (на предыдущих рентгенограммах, даже с учетом того, что на анализ отдавали отобранную закристаллизованную часть отливок, гало хорошо видно). В этом случае выпадают фазы -PbF2 и борат свинца, скорее всего, Pb(BO2)2.

Рис. 4.1. Рентгенограммы закристаллизованных составов

Состав, содержащий 20 моль.% ErF3, при застывании расслаивается на стеклянную и поликристаллическую часть, кристаллическая фаза представлена кубическим твердым раствором Pb0,6Er0,4F2,4.

Рис. 4.2. Рентгенограмма закристаллизованного состава 60PbF2–20ErF3–20B2O3

4.2. Отжиг стекол

Для снятия термических напряжений стекла отжигали при температуре на 20-30 C ниже температуры стеклования.

Для составов 80PbF2-20B2O3 (Tg=225C) выбрали температуру отжига 200 C. Для составов 85PbF2-15B2O3 и 90PbF2-10B2O3 Tg неизвестно, но по данным базы SciGlass температура стеклования убывает с ростом содержания PbF2, поэтому для этих составов выбрали температуру отжига также 200 C. Для составов 25PbF2-25BaO-50В2O3 (Tg=375C), 20PbF2-30BaO-50В2O3 (Tg=380C) и 10PbF2-40BaF2-50В2O3 (Tg=360C) выбрали температуру отжига 350 C.

Отжиг проводили при выбранных температурах, 4 часа, до снятия напряжений в прецизионной печи сопротивления, оснащенной силовым блоком СБ25М3 и регулятором температуры ТЕРМОДАТ-14Е5. Охлаждение образцов проводилось со скоростями, не превышающими 5 0С/мин. Стёкла не деформировались, внешний вид остался прежним.

4.3. Обработка стекол

Для измерения микротвёрдости, показателя преломления, спектроскопических исследований образец должен быть плоскопараллельным, прозрачным и хорошо отполированным. Поэтому подготовка стёкол включает в себя стадии шлифовки и полировки. Каждая операция производилась поочерёдно для каждой стороны стекла.

Шлифовка. Обработка поверхности производилась на станке, снабжённом двигателем, вращающимся валом, на который надевается планшайба. Процесс осуществлялся с водой в две стадии – с использованием планшайб различной зернистости для сокращения времени шлифовки и улучшения качества поверхности: 60/40 и 40/28.

Полировка. Полировка образцов проводилась на том же станке. В ряде случаев отшлифованный образец наклеивали на кич при помощи мастики; затем производилась полировка с использованием керамической планшайбы. По достижении необходимого качества полировки кич нагревали для размягчения мастики и отклеивания образца. Некоторые образцы полировались без кича (придерживались рукой) на оловянной планшайбе без воды.

Качество поверхности оценивалось визуально с помощью лупы 10х увеличения. Толщина образцов в среднем составила 1,5 – 2 мм.

4.4. Элементный анализ стекол

Для концентрационной серии стекло с Er был проведен элементный анализ состава.

80PbF2-0,1ErF3-20B2O3

Рис. 4.3. СЭМ изображения поверхности стекла

Видно, что стекло однородное, без свилей и областей ликвации.

Таблица 4.2. Расчет состава

Элемент

Атом, %

СРЕДНЕЕ

1

2

3

4

6

B

11,88

11,33

9,75

10,28

9,71

10,59±0,97

O

29,57

27,61

27,82

28,04

28,52

28,31±0,78

F

22,97

25,16

26,05

25,34

25,39

24,98±1,17

Al

13,15

13,47

13,56

13,45

13,49

13,42±0,15

Pb

22,43

22,43

22,82

22,89

22,89

22,69±0,24

Сумма:

100,00

100,00

100,00

100,00

100,00

100

Элемент

По шихте

По анализу

ат.

На 1 Pb

ат., %

На 1 Pb

B

40

0,5

10,59±0,97

0,47

O

60

0,75

28,31±0,78

1,25

F

160

2

24,98±1,17

1,10

Al

-

-

13,42±0,15

0,59

Pb

80

1

22,69±0,24

1

Сумма:

340

100

Формула стекла 62,5 PbF2 - 37,5 PbO – 23,5 B2O3 – 29,5 Al2O3

41 PbF2 - 25 PbO – 15 B2O3 – 19 Al2O3 или без Al

51 PbF2 - 30 PbO – 19 B2O3

улетучилось 45 % F

79PbF2-1ErF3-20B2O3

Рис. 4.4. СЭМ изображения поверхности стекла

Видно, что стекло однородное, без свилей и областей ликвации.

Таблица 4.3. Расчет состава

Элемент

Атом, %

СРЕДНЕЕ

1

2

3

4

6

B

8,47

10,05

7,58

11,14

14,64

10,38±2,75

O

28,42

28,52

29,95

29,26

28,18

28,87±0,73

F

24,54

24,64

25,62

24,09

23,96

24,57±0,65

Al

14,49

13,93

14,16

13,61

12,67

13,77±0,69

Er

0,34

0,30

0,30

0,30

0,25

0,30±0,03

Pb

23,76

22,55

22,39

21,60

20,30

22,12±1,28

Сумма:

100,0

100,00

100,00

100,00

100,00

100,00

Элемент

По шихте

По анализу

ат,

На 1 Pb

ат,, %

На 1 Pb

B

40

0,51

10,38±2,75

0,47

O

60

0,76

28,87±0,73

1,307

F

161

2

24,57±0,65

1,11

Al

-

-

13,77±0,69

0,62

Er

1

0,01

0,30±0,03

0,01

Pb

79

1

22,12±1,28

1

Сумма:

340

100,00

Формула стекла 54 PbF2 – 46 PbO – 1 ErF3 – 23,5 B2O3 – 31 Al2O3

35 PbF2 - 30 PbO – 0,7 ErF3 –15 B2O3 – 20 Al2O3

или без Al

43 PbF2 - 37 PbO – 1 ErF3 – 19 B2O3

улетучилось 44 % F

75PbF2-5ErF3-20B2O3

Рис. 4.5. СЭМ изображения поверхности стекла

Видно, что стекло однородное, без свилей и областей ликвации.

Таблица 4.4. Расчет состава

Элемент

Атом, %

СРЕДНЕЕ

1

2

3

4

6

B

8,50

10,84

13,17

7,55

10,91

10,19±2,22

O

27,27

26,39

24,82

27,78

27,12

26,68±1,15

F

26,09

25,67

25,37

25,54

24,98

25,53±0,41

Al

13,29

12,76

12,44

13,54

12,59

12,92±0,47

Er

1,55

1,53

1,64

1,55

1,53

1,56±0,05

Pb

23,30

22,81

22,56

24,03

22,87

23,11±0,58

Сумма:

100,00

100,00

100,00

100,00

100,00

100,00

Элемент

По шихте

По анализу

ат,

На 1 Pb

ат,, %

На 1 Pb

B

40

0,53

10,19±2,22

0,44

O

60

0,8

26,68±1,15

1,15

F

165

2,2

25,53±0,41

1,10

Al

-

-

12,92±0,47

0,56

Er

5

0,07

1,56±0,05

0,07

Pb

75

1

23,11±0,58

1

Сумма:

340

100,00

Формула стекла 44,5 PbF2 – 55,5 PbO – 7 ErF3 – 22 B2O3 – 28 Al2O3

28 PbF2 - 35 PbO – 4 ErF3 –14 B2O3 – 18 Al2O3

или без Al

35 PbF2 - 43 PbO – 5 ErF3 – 17 B2O3

улетучилось 50 % F

70PbF2-10ErF3-20B2O3

Рис. 4.6. СЭМ изображения поверхности стекла

Видно, что в стекле есть небольшие зоны неоднородности.

Таблица 4.5. Расчет состава

Элемент

Атом, %

СРЕДНЕЕ

1

2

3

4

6

7

8

B

14,46

10,76

9,71

8,80

5,33

6,53

12,38

9,71±3,19

O

28,85

29,23

30,58

29,15

31,36

32,01

27,34

29,79±1,61

F

24,89

24,91

25,01

26,47

27,29

26,03

24,58

25,60±1,01

Al

11,60

12,02

12,08

12,61

12,98

12,90

12,75

12,42±0,52

Er

2,60

2,97

2,90

2,96

2,91

2,91

3,08

2,90±0,15

Pb

17,60

20,11

19,72

20,00

20,13

19,62

19,86

19,58±0,89

Сумма:

100,0

100,00

100,00

100,00

100,00

100,00

100,00

100,00

Элемент

По шихте

По анализу

ат,

На 1 Pb

ат,, %

На 1 Pb

B

40

0,57

9,71±3,19

0,50

O

60

0,86

29,79±1,61

1,52

F

170

2,4

25,60±1,01

1,31

Al

-

-

12,42±0,52

0,63

Er

10

0,14

2,90±0,15

0,14

Pb

70

1

19,58±0,89

1

Сумма:

340

100,00

Формула стекла 44,5 PbF2 – 55,5 PbO – 14 ErF3 – 25 B2O3 – 31,5 Al2O3

26 PbF2 - 33 PbO – 8 ErF3 –15 B2O3 – 18 Al2O3

или без Al

32 PbF2 - 40 PbO – 10 ErF3 – 18 B2O3

улетучилось 45 % F

60PbF2-20ErF3-20B2O3

стеклянная сторона

Рис. 4.7. СЭМ изображения поверхности стекла

Видно, что стекло весьма неоднородное, присутствуют свили и областей ликвации и кристаллизации.

Таблица 4.6. Расчет состава

Элемент

Атом, %

СРЕДНЕЕ

1

2

3

4

6

B

22,15

16,20

18,00

14,27

6,67

15,46±5,71

O

21,82

20,94

22,91

22,96

23,30

22,39±0,98

F

29,08

30,52

22,98

21,97

30,90

27,09±4,28

Al

8,32

9,06

9,16

9,80

11,21

9,51±1,09

Er

4,45

5,32

6,78

7,67

6,85

6,21±1,30

Pb

14,18

17,96

20,17

23,32

21,07

19,34±3,47

Сумма:

100,00

100,00

100,00

100,00

100,00

100,00

Элемент

По шихте

По анализу

ат,

На 1 Pb

ат,, %

На 1 Pb

B

40

0,67

15,46±5,71

0,80

O

60

1

22,39±0,98

1,16

F

180

3

27,09±4,28

1,40

Al

-

-

9,51±1,09

0,49

Er

20

0,3

6,21±1,30

0,32

Pb

60

1

19,34±3,47

1

Сумма:

340

100,00

Формула стекла 22 PbF2 – 78 PbO – 32 ErF3 – 40 B2O3 – 24,5 Al2O3

11 PbF2 - 40 PbO – 16 ErF3 –20 B2O3 – 12 Al2O3

или без Al

13 PbF2 - 45 PbO – 19 ErF3 – 23 B2O3

улетучилось 53 % F

закристаллизованная сторона

Рис. 4.8. СЭМ изображения поверхности стекла

Хорошо видны крупные кристаллы размером от 20 до 50 мкм. Кристаллы огранены кубически или гексагонально.

Таблица 4.7. Расчет состава

Элемент

Атом, %

СРЕДНЕЕ

1

2

3

4

6

B

10,32

26,68

9,83

10,47

12,78

14,02±7,17

O

25,92

16,58

25,17

23,60

19,36

22,13±4,01

F

7,92

22,05

27,59

25,64

29,31

22,50±8,59

Al

18,78

7,62

0

9,10

7,09

8,52±6,73

Er

8,54

10,80

14,23

12,18

13,45

13,63±2,25

Pb

28,52

16,27

23,18

19,01

18,00

21,00±4,92

Сумма:

100,00

100,00

100,00

100,00

100,00

100,00

Элемент

По шихте

По анализу

ат,

На 1 Pb

ат,, %

На 1 Pb

B

40

0,67

14,02±7,17

0,67

O

60

1

22,13±4,01

1,05

F

161

3

22,50±8,59

1,07

Al

-

-

8,52±6,73

0,41

Er

1

0,3

13,63±2,25

0,65

Pb

79

1

21,00±4,92

1

Сумма:

340

100,00

Формула стекла 100 PbO – 36 ErF3 – 14,5 Er2O3 – 33,5 B2O3 – 20,5 Al2O3

49 PbO – 18 ErF3 – 7 Er2O3 – 16 B2O3 – 10 Al2O3

или без Al

54 PbO – 20 ErF3 – 2 Er2O3 – 18 B2O3

улетучилось 64 % F

Таблица 4.8. Сравнение состава стеклянной и закристаллизованной части

Элемент

ВСЕГО

Стекло

Кристалл

Распределение

B

14,74±6,16

15,46±5,71

14,02±7,17

-

O

22,26±2,75

22,39±0,98

22,13±4,01

-

F

24,80±6,83

27,09±4,28

22,50±8,59

В стекло

Al

9,01±4,57

9,51±1,09

8,52±6,73

В стекло

Er

9,03±3,43

6,21±1,30

13,63±2,25

В кристалл

Pb

20,17±4,10

19,34±3,47

21,00±4,92

В кристалл

Сумма:

100,00

100,00

100,00

Таким образом, фтор и алюминий оттесняются в стекло, а свинец и эрбий в кристаллическую часть, что согласуется с данными о фазовом составе кристаллитов - Pb0,6Er0,4F2,4.

4.2.5. Определение плотности стекол

Еще не сделано!

4.2.6. Определение показателя преломления и дисперсии

Показатели преломления ряда свинцовых фтороборатных стекол, активированных РЗЭ (рис. 6) измерены методом Лодочникова. Эти стекла содержали 80, 90 и 95 моль.% фторида свинца и 1 моль.% фторидов РЗЭ (Nd, Pr, Er, Eu, Ho).

Рис. 6. Дисперсия показателя преломления свинцовых фтороборатных стекол, активированных РЗЭ

По 4 точкам были рассчитаны параметры уравнения Зельмейера, а затем по ним значения показателей преломления в красной (653 нм) и ИК (1 и 1,55 мкм) области. По значениям показателей преломления расчитана дисперсия и определен оптический класс стекол (табл. 1)

Таблица 1. Показатели преломления стекол.

Состав стекла

Измеренные показатели преломления

85PbF2

15B2O3

1EuF3

85PbF2-15B2O3

1ErF3

85PbF2-15B2O3

1ErF3

85PbF2

15B2O3

1NdF3

90PbF2

10B2O3

1ErF3

80PbF2

20B2O3

1HoF3

80PbF2

20B2O3

1PrF3

n, при l=488 нм 0,02

2,09

2,11

2,15

2,10

2,28

1,76

1,74

n, при l=582 нм 0,02

2,04

2,02

2,11

2,06

2,20

1,73

1,70

n, при l= 540 нм 0,02

2,02

2,01

2,05

2,04

2,15

1,70

1,69

nF, при l=619 нм 0,02

2,00

1,98

2,00

2,02

2,09

1,67

1,67

Параметры уравнения Зельмейера

А

0,38876

0,00277

0,42628

0,01744

0,41900

0,02385

0,37451

0,00249

0,38505

0,0142

0,68212

0,02679

0,66048

0,01364

B

-21380

825

-31799

5203

-35227

7117

-19374

742

-35529

4235

-50177

7995

-39563

4070

Рассчитанные показатели преломления

nF, при l=488 нм 0,03

2,08

2,10

2,17

2,10

2,29

1,77

1,74

nd, при l=587 нм 0,03

2,02

2,00

2,04

2,04

2,13

1,69

1,68

nC, при l=653 нм 0,03

1,99

1,96

1,99

2,01

2,08

1,66

1,66

n, при l=1,00 мкм 0,03

1,93

1,88

1,90

1,95

1,96

1,61

1,62

n, при l=1,55 мкм 0,03

1,91

1,85

1,86

1,93

1,92

1,59

1,60

Дисперсия

Средняя дисперсия
(nF-nC)105

9613

14096

17223

9059

21200

10188

7686

Коэффициент дисперсии
(число Аббе)

11

7

6

11

5

7

9

Оптический класс

СТФ

СТФ

СТФ

СТФ

СТФ

ТФ

ТФ

Стекла с содержанием фторида свинца 80 моль.% относятся к тяжелым флинтам, а с содержанием 90 и 95 моль.% фторида свинца – к сверхтяжелым флинтам. Различные РЗЭ в концентрации 1 моль.% практически не влияют на показатели преломления в пределах точности данного метода.

4.2.7. Определение микротвердости стекол

Для плоскопараллельных образцов были измерены микротвёрдости на микротвердомере ПМТ-3. Измерения проводились на обеих сторонах образцов, для каждой нагрузки делалось по 5 отпечатков, каждый отпечаток измерялся дважды. Использовалось от 7 и более вариантов весовых нагрузок на каждый образец (рис.4.10).

Рис. 4.10. Микротвёрдость стекол

В таблице 4.11 приведены средние значения микротвёрдостей. В данном случае «средней микротвёрдостью» является среднее арифметическое из результатов нескольких измерений для нагрузок от 30 до 200г. Определить предел упругости не представляется возможным, т.к. на зависимостях отсутствует ярко-выраженный максимум.

Таблица 4.11. Микротвердость стекол

Состав

Средняя микротвердость, кг/мм2 ±10

85PbF2–15B2O3–1EuF3

197

85PbF2–15B2O3–1ErF3

202

85PbF2–15B2O3–1NdF3

185

90PbF2–10B2O3–1ErF3

126

80PbF2–20B2O3–1HoF3

138

80PbF2–20B2O3–1PrF3

124

80PbF2–20B2O3–3YbF3

144

80PbF2–20B2O3–6YbF3

123

80PbF2–20B2O3–1EuF3

150

Небольшие добавки РЗЭ практически не влияют на твердость.

4.4. Спектры поглощения стекол

Поглощение стёкол различных составов измеряли на спектрофотометре UNICO 2800 (UV/VIS) с диапазоном измерений 190-1100 нм (рис. 3.2).

Рис. 3.2. Спектры поглощения стекол.

На спектрах стекол, активированных Yb (рис.3.3) хорошо видна полоса поглощения в области 950-1000 нм, отвечающая электронному переходу в Yb3+ с основного состояния на возбужденное.

Рис. 3.3. Спектры поглощения стекол:

№5 10 PbF2 - 40 BaF2 - 50 В2O3 - 6 YbF3

№6 80 PbF2 - 20 В2O3 - 3 YbF3

На спектрах хорошо видна разница в крае поглощения (340 и 410 нм), ответственная за желтоватую окраску стекла PbF2 - 20 В2O3 - 3 YbF3

На спектрах стекол, активированных Pr (рис. 3.4) и Ho (рис. 3.5), видны все типичные полосы поглощения этих ионов.

Рис. 3.4. Спектр поглощения стекла 80 PbF2 - 20 В2O3 - 1 PrF3

Рис. 3.5. Спектр поглощения стекла 80 PbF2 - 20 В2O3 - 1 НоF3

Поглощение в области 400-470 и 570-600 нм обеспечивает стеклу, активированному Pr яркий зелено-желтый цвет.

На спектрах стекол, активированных Eu (рис. 3.6), видна одна полоса поглощения, приходящаяся на 370 нм.

Рис. 4.6 Спектры поглощения стекол:

№3 80 PbF2 - 20 В2O3 - 1 Eu(NO3)3

№7 20 PbF2 - 30 BaO - 50 В2O3 - 1 Eu(NO3)3

№6 25 PbF2 - 25 BaO - 50 В2O3 - 1 Eu(NO3)3

Для стекол, активированных Er, край поглощения лежит в области 340 нм, в спектре присутствуют все линии, отвечающие переходам из основного состояния 4I15/2 иона Er3+ на возбужденные уровни (рис. 4.7).

Рис. 4.7 Спектры поглощения стекол, активированных Er

4.5. Люминесценция стекол

Была исследована люминесценция стекол, активированных Eu, при возбуждении в линию поглощения 370 нм (рис. 3.7).

Рис. 3.7. Спектры люминесценции стекол:

80 PbF2 - 20 В2O3 - 1 Eu(NO3)3

20 PbF2 - 30 BaO - 50 В2O3 - 1 Eu(NO3)3

25 PbF2 - 25 BaO - 50 В2O3 - 1 Eu(NO3)3

На спектрах стекол присутствуют полосы, соответствующие энергетическим переходам иона Eu(III): 5D07F0 (578 нм), 5D07F1 (дублет 591, 596 нм, линии частично перекрыты), 5D07F2 (наиболее интенсивная дублетная полоса 611, 618 нм, тоже перекрытая), 5D07F3 (652 нм), 5D07F4 (700 нм).


4. РЕЗУЛЬТАТЫ РАБОТЫ

1. В результате выполнения УНИР был составлен обзор литературы по вопросам стеклования в оксифторидных боратных системах и спектрально-люминесцентных свойств материалов, активированных РЗИ.

2. Получены стекла в системах PbF2-B2O3 и BaO-PbF2-B2O3, активированные Pr, Nd, Eu, Ho, Er, Yb. Для системы PbF2-B2O3 уточнена предельная концентрация PbF2 для получения стекол – 85 моль.%.

3. Стекла отожжены, отшлифованы и отполированы.

4. Исследованы спектры поглощения и люминесценции стекол и их показатель преломления.


ИСПОЛЬЗОВАННАЯ ЛИТЕРАТУРА

[1] Павлушкин Н.М. «Химическая технология стекла и ситаллов» М. Стройиздат, 1977, –360 с.

[2] G.H. Beall, D.A. Duke, J. Mater. Sci. 4 (1969) 340–352.

[3] Мазелев Л.Я. Боратные стекла. Издательство Академии наук БССР. Минск, 1958, 172 с.

[4] C. Joo, U. Werner-Zwanziger, J.W. Zwanziger. The ring structure of boron trioxide glass. // Journal of Non-Crystalline Solids 261 (2000) 282-286.

[5]. M. Kodama and S. Kojima. Anharmonicity and fragility in lithium borate glasses. // Journal of Thermal Analysis and Calorimetry, Vol. 69 (2002) 961-970.

[6]. M.A. Ramos, J.A. Moreno, S. Vieira, C. Prieto, J.F. Fernandez. Correlation of elastic, acoustic and thermodynamic properties in B2O3 glasses.// Journal of Non-Crystalline Solids 221 (1997) 170–180.

[7]. М.М. Шульц. Стекло: структура, свойства, применение. // Соросовский общеобразовательный журнал, №3, 1996г., с. 49-55

[8]. Alex С. Hannon , Adrin С. Wright, John A. Blackman, Roger N. Sinclair. The vibrational modes of vitreous B2O3: inelastic neutron scattering and modelling studies. Journal of Non-Crystalline Solids 182 (1995) 78-89.

[9]. J. A. Tossel. Calculation of the structural and spectral properties of boroxol ring and non-ring B sites in B2O3 glasses.// Journal of Non-Crystalline Solids 183 (1995) 307-314.

[10]. Tetssuji Yano, Noboru Kunimine, Shuichi Shibata, Masayuki Yamane. Structural investigation of sodium borate glasses and melts by Raman spectroscopy. II. Conversion between BO4 and BO2O- units at high temperature.// Journal of Non-Crystalline Solids 321 (2003) 147-156.

[11]. Tetssuji Yano, Noboru Kunimine, Shuichi Shibata, Masayuki Yamane. Structural investigation of sodium borate glasses and melts by Raman spectroscopy. III. Relation between the rearrangement of super-structures and the properties of glass.// Journal of Non-Crystalline Solids 321 (2003) 157-168.

[12]. Мазелев Л.Я. Боратные стекла. Издательство Академии наук БССР. Минск, 1958, 172 стр.

[13]. С.К.Филатов (СПбГУ), Р.С.Бубнова (ИХС РАН, Санкт-Петербург) «Бораты: строение и свойства кристаллов и стекол», www. icp.ac.ru/conferences/old/NCCC/abstracts/Filatov.html

[14]. Pernice, S. Esposito, A. Aronne, V.N. Sigaev. Structure and crystallization behavior of glasses in the BaO-B2O3-Al2O3 system.// Journal of Non-Crystalline Solids 258 (1999) 1-10.

[15]. Angel C.A., Scamehorm C.A., List D.J., Kieffer J. Glassforming liquid oxides at the fragile limit of the viscosity temperature relationship. // Glass’89. Proc. XV Intern. Congress on glass. 1989. V.1a. Leningrad. Nauka, 1989. P 204-209

[16]. Tetsuji Yano, Noboru Kunimine, Shuichi Shibata, Masayuki Yamane. Structural investigation of sodium borate glasses and melts by Raman spectroscopy. III. Relation between the rearrangement of super-structures and the properties of glass. // Journal of Non-Crystalline Solids 321 (2003) p. 157-168.

[17]. J. A. Tossel. Calculation of the structural and spectral properties of boroxol ring and non-ring B sites in B2O3 glasses. // Journal of Non-Crystalline Solids 183 (1995) p. 307-314.

[18]. Макмиллан П.У. Стеклокерамика. Издательство Мир. Москва, 1967, 264 стр

[19]. Павлушкин Н.М. «Основы технологии ситаллов». Учебное пособие для ВУЗов. М: Стройиздат, 1979.

[20] D. Ehrt, IOP Conf. Ser.: Mater. Sci. Eng. 2 (2009) 012001.

[21] A. de Pablos-Martin, D. Ristic, S. Bhattacharyya, T. Hoeche, G.C. Mather, M.O.Ramirez, S. Soria, M. Ferrari, G.C. Righini, L.E. Bausa, A. Duran, M.J. Pascual, J. Am.Ceram. Soc. 96 (2013) 447–457,

[22] P.P. Fedorov, V.V. Osiko, Crystal growth of fluorides, in: P. Capper (Ed.), Bulk Crystal Growth of Electronic, Optical and Optoelectronic Materials., Wiley Series in Materials for Electronic and Optoelectronic Applications, John Wiley & Son, Ltd, 2005, pp. 339–356, http://dx.doi.org/10.1002/9780470012086, ISBN 978-0- 470-85142-5.

[23] S.V. Kuznetzov, V.V. Osiko, E.A. Tkatchenko, P.P. Fedorov, Russ. Chem. Rev. 75 (2006) 1065–1082.

[24] Fernandes Roger Gomes, Pereira Camila, Bertholdo Roberto, Fabia Castro Cassanjes, Gael Poirier, J. Non-Cryst. Solids 357 (2011) 3345–3350.

[25] L. Domange, Ann. Chim. 7 (1937) 225–297.

[26] J.C. Warf, W.D. Cline, R.D. Tevebaugh, Anal. Chem. 26 (1954) 342–346, http:// dx.doi.org/10.1021/ac60086a019.

[27] C.V. Banks, K.E. Burke, J.W. O’Laughlin, Anal. Chim. Acta 19 (1958) 239–243, http://dx.doi.org/10.1016/S0003-2670(00)88149-0. [272] T. Komatsu, T. Honma, Int. J. Appl. Glass Sci. 4 (2013) 12

[28] I. Gugov, M. Mueller, C. Ruessel, J. Solid State Chem. 184 (2011) 1001–1007

[29] Gopalakrishnan R., Tan K.L., Chowdari B.V.R. and Vijay A.R. X-ray photoelectron spectroscopy and ionic transport studies on lead fluoroborate glasses. // J.Phys. D: Appl. Phys., 1994. vol.27, No. 12, p.2612.

[30] Gressler, C. A., Shelby, J. E. Optical properties of 60B2O3-(40-x)PbO-xMCl2 and 50B2O3-(50-x) PbO-xMCl2 (M = Pb, Cd). // J. Appl. Phys. 66 (1989) 1127.

[31]. M.A.P. Silva, Y. Messaddeq, V. Briois, M. Poulain, F. Villain, S.J.L. Ribeiro. Synthesis and structural investigations on TeO2-PbF2-CdF2 glasses and transparent glass-ceramics. // J. Physics and Chemistry of Solids, 2002, vol.63, № 4, p. 605-612.

[32] A. Chayahara, N. Kitamura, J. Nishii, Y. Horino, M. Makihara, K. Fujii, J. Hayakawa. Structural relaxation of mev ion-implanted silica glasses by thermal annealing. // Nuclear Instruments and Methods in Physics Research Section B: Beam Interactions with Materials and Atoms, 1998, vol. 141, № 1-4, p.620-624.

[33] Gressler C.A. and Shelby J.E. Properties and structure of B2O3 and GeO2 glasses. // Appl. Phys. 1974, 45, No. 12, p. 5272

[34] Pisarska J., Pisarski W.A. Dominiak-Dzik G., Ryba-Romanowski W. Visible and infrared spectroscopy of Pr3+ and Tm3+ ions in lead borate glasses . // Journal of Physics: Condensed Matter, 2004, vol.716, No.34, p. 6171-6184.

[35] Hager I.Z. Elastic moduli of boron oxyfluoride glasses: experimental determinations and application of Makishima and Mackenzie's theory. // Mater. Sci., 2002, vol.37, No.7, p.1309-1313.

[36] Elwell D. and Coe I.M. The role of B2O3 in PbO/PbF2/B2O3 fluxes. // J.Cryst. Growth, 1978, vol.44, No.5, p. 553-560.

[37] Jose Ezequiel de Souza «Estudo das propriedades electricas de vidros oxifluoroboratos de chumbo pela tecnica de espectroscopia de impedancia»// Dissertao de Mestrado apresentada ao Instituto de Fisica de So Carlos, Universidade de So Paulo, para obteno do titulo de Mestre em Cincias: Fisica Aplicada. So Carlos- So Paulo, 2005, p. 91.

[38] Соколов И. А., Мурин И. В., Мельникова Н. А., Пронкин А. А. Электрические свойства и строение галогенсодержащих свинцовоборатных стекол. I II. Система PbF2–PbO·B2O3. // Физика и химия стекла, 2002, т.28, вып.5, 433-439.

[39] A. de Pablos-Martin, C. Patzig, T. Hoeche, A. Duran, M.J. Pascual, CrystEngComm 15 (35) (2013) 6979–6985

[40] Y.L. Wei, J.J. Li, J.W. Yang, X.N. Chi, H. Guo, J. Lumin. 137 (2013) 70–72, http:// dx.doi.org/10.1016/j.jlumin.2012.11.017.

[41] G. Kawamura, R. Yoshimura, K. Ota, S.Y. Oh, N. Hakiri, H. Muto, T. Hayakawa, A. Matsuda, J. Am. Ceram. Soc. 96 (2013) 476–480, http://dx.doi.org/10.1111/ jace.12053

[42] J. del-Castillo, A.C. Yanes, J. Mendez-Ramos, V.K. Tikhomirov, V.D. Rodrguez, Opt. Mater. 32 (2009) 104–107

[43] H. Yu, H. Guo, M. Zhang, Y. Liu, M. Liu, L.J. Zhao, Nanoscale Res. Lett. 7 (2012) 275

[44] X.-Y. Sun, S.-M. Huang, Nucl. Instrum. Methods Phys. Res. A 621 (2010)

[45] A. de Pablos-Martin, C. Patzig, T. Hoeche, A. Duran, M.J. Pascual, CrystEngComm 15 (35) (2013) 6979–6985.

[46] H. Yu, H. Guo, M. Zhang, Y. Liu, M. Liu, L.J. Zhao, Nanoscale Res. Lett. 7 (2012) 275

[47] X.-Y. Sun, S.-M. Huang, Nucl. Instrum. Methods Phys. Res. A 621 (2010) 322–325.

[48] X.-Y. Sun, M. Gu, S.-M. Huang, X.-J. Jin, X.-L. Liu, B. Liu, C. Ni, J. Lumin. 129 (2009) 773–777

[49] Z.Y. Lin, X.L. Liang, Y.W. Ou, C.X. Fan, S.L. Yuan, H.D. Zeng, G.R. Chen, J. Alloys Compd. 496 (2010) L33–L37.

[50] Wei Xu, Cheng-Ren Li, Bao-Sheng Cao, Bin Dong, Chin. Phys. B 19 (12) (2010) 127804.

[51] T. Suzuki, S. Masaki, K. Mizuno, Y. Ohishi, Proc. SPIE 7721 (2010) 77210T, http:// dx.doi.org/10.1117/12.854090.

[52] R. Lisiecki, E. Augustyn, W. Ryba-Romanowski, M. Zelechower, Opt. Mater. 33 (11) (2011) 1630–1637.

[53] Yu Teng, K. Sharafudeen, S. Zhou, J. Qiu, J. Ceram. Soc. Japan 120 (2012) 458–466.

[54] D. Ehrt, IOP Conf. Series: Mater. Sci. Eng. 21 (2011) 012001, http://dx.doi.org/ 10.1088/1757-899X/21/1/012001.

[55] F. Auzel, Chem. Rev. 104 (2004) 139–173

[56] Snitzer E., Optical Maser Action of Nd3+ in a Barium Crown Glass, Phys Rev., 1961, 7, p 444

[57] А.А. Mak, D.S. Prileshaev, V.A. Serebrjakov. Laser action in the Nd3+- glasses. Opt. and spectr., 33, (1972), 689 – 692.

[58] N.B. Brachkovskaja, A.A. Grubin, S.G. Lunter. The intensity of optical transient in the absorption and luminescence spectra of neodimium in the glases. Kvant. electron, 3, (1976), 998 – 1002.

[59] M. Naftaly, C. Batchelor, A. Jha. Pr3+-doped fluoride glass for a 589nm fibre laser. J.of Lum., 91, (2000), 133 –138.

[60] THE SPECTROSCOPY OF 4SRO·7B2O3:RE3+ (RE = EU3+, PR3+, ND3+) GLASSES D.P.Kudrjavtcev, Yu. S. Oseledchik, A.L.Prosvirnin, N.V.Svitanko The Zaporozhye State Engineering Academy, Prospect Lenina 226, Zaporozhye, Ukraine, 69006 (2004), р.16-19

[61] L.А. Maks, L.N Soms, V.A. Fromsel. Lasers on the neodimium glass, Nauka, 1990, p.18

[62] D.P. Kudrjavtcev, Yu.S. Oseledchik, A.L. Prosvirnin, N.V.Svitanko. The luminescence of the praseodimium – doped strontium borate Sr4B14O25:Pr3+. Ukr. J. of Phys. Opt., 2, (2002), 155 – 160.

[63] L.X. Yi. Emissions properties of Ho3+: 5 I7 5 I8 transition sensitized by Er3+ and Yb3+in fluorophosphate glasses / L.X. Yi, M. Wang, S.Y. Feng, Y.K. Chen, G.N. Wang, L.L. Hu, J.J. Zhang // Optical Materials. 2009. Vol. 31. P. 1586 – 1590.

[64]А. К. Пржевуский, Н. В. Никоноров. «Конденсированные лазерные среды». Учебное пособие, СПб: СПбГУ ИТМО, 2009г. – 147 с.

[65]A.Renuka Devi, C.K.Kayasankar «Optical properties of Er3+ ions in lithium borate glasses and comparative energy level analyses of Er3+ ions in various glasses».// Journal of Non-Crystalline Solids, v.197, 1996, p.111-128

[66] D. Ehrt, IOP Conf. Series: Mater. Sci. Eng. 21 (2011) 012001

[67] А. К. Пржевуский, Н. В. Никоноров. «Конденсированные лазерные среды». Учебное пособие, СПб: СПбГУ ИТМО, 2009г. – 147 с.

[68] X. Qiao, X. Fan, M. Wang, X. Zhang.Up-conversion luminescence and near infrared luminescence of Er3+ in transparent oxyfluoride glass-ceramics. // Optical Materials 27 (2004) 597–603.

[69] Беспамятнов Г.П. Предельно допустимые концентрации химических веществ в окружающей среде. Г.П. Беспамятнов, Ю.А. Кротов. - Л.: Химия, 1985. – 528 с.

[70] Безопасность труда в химической промышленности: учебное пособие для студентов высших учебных заведений. Под ред. Л.К.Марининой, М: Издательский центр “Академия”, 2006. – 528 с.

[71] Филов В.А. Вредные и химические вещества в промышленности. Неорганические вещества I-IV групп// Справочное издание под ред. Филова В.А., Л.: Химия, 1988. – 320 с.

Синтез и исследование фтороборатных стекол, активированных редкоземельными ионами