Расчет бестрансформаторного усилителя мощности с однополярным питанием
Калининградский государственный технический институт
КАФЕДРА АВТОМАТИЗАЦИИ ПРОИЗВОДСТВЕННЫХ ПРОЦЕССОВ
Курсовая работа Курсовая работа защищена
Допущена к защите с оценкой ______________
________________________ _______________________
Руководитель Шамаев Е.П. Руководитель Шамаев Е.П
“” 20г. “” д 20г.
КУРСОВАЯ РАБОТА
По электронике
КР.62. 210200. 2Д.63
Работу выполнила
студентка.
Калининград
20
Содержание
Задание с.3 Расчет бестрансформаторного усилителя мощности с однополярным питанием с.4
Расчет импульсного стабилизатора напряжения с ограничением тока в ШИМ с использованием микросхемы A78 S40 фирмы Fairchild с. 9
Расчет мостового выпрямителя с емкостным фильтром с.16
Расчет сглаживающего LC-фильтра с.18
Расчет силового трансформатора с.20
Список используемой литературы с.22
Задание
Рассчитать усилитель мощности с источником питания 25Д4,где
Д - однополярный УМ с импульсным стабилизатором напряжения;
=25Вт;Rн =4Ом.
Структурная, схема усилителя мощности с источником питания приведена на рис.1.

Рис. 1. Структурная схема усилителя мощности с источником питания
1 - усилитель мощности; 2 - стабилизатор напряжения; 3 - сглаживающий фильтр; 4 - выпрямитель; 5 - силовой трансформатор;
и - переменное напряжение входного и выходного сигналов усилителя мощности;
- сопротивление нагрузки;
и - постоянное напряжение на входе и выходе фильтра;
- действующее значение напряжения на вторичной обмотке трансформатора;
- сетевое напряжение.
Расчет бестрансформаторного усилителя мощности с однополярным питанием
Принципиальная электрическая схема усилителя мощности (УМ) приведена на рис. 2.

Рис. 2
Транзистор VT1 УМ работает в режиме А. Выходные транзисторы VT4, VT5 работают в режиме АВ. "Вольт-добавка" в схеме осуществляется с помощью конденсатора C2. На транзисторах VT2, VT3 собрана защита УМ от перегрузки, которая работает следующим образом. При большом входном сигнале (больше номинального) в выходном каскаде может возникнуть перегрузка транзисторов VТ4, VT5 по току вследствие увеличения напряжения источника питания больше номинального или подключения к УМ сопротивления нагрузки меньше номинального. Когда ток в нагрузке имеет номинальное значение, то он вызывает малое падение напряжения на резисторах R7, R8, поэтому транзисторы VT2, VT3 закрыты. При увеличении тока нагрузки возрастает падение напряжения на резисторах R7, R8 и транзисторы VT2, VT3 приоткрываются и прикрывают транзисторыVT4,VT5, тем самым ограничивая значение выходного тока на уровне максимально допустимого.
Исходные данные для расчета:
- максимальная выходная мощность усилителя, Вт;
--сопротивление нагрузки, Ом.
1. Определяем мощность, отдаваемую выходным транзистором V в нагрузку.
2. Находим амплитуду тока коллектора транзистора VT4
Ikm=
3. Вычисляем амплитуду выходного напряжения
UВЫХm= В
4. Находим напряжение питания УМ
,
где - остаточное напряжение насыщения коллектор-эмиттер транзистора VT4;
= 0,5…0,6 для кремниевых транзисторов;
= 0,2 ... 0,3 для германиевых транзисторов.
EK=2(14+0.5)=29 B
5. Вычисляем мощность, рассеиваемую транзистором VT4 за период сигнала:
PKср= Вт
6. Из справочника выбираем типы транзисторов VT4, VT5, составляющих комплементарную пару, с примерно одинаковыми параметрами из условия
где - максимальное напряжение коллектор-эмиттер выбранного типа транзистора;
- максимальный импульсный ток коллектора;
Pк - максимальная мощность транзистора на коллекторе. Выписываем основные технические данные выбранных типов транзисторов VT4, TV5.
VT4- КТ819Б
TV5- КТ818Б
|
Ikmax, А |
Ik и max ,А |
UКЭО, В |
UКБО, В |
UЭБО, В |
PKmax, Вт |
Tп max, С |
Tк max, С |
h 21э |
UКЭ,UКБ |
Ik, Iэ, А |
UКЭН, В |
Ikэо, мА |
fгр, МГц |
tвыкл, мкс |
Rтп-к, С/Вт |
Tк , С |
|
|
КТ818Б |
10 |
15 |
50 |
50 |
5 |
60 |
125 |
100 |
20- 225 |
5 |
5 |
2 |
1 |
3 |
2,5 |
1,67 |
25 |
|
КТ819Б |
10 |
15 |
50 |
50 |
5 |
60 |
125 |
100 |
20- 225 |
5 |
5 |
2 |
1 |
3 |
2,5 |
1,67 |
25 |
7. Вычерчиваем из справочника семейство статических выходных и входных характеристик транзистора VT4.
8. На семействе выходных ВАХ транзистора вычерчиваем динамическую нагрузочную характеристику. Выбираем положение точки покоя транзистора VT4. (Семейство статических выходных и входных характеристик транзистора VT4 приводятся в приложении курсовой работы.)
Определяем с помощью графиков значения
IБО=0.002 А
IKO=1 А
UБЭО=0.6 В
IБmax=0.05 А
UБЭmax=0.9 В
9. Находим амплитуду напряжения между базой и эмиттером транзистора VT4
UБЭm=0.9-0.6=0.3 В
10. Вычисляем амплитуду тока базы транзистора VТ4
IБm=0.05-0.002=0.048 А
11. Определяем амплитуду напряжения на входе выходного каскада
UВХm=UБЭm+UВЫХm
UВХm=0.3+14=14.3 В
12. Перейдем к определению параметров транзистора VTI. Находим значение напряжения коллектор-эмиттер транзистора VTI в точке покоя:
UКЭ10=20,5+14.3=15.3 В
13. С учетом "вольт-добавки" находим напряжение коллектор-эмиттер транзистора VT5:
UКЭ50=15.3+0.6=15.9 В
14. Вычисляем напряжение коллектор-эмиттер транзистора VТ4 в точке покоя:
UКЭ40=29-15.9=13.1 В
15. Составляем уравнения для амплитуды тока коллектора транзистора VT1 и тока коллектора в точке покоя:
Решаем полученные уравнения относительно :
.
Выбираем значение резистора = (4... 8) полученный результат округляем до стандартного значения из ряда Е24, приведенного в приложении. Подставляя выбранное влечение резистора в квадратное уравнение, находим значение резистора. Находим значение тока , затем .
R4=33 Ом
R2=8.5 Ом
=0.048+0.3/8.5=0.8 А
= 1 А
16. Выбираем ив справочника тип транзистора VTI из условия
где - максимальный постоянный коллекторный ток выбранного типа транзистора.
VTI-КТ819ВМ
Выписываем основные технические данные транзистора.
|
Ikmax, А |
Ik и max ,А |
UКЭО, В |
UКБО, В |
UЭБО, В |
PKmax, Вт |
Tп max, С |
Tк max, С |
h 21э |
UКЭ,UКБ |
Ik, Iэ, А |
UКЭН, В |
Ikэо, м А |
fгр, МГц |
tвыкл, мкс |
Rтп-к, С/Вт |
Tк , С |
|
|
КТ819ВМ |
15 |
20 |
60 |
60 |
5 |
100 |
125 |
100 |
15 |
5 |
5 |
2 |
1 |
3 |
2,5 |
1,67 |
25 |
17. Вычисляем падение напряжения на емкости С2:
Тогда
UC2=2.7 В
EKmax=29+2.7=31.7 В
Убеждаемся, что транзистора VT1.
31.7<60
18. Находим напряжение смещения
UСМ=1.2 В
19. Определяем значение резистора :
тогда
R3=1.2 Ом
Проверяем необходимость шунтирования того резистора емкостью
Если
то конденсатор С3 не требуется. Входное сопротивление можно принять равным 30…100 Ом.
1.2<30, поэтому конденсатор С3 не требуется.
20. Выбираем значения конденсаторов С2
С2 = (0,001 ... 0,01) мкФ;
С2=0.01 мкФ
Из справочника выбираем стандартный тип конденсатора С2
21. Вычисляем значение резистора :
- минимальное значение коэффициента усиления транзистора по току по схеме с ОЭ,
UR1=15.9-0.6=15.3 B
IБ10=1 А
R1=15.3 Ом
22. Определяем значение емкости разделительного конденсатора C1.
где
- минимальная рабочая частота , Гц
- входное сопротивление транзистора, Ом
- коэффициент нелинейных искажений, дБ.
Принимаем
; ; =h11(VT1)
h11= э/ э
h11=1/0.425=2.4 Ом
С1=742 мкФ
23. Рассчитываем параметры схемы защиты усилителя от перегрузки. Выбираем типы транзисторов VT2, VT3. Эти транзисторы должны работать при малых напряжениях, т.е. должны иметь малое остаточное напряжение. Желательно использовать транзисторы с наибольшим . Граничная частота работы должна быть больше, чем у транзисторов VT4, VT5.
VT2- КТ807Б
VT3- КТ806Б
Fгр=5 МГц( у VT4, VT5 Fгр=3 МГц)
h21=30-200
Uост=0.3 В
|
Ikmax, А |
Ik и max ,А |
UКЭО, В |
UКБО, В |
UЭБО, В |
PKmax, Вт |
Tп max, С |
Tк max, С |
h 21э |
UКЭ,UКБ |
Ik, Iэ, А |
UКЭН, В |
Ikэо, мА |
fгр, МГц |
tвыкл, мкс |
Rтп-к, С/Вт |
Tк , С |
|
|
КТ806Б |
0.5 |
1.5 |
100 |
4 |
10 |
150 |
85 |
30- 200 |
5 |
0.5 |
1 |
5 |
5 |
3,5 |
8 |
70 |
|
|
КТ807Б |
0.5 |
1.5 |
100 |
4 |
10 |
150 |
85 |
30- 200 |
5 |
0.5 |
1 |
5 |
5 |
3,5 |
8 |
70 |
24. Находим значение резистора R7, R8 и R5, R6.
R7 = R8 (0,1 ... 0,2)RН
.
R7=R8=0.6 Ом
R5=R6=290 Ом
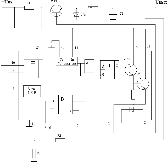
Расчет импульсного стабилизатора напряжения с ограничением тока и широтно-импульсной модуляцией (ШИМ) с использованием микросхемы А74S40 фирмы Fairchild

Рис. 3. Принципиальная электрическая схема импульсного стабилизатора напряжения с использованием микросхемы А74S40
Импульсный стабилизатор может работать в диапазоне входных напряжений =(2,5 … 40) В, выходных =(1,5...35)В.
Принципиальная электрическая схема стабилизатора приведена на рис.3.
Микросхема А74S40 представляет собой многоцелевой импульсный стабилизатор о НИМ о погрешностью 0,01 %. Максимальный ток внутреннего потребления микросхемы DA1 составляет 2,5 мА при =5В и 3,5 мА при =40В. Диапазон допустимых рабочих температур микросхемы коммерческой модуляции от 0 до 70°С. Частота генератора может быть установлена в пределах между 100 ... 100 000 Гц. Выходные транзисторы микросхемы могут выдерживать напряжение до 40 В и пропускать ток до 1,5 А. Типичное значение транзистора VTl микросхемы DA1 составляет 1,1 В и при IК = 1 а не превышает значения 1,3 В. Выход логического элемента "И" присоединяется к выходу триггера для выключения VTl при . Диод микросхемы А74S40 выдерживает напряжение 40 В, и на нем падает 1,5 В при пропускании тока в 1А в прямом направлении. Типичное значение =1,25 В при 1A. Источник опорного напряжения микросхемы DA1 имеет типичное значение 1,3 В.
Схема стабилизатора работает следующим образом. В любой момент времени, когда c выхода компаратора поступает на вход вентиля " И " сигнал низкого уровня, вызывающий запирание транзисторов VT2, VTl, VT1. После того, как частотозадающий конденсатор С2 разрядится, генератор снова откроет транзисторы до тех пор, пока напряжение на накопительном конденсаторе не достигнет установленного значения. Если понижается, то средний ток через дроссель L1 увеличивается. При этом возрастает время, когда транзисторы открыты. Если увеличивается, то магнитное поле дросселя L1 за время, когда транзисторы заперты, уменьшается медленнее и, следовательно, в следующем цикле транзисторы открываются на более короткое время.
Исходные данные для расчета:
- выходное стабилизированное напряжение, В; =14 В;
- максимальный ток нагрузки, А;
- частота генератора ШИМ преобразователя, = 10...25 кГц;
- напряжение пульсаций от пика до пика, = 25... 50 мВ.
Расчет
- Находим значение пикового тока,
IП=10 А
- Из справочника выбираем тип транзистора VT1. Транзистор VTI должен быть высокочастотный, мощный. Максимальное рабочее напряжение , постоянный ток коллектора . Выписываем его основные параметры. Примерно по таким же параметрам выбираем импульсный диод VD1. Необходимо обратить внимание на то, чтобы диод VD1 мог работать на частоте .
VT1- КТ909В
|
Ikmax, А |
Ik и max ,А |
UКЭО, В |
UКБО, В |
UЭБО, В |
PKmax, Вт |
Tп max, С |
Tк max, С |
h 21э |
UКЭ,UКБ |
Ik, Iэ, А |
UКЭН, В |
Ikэо, м А |
fгр, МГц |
Рвых, Вт |
Rтп-к, С/Вт |
Tк , С |
|
|
КТ908В |
2 |
4 |
60 |
300 |
3.5 |
27 |
120 |
85 |
10 |
5 |
0,25 |
0.3 |
30 |
300 |
12 |
5 |
40 |
VD1-КД212Г, Uобр=100 В, Iпр max=1 А, Iобр.max=100 мкА, Fdmax=100 кГц Uпр =1 В.
- Находим время, когда транзистор VTI находится в открытом и запертом состоянии.
где - падение напряжения на диоде VDI в прямом направлении, В
- напряжение насыщения транзистора VTI, В;
Подставляем это значение в уравнение
получаем
.
Определяем значение t0 и tс.
4. Вычисляем значение индуктивности L1 по формуле:
Если to измеряется в мск, то L1 в мГн
L1=21 мГн
Обмотка дросселя L1 наматывается на ферритовый магнитопровод.
5. Находим значение накопительной, емкости C1.
, мкФ,
если to , tc выражены в мкс.
C1=0.002 мкФ
Выбираем из справочника соответствующий тип конденсатора. Рабочее напряжение конденсатора принимаем равным
6. Определяем сопротивление датчика тока R1:
,Ом.
R1=0.034 Ом
Резистор R1 обычно изготавливается из манганинового провода, намотанного на каркас или без него.
7. Находим по формуле каталожного описания микросхемы емкость конденсатора C2:
, мкФ
С2=0.006 мкФ
Конденсатор С2 должен быть о малым запуском.
8. Вычисляем значения резисторов R2, RЗ делителя напряжения.
Принимаем Iдел=0,1 мА, тогда
где =1,3 В;
R2=1.27 МОм
,
R3=130 КОм
По справочнику выбираем типы резисторов из ряда Е24.
9. Находим максимальные мощности рассеивания транзистора VTI и микросхемы DA1.
где - напряжение насыщения транзистора VT1;
PPACVT1 =0.1 Вт
где =1.1 В;
- минимальные коэффициент усиления транзистора VT1 по току;
IП - ток потребления микросхемы;
IП = (2,5 ... 3,5) мА.
PACDA1=0.23 Вт
Мощность рассеивания микросхемы не должна превышать значения 1Вт.
10. Ориентировочно рассчитываем площадь радиатора под транзистор VTI.
где - температура перехода транзистора, °С;
- максимальная температура окружающей среды;
Ррас1 - мощность, рассеиваемая транзистором, Вт;
- тепловое сопротивление переход-корпус, °С/Вт.
Sохл1=10 кв.см
Расчет мостового выпрямителя с емкостным фильтром. Принципиальная электрическая схема выпрямителя о емкости, и фильтром приведена на рис. 3.

Рис. 3.
Нелинейный режим работы выпрямителя обусловлен как резкой нелинейностью самих диодов, так и отпиранием их в течение небольшой части периода входного синусоидального напряжения.
Исходные данные для расчета:
-сопротивление нагрузки, Ом;
- внутреннее сопротивление диодов и вторичной обмотки трансформатора, Ом;
- частота питающей сети, = 50 Гц;
m - число фаз выпрямителя, m=2;
Кп - коэффициент пульсаций на выходе фильтра;
средневыпрямленное значение выходного напряжения;
- средневыпрямленное значение выходного тока, А.
Расчет
1. Находим угол отсечки , характеризующий ту часть периода, в течение которой отпираются диоды.
Угол отсечки находим на решения трансцендентного уравнения ,
где ,
где ,
.
A=0.157
=0.785
2. Вычисляем коэффициенты:
К()=0.15
В()=1
F()=6.1
D()=5.13
3. Находим напряжение вторичной обмотка садового трансформатора, пиковое значение тока вентилей (диодов), средневыпрямленное значение тока вентилей, действующее значение тока вторичной обмотки трансформатора, обратное напряжение диода:
U2=35 В
IBmax=1.96 A
IB=1.66 A
I2=2.34 A
UД=78.8 В
По изменяющимся значениям выбираем из справочника соответствующие типы диодов VD1…VD4.
VD1…VD4- Д214Б
4. Определяем емкость конденсатора фильтра
, Ф;
C1=0.019 Ф
Расчет сглаживающего LC-фильтра
Принципиальная электрическая схема LC-фильтра приведен на рис. 4
.
Рис. 4.
Исходные данные для расчета:
- коэффициент пульсаций на выходе выпрямителя, % ;
- коэффициент пульсаций на выходе фильтра,
- максимальный ток, потребляемый от выпрямителя, А;
- частота питающей сети, =50 Гц;
m число фаз питающей сети (для мостовой схемы выпрямителя m= 2).
Расчет
1. Определяем коэффициент фильтрации фильтра
Для мостового выпрямителя =67%.
Коэффициент пульсаций на выходе фильтра выбираем =2%, что определяется требованиями аппаратуры.
Если < 50, то выбираем однозвенный фильтр,
Кф=33.5<50
2. Вычисляем произведение
, мкФГн
где
K=1
L1C1=86.25 мкФГн
3. Рассчитываем индуктивность, при которой обеспечивается емкостная реакция фильтра
,
где ,
Uфср=25 В
Rн=12.76 Ом
L`1=0.0135 Гн
4 . Определяем величину емкости конденсатора фильтра
С1=6388 мкФ
Выбираем из справочника конденсатор.
Расчет силового трансформатора, работающего на частоте 50 или 60 Гц
Условное изображение трансформатора приведено на рис 5.
Условное обозначение трансформатора

Рис.5.
Исходные данные для расчета:
- частота сети, =50 Гц;
- действующее значение напряжения первичной и вторичной обмоток трансформатора, В;
- ток вторичной обмотки, А.
Расчет
1. Определяем габаритную мощность трансформатора
где - габаритная мощность трансформатора, Вт;
- ток первичной обмотки трансформатора, А;
- КПД трансформатора;
N - общее число обмоток.
PГАБ =384 Вт
2. Находим произведение сечений стали и окна
, см4
где - максимальная индукция в сердечнике, Тл;
- допустимая плотность тока, А/мм2 J
S - число стершей сердечника с обмотками;
- коэффициент заполнения сердечника сталью;
- коэффициент заполнения окна медью.
=1.15 Тл
=1.6 А/мм2
S=1
=0.9
=0.33
=666
3. Вычисляем э.д.с., проводимую в одном витке провода:
, В
e=0.8 B
4. Находим число витков вторичной обмотки
.
W2=44
5. Определяем первое приближение для числа витков первичной
обмотки
W`1=275
6. Находим диаметр проводов первичной и вторичной обмоток
, мм;
, мм.
I1=1.7 A
I2=5 A
d1=1.2 мм
d2=2 мм
7. Вычисляем длину провода первичной обмотки
, м
a=1.6 см
b=1.6 см
c=2 см
l1=34 м
8. Находим падение напряжения на омическом сопротивлении первичной обмотки
, В
U1=0.9 B
9. Определяем число витков первичной обмотки
W=272
Список используемой литературы:
1. Полупроводниковые приборы: диоды, тиристоры, оптоэлектронные приборы: справочник; А.В. Баюков, А.Б. Гитцевич, А.А. Зайцев и др./ Под общ. ред. Н.Н.
Горюнова. М.: Энергоиздат, 1982. 744 с.
2. Галкин В.И., Прохоренко В.А. Полупроводниковые приборы. -Минск, 1979.-239с.
3. Усатенко С.Т., Каченюк Т.К., Терехова М.В. Выполнение электрических схем по ЕСКД.-М.,1992.-316с.
4. Транзисторы: справочник; Григорьев О.П., Замятин В.Я., Кондратьев Б.В., Пожидаев С.Л.- М., 1990.-272с.
5. Овечкин Ю.А. Полупроводниковые приборы.- М., 1986.-303с.
Расчет бестрансформаторного усилителя мощности с однополярным питанием